New Insights into Cement-Soil Mixtures with the Addition of Fluidized Bed Furnace Bottom Ashes
Abstract
1. Introduction
- -
- filling sinkholes using various materials such as sand, gravel, or special mixes,
- -
- soil consolidation through the use of, among others, cement-water injections or polyurethane foam, which can be used to fill smaller voids and stabilize the soil.
2. Materials and Methods
2.1. Materials
2.2. Strength Tests
2.3. Computed Tomography
3. Results
3.1. Material Parameters
3.2. Compressive Strength of Cement Mortars
3.3. Flexural Strength of Cement Mortars
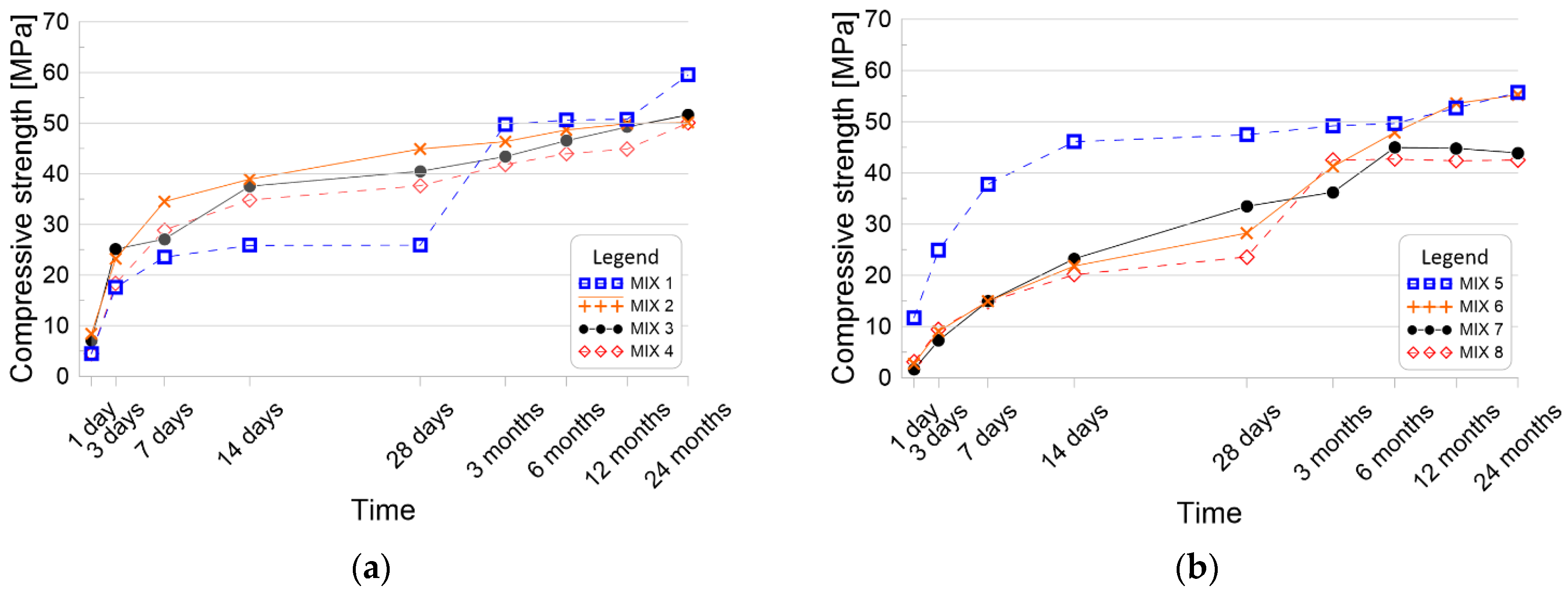
3.4. The Compressive Strength of Cement–Soil Mixtures
3.5. Flexural Strength of Cemented Soils Mixtures
3.6. Computed Tomography
4. Discussion
5. Conclusions
- The use of combustion by-products in concrete mixtures may worsen the water-to-cement ratio, affecting the mix consistency.
- CEM II, while environmentally beneficial, may slow down the concrete hardening process, especially during the first 14 days.
- Microsilica significantly improves the properties of the concrete mix, including its density and strength, both in traditional cement and in mixtures with CEM II.
- Microsilica helps improve the durability and stability of concrete, increasing its resistance to loads.
- The use of CEM II may negatively impact the water tightness of concrete mixtures, leading to more cracks.
- The lack of correlation between porosity and mixture strength suggests the need for further research into the destruction mechanisms of cement–soil blends.
- Tomographic studies and in-situ research in a computer tomography chamber could provide valuable insights into the properties of mixtures and their destruction mechanisms.
Author Contributions
Funding
Institutional Review Board Statement
Informed Consent Statement
Data Availability Statement
Conflicts of Interest
References
- Croce, P.; Modoni, G.; Russo, G. Jet-Grouting Performance in Tunnelling. In GeoSupport 2004; American Society of Civil Engineers: Reston, VA, USA, 2004; pp. 910–922. [Google Scholar]
- Heidari, M.; Tonon, F. Ground Reaction Curve for Tunnels with Jet Grouting Umbrellas Considering Jet Grouting Hardening. Int. J. Rock Mech. Min. Sci. 2015, 76, 200–208. [Google Scholar] [CrossRef]
- Ochmański, M.; Modoni, G.; Bzówka, J. Numerical Analysis of Tunnelling with Jet-Grouted Canopy. Soils Found. 2015, 55, 929–942. [Google Scholar] [CrossRef]
- Park, K.; Soliman, M.; Je Kim, Y.; Hyun Nam, B. Sinkhole Stability Chart for Geotechnical Investigation. Transp. Geotech. 2024, 45, 101191. [Google Scholar] [CrossRef]
- Mickovski, S.B. Why Is the Future Ready for Environmental Geotechnics? Environ. Geotech. 2016, 3, 63–64. [Google Scholar] [CrossRef]
- Hoyos, L.R.; DeJong, J.T.; McCartney, J.S.; Puppala, A.J.; Reddy, K.R.; Zekkos, D. Environmental Geotechnics in the US Region: A Brief Overview. Environ. Geotech. 2015, 2, 319–325. [Google Scholar] [CrossRef]
- Jeong, Y.; Kang, J. Enhancing Retaining Wall Stability with Geofoam. Heliyon 2024, 10, e33560. [Google Scholar] [CrossRef]
- Khosravi, M.; Arellano, D. Selection of Adequate EPS-Block Geofoam for Use in Embankments Subjected to Seismic Loads. Transp. Geotech. 2024, 47, 101286. [Google Scholar] [CrossRef]
- Sreekantan, P.G.; Bansal, D.; Ramana, G.V. Interface Shear Behavior of Geofoam-Sand: A Comprehensive Laboratory Investigation. Int. J. Geosynth. Ground Eng. 2024, 10, 88. [Google Scholar] [CrossRef]
- Amran, M.; Onaizi, A.M.; Fediuk, R.; Danish, A.; Vatin, N.I.; Murali, G.; Abdelgader, H.S.; Mosaberpanah, M.A.; Cecchin, D.; Azevedo, A. An Ultra-Lightweight Cellular Concrete for Geotechnical Applications—A Review. Case Stud. Constr. Mater. 2022, 16, e01096. [Google Scholar] [CrossRef]
- Bayesteh, H.; Sabermahani, M. Field Study on Performance of Jet Grouting in Low Water Content Clay. Eng. Geol. 2020, 264, 105314. [Google Scholar] [CrossRef]
- Shen, S.-L.; Atangana Njock, P.G.; Zhou, A. Influence of Nozzle Structure on Effectiveness of Jet Grouting Operations and Its Optimal Design. Geoenergy Sci. Eng. 2023, 226, 211788. [Google Scholar] [CrossRef]
- Li, Y.; Debusschere, R.; Yuan, Q.; Li, J. Recycling of Ground Jet Grouting Waste as a Supplementary Cementitious Material. Resour. Conserv. Recycl. 2023, 194, 106993. [Google Scholar] [CrossRef]
- Mach, A.; Wałach, D. Implementation of Integrated Life Cycle Design Principles in Ground Improvement and Piling Methods—A Review. Sustainability 2024, 16, 659. [Google Scholar] [CrossRef]
- Arenas, C.; Leiva, C.; Vilches, L.F.; Cifuentes, H. Use of Co-Combustion Bottom Ash to Design an Acoustic Absorbing Material for Highway Noise Barriers. Waste Manag. 2013, 33, 2316–2321. [Google Scholar] [CrossRef] [PubMed]
- Yashwanth Reddy, M.; Harihanandh, M. Experimental Studies on Strength and Durability of Alkali Activated Slag and Coal Bottom Ash Based Geopolymer Concrete. Mater. Today Proc. 2023; in press. [Google Scholar] [CrossRef]
- Ullah, A.; Kassim, A.; Ahmed, S.; Ullah, R.; Junaid, M.; Danish Zia, M. Experimental Analysis of Embankment on Soft Soil Improved with Bottom Ash Columns. Transp. Geotech. 2022, 37, 100881. [Google Scholar] [CrossRef]
- Eun Kim, J.; Seo, J.; Yang, K.-H.; Kim, H.-K. Cost and CO2 Emission of Concrete Incorporating Pretreated Coal Bottom Ash as Fine Aggregate: A Case Study. Constr. Build. Mater. 2023, 408, 133706. [Google Scholar] [CrossRef]
- Nayak, D.K.; Abhilash, P.P.; Singh, R.; Kumar, R.; Kumar, V. Fly Ash for Sustainable Construction: A Review of Fly Ash Concrete and Its Beneficial Use Case Studies. Clean. Mater. 2022, 6, 100143. [Google Scholar] [CrossRef]
- Roszczynialski, W.; Stępień, P.; Roszczynialski, W., Jr.; Bogusz, K.; Wiśnios, E. Combustion By-Products from Fluidized Bed Systems as Additives for Concrete, Uboczne Produkty Spalania z Instalacji Fluidalnych Jako Dodatki Do Betonu. In Monografie technologii Betonu. IX konferencja Dni Betonu: Tradycja i Nowoczesność: Wisła, 10–12 Października 2016; Association of Cement Producers: Kraków, Poland, 2016; pp. 1–14. [Google Scholar]
- Kaczmarczyk, G. Application of Fluidized Bed Furnance Bottom Ash in Civil Engineering—A Review. IOP Conf. Ser. Mater. Sci. Eng. 2021, 1203, 032013. [Google Scholar] [CrossRef]
- Brandt, A. Zastosowanie Popiołów Lotnych z Kotłów Fluidalnych w Betonach Konstrukcyjnych; Polska Akademia Nauk, Komiten Inżynierii Lądowej i Wodnej, Instytut Podstawowych Problemów Techniki: Warsaw, Poland, 2010. [Google Scholar]
- Kakasor Ismael Jaf, D.; Ismael Abdulrahman, P.; Salih Mohammed, A.; Kurda, R.; Qaidi, S.M.A.; Asteris, P.G. Machine Learning Techniques and Multi-Scale Models to Evaluate the Impact of Silicon Dioxide (SiO2) and Calcium Oxide (CaO) in Fly Ash on the Compressive Strength of Green Concrete. Constr. Build. Mater. 2023, 400, 132604. [Google Scholar] [CrossRef]
- Anish, C.; Venkata Krishnaiah, R.; Vijaya Bhaskar Raju, K. Strength Behavior of Green Concrete by Using Fly Ash and Silica Fume. Mater. Today Proc. 2023; in press. [Google Scholar] [CrossRef]
- Sarkar, M.; Maiti, M.; Mandal, S.; Xu, S. Enhancing Concrete Resilience and Sustainability through Fly Ash-Assisted Microbial Biomineralization for Self-Healing: From Waste to Greening Construction Materials. Chem. Eng. J. 2024, 481, 148148. [Google Scholar] [CrossRef]
- Lukiantchuki, J.A.; de Oliveira, J.R.M.d.S.; de Almeida, M.d.S.S.; dos Reis, J.H.C.; Silva, T.B.; Guideli, L.C. Geotechnical Behavior of Construction Waste (CW) as a Partial Replacement of a Lateritic Soil in Fiber-Reinforced Cement Mixtures. Geotech. Geol. Eng. 2021, 39, 919–942. [Google Scholar] [CrossRef]
- PN-EN 12457-4; Characterisation of Waste—Leaching—Compliance Test for Leaching of Granular Waste Materials and Sludges—Part 4: One stage Batch Test at a Liquid to Solid Ratio of 10 l/kg for Materials with Particle size Below 10 mm (Without or with Size Reduction). Polish Committee for Standardization: Warsaw, Poland, 2006.
- Chudoba, J. Polska Norma Branżowa BN-90/1785-01, Drilling Fluid—Testing Methods in Field Condition, Płuczka Wiertnicza—Metody Badań w Warunkach Polowych; Polish Committee for Standardization: Warsaw, Poland, 1990. [Google Scholar]
- PN-EN 1936:2010; Methods of Testing Natural Stone—Determination of Density, Bulk Density, and Total and Open Porosity, Metody Badań Kamienia Naturalnego—Oznaczanie Gęstości i Gęstości Objętościowej Oraz Całkowitej i Otwartej Porowatości. Polski Komitet Normalizacyjny: Warsaw, Poland, 2010.
- Brisard, S.; Serdar, M.; Monteiro, P.J.M. Multiscale X-ray Tomography of Cementitious Materials: A Review. Cem. Concr. Res. 2020, 128, 105824. [Google Scholar] [CrossRef]
- PN-EN 196-1:2016; Methods of Testing Cement—Part 1: Determination of Strength, Metody Badania Cementu—Część 1: Oznaczanie Wytrzymałości. Polski Komitet Normalizacyjny: Warsaw, Poland, 2016.
- Ketcham, R.A.; Hanna, R.D. Beam Hardening Correction for X-ray Computed Tomography of Heterogeneous Natural Materials. Comput. Geosci. 2014, 67, 49–61. [Google Scholar] [CrossRef]
- Kaczmarczyk, G.P.; Cała, M. Possible Application of Computed Tomography for Numerical Simulation of the Damage Mechanism of Cementitious Materials—A Method Review. Buildings 2023, 13, 587. [Google Scholar] [CrossRef]
- Ren, D.; Xu, J.; Su, S.; Tian, G.; Chen, X.; Zhang, A.; Ai, C. Characterization of Internal Pore Size Distribution and Interconnectivity for Asphalt Concrete with Various Porosity Using 3D CT Scanning Images. Constr. Build. Mater. 2023, 400, 132751. [Google Scholar] [CrossRef]
- Kaczmarczyk, G.P.; Kinasz, R.; Bilozir, V.; Bidenko, I. Application of X-ray Computed Tomography to Verify Bond Failures Mechanism of Fiber-Reinforced Fine-Grain Concrete. Materials 2022, 15, 2193. [Google Scholar] [CrossRef]
- Xu, N.; Song, Z. Evolution of Pore Structure of Microcapsule Self-Healing Concrete during Ultrasonic Triggering. J. Build. Eng. 2024, 82, 108332. [Google Scholar] [CrossRef]
- Blajer, M. Tunnel Lining Design Using the Convergence Control Method, Projektowanie Obudowy Tunelu z Wykorzystaniem Metody Kontroli Konwergencji. Mater. Bud. 2023, 1, 13–16. [Google Scholar] [CrossRef]
- Kępniak, M.; Woyciechowski, P. The Statistical Analysis of Relation between Compressive and Tensile/Flexural Strength of High Performance Concrete. Arch. Civ. Eng. 2016, 62, 95–108. [Google Scholar] [CrossRef][Green Version]
- EN 1992-1-2:2008/NA:2010P; Eurocode 2: Design of Concrete Structures. Parts 1–2: General Rules. Structural Fire Design. Polski Komitet Normalizacyjny: Warsaw, Poland, 2008.
- ACI CODE-318-19(22); Building Code Requirements for Structural Concrete and Commentary (Reapproved 2022). American Concrete Institute (ACI): Indianapolis, IN, USA, 2022.
- Fédération Internationale du Béton (FIB). Model Code 2010; Fédération Internationale du Béton: Lausanne, Switzerland, 2010. [Google Scholar]
- Mohd, A.; El Hadi, K.M.; Hasan, M.A.; Mallick, J.; Ahmed, A. Evaluating the Co-Relationship between Concrete Flexural Tensile Strength and Compressive Strength. Int. J. Struct. Eng. 2014, 5, 115. [Google Scholar] [CrossRef]
- Olgun, M.; Kanat, A.; Senkaya, A.; Erkan, I.H. Investigating the Properties of Jet Grouting Columns with Fine-Grained Cement and Silica Fume. Constr. Build. Mater. 2021, 267, 120637. [Google Scholar] [CrossRef]
- Haach, V.G.; Vasconcelos, G.; Lourenço, P.B. Influence of Aggregates Grading and Water/Cement Ratio in Workability and Hardened Properties of Mortars. Constr. Build. Mater. 2011, 25, 2980–2987. [Google Scholar] [CrossRef]
- Sun, W.; Liu, H.; Zhang, W.; Liu, S.; Han, L. Determination of Groundwater Buoyancy Reduction Coefficient in Clay: Model Tests, Numerical Simulations and Machine Learning Methods. Undergr. Space 2023, 13, 228–240. [Google Scholar] [CrossRef]
- Balotiya, G.; Gaur, A.; Somani, P.; Sain, A. Investigating Mechanical and Durability Aspects of Concrete Incorporating Wollastonite and Bottom Ash. Mater. Today Proc. 2023; in press. [Google Scholar] [CrossRef]
- Singh, M.; Siddique, R. Effect of Coal Bottom Ash as Partial Replacement of Sand on Properties of Concrete. Resour. Conserv. Recycl. 2013, 72, 20–32. [Google Scholar] [CrossRef]
- Raghavendher, D.; Kumar, S.; Singh, D. Incinerator Bottom Ash as a Supplementary Material for Green Concrete and Mortar. Mater. Today Proc. 2023, 93, 189–195. [Google Scholar] [CrossRef]








| Contain [%] | ||||
|---|---|---|---|---|
| BA Fraction 0–10.0 mm | BA Fraction 0–0.63 mm | BA Fraction 0.63–2.0 mm | BA Fraction +2 mm | |
| P2O5 | 0.09 | 0.10 | 0.09 | 0.05 |
| Mn2O5 | 0.03 | 0.03 | 0.03 | 0.03 |
| SiO2 | 41.90 | 31.20 | 43.30 | 56.60 |
| TiO2 | 0.08 | 0.02 | 0.08 | 0.02 |
| Al2O3 | 12.80 | 8.99 | 14.25 | 18.77 |
| Fe2O3 | 2.31 | 2.32 | 2.51 | 13.19 |
| CaO | 25.75 | 36.23 | 25.77 | 0.47 |
| MgO | 0.81 | 1.12 | 0.80 | 0.59 |
| Na2O | 0.35 | 0.24 | 0.45 | 0.26 |
| Li2O | 0.01 | 0.01 | 0.01 | 0.02 |
| K2O | 0.74 | 0.48 | 0.76 | 1.20 |
| SO3 | 5.86 | 10.76 | 6.03 | 7.80 |
| Al2O3/SiO2 | 0.3 | 0.3 | 0.3 | 0.3 |
| SiO2/Al2O3+Fe2O3 | 2.8 | 2.8 | 2.6 | 1.8 |
| Al2O3/Fe2O3 | 5.5 | 3.9 | 5.7 | 1.4 |
| Loss on ignition [%] | 5.22 | 5.82 | 4.55 | 3.86 |
| Fraction Content [%] | Moisture [%] | Bulk Density [kN/m3] | |||
|---|---|---|---|---|---|
| Clay (<0.002 mm) | Silt (0.002–0.063 mm) | Sand (0.063–2 mm) | Gravel (2–63 mm) | ||
| 28.73 | 68.8 | 2.47 | 0 | 20.98 | 19.13 |
| Plastic limit, wP [%] | The liquid limit wL [%] | Plasticity index, IP [%] | Liquidity index, IL [-] | ||
| 37.44 | 41.69 | 4.255 | −3.87 | ||
| Cementitious Grout—CEM I Górażdże (42.5 R) | ||||
| MIX | 1 | 2 | 3 | 4 |
| Water mass [g] | 1500 | 1500 | 1500 | 1500 |
| Cement mass [g] | 2000 | 1800 | 1700 | 1700 |
| Bottom ash mass [g] | 0 | 200 | 200 | 300 |
| Microsilica mass [g] | 0 | 0 | 100 | 0 |
| Cementitious Grout—CEM II/B-V Polski Portland (32.5 R) | ||||
| MIX | 5 | 6 | 7 | 8 |
| Water mass [g] | 1500 | 1500 | 1500 | 1500 |
| Cement mass [g] | 2000 | 1800 | 1700 | 1700 |
| Bottom ash mass [g] | 0 | 200 | 200 | 300 |
| Microsilica mass [g] | 0 | 0 | 100 | 0 |
| Cement–Soil Mixtures—CEM I Górażdże (42.5 R) | ||||
| MIX | 1 | 2 | 3 | 4 |
| Water mass [g] | 1000 | 1000 | 1000 | 1000 |
| Cement mass [g] | 900 | 810 | 765 | 765 |
| Bottom ash mass [g] | 0 | 90 | 90 | 135 |
| Water mass [g] | 0 | 0 | 45 | 0 |
| Clay mass [g] | 1350 | 1350 | 1350 | 1350 |
| Cement–Soil Mixtures—CEM II/B-V Polski Portland (32.5 R) | ||||
| MIX | 1 | 2 | 3 | 4 |
| Water mass [g] | 1000 | 1000 | 1000 | 1000 |
| Cement mass [g] | 900 | 810 | 765 | 765 |
| Bottom ash mass [g] | 0 | 90 | 90 | 135 |
| Water mass [g] | 0 | 0 | 45 | 0 |
| Clay mass [g] | 1350 | 1350 | 1350 | 1350 |
| CEM I Górażdże (42.5 R) | ||||
| MIX | 1 | 2 | 3 | 4 |
| w:c | 0.75 | 0.83 | 0.88 | 0.88 |
| Paste density [g/cm3] | 1.6 | 1.61 | 1.6 | 1.59 |
| Paste consistency [s] | 55.9 | 48.2 | 49.5 | 44.2 |
| Paste 24-h setting time [%] | 19.0% | 18.0% | 3% | 16.8% |
| CEM II/B-V Polski Portland (32.5 R) | ||||
| MIX | 5 | 6 | 7 | 8 |
| w:c | 0.75 | 0.83 | 0.88 | 0.84 |
| Paste density [g/cm3] | 1.6 | 1.58 | 1.61 | 1.59 |
| Paste consistency [s] | 37.7 | 43.3 | 49.2 | 47.3 |
| Paste 24-h setting time [%] | 15.0% | 14.6% | 5% | 13.8% |
| MIX | 2D Crossection | 3D View | Porosity |
|---|---|---|---|
| MIX 1 | ![]() | ![]() | MIX_I_A: 0.35% MIX_I_B: 0.49% MIX_I_C: 0.41% |
| Average: 0.42% | |||
| MIX 2 | ![]() | ![]() | MIX_II_A: 0.04% MIX_II_B: 0.07% MIX_II_C: 0.10% |
| Average: 0.07% | |||
| MIX 3 | ![]() | ![]() | MIX_III_A: 0.31% MIX_III_B: 0.30% MIX_III_C: 0.26% |
| Average: 0.29% | |||
| MIX 4 | ![]() | ![]() | MIX_IV_A: 0.37% MIX_IV_B: 0.41% MIX_IV_C: 0.30% |
| Average: 0.36% | |||
| MIX 5 | ![]() | ![]() | MIX_V_A: 0.23% MIX_V_B: 0.33% MIX_V_C: 0.25% |
| Average: 0.27% | |||
| MIX 6 | ![]() | ![]() | MIX_VI_A: 0.28% MIX_VI_B: 0.19% MIX_VI_C: 0.18% |
| Average: 0.22% | |||
| MIX 7 | ![]() | ![]() | MIX_VII_A: 0.54% MIX_VII_B: 0.89% MIX_VII_C: 0.64% |
| Average: 0.69% | |||
| MIX 8 | ![]() | ![]() | MIX_VIII_A: 0.42% MIX_VIII_B: 0.39% MIX_VIII_C: 0.33% |
| Average: 0.38% |
Disclaimer/Publisher’s Note: The statements, opinions and data contained in all publications are solely those of the individual author(s) and contributor(s) and not of MDPI and/or the editor(s). MDPI and/or the editor(s) disclaim responsibility for any injury to people or property resulting from any ideas, methods, instructions or products referred to in the content. |
© 2024 by the authors. Licensee MDPI, Basel, Switzerland. This article is an open access article distributed under the terms and conditions of the Creative Commons Attribution (CC BY) license (https://creativecommons.org/licenses/by/4.0/).
Share and Cite
Kaczmarczyk, G.P.; Wałach, D. New Insights into Cement-Soil Mixtures with the Addition of Fluidized Bed Furnace Bottom Ashes. Appl. Sci. 2024, 14, 11878. https://doi.org/10.3390/app142411878
Kaczmarczyk GP, Wałach D. New Insights into Cement-Soil Mixtures with the Addition of Fluidized Bed Furnace Bottom Ashes. Applied Sciences. 2024; 14(24):11878. https://doi.org/10.3390/app142411878
Chicago/Turabian StyleKaczmarczyk, Grzegorz Piotr, and Daniel Wałach. 2024. "New Insights into Cement-Soil Mixtures with the Addition of Fluidized Bed Furnace Bottom Ashes" Applied Sciences 14, no. 24: 11878. https://doi.org/10.3390/app142411878
APA StyleKaczmarczyk, G. P., & Wałach, D. (2024). New Insights into Cement-Soil Mixtures with the Addition of Fluidized Bed Furnace Bottom Ashes. Applied Sciences, 14(24), 11878. https://doi.org/10.3390/app142411878

















