Active Disturbance Rejection Control Based on an Improved Topology Strategy and Padé Approximation in LCL-Filtered Photovoltaic Grid-Connected Inverters
Abstract
1. Introduction
2. LCL-Filtered Grid-Connected Inverter Based on P Padé Approximation and Its Stability Problem Description
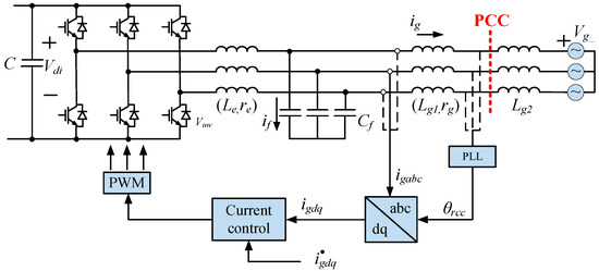
2.1. Structure of the Three-Phase Grid-Connected Inverter Based on an LCL Filter and Active Modeling
2.2. Active Modeling and DC-Link Voltage Control Using Two-Stage ESO-Cascaded Topology Structure
- Ensuring that the DC bus voltage operates within a safe range.
- Controlling the transfer of active and reactive power between the photovoltaic power generation system and the power grid.
- Achieving synchronous grid connection, among other functions.
3. Proposed Improved ADRC Strategy
3.1. Dual-Ring Controlling Architecture
3.2. Proposed Improved ADRC Strategy Design in Cascaded ESO System
3.3. Characteristic Analysis of Improved ADRC
3.3.1. Disturbance Estimation
3.3.2. Disturbance Suppression
4. Results and Analysis
4.1. Simulation Results and Analysis
4.1.1. Tracking Performance Analysis
4.1.2. Transient Response and Decoupling Effectiveness
4.1.3. Robustness Under Grid Uncertainties and Disturbances
4.1.4. Simulation Considering Tolerances
4.2. Experimental Results and Analysis
4.2.1. Steady-State Response
4.2.2. Disturbance Rejection and Transient Response
4.2.3. Adaptable Capacity for Grid Environment
5. Conclusions
5.1. Conclusions
5.2. Future Work
- to research the influences of the EMI over the NB-PLC system in practice. Because most noise power centers at frequencies of less than 5 MHz. Therefore, a more feasible option may be an HF-band PLC, and the recommended way is to adopt PLC into the NB-PLC system.
- to research in practice more in detail because modifying the topologies of the CEI (customer-end inverters)s and the rectifier is significant while developing the research sites further.
Author Contributions
Funding
Institutional Review Board Statement
Informed Consent Statement
Data Availability Statement
Acknowledgments
Conflicts of Interest
References
- Ali, A.I.M.; Takeshita, T.; Sayed, M.A. Three-Phase PWM Inverter for Isolated Grid-Connected Renewable Energy Applications. Energies 2021, 14, 3701. [Google Scholar] [CrossRef]
- Alam, M.I.; Pant, R.S. Multidisciplinary approach for solar area optimization of high altitude airships. Energy Convers. Manag. 2018, 164, 301–310. [Google Scholar] [CrossRef]
- Lv, M.; Li, J.; Du, H.; Zhu, W.; Meng, J. Solar array layout optimization for stratospheric airships using numerical method. Energy Convers. Manag. 2017, 135, 160–169. [Google Scholar] [CrossRef]
- Shan, C.; Lv, M.; Sun, K.; Gao, J. Analysis of energy system configuration n and energy balance for stratospheric airship based on position energy storage strategy. Aerosp. Sci. Technol. 2020, 101, 105844. [Google Scholar] [CrossRef]
- Wu, J.F.; Wang, H.L.; Huang, Y. Research development of solar powered UAV mission planning technology in large-scale time and space spans. Acta Aeronaut. Astronaut. Sin. 2020, 41, 623414. [Google Scholar]
- Alathamneh, M.; Ghanayem, H.; Yang, X.; Nelms, R.M. Three-Phase Grid-Connected Inverter Power Control under Unbalanced Grid Conditions Using a Proportional-Resonant Control Method. Energies 2022, 15, 7051. [Google Scholar] [CrossRef]
- Cao, D.; Zhang, Y.; Zhao, Y.; Wang, Y.; Xu, H.; Wang, Y. Research of control technique of zero voltage ride-through for gridconnected PV inverter. Acta Energiae Sol. Sin. 2016, 37, 366–372. [Google Scholar]
- Ni, K.; Hu, Y.; Liu, Y.; Gan, C. Performance Analysis of a Four-Switch Three-Phase Grid-Side Converter with Modulation Simplification in a Doubly-Fed Induction Generator-Based Wind Turbine (DFIG-WT) with Different External Disturbances. Energies 2017, 10, 706. [Google Scholar] [CrossRef]
- Yang, L.; Zeng, J.; Huang, Z.L. Application of linear active disturbance rejection technique in grid-connected current control and active damping of LCL type inverter. Power Syst. Technol. 2019, 43, 1378–1386. [Google Scholar]
- Gao, M.; Yu, W.C.; Wang, S.S.; Wang, R.C.; Shi, J.J. Multidimensional coupled modeling for solar powered UAV energy system. Acta Aeronaut. Astronaut. Sin. 2020, 42, 224461. [Google Scholar]
- Jiang, Z.X.; Shi, Q.; Wei, Y.J.; Wei, H.L.; Gao, B.Y.; He, L. An Immune Genetic Extended Kalman Particle Filter approach on state of charge estimation for lithium-ion battery. Energy 2021, 230, 120805. [Google Scholar]
- Lai, X.; Huang, Y.; Han, X.; Gu, H.; Zheng, Y. A novel method for state of energy estimation of lithium-ion batteries using particle filter and extended Kalman filter. J. Energy Storage 2021, 43, 103269. [Google Scholar] [CrossRef]
- Li, X.; Ma, Y.; Zhu, J. An online dual filters RUL prediction method of lithium-ion battery based on unscented particle filter and least squares support vector machine. Measurement 2021, 184, 109935. [Google Scholar] [CrossRef]
- Naseri, F.; Farjah, E.; Schaltz, E.; Lu, K.; Tashakor, N. Predictive Control of Low-Cost Three-Phase Four-Switch Inverter-Fed Drives for Brushless DC Motor Applications. IEEE Trans. Circuits Syst. I Regul. Pap. 2021, 68, 1308–1318. [Google Scholar] [CrossRef]
- Li, X.L.; Guo, L.; Feng, Y. A nonlinear disturbance observer- based DC bus voltage control for a DC microgrid. Proc. CSEE 2016, 36, 350–359. [Google Scholar]
- Zhang, Y.; Chen, L.; Li, Y.; Zheng, X.; Chen, J.; Jin, J. A hybrid approach for remaining useful life prediction of lithium-ion battery with Adaptive Levy Flight optimized Particle Filter and Long Short-Term Memory network. J. Energy Storage 2021, 44, 103245. [Google Scholar] [CrossRef]
- Tian, Y.; Lu, C.; Wang, Z.; Tao, L. Artificial fish swarm algorithm-based particle filter for li-ion battery life prediction. Math. Probl. Eng. 2014, 2014, 564894. [Google Scholar] [CrossRef]
- Zhang, J.; Zhao, L.; Deng, S.; Xu, W.; Zhang, Y. A critical review of the models used to estimate solar radiation. Renew. Sustain. Energy Rev. 2017, 70, 314–329. [Google Scholar] [CrossRef]
- Shaltout, M.A.M.; El-Nicklawy, M.M.; Hassan, A.F.; Rahoma, U.A.; Sabry, M. The temperature dependence of the spectral and efficiency behavior of Si solar cell under low concentrated solar radiation. Renew. Energy 2000, 21, 445–458. [Google Scholar] [CrossRef]
- Lee, T.D.; Ebong, A.U. A review of thin film solar cell technologies and challenges. Renew. Sustain. Energ. Rev. 2017, 70, 1286–1297. [Google Scholar] [CrossRef]
- Zhang, S.M.; Seif, J.P.; Abbott, M.D.; Le, A.H.T.; Allen, T.G.; Perez-Wurfl, I.; Hameiri, Z. Illumination-dependent temperature coefficients of the electrical parameters of modern silicon solar cell architectures. Nano Energy 2022, 98, 107221. [Google Scholar] [CrossRef]
- Tiwari, G.N.; Meraj, M.; Khan, M.E. Exergy analysis of N-photovoltaic thermal-compound parabolic concentrator (N-PVT-CPC) collector for constant collection temperature for vapor absorption refrigeration (VAR) system. Sol. Energy 2018, 173, 1032–1042. [Google Scholar] [CrossRef]
- Zhou, X.; Liu, Q.; Ma, Y.; Xie, B. DC-Link voltage research of photovoltaic grid-connected inverter using improved active disturbance rejection control. IEEE Access 2021, 9, 9884–9894. [Google Scholar] [CrossRef]
- Li, J.; Qi, X.H.; Wan, H.; Xia, Y.Q. Active disturbance rejection control: Theoretical results summary and future researches. Control. Theory Appl. 2017, 34, 281–295. [Google Scholar]
- Wang, J.; Cao, F.; Zou, N. Multi carrier system joint receiving method based on MAI and ICI. J. JILINDAXUE 2018, 41, 1793–1797. [Google Scholar]
- Wang, J.; Ye, Z.; Gillbanks, J.; Tarun, M. Sanders and Zou Nianyu, A Power Control Algorithm Based on Chicken Game Theory in Multi-Hop Networks. Symmetry 2019, 11, 718. [Google Scholar] [CrossRef]
- Jin, H.Y.; Liu, L.L.; Lan, W.Y. On stability condition of linear active disturbance rejection control for second-order systems. Acta Autom. Sin. 2018, 44, 1725–1728. [Google Scholar]
- Xia, Y.Q.; Fu, M.Y.; Deng, Z.H.; Ren, X.M. Recent developments in sliding mode control and active disturbance rejection control. Control Theory Appl. 2013, 30, 137–147. [Google Scholar]
- Pang, W.; Cui, Y.; Zhang, Q.; Yu, H.; Zhang, X.; Zhang, Y.; Yan, H. Comparative investigation of performances for HIT-PV and PVT systems. Sol. Energy 2019, 179, 614–624. [Google Scholar] [CrossRef]
- Zhao, Z.G.; Zhang, C.J.; Gou, X.F.; Sang, H.T. Solar cell temperature prediction model of support vector machine optimized by particle swarm optimization algorithm. Acta Phys. Sin. 2015, 64, 380–386. [Google Scholar]
- Kaplanis, S.; Kaplani, E.; Kaldellis, J.K. PV temperature and performance prediction in free-standing, BIPV and BAPV incorporating the effect of temperature and inclination on the heat transfer coefficients and the impact of wind, efficiency and ageing. Renew. Energy 2022, 181, 235–249. [Google Scholar] [CrossRef]
- Talaat, M.; Said, T.; Essa, M.A.; Hatata, A.Y. Integrated MFFNN-MVO approach for PV solar power forecasting considering thermal effects and environmental conditions. Int. J. Electr. Power Energy Syst. 2022, 135, 107570. [Google Scholar] [CrossRef]
- Sohani, A.; Sayyaadi, H. Employing genetic programming to find the best correlation to predict temperature of solar photovoltaic panels. Energy Convers. Manag. 2020, 224, 113291. [Google Scholar] [CrossRef]
- Jouin, M.; Gouriveau, R.; Hissel, D.; Péra, M.C.; Zerhouni, N. Particle filter-based prognostics: Review, discussion and perspectives. Mech. Syst. Signal Process. 2016, 72, 2–31. [Google Scholar] [CrossRef]
- Wang, X.; Li, Z.; Zhang, Y. Model for Predicting the Operating Temperature of Stratospheric Airship Solar Cells with a Support Vector Machine. Energies 2021, 14, 1228. [Google Scholar] [CrossRef]
- Rauber, A.; den Bakker, P. A Comparison of Adjustable-Speed Drive Systems: Voltage Source Inverters and Load-Commutated Inverters for High-Power Applications. IEEE Ind. Appl. Mag. 2020, 26, 56–66. [Google Scholar] [CrossRef]
- Kukrer, O.; Komurcugil, H.; Guzman, R.; de Vicuna, L.G. A New Control Strategy for Three-Phase Shunt Active Power Filters Based on FIR Prediction. IEEE Trans. Ind. Electron. 2021, 68, 7702–7713. [Google Scholar] [CrossRef]
- Wang, J.; Cao, F.; Zou, N. Cooperative distributed antenna transmission method based on co-channel interference in 5G mobile communication system. J. JILINDAXUE 2020, 48, 333–341. [Google Scholar]
- Huang, K.-H.; Chao, K.-H.; Sun, Z.-Y.; Ho, C.-Y. Design and Implementation of Three-Phase Smart Inverter of the Photovoltaic Power Generation Systems. Appl. Sci. 2023, 13, 294. [Google Scholar] [CrossRef]
- Haro-Larrode, M.; Eguia, P.; Santos-Mugica, M. Analysis of voltage dynamics within current control time-scale in a VSC connected to a weak AC grid via series compensated AC line. Electr. Power Syst. Res. 2024, 229, 110189. [Google Scholar] [CrossRef]























| Indicators | Symbols | Values |
|---|---|---|
| DC link voltage | Vdc | 480 V |
| Nominal/Rated power | P | 1.1 kW |
| Frequency of the grid voltage | f | 50 Hz |
| Grid side inductance | Lg | 3 mH |
| Converter side inductance | Lc | 6 mH |
| Filter capacitor | Cf | 10 μF |
| Grid voltage | - | - |
| Parameters | Symbols | Values/Units |
|---|---|---|
| Open circuit voltage | Vo | 36.5 V |
| short circuit current | Is | 9.1 A |
| Operating temperature range | Rt | −40~80 °C |
| Maximum output power | 245 W | |
| Maximum power point voltage | Vmax | 29.1 V |
| Maximum power point current | Imax | 8.43 A |
| Indicators | Symbols | Values |
|---|---|---|
| Grid frequency | fg | 50 Hz |
| DC side capacitance | Cdc | 2200 μF |
| Filter equivalent inductance | Lf | 10 mH |
| Parameters | Symbols | Values/Units |
|---|---|---|
| Observer Bandwidth | ωo | 90 bps |
| Controller Gain | - | 30 dB |
| Compensation Factor | b | 125 kVAR |
Disclaimer/Publisher’s Note: The statements, opinions and data contained in all publications are solely those of the individual author(s) and contributor(s) and not of MDPI and/or the editor(s). MDPI and/or the editor(s) disclaim responsibility for any injury to people or property resulting from any ideas, methods, instructions or products referred to in the content. |
© 2024 by the authors. Licensee MDPI, Basel, Switzerland. This article is an open access article distributed under the terms and conditions of the Creative Commons Attribution (CC BY) license (https://creativecommons.org/licenses/by/4.0/).
Share and Cite
Wang, J.; Wei, H.; Dou, S.; Gillbanks, J.; Zhao, X. Active Disturbance Rejection Control Based on an Improved Topology Strategy and Padé Approximation in LCL-Filtered Photovoltaic Grid-Connected Inverters. Appl. Sci. 2024, 14, 11133. https://doi.org/10.3390/app142311133
Wang J, Wei H, Dou S, Gillbanks J, Zhao X. Active Disturbance Rejection Control Based on an Improved Topology Strategy and Padé Approximation in LCL-Filtered Photovoltaic Grid-Connected Inverters. Applied Sciences. 2024; 14(23):11133. https://doi.org/10.3390/app142311133
Chicago/Turabian StyleWang, Jinpeng, Haojie Wei, Shunyao Dou, Jeremy Gillbanks, and Xin Zhao. 2024. "Active Disturbance Rejection Control Based on an Improved Topology Strategy and Padé Approximation in LCL-Filtered Photovoltaic Grid-Connected Inverters" Applied Sciences 14, no. 23: 11133. https://doi.org/10.3390/app142311133
APA StyleWang, J., Wei, H., Dou, S., Gillbanks, J., & Zhao, X. (2024). Active Disturbance Rejection Control Based on an Improved Topology Strategy and Padé Approximation in LCL-Filtered Photovoltaic Grid-Connected Inverters. Applied Sciences, 14(23), 11133. https://doi.org/10.3390/app142311133

