Random Exploration and Attraction of the Best in Swarm Intelligence Algorithms
Abstract
1. Introduction
2. Open Balls, Neighborhoods, and Regions
3. The General Operation of Swarm Algorithms
- For each parameter, it is necessary to know the interval of admissible parameter values, that is, for each coordinate, there is an interval of possible values. The user of the algorithm must specify such intervals from the a priori knowledge of the problem.
- The number of elements m must be specified by the user from the knowledge of the problem.
4. Revision of the PSO and GWO Algorithms
4.1. The PSO Algorithm
- Inertial, which points in the same direction as the previous movement.
- Cognitive, that points toward the best historic particle position.
- Social, that points toward the best historic position of the swarm.
- Inertial velocity results in a vector with the same direction as the previous movement of the particle, scaled by .
- Cognitive velocity results in a random vector within the region , scaled by .
- Social velocity results in a random vector within the region , scaled by .
4.2. The GWO Algorithm
- Suppose that somehow the position of the optimum is known. Each agent should move closer to the optimum; more precisely, the next position of each agent should be within a neighborhood of the optimum. Such a neighborhood is large at the beginning and it is reduced monotonically.
- Due to the position of the optimum being unknown, each agent moves according to the following procedure: calculate a preliminary next position of the agent, assuming that
- the optimum is on the best-evaluated agent.
- the optimum is on the second-best evaluated agent.
- the optimum is on the third-best evaluated agent.
- the effective next position of the agent is the average of the three preliminary next positions.
A Criticism of Algorithms Inspired by Animal Behavior
- Somehow, a comparison of animal behavior with the search for an optimum using artificial agents is loose. Animals have many characteristics that search agents do not. They have senses (sight, smell, and hearing), and their movements are restricted by their own bodies and the environment; they move in a 3-dimensional space. Agents do not have senses, their motions are discontinuous, and they move in n-dimensional space.
- It is common to extend or stretch the analogy of animal-agent almost arbitrarily. For example, in GWO, it is said that (a) an agent does not move to the optimum but to a neighborhood of the optimum because the prey is in movement; (b) at the beginning, the neighborhood where the agent can move is large because there is an “exploration” stage; (c) exactly three agents are used as leaders because, in the wolf pack, there are three different kinds of wolves. Indeed, the algorithm also works if one, two, three, or more leaders are used. Hence, the algorithm could be named after any hunter animal.
5. REAB-Based Swarm Algorithms
5.1. REAB Algorithms Derived from PSO
| Algorithm 1 REAB-PSO |
|
5.2. REAB Algorithms Derived from GWO
- Expression (21) makes the search agent immediately move to (a neighborhood of) . Instead, it is proposed that the search agent moves from its current position toward the optimum, that is,for some .
- The set described by is the same set that .
- The term (22b) describes a neighborhood of ; however, the form of such neighborhood depends on (see Figure 6). A neighborhood of having the same size independently of the position of is and a random vector within this neighborhood is given by .
| Algorithm 2 REAB-GWO |
|
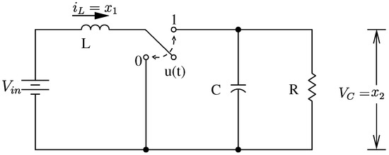
6. Results
- There is a high probability that randomly chosen controller parameters make the system unstable. This is due to there being only a small region of space of parameters that yield a controller that stabilizes the system. Furthermore, it is highly possible that all the agents of the initial generation result in unstable systems, that is, even the best agent of the initial generation could be a bad leader.
- To evaluate the associated cost of an agent, a simulation of a dynamical system must be performed. Simulation of a controlled dynamical system takes a given time but if the system is unstable, the simulation takes significantly more time. Hence, if an algorithm does not readily produce stable systems, it will take a long time to execute.
- It is possible that an algorithm that takes a long time to produce a stable system does not produce any at all. Hence, it is possible that some running of the algorithm under test does not converge at all.
7. Conclusions
Author Contributions
Funding
Institutional Review Board Statement
Informed Consent Statement
Data Availability Statement
Conflicts of Interest
Abbreviations
| PSO | Particle swarm optimization |
| GWO | Gray wolf optimization |
| REAB | Random exploration and attraction of the best |
| REAB-PSO | Algorithm focused on REAB procedures obtained starting from PSO |
| REAB-GWO | Algorithm focused on REAB procedures obtained starting from GWO |
References
- Teo, K.L.; Li, B.; Yu, C.; Rehbock, V. Applied and computational optimal control. In Optimization and Its Applications; Springer: Berlin/Heidelberg, Germany, 2021. [Google Scholar]
- Kirk, D.E. Optimal Control Theory: An Introduction; Prentice Hall: Saddle River, NJ, USA, 1970. [Google Scholar]
- Liberzon, D. Calculus of Variations and Optimal Control Theory: A Concise Introduction; Princeton University Press: Princeton, NJ, USA, 2012. [Google Scholar]
- Chen, B.S. Multi-Objective Optimization System Designs and Their Applications; CRC Press: Boca Raton, FL, USA, 2023. [Google Scholar]
- Yang, X.S. Nature-Inspired Metaheuristic Algorithms; Luniver Press: Bristol, UK, 2010. [Google Scholar]
- Yang, X.S. Metaheuristic optimization: Algorithm analysis and open problems. In Proceedings of the International Symposium on Experimental Algorithms, Chania, Greece, 5–7 May 2011; Springer: Berlin/Heidelberg, Germany, 2011; pp. 21–32. [Google Scholar]
- Eberhart, R.; Kennedy, J. Particle swarm optimization. In Proceedings of the IEEE International Conference on Neural Networks, Perth, WA, Australia, 27 November–1 December 1995; Volume 4, pp. 1942–1948. [Google Scholar]
- Song, M.P.; Gu, G.C. Research on particle swarm optimization: A review. In Proceedings of the 2004 International Conference on Machine Learning and Cybernetics (IEEE Cat. No.04EX826), Shanghai, China, 26–29 August 2004; Volume 4, pp. 2236–2241. [Google Scholar]
- Wang, D.; Tan, D.; Liu, L. Particle swarm optimization algorithm: An overview. Soft Comput. 2018, 22, 387–408. [Google Scholar] [CrossRef]
- Dorigo, M.; Birattari, M.; Stutzle, T. Ant colony optimization. IEEE Comput. Intell. Mag. 2006, 1, 28–39. [Google Scholar] [CrossRef]
- Mucherino, A.; Seref, O. Monkey search: A novel metaheuristic search for global optimization. In Proceedings of the AIP Conference on Data Mining, Systems Analysis and Optimization in Biomedicine, Gainesville, FL, USA, 28–30 March 2007; American Institute of Physics: College Park, MD, USA, 2007; pp. 162–173. [Google Scholar]
- Lu, X.; Zhou, Y. A novel global convergence algorithm: Bee collecting pollen algorithm. In Advanced Intelligent Computing Theories and Applications. With Aspects of Artificial Intelligence, Proceedings of the 4th International Conference on Intelligent Computing, ICIC 2008, Shanghai, China, 15–18 September 2008; Proceedings 4; Springer: Berlin/Heidelberg, Germany, 2008; pp. 518–525. [Google Scholar]
- Yang, X.S.; Deb, S. Cuckoo search via Lévy flights. In Proceedings of the 2009 World Congress on Nature & Biologically Inspired Computing (NaBIC), IEEE, Coimbatore, India, 9–11 December 2009; pp. 210–214. [Google Scholar]
- Oftadeh, R.; Mahjoob, M.; Shariatpanahi, M. A novel meta-heuristic optimization algorithm inspired by group hunting of animals: Hunting search. Comput. Math. Appl. 2010, 60, 2087–2098. [Google Scholar] [CrossRef]
- Yang, X.S. A new metaheuristic bat-inspired algorithm. In Nature Inspired Cooperative Strategies for Optimization (NICSO 2010); Springer: Berlin/Heidelberg, Germany, 2010; pp. 65–74. [Google Scholar]
- Pan, W.T. A new evolutionary computation approach: Fruit fly optimization algorithm. In Proceedings of the 2011 Conference of Digital Technology and Innovation Management, Shenzhen, China, 26–27 November 2011; pp. 382–391. [Google Scholar]
- Askarzadeh, A.; Rezazadeh, A. A new heuristic optimization algorithm for modeling of proton exchange membrane fuel cell: Bird mating optimizer. Int. J. Energy Res. 2013, 37, 1196–1204. [Google Scholar] [CrossRef]
- Kaveh, A.; Farhoudi, N. A new optimization method: Dolphin echolocation. Adv. Eng. Softw. 2013, 59, 53–70. [Google Scholar] [CrossRef]
- Mirjalili, S.; Mirjalili, S.M.; Lewis, A. Grey wolf optimizer. Adv. Eng. Softw. 2014, 69, 46–61. [Google Scholar] [CrossRef]
- Wang, G.G.; Gandomi, A.H.; Alavi, A.H. Stud krill herd algorithm. Neurocomputing 2014, 128, 363–370. [Google Scholar] [CrossRef]
- Mirjalili, S. Dragonfly algorithm: A new meta-heuristic optimization technique for solving single-objective, discrete, and multi-objective problems. Neural Comput. Appl. 2016, 27, 1053–1073. [Google Scholar] [CrossRef]
- Mirjalili, S.; Lewis, A. The whale optimization algorithm. Adv. Eng. Softw. 2016, 95, 51–67. [Google Scholar] [CrossRef]
- Mirjalili, S.; Gandomi, A.H.; Mirjalili, S.Z.; Saremi, S.; Faris, H.; Mirjalili, S.M. Salp Swarm Algorithm: A bio-inspired optimizer for engineering design problems. Adv. Eng. Softw. 2017, 114, 163–191. [Google Scholar] [CrossRef]
- Mirjalili, S.Z.; Mirjalili, S.; Saremi, S.; Faris, H.; Aljarah, I. Grasshopper optimization algorithm for multi-objective optimization problems. Appl. Intell. 2018, 48, 805–820. [Google Scholar] [CrossRef]
- Dhiman, G.; Kumar, V. Emperor penguin optimizer: A bio-inspired algorithm for engineering problems. Knowl.-Based Syst. 2018, 159, 20–50. [Google Scholar] [CrossRef]
- MiarNaeimi, F.; Azizyan, G.; Rashki, M. Horse herd optimization algorithm: A nature-inspired algorithm for high-dimensional optimization problems. Knowl.-Based Syst. 2021, 213, 106711. [Google Scholar] [CrossRef]
- Naruei, I.; Keynia, F. Wild horse optimizer: A new meta-heuristic algorithm for solving engineering optimization problems. Eng. Comput. 2022, 38, 3025–3056. [Google Scholar] [CrossRef]
- Xian, S.; Feng, X. Meerkat optimization algorithm: A new meta-heuristic optimization algorithm for solving constrained engineering problems. Expert Syst. Appl. 2023, 231, 120482. [Google Scholar] [CrossRef]
- Minh, H.L.; Sang-To, T.; Theraulaz, G.; Wahab, M.A.; Cuong-Le, T. Termite life cycle optimizer. Expert Syst. Appl. 2023, 213, 119211. [Google Scholar] [CrossRef]
- Jia, H.; Rao, H.; Wen, C.; Mirjalili, S. Crayfish optimization algorithm. Artif. Intell. Rev. 2023, 56, 1919–1979. [Google Scholar] [CrossRef]
- Agushaka, J.O.; Ezugwu, A.E.; Abualigah, L. Gazelle optimization algorithm: A novel nature-inspired metaheuristic optimizer. Neural Comput. Appl. 2023, 35, 4099–4131. [Google Scholar] [CrossRef]
- Mohapatra, S.; Mohapatra, P. American zebra optimization algorithm for global optimization problems. Sci. Rep. 2023, 13, 5211. [Google Scholar] [CrossRef]
- Azizi, M.; Talatahari, S.; Gandomi, A.H. Fire Hawk Optimizer: A novel metaheuristic algorithm. Artif. Intell. Rev. 2023, 56, 287–363. [Google Scholar] [CrossRef]
- Abdel-Basset, M.; Mohamed, R.; Jameel, M.; Abouhawwash, M. Spider wasp optimizer: A novel meta-heuristic optimization algorithm. Artif. Intell. Rev. 2023, 56, 11675–11738. [Google Scholar] [CrossRef]
- Xue, J.; Shen, B. Dung beetle optimizer: A new meta-heuristic algorithm for global optimization. J. Supercomput. 2023, 79, 7305–7336. [Google Scholar] [CrossRef]
- Zhao, S.; Zhang, T.; Ma, S.; Wang, M. Sea-horse optimizer: A novel nature-inspired meta-heuristic for global optimization problems. Appl. Intell. 2023, 53, 11833–11860. [Google Scholar] [CrossRef]
- Mohammed, H.; Rashid, T. FOX: A FOX-inspired optimization algorithm. Appl. Intell. 2023, 53, 1030–1050. [Google Scholar] [CrossRef]
- El-Kenawy, E.S.M.; Khodadadi, N.; Mirjalili, S.; Abdelhamid, A.A.; Eid, M.M.; Ibrahim, A. Greylag goose optimization: Nature-inspired optimization algorithm. Expert Syst. Appl. 2024, 238, 122147. [Google Scholar] [CrossRef]
- Amiri, M.H.; Mehrabi Hashjin, N.; Montazeri, M.; Mirjalili, S.; Khodadadi, N. Hippopotamus optimization algorithm: A novel nature-inspired optimization algorithm. Sci. Rep. 2024, 14, 5032. [Google Scholar] [CrossRef]
- Tian, A.Q.; Liu, F.F.; Lv, H.X. Snow Geese Algorithm: A novel migration-inspired meta-heuristic algorithm for constrained engineering optimization problems. Appl. Math. Model. 2024, 126, 327–347. [Google Scholar] [CrossRef]
- Han, M.; Du, Z.; Yuen, K.F.; Zhu, H.; Li, Y.; Yuan, Q. Walrus optimizer: A novel nature-inspired metaheuristic algorithm. Expert Syst. Appl. 2024, 239, 122413. [Google Scholar] [CrossRef]
- Zhang, W.; Zhao, J.; Liu, H.; Tu, L. Cleaner fish optimization algorithm: A new bio-inspired meta-heuristic optimization algorithm. J. Supercomput. 2024, 80, 17338–17376. [Google Scholar] [CrossRef]
- Abdollahzadeh, B.; Khodadadi, N.; Barshandeh, S.; Trojovskỳ, P.; Gharehchopogh, F.S.; El-kenawy, E.S.M.; Abualigah, L.; Mirjalili, S. Puma optimizer (PO): A novel metaheuristic optimization algorithm and its application in machine learning. Clust. Comput. 2024, 27, 5235–5283. [Google Scholar] [CrossRef]
- Ghiaskar, A.; Amiri, A.; Mirjalili, S. Polar fox optimization algorithm: A novel meta-heuristic algorithm. Neural Comput. Appl. 2024, 36, 20983–21022. [Google Scholar] [CrossRef]
- Abdel-Basset, M.; Mohamed, R.; Abouhawwash, M. Crested Porcupine Optimizer: A new nature-inspired metaheuristic. Knowl.-Based Syst. 2024, 284, 111257. [Google Scholar] [CrossRef]
- Medjahed, S.A.; Fatima, B. Narwhal Optimizer: A Novel Nature-Inspired Metaheuristic Algorithm. Int. Arab J. Inf. Technol. 2024, 21, 418–426. [Google Scholar] [CrossRef]
- Zhang, Y.; Hu, X. Piranha Optimization Algorithm: A novel swarm intelligent algorithm. In Proceedings of the 2024 3rd Asia Conference on Algorithms, Computing and Machine Learning, Shanghai, China, 22–24 March 2024; pp. 56–61. [Google Scholar]
- Kazantzis, N.; Kravaris, C.; Tseronis, C.; Wright, R.A. Optimal controller tuning for nonlinear processes. Automatica 2005, 41, 79–86. [Google Scholar] [CrossRef]
- Borase, R.P.; Maghade, D.; Sondkar, S.; Pawar, S. A review of PID control, tuning methods and applications. Int. J. Dyn. Control 2021, 9, 818–827. [Google Scholar] [CrossRef]
- Kazimierczuk, M.K. Pulse-Width Modulated DC-DC Power Converters; John Wiley & Sons: Hoboken, NJ, USA, 2015. [Google Scholar]
- Kassakian, J.G.; Perreault, D.J.; Verghese, G.C.; Schlecht, M.F. Principles of Power Electronics; Cambridge University Press: Cambridge, UK, 2023. [Google Scholar]
- Jain, M.; Saihjpal, V.; Singh, N.; Singh, S.B. An overview of variants and advancements of PSO algorithm. Appl. Sci. 2022, 12, 8392. [Google Scholar] [CrossRef]
- Ramírez-Ochoa, D.D.; Pérez-Domínguez, L.A.; Martínez-Gómez, E.A.; Luviano-Cruz, D. PSO, a swarm intelligence-based evolutionary algorithm as a decision-making strategy: A review. Symmetry 2022, 14, 455. [Google Scholar] [CrossRef]
- Freitas, D.; Lopes, L.G.; Morgado-Dias, F. Particle swarm optimisation: A historical review up to the current developments. Entropy 2020, 22, 362. [Google Scholar] [CrossRef]
- Faris, H.; Aljarah, I.; Al-Betar, M.A.; Mirjalili, S. Grey wolf optimizer: A review of recent variants and applications. Neural Comput. Appl. 2018, 30, 413–435. [Google Scholar] [CrossRef]
- Gad, A.G. Particle swarm optimization algorithm and its applications: A systematic review. Arch. Comput. Methods Eng. 2022, 29, 2531–2561. [Google Scholar] [CrossRef]
- Shami, T.M.; El-Saleh, A.A.; Alswaitti, M.; Al-Tashi, Q.; Summakieh, M.A.; Mirjalili, S. Particle swarm optimization: A comprehensive survey. IEEE Access 2022, 10, 10031–10061. [Google Scholar] [CrossRef]
- Li, Y.; Lin, X.; Liu, J. An improved gray wolf optimization algorithm to solve engineering problems. Sustainability 2021, 13, 3208. [Google Scholar] [CrossRef]
- Ou, Y.; Yin, P.; Mo, L. An improved grey wolf optimizer and its application in robot path planning. Biomimetics 2023, 8, 84. [Google Scholar] [CrossRef] [PubMed]
- Marcus, M.; Khan, N.A. A note on the Hadamard product. Can. Math. Bull. 1959, 2, 81–83. [Google Scholar] [CrossRef]
- Conway, J.B. A Course in Functional Analysis; Springer: Berlin/Heidelberg, Germany, 2019; Volume 96. [Google Scholar]
- Zambrano-Bigiarini, M.; Clerc, M.; Rojas, R. Standard Particle Swarm Optimisation 2011 at CEC-2013: A baseline for future PSO improvements. In Proceedings of the 2013 IEEE Congress on Evolutionary Computation, Cancun, Mexico, 20–23 June 2013; pp. 2337–2344. [Google Scholar] [CrossRef]
- Nijmeijer, H.; Van der Schaft, A. Nonlinear Dynamical Control Systems; Springer: Berlin/Heidelberg, Germany, 1990. [Google Scholar]
- Navarro-López, E.M.; Cortés, D.; Castro, C. Design of practical sliding-mode controllers with constant switching frequency for power converters. Electr. Power Syst. Res. 2009, 79, 796–802. [Google Scholar] [CrossRef]











| Boost Parameter | Value |
|---|---|
| 24 | |
| 48 | |
| L | 1 mH |
| C | 47 μF |
| R | |
| 25 mS |
| Algorithm | Effectiveness | Avrg. Time | Effect. Avrg. Time |
|---|---|---|---|
| Original GWO | 84 | 104.08 | 18.27 |
| Original PSO | 61 | 35.92 | 23.80 |
| REAB-PSO-1 | 92 | 35.82 | 31.57 |
| REAB-PSO-2 | 92 | 47.62 | 37.15 |
| REAB-PSO-3 | 89 | 41.12 | 38.00 |
| REAB-PSO-4 | 84 | 53.39 | 50.00 |
| REAB-GWO-1 | 99 | 21.13 | 19.27 |
| REAB-GWO-2 | 94 | 38.31 | 20.06 |
| REAB-GWO-3 | 91 | 24.60 | 21.87 |
| REAB-GWO-4 | 85 | 57.22 | 33.43 |
Disclaimer/Publisher’s Note: The statements, opinions and data contained in all publications are solely those of the individual author(s) and contributor(s) and not of MDPI and/or the editor(s). MDPI and/or the editor(s) disclaim responsibility for any injury to people or property resulting from any ideas, methods, instructions or products referred to in the content. |
© 2024 by the authors. Licensee MDPI, Basel, Switzerland. This article is an open access article distributed under the terms and conditions of the Creative Commons Attribution (CC BY) license (https://creativecommons.org/licenses/by/4.0/).
Share and Cite
Vargas, M.; Cortes, D.; Ramirez-Salinas, M.A.; Villa-Vargas, L.A.; Lopez, A. Random Exploration and Attraction of the Best in Swarm Intelligence Algorithms. Appl. Sci. 2024, 14, 11116. https://doi.org/10.3390/app142311116
Vargas M, Cortes D, Ramirez-Salinas MA, Villa-Vargas LA, Lopez A. Random Exploration and Attraction of the Best in Swarm Intelligence Algorithms. Applied Sciences. 2024; 14(23):11116. https://doi.org/10.3390/app142311116
Chicago/Turabian StyleVargas, Maria, Domingo Cortes, Marco Antonio Ramirez-Salinas, Luis Alfonso Villa-Vargas, and Antonio Lopez. 2024. "Random Exploration and Attraction of the Best in Swarm Intelligence Algorithms" Applied Sciences 14, no. 23: 11116. https://doi.org/10.3390/app142311116
APA StyleVargas, M., Cortes, D., Ramirez-Salinas, M. A., Villa-Vargas, L. A., & Lopez, A. (2024). Random Exploration and Attraction of the Best in Swarm Intelligence Algorithms. Applied Sciences, 14(23), 11116. https://doi.org/10.3390/app142311116

