The Influence of Steering Axle Design Parameters and Operational Factors on Tire Steering Resistance Torque
Abstract
1. Introduction
2. Materials and Methods
2.1. Study of the Tire Steering Resistance Torque of a Locked Steered Wheel in Static State
- For toroid tires: , m; , m;
- For wide-profile tires: , m; , m
2.2. Study of the Tire Steering Resistance Torque of an Unlocked Steered Wheel in Static State
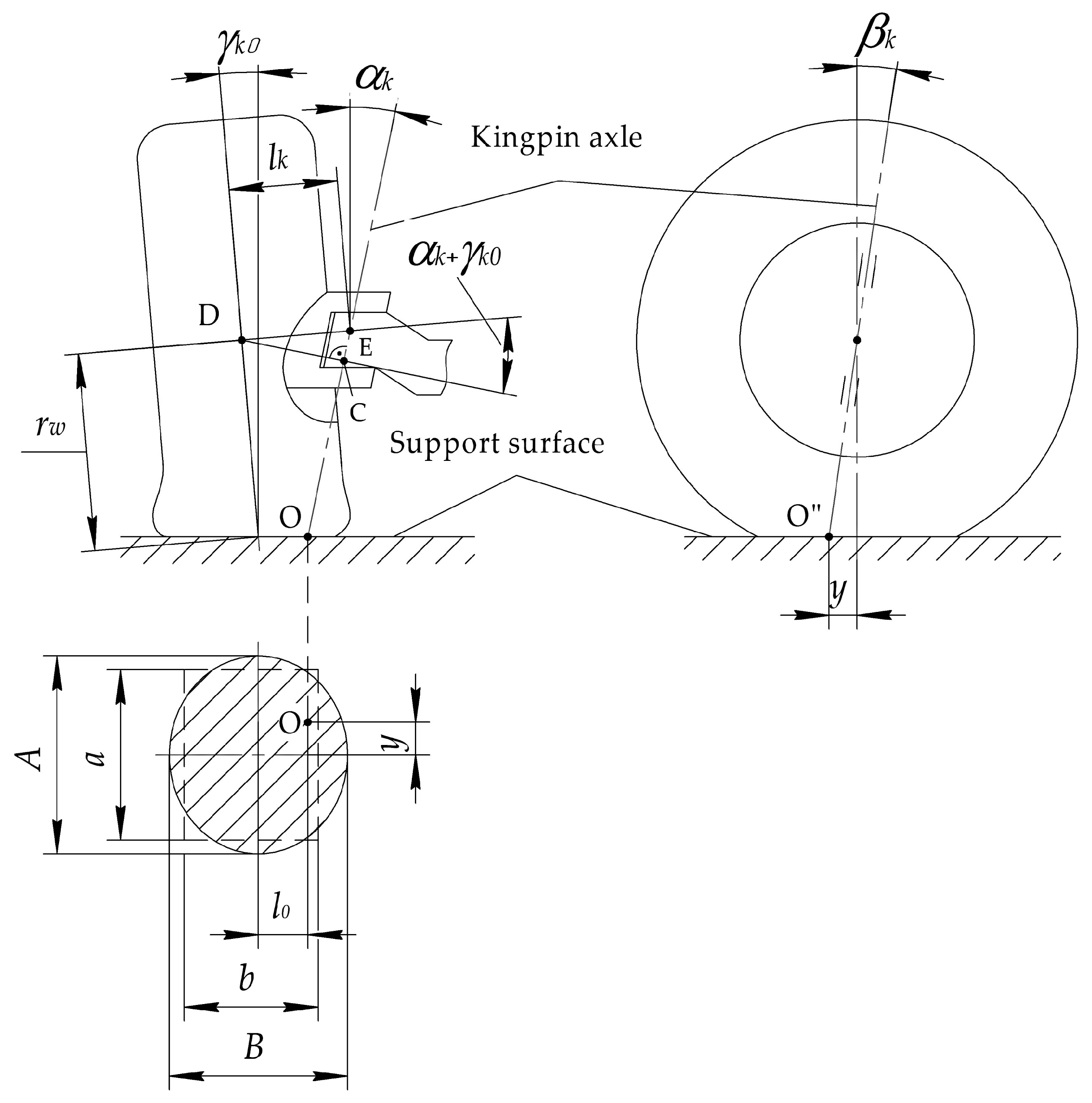
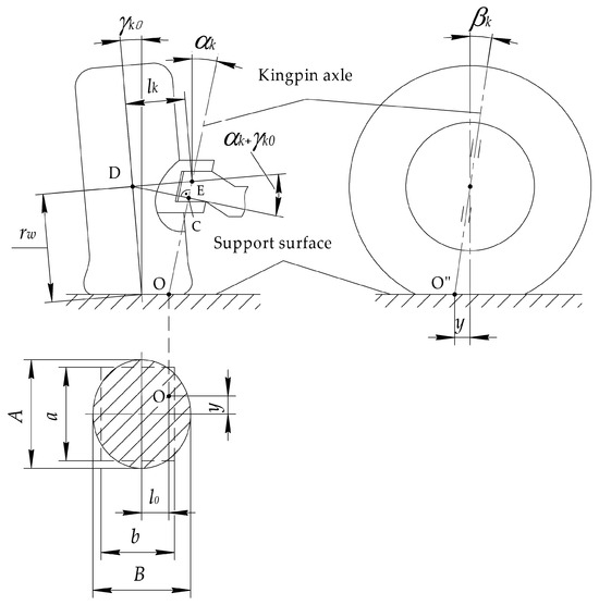
2.2.1. Study of the Kinematics of a Rigid Steered False Wheel
2.2.2. Study of the Kinematics of the Tire Contact Patch of an Unlocked Elastic Wheel
2.2.3. The Tire Steering Resistance Torque of the Unlocked Steered Wheel in Static State
2.3. The Tire Steering Resistance Torque During Wheel Movement
- Only adhesion zones are present in the tire contact patch;
- When steering, the wheel is unlocked and moves at speed V.
3. Results
3.1. Analytical Studies of the Tire Steering Resistance Torque of a Locked Steered Wheel in Static State
3.2. Determination of the Tire Steering Resistance Torque of an Unlocked Steered Wheel in Static State
3.2.1. Determination of the Center of Rotation of the Point of Contact of a Rigid False Wheel
- The first is when rotation is performed in static state, when the rigid false wheel is locked. This case of rotation of a rigid false wheel corresponds to the rotation in static state of the wheel, which, during rotation, does not spin about the knuckle axis θ ≠ 0, θw = 0 (Figure 4a);
- The second is when rotation is performed in static state, when the rigid false wheel is unlocked. This case corresponds to rotation in static state of the wheel, which, when turned in static state, spins about the knuckle axis θ ≠ 0, θw ≠ 0 (Figure 4b).
3.2.2. Study of the Radius of the Trajectory of the Point of Contact of a Rigid False Wheel
3.2.3. Study of the Position of the Center of Relative Motion of the Contact Patch
- The locked steered wheel when steering in static state moves as a complex mechanism with a knuckle, and the contact patch of the tire rotates about kingpin axis–support surface intersection point.
- An unlocked steered wheel when steering in static state is not a complex mechanism with a knuckle, and the contact patch of the tire participates in transport and relative motions. The center of the transport motion of the contact patch is the projection onto the support surface of the center of rotation of the wheel. The trajectory of the transport motion of the contact patch points is determined by the trajectory of the relative motion center of the tire contact patch, which is within the contact patch, and its position for a specific tire can only be determined experimentally. As the length of the knuckle increases, the center of relative motion shifts to the edge of the contact patch. Analytical dependencies were obtained for determining the radius of the trajectory of the contact point of a rigid false wheel when it is rotated in static state.
- The phenomena that form the characteristics of the movement of a steered elastic wheel when moving along a curved trajectory and steering in static state are identical. Both when steering in static state and during movement, the tire contact patch participates in transport and relative motions. The difference is only in the size of the radius of the movement trajectory. When steering in static state, the radius is determined by the knuckle length, and when moving, by the base of the car and the steer angle.
3.2.4. Experimental Studies of the Tire Steering Resistance Torque of an Unlocked Steered Wheel in Static State
4. Discussion
5. Conclusions
- The phenomena associated with the kinematics and dynamics of a steered elastic wheel when moving along a curved trajectory and steering in static state are identical. Both when steering in static state and during movement, the tire contact patch participates in transport and relative motions. The difference is only in the value of the radius of the movement trajectory. When steering in static state, the radius depends on the knuckle length, and when moving, it depends on the base of the vehicle and the steer angle.
- The locked steered wheel, when steering in static state, moves as a complex mechanism with the knuckle, and the tire contact patch rotates about the point where the kingpin axis intersects the support surface.
- An unlocked steered wheel when steering in static state is not a complex mechanism with a knuckle, and the tire contact patch participates in the transport and relative motions. The transport motion center of the contact patch is the projection onto the support surface of the center of rotation of the wheel. The trajectory of the relative motion of the tire contact patch is determined by the trajectory of the relative motion center. Its position for a specific tire can only be determined experimentally. As the knuckle length increases, the center of relative motion shifts to the edge of the contact patch.
- The tire steering resistance torque both when steering in static state and during movement depends on the tire twisting angle. When steering in static state, this angle depends on the magnitude of the steer angle, and during movement, it is directly proportional to the angular speed of rotation of the steering wheel by the driver and to the tire contact patch longitudinal axis, and inversely proportional to the speed of the wheel. During movement, this angle of twisting of the tire does not exceed 5 deg, even under extreme conditions of vehicle movement, and therefore, the tire steering resistance torque never reaches the limit value in terms of adhesion.
- The limiting steering resistance torque of truck tire occurs when it is steered in static state on dry asphalt concrete at an angle greater than 13 deg, and its value depends on the friction coefficient of the tire to the support surface, the load on the wheel, the shape and size of the tire contact patch, and the position of the center of relative motion of the tire contact patch. Dependencies are given to determine this torque.
- The tire steering resistance torque during movement is directly proportional to the tire contact patch longitudinal axis, the tire angular stiffness relative to the vertical axis, and the angular speed of rotation of the steered wheel about kingpin axis by the driver, and it is inversely proportional to the speed of the wheel.
- When steering in static state on dry asphalt concrete, the tire steering resistance torque reaches its maximum value and is up to 90% of the maximum wheel steering resistance torque, the value of which is calculated by the parameters of the truck power steering.
- In the experimental part, the developed bench made it possible to determine the position of the rotation centers of the tire contact patch of the locked and unlocked wheel. During the experiment, it was also possible to confirm on the bench the reliability of the obtained dependencies for determining the radius of the trajectory of the rigid false wheel contact point with the support surface and the tire steering resistance torque of the unlocked steered wheel when the knuckle length changes in the range of 0.22–0.82. The error between the calculated and experimental values of the tire steering resistance torque does not exceed 4%.
6. Patents
- Soltus, A.P.; Klimov, E.S. Experimental bench for determining the displacement of the center of relative rotation of the impression of a pneumatic tire of a steered wheel: pat. 70671 Ukraine: G01L5/13; No. u 2011 13111; statement 07.11.2011; published 26.06.2012, Bul. No. 12, 6p.
- Soltus, A.P.; Klimov, E.S. Experimental bench for researching the operation of a steered wheel with a pneumatic tire: pat. 59873 Ukraine: G01L5/13; No. u 2010 08105; statement 06/29/2010; published 10.06.2011, Bull. No. 11, 4p.
Author Contributions
Funding
Institutional Review Board Statement
Informed Consent Statement
Data Availability Statement
Conflicts of Interest
References
- Soltus, A.P. Teorija Ekspluatacijnyh Vlastyvostej Avtomobilja (Theory of Operational Properties of the Vehicle); Aristej: Kyiv, Ukraine, 2010; p. 155. (In Ukrainian) [Google Scholar]
- Litvinov, A.S. Teorija Krivolinejnogo Dvizhenija Kolesnyh Mashin: Problemy Povyshenija Prohodimosti Kolesnyh Mashin (Theory of Curvilinear Motion of Wheeled Vehicles: The Problem of Increasing the Permeability of Wheeled Vehicles—A Collection); izd.AN SSSR: Moscow, Russia, 1959; 135p. (In Russian) [Google Scholar]
- Mateichyk, V.; Soltus, A.; Klimov, E.; Kostian, N.; Smieszek, M.; Kovbasenko, S. Regularities of Changes in the Motion Resistance of Wheeled Vehicles along a Curvilinear Trajectory. Machines 2023, 11, 570. [Google Scholar] [CrossRef]
- Pacejka, H.B. Chapter 6—Theory of the wheel shimmy phenomenon. In Tyre and Vehicle Dynamics, 2nd ed.; Pacejka, H.B., Ed.; Butterworth-Heinemann Elsevier Ltd.: Oxford, UK, 2006; pp. 295–338. [Google Scholar] [CrossRef]
- Mamaev, A.N.; Balabina, T.A.; Odinokova, I.V.; Gaevskiy, V.V. Interaction mechanics of the wheel with the drum. In Proceedings of the International Conference on Innovations in Automotive and Aerospace Engineering, IOP Conference Series: Materials Science and Engineering, Irkutsk National Research Technical University, Irkutsk, Russia, 27 May–1 June 2019; Volume 632, p. 12083. [Google Scholar] [CrossRef]
- Balabina, T.A.; Simonov, D.S.; Rogov, V.R.; Mamaev, A.N.; Vorontsov, A.S. Determination of Power and Kinematic Wheel Parameters when Rolling Against a Drum. In Proceedings of the International Conference on Digital Solutions for Automotive Industry, Roadway Maintenance and Traffic Control (DS ART 2019), IOP Conference Series: Materials Science and Engineering, Cholpon-Ata, Kyrgyzstan, 1 November 2019; Volume 832, p. 12077. [Google Scholar] [CrossRef]
- Karelina, M.Y.; Balabina, T.A.; Cherepnina, T.Y.; Mamaev, A.N.; Vorontsov, A.S. Influence of Tire Tread Convexity on its Rolling with a Slip. In Proceedings of the International Conference on Digital Solutions for Automotive Industry, Roadway Maintenance and Traffic Control (DS ART 2019), IOP Conference Series: Materials Science and Engineering, Cholpon-Ata, Kyrgyzstan, 1 November 2019; Volume 832, p. 12078. [Google Scholar] [CrossRef]
- Kim, S.; Kondo, K.; Akasaka, T. Contact Pressure Distribution of Radial Tire in Motion with Camber Angle. Tire Sci. Technol. 2000, 28, 2–32. [Google Scholar] [CrossRef]
- Gillespie, T.D. Fundamentals of Vehicle Dynamics; SAE International: Warrendale, PA, USA, 1992; p. 526. [Google Scholar]
- Ilarionov, V.A.; Morin, M.M.; Serheev, N.M.; Farobin, Y.E.; Shupliakov, V.S. Theory and Construction of a Car: A Textbook for Motor Transport Technical Schools; Mashinostroenie: Moscow, Russia, 1985; 368p. [Google Scholar]
- Schmitt, P. Prediction of Static Steering Torque During Brake-Applied Parking Maneuvers. In Proceedings of the 2003 International Truck & Bus Meeting & Exhibition, Fort Worth, TX, USA, 10–12 November 2003. [Google Scholar] [CrossRef]
- Wang, Y.; Feng, P.; Pang, W.; Zhou, M. Pivot steering resistance torque based on tire torsion deformation. J. Terramech. 2014, 52, 47–55. [Google Scholar] [CrossRef]
- Ma, B.; Yang, Y.Y.; Liu, Y.H.; Ji, X.; Zheng, H. Analysis of vehicle static steering torque based on tire-road contact patch sliding model and variable transmission ratio. Adv. Mech. Eng. 2016, 8, 1687814016668765. [Google Scholar] [CrossRef]
- Volkov, V.P.; Vilskyi, H.B. Teoriia Rukhu Avtomobilia (Car Motion Theory); VTD “Universytetska knyha”: Sumy, Ukraine, 2021; p. 320. (In Ukrainian) [Google Scholar]
- Sharp, R.S.; Granger, R. On car steering torques at parking speeds. Proc. Inst. Mech. Eng. Part D J. Automob. Eng. 2003, 217, 87–96. [Google Scholar] [CrossRef]
- Cao, D.; Tang, B.; Jiang, H.; Yin, C.; Zhang, D.; Huang, Y. Study on Low-Speed Steering Resistance Torque of Vehicles Considering Friction Between Tire and Pavement. Appl. Sci. 2019, 9, 1015. [Google Scholar] [CrossRef]
- Suqiao, L.; Shi, Q.; Du, L. Analysis and experiment of resistant moment of wheeled tractor at kingpin turn. Trans. Chin. Soc. Agric. Eng. 1990, 3, 1–9. [Google Scholar]
- Knoroz, V.Y.; Klennykov, E.V.; Shelukhyn, A.S.; Yurev, Y.M. Work of the Automobile Tire; Transport: Moscow, Russia, 1976; p. 238. [Google Scholar]
- Pacejka, H. The Wheel Shimmy Phenomenon, a Theoretical and Experimental Investigation with Particular Reference to the Non-Linear Problem; VRB Kleine: Groningen, The Netherlands, 1966. [Google Scholar]










| Formula | Input Data for Calculation, m | Mφmax, N·m | Error Δ, % | |||
|---|---|---|---|---|---|---|
| a1; b1 | a2; b2 | a3; b3 | a4; b4 | |||
| (24) | 0.0547; 0.037 | 0.0547; 0.297 | 0.1703; 0.297 | 0.1703; 0.037 | 3132.6 | 5.48 |
| (27) | 0.0547; 0.037 | 0.0547; 0.297 | 0.1703; 0.297 | 0.1703; 0.037 | 2969.96 | |
| Formula | Input Data for Calculation, m | Mφmax, N·m | Error Δ, % | |
|---|---|---|---|---|
| a | b | |||
| (25) | 0.225 | 0.334 | 2062.8 | 7.4 |
| (28) | 0.225 | 0.334 | 1920.4 | |
| Air Pressure pt, MPa | The Dimensions of the Contact Patch, m | Contact Patch Area F, m2 | Static Wheel Radius rw, m | |||
|---|---|---|---|---|---|---|
| Longitudinal Axis | Transverse Axis | |||||
| Exp. A | Reduced a | Exp. B | Reduced b | |||
| 0.4 | 0.250 | 0.225 | 0.370 | 0.334 | 0.0749 | 0.610 |
| 0.2 | 0.314 | 0.282 | 0.430 | 0.387 | 0.1093 | 0.585 |
| 0.05 | 0.464 | 0.417 | 0.434 | 0.391 | 0.163 | 0.550 |
| Tire Parameter | Parameter Values | |||||
|---|---|---|---|---|---|---|
| lk = 0 m | lk = 0.225 m | lk = 0.295 m | lk = 0.365 m | lk = 0.68 m | lk = 0.82 m | |
| Δt, m (exper.) | 0 | 0.089 | 0.116 | 0.122 | 0.161 | 0.167 |
| Rt, m (exper.) | 0 | 0.135 | 0.171 | 0.231 | 0.499 | 0.632 |
| θt, deg (42) | ∞ | 24.41 | 18.85 | 13.95 | 6.46 | 5.1 |
| Mφ, N·m (exper.) | 2434.5 | 2772.2 | 2825.7 | 2129.2 | 1395 | |
| Mφ, N·m (45), (48) | 2062.2 | 2481 | 2731.9 | 2872.76 | 2045 | 1407 |
Disclaimer/Publisher’s Note: The statements, opinions and data contained in all publications are solely those of the individual author(s) and contributor(s) and not of MDPI and/or the editor(s). MDPI and/or the editor(s) disclaim responsibility for any injury to people or property resulting from any ideas, methods, instructions or products referred to in the content. |
© 2024 by the authors. Licensee MDPI, Basel, Switzerland. This article is an open access article distributed under the terms and conditions of the Creative Commons Attribution (CC BY) license (https://creativecommons.org/licenses/by/4.0/).
Share and Cite
Mateichyk, V.; Soltus, A.; Smieszek, M.; Klimov, E.; Kostian, N.; Tarandushka, L.; Marchuk, R. The Influence of Steering Axle Design Parameters and Operational Factors on Tire Steering Resistance Torque. Appl. Sci. 2024, 14, 10925. https://doi.org/10.3390/app142310925
Mateichyk V, Soltus A, Smieszek M, Klimov E, Kostian N, Tarandushka L, Marchuk R. The Influence of Steering Axle Design Parameters and Operational Factors on Tire Steering Resistance Torque. Applied Sciences. 2024; 14(23):10925. https://doi.org/10.3390/app142310925
Chicago/Turabian StyleMateichyk, Vasyl, Anatolii Soltus, Miroslaw Smieszek, Eduard Klimov, Nataliia Kostian, Liudmyla Tarandushka, and Roman Marchuk. 2024. "The Influence of Steering Axle Design Parameters and Operational Factors on Tire Steering Resistance Torque" Applied Sciences 14, no. 23: 10925. https://doi.org/10.3390/app142310925
APA StyleMateichyk, V., Soltus, A., Smieszek, M., Klimov, E., Kostian, N., Tarandushka, L., & Marchuk, R. (2024). The Influence of Steering Axle Design Parameters and Operational Factors on Tire Steering Resistance Torque. Applied Sciences, 14(23), 10925. https://doi.org/10.3390/app142310925

