Online High Frequency Impedance Identification Method of Inverter-Fed Electrical Machines for Stator Health Monitoring
Abstract
1. Introduction
2. Impedance Measurement in Electrical Drive Systems
2.1. Electrical Machine Impedance Definition
2.2. Impedance Characterization Methods
3. Broadband Stator Model for Data Storage
3.1. Impedance Frequency Response
3.2. High-Frequency Modeling of PMSM
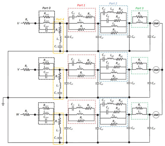
3.2.1. PMSM HF Electrical Equivalent Circuit Model
- Interturn capacitive couplings;
- Phase-to-ground capacitive couplings;
- Leakage inductances in the first turns of the windings;
- Magnetizing inductances;
- Iron and eddy current losses.
- is the resistance of each phase.
- represents the parasitic capacitances between the windings and the stator frame.
- “EMF” blocks describe the electromotive forces generated in each of the machine phases during operation.
- “Part 0” blocks characterize the CM and the DM behavior around resonance and anti-resonance frequencies at very high frequencies (between one and a few tens of megahertz).
- “Part 1” blocks characterize the CM and the DM behavior around resonance and anti-resonance frequencies at high frequency (between 10 kHz and 1 MHz).
- “Part 2” blocks model magnetizing inductances and eddy-current losses in the ferromagnetic core.
- “Part 3” blocks characterize the DM impedant behavior at high frequencies (between 10 kHz and 1 MHz).
- “Part 4” blocks model the effects of leakage inductances in the first turns of coils.
3.2.2. Transfer Function Approach to PMSM Behavior
- A constrained optimization, to minimize the error between the model and the experimental measurement of the machine CM impedance [35];
- An analytical calculation of the various parameters, taking into account the type and design of the winding as well as the material and method of impregnation of the conductors [24].
3.2.3. HF Approach Based on PMSM Phase Design
4. Proposed Online Method for Impedance Characterization of Electrical Machines
4.1. Studied System and Measurements
4.2. Flow Chart of the Proposed Characterization Method
- Step 1—Measurements
- Step 2—Frequency analysis
- Step 3—Search for dominant frequency components
- Step 4—Impedance calculation
- Step 5—Combining impedances
- Step 6—Cleaning the raw impedance characterization
- Step 7—Model storage and aging data collection
4.3. Validation and Interest of the Proposed Method
- The HF excitation is naturally provided by the voltage source inverter. The method is therefore non-invasive and has no effect on actuator operation or aging.
- No measurement cables or fixture adapters are required, eliminating the need for a calibration phase and making the characterization process highly reliable.
- Finally, health monitoring is performed at all times without removing the machine from its operating environment, allowing early detection of insulation degradation in the windings.
5. Parameters Influencing Impedance Frequency Response
5.1. Temperature
5.2. Switching Frequency
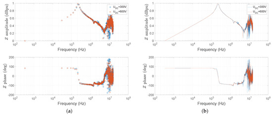
5.3. DC Voltage
6. Conclusions
Author Contributions
Funding
Institutional Review Board Statement
Informed Consent Statement
Data Availability Statement
Conflicts of Interest
References
- Bose, B. Power Electronics and Motor Drives, 2nd ed.; Academic Press: Cambridge, MA, USA, 2020; ISBN 978-0-12-821360-5. [Google Scholar]
- Manns, D.; Galioto, S.; Weeber, K.; Yagielski, J. High frequency life testing of stator coil insulation. In Proceedings of the 2008 IEEE International Symposium on Electrical Insulation, Vancouver, BC, Canada, 9–12 June 2008. [Google Scholar]
- Guastavino, F.; Ratto, A.; Torello, E.; Biondi, G. Aging tests on nanostructured enamels for winding wire insulation. IEEE Trans. Ind. Electr. 2014, 61, 5550–5557. [Google Scholar] [CrossRef]
- Gerlach, M.E.; Weber, S.; Ponick, B. Influence of Hairpin winding and insulation on the vibration behavior of electric machines. IEEE Trans. Ind. Appl. 2024, 60, 206–214. [Google Scholar]
- Besnard, F.; Bertling, L. An approach for condition-based maintenance optimization applied to wind turbine blades. IEEE Trans. Sustain. Energy 2010, 1, 77–83. [Google Scholar] [CrossRef]
- Rafiee, K.; Feng, Q.; Coit, D.W. Condition-based maintenance for repairable deteriorating systems subject to a generalized mixed shock model. IEEE Trans. Reliab. 2015, 64, 1164–1174. [Google Scholar] [CrossRef]
- Kaufhold, M.; Borner, G.; Eberhardt, M.; Speck, J. Failure mechanism of the interturn insulation of low voltage electric machines fed by pulse-controlled inverters. IEEE Electr. Ins. Mag. 1996, 12, 9–16. [Google Scholar] [CrossRef]
- Hudon, C.; Amyot, N.; Lebey, T.; Castelan, P.; Kandev, N. Testing of low-voltage motor turn insulation intended for pulse-width modulated applications. IEEE Trans. Dielectr. Electr. Insul. 2000, 7, 783–789. [Google Scholar]
- Stone, G.C. Partial discharge diagnostics and electrical equipment insulation condition assessment. IEEE Trans. Dielectr. Electr. Insul. 2005, 12, 891–903. [Google Scholar] [CrossRef]
- Boileau, T. 3rd Year Engineering Cycle; Lecture on diagnosis and fault detection in PMSM; ENSEM: Vandoeuvre-lès-Nancy, France, 2019. [Google Scholar]
- IEEE Standard 43-2013. Recommended Practice for Testing Insulation Resistance of Rotating Machinery. 2014. Available online: https://ieeexplore.ieee.org/document/836297 (accessed on 4 February 2023).
- Werynski, P. Vieillissement des Diélectriques et Surveillance in situ des Machines Electriques. Ph.D. Thesis, Université d’Artois (LSEE), Arras, France, 2006. Available online: https://www.researchgate.net/publication/272857976 (accessed on 28 January 2021).
- Liu, W.; Schaeffer, E.; Loron, L.; Chanemouga, P. High Frequency modelling of stator windings dedicated to machine insulation diagnosis by parametric identification. In Proceedings of the 2007 IEEE International Symposium on Diagnostics for Electric Machines Power Electronics and Drives, Cracow, Poland, 6–8 September 2007. [Google Scholar]
- Yang, J.; Kang, T.-J.; Kim, B.; Lee, S.B.; Yoon, Y.-W.; Kang, D.; Cho, J.; Kim, H. Experimental evaluation of using the surge PD test as a predictive maintenance tool for monitoring turn insulation quality in random wound AC motor stator windings. IEEE Trans. Dielectr. Electr. Insul. 2012, 19, 53–60. [Google Scholar] [CrossRef]
- Lahoud, N.; Nguyen, M.Q.; Maussion, P.; Malec, D.; Mary, D. Lifetime model of the inverter-fed motors secondary insulation by using a design of experiments. IEEE Trans. Dielectr. Electr. Insul. 2015, 22, 3170–3176. [Google Scholar] [CrossRef]
- Perisse, F.; Mercier, D.; Lefevre, E.; Roger, D. Robust diagnostics of stator insulation based on high frequency resonances measurements. IEEE Trans. Dielectr. Electr. Insul. 2009, 16, 1496–1502. [Google Scholar] [CrossRef]
- Haje Obeid, N. Contribution à la Détection des Défauts Statoriques des Actionneurs à Aimants Permanents—Application à la Détection d’un Défaut Inter-Spires Intermittent et au suivi de Vieillissement. Ph.D. Thesis, Université de Lorraine (GREEN), Nancy, France, 2016. Available online: https://tel.archives-ouvertes.fr/tel-01530619/ (accessed on 1 December 2020).
- Jameson, N.J.; Azarian, M.H.; Pecht, M. Impedance-based condition monitoring for insulation systems used in low-voltage electromagnetic coils. IEEE Trans. Ind. Electr. 2017, 64, 3748–3757. [Google Scholar] [CrossRef]
- Zou, Z.; Liu, S.; Kang, J. Degradation mechanism and online electrical monitoring techniques of stator winding insulation in inverter-fed machines. World Electr. Veh. J. 2024, 15, 444–466. [Google Scholar] [CrossRef]
- Perisse, F.; Werynski, P.; Roger, D. A new method for AC machine turn insulation diagnostic based on high frequency resonances. Trans. Dielectr. Electr. Insul. 2007, 14, 1308–1315. [Google Scholar] [CrossRef]
- Ahmadzadeh, F.; Lundberg, J. Remaining useful life estimation: Review. Int. J. Syst. Assur. Eng. Manag. 2014, 5, 461–474. [Google Scholar] [CrossRef]
- Nguyen, V.; Seshadrinath, J.; Wang, D.; Nadarajan, S.; Vaiyapuri, V. Model-based diagnosis and RUL estimation of induction machines under interturn fault. IEEE Trans. Ind. Appl. 2017, 53, 2690–2701. [Google Scholar] [CrossRef]
- Venkatesan, S.; Manickavasagam, K.; Tengenkai, N.; Vijayalakshmi, N. Health monitoring and prognosis of electric vehicle motor using intelligent-digital twin. IET Electr. Power Appl. 2019, 13, 1328–1335. [Google Scholar] [CrossRef]
- Ramos Chavez, J.I. Design of High Frequency Operating Mechatronic Systems: Tools and Methods of Characterization of Electromagnetic Couplings Between Electromechanic Converters and Power Electronics Converters. Ph.D. Thesis, Institut National Polytechnique de Toulouse (ENIT-LGP), Toulouse, France, 2016. Available online: https://www.theses.fr/2016INPT0075 (accessed on 25 January 2023).
- Hoffmann, A.; Ponick, B. Statistical deviation of high-frequency lumped model parameters for stator windings in three-phase electrical machines. In Proceedings of the 2020 International Symposium on Power Electronics, Electrical Drives, Automation and Motion, (SPEEDAM), Sorrento, Italy, 24–26 June 2020. [Google Scholar]
- Al-Ameri, S.M.; Abdul-Malek, Z.; Salem, A.A.; Noorden, Z.A.; Alawady, A.A.; Yousof, M.F.M.; Mosaad, M.I.; Abu-Siada, A.; Thabit, H.A. Frequency response analysis for three-phase star and delta induction motors—Pattern recognition and fault analysis using statistical indicators. Machines 2023, 11, 106–123. [Google Scholar] [CrossRef]
- Ranzinger, L.; Uhrig, S.; Tenbohlen, S. Analysis and modeling the frequency response of rotating machines regarding fault diagnosis using SFRA. IEEE Trans. Energy Convers. 2024, 39, 1–10. [Google Scholar] [CrossRef]
- Keysight Technologies Incorporation. E5061B ENA Vector Network Analyzer—Data Sheet. 2021. Available online: https://www.keysight.com/us/en/assets/7018-02242/data-sheets/5990-4392.pdf (accessed on 4 July 2024).
- Sant’Ana, W.C.; Lambert-Torres, G.; Bonaldi, E.L.; Gama, B.R.; Zacarias, T.G.; Areias, I.A.; Arantes, D.; Assuncao, F.O.; Campos, M.M.; Steiner, F.M. Online frequency response analysis of electric machinery through an active coupling system based on power electronics. Sensors 2021, 21, 8057. [Google Scholar] [CrossRef]
- Gama, B.R.; Sant’ana, W.C.; Lambert-Torres, G.; Salomon, C.P.; Bonaldi, E.L.; Borges-Da-Silva, L.E.; Carvalho, R.B.B.; Steiner, F.M. FPGA prototyping using the STEMlab board with application on frequency response analysis of electric machinery. IEEE Access 2021, 9, 26822–26838. [Google Scholar] [CrossRef]
- Sant’Ana, W.C.; Salomon, C.P.; Lambert-Torres, G.; Da Borges Silva, L.E.; Bonaldi, E.L.; Lacerda Oliveira, L.E.; Da Borges Silva, J.G. Early detection of insulation failures on electric generators through online Frequency Response Analysis. Electr. Power Syst. Res. 2016, 140, 337–343. [Google Scholar] [CrossRef]
- Bucci, G.; Ciancetta, F.; Fioravanti, A.; Fiorucci, E.; Mari, S.; Silvestri, A. Online SFRA for reliability of power systems. Sensors 2023, 23, 2583. [Google Scholar] [CrossRef] [PubMed]
- Rathnayaka, S.B.; See, K.Y. Early detection of induction motor’s defects using an inductively coupled impedance extraction method. In Proceedings of the 2017 IEEE International Electric Machines and Drives Conference (IEMDC), Miami, FL, USA, 21–24 May 2017. [Google Scholar]
- Schinkel, M.; Weber, S.-P.; Guttowski, S.; John, W.; Reichl, H. Efficient HF modeling and model parameterization of induction machines for time and frequency domain simulations. In Proceedings of the 21st Annual IEEE Applied Power Electronics Conference and Exposition, (APEC), Dallas, TX, USA, 19–23 March 2006. [Google Scholar]
- Dos Santos, V. Modélisation des émissions Conduites de mode Commun D’une Chaîne électromécanique—Optimisation Paramétrique de l’Ensemble Convertisseur Filtres sous Contraintes CEM. Ph.D. Thesis, Institut National Polytechnique de Toulouse (LAPLACE), Toulouse, France, 2019. Available online: https://www.theses.fr/2019INPT0021 (accessed on 5 December 2022).
- Chen, H.; Yan, Y.; Zhao, H. Extraction of Common-Mode impedance of an inverter-fed induction motor. IEEE Trans. Electr. Comp. 2016, 58, 599–606. [Google Scholar] [CrossRef]
- Zheng, D.; Lu, G.; Zhang, P. A noninvasive interturn insulation condition monitoring method based on the Common-Mode impedance spectrum of inverter-fed machines. IEEE Trans. Ind. Appl. 2021, 57, 4786–4795. [Google Scholar] [CrossRef]
- Grenier, D.; Labrique, F.; Buyse, H.; Matagne, E. Electromécanique—Convertisseurs D’énergie et Actionneurs, 1st ed.; Dunod: Paris, France, 2001; ISBN 978-2-10-005325-4. [Google Scholar]
- Fudeh, H.R.; Ong, C.-M. Modeling and analysis of induction machines containing space harmonics - Part I: Modeling and Transformation. IEEE Trans. Power App. Syst. 1983, PAS-102, 2608–2615. [Google Scholar] [CrossRef]
- Boileau, T. Contribution à la Continuité de Service des Actionneurs Synchrones à Aimants Permanents. Tolérance au Défaut de Capteur Mécanique: Détection de Défauts électriques. Ph.D. Thesis, Institut National Polytechnique de Lorraine (GREEN), Nancy, France, 2010. Available online: https://hal.univ-lorraine.fr/tel-01749443 (accessed on 1 December 2020).
- Ruiz-Sarrio, J.E.; Antonino-Daviu, J.A.; Navarro-Navarro, A.; Biot-Monterde, V. A review of broadband frequency techniques for insulation monitoring and diagnosis in rotating electrical machines. IEEE Trans. Ind. Appl. 2024, 60, 6092–6102. [Google Scholar] [CrossRef]
- Weber, S.-P.; Hoene, E.; Guttowski, S.; John, W.; Reichl, H. Modeling induction machines for EMC-Analysis. In Proceedings of the IEEE 35th Annual Power Electronics Specialists Conference, Aachen, Germany, 20–25 June 2004. [Google Scholar]
- Wang, L.; Ngai-Man Ho, C.; Canales, F.; Jatskevich, J. High-Frequency modeling of the long-cable-fed induction motor drive system using TLM approach for predicting overvoltage transients. IEEE Trans. Power Electr. 2010, 25, 2653–2664. [Google Scholar] [CrossRef]
- Wu, Y.; Bi, C.; Jia, K.; Jin, D.; Li, H.; Yao, W.; Liu, G. High-frequency modelling of permanent magnet synchronous motor with star connection. IET Electric Power Appl. 2018, 12.4, 539–546. [Google Scholar] [CrossRef]
- Rahimi, A.; Kanzi, K. Improved High-Frequency modeling of PMSM using 3-D finite element analysis. In Proceedings of the 2019 International Power System Conference (PSC), Teheran, Iran, 9–11 December 2019. [Google Scholar]
- Ferreira, R.S.; Ferreira, A.C. Transient model to study voltage distribution in electrical machine windings considering the rotor. Electric Power Syst. Res. 2021, 195, 107155–107162. [Google Scholar] [CrossRef]
- Vidmar, G.; Miljavec, D. A universal high-frequency three-phase electric-motor model suitable for the delta- and star-winding connections. IEEE Trans. Power Electr. 2015, 30, 4365–4376. [Google Scholar] [CrossRef]
- Moreno, Y.; Almandoz, G.; Egea, A.; Arribas, B.; Urdangarin, A. Analysis of permanent magnet motors in High Frequency—A review. Appl. Sci. 2021, 11, 6334. [Google Scholar] [CrossRef]
- Yang, Z. PI-based simulation modeling for performance testing of the power transmission line. Energy 2024, 301, 131753. [Google Scholar] [CrossRef]
- Revol, B. Modélisation et Optimisation des Performances CEM D’une Association Variateur de Vitesse—Machine Asynchrone. Ph.D. Thesis, Université Joseph Fourier (Laboratoire d’électrotechnique de Grenoble), Grenoble, France, 2003. Available online: https://theses.hal.science/tel-00006396v1 (accessed on 17 March 2024).
- Toulabi, M.S.; Wang, L.; Bieber, L.; Filizadeh, S.; Jatskevich, J. A universal High-Frequency induction machine model and characterization method for arbitrary stator winding connections. IEEE Trans. Energy Conv. 2019, 34, 1164–1177. [Google Scholar] [CrossRef]
- Haje Obeid, N.; Boileau, T.; Nahid-Mobarakeh, B. Comparison of high frequency winding modeling for stator health monitoring. In Proceedings of the 14th International Symposium on Diagnostics for Electrical Machines, Power Electronics and Drives (SDEMPED), Chania, Greece, 28–31 August 2023. [Google Scholar]
- Gustavsen, B.; Semlyen, A. Rational approximation of frequency domain responses by vector fitting. IEEE Trans. Power Del. 1999, 14, 1052–1061. [Google Scholar] [CrossRef]
- Chen, W.; Sun, H.; Gu, X.; Xia, C. Synchronized space-vector PWM for three-level VSI with lower harmonic distortion and switching frequency. IEEE Trans. Power Electr. 2016, 31, 6428–6441. [Google Scholar] [CrossRef]
- Mishali, M.; Eldar, Y. Sub-Nyquist Sampling. IEEE Signal Proc. Mag. 2011, 28, 98–124. [Google Scholar] [CrossRef]
- Cottet, F. Traitement du Signal, 1st ed.; Dunod: Paris, France, 2005; ISBN 978-2-10-049690-5. [Google Scholar]
- Akima, H. A new method of interpolation and smooth curve fitting based on local procedures. J. ACM 1970, 17, 589–602. [Google Scholar] [CrossRef]
- Jie, H.; See, K.Y.; Chang, Y.; Gao, R.X.-K.; Fan, F.; Zhao, Z. Enhancing motor impedance measurements: Broadening the spectrum from low to high frequencies. Meas. Sci. Technol. 2024, 35, 86008. [Google Scholar] [CrossRef]




























Disclaimer/Publisher’s Note: The statements, opinions and data contained in all publications are solely those of the individual author(s) and contributor(s) and not of MDPI and/or the editor(s). MDPI and/or the editor(s) disclaim responsibility for any injury to people or property resulting from any ideas, methods, instructions or products referred to in the content. |
© 2024 by the authors. Licensee MDPI, Basel, Switzerland. This article is an open access article distributed under the terms and conditions of the Creative Commons Attribution (CC BY) license (https://creativecommons.org/licenses/by/4.0/).
Share and Cite
Creux, J.; Haje Obeid, N.; Boileau, T.; Meibody-Tabar, F. Online High Frequency Impedance Identification Method of Inverter-Fed Electrical Machines for Stator Health Monitoring. Appl. Sci. 2024, 14, 10911. https://doi.org/10.3390/app142310911
Creux J, Haje Obeid N, Boileau T, Meibody-Tabar F. Online High Frequency Impedance Identification Method of Inverter-Fed Electrical Machines for Stator Health Monitoring. Applied Sciences. 2024; 14(23):10911. https://doi.org/10.3390/app142310911
Chicago/Turabian StyleCreux, Jérémy, Najla Haje Obeid, Thierry Boileau, and Farid Meibody-Tabar. 2024. "Online High Frequency Impedance Identification Method of Inverter-Fed Electrical Machines for Stator Health Monitoring" Applied Sciences 14, no. 23: 10911. https://doi.org/10.3390/app142310911
APA StyleCreux, J., Haje Obeid, N., Boileau, T., & Meibody-Tabar, F. (2024). Online High Frequency Impedance Identification Method of Inverter-Fed Electrical Machines for Stator Health Monitoring. Applied Sciences, 14(23), 10911. https://doi.org/10.3390/app142310911

