Abstract
Considering the presence of airborne viruses, there is a need for renovation in refuse chutes, regarded as the first step in recycling household waste in buildings. This study aimed to revise the design of existing refuse chutes in light of the challenging experiences in waste management and public health during the coronavirus pandemic. This research primarily focused on the risks posed by various types of coronaviruses, such as the novel coronavirus (COVID-19) and acute respiratory syndrome (SARS and SARS-CoV), on stainless steel surfaces, with evidence of their survival under certain conditions. Refuse chutes are manufactured from stainless steel to resist the corrosive effects of waste. In examining the existing studies, it was observed that Casanova et al. and Chowdhury et al. found that the survival time of coronaviruses on stainless steel surfaces decreases as the temperature increases. Based on these studies, mechanical revisions have been made to the sanitation system of the refuse chute, thus increasing the washing water temperature. Additionally, through mechanical improvements, an automatic solution spray entry is provided before the intake doors are opened. Furthermore, to understand airflow and clarify flow parameters related to airborne infection transmission on residential floors in buildings equipped with refuse chutes, a computational fluid dynamics (CFD) analysis was conducted using a sample three-story refuse chute system. Based on the simulation results, a fan motor was integrated into the system to prevent pathogens from affecting users on other floors through airflow. Thus, airborne pathogens were periodically expelled into the atmosphere via a fan shortly before the intake doors were opened, supported by a PLC unit. Additionally, the intake doors were electronically interlocked, ensuring that all other intake doors remained locked while any single door was in use, thereby ensuring user safety. In a sample refuse chute, numerical calculations were performed to evaluate parameters such as the static suitability of the chute body thickness, static compliance of the chute support dimensions, chute diameter, chute thickness, fan airflow rate, ventilation duct diameter, minimum rock wool thickness for human contact safety, and the required number of spare containers. Additionally, a MATLAB code was developed to facilitate these numerical calculations, with values optimized using the Fmincon function. This allowed for the easy calculation of outputs for the new refuse chute systems and enabled the conversion of existing systems, evaluating compatibility with the new design for cost-effective upgrades. This refuse chute design aims to serve as a resource for readers in case of infection risks and contribute to the literature. The new refuse chute design supports the global circular economy (CE) model by enabling waste disinfection under pandemic conditions and ensuring cleaner source separation and collection for recycling. Due to its adaptability to different pandemic conditions including pathogens beyond coronavirus and potential new virus strains, the designed system is intended to contribute to the global health framework. In addition to the health measures described, this study calls for future research on how evolving global health conditions might impact refuse chute design.
1. Introduction
Considering changing pandemic conditions, health and environmental safety are gaining increased importance, especially considering the current case and mortality rates [1]. Studies indicate a rise in household and other waste [2] volumes globally during pandemic periods, as observed in cases from the United States [3] and the United Kingdom [4], contributing to global concerns [5]. In modern residential settings, the management of household waste collected through refuse chutes [6] poses a critical issue, with infection transmission [7] emerging as a significant concern due to these heightened risks.
Refuse chutes are essential structural elements that facilitate waste collection in high-rise buildings. Health preservation measures [8] must be comprehensively addressed [9] when using these systems within residential spaces, particularly given the potential for the airborne transmission [10] of infections if improperly used during pandemics. This study presents innovative solutions to reduce the spread of infection through refuse chute design by considering these health concerns. The new refuse chute design aims to enable sanitation of the chute body according to pandemic needs, disinfect waste under pandemic conditions to prevent user exposure, and support healthier on-site waste separation [11] and collection [12] to contribute to the global circular economy (CE) model [13]. This newly designed system is intended to support the global health framework due to its adaptability to various pandemic conditions including other pathogens and potential new virus strains beyond coronavirus.
A comprehensive literature review was conducted on the design and operation of refuse chutes. The most prominent findings are presented below. In studies related to refuse chutes, the relationship between human health and waste collection methods has been statistically validated. However, discussions on waste management processes and the role of refuse chutes in these processes are generally superficial. The absence of research on the potential risk of infection transmission within these systems has led to the investigation in this paper, which aims to fill this gap in the literature.
Chan and Lee [14] conducted a survey study related to refuse chutes. According to the survey, it was demonstrated that Hong Kong residents preferred an automated waste collection system that could handle their trash in a more hygienic manner. Additionally, they noted that residents in the surveyed neighborhoods were unwilling to pay the necessary amount to support the operation of the system. The desire for a hygienic refuse chute system among people highlights a positive aspect of this study. However, the absence of questions addressing demands related to pandemic conditions, in addition to hygiene, stands out as a limitation, especially given the ongoing pandemic.
In his study, Chehab [15] focused on testing waste disposal systems to encourage changes in solid waste separation habits in residential towers in Sweden. Significant findings were gathered from various studies conducted from national and regional perspectives on existing solid waste separation schemes and behaviors. Data were collected by directly asking residents in residential towers with established waste disposal systems how these systems could assist them in separating their solid waste. It was suggested that refuse chute systems used for separating solid waste in residential towers should be strategically developed to increase the level of participation in solid waste separation among households. Encouraging waste separation habits is crucial for achieving cleaner source-separated waste, which is essential for recovery efforts. However, the lack of consideration for steps to be taken under pandemic conditions and beforehand within the strategic development of waste separation practices presents a drawback.
Yuen and Jacobs [16] sought answers to several issues regarding the implementation of new refuse chutes for household waste in Singapore. They addressed questions such as: What are the primary challenges in household waste management policy and technology at that time? Who are the key actors and development partners? What are the environmental and social justifications for daily waste management, and how do these change over time? Based on these questions, they worked on an innovation pattern driven by intersecting challenges surrounding accessibility, affordability, and adoption. Examining environmental and social realities in waste management is highly promising for raising awareness about the use of refuse chutes. However, the lack of consideration for steps to be taken under pandemic conditions and beforehand when evaluating environmental issues represents a disadvantage.
Soh et al. [17] examined factors associated with rodent activity in municipal waste collection facilities in urban areas. They analyzed data from April 2019 to March 2020 using a mixed-effects logistic regression model to investigate independent factors related to rodent activity in central refuse chute rooms, individual refuse chute compartments, and refuse box centers. Using a logistic regression model to examine rodent activity in waste management is valuable as a reference for studies on the potential emergence of future viruses from a public health perspective. However, the lack of consideration for steps to be taken under pandemic conditions and beforehand presents a limitation.
Pim-Wusu et al. [18] investigated how waste could be effectively managed and controlled in mid-rise buildings in Ghana, thereby conducting a study on refuse chutes. The study employed a random sampling technique with a sample size of 150 participants. The data obtained from the study were analyzed using SPSS through frequency distribution, percentages, and inferential statistical analyses. According to the results, participants in mid-rise buildings had limited access to refuse chutes. Additionally, the study emphasized the necessity of strategies to overcome challenges associated with the non-use of refuse chutes including the inspection of chute design during permit approval, monitoring chute construction, and developing policies related to chute construction. The policies implemented to overcome the challenges associated with refuse chutes were significant. However, the lack of consideration for steps to be taken under pandemic conditions and beforehand is a drawback.
This study focused on updating refuse chutes, which represent the first step in recycling within buildings through source-separated waste collection, and on the collection of household waste. The aim of the proposed new refuse chute design was to reduce individual infection risks for users and employees due to pandemic diseases like COVID-19 and to facilitate healthier waste collection at the source. Unlike existing refuse chutes, where waste collection occurs without considering infection transmission, the new refuse chute system was updated with these factors in mind. Based on studies indicating that the survival time of coronaviruses decreases on stainless steel surfaces as the temperature increases, revisions in the washing system aimed to prevent viral transmission on the body surfaces of the chute. A computational fluid dynamics (CFD) analysis was conducted to understand the airflow dynamics and clarify flow parameters regarding airborne infection transmission within the residential floors of buildings equipped with refuse chutes. Based on the simulation results, a fan motor was integrated into the system to prevent pathogens from affecting other floor occupants through airflow. With the fan in operation, airborne pathogens can be expelled to the atmosphere shortly before opening the intake doors at intervals, supported by the PLC unit. Additionally, the intake doors were electronically interlocked, ensuring that if one door was in use, all others remained locked, enhancing user safety. In a sample refuse chute, numerical calculations were performed for parameters such as chute body thickness for static suitability, chute support measurements for static compliance, chute diameter, chute thickness, fan airflow rate, ventilation duct diameter, minimum rock wool thickness for human contact safety, and the required number of spare containers. Additionally, a MATLAB code was developed to streamline these numerical calculations, optimizing the problem for ease of use. This will facilitate the easy calculation of outputs for new refuse chute systems and enable the conversion of existing systems with cost-effective adjustments to align with the new design. The refuse chute design presented in this paper is intended to serve as a resource for readers in case of infection risks and contribute to the literature. With this code, designers and users can easily perform a range of calculations, from the numerically determined chute diameter and thickness in this paper to the minimum insulation thickness required to ensure human contact safety during a fire.
2. Typic Refuse Chute Design
Typically, a refuse chute consists of a cap, ventilation duct, intake door, chute duct, fire barrier, and container compartments. If necessary, sound and thermal insulation can also be added to the refuse chute system. A typical refuse chute design is shown in Figure 1.
Figure 1.
Typic refuse chute design.
Refuse chutes are used to quickly and effectively collect waste from various floors of residential or office units within a building. In this system, users can dispose of their waste without having to carry it outside, providing significant convenience in tall buildings. Additionally, as long as regular cleaning and maintenance are conducted to ensure a healthy environment, refuse chutes can prevent the buildup of foul odors and pests without the need to store waste outdoors [17]. However, there are several challenges and limitations that must be considered in the design and implementation of these systems. Given the health crises encountered today, it is crucial to focus on the potential of these systems to minimize infection risks. Incorporating innovative approaches that address such health concerns in refuse chute design can provide substantial contributions to sustainability and safety. Specifically, issues such as maintenance requirements, noise levels, fire safety, system durability, and longevity can directly impact the effectiveness and reliability of refuse chute systems. For instance, if regular maintenance is neglected, accumulated waste in the chutes can lead to unpleasant odors and hygiene issues. In the event of a fire in the garbage room, refuse chutes can act almost like a chimney, allowing smoke and flames to reach upper floors and posing a potential danger to the building occupants.
In refuse chutes, there is an upward airflow from the bottom, and it must be recognized that, if not properly managed, this airflow can lead to the spread of airborne diseases. The entry of pathogens into the body through respiration can cause respiratory, visual, neurological, and cardiovascular issues. Therefore, when designing refuse chutes, it is essential to plan not only for waste disposal, but also to ensure that the building occupants have access to sufficient outdoor air and that a healthy indoor environment is maintained. For this purpose, a sensor or PLC-controlled exhaust fan system should be incorporated into the system.
Globally, solid waste management has historically witnessed significant changes from manual waste collection systems to pneumatic waste collection systems in terms of storage and collection. Following this, technological advancements in automated waste sorting systems have made waste management more efficient, offering features that enhance user health and safety. The most recent developments range from the use of sensors and smart waste containers to the application of artificial intelligence, continuously advancing in scope [19]. Considering evolving health concerns and convenience, we emphasize that these technological advancements in waste processes should also be adapted to refuse chutes, which are the first step of waste management in buildings, and we call for action in this regard.
According to the literature review, there are also waste separation systems that utilize multiple separators to sort waste according to type [20]. These systems can be optionally implemented, allowing for separate waste collection at the source. In this system, buttons for different waste types are located on the intake door. The user selects the appropriate button for the waste they intend to dispose of, and the system directs the waste to its designated container using actuators. This approach facilitates cleaner recycling and contributes to the economy through waste recovery. An example of a multi-separator system design is shown in Figure 2 [20].
Figure 2.
Multi-sorter refuse chute design [20].
Multi-sorter refuse chute systems are defined based on waste type with configurations of one, two, three, and four separators. A single-separator waste collection system is the simplest configuration where all waste disposed of through the intake door is collected in a single container. The two-separator waste collection and sorting system is designed for the disposal of two different types of waste. Compared to the single-separator system, it is more efficient as it enables the separation of different waste types. In the three-separator waste sorting system, waste is sorted into three distinct types and collected in separate containers, providing greater efficiency. If a separate system is implemented for each waste type, it would increase the costs and make finding sufficient space more challenging. Therefore, the three-separator system is more advantageous than the previous configurations. The four-separator waste collection and sorting system is an extension of the three-separator system, with an additional waste type included, and is the model that contributes the most to the goal of achieving clean waste at the source.
When used with a multi-sorter refuse chute waste collection system, a compactor can typically be added to the system. With the help of this compactor, a designated waste type, such as paper, can be compressed to occupy less space and allow for easier transport. The intake door of an operational system is shown in Figure 3a [21], and the compactor is shown in Figure 3b [22].
Figure 3.
Multi-sorter refuse chute: (a) intake door [21], and (b) compactor [22].
3. Material and Method
Solid wastes are classified into seven categories based on their origin: municipal solid wastes, industrial wastes, hazardous wastes, special wastes, medical wastes, agricultural and garden wastes, and construction debris and rubble [23]. Municipal solid wastes, which are collected and transported by municipal services, can be recovered through separation at waste storage facilities, composted, or incinerated. Examples include kitchen waste, packaging waste, office waste, etc. [24].
In this study, a refuse chute system was designed where household solid wastes could be collected in a single container. The design aims to reduce the risk of infection from waste and ensure the maximum protection of the users. Based on waste volume data, the body diameter was calculated as Ø 500 mm, and according to the static calculations, the thickness of the system’s wall was determined as 1.5 mm. An AISI 304 grade stainless steel sheet was chosen for the body material to resist the corrosion and acidic characteristics created by household waste as AISI 304 material is known for its corrosion resistance [25]. For system control, a GMT GLC brand PLC was utilized.
3.1. Precautions Against Epidemic Diseases and New Design Suggestions
Refuse chutes may be perceived as a simple and uncomplicated part of a high-rise building. However, the occupants must adhere to strict safety regulations to ensure their well-being in the building. Additionally, refuse chutes should be updated according to the changing health conditions.
The design, cleaning, maintenance, and management of refuse chutes must be meticulously planned. For instance, in the event of a fire in the garbage room, it acts almost like a chimney, allowing smoke and flames to reach the upper floors, posing a potential danger to the building occupants. Furthermore, any broken, faulty, or left-open entry doors can have severe consequences for building security. Neglecting the regular cleaning of refuse chutes may potentially be responsible for an increase in the frequency of doctor visits [26]. In recent years, two fires occurred have in the United States, one in New York and the other in Chicago, resulting in seven fatalities. While refuse chutes are not elements that themselves cause fires, improper maintenance and dysfunctional doors were identified as factors contributing to the fires getting out of control [26].
3.1.1. Air Duct and Cap
Indoor air quality is a fundamental factor affecting human health and well-being [27]. Refuse chutes, with an open bottom, a ventilation pipe, and a cap at the top, structurally resemble an air duct/chimney. Consequently, refuse chutes have an upward air circulation from the bottom to the top. Improper use of the refuse chute, serving as a ventilation system with dust and pollutants, can lead to the transmission/spread of airborne diseases [28]. The entry of these pollutants into the body through respiration can result in respiratory, visual, neurological, and cardiovascular problems. The impact of pollutants in refuse chute usage is illustrated in Figure 4.
Figure 4.
Effect of pollutants on human health [28].
Providing sufficient outdoor air to building residents is of critical importance for maintaining a healthy indoor environment [29]. To mitigate the harmful effects of pollutants, a ventilation stack is placed at the top of the system. Additionally, exhaust fan systems are incorporated to expel unpleasant odors and harmful gases generated from waste. The exhaust fan is used to circulate air vertically [30]. Furthermore, the ventilation stack is terminated with a cap that prevents rainwater from entering. In all new constructions, there is a system that expels dirty air while simultaneously providing an equal amount of outdoor air intake. For instance, in the state of Minnesota, the largest and most populous state in the United States, balanced ventilation is mandatory for newly constructed multi-family buildings [31].
In systems like the one in this example, the installation of an exhaust fan should be mandatory for all new building waste disposal systems. Even if there is no continuous method for detecting pollutants in the system [32], the direct discharge of polluted air through ventilation, passing through the highest part of the building, the ridge, into the atmosphere, is of great importance. This aims to keep aerosols and pollutants outside the living space and prevent the spread of these pathogens.
The literature should incorporate studies that consider ASHRAE Standard 62:2, recommending ventilation rates ranging from 6 L/s to 50 L/s per person to prevent health issues during pandemics [33]. Taking the average value into account, the fresh air volume was calculated for the waste room workers in this article. Subsequently, an air flow rate of 900 m3/h was calculated for the expulsion of this air. This also provided the flow rate for the ventilation fan to be installed in the system. The flow rate Q, where the air velocity is v and the ventilation duct diameter is d, is given in Equation (1).
Here, v = 8 m/s (this speed value was taken as accepted to convey it quickly to the atmosphere), Q = 900 m3/h, and d = 0.199 m. Accordingly, the ventilation diameter was chosen as Ø 200 mm.
The exhaust fan automation system was integrated with automation to the user doors. When a user decides to throw waste into the trash chute, they need to press the button on the trash chute. With automation, the door will open after 5 s. During this time, when opened, the fan will operate to exhaust the poor-quality air inside. This prevents the user from being exposed to odor and infection. Additionally, energy savings are achieved since the fan does not run continuously [34]. The ventilation duct and exhaust fan are shown in Figure 5.
Figure 5.
Vent duct and exhaust fan.
3.1.2. Sanitation
Refuse chutes should be designed not only to facilitate the easy collection and separation of waste at its source, but also to protect the building and environmental health as much as possible. Refuse chutes can be a source of food waste, bacteria, and odors, so a washing and brushing system can be incorporated into the trash chute for this purpose.
However, considering the contagion of infectious diseases in today’s context, revisions should be made to the cleaning system. Evaluation of the risks posed by the novel coronavirus (COVID-19), acute respiratory syndrome (SARS), SARS-CoV, and other types of coronaviruses on stainless surfaces, taking into account factors proven to survive under certain conditions, is essential.
Casanova et al. [35] conducted studies to determine the effects of coronaviruses on the survival of infectious gastroenteritis virus (TGEV) and mouse hepatitis virus (MHV) on stainless steel. In their study, they found that as the temperature increased at specific relative humidity at 4, 20, 40 °C, these coronaviruses became less effective and could survive for a shorter period. Chowdhury et al. [36] expressed almost the same findings, stating that the survival times of viruses decrease as the temperature increases.
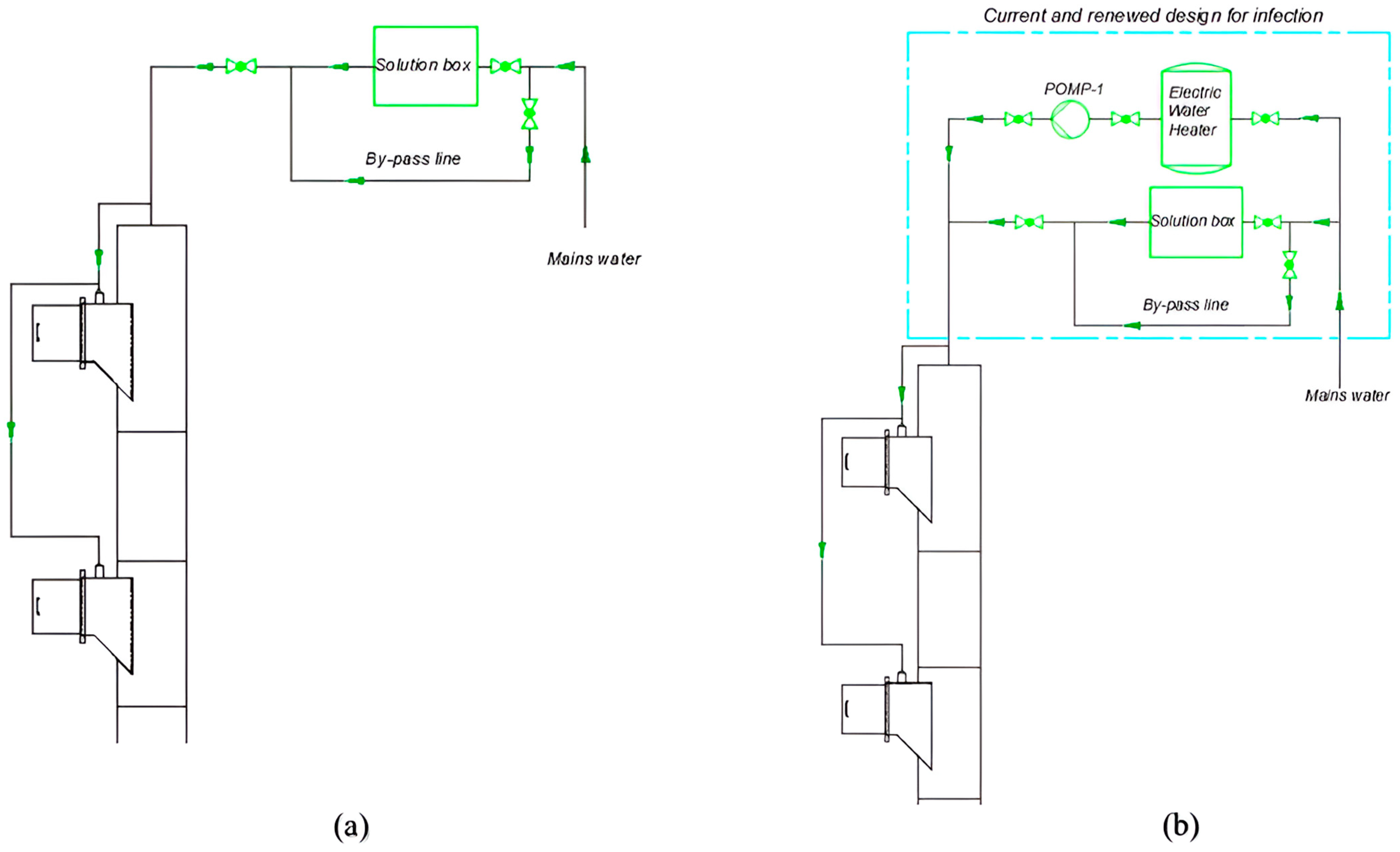
Considering all of these factors, the washing system added to the trash chute was redesigned. The washing system, placed at the top of the refuse chute, was connected to the building’s water line. The system was comprised of an electric boiler, pump, solution box, and a bypass line. The old version and the newly designed washing system is shown in Figure 6. When the refuse chute is disinfected, the waste will also be disinfected. Thus, there will be no obstacle to the source separation of recycling and its easy collection, becoming closer to the goals of the circular economy (CE) model [37].
Figure 6.
Refuse chute design. (a) Old version. (b) Current and renewed design for infection.
With the help of the electric boiler placed in the cleaning system, the water in the installation is ensured to be a minimum of 40 °C. When needed, the bypass line can be used to add a cleaner through the solution box, providing the opportunity to wash the system. If this new system is not utilized, the stainless-steel surface, which we assume gets cleaned, may remain uncleansed, and there will be a risk of re-infection for the building residents.
In order to prevent the spread of infection, various methods such as conventional spraying, UV-C disinfection, electrostatic disinfection, and fumigation have been highlighted. Although conventional spraying is more prone to loss in general use [38], it has been considered suitable for use due to the clear area of the throw cap and the clear definition of the target. With this idea, a feature that is not currently present in waste chute systems has been added. By connecting a disinfectant spray to the entry branch, the aim is to prevent the direct spread of infection to the user. When the user manually opens the intake door, the compressed helical spring will be released mechanically, and the disinfectant spray will be applied. This system is shown in Figure 7.
Figure 7.
Disinfectant spray system.
Additionally, with the help of the PLC unit, all intake doors are connected to an automatic interlock control system. Thus, when any intake door is in use, the other intake doors remain locked. During use, the other intake doors do not open, ensuring user safety.
The refuse chute was made secure with a renewed infection cleaning system and a intake door that applies disinfectant spray every time it is opened. Nevertheless, it should be remembered that the refuse chute duct will serve as natural ventilation when the fan is not working, or mechanical ventilation when the fan is working. It is known that ventilation systems, through CFD (computational fluid dynamics) and experimental studies, cause a high dispersion of pathogens in the air [39]. Therefore, even when the intake doors are closed, additional measures need to be taken. The designed refuse chute intake door was designed to be airtight with seals against water, infection, and smoke during fire. The entrance intake door designed for this system is shown in Figure 8.
Figure 8.
Intake door design.
3.2. Fire Protection
Regular maintenance of the refuse chute body, door, and equipment is essential to prevent the accumulation of oil and dirt. The combustible adhesive residues covering the interior of the refuse chute body and intake doors are known to ignite at low temperatures. It should be noted that a serious risk of fires in refuse chutes can arise when users throw partially extinguished cigarette butts into the chute. A high-quality and comprehensive refuse chute should be designed to minimize the risk of fire spreading from the chute room to the building. During the design phase, it is crucial to take the necessary measures for fire protection in refuse chute installation.
A well-designed refuse chute should include fire barriers that prevent the spread of fires. Additionally, it should be integrated into the building’s fire detection system for early warning and intervention. The fire barrier system should be provided with a fire door [38] that mechanically closes at the bottom of the system in the event of a fire. In the event of a fire in the garbage room, the fire door closes, blocking the path of the fire and preventing the transfer of heat and passage of smoke. In the designed system in this study, a fused-link fire door, which melts at 68 °C, was installed, as shown in Figure 9. This will be beneficial in reducing the risk of fire in the building and consequently enhancing the safety of the residents.
Figure 9.
Fire door design.
The waste chute design must comply with the tests specified in certain standards, which include fire and smoke-tightness tests such as BS 476 and BS 5588 [40] as well as the UL fire resistance test. UL stands for Underwriters Laboratories, a global safety certification process [41]. Products are tested for safety and performance during the manufacturing process. Chute doors labelled with UL indicate that they have been tested and approved for use in buildings.
The intake doors should be fire-resistant for a duration of 90 min during a fire, meeting the criteria specified by relevant standards, and they should be smoke-tight to prevent leakage in the chute. Gaskets used in the intake doors should prevent smoke leakage, swelling upon interaction with heat. This design aims to prevent the potential loss of life during a fire.
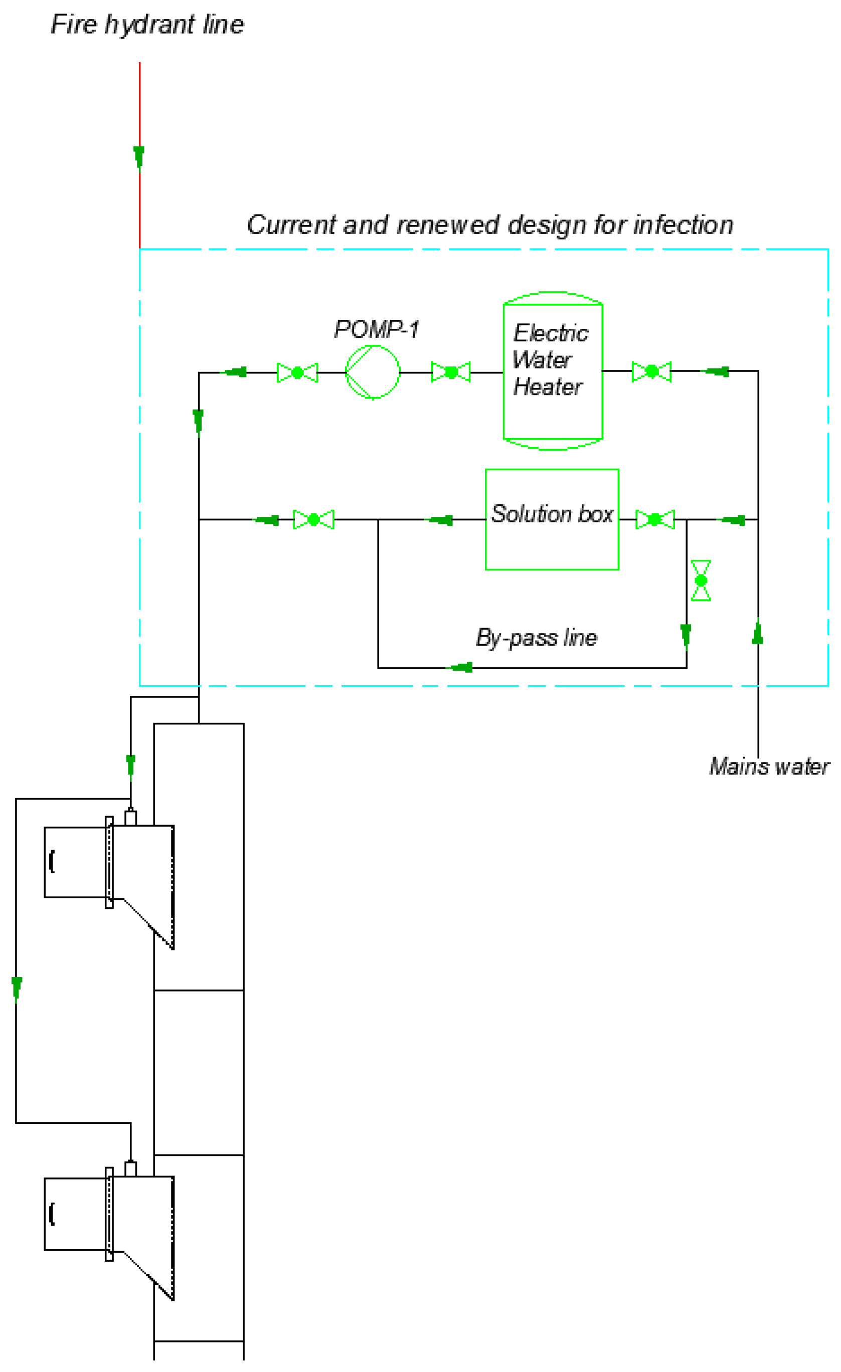
In addition to these measures, a system was designed to fill the refuse chute with water in the event of a fire on any floor, in the garbage room, or anywhere in the building. This system operates with a signal from the building’s fire system during a fire. The coordination of all of these installations is ensured by the PLC automatic control panel located in the garbage room, as shown in Figure 10.
Figure 10.
Fire hydrant line.
3.3. Preventing Human Contact During Fire
Direct contact with refuse chutes during a fire should be minimized. Direct contact refers to the interaction of people with the refuse chute during a fire, which typically occurs when firefighting teams intervene or when building residents use emergency exit routes for their safety. Making contact with refuse chutes during a fire can pose serious risks. Therefore, it is crucial to use designated safe exit routes and follow fire safety procedures during fire incidents. Additionally, the transmission of heat generated during a fire to the building and connected equipment must be prevented.
To mitigate potential contact and heat transfer, thermal insulation should be applied to the refuse chute duct and intake doors. An exemplary design is shown in Figure 11. In the design presented in this article, fire resistance is achieved by using rock wool insulation inside the intake door and outside the chute duct.
Figure 11.
Thermal insulation.
Additionally, to minimize the noise generated by the refuse chute, a sound-absorbing coating can be applied to the exterior of the chute. By employing the appropriate calculation method, thermal insulation applied to the outside of the chute can also provide sound protection. Sound-insulating pads should be used at each floor connection point to isolate the floor frames of the refuse chute from the ground.
3.4. Methodology
It is known that, depending on the location, the amount of household waste collected from buildings has increased by up to 30% including the extra waste generated during the pandemic [9,12]. Typically, weekly household waste quantities [20,42] are used to calculate the chute diameter; however, considering these increases and a safety margin, the diameter was set 1.5 times larger. To prevent potential accidents from user contact, the minimum insulation thickness was determined, and the adequacy of the mechanical and chemical properties of AISI 304 stainless steel for system continuity was assessed. Additionally, the load on the system and the volume and quantity of waste containers required for weekly maintenance were evaluated.
Based on these considerations, numerical calculation methods were applied in a sample refuse chute model to determine the static suitability of the chute body thickness, the static compliance of the chute support dimensions, chute diameter, chute thickness, fan airflow rate, ventilation duct diameter, minimum rock wool thickness for human contact safety, and the required number of backup containers. To optimize all of these numerical calculations, a code was developed using MATLAB software. Additionally, computational fluid dynamics (CFD) analysis was conducted using Ansys software to understand the airflow dynamics and clarify the flow parameters related to airborne infection transmission on residential floors in buildings equipped with refuse chutes.
In this study, the circular economy (CE) model was considered as an essential framework for designing refuse chute systems. The circular economy approach aims to manage waste separation and recycling at the source in an efficient and sustainable manner [13]. Within this framework, refuse chutes are generally designed to facilitate source-based waste collection and promote recycling. Additionally, the newly designed refuse chute system in this study ensures cleaner, safer, and healthier waste separation. The new refuse chute system also incorporates measures for fire safety and pandemic conditions, aiming to protect the health not only of users, but also of the workers handling the waste, thereby contributing to sustainable waste management.
In buildings without an effective refuse chute system, recyclable waste, such as packaging materials, is collected in a mixed manner and sent to waste disposal sites. This approach makes waste separation challenging and costly, and although such waste can go through various technological processes to obtain clean materials, high-quality recycled material is often difficult to achieve [20]. Therefore, the source separation method involves sorting waste at its origin—namely, our homes and workplaces—which is the most crucial step for recycling. The multi-sorter refuse chute systems promoted in this paper facilitate waste separation at the source as much as possible, enhancing efficiency and supporting environmental sustainability goals. Furthermore, updating cleaning systems to mitigate infection spread and installing ventilation systems to counter pathogen movement contribute to more sustainable and uninterrupted waste efficiency. Additionally, a list of all equipment used in the system was compiled as well as the total cost, if this refuse chute was to be installed in the UK, has been communicated to the readers.
Additionally, all the details above-mentioned are provided in Table 1 as a comparative analysis based on a literature review [12,13,14,15,16,17,18,19,20,21,22,26,42,43] to help the readers more easily understand the advantages and disadvantages of the current and renewed design compared to the old version.
Table 1.
Comparison between the current and renewed design and the old version.
4. Results and Discussion
In this article, a waste chute design for a three-story building was proposed. The design of the refuse chute is illustrated in Figure 12.
Figure 12.
Chute design for calculation.
To examine the criteria in the design of the refuse chute, studies on refuse chute diameter calculation, heat transfer, static calculations, container volume calculation, software analysis-optimization, computational fluid dynamics (CFD) analysis, and cost analysis were conducted. Each of these elements plays a significant role in ensuring the overall effectiveness and safety of the system. To evaluate the static calculations that determine the structural integrity of the system, the diameter of the refuse chute was first calculated to determine the weight of the system, followed by the calculation of the required minimum insulation thickness in the heat transfer analysis.
In their study, Pradhan and Varshney [44] demonstrated the long-term economic benefits of automatic waste collection systems in buildings such as reduced operational and maintenance costs, minimized spatial occupation due to scattered waste collection, and enhanced safety. They also highlighted advantages including a significant reduction in collection vehicle movement, decreased traffic congestion, reduced human effort, improved visual esthetics, hygiene, noise, and odor control. The optimized refuse chute system presented in this paper not only meets the outcomes outlined in the study by Pradhan and Varshney [45], but also provides additional advantages such as protecting human health during pandemic periods and preventing disease transmission through airflow when the intake doors are opened, safeguarding both the users and workers.
4.1. Refuse Chute Diameter Calculation
Refuse chutes are generally required to be produced in accordance with British Standards (BS1703:2005) [45], American Standards (NFPA 82) [46], or the relevant national building regulations of the country. Some limitations need to be known in calculating the refuse chute diameter. For example, BS5906:2005 [47], states that it is not mandatory for a user to transport their waste beyond a distance of 30 m, while BS1703:2005 mentions that it is desirable for more than six residences not to share a chute duct. In this article, a waste chute design for a three-story building that met the above conditions was developed. The weekly waste amounts per floor used as the reference in the calculations [20,42] are shown in Table 2.
Table 2.
Waste volume per week (Vw) [20,42].
In this design, simultaneous waste disposal from each floor was prevented with the PLC control unit. When one door is open, the other door will not open. However, to eliminate the possibility of clogging the refuse chute with waste from the previous disposal, the waste calculation was conducted for all floors. The total amount of waste collected weekly can be found by numerically multiplying the weekly waste volume [20,42], referenced in Table 2 by the number of floors in the building (f) and the safety factor (S). The daily waste amount Vd is calculated by dividing the total weekly waste amount by 7, which is the number of days in a week, and is given in Equation (2).
Here, Vw = 0.3 m2, f = 3, and S = 1.5, and it was found that Vd = 0.192 m2.
Equation (3) provides the circular area, denoted as CA, of the refuse chute, where D is the diameter of the refuse chute.
Here, with CA = 0.192 m2, the value of D was calculated as 0.494 m. For practical purposes, the refuse chute diameter D was approximated as 500 mm.
4.2. Heat Transfer Analysis
In case of a fire, it is necessary to limit the outer surface temperature of the refuse chute to a certain level. In this way, the impact of a fire in the refuse chute will be contained inside, without affecting the surrounding environment. In this design, the outer surface temperature was limited to 65 °C for potential human contact during a fire. To achieve this, insulation was applied around the refuse chute using rock wool with a service temperature of 650 °C, according to the data sheet documents.
To ensure that the inner surface temperature of the waste chute is 650 °C and the outer surface temperature is 65 °C during a fire, the required thickness of rock wool was calculated using Fourier’s law of heat conduction. The insulation is shown in Figure 13.
Figure 13.
Thermal insulation detail.
The calculation of the required insulation thickness is based on Fourier’s law of heat conduction, which states that the rate of heat transfer through a material is proportional to the negative slope of the temperature and the area over which the heat is transferred. Mathematically, Fourier’s law is basically obtained as shown in Equation (4).
Here, Q represents the heat transfer rate, k represents the thermal conductivity of the material, and represents the temperature gradient.
The heat conduction Equations (5)–(9), based on Equation (4), considering the thickness of the inner stainless-steel sheet as dsi, the thermal conductivity of the inner stainless-steel sheet as λi, the thickness of the rock wool as dr, the thermal conductivity of the rock wool as λr, the thickness of the outer stainless-steel sheet as dso, the thermal conductivity of the outer stainless-steel sheet as λo, and the surface temperatures as T4, T3, T2, and T1, are expressed as follows [48].
The thickness of the inner stainless steel sheet (dsi) was 1.5 mm, and the thermal conductivity of the inner stainless steel sheet (λi) was 17 W/m·K [49]. The thermal conductivity of the rock wool (λr) was 0.034 W/m·K [50]. The thickness of the outer stainless steel sheet (dso) was 0.5 mm, and the thermal conductivity of the outer stainless steel sheet (λo) was 17 W/m·K [49]. With surface temperatures T4 = 650 °C, T2 = 70 °C, and T1 = 65 °C, the thickness of the rock wool (dr) was determined as 79.27 mm ≡ 80 mm. Thus, a design with an insulation thickness of 80 mm was implemented for fire safety.
A study report conducted in Singapore [51] indicated that 39.8% of residential fires originated from refuse chutes. This significantly high rate highlights the importance of maintaining and cleaning refuse chutes. During a fire, it is essential to provide clear alerts to residents in the building. To fully extinguish the fire and prevent any new flare-ups, all floors must be checked repeatedly to ensure the flame is completely out. As seen, even when extinguished, the psychological impacts of the fire cannot be quickly mitigated. Therefore, preventive measures must be taken before a fire occurs rather than after it ignites. This study aims to address this by implementing fire hydrant lines as a precaution before a fire and after a fire breaks out by ensuring that it remains contained within the refuse chute. Additionally, the software developed for this study can calculate the minimum insulation required to prevent fire spread through intervals, enhancing fire safety in every location.
4.3. Statical Calculation
This section covers the strength calculations of the refuse chute system, and two basic stresses, shear and tensile stress, for the purpose of checking the safety and durability of the structure. These calculations are of critical importance to determine the resistance of the system’s load-bearing elements against external effects. The system’s calculations were carried out according to the refuse chute body, rock wool thickness, and external wall thickness to be used in the specified calculations. Again, the mechanical properties of AISI 304 stainless steel, which was used as the body material due to its resistance to corrosion and acidic properties caused by domestic waste [52], are given in Table 3 [53].
Table 3.
Material specifications [53].
4.3.1. Total Weight and Load Calculation
With a system diameter of Ø 500 mm, inner wall thickness of 1.5 mm, rock wool thickness of 80 mm, and an outer wall thickness of 0.5 mm, the total weight of the system was determined as m = 400 kg.
The total static load fg can be obtained by multiplying the weight m and the gravitational acceleration g, which was found based on Figure 12. The total static load fg is given in Equation (10).
Here, with m = 400 kg and g = 9.81 m/s2, fg was found to be 3.924 N.
(Note: The weight and impact force on the bottom elbow were neglected in this force calculation as a separate support system was designed for that part.)
4.3.2. Calculation of Shear and Tensile Stress
The shear stress σc (the support crush stress) is found numerically by dividing the force applied to the support surface of the system by the support area. The shear stress σc is given in Equation (11). The support plate is assumed to be rigid because it is fixed to the concrete floor of the building. In the following equations, fg is the static force, Asupport is the support plate area, D is the outer diameter of the refuse chute, and dsi is the thickness of the refuse chute.
where D = Ø 500 mm, dsi = 1.5 mm, and fg = 3.924 N, so the result is σc = 1.67 N/mm2.
The tensile stress σt is found numerically by dividing the force applied to the support surface of the system by the chute area and is given in Equation (11). In the following equations, fg is the static force, D is the outer diameter of the refuse chute, dsi is the thickness of the refuse chute, Achute is the area of the chute, and wt is the width-length.
where D = Ø 500 mm, Wt = 700 mm (square section), and fg = 3.924 N, so the result is σt = 0.133 N/mm2.
4.3.3. Safety Condition
The calculated shear (σc) and tensile stresses (σt) were compared with the determined allowable stress (σsaf). If the calculated stresses are less than or equal to the allowable stress, the design of the system is considered appropriate. If not, the design parameters should be checked again, and the system should be strengthened. Safety stress and safety conditions are presented in Equation (13).
where σy = 247 N/mm2 (Table 3 yield stress [53]) and SA = 2 (safety factor), so σsaf = 123.5 N/mm2 was obtained.
With σc = 1.67 N/mm2 and σt = 0.133 N/mm2 ≤ σsaf = 123.5 N/mm2, the safety condition was satisfied. Thus, applying a support size of 700 mm (wt) and a refuse chute thickness of 1.5 mm (dsi) was deemed suitable for this project.
4.4. Container Volume Calculation
For the collection and easy transport of waste thrown down the refuse chute, a container was placed. These containers can be ordered from the manufacturer’s catalog based on the desired dimensions and usage conditions. The criteria for ordering the containers for use in the design shown in Figure 14 were determined through the conducted design.
Figure 14.
Waste container.
4.4.1. Required Number of Containers
The container volume calculation for the design in this study was conducted to examine whether the dimensions were sufficient. The calculation of the container volume used in the design and the ratio of the weekly waste amount used to the container volume are given in Equation (14). This formula was obtained by multiplying the dimensions of the container since it is a rectangular prism.
With container dimensions of l = 0.7 m, w = 1 m, h = 1 m, the container volume Vc was found to be 0.7 m3.
The number of containers required for the uninterrupted operation of the system (n) was obtained by multiplying the weekly waste volume Vw (Table 2 [20,42]) by the number of floors f in the building and then dividing by the container volume Vc. The required number of containers is given in Equation (15).
Here, with Vw = 0.3 m3, f = 3, and Vc = 0.7 m3, n = 1.28 was found. Accordingly, two containers were designed for this system: one will be used as the main, and the other as a backup.
4.4.2. Force on the Container
When waste is placed in a garbage bag that can pass through the dimensions of the refuse chute intake door, the total weight of the waste is recorded as a maximum of 10 kg (mw) and the single waste volume (Vu) is 0.001 m3. In previous calculations, the volume of the container with dimensions l = 0.7 m, w = 1 m, h = 1 m, Vc, was found to be 0.7 m3 in Equation (14). The number of waste bags that the container can carry in terms of volume, (nc), can be found by dividing the container volume (Vc) by the waste volume (Vu), as in Equation (16).
Here, Vc = 0.7 m3, Vu = 0.001 m3, therefore an nc = 700 pc was found. Accordingly, we can place a total of 700 waste bags (nc) in the determined container.
The load on the container (fc) can be found by multiplying the maximum weight of a waste ag (mw), the acceleration of gravity (g), and the number of waste bags placed in the container (nc). The impact force of the first impacts of the elbow is absorbed by the receiver mouth, so the impact force of the elbow on the container can be neglected. The force on the container is shown in Equation (17).
Here, with n = 700 pc and mw = 10 kg, an fc = 7.000 N was found. The selection was made according to this criterion when ordering the container.
4.5. Software Analysis-Optimization and Cost Analysis
4.5.1. Software Analysis and Optimization
Optimization is the method of using mathematical algorithms to maximize or minimize certain parameters to achieve the best possible results in a given system. Optimization techniques are widely used in engineering problems. Examples include structural optimization [54], predicting the strength of iron tailings [55], the thermal interaction and cooling of electronic devices [56], drilling processes [57], automatic guide vehicle [58], and the meta-heuristic solution of engineering problems [59].
In this study, a code was written in a MATLAB program to optimize the design of the refuse chute. The goal here was to give designers a tool that they could use when creating new chute designs. During a pandemic, users can use the program to control their own chutes in emergency situations. The code can calculate and optimize parameters such as the refuse chute diameter, chute thickness, fan air flow rate, ventilation duct diameter, minimum rock wool thickness for human contact, and number of spare containers to be used, taking into account parameters such as the weekly waste volume, container volume, plate yield strength, loads to which the system is exposed to chute body temperatures during fire, and the vent duct flow velocity.
Here, the nonlinear constrained optimization method was applied using the fmincon function in the MATLAB program. This method enables the search for a solution under various constraints while minimizing a specific function. After running the code, the solution was found in 0.0015 s and 100 iterations. The MATLAB solution screen is shown in Figure 15.
Figure 15.
MATLAB result screen.
Here, according to the optimization results, the chute diameter was 496 mm, chute thickness was 1.5 mm, fan air flow rate was 900.0 m3/h, ventilation duct diameter was Ø 200.0 mm, the minimum rockwool thickness for human contact was 80.0 mm, and the number of spare containers to be used was 1.0 pc.
4.5.2. CFD Analysis
In this study, to verify the infection spread on the residential floors of buildings through refuse chutes as claimed, a computational fluid dynamics (CFD) analysis was conducted using the Ansys Workbench Fluid Flow (Fluent) module. Prior to conducting this analysis, the flow model depicted in Figure 16, which shows the directions of air inflow and outflow, was utilized. In this context, considering a flow rate of 900 m3/h, the air velocity was defined as 1.3 m/s at inlet-1, inlet-2, and inlet-3. The air temperature was set to 283 K at inlet-1 and to room temperature (297 K) at inlet-2 and inlet-3.
Figure 16.
Fluent model.
In the mesh configuration of this model, the “inflation option” was set to “total thickness”, with the maximum thickness value set at 8 mm. The mesh design consisted of a total of 28,999 finite elements and 6409 nodes. Additionally, the “Element Quality” command was used to assess the mesh quality, as illustrated in Figure 17.
Figure 17.
Element quality.
To solve the flow analysis, an initial iteration count of 200 was set, and convergence was observed, allowing the results to be reliably utilized. The iteration result graph is presented in Figure 18. Additionally, to visualize the flow velocity, both contour and streamline results were displayed in the analysis. The contour flow velocity result is shown in Figure 19a, and the streamline flow velocity result is depicted in Figure 19b. According to these results, as claimed in this paper, the infection-laden air from the trash room and the residential floors (floor-1 and floor-2) spread almost unimpeded to the upper floors (floor-3). This indicates that, without intervention, the infection risk could reach a dangerous level. Therefore, it is recommended to consider parameters such as the current and renewed design for infection proposed in this paper.
Figure 18.
Graph of the iteration result.
Figure 19.
Flow velocity analysis. (a) Contour. (b) Streamline.
4.5.3. Cost Analysis
The system consisted of a 0.50 mm thick AISI 304 stainless steel Ø 200 cap-vent duct, a Ø 200 900 m3/h ventilation fan, a 1.5 mm thick AISI 304 stainless steel Ø 500 chute duct, Ø 500 intake doors, Ø 500 support and clamps, a cleaning system with PLC control, door interlocks with PLC control, PLC control for the ventilation fan, and insulation. A GMT GLC brand PLC was selected to control the system. In the design, ladder diagrams were created using terms such as first floor, second floor, and third floor to enable automation with the PLC. The use of an automatic washing system controlled by the PLC ensured that the chute doors remained closed for safety while the washing system operated. Additionally, when one door was in use, the other doors remained closed for safety. The fan system was activated to operate without opening the doors to prevent airborne pathogens from affecting users on different floors. In the event of a fire, the entire system will close upon receiving a signal from the fire detection system.
The average cost of this design including manufacturing and assembly was calculated to be 47,000 USD or installation in the UK. The cost analysis was carried out for a completely rebuilt refuse chute system in a new building. Table 4 provides a comprehensive financial analysis of the study for the benefit of the readers. However, if the existing refuse chute system is used in buildings (if the chimney section is correct), it should be kept in mind that only the necessary updates will be added to it. For buildings with existing refuse systems, the net cost analysis can be conducted by examining the existing refuse chute system from the values in the table and deducting the existing ones and determining the net amount. Depending on the static and other volume calculations, the costs can be reduced by adjusting the thickness and diameter. Since the widespread adoption of this system is expected to add value, efforts should be made to make the price more affordable for every household.
Table 4.
Comprehensive financial analysis.
In this study, all examples and results were made by considering a 3-storey building example. However, all of these can be applied to buildings with different numbers of floors, and it should be kept in mind that the results will carry the same risk, especially in terms of infection spread. In this study, users will be able to easily design the system of a building with many more or fewer floors in seconds by using the code written in MATLAB for the novel refuse chute. Similarly, CDF analysis results can be easily obtained by adding or removing intake doors to the 3D model made in the Ansys software program.
In their study, Alqahtani et al. [60] discussed the challenges associated with refuse chutes in Saudi Arabia and noted that a significant initial capital investment would be required. They also reported that, in terms of infrastructure, implementing solutions like pneumatic chutes in public or even private properties in a developed city would require re-grouping, planning, and approvals before the actual work could commence. Regarding technological resources, they highlighted the need to train local resources for application and maintenance as well as the high cost of investing in technology. They stated that if the community did not fulfill its responsibilities in operating these systems, any system could fail, and necessary training should be provided. The optimized refuse chute system in this paper addresses the concerns raised by Alqahtani et al. [60]. While implementing new refuse chute systems requires investment, evaluating the compatibility of existing systems with the new design and transforming them through necessary upgrades provides a cost advantage. This innovative and flexible aspect of the study emphasizes the paper’s contribution to the field.
Okot et al. [61] conducted a study addressing concerns that waste scattered around and left in unsanitary conditions could lead to diseases. They developed an automatic garbage bin monitoring system that alerted authorities via a signal when the bins were full, thus preventing waste from being left out in the open. The system automatically detected the garbage level using an ultrasonic sensor/humidity sensor and sent notifications via SMS to an Android phone. The presence of an automatic detection system in waste facilities to prevent disease highlights the advantages of this study. However, the failure to separate waste at the source through a chute system, the deviation from a sustainable circular economy model, and the collection of mixed waste, which impedes higher-quality recycling and increases labor costs, can lead to unsanitary conditions—a disadvantage of the study. Additionally, the lack of measures to protect the health of both the users and workers during pandemics and disease conditions also stands out as a limitation. The presence of these improvements in the renewed refuse chute system presented in this paper indicates that it fills this gap in the existing literature.
5. Conclusions
The aim of the work presented in this article was to reduce the risk of infection from refuse chutes in residential buildings during pandemic periods. Protecting building residents indirectly contributes to environmental safety by securely preserving separated waste in the garbage room. Simultaneously, by considering fire safety, human contact, and operational efficiency, a new refuse chute system design was addressed, taking into account the increased usage during the pandemic. In this design, all of the equipment making up the refuse chute were reviewed to ensure the safe disposal of waste from living spaces. The design innovations provided in this study offer significant advantages both during pandemic periods and under normal conditions. Specifically, the improvements applied to refuse chutes play a critical role in reducing the infection risks for building residents. Stainless steel surfaces, which can be washed at high temperatures, and effective disinfection systems, enhance health safety by ensuring the removal of viruses. The CFD analysis clearly demonstrated the tendencies of infected air dispersion within the building, thus validating the effectiveness of the design. The MATLAB code provides designers and users with the ability to perform rapid and accurate calculations in emergency situations, ensuring the system’s adaptability to various emergency scenarios. These innovations contribute significantly to both the construction industry and public health by enhancing the safety and efficiency of modern refuse chute systems. Future mechanical field tests and additional research will further refine the functionality of this design and improve its adaptability to changing health conditions.
The engineering analysis of a refuse chute system designed for use in a 3-storey building was presented for calculations and modeling. In the design phase, considerations included the chute’s diameter, waste volume, heat transfer, carrying capacity, insulation, and control systems. The body diameter was calculated as Ø 500 mm based on the increased waste volume during the pandemic. Taking into account the garbage room volume, the ventilation duct diameter was determined to be Ø 200 mm, and the ventilation fan flow rate was calculated as 900 m3/h. Considering the increased usage during the pandemic, heat insulation with a minimum thickness of 80 mm was applied to the waste chute to prevent possible accidents during human contact. All of these calculations were optimized using the code written in MATLAB. As a result of running the code, the solution was reached in 0.0015 s and 100 iterations. The aim here is to provide designers with a tool that they can use when creating new chute designs. During the pandemic, users can use the program to control their own chutes in emergency situations. The code can calculate and optimize parameters such as the waste chute diameter, chute thickness, fan air flow rate, ventilation duct diameter, minimum rock wool thickness for human contact, and the number of spare containers to be used, taking into account parameters such as the weekly waste volume, container volume, plate yield strength, loads to which the system is exposed, chute body temperatures during fire, and ventilation duct flow rate.
The refuse chute body was constructed using AISI 304 stainless steel, known for its corrosion resistance to waste. The design, employing strength formulas based on the mechanical properties of this steel, was discussed for its suitability. Mathematical formulas considering the weight of waste and trash bags determined that two containers were needed for weekly maintenance. The specifications for the required containers have been shared.
The washing system used in the refuse chute was upgraded to prevent the spread of bacteria, odors, and infections during pandemic periods or other health issues. In this system, the stainless steel surface of the refuse chute body is washed at temperatures above 40 °C to clean viruses. Additionally, disinfectant spray is connected to the entry branches to prevent the direct spread of infection to the user.
All of the intake doors are connected with an automatic lock control system through the PLC unit, ensuring user safety by preventing other doors from opening during use. The refuse chute’s PLC system should be integrated into the building’s fire detection system for early warning and intervention. The fire door in the garbage room was designed to close in the event of a fire, melting at 68 °C, as a fused-link fire door. Additionally, all of the intake doors were designed to be fire-resistant for 90 min, meeting the criteria outlined in the relevant standards during a fire.
In addition, the system was designed to pump water into the refuse chute in the event of a fire on any floor, in the garbage room, or anywhere in the building. This system operates with a signal from the building’s fire system during a fire.
To verify the infection spread on the residential floors of buildings through trash chutes, as claimed in this paper, a computational fluid dynamics (CFD) analysis was conducted using the Ansys Workbench Fluid Flow (Fluent) module. Before performing this analysis, air velocities of 1.3 m/s were defined for inlet-1, inlet-2, and inlet-3, considering a flow rate of 900 m3/h, using a flow model that shows the directions of air inflow and outflow. The air temperature was set at 283 K for inlet-1 and at room temperature (297 K) for inlet-2 and inlet-3. In the mesh configuration of this model, the inflation option was set to total thickness, with a maximum thickness value of 8 mm. The mesh design consisted of a total of 28,999 finite elements and 6409 nodes. Additionally, the Element Quality command was used to assess the mesh quality. To solve the flow analysis, an initial iteration count of 200 was set, and convergence was observed, allowing the results to be utilized effectively. In the analysis, both contour and streamline results were displayed to visualize the flow velocity. According to the findings, as claimed in this paper, the infection-laden air from the trash room and the residential floors (floor-1 and floor-2) spread almost unimpeded to the upper floors (floor-3). This suggests that without intervention, the infection risk could reach a dangerous level. Therefore, we recommend considering parameters such as the current and renewed design for infection proposed in this paper.
The average installation cost for this design in the UK was calculated to be 47,000 USD. The further optimization of costs may be necessary for broader implementation. Designers and users will be equipped to easily perform a range of calculations, from the refuse chute diameter and thickness numerically determined in this article to the minimum insulation thickness required to ensure human contact safety during a fire. In this study, all examples and results were made by considering a 3-storey building as an example. However, all of these can be applied to buildings with different numbers of floors, and it should be kept in mind that the results will carry the same risk, especially in terms of infection spread. As a result of this study, users will be able to easily design the system of a building with many more or fewer floors in seconds by using the code written in MATLAB for the novel refuse chute. Similarly, results of the CDF analysis can be easily obtained by adding or removing intake doors to the 3D model made in the Ansys software program.
Considering the timeframe of our study, we acknowledge that these are short-term and general effects with an unspecified subject. However, studies indicating increased waste generation during the pandemic compared to normal conditions should not be overlooked. We aim to contribute these designs to the literature for emergency use in the case of encountering infection risks. We call for future research to add any additional modifications to this design based on changing global health conditions. Furthermore, mechanical field tests of the design will be conducted in the future in order to evaluate its functionality based on the accumulated data and modifications.
Author Contributions
K.T.: Conceptualization, Methodology, Software, Data curation, Writing—original draft. M.A.: Visualization, Methodology, Software, Investigation, Validation, Supervision, Writing—review and editing. All authors have read and agreed to the published version of the manuscript.
Funding
This research received no external funding.
Institutional Review Board Statement
Not applicable.
Informed Consent Statement
Not applicable.
Data Availability Statement
Data will be made available on request.
Conflicts of Interest
The authors declare no conflicts of interest.
References
- WHO. Constitution World Health Organization. 2024. Available online: https://www.who.int/about/governance/constitution (accessed on 9 April 2024).
- Das, A.K.; Islam, M.N.; Billah, M.M.; Sarker, A. COVID-19 and municipal solid waste (MSW) management: A review. Environ. Sci. Pollut. Res. 2021, 28, 28993–29008. [Google Scholar] [CrossRef]
- Ikiz, E.; Maclaren, V.W.; Alfred, E.; Sivanesan, S. Impact of COVID-19 on household waste flows, diversion and reuse: The case of multi-residential buildings in Toronto, Canada, Resources. Conserv. Recycl. 2021, 164, 105111. [Google Scholar] [CrossRef]
- ADEPT. COVID-19 Waste Survey Results, Week Commencing 18th May. 2020. Available online: https://www.adeptnet.org.uk/documents/covid-19-waste-survey-results-wc-18th-may (accessed on 9 April 2024).
- Feretzakis, G.; Harokopou, A.; Fafoula, O.; Balaska, A.; Koulountzou, A.; Katoikou, E.; Anastasiou, A.; Zagkavieros, G.; Dalainas, I.; Gkritzelas, G. The Impact of Psychological Health on Childhood Obesity: A Cross-Developmental Stage Analysis. Appl. Sci. 2024, 14, 3208. [Google Scholar] [CrossRef]
- Tao, Z.; Youcai, Z.; Nyankson, E.A. Chapter 17—Containerization collection and transfer of municipal solid waste for megacity. In Resource Recovery Technology for Municipal and Rural Solid Waste; Elsevier: Amsterdam, The Netherlands, 2023; pp. 279–292. [Google Scholar]
- Cheung, T.; Li, J.; Goh, J.; Sekhar, C.; Cheong, D.; Wai Tham, K. Evaluation of aerosol transmission risk during home quarantine under different operating scenarios: A pilot study. Build. Environ. 2022, 225, 109640. [Google Scholar] [CrossRef]
- ASHRAE, ANSI, Standard 55-2017; Thermal Environmental Conditions for Human Occupancy. American Society of Heating, Refrigerating, and Air-Conditioning Engineers: Atlanta, GA, USA, 2017.
- Jacques, E.d.A.; Júnior, A.N.; de Paris, S.; Francescatto, M.B.; Nunes, R.F.B. Smart City Actions Integrated into Urban Planning: Management of Urban Environments by Thematic Areas. Appl. Sci. 2024, 14, 3351. [Google Scholar] [CrossRef]
- Hurst, V.; Grossman, M.; Ingram, F.R.; Lowe, A.E. Hospital laundry and refuse chutes as source of staphylococcic cross-infection. J. Am. Med. Assoc. 1958, 167, 1223–1229. [Google Scholar] [CrossRef]
- Payne, J.; McKeown, P.; Jones, M.D. A circular economy approach to plastic waste. Polym. Degrad. Stab. 2019, 165, 170–181. [Google Scholar] [CrossRef]
- Tanrıver, K. Separation of Polymeric Materials with Recycling System. Master’s Thesis, İstanbul Gedik University, Istanbul, Turkey, 2018. [Google Scholar]
- Meyer, F.; Elliot, T.; Craig, S.; Goldstein, B.P. The carbon footprint of future engineered wood construction in Montreal. Environ. Res. Infrastruct. Sustain. 2024, 4, 015012. [Google Scholar] [CrossRef]
- Chan, E.H.W.; Lee, G.K.L. A review of refuse collection systems in high-rise housings in Hong Kong. Facilities 2006, 24, 376–390. [Google Scholar] [CrossRef]
- Chehab, K. Enhancing Solid Wastes Separation Behaviour at the Residential Towers, Using the Garbage Chute Systems; Second Cycle, A2E; SLU, Department of Molecular Sciences: Uppsala, Sweden, 2022. [Google Scholar]
- Yuen, B.; Jacobs, J.M. Down the Vertical Refuse Chutes in Singapore High-rise Living. J. Plan. Hist. 2023, 22, 216–240. [Google Scholar] [CrossRef]
- Soh, S.; Chua, C.H.; Neo, Z.W.; Kong, M.; Ong, B.L.; Aik, J. Rodent activity in municipal waste collection premises in Singapore: An analysis of risk factors using mixed-effects modelling. Sci. Rep. 2023, 13, 3070. [Google Scholar] [CrossRef] [PubMed]
- Pim-Wusu, M.; Gyamfi, T.A.; Arthur-Aidoo, B.M.; Nunoo, P.R. Assessment of Refuse Shute Practices in Medium-Rise Buildings Within the Greater Accra Region, Ghana. In Sustainable Education and Development—Sustainable Industrialization and Innovation; Aigbavboa, C., Mojekwu, J.N., Thwala, W.D., Atepor, L., Adinyira, E., Nani, G., Bamfo, E.-A., Eds.; ARCA 2022; Springer: Cham, Switzerland, 2023. [Google Scholar] [CrossRef]
- Chandrappa, R.; Das, D.B. Storage and Collection. In Solid Waste Management. Environmental Science and Engineering; Springer: Cham, Switzerland, 2024. [Google Scholar] [CrossRef]
- Tanriver, K.; Dilibal, S.; Sahin, H.; Kentli, A. A novel design on polymeric material recycling technology. Acta Scientiarum. Technol. 2021, 43, e56211. [Google Scholar] [CrossRef]
- Multicomponents. Available online: https://www.multicomponents.com.au (accessed on 8 October 2024).
- PSI Waste. Available online: https://www.psiwaste.com (accessed on 8 October 2024).
- Oden, M.K. Investigation of the Application of the Legislation on the Management of Biomedical and Medical Wastes. Black Sea J. Sci. 2021, 11, 86–103. [Google Scholar]
- Negi, S.; Pratap Singh, S.; Das, S. Exploring hostel kitchen waste as feedstock for bioethanol and biogas production in a biorefinery setup. Mater. Today Proc. 2023. [Google Scholar] [CrossRef]
- Nair, A.P.; Arafat, S.; Farhan; Vincent, S. Corrosion characteristics of zinc coated SS304 stainless steel. Mater. Today Proc. 2020, 28, 1210–1215. [Google Scholar]
- Chutedr. 2023. Available online: https://www.chutedr.com (accessed on 9 April 2024).
- Kumar, P.; Singh, A.B.; Arora, T.; Singh, S.; Singh, R. Critical review on emerging health effects associated with the indoor air quality and its sustainable management. Sci. Total Environ. 2023, 872, 162163. [Google Scholar] [CrossRef]
- Correia, G.; Rodrigues, L.; Gameiro da Silva, M.; Gonçalves, T. Airborne route and bad use of ventilation systems as non-negligible factors in SARS-CoV-2 transmission. Med. Hypotheses 2020, 141, 109781. [Google Scholar] [CrossRef] [PubMed]
- Du, X.; Li, J.; Tang, Z.; Hu, S. Research on Factors Influencing Indoor PM2.5 Concentration in Curling Venues Based on CFD Simulation. Appl. Sci. 2024, 14, 3446. [Google Scholar] [CrossRef]
- Wetter, M.; Benne, K.; Tummescheit, H.; Winther, C. Spawn: Coupling Modelica Buildings Library and Energy Plus to enable new energy system and control applications. J. Build. Perform. Simul. 2023, 17, 274–292. [Google Scholar] [CrossRef]
- Kaes, M.; Jajal, N.; Zakeri Shahvari, S.; Goebes, M.; Carter, J.; Simon, A.; Ritter, J.; Walker, I.; Clark, J. Dilution of airborne contaminants from through-wall exhausts located on the side of multi-family residential buildings. Build. Environ. 2022, 222, 109379. [Google Scholar] [CrossRef]
- Zou, Y.; Clark, J.D.; May, A.A. A systematic investigation on the effects of temperature and relative humidity on the performance of eight low-cost particle sensors and devices. J. Aerosol Sci. 2021, 152, 105715. [Google Scholar] [CrossRef]
- Alaidroos, A.; Mosly, I. Preventing mold growth and maintaining acceptable indoor air quality for educational buildings operating with high mechanical ventilation rates in hot and humid climates. Air Qual. Atmos. Health 2023, 16, 341–361. [Google Scholar] [CrossRef]
- Güven, Y.; Aktaş, M. Investigation of the Effects of Ventilation Performance on Energy Consumption in Subway Stations and Tunnels. Gazi Univ. J. Sci. Part C Des. Technol. 2023, 11, 776–793. [Google Scholar]
- Casanova, L.M.; Jeon, S.; Rutala, W.A.; Weber, D.J.; Sobsey, M.D. Effects of Air Temperature and Relative Humidity on Coronavirus Survival on Surfaces. Appl. Environ. Microbiol. 2010, 76, 2712–2717. [Google Scholar] [CrossRef] [PubMed]
- Chowdhury, S.; Alhawsawi, A.M.; Sobahi, N. COVID 19 virus elimination from food using microwave oven. J. Radiat. Res. Appl. Sci. 2022, 16, 100522. [Google Scholar] [CrossRef]
- Andersen, S.C.; Birkved, M. Reconsidering the assessment method of Environmental implications of Circular Economy in the Built Environment. IOP Conf. Ser. Earth Environ. Sci. 2022, 1078, 012007. [Google Scholar] [CrossRef]
- Chauhan, A.; Patel, M.K.; Chaudhary, S.; Nayak, M.K.; Saini, S.S.; Pullammanappallil, P.; Manivannan, N.; Geoffrey Mitchell, R.; Balachandran, W. Efficacy evaluation of an air-assisted electrostatic disinfection device for the effective disinfection and sanitization against the spread of pathogenic infections. J. Electrost. 2023, 123, 103807. [Google Scholar] [CrossRef]
- Motamedi, H.; Shirzadi, M.; Tominaga, Y.; Mirzaei, P.A. CFD modeling of airborne pathogen transmission of COVID-19 in confined spaces under different ventilation strategies. Sustain. Cities Soc. 2022, 76, 103397. [Google Scholar] [CrossRef]
- Charlson, J.; Dimka, N. Lessons from Grenfell Tower: The New Building Safety Regime, 1st ed.; Routledge: London, UK, 2023. [Google Scholar]
- Ruff, G.A.; Urban, D.L.; Dietrich, D.L.; Johnston, M.; Meyer, M.; Olson, S.L.; Ferkul, P.; Fortenberry, C.; Padilla, R.; Pedley, T.; et al. Chapter 17—Fire Safety, Safety Design for Space Systems, 2nd ed.; Butterworth-Heinemann: Oxford, UK, 2023; pp. 599–673. [Google Scholar]
- American Chute. Available online: http://americanchutesystems.com (accessed on 9 April 2024).
- Tanriver, K.; Ay, M.; Yalçınkaya, S. Employee Health and Occupational Safety in The Installation of Refuse Chute. In Proceedings of the 9th International Congress on Occupational Safety and Healt Istanbul, Istanbul, Turkey, 5 October 2023; pp. 252–254. [Google Scholar]
- Pradhan, B.; Varshney, C. An Automated Waste Collection System by using of Trash Chute for Hi-Rise Residential Buildings. Int. Res. J. Eng. Technol. (IRJET) 2019, 6, 3218–3222. [Google Scholar]
- BS1703: 2005. Refuse Chute and Hopper-Specification, UK. Available online: https://www.document-center.com/standards/show/BS-1703 (accessed on 18 October 2024).
- NFPA 82-2019. NFPA 82 Standard on Incinerators and Waste and Linen Handling Systems and Equipment, 2019 Edition. Available online: https://webstore.ansi.org/standards/nfpa/nfpa822019?srsltid=AfmBOorNkDcEBKCNvQMT1NNy59y6sTncgCurTcMN18zTF-1fehrMHb7q (accessed on 18 October 2024).
- BS 5906:2005, Waste Management in Buildings. Code of Practice. Available online: https://assets.ctfassets.net/xodraixfdnfd/2uwRVK76EpJ2pJT8ZipzQr/da9d23293dfd97f6b9fade92745871a4/Waste_management_in_buildings_Code_of_practice_BS_5906_2005.pdf (accessed on 18 October 2024).
- Liu, B.; Wang, Y.; Rabczuk, T.; Olofsson, T.; Lu, W. Multi-scale modeling in thermal conductivity of Polyurethane incorporated with Phase Change Materials using Physics-Informed Neural Networks. Renew. Energy 2024, 220, 119565. [Google Scholar] [CrossRef]
- Sukumaran, S.; Xavier, L.F.; Deepanraj, B.; Shivakumar, S.; Jangam, S. Experimental and finite element analysis of thermal stress on thermal spray coated AISI 304 stainless steel specimen using low-cost solid lubricant. Int. J. Interact. Des. Manuf. 2023, 18, 2781–2791. [Google Scholar] [CrossRef]
- Emil Gaarder, J.; Kastrup Friis, N.; Sølverud Larsen, I.; Time, B.; Møller, E.B.; Kvande, T. Optimization of thermal insulation thickness pertaining to embodied and operational GHG emissions in cold climates—Future and present cases. Build. Environ. 2023, 234, 110187. [Google Scholar] [CrossRef]
- Singapore Civil Defense Force. Refuse Chute Fires in Public Housing Estates (2014–2016); Fire Analysis Report; SCDF The Life Saving Force: Singapore, 2017; Volume 3, pp. 1–8. Available online: https://www.scdf.gov.sg/docs/default-source/scdf-library/far-issue-6.pdf?sfvrsn=284a8a4e_3 (accessed on 18 October 2024).
- Sahin, B.; Gov, I.; Kalak, M.; Koca, M.S.; Gov, K. Surface Treatment of AISI 304 Stainless Steel by GOV (Flow Peening) Process. Arab. J. Sci. Eng. 2024, 49, 1869–1895. [Google Scholar] [CrossRef]
- Lebbal, H.; Chaib, M.; Slimane, A.; Kaci, D.A.; Boualem, N. Experimental Investigation with Optimization of Spot-Welding Parameters on Stainless Steel AISI 304. JOM 2023, 75, 4993–5002. [Google Scholar] [CrossRef]
- Tanriver, K.; Ay, M. Investigation of flue gas temperature effects in natural gas-fueled systems: Experimental thermal performance and structural optimization. Int. J. Heat Fluid Flow 2024, 107, 109428. [Google Scholar] [CrossRef]
- Caetano, I.; Rios, S.; Milheiro-Oliveira, P. Response Surface Design Models to Predict the Strength of Iron Tailings Stabilized with an Alkali-Activated Cement. Appl. Sci. 2024, 14, 8116. [Google Scholar] [CrossRef]
- Feng, J.; Zhou, M.; Chen, C.; Wang, Q.; Cao, L. Thermal Interaction and Cooling of Electronic Device with Chiplet 2.5D Integration. Appl. Sci. 2024, 14, 8114. [Google Scholar] [CrossRef]
- Tanriver, K.; Ay, M. Efficient path planning for drilling processes: The hybrid approach of a genetic algorithm and ant colony optimization. Trans. FAMENA 2024, 48, 125–140. [Google Scholar] [CrossRef]
- Shao, Q.; Miao, J.; Liao Liu, T. Dynamic Scheduling Optimization of Automatic Guide Vehicle for Terminal Delivery under Uncertain Conditions. Appl. Sci. 2024, 14, 8101. [Google Scholar] [CrossRef]
- Tanriver, K.; Ay, M. Simulation of speed reducer design with the modified ant colony optimization algorithm. J. Eng. Sci. Res. 2024, 6, 53–64. [Google Scholar] [CrossRef]
- Alqahtani, F.K.; Alswailem, Y.K.; Alshabragi, A.M.; Sherif, M.A. Smart Planning of Waste Management System in Saudi Arabia; Challenges and Opportunities. IOP Conf. Ser. Earth Environ. Sci. 2022, 1026, 012035. [Google Scholar] [CrossRef]
- Okot, P.; Okello, G.; Kica, M.; Okello, O. Automated Garbage Bin Monitoring: An Embedded System Approach. Int. J. Embed. Syst. Emerg. Technol. 2024, 10, 27–44. [Google Scholar]
Disclaimer/Publisher’s Note: The statements, opinions and data contained in all publications are solely those of the individual author(s) and contributor(s) and not of MDPI and/or the editor(s). MDPI and/or the editor(s) disclaim responsibility for any injury to people or property resulting from any ideas, methods, instructions or products referred to in the content. |
© 2024 by the authors. Licensee MDPI, Basel, Switzerland. This article is an open access article distributed under the terms and conditions of the Creative Commons Attribution (CC BY) license (https://creativecommons.org/licenses/by/4.0/).


















