Design of Nanosecond Pulse Laser Diode Array Driver Circuit for LiDAR
Abstract
1. Introduction
2. Circuit Principle
2.1. Pulse LD Driving Circuit Model
2.2. Pulse Narrowing Circuit
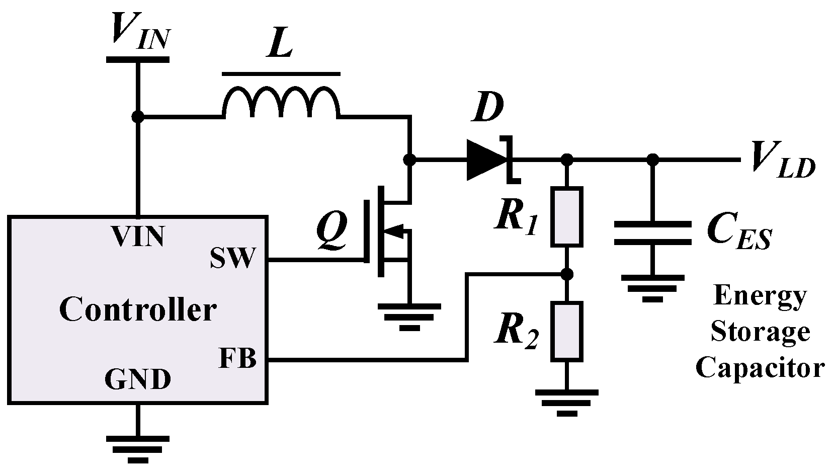
2.3. LD Power Supply
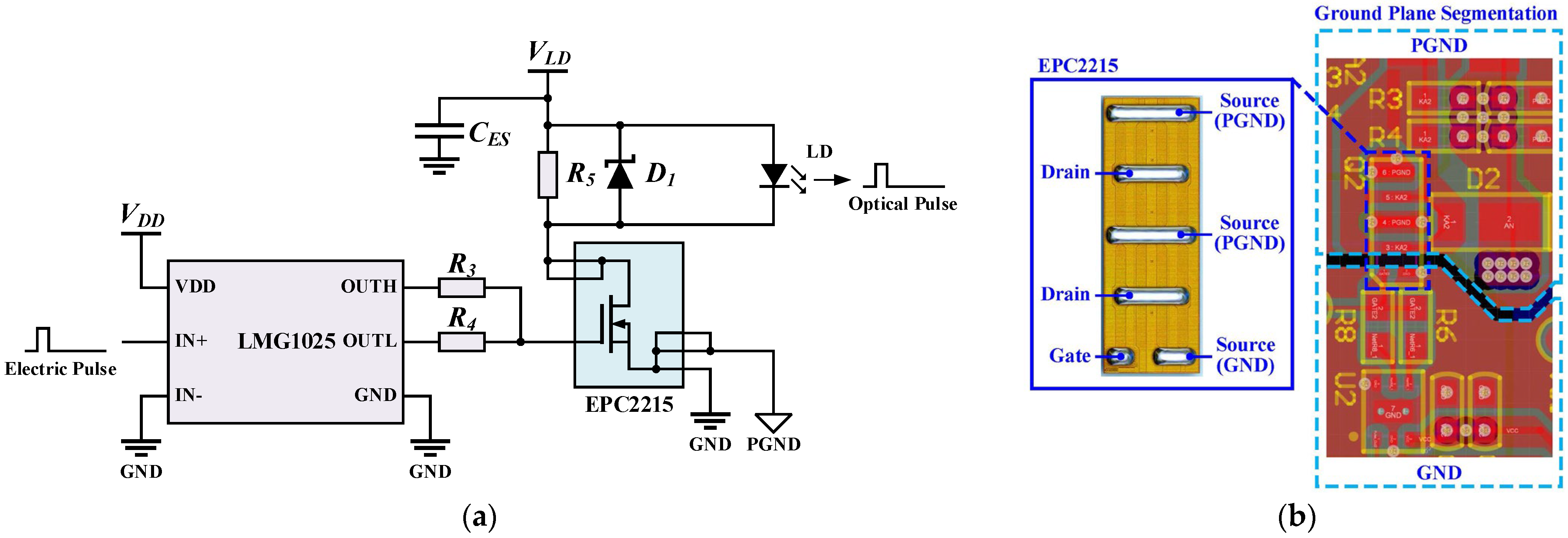
2.4. LD Pulse Drive
2.5. Scanning Control
3. Testing and Experimentation
4. Conclusions
Author Contributions
Funding
Institutional Review Board Statement
Informed Consent Statement
Data Availability Statement
Acknowledgments
Conflicts of Interest
References
- Shan, Y.; Yao, X.; Lin, H.; Zou, X.; Huang, K. Lidar-Based Stable Navigable Region Detection for Unmanned Surface Vehicles. IEEE Trans. Instrum. Meas. 2021, 70, 8501613. [Google Scholar] [CrossRef]
- Molebny, V.; McManamon, P.; Steinvall, O.; Kobayashi, T.; Chen, W. Laser radar: Historical prospective—From the East to the West. Opt. Eng. 2016, 56, 031220. [Google Scholar] [CrossRef]
- Liu, J.; Sun, Q.; Fan, Z.; Jia, Y. TOF Lidar Development in Autonomous Vehicle. In Proceedings of the 2018 IEEE 3rd Optoelectronics Global Conference (OGC), Shenzhen, China, 4–7 September 2018; pp. 185–190. [Google Scholar]
- Raj, T.; Hanim Hashim, F.; Baseri Huddin, A.; Ibrahim, M.F.; Hussain, A. A Survey on LiDAR Scanning Mechanisms. Electronics 2020, 9, 741. [Google Scholar] [CrossRef]
- Zediker, M.S.; Zucker, E.P. High-Power Diode Laser Technology XX: A Retrospective on 20 Years of Progress, High-Power Diode Laser Technology XX; Electr Network; SPIE: San Francisco, CA, USA, 2022. [Google Scholar]
- Walker, R.; Thiagarajan, P.; Ruben, E.; Maillard, J.-M.; Caliva, B.; Goings, J.; West, L. Ultra-Short Pulse NIR and SWIR Laser Diode Illuminators for Automotive Lidar, High-Power Diode Laser Technology; SPIE: San Francisco, CA, USA, 2019. [Google Scholar]
- Vasanth, S.; Muthuramalingam, T.; Prakash, S.S.; Raghav, S.S. Investigation of SOD control on leather carbonization in diode laser cutting. Mater. Manuf. Process. 2023, 38, 544–553. [Google Scholar]
- Sciamanna, M.; Shore, K.A. Physics and applications of laser diode chaos. Nat. Photonics 2015, 9, 151–162. [Google Scholar] [CrossRef]
- Min, H.; Li, W.; Jiang, X. A Laser Diode Driving Board with Precise Temperature Control Circuit for MDI-QKD Experiment, International Conference on Optoelectronic Science and Materials (ICOSM): Optoelectronic Science and Materials; SPIE: Hefei, China, 2020. [Google Scholar]
- Liu, Y.; Zhao, S.; Yang, S.; Li, Y.; Qiang, R. Reliability of laser diodes for laser satellite communication in space radiation environment. Optik 2015, 126, 2588–2590. [Google Scholar] [CrossRef]
- Schiemangk, M.; Wicht, A.; Trankle, G. Ultra-Narrow Linewidth Diode Laser Based on Resonant Optical Feedback, Conference on Free-Space Laser Communications XXXI; SPIE: San Francisco, CA, USA, 2019. [Google Scholar]
- Holmström, S.T.; Baran, U.; Urey, H. MEMS Laser Scanners: A Review. J. Microelectromech. Syst. 2014, 23, 259–275. [Google Scholar] [CrossRef]
- Ohashi, T.; Ishino, M.; Yamamoto, K.; Fuji, H.; Fujioka, K. Simultaneous acquisition of color and distance information by LiDAR with RGB visible laser diodes. Opt. Rev. 2021, 28, 516–523. [Google Scholar] [CrossRef]
- Cai, Y.; Gao, Y.; Yin, K.; Fu, Q.; Fan, K. Accuracy Improvement of a Laser Diode-Based System for Measuring the Geometric Errors of Machine Tools. Appl. Sci.-Basel 2022, 12, 3479. [Google Scholar] [CrossRef]
- Yoshioka, K. A Tutorial and Review of Automobile Direct ToF LiDAR SoCs: Evolution of Next-Generation LiDARs. IEICE Trans. Electron. 2022, 105, 534–543. [Google Scholar] [CrossRef]
- Incoronato, A.; Locatelli, M.; Zappa, F. Statistical Modelling of SPADs for Time-of-Flight LiDAR. Sensors 2021, 21, 4481. [Google Scholar] [CrossRef]
- Li, D.; Liu, M.; Ma, R.; Zhu, Z. An 8-ch LIDAR Receiver Based on TDC With Multi-Interval Detection and Real-Time In Situ Calibration. IEEE Trans. Instrum. Meas. 2020, 69, 5081–5090. [Google Scholar] [CrossRef]
- Franz, D.; Häfner, T.; Kunz, T.; Roth, G.-L.; Rung, S.; Esen, C.; Hellmann, R. Ultrashort Pulsed Laser Drilling of Printed Circuit Board Materials. Materials 2022, 15, 3932. [Google Scholar] [CrossRef]
- Gao, X.-Y.; Qian, R.-H.; Zhang, Y.-M.; Li, H.; Guo, H.-C.; He, S.-J.; Guo, X.-K. Improved Pulse Laser Ranging Algorithm Based on High Speed Sampling, Advanced Laser Manufacturing Technology; SPIE: Beijing, China, 2016. [Google Scholar]
- Zhuang, C.-W.; Ming, X.; Ye, Z.-K.; Qin, Y.; Lin, Z.-Y.; Li, W.; Yan, H.; Zhang, B. Monolithic FET-Controlled GaN Driver with Pre-Boosting and Robust Dead Time Control for DToF LiDAR Application. In Proceedings of the 2023 35th International Symposium on Power Semiconductor Devices and ICs (ISPSD), Hong Kong, China, 28 May–1 June 2023; pp. 80–83. [Google Scholar]
- Wu, F.; Yao, C.; Chen, Y.; Yu, L.; Dong, S.; Wang, H. All-Solid-State Ultrashort Pulse Generator by Capacitive Chopping Circuit. IEEE Trans. Power Electron. 2023, 38, 9897–9906. [Google Scholar] [CrossRef]
- Yuan, Z.; Yuan, Z.; Li, R.; Gong, C.; Xu, H. Classification and Analysis of Nanosecond Pulsed Laser Driver with Circuit Theory. In Proceedings of the 2024 IEEE 10th International Power Electronics and Motion Control Conference (IPEMC2024-ECCE Asia), Chengdu, China, 17–20 May 2024; pp. 2172–2177. [Google Scholar]
- Glaser, J. High Power Nanosecond Pulse Laser Driver Using an GaN FET. PCIM Europe 2018. In Proceedings of the International Exhibition and Conference for Power Electronics, Intelligent Motion, Renewable Energy and Energy Management, Nuremberg, Germany, 5 July 2018. [Google Scholar]
- Zhang, H.B.; Wang, X.Y.; Cui, L.; Li, X.H.; Yang, H.W. Narrow Pulse Driving Technology for Automotive Lidar Light Source Applications. Electron. Test. 2020, 9, 8–11. (In Chinese) [Google Scholar]
- Xia, T.; Chen, X.; Wu, Y.; Wang, Y.; Li, Y.; Wang, L.; Song, L.; Yu, H.; Xu, J.; Sun, M.; et al. An 8-A Sub-1ns Pulsed VCSEL Driver IC With Built-In Pulse Monitor and Automatic Peak Current Control for Direct Time-of-Flight Applications. IEEE Trans. Circuits Syst. II Express Briefs 2022, 69, 4193–4197. [Google Scholar] [CrossRef]
- Qin, Y.; Ming, X.; Lin, Z.; Zhuang, C. A High-Speed Dual-NMOSFETs Output Stage Buffer with Charge-Transferring Bootstrap Circuit for GaN-Based DToF LiDAR Application. In Proceedings of the 2024 36th International Symposium on Power Semiconductor Devices and ICs (ISPSD), Bremen, Germany, 2–6 June 2024; pp. 470–473. [Google Scholar]
- Yang, G.; Harding, D.J.; Chen, J.R.; Stephen, M.A.; Sun, X.; Li, H.; Lu, W.; Durachka, D.R.; Kahric, Z.; Numata, K.; et al. Adaptive Wavelength Scanning Lidar (AWSL) for 3D Mapping from Space. In Proceedings of the IEEE International Geoscience and Remote Sensing Symposium (IGARSS), Kuala Lumpur, Malaysia, 17 July 2022. [Google Scholar]
- Lum, D.J. Ultrafast time-of-flight 3D LiDAR. Nat. Photonics 2020, 14, 2–4. [Google Scholar] [CrossRef]
- Baba, T. FMCW LiDAR Incorporating Slow-Light Grating Beam Scanners. In Proceedings of the European Conference on Optical Communication (ECOC), Electr Network, Basel, Switzerland, 18–22 September 2022. [Google Scholar]
- Li, Y.; Chen, B.; Na, Q.; Xie, Q.; Tao, M.; Zhang, L.; Zhi, Z.; Li, Y.; Liu, X.; Luo, X.; et al. Wide-steering-angle high-resolution optical phased array. Photonics Res. 2021, 9, 2511–2518. [Google Scholar] [CrossRef]
- Yue, Y.; Chen, D.; Li, X.; Chen, L. Research on a New Type Deign Method of Laser Diode Current Source. In Proceedings of the 3rd International Symposium on Intelligent Information Technology Application, Nanchang, China, 21 November 2009. [Google Scholar]
- Ran, Y.; Huang, X.; Xu, X. Design of drive circuit of laser diode. In Proceedings of the Advanced Laser Manufacturing Technology, Beijing, China, 9 May 2016. [Google Scholar]
- Sharma, A.; Panwar, C.B.; Arya, R. High Power Pulsed Current Laser Diode Driver. In Proceedings of the IEEE International Conference on Electrical Power and Energy Systems (ICEPES), Bhopal, India, 14 December 2016. [Google Scholar]
- Glaser, J. How GaN Power Transistors Drive High-Performance Lidar: Generating ultrafast pulsed power with GaN FETs. IEEE Power Electron. Mag. 2017, 4, 25–35. [Google Scholar] [CrossRef]
- Liu, J.; Shan, B.; Zhang, Z. High voltage fast ramp pulse generation using avalanche transistor. Rev. Entific Instrum. 1998, 69, 3066–3067. [Google Scholar]
- Tao, M.; Guan, J.; Peng, T.; Li, S.; Yu, S.; Song, J.; Song, Z.; Gao, L.; Gao, F. Simultaneous Realization of Laser Ranging and Communication Based on Dual-Pulse Interval Modulation. IEEE Trans. Instrum. Meas. 2021, 70, 2004610. [Google Scholar] [CrossRef]
- Xu, Z.; Wang, J.; Liu, J.; Jin, C.; Cai, Y.; Yang, Z.; Wang, M.; Yu, M.; Xie, B.; Wu, W.; et al. Demonstration of Normally-Off Recess-Gated AlGaN/GaN MOSFET Using GaN Cap Layer as Recess Mask. IEEE Electron. Device Lett. 2014, 35, 1197–1199. [Google Scholar]














| Channel Number | 1 | 2 | 3 | 4 | 5 | 6 | 7 | 8 |
|---|---|---|---|---|---|---|---|---|
| Gate driver pulse width (ns) | 3.386 | 3.313 | 3.266 | 3.381 | 3.946 | 3.833 | 3.849 | 3.883 |
| Gate driver pulse width jitter standard deviation (ps) | 48 | 46 | 53 | 102 | 79 | 71 | 83 | 79 |
| MOSFET leakage pulse width (ns) | 4.153 | 3.396 | 4.229 | 4.197 | 4.722 | 4.583 | 4.299 | 4.351 |
| MOSFET drain oscillation decay time (ns) | 107.326 | 100.752 | 105.257 | 107.403 | 101.503 | 106.008 | 108.904 | 108.046 |
| MOSFET drain conduction voltage drop (V) | −2.516 | −1.160 | −0.950 | −0.350 | −0.950 | −0.150 | −1.350 | −1.390 |
| MOSFET drain noise voltage (V) | 0.581 | 0.653 | 0.896 | 0.684 | 0.928 | 0.788 | 0.527 | 0.797 |
| MOSFET drain SNR | 35.312 | 29.342 | 21.150 | 26.827 | 20.420 | 23.033 | 36.717 | 24.329 |
| Channel Number | 1 | 2 | 3 | 4 | 5 | 6 | 7 | 8 |
|---|---|---|---|---|---|---|---|---|
| Spot diameter (mm) | 8.59 | 8.37 | 7.39 | 7.85 | 7.72 | 7.73 | 7.69 | 7.57 |
| Spot diameter/average diameter | 1.092 | 1.064 | 0.940 | 0.998 | 0.982 | 0.983 | 0.978 | 0.963 |
| Average optical power (mW) | 42.9 | 36.3 | 41.5 | 43.6 | 45.9 | 42.8 | 43.5 | 42.0 |
| Peak optical power (W) | 82.6 | 85.5 | 78.5 | 83.1 | 77.8 | 74.7 | 80.9 | 77.2 |
Disclaimer/Publisher’s Note: The statements, opinions and data contained in all publications are solely those of the individual author(s) and contributor(s) and not of MDPI and/or the editor(s). MDPI and/or the editor(s) disclaim responsibility for any injury to people or property resulting from any ideas, methods, instructions or products referred to in the content. |
© 2024 by the authors. Licensee MDPI, Basel, Switzerland. This article is an open access article distributed under the terms and conditions of the Creative Commons Attribution (CC BY) license (https://creativecommons.org/licenses/by/4.0/).
Share and Cite
Li, C.; Tao, M.; Du, H.; Wang, Z.; Song, J. Design of Nanosecond Pulse Laser Diode Array Driver Circuit for LiDAR. Appl. Sci. 2024, 14, 9557. https://doi.org/10.3390/app14209557
Li C, Tao M, Du H, Wang Z, Song J. Design of Nanosecond Pulse Laser Diode Array Driver Circuit for LiDAR. Applied Sciences. 2024; 14(20):9557. https://doi.org/10.3390/app14209557
Chicago/Turabian StyleLi, Chengming, Min Tao, Haolun Du, Ziming Wang, and Junfeng Song. 2024. "Design of Nanosecond Pulse Laser Diode Array Driver Circuit for LiDAR" Applied Sciences 14, no. 20: 9557. https://doi.org/10.3390/app14209557
APA StyleLi, C., Tao, M., Du, H., Wang, Z., & Song, J. (2024). Design of Nanosecond Pulse Laser Diode Array Driver Circuit for LiDAR. Applied Sciences, 14(20), 9557. https://doi.org/10.3390/app14209557

