Damage Analysis of Rolling Stock Automatic Coupler under Cyclic Loads
Abstract
1. Introduction
- Section 2 describes the methodology for static and low-cycle fatigue experiments and presents the results of these investigations;
- Section 3 examines the methodology for the summation of the damage accumulated in the automatic coupler. The low-cycle fatigue and quasi-static damage caused by a single loading cycle are determined in view of the loading level.
- The results obtained and conclusions presented are discussed in Section 4.
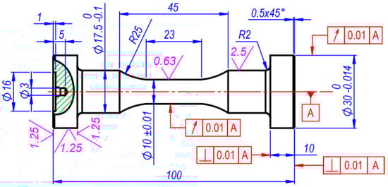
2. Materials and Methods
Static and Low-Cycle Results for the Automatic Coupler Steel
3. Results
3.1. Finite Element Modeling of an Automatic Coupler and Estimation of Stress and Strain
3.2. Damage Summation under Stationary Load
4. Discussion and Conclusions
Author Contributions
Funding
Institutional Review Board Statement
Informed Consent Statement
Data Availability Statement
Conflicts of Interest
Nomenclature
| Latin symbols | |
| low-cycle fatigue curves constants describing the first and second half–cycles, respectively [24,25]; | |
| low-cycle fatigue curves constants describing strain-controlled loading [24,25]; | |
| total damage; | |
| fatigue damage due to elastic strain; | |
| fatigue damage due to plastic strain; | |
| cumulated low-cycle quasi-static damage; | |
| cumulated low-cycle fatigue damage; | |
| modulus of elasticity (MPa); | |
| strain (%); | |
| strain intensity (%); | |
| strain intensity of initial loading (%); | |
| initial loading strain normalized to proportional limit strain: (%); | |
| amplitude of the strain (%); | |
| proportional limit strain (%); | |
| accumulated unilateral plastic strain (%); | |
| accumulated unilateral plastic strain over half–cycles of loading (%); | |
| accumulated unilateral plastic strain at half–cycles of loading (%); | |
| continuous strain under static loading (%); | |
| samples number in the rank order; | |
| , , | number of loading half–cycles; |
| number of loading half–cycles to crack initiation; | |
| strain scale (mm/mm); | |
| stress scale (MPa/mm); | |
| number of of measurements; | |
| number of load cycles determined using the Goodman diagram [15] | |
| number of high-cycle fatigue load cycles; | |
| degree indicator equal to 1; | |
| coefficient of asymmetry; | |
| statistical distribution standard deviation; | |
| cyclic stress for the half–cycle of loading (MPa); | |
| cyclic proportional limit stress calculated from the beginning of the unloading (MPa); | |
| , | cyclic stress normalized respectively to proportional limit stress: , (MPa); |
| traction force, (N); | |
| coefficient of variation; | |
| statistical mean; | |
| independent variables; | |
| Greek symbols | |
| low-cycle fatigue curves constants describing the materials softening or hardening [22,23,24]; | |
| constants of degree equations of low-cycle fatigue curves by the number of cycles (half–cycles) before crack initiations [22]; | |
| elasto–plastic deformation hysteresis loop width; | |
| elasto–plastic cyclic strain intensity (%); | |
| cyclic strain for the half–cycle of loading (%); | |
| cyclic proportional limit strain calculated from the beginning of the unloading (%); | |
| , , | cyclic strain normalized respectively to proportional limit stress: , , (%); |
| monotonous, maximum and minimum stress, respectively (MPa); | |
| initial loading stress intensity (MPa); | |
| stress intensity (MPa); | |
| proportional limit stress (MPa); | |
| yield stress (MPa); | |
| ultimate stress (MPa); | |
| normalized to proportional limit stress: , (MPa); | |
| reduction of area (%); | |
| continuous reduction of area (%). | |
Appendix A

References
- Rilo Cañás, A.M.; Rozynek, T.; Sawczuk, W. Test train with digital automatic couplers DAC in Poland. Rail Veh./Pojazdy Szyn. 2022, 3, 54. [Google Scholar] [CrossRef]
- Belyaev, V. Evaluation of prevailing longitudinal forces in the couplings of electric trains. Int. J. Railw. Res. 2023, 10, 1–8. [Google Scholar]
- Makhutov, N.A. Volume 1: Structural Durability, Resource and Tech; Safety; Nauka: Novosibirsk, Russia, 2005. (In Russian) [Google Scholar]
- Makhutov, N.A. Volume 2: Structural Durability, Resource and Tech; Safety; Nauka: Novosibirsk, Russia, 2005. (In Russian) [Google Scholar]
- Makhutov, N.A.; Panov, A.N.; Yudina, O.N. The development of models of risk assessment complex transport systems. In IOP Conference Series: Materials Science and Engineering, Proceedings of the V International Scientific Conference, Survivability and Structural MaterialScience (SSMS2020), Moscow, Russia, 27–29 October2020; Institute of Physics Publishing (IOP): Moscow, Russia, 2021; Volume 1023, Available online: https://scholar.google.lt/scholar?hl=lt&as_sdt=0%2C5&q=The+development+of+models+of+risk+assessment+complex+transport+systems&btnG (accessed on 25 March 2022).
- Serensen, S.V.; Shneiderovich, R.M. Deformations and rupture criteria under low-cycles fatigue. Exp. Mech. 1966, 6, 587–592. [Google Scholar] [CrossRef]
- Serensen, S.V.; Kogayev, V.P.; Shneiderovich, R.M. Load Carrying Ability and Strength Evaluation of Machine Components, 3rd ed.; Mashinostroeniya: Moscow, Russia, 1975; pp. 255–311. (In Russian) [Google Scholar]
- Giannella, V.; Sepe, R.; Borrelli, A.; De Michele, G.; Armentani, E. Numerical investigation on the fracture failure of a railway axle. Eng. Fail. Anal. 2021, 129, 105680. [Google Scholar] [CrossRef]
- Mohammadi, M.; Rahmatfam, A.; Zehsaz, M.; Hassanifard, S. Failure analysis study of railway draw-hook coupler. J. Cent. S. Univ. 2019, 26, 916–924. [Google Scholar] [CrossRef]
- Kınacı, B.F.; Botsalı, H.; Özarpa, C.; Esen, I.; Ahlatçı, H. Investigation of fatigue life of draw hook equipment used in freight wagon: Miscellaneous result. Eng. Fail. Anal. 2024, 155, 107757. [Google Scholar] [CrossRef]
- Nikolsky, L.N.; Petrunina, I.S.; Petrunin, V.S. Statistical method of calculation of auto coupler durability taking into account low-cycle fatigue (Cтaтиcтичecкий мeтoд дoлгoвeчнocти aвтocцeпки c учeтoм мaлoциклoвoй уcтaлocти). Mashinovedenie 1975, 1, 75–80. (In Russian) [Google Scholar]
- Stepnov, M.N.; Giacintov, E.V. Fatigue of Light Structural Alloys; Mashinostroeniya: Moscow, Russia, 1973; pp. 8–22. (In Russian) [Google Scholar]
- Kostenko, N.A.; Nikolskiy, L.N. About calculation of reliability of couplers (O pacчeтe нaдeжнocти aвтocцeпoк). Mashinovedenie 1968, 3, 84–91. (In Russian) [Google Scholar]
- Infante, V.; Branco, C.M.; Brito, A.S.; Morgado, T.L. A failure analysis study of cast steel railway couplings used for coal transportation. Eng. Fail. Anal. 2003, 10, 475–489. [Google Scholar] [CrossRef]
- Berkovits, A.; Fang, D. An analytical master curve for Goodman diagram data. Int. J. Fatigue 1993, 15, 173–180. [Google Scholar] [CrossRef]
- Gao, Y.X.; Yi, Z.; Lindley, T.C. The effect of porosity on the fatigue life of cast aluminium–silicon alloys. Fatigue Fract. Eng. Mater. Struct. 2004, 27, 559–570. [Google Scholar] [CrossRef]
- Bekerman, A.F.; Kostina, N.A.; Kosarev, L.N. Resistance of couplings made of steel 20GL after normalisation and thermal treatment to fatigue failure. In Problems of Railway Transport Mechanics; Proc. of All-Union Conf.; Institute of Physics Publishing: Dnepropetrovsk, Ukraina, 1984; pp. 182–183. [Google Scholar]
- Oganyan, E.S.; Kossov, V.S.; Ovechnikov, M.N.; Volokhov, G.M.; Bykov, V.A.; Spirov, A.V.; Gasyuk, A.S. Loading simulation and lifetime evaluation of automatic coupler in extreme environment. Procedia Struct. Integr. 2019, 20, 42–47. [Google Scholar] [CrossRef]
- Ren, X.; Wu, S.; Xing, H.; Fang, X.; Ao, N.; Zhu, T.; Li, Q.; Kang, G. Fracture mechanics based residual life prediction of railway heavy coupler with measured load spectrum. Int. J. Fract. 2022, 234, 313–327. [Google Scholar] [CrossRef]
- GOST 25502-79 Standard; Strength Analysis and Testing in Machine Building. Methods of Metals Mechanical Testing. Methods of Fatigue Testing. Standardinform: Moscow, Russia, 1993.
- GOST 22015-76 Standard; Quality of Product. Regulation and Statistical Quality Evaluation of Metal Materials and Products on Speed-torque Characteristics. Standardinform: Moscow, Russia, 2010.
- Daunys, M. Cycle Strength and Durability of Structures; Technologija: Kaunas, Lithuania, 2005. (In Lithuanian) [Google Scholar]
- Bazaras, Ž.; Lukoševičius, V. Statistical Estimation of Resistance to Cyclic Deformation of Structural Steels and Aluminum Alloy. Metals 2022, 12, 47. [Google Scholar] [CrossRef]
- Daunys, M.; Šniuolis, R. Statistical evaluation of low cycle loading curves parameters for structural materials by mechanical characteristics. Nucl. Eng. Des. 2006, 236, 13. [Google Scholar] [CrossRef]
- Coffin, L.F., Jr. A Study of the Effects of Cyclic Thermal Stresses on a Ductile Metal. Trans Met. Soc. ASME 1954, 76, 931–950. [Google Scholar] [CrossRef]
- Manson, S.S. Fatigue: A Complex Subject—Some Simple Approximations. Exp. Mech. 1965, 7, 193–225. [Google Scholar] [CrossRef]















| T, kN | 150 | 350 | 550 | 750 | 950 | 1150 | 1350 | 1550 |
| Number of loads | 3078 | 4668 | 2785 | 2107 | 1344 | 784 | 395 | 139 |
| T, kN | 1750 | 1950 | 2150 | 2350 | 2550 | 2750 | 2950 | 3150 |
| Number of loads | 104 | 59 | 34 | 23 | 13 | 8 | 5 | 4 |
| C | Mn | S | P | Si | Cu | Cr | Ni | Mo | V |
|---|---|---|---|---|---|---|---|---|---|
| 0.31 | 1.70 | 0.01 | 0.03 | 0.37 | 0.17 | 0.16 | 0.07 | 0.04 | <0.03 |
| Steel Grade | Heat Treatment Mode | , MPa | ||||
|---|---|---|---|---|---|---|
| 20L | N | 330 | 0.55 | 0.55 | 1.75 | 0 0 0.0002 0.0150 0.0230 0.0058 0.0028 |
| 20GL | N | 370 | 0.96 | 0.96 | 1.49 | |
| 20GTL | N | 390 | 0.54 | 0.55 | 1.70 | |
| 20GFL | N | 440 | 0.58 | 0.58 | 1.71 | |
| 20GL | G + A, 650 °C | 510 | 0.83 | 0.86 | 1.36 | |
| 20GL | G + A, 450 °C | 780 | 1.28 | 1.38 | 1.68 | |
| 20GTL | G + A, 680 °C | 530 | 0.63 | 0.67 | 1.66 | |
| 20GFL | G + A, 720 °C | 520 | 0.64 | 0.65 | 1.70 |
| , MPa | , MPa | , MPa | , MPa | , % | , % | , % | , MPa | |
|---|---|---|---|---|---|---|---|---|
| 1 | 242 | 333 | 516 | 785 | 39.16 | 19.14 | 0.117 | 206,500 |
| 2 | 188 | 306 | 526 | 701 | 31.11 | 22.62 | 0.156 | 150,500 |
| 3 | 215 | 269 | 505 | 638 | 32.76 | 22.94 | 0.165 | 180,200 |
| 4 | 279 | 371 | 532 | 654 | 27.75 | 20.14 | 0.117 | 238,700 |
| 231 | 319 | 519 | 694 | 32.69 | 21.21 | 0.1387 | 193,900 | |
| 38 | 43 | 12 | 65 | 4.79 | 1.8628 | 0.025 | 37,581 | |
| 0.165 | 0.139 | 0.023 | 0.094 | 0.146 | 0.0878 | 0.183 | 0.194 |
| T, kN | I Zone | II Zone | III Zone | IV Zone | |
|---|---|---|---|---|---|
| 950 | , MPa | 25.58 | 7.504 | 11.27 | 5.627 |
| , % | 1.205 × 10−4 | 3.435 × 10−5 | 5.311 × 10−5 | 2.731 × 10−5 | |
| 1550 | , MPa | 109.4 | 78.62 | 88.56 | 38.74 |
| , % | 5.155 × 10−4 | 3.826 × 10−4 | 4.283 × 10−4 | 1.869 × 10−4 | |
| 2350 | , MPa | 172.4 | 89.58 | 143.2 | 78.93 |
| , % | 8.119 × 10−4 | 4.328 × 10−4 | 6.921 × 10−4 | 3.815 × 10−4 | |
| 2500 | , MPa | 212.7 | 112.4 | 173.2 | 78.38 |
| , % | 1.002 × 10−3 | 5.383 × 10−4 | 8.371 × 10−4 | 3.836 × 10−4 | |
| 3150 | , MPa | 376.2 | 203.3 | 197.3 | 113.7 |
| , % | 9.127 × 10−3 | 9.824 × 10−4 | 9.539 × 10−4 | 5.495 × 10−4 | |
| Damage | , MPa | |||||||
|---|---|---|---|---|---|---|---|---|
| 410 | 385 | 362 | 335 | 315 | 295 | 275 | 255 | |
| 0.405 | 0.510 | 0.608 | 0.612 | 0.632 | 0.643 | 0.650 | 0.660 | |
| 0.689 | 0.637 | 0.443 | 0.388 | 0.356 | 0.337 | 0.288 | 0.263 | |
| 1.090 | 1.148 | 1.051 | 1.000 | 0.988 | 0.980 | 0.938 | 0.923 | |
| Damage | , MPa | |||||||
|---|---|---|---|---|---|---|---|---|
| 410 | 385 | 362 | 335 | 315 | 295 | 275 | 255 | |
| 0.305 | 0.439 | 0.472 | 0.541 | 0.568 | 0.610 | 0.714 | 0.817 | |
| 0.676 | 0.573 | 0.522 | 0.462 | 0.381 | 0.312 | 0.211 | 0.146 | |
| 0.982 | 1.012 | 0.994 | 1.003 | 0.949 | 0.922 | 0.925 | 0.963 | |
Disclaimer/Publisher’s Note: The statements, opinions and data contained in all publications are solely those of the individual author(s) and contributor(s) and not of MDPI and/or the editor(s). MDPI and/or the editor(s) disclaim responsibility for any injury to people or property resulting from any ideas, methods, instructions or products referred to in the content. |
© 2024 by the authors. Licensee MDPI, Basel, Switzerland. This article is an open access article distributed under the terms and conditions of the Creative Commons Attribution (CC BY) license (https://creativecommons.org/licenses/by/4.0/).
Share and Cite
Lukoševičius, V.; Bazaras, Ž.; Putnaitė, D.; Bazaraitė, E. Damage Analysis of Rolling Stock Automatic Coupler under Cyclic Loads. Appl. Sci. 2024, 14, 9025. https://doi.org/10.3390/app14199025
Lukoševičius V, Bazaras Ž, Putnaitė D, Bazaraitė E. Damage Analysis of Rolling Stock Automatic Coupler under Cyclic Loads. Applied Sciences. 2024; 14(19):9025. https://doi.org/10.3390/app14199025
Chicago/Turabian StyleLukoševičius, Vaidas, Žilvinas Bazaras, Donata Putnaitė, and Eglė Bazaraitė. 2024. "Damage Analysis of Rolling Stock Automatic Coupler under Cyclic Loads" Applied Sciences 14, no. 19: 9025. https://doi.org/10.3390/app14199025
APA StyleLukoševičius, V., Bazaras, Ž., Putnaitė, D., & Bazaraitė, E. (2024). Damage Analysis of Rolling Stock Automatic Coupler under Cyclic Loads. Applied Sciences, 14(19), 9025. https://doi.org/10.3390/app14199025

