Next Article in Journal
Probabilistic Analysis of Orbital Characteristics of Rotary Systems with Centrally and Off-Center Mounted Unbalanced Disks
Next Article in Special Issue
Simultaneous Vibration and Temperature Real-Time Monitoring Using Single Fiber Bragg Grating and Free Space Optics
Previous Article in Journal
Primary Study on Influence of Conventional Hydrochemical Components on Suspension of Endogenous Fine Loess Particles in Groundwater over Loess Regions
Previous Article in Special Issue
Wavelength-Dependent Bragg Grating Sensors Cascade an Interferometer Sensor to Enhance Sensing Capacity and Diversification through the Deep Belief Network
 
 
Font Type:
Arial Georgia Verdana
Font Size:
Aa Aa Aa
Line Spacing:
Column Width:
Background:
Article

A Hybrid GAN-Inception Deep Learning Approach for Enhanced Coordinate-Based Acoustic Emission Source Localization

Department of Electrical and Computer Engineering, Michigan State University, East Lansing, MI 48824, USA
*
Author to whom correspondence should be addressed.
Appl. Sci. 2024, 14(19), 8811; https://doi.org/10.3390/app14198811
Submission received: 13 August 2024 / Revised: 12 September 2024 / Accepted: 25 September 2024 / Published: 30 September 2024
(This article belongs to the Special Issue Advanced Optical-Fiber-Related Technologies)

Abstract

In this paper, we propose a novel approach to coordinate-based acoustic emission (AE) source localization to address the challenges of limited and imbalanced datasets from fiber-optic AE sensors used for structural health monitoring (SHM). We have developed a hybrid deep learning model combining four generative adversarial network (GAN) variants for data augmentation with an adapted inception neural network for regression-based prediction. The experimental setup features a single fiber-optic AE sensor based on a tightly coiled fiber-optic Fabry-Perot interferometer formed by two identical fiber Bragg gratings. AE signals were generated using the Hsu-Nielsen pencil lead break test on a grid-marked thin aluminum plate with 35 distinct locations, simulating real-world structural monitoring conditions in bounded isotropic plate-like structures. It is demonstrated that the single-sensor configuration can achieve precise localization, avoiding the need for a multiple sensor array. The GAN-based signal augmentation expanded the dataset from 900 to 4500 samples, with the Wasserstein distance between the original and synthetic datasets decreasing by 83% after 2000 training epochs, demonstrating the high fidelity of the synthetic data. Among the GAN variants, the standard GAN architecture proved the most effective, outperforming other variants in this specific application. The hybrid model exhibits superior performance compared to non-augmented deep learning approaches, with the median error distribution comparisons revealing a significant 50% reduction in prediction errors, accompanied by substantially improved consistency across various AE source locations. Overall, this developed hybrid approach offers a promising solution for enhancing AE-based SHM in complex infrastructures, improving damage detection accuracy and reliability for more efficient predictive maintenance strategies.

1. Introduction

Acoustic emission (AE) is a well-established and powerful non-destructive testing method for structural health monitoring (SHM), offering unique capabilities for real-time damage detection and localization [1]. AE techniques analyze transient elastic waves generated by rapid energy release within materials, providing insights into structural integrity in a variety of structures ranging from wind turbine blades to aerospace components [2,3]. The application of AE to source localization has changed damage detection and monitoring strategies, offering high sensitivity and the ability to detect defects in real-time [4]. Current research aims to develop robust, adaptive, and efficient SHM systems capable of reliably assessing the health of increasingly complex structures in demanding operational environments, focusing on enhancing data quality, improving localization accuracy, and developing more sophisticated predictive models [5,6,7].
Existing AE data analysis methods employ signal processing techniques such as time-domain, frequency-domain, and time-frequency analysis to extract key features from signals [8]. Conventional approaches such as triangulation and beamforming, while widely used for source localization, face limitations in practical applications, particularly in the complex real-world environment. These techniques rely on the time difference of arrival (TDOA) of signals at multiple sensors and require precise knowledge of wave velocities [9]. Despite their effectiveness in certain scenarios, implementation can be challenging in complex real-world environments, particularly in larger structures or noisy conditions. In response to these challenges, single-sensor AE localization techniques have gained attention, offering more cost-effectiveness and simpler deployment. Ebrahimkhanlou [10,11] pioneered probabilistic frameworks for single-sensor AE source localization in thin metallic plates, relying on the temporal order of signal arrivals rather than absolute time measurements.
In recent years, deep learning approaches have revolutionized AE data analysis, offering powerful tools for SHM and damage detection. These methods have excelled in source localization, signal classification, and characterization of acoustic events [12,13,14,15]. Machine learning methods have been widely applied to structural health monitoring (SHM), transforming traditional approaches to damage detection, localization, and prognosis [16,17]. These techniques have demonstrated significant potential in addressing SHM challenges, from vibration-based monitoring to predictive maintenance [18]. Additionally, advanced methods such as the Electro-Mechanical Impedance technique have shown promise in SHM applications, offering new avenues for damage detection and structural assessment [19,20]. Despite these promising advancements, some challenges persist in deep learning for AE data analysis. A fundamental challenge is the limited availability of high-quality data, significantly impacting the development and performance of damage detection and localization algorithms. This scarcity of data stems from the rare and unpredictable nature of AE events, particularly in critical structural failures.
To address data limitations, generative adversarial networks (GANs) have emerged as a powerful tool in data augmentation, offering significant potential for enhancing time series signal analysis. Introduced by [21], GANs comprise two neural networks—a generator and a discriminator—that compete in a zero-sum game, iteratively training each other to produce high-fidelity synthetic data [22]. In the context of AE signal augmentation, GANs present a promising solution to the persistent challenge of limited and imbalanced datasets. By generating synthetic AE signals that closely mimic real data characteristics, GANs can significantly expand training datasets, potentially improving the performance and robustness of damage detection and localization algorithms [23].

2. Related Work

Recent advancements in deep learning have significantly impacted AE source localization techniques. Single-sensor AE source localization, once challenging, has become feasible thanks to deep learning models [24,25], showing particular promise in plate-like structures [22]. The application of these techniques extends beyond conventional materials, demonstrating efficacy in analyzing AE signals from nanoindentation experiments and environmental monitoring applications. However, current approaches face several limitations. A notable limitation is the ability to handle only a restricted number of zones or regions [26]. For example, in ref. [12], a plate was divided into just 13 zones for localization, likely insufficient for complex structures. While authors in [10] achieved better localization with 64 regions, its reliance on simulated edge-reflected waves and strong reflections limits broader application. The complexity of AE signals, which are highly susceptible to noise and environmental factors, further complicates data collection and interpretation [27]. To address these data limitations, researchers have begun exploring innovative approaches to enhance both the quality and quantity of available AE data. Deep learning techniques show promise in detecting acoustic wave reflections and improving signal interpretation [28]. Novel data augmentation techniques and physics-informed approaches are being developed to maximize the utility of limited datasets [29,30]. Improved AE source localization methods, including time-distance domain transformations and wavelet-based noise reduction techniques, aim to extract more information from available signals [31]. Integration of AE with other testing methods and advanced signal processing techniques, such as modified empirical wavelet transforms, is being explored to enhance damage detection capabilities [32].
Among these innovative approaches, Generative Adversarial Networks (GANs) have shown particular promise. GAN-based augmentation typically involves an encoder-decoder structure in the generator, where an input AE signal is encoded into a lower-dimensional manifold, combined with random noise, and then decoded to produce a new, related AE signal. The application of GANs in related fields has demonstrated their versatility and efficacy. In machine fault diagnosis, GAN-based data augmentation has yielded remarkable improvements in classification accuracy, particularly for fault types with sparse samples [33]. In medical imaging, GANs have been employed to generate synthetic radiology images, addressing issues of data scarcity and patient privacy [34]. Within SHM, innovative GAN architectures such as FTGAN have been developed to address imbalanced datasets in bearing fault diagnosis, incorporating both time and frequency domain information [35]. While GANs offer several advantages, including the ability to generate diverse, high-quality samples, learn complex data distributions, and improve model robustness, they also face challenges such as training instability, mode collapse (i.e., where the generator produces limited varieties of samples), and the potential to perpetuate biases present in the original dataset [36]. As the field progresses, addressing these limitations and adapting GAN architectures to the specific nuances of AE signals will be key to fully leveraging their potential. The fundamental GAN process involves the generator creating artificial samples from random noise while the discriminator struggles to differentiate between real and generated data, with both networks refining their performance through this adversarial process.
Building upon these advancements and addressing the identified challenges, we propose a novel hybrid approach for AE source localization, combining a custom-designed GAN for data augmentation with an adapted Inception network for regression-based localization. Our methodology offers several key advancements: (a) We developed and compared four GAN variants (GAN, DCGAN, WGAN, and TSAGAN), customized for AE signal augmentation by incorporating gradient penalty to mitigate mode collapse. This approach generates diverse, high-fidelity synthetic signals, expanding the dataset from 900 to 4500 samples and balancing representation across 35 distinct source locations. (b) We adapted the Inception neural network for AE source localization prediction, modifying the final fully connected layers to predict continuous x , y coordinates. This regression architecture preserves multi-scale feature extraction capabilities, which concurrently processes AE signals at three temporal resolutions: 1   μ s , 5   μ s , and 10   μ s simultaneously, enhancing the model’s ability to capture complex AE wave propagation characteristics in bounded isotropic plate structures. (c) Our experimental setup employs a novel single fiber-optic AE sensor based on a tightly coiled fiber Fabry-Perot interferometer (FPI) formed by two fiber Bragg gratings (FBGs). This sensor, with a cavity length of 40 cm and center wavelength of 1557.1 nm, offers enhanced sensitivity and electromagnetic interference immunity, enabling precise localization without the need for a multiple sensor array. (d) We implemented a rigorous validation framework comprising t-distributed stochastic neighbor embedding (t-SNE) visualizations and Wasserstein distance analysis to quantitatively assess the quality and diversity of GAN-generated data. The Wasserstein distance between original and synthetic datasets decreased from 19.8 to 3.2 after 2000 training epochs, representing an 83.5% reduction. This numerically confirms the generation of high-fidelity synthetic AE signals and allows for the comparative analysis of different GAN variants’ performance. The proposed approach improves AE source localization accuracy by 50% compared to traditional methods, reducing median error from six to three inches. It enables more precise damage detection and localization in plate-like structures, potentially enhancing structural health monitoring practices in various applications.

3. Experiment Setup

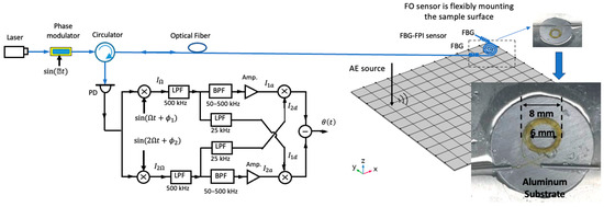
The schematic design of a novel fiber-optic coil-based AE sensing and monitoring system is shown in Figure 1. The setup features a grid-marked aluminum plate with a fiber-optic AE sensor, developed in [37], comprising a fiber coil with two identical FBGs that form a low-finesse FPI. The sensor has an 8 mm outer diameter and a 6 mm inner diameter, and is flexibly mounted on the sample surface. The reflection features fine fringes with a free-spectral range of 2 pm within the reflection bandwidth determined by the FBGs. Ultrasound waves impinging on the coiled fiber create refractive index variations, modifying the FPI cavity length and causing spectral fringe shifts. The sensor was interrogated using a modified phase-generated carrier method that allows for the extraction of the AE signal with good linearity and high sensitivity, regardless of the laser wavelength with respect to the sensor fringes [38]. As illustrated in Figure 1, a laser source generates light that passes through a phase modulator driven by a s i n ( w t ) signal. The modulated light travels through a circulator and optical fiber to the FBG-FPI sensor. Reflected light returns through the circulator to a photodetector (PD). The output of the PD is processed through two parallel paths. In the upper path, the signal is mixed with s i n ( w t + φ 1 ) , low-pass filtered at 500 kHz, band-pass filtered from 50–500 kHz, and amplified. The lower path involves mixing with s i n ( 2 w t + φ 2 ) , followed by similar filtering and amplification steps. Both paths include additional low pass filtering at 25 kHz. The processed signals are then combined to produce the final output θ ( t ) , which represents the AE signal. This system facilitates high-quality AE signal detection with an omnidirectional response and high ultrasound sensitivity while adapting to environmental perturbations. The AE signals obtained from the fiber-optic AE sensor were used to train and test the proposed hybrid deep learning models for source localization. The Hsu-Nielsen pencil lead break (PLB) test, a widely accepted method for AE signal generation [39], was used in this study. We conducted the test in a sequential manner across 35 distinct locations on the 1/10-inch-thick aluminum plate. The plate was partitioned into 35 distinct locations, as shown in Figure 2. Each location underwent ten PLB tests using a 2H mechanical pencil with a 0.5 mm diameter lead.
Figure 2a presents a photograph of the experimental setup, illustrating the aluminum plate divided into a grid for AE testing. This plate is marked with blue numbers indicating specific test points. The numbering is reorganized for simplicity in Figure 2b. The fiber-optic sensor, glued onto an aluminum carrier disk, is affixed to the plate with a liquid couplant to facilitate ultrasonic coupling. Figure 2b provides a schematic representation of the plate, detailing the grid layout and test points. The 35 distinct locations are marked by red dots, corresponding to the PLB test points. This layout ensures the reliability and reproducibility of the collected AE data, crucial for training and testing deep learning models for source localization. The clear separation of test points and consistent methodology across the grid contribute to the robustness of the experimental design.
Figure 3 illustrates the time series augmentation technique employed in this study to balance and expand the dataset, thereby enhancing deep learning model performance for acoustic emission source localization. The image depicts data distribution across 35 different locations, representing distinct labels in our acoustic emission source localization task. The figure highlights the variability in the original dataset, where some locations (e.g., Location 2) have more raw data than others (e.g., Location 1). This variability in the original dataset is caused by the different number of repetitive tests conducted at each location. Due to practical constraints and the nature of the testing process, the number of successful and usable tests varied across locations, resulting in an uneven distribution of raw data, as seen in Figure 3.
The proposed augmentation strategy is designed to address these discrepancies by generating high-fidelity synthetic data, with a particular focus on underrepresented locations. By supplementing the original data with these generated samples, we ensure a sufficient and balanced number of time series for each location. The labeling of the augmented dataset is preserved during this process. Each generated AE signal inherits the label (corresponding to the source location) of the original signal it was based on. This approach ensures that the augmented data maintain the same spatial distribution of AE sources as the original dataset, while increasing the volume and diversity of our training data. This data augmentation approach simultaneously tackles two critical challenges in deep learning: it mitigates the risk of overfitting on some particular labels (locations) with abundant data while addressing potential underfitting issues in locations with limited samples. The resulting balanced dataset, a product of this advanced augmentation technique, is anticipated to significantly enhance the model’s capacity to accurately localize acoustic emission sources across all 35 locations. This improvement is expected to manifest in enhanced overall performance and superior generalization capabilities, ultimately leading to more robust and reliable acoustic emission source localization in real-world applications.

4. Methodology

This section outlines the overall framework of the innovative hybrid method. Our study employs a novel approach that combines advanced data augmentation techniques with an adapted Inception architecture to enhance the accuracy and robustness of AE source localization in complex structures. This methodology integrates the custom-designed GAN for data augmentation with an Inception network specifically adapted for regression tasks.
The overall process flow is shown in Figure 4a. It commences with the collection of AE signals, each labeled with coordinates in the form of d i , θ i for 35 distinct positions. These signals undergo a training/test split. The training data are then augmented using four different GAN architectures (GAN, DCGAN, WGAN, and TSAGAN) to address dataset imbalance and scarcity issues. This multi-GAN augmentation approach is crucial as it generates synthetic AE signals that closely emulate the characteristics of real data, effectively expanding the dataset and improving the model’s ability to generalize across various AE source locations. Each GAN variant offers unique strengths in data synthesis, allowing for a comprehensive augmentation strategy. The augmented training data from each GAN feed into an Inception network specifically adapted for regression tasks, forming the core of our hybrid approach. This adaptation of the Inception network, originally designed for image classification, enables effective processing of AE signals across multiple scales, capturing both local and global features crucial for accurate localization. This trained network is then utilized to predict AE source locations from the test data. Figure 4b specifies the architecture of the Inception network used for regression. It initiates with an input layer, followed by an Inception Module that processes data through multiple parallel pathways. The Inception Module is particularly adept at AE signal processing as it can simultaneously extract features at different scales, which is essential given the complex nature of AE waveforms. The outputs are concatenated and passed through batch normalization. A ReLU activation function is then applied, followed by global average pooling to reduce spatial dimensions. global average pooling is employed instead of traditional fully connected layers to minimize the number of parameters, mitigate overfitting, and maintain spatial information. Finally, a dense layer produces the output, predicting the AE source location as continuous coordinates.
The four GAN architectures—GAN, DCGAN, TSAGAN, and WGAN—share a common foundation but differ in key aspects of their design and training approach, which is shown in Table 1. The original GAN uses fully connected layers in both the generator and discriminator, with a structure of (128, 512, 1024) neurons for the generator and (1024, 512, 64) for the discriminator. It employs LeakyReLU activations throughout, with batch normalization (momentum 0.8) in both networks. The DCGAN introduces convolutional layers, specifically using 1D transposed convolutions in the generator and 1D convolutions in the discriminator, which are particularly effective for capturing spatial or temporal patterns in the data. It typically uses ReLU activations in the generator and LeakyReLU in the discriminator, with a t a n h activation in the final generator layer. The TSAGAN, tailored for time series data, reverts to a fully connected architecture similar to the original GAN but is optimized for sequential data. The key innovation of the WGAN lies not in its architecture, which is similar to the DCGAN with convolutional layers, but in its use of the Wasserstein loss function and weight clipping in the discriminator (now called a critic). This change allows for more stable training and potentially better-quality results. The WGAN also typically includes dropout in the discriminator, a feature that is not present in the other architectures. All four models use the Adam optimizer with a learning rate of 0.0002, a beta of 0.001, and a batch size of 64, and are trained for 2000 epochs. They all incorporate model collapse monitoring, but the WGAN stands out with its multiple critic updates per generator update. These architectural differences make each variant suitable for different types of data and training scenarios, with the DCGAN and WGAN often performing well on complex, high-dimensional data, while the GAN and TSAGAN can be effective for simpler or specific time-series datasets.
The GAN architecture for data augmentation, detailed in Figure 5, involves a generator and a discriminator, both of which are sequential models. The generator G transforms a noise vector z into synthetic AE data G z that mimics the real data distribution. The discriminator D evaluates both x real and generated data G z , outputting a probability of the input being real. The training process alternates between updating the discriminator and the generator. The key equations governing this process are presented as follows.
The first step is to compute the discriminator real loss:
L D ra = log D x real
Then, we derive the discriminator fake loss as:
L D fk = log 1 D G z
By combining the two terms, the overall discriminator loss is:
L D = 0.5 × L D ra + L D fk
And the overall generator loss is derived from the input noise vector:
L G = log D G z
The discriminator aims to maximize the probability of correctly classifying real and fake samples, while the generator aims to minimize the probability of the discriminator correctly classifying generated samples as fake. During training, we updated the discriminator by maximizing:
E log D x real + E log 1 D G z
and then updated the generator by minimizing:
E log 1 D G z
To prevent mode collapse, we implemented a model edge collapse threshold τ . If L D L G > τ for a certain number of consecutive iterations, we reinitialized the models. Hyperparameter tuning was conducted using grid search to optimize the learning rates α D and α G for the discriminator and generator respectively, as well as the batch size B and a number of epochs N . The optimization problem can be formulated as:
minimize   L t o t a l α D , α G , B , N = L D + L G
This is example 1 of an equation:
minimize   L t o t a l α D , α G , B , N = L D + L G
subject to:
0 < α D , α G 0.01 16 B 256 1 N 2000
This detailed mathematical approach ensures effective augmentation of the dataset and robust AE source localization, addressing specific challenges that traditional methods struggle with, such as limited data availability and the complex nature of AE signals in real-world applications.

5. Evaluating the GAN Performance for Data Augmentation

To visualize the distribution of synthetic (augmented) and original datasets in a lower-dimensional space, we employed t-Distributed Stochastic Neighbor Embedding (t-SNE), a dimensionality reduction technique. t-SNE maps high-dimensional data to two dimensions, effectively preserving local relationships between points and revealing structure at multiple scales. Figure 6 presents t-SNE visualizations for the four GAN variants (GAN, WGAN, DCGAN, TSAGAN) at their final training epoch (2000), as well as the GAN at epoch 1 and noise-based augmentation for comparison. Original data points are depicted in blue and synthetic data points in red, providing a clear visual distinction.
In the early stages of GAN training, the augmented data points are sparsely distributed and show little overlap with the original data, indicating poor alignment and high divergence. By epoch 2000, the GAN-augmented data points are well-integrated with the original data, demonstrating the GAN’s capability to generate synthetic data that closely resembles the original dataset. The WGAN shows a unique pattern where augmented data forms distinct clusters that encompass the original data points, suggesting it captures the overall distribution well but may over-segment the data space. The DCGAN (Figure 6d) and TSAGAN (Figure 6e) both show good integration of augmented and original data, with the TSAGAN appearing to have a slightly more uniform distribution. In the last image, noise-based augmentation produces a distinct pattern where augmented data form concentric circles around original data points, indicating a simple additive noise approach that does not capture the underlying data distribution as effectively as GAN-based methods. These visualizations highlight the effectiveness of GAN-based augmentation techniques in generating high-quality synthetic data that closely mimics the original dataset. The increasing overlap and similarity in distribution between original and augmented data points across different GAN architectures demonstrate their capability to produce diverse yet representative samples, providing a robust foundation for deep learning models and ensuring balanced representation across all labels.
The Wasserstein distance between the original and synthetic datasets across different epochs for the four GAN variants are illustrated in Figure 7, serving as a metric to quantify the similarity between the two distributions. Lower values indicate higher similarity. The WGAN shows the most rapid convergence, achieving the lowest Wasserstein distance of about 2.5 by epoch 100 and maintaining this level throughout training. The DCGAN and TSAGAN demonstrate similar convergence patterns, starting with high distances but steadily decreasing to around three by epoch 2000. The standard GAN, interestingly, shows the most volatile behavior, with an initial decrease followed by a spike at epoch 500, before eventually converging to a distance similar to the DCGAN and TSAGAN by epoch 2000. This comparison reveals that while all GAN variants eventually achieve similar levels of data similarity, they differ significantly in their convergence paths. The WGAN’s rapid and stable convergence suggests it may be the most efficient in generating high-quality synthetic data, despite its underperformance in the final localization task. The standard GAN’s volatility indicates a need for careful monitoring during training, although it ultimately achieves competitive results. Overall, the results confirm that with adequate training, the GAN-based augmentation technique significantly enhances the dataset, providing a balanced and high-quality training set for deep learning models.

6. Results and Discussion

Our novel hybrid approach, combining GAN-based data augmentation with an Inception network for AE source localization, demonstrates significant improvements in accuracy and reliability compared to traditional methods. This section presents a detailed analysis of our results, highlighting the benefits of our approach through comparative studies and error distribution analysis.

6.1. The Comparative Analysis of Localization Performance

Figure 8 presents a comparative analysis of AE source localization performance between two approaches: (a) a hybrid deep learning model incorporating GAN-based data augmentation and an Inception network, and (b) a model using only the Inception network without GAN-based augmentation. In Figure 8a, the hybrid deep learning approach demonstrates remarkable accuracy. The predicted locations (stars) closely align with the actual source locations (squares) across the grid, with minimal deviation. This high accuracy is consistent across the entire plate, suggesting robust performance regardless of the source’s position relative to the sensor. In contrast, Figure 8b shows results without GAN-based augmentation. Here, the discrepancies between actual and predicted locations are significantly more pronounced. Many predicted points (stars) are substantially displaced from their corresponding actual locations (squares). Notably, the errors appear to increase towards the edges and corners of the plate, indicating degraded performance for sources further from the sensor. The marked difference in accuracy between these approaches underscores the significant impact of GAN-based data augmentation. By generating additional synthetic training data, the hybrid model appears to have developed a more robust and generalized representation of AE signal characteristics across the entire plate. This results in more accurate predictions, even for locations that might be underrepresented in the original dataset.

6.2. Error Distribution Analysis

To quantify improvements in our hybrid approach, we conducted error distribution analyses across six methods: the original dataset, noise-based augmentation, and four GAN-based techniques (GAN, DCGAN, TSAGAN, WGAN). Each method was evaluated 10 times for model variability. We calculated mean Euclidean distance errors between predicted and actual source locations for each run. Figure 9 presents box plots of these errors, with each box representing the distribution of mean errors across 10 runs per method. This approach provides a statistically sound comparison of augmentation strategies for improving AE source localization accuracy.
The original data show that the highest median error was 6.2 inches with a 1.1-inch interquartile range. Noise-based augmentation marginally improves this to 5.2 inches (median) with a 0.3-inch range, indicating increased consistency but persistent substantial errors. Among the GAN methods, the standard GAN demonstrated superior performance, achieving a median error of 2.9 inches and a 0.7-inch interquartile range. This represents a 53% reduction from the original data and a 44% improvement over noise-based augmentation. The DCGAN and TSAGAN also perform well, with median errors of 3.4 and 3.6 inches respectively, showing 45% and 42% in improvements over the original data. Surprisingly, the WGAN underperforms with a 5.7-inch median error, only marginally better than the original data. This unanticipated performance of the WGAN, which theoretically should provide more stable training, demands further investigations. Its median error of 5.7 inches, only slightly better than noise-based augmentation, may be attributed to specific characteristics of AE signals or potential issues in implementation. We assume that the Wasserstein loss might be less effective in capturing the nuanced features of AE signals compared to the binary cross-entropy loss used in the standard GAN for this particular application.
While our hybrid approach demonstrates significant improvements, it is also important to acknowledge its limitations. This study focused on a specific 24” × 24” × 0.1” aluminum plate configuration, and further research is needed to validate its performance on larger structures and different materials. In conclusion, our innovative hybrid deep learning approach with GAN-based augmentation exhibits superior performance in AE source localization. The standard GAN architecture emerges as the most effective method, reducing median localization error by 53% compared to the original data, and by 44% compared to noise-based augmentation. These quantitative improvements underscore the value of advanced data augmentation techniques in enhancing model accuracy and reliability for structural health monitoring applications.

7. Conclusions

This study presents a comprehensive approach to acoustic emission (AE) source localization, leveraging a novel single fiber-optic coil-based sensing system, advanced signal processing techniques, and data augmentation with GAN. Our hybrid methodology, combining GANs for data augmentation with an adapted Inception network for localization, demonstrated substantial increases in AE source localization accuracy in bounded isotropic plate-like structures. The t-SNE visualizations and Wasserstein distance analysis confirm the high fidelity of the synthetic data generated by the GAN, leading to improved model accuracy and robustness. The comparison of error distributions highlights the superiority of GAN-based augmentation over noise-based augmentation and the original dataset, illustrating an evident reduction in localization errors and improved consistency across various source locations, crucial for detecting fatigue cracks and corrosion in metallic plate structures. The implications of these findings are extensive, potentially transforming structural health monitoring practices across various industries. By addressing the challenges of limited and imbalanced datasets, our approach paves the way for more reliable and efficient damage detection and localization in complex infrastructures. While our study focused on a specific, thin aluminum plate-like structure, future research should extend this methodology to more diverse real-world scenarios, including larger structures of different materials and additive manufacturing. Further exploration of advanced signal processing techniques and alternative deep learning architectures could potentially enhance model performance, particularly in applications such as ship hulls, bridge girders, aircraft wings, and fuselages. In conclusion, the hybrid deep learning architectures we developed here are for more accurate, reliable, and efficient damage detection and localization in plate-like structures, thus contributing to safer and more sustainable infrastructure management. This single-sensor configuration enables precise localization without the need for a multiple sensor array, offering a promising solution for enhancing AE-based SHM in complex infrastructures and improving damage detection accuracy and reliability for more efficient predictive maintenance strategies.

Author Contributions

Conceptualization, X.H. and Y.D.; methodology, X.H.; software, X.H.; validation, X.H.; formal analysis, X.H.; investigation, X.H.; resources, X.H.; data curation, X.H.; writing—original draft preparation, X.H.; writing—review and editing, X.H. and M.H.; visualization, X.H.; supervision, M.H. and Y.D.; project administration, M.H. and Y.D.; funding acquisition, M.H. and Y.D. All authors have read and agreed to the published version of the manuscript.

Funding

This research is funded by the US Office of Naval Research under Award Nos. N00014-20-1-2649, N00014-21-1-2273 and N00014-22-1-2321.

Institutional Review Board Statement

Not applicable.

Informed Consent Statement

Not applicable.

Data Availability Statement

The code used in this study is publicly available at https://github.com/Xuhui94/Hybrid-DL-for-AE-source-localization (accessed on 10 August 2024). The data used in this study has limited access due to privacy/ethical restrictions. Requests for data access can be directed to the corresponding author.

Acknowledgments

The authors would like to express their gratitude for the research support provided by the US Office of Naval Research under Award Nos. N00014-20-1-2649, N00014-21-1-2273, and N00014-22-1-2321, and technical guidance from the Program Manager, Ignacio Perez. The authors are also grateful to Farzia Karim for her assistance in collecting the data which used fiber-optic AE sensors.

Conflicts of Interest

The authors declare no conflicts of interest.

References

  1. Wevers, M.; Lambrighs, K. Applications of Acoustic Emission for SHM: A Review. In Encyclopedia of Structural Health Monitoring; Wiley: Hoboken, NJ, USA, 2009. [Google Scholar]
  2. Bouzid, O.M.; Tian, G.Y.; Cumanan, K.; Neasham, J. Wireless AE Event and Environmental Monitoring for Wind Turbine Blades at Low Sampling Rates. In Advances in Acoustic Emission Technology, Proceedings of the the World Conference on Acoustic Emission–2013, New York, NY, USA, 30 September–2 October 2013; Springer: New York, NY, USA, 2014; pp. 533–546. [Google Scholar]
  3. Holford, K.M.; Pullin, R.; Evans, S.L.; Eaton, M.J.; Hensman, J.; Worden, K. Acoustic emission for monitoring aircraft structures. Proc. Inst. Mech. Eng. Part G J. Aerosp. Eng. 2009, 223, 525–532. [Google Scholar] [CrossRef]
  4. Bhuiyan, M.Y.; Giurgiutiu, V. Experimental and Computational Analysis of Acoustic Emission Waveforms for SHM Applications. In Proceedings of the 11th International Workshop on Structural Health Monitoring, Stanford, CA, USA, 12–14 September 2017; pp. 12–14. [Google Scholar]
  5. Sen, D.; Nagarajaiah, S. Data-Driven Approach to Structural Health Monitoring Using Statistical Learning Algorithms. In Mechatronics for Cultural Heritage and Civil Engineering; Ottaviano, E., Pelliccio, A., Gattulli, V., Eds.; Springer: Cham, Switzerland, 2018; Volume 92, pp. 295–305. [Google Scholar]
  6. Chadha, M.; Yang, Y.; Hu, Z.; Todd, M.D. Evolutionary Sensor Network Design for Structural Health Monitoring of Structures with Time-Evolving Damage. In Proceedings of the 14th International Workshop on Structural Health Monitoring, Stanford, CA, USA, 11–13 September 2023. [Google Scholar]
  7. Malekzadeh, M.; Atia, G.; Catbas, F. Performance-based structural health monitoring through an innovative hybrid data interpretation framework. J. Civ. Struct. Health Monit. 2015, 5, 287–305. [Google Scholar] [CrossRef]
  8. Dong, S.; Yuan, M.; Wang, Q.; Liang, Z. A Modified Empirical Wavelet Transform for Acoustic Emission Signal Decomposition in Structural Health Monitoring. Sensors 2018, 18, 1645. [Google Scholar] [CrossRef] [PubMed]
  9. Eaton, M.; Pullin, R.; Holford, K. Towards improved damage location using acoustic emission. Proc. Inst. Mech. Eng. Part C J. Mech. Eng. Sci. 2012, 226, 2141–2153. [Google Scholar] [CrossRef]
  10. Ebrahimkhanlou, A.; Salamone, S. A probabilistic framework for single-sensor acoustic emission source localization in thin metallic plates. Smart Mater. Struct. 2017, 26, 095026. [Google Scholar] [CrossRef]
  11. Ebrahimkhanlou, A.; Salamone, S. Acoustic emission source localization in thin metallic plates: A single-sensor approach based on multimodal edge reflections. Ultrasonics 2017, 78, 134–145. [Google Scholar] [CrossRef] [PubMed]
  12. Ebrahimkhanlou, A.; Salamone, S. Single-Sensor Acoustic Emission Source Localization in Plate-Like Structures Using Deep Learning. Aerospace 2018, 5, 50. [Google Scholar] [CrossRef]
  13. Mahajan, H.; Banerjee, S. Acoustic emission source localisation for structural health monitoring of rail sections based on a deep learning approach. Meas. Sci. Technol. 2023, 34, 044010. [Google Scholar] [CrossRef]
  14. Ebrahimkhanlou, A.; Salamone, S. Acoustic Emission Signal Classification Using Feature Analysis and Deep Learning Neural Network. Fluct. Noise Lett. 2020, 20, 2150030. [Google Scholar]
  15. Daugela, A.; Chang, C.; Peterson, D. Deep learning based characterization of nanoindentation induced acoustic events. Mater. Sci. Eng. 2021, 800, 140273. [Google Scholar] [CrossRef]
  16. Farrar, C.R.; Worden, K. Structural Health Monitoring: A Machine Learning Perspective; Wiley: Hoboken, NJ, USA, 2012. [Google Scholar]
  17. Worden, K.; Manson, G. Machine Learning for Structural Health Monitoring: Challenges and Opportunities. J. Struct. Monit. 2007, 365, 515–537. [Google Scholar]
  18. Deraemaeker, A.; Preumont, A.; Reynders, E.; De Roeck, G.; Kullaa, J.; Lamsa, V.; Worden, K.; Manson, G.; Barthorpe, R.; Papatheou, E.; et al. Vibration-based structural health monitoring using large sensor networks. Smart Struct. Syst. 2010, 6, 335–347. [Google Scholar] [CrossRef]
  19. Ai, D.; Zhang, R. Deep learning of electromechanical admittance data augmented by generative adversarial networks for flexural performance evaluation of RC beam structure. Eng. Struct. 2023, 296, 116891. [Google Scholar] [CrossRef]
  20. Sapidis, G.M.; Kansizoglou, I.; Naoum, M.C.; Papadopoulos, N.A.; Chalioris, C.E. A Deep Learning Approach for Autonomous Compression Damage Identification in Fiber-Reinforced Concrete Using Piezoelectric Lead Zirconate Titanate Transducers. Sensors 2024, 24, 386. [Google Scholar] [CrossRef] [PubMed]
  21. Goodfellow, I.; Pouget-Abadie, J.; Mirza, M.; Xu, B.; Warde-Farley, D.; Ozair, S.; Courville, A.; Bengio, Y. Generative adversarial networks. Adv. Neural Inf. Process. Syst. 2014, 27, 8–13. [Google Scholar] [CrossRef]
  22. Ebrahimkhanlou, A.; Dubuc, B.; Salamone, S. A generalizable deep learning framework for localizing and characterizing acoustic emission sources in riveted metallic panels. Mech. Syst. Signal Process. 2019, 130, 248–272. [Google Scholar] [CrossRef]
  23. Sun, L.; Chen, J.; Xu, Y.; Gong, M.; Yu, K.; Batmanghelich, K. Hierarchical Amortized GAN for 3D High Resolution Medical Image Synthesis. IEEE J. Biomed. Health Inform. 2022, 26, 3966–3975. [Google Scholar] [CrossRef]
  24. Ebrahimkhanlou, A.; Salamone, S. A Deep Learning Approach for Single-sensor Acoustic Emission Source Localization in Plate-like Structures. Struct. Health Monit. Int. J. 2017, 16, 293–308. [Google Scholar]
  25. Ebrahimkhanlou, A.; Salamone, S. Single-sensor acoustic emission source localization in plate-like structures: A deep learning approach. In Health Monitoring of Structural and Biological Systems XII; SPIE: Bellingham, WA, USA, 2018. [Google Scholar]
  26. Ebrahimkhanlou, A.; Schneider, M.B.; Dubuc, B.; Salamone, S. Single Sensor Localization and Characterization of Acoustic Emission Sources in Metallic Panels: A Deep Learning Approach. Struct. Health Monit. Int. J. 2019, 18, 248–272. [Google Scholar]
  27. Assarar, M.; Bentahar, M.; El Mahi, A.; El Guerjouma, R. Monitoring of damage mechanisms in sandwich composite materials using acoustic emission. Int. J. Damage Mech. 2015, 24, 787–804. [Google Scholar] [CrossRef]
  28. Haile, M.A.; Zhu, E.; Hsu, C.; Bradley, N. Deep machine learning for detection of acoustic wave reflections. Struct. Health Monit. 2020, 19, 1340–1350. [Google Scholar] [CrossRef]
  29. Jung, B.-H.; Kim, Y.-W.; Lee, J.-R. Laser-based structural training algorithm for acoustic emission localization and damage accumulation visualization in a bolt joint structure. Struct. Health Monit. 2019, 18, 1851–1861. [Google Scholar] [CrossRef]
  30. Jones, M.; Rogers, T.; Cross, E. Constraining Gaussian processes for physics-informed acoustic emission mapping. Mech. Syst. Signal Process. 2022, 188, 109984. [Google Scholar] [CrossRef]
  31. Gawronski, M.; Grabowski, K.; Russek, P.; Staszewski, W.J.; Uhl, T.; Packo, P. Acoustic emission source localization based on distance domain signal representation. In Health Monitoring of Structural and Biological Systems 2016; SPIE: Bellingham, WA, USA, 2016. [Google Scholar]
  32. Ai, L.; Soltangharaei, V.; Bayat, M.; van Tooren, M.; Ziehl, P. Detection of impact on aircraft composite structure using machine learning techniques. Meas. Sci. Technol. 2021, 32, 084013. [Google Scholar] [CrossRef]
  33. Shao, S.; Wang, P.; Yan, R. Generative adversarial networks for data augmentation in machine fault diagnosis. Comput. Ind. 2019, 106, 85–93. [Google Scholar] [CrossRef]
  34. Sorin, V.; Barash, Y.; Konen, E.; Klang, E. Creating Artificial Images for Radiology Applications Using Generative Adversarial Networks (GANs)—A Systematic Review. Acad. Radiol. 2019, 27, 1175–1185. [Google Scholar] [CrossRef]
  35. Wang, H.; Li, P.; Lang, X.; Tao, D.; Ma, J.; Li, X. FTGAN: A Novel GAN-Based Data Augmentation Method Coupled Time–Frequency Domain for Imbalanced Bearing Fault Diagnosis. IEEE Trans. Instrum. Meas. 2023, 72, 3502614. [Google Scholar] [CrossRef]
  36. Jain, N.; Manikonda, L.; Hernandez, A.O.; Sengupta, S.; Kambhampati, S. Imagining an Engineer: On GAN-Based Data Augmentation Perpetuating Biases. arXiv 2018, arXiv:1811.03751. [Google Scholar]
  37. Liu, G.; Zhu, Y.; Sheng, Q.; Han, M. Polarization-insensitive, omnidirectional fiber-optic ultrasonic sensor with quadrature demodulation. Opt. Lett. 2020, 45, 4164–4167. [Google Scholar] [CrossRef]
  38. Karim, F.; Zhu, Y.; Han, M. Modified phase-generated carrier demodulation of fiber-optic interferometric ultrasound sensors. Opt. Express 2021, 29, 25011–25021. [Google Scholar] [CrossRef] [PubMed]
  39. Sause, M.G.R. Investigation of Pencil-Lead Breaks as Acoustic Emission Sources. J. Acoust. Emiss. 2011, 29, 184–196. [Google Scholar]
Figure 1. Schematic of the fiber-optic coil-based acoustic emission sensing system. Inset: Close-up image of the sensor, showing the flexible mounting and dimensions (8 mm outer, 6 mm inner diameter).
Figure 1. Schematic of the fiber-optic coil-based acoustic emission sensing system. Inset: Close-up image of the sensor, showing the flexible mounting and dimensions (8 mm outer, 6 mm inner diameter).
Applsci 14 08811 g001
Figure 2. (a) Aluminum plate with the grid and fiber-optic sensor for AE testing (b) Schematic representation of the aluminum plate detailing the grid layout and test points.
Figure 2. (a) Aluminum plate with the grid and fiber-optic sensor for AE testing (b) Schematic representation of the aluminum plate detailing the grid layout and test points.
Applsci 14 08811 g002
Figure 3. Time series augmentation showing the original data (orange) and generated data (green) to ensure each label has a balanced and sufficient number of samples for improved deep learning model performance.
Figure 3. Time series augmentation showing the original data (orange) and generated data (green) to ensure each label has a balanced and sufficient number of samples for improved deep learning model performance.
Applsci 14 08811 g003
Figure 4. (a) Workflow of the hybrid network for AE source localization (b) Architecture of the Inception network for regression.
Figure 4. (a) Workflow of the hybrid network for AE source localization (b) Architecture of the Inception network for regression.
Applsci 14 08811 g004
Figure 5. Architecture of the generator and discriminator networks in the GAN for AE signal augmentation.
Figure 5. Architecture of the generator and discriminator networks in the GAN for AE signal augmentation.
Applsci 14 08811 g005
Figure 6. The t-SNE visualization of synthetic and original datasets (a) The training epoch of 1 for GAN (b) The training epoch of 2000 for GAN (c) The training epoch of 2000 for WGAN (d) The training epoch of 2000 for DCGAN (e) The training epoch of 2000 for TSAGAN (f) Augmentation via addition of noise.
Figure 6. The t-SNE visualization of synthetic and original datasets (a) The training epoch of 1 for GAN (b) The training epoch of 2000 for GAN (c) The training epoch of 2000 for WGAN (d) The training epoch of 2000 for DCGAN (e) The training epoch of 2000 for TSAGAN (f) Augmentation via addition of noise.
Applsci 14 08811 g006
Figure 7. The comparison of Wasserstein distance convergence across epochs for the four GAN variants (GAN, TSAGAN, WGAN, and DCGAN).
Figure 7. The comparison of Wasserstein distance convergence across epochs for the four GAN variants (GAN, TSAGAN, WGAN, and DCGAN).
Applsci 14 08811 g007
Figure 8. The comparison of acoustic emission (AE) source localization performance. (a) Results from the hybrid deep learning model with GAN-based data augmentation and Inception network. (b) Results from the Inception network alone without GAN-based augmentation. Square markers represent actual source locations, star markers show predicted locations, and the large circular marker indicates the sensor position. The x and y axes represent dimensions in inches.
Figure 8. The comparison of acoustic emission (AE) source localization performance. (a) Results from the hybrid deep learning model with GAN-based data augmentation and Inception network. (b) Results from the Inception network alone without GAN-based augmentation. Square markers represent actual source locations, star markers show predicted locations, and the large circular marker indicates the sensor position. The x and y axes represent dimensions in inches.
Applsci 14 08811 g008
Figure 9. The comparison of errors for the different methods.
Figure 9. The comparison of errors for the different methods.
Applsci 14 08811 g009
Table 1. Specifications for the GAN Variants.
Table 1. Specifications for the GAN Variants.
FeatureGANDCGANTSAGANWGAN
Generator ArchitectureFully connected layers (128, 512, 1024)1D transposed convolutions, Dense layers (128, 512, 1024)Fully connected layers (128, 512, 1024)Fully connected layers (128, 512, 1024)
InputNoise vector
Output layerDense layer with LeakyReLUDense layer with tanhDense layer with LeakyReLUDense layer with LeakyReLU
Discriminator ArchitectureFully connected layers (1024, 512, 64)1D convolutions, Dense layersFully connected layers (1024, 512, 64)1D convolutions, Dense layers
Loss FunctionBinary cross-entropyBinary cross-entropyBinary cross-entropyWasserstein loss
OptimizerAdam (learning rate = 0.0002, beta = 0.001)
Batch Size64646464
Epochs2000200020002000
Special FeaturesModel collapse monitoringModel collapse monitoringModel collapse monitoringMultiple critic updates, Model collapse monitoring
Disclaimer/Publisher’s Note: The statements, opinions and data contained in all publications are solely those of the individual author(s) and contributor(s) and not of MDPI and/or the editor(s). MDPI and/or the editor(s) disclaim responsibility for any injury to people or property resulting from any ideas, methods, instructions or products referred to in the content.

Share and Cite

MDPI and ACS Style

Huang, X.; Han, M.; Deng, Y. A Hybrid GAN-Inception Deep Learning Approach for Enhanced Coordinate-Based Acoustic Emission Source Localization. Appl. Sci. 2024, 14, 8811. https://doi.org/10.3390/app14198811

AMA Style

Huang X, Han M, Deng Y. A Hybrid GAN-Inception Deep Learning Approach for Enhanced Coordinate-Based Acoustic Emission Source Localization. Applied Sciences. 2024; 14(19):8811. https://doi.org/10.3390/app14198811

Chicago/Turabian Style

Huang, Xuhui, Ming Han, and Yiming Deng. 2024. "A Hybrid GAN-Inception Deep Learning Approach for Enhanced Coordinate-Based Acoustic Emission Source Localization" Applied Sciences 14, no. 19: 8811. https://doi.org/10.3390/app14198811

APA Style

Huang, X., Han, M., & Deng, Y. (2024). A Hybrid GAN-Inception Deep Learning Approach for Enhanced Coordinate-Based Acoustic Emission Source Localization. Applied Sciences, 14(19), 8811. https://doi.org/10.3390/app14198811

Note that from the first issue of 2016, this journal uses article numbers instead of page numbers. See further details here.

Article Metrics

Back to TopTop