Next Article in Journal
Synchronized Measurement of the Fundamental Voltage and Harmonic, Interharmonic, and Subharmonic Components of the Electrical Grid Using an Adaptive Kalman Filter
Previous Article in Journal
Extreme Value Index Estimation for Pareto-Type Tails under Random Censorship and via Generalized Means
 
 
Font Type:
Arial Georgia Verdana
Font Size:
Aa Aa Aa
Line Spacing:
Column Width:
Background:
Article

Fault Ride-Through Control Strategy for Variable Speed Pumped Storage Unit with Full-Size Converter

1
State Grid Sichuan Electric Power Research Institute, Chengdu 610041, China
2
College of Electrical Engineering, Sichuan University, Chengdu 610065, China
*
Author to whom correspondence should be addressed.
Appl. Sci. 2024, 14(19), 8672; https://doi.org/10.3390/app14198672
Submission received: 14 August 2024 / Revised: 21 September 2024 / Accepted: 24 September 2024 / Published: 26 September 2024

Abstract

Fault ride-through is a prerequisite for ensuring continuous operation of a variable-speed pumped storage unit with a full-size converter (FSC-VSPU) and providing support for the renewable energy and power grid. This paper proposes low-voltage ride through (LVRT) and high-voltage ride through (HVRT) strategies for FSC-VSPU to address this issue. Firstly, the structure of FSC-VSPU and its control strategy under power generation and pumping conditions are described. Subsequently, the fault characteristics of the FSC-VSPU under different operating conditions are analyzed. More stringent fault ride-through technical requirements than those for wind turbines are proposed. On this basis, the fault ride-through strategies of combining fast power drop, rotor energy storage control, power anti-regulation control, dynamic reactive current control, low power protection, and DC crowbar circuit are proposed. Simulation case studies conducted in PSCAD/EMTDC verify the correctness of the theoretical analysis and the effectiveness of the LVRT and HVRT strategies in this paper.

1. Introduction

As the integration of new energy sources into power systems grows, challenges concerning electricity equilibrium, grid management, and safety protocols intensify. Advancements in energy storage technologies offer fresh approaches to mitigating the variability inherent in renewable energy outputs. Among these, pumped storage stands out as the most established, cost-effective, and environmentally friendly solution [1]. It offers capabilities including peak trimming, frequency adjustment, and emergency support, serving a crucial role in power systems. Variable-speed pumped storage units (VSPSUs) are extensively researched for their efficiency, operational flexibility, and swift responsiveness [2,3,4]. The VSPSU is categorized into two types: doubly fed and full-sized. Relative to doubly fed units, the full-size converter variable speed pumped storage unit (FSC-VSPSU) provides superior speed control and enhanced capability to handle fault disturbances [5]. With the reduction of full power device costs, FSC-VSPSU will have broader development prospects in small and medium-sized capacity applications [6,7].
Current research on the FSC-VSPSU has extensively focused on simulation modeling, control strategies, and applications to enhance grid stability and efficiency. Significant work includes developing simulation models for these units to study their behavior under various operational conditions [8,9,10]. Researchers have also explored advanced control strategies such as virtual inertia and oscillation suppression to improve dynamic responses and stability in power systems connected with FSC-VSPSUs [11]. Furthermore, methods have been proposed to utilize FSC-VSPSU for smoothing power fluctuations [12]. However, these studies predominantly address the performance of pumped storage under non-fault conditions. The characteristics and control strategies under power grid fault conditions are not covered. The research on the low voltage ride-through (LVRT) strategy of FSC-VSPSU only focuses on the power, voltage, and current changes caused by voltage drop without proposing specific solutions [13]. There have been no reports of the high-voltage fault ride-through (HVRT) strategy of the FSC-VSPSU. Therefore, there is a notable gap in addressing the performance of FSC-VSPSU under fault conditions, particularly the strategies required for effective fault ride-through—a critical aspect for operational resilience.
Similarly, many scholars have explored fault ride-through strategies for high-voltage DC systems affected by AC faults. These solutions also fall into two categories: enhancing control strategies and incorporating additional power electronic equipment [14]. Enhancing control strategies often involves adjusting converter control parameters or switching control methods to modulate power output during faults to ensure the high-voltage DC system’s stability [15,16]. Moreover, additional power electronic devices such as flywheel energy storage systems, supercapacitor energy storage devices, or fault current limiters can be used to absorb the unbalanced power during the fault and thus achieve fault ride-through [17,18,19]. The FSC-VSPSU also incorporates a back-to-back converter similar to those used in HVDC systems. However, transferring these strategies to FSC-VSPSU systems is not advisable. This is primarily because the distinct application contexts lead to different fault characteristics, and such strategies do not take into account the specific prime mover characteristics.
Nowadays, there is a large amount of literature on fault ride-through strategies for direct-drive wind turbines with similar structures. These fault ride-through strategies are divided into two main categories, one by adding additional equipment and the other by improving the control strategy. A dynamic braking resistor can be connected in parallel on the DC side to dissipate unbalanced power and achieve LVRT. Similarly, energy storage devices such as supercapacitors can absorb the unbalanced power during voltage dips and release power after grid voltage is restored, ensuring the unit does not operate off-grid [20,21]. A coordination control strategy for the rotor side converter (RSC) and grid side converter (GSC) has been proposed in [22,23,24], which regulates the DC bus voltage during grid faults and improves the LVRT capacity of permanent magnet wind turbines. The unbalanced power can also be stored by changing the rotor speed to stabilize the DC voltage and keep output power balanced. However, it may cause wind turbine overspeed, which affects the safe and stable operation of units [25]. In [26], a control strategy for GSC is proposed to avoid overmodulation and DC line overvoltage, thereby achieving HVRT. In [27,28], a super capacitor has been proposed to stabilize DC line voltage and enhance HVRT capability. In [29], a control method is presented that incorporates a parallel GSC alongside the FSC to absorb the capacitive reactive current from the power grid, thus lowering the grid voltage. All the above literature is related to the study of fault ride-through strategies for direct-drive wind turbines.
Due to differences in the inherent characteristics of the units, fault ride-through requirements, and control strategies, the above fault ride-through strategies may not be applicable to the FSC-VSPSU. Compared to wind turbines, the working power of the FSC-VSPSU can be generated by grid requirements and does not require constant operation at rated power. Additionally, the water turbine is affected by a water hammer and is a nonlinear minimum phase system. The water turbines have larger power, faster speed, greater rotational energy storage capacity, and a wider range of speed operation. Moreover, the power flow of the FSC-VSPSU is bidirectional, which is different from the unidirectional flow of the grid-connected wind turbine systems. Under pumping conditions, FSC-VPSU has the ability to quickly generate load regulation, thus requiring a certain degree of fault ride-through capability. The FSC-VSPSU often operates complementary to new energy sources to support the operation of the power grid and new energy sources. Therefore, the unique operational dynamics and requirements of FSC-VSPSUs necessitate fault ride-through strategies that differ from existing methods tailored for wind turbines.
To fill the gap, this paper uniquely contributes to the field by proposing comprehensive fault ride-through strategies tailored specifically for the FSC-VSPSU. The key contributions of this research are outlined as follows:
(1)
The operating characteristics of the FSC-VSPSU during low and high voltage conditions in power systems are studied. Power imbalance or overmodulation of the converter are dominant factors causing DC overvoltage.
(2)
The fault ride-through requirements of the FSC-VSPSU are proposed. To maximize support for renewable energy and the power grid, a stronger fault ride-through capability is required compared to that of wind turbines.
(3)
A combined control strategy for fault ride-through of the FSC-VSPSU is proposed. This strategy includes fast power droop, reactive power compensation, rotor kinetic energy regulation, power reversal, low-power protection, a crowbar circuit, etc. Unique fault ride-through combination strategies are applied under various operating conditions and control modes.
The remaining part of this paper is structured as follows: Section 2 presents the structure and control strategy of the FSC-VSPSU. Subsequently, Section 3 analyzes the low voltage and high voltage fault characteristics of the FSC-VSPU under different operating conditions. Section 4 proposes the LVRT and HVRT strategies under different operating conditions. The effectiveness of the fault ride-through strategies is verified through simulation analysis in Section 5. Section 6 draws research conclusions.

2. Structure and Control Strategy of FSC-VSPSU

This section introduces the basic structure of the FSC-VSPSU and control strategies under power generation and pumping conditions.

2.1. Structure of FSC-VSPSU

The basic structure and control strategy scheme of the FSC-VSPSU are shown in Figure 1. n and nref represent the actual and reference values of unit speed, respectively. Ug and Ugref are the actual and reference values of the unit voltage. Pg and Pgref are the actual and reference values of the unit active power. Ps is generator active power. Udc and Udcref are the actual and reference values of the DC voltage of the FSC. QI and QIref are the actual and reference values of the reactive power of the GSC. QR and QRref are the actual and reference values of the reactive power of the RSC. y and yref are the actual and reference values of the guide vane opening.
A typical VSPSU equipped with a FSC often comprises several key components. Central to the system are a reversible pump turbine and an electrically excited synchronous generator (EESG); both of them are coaxially linked. The unit is connected to the power grid through FSC.

2.2. Optimal Efficiency Control

As shown in Figure 1, the unit control system mainly includes the converter control system, governor system, excitation system, and the coordinated control system. The unit adopts an optimal efficiency control strategy. The coordinated control system is responsible for receiving regulation commands and generating the reference signals for the optimal speed. The principle of generating the optimal reference speed under power generation and pumping conditions is shown in Figure 2. It takes the waterhead H, power reference, or guide vane opening reference as input. Based on the comprehensive characteristics of the pump-turbine, the system obtains the speed corresponding to the highest efficiency of the unit under the current operating conditions. This allows for achieving the best operational speed under varying conditions, ensuring the pump-turbine operates at peak efficiency.

2.3. Power Generation and Pumping Control Strategies

There are two control modes under power generation conditions. Namely, the fast power mode and the fast speed mode. The EESG adopts a constant voltage frequency ratio control strategy to control the rotor side voltage [7].
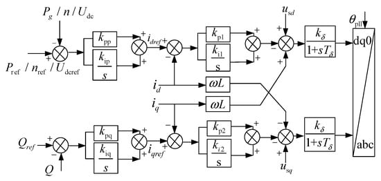
The converter and its typical dq decoupled control strategy are shown in Figure 3. idref and iqref are the reference values of d-axis and q-axis current, respectively. θpll is the output angle of PLL. kδR and TδR are the gain of PWM and modulation wave period, respectively. kpp and kip are the proportion and integral gains of the d-axis outer loop. kp1 and ki1 are the proportion and integral gains of the d-axis inner loop. kpq and kiq are the proportional and integral gains of the q-axis outer loop. kp2 and ki2 are the proportional and integral gains of the q-axis inner loop. Regardless of the operation mode, the GSC always controls the DC voltage. In the fast power mode, power is controlled by the RSC, and speed is controlled by the governor. Conversely, in the fast speed mode, power is controlled by the governor, and speed is controlled by the RSC. Under pumping conditions, the unit does not control the power directly. The guide vane opening is controlled by the governor, and the speed is controlled by the RSC in the pumping mode.
The governor control diagram of the generation conditions is shown in Figure 4. kw is speed measurement gain. bp is the guide vane opening deviation adjustment coefficient. kp, ki, and kd are speed control proportional, integral, and differential gains. kpm, kim, and kdm are the proportional, integral, and differential gains of the servo mechanism. Ypid is the output of the speed of power control. PID, To, and TC are the water gate opening and closing times constant. T2 is the power delay time. kpg and kig are the proportional and integral gains of power control. H0 and Pm0 are the initial water head and mechanical power. Pm is the mechanical power. Tw is the rated water hammer efficiency time constant.
Figure 4a is the generator speed control block diagram in fast power mode. Figure 4b is the power control block diagram in fast speed mode. The biggest difference between the two modes is that, in the fast speed mode, the speed control loop is removed and replaced by the active power controller. Figure 4c shows the governor servo mechanism. As shown in Figure 4d, a turbine model considering the initial load and water head is used [6].
The governor system and the equivalent simulation model of the pump in the pumping conditions are shown in Figure 5. Under the pumping state, the pump turbine only accepts the guide vane opening command. In Figure 5, Hs is the initial water head, Hloss is the water head loss, Hd and Qd are the dynamic water head and flow, η is the pumping efficiency, ωg is the unit speed per unit value, and fe is the total loss coefficient. fe is shown in Equation (1),
f e = y max y / y
where, ymax is the maximum guide vane opening. The characteristic equation of the water pump in Figure 3, namely the relationship among the water head, water flow, and speed of the motor, can be approximated using the quadratic polynomial shown in Equation (2):
H d = a 0 ω g 2 + a 1 ω g Q d + a 2 Q d 2
where, a0, a1, and a2 are the fitting coefficients.

3. Analysis of Fault Ride-Through Characteristics

3.1. LVRT Characteristics

As shown in Figure 1, Pm, Ps, and Pg represent the turbine mechanical power, the active power delivered to the RSC, and the active power delivered by the GSC to the grid, respectively. When the FSC-VSPSU operates under the power generation condition normally, the power on both sides of the converter is balanced, i.e., Pm = Ps = Pg. Therefore, the DC bus voltage value Udc satisfies Equation (3).
C U d c d U d c d t = P s P g = Δ P = 0
The unbalanced power ΔP is approximately zero under normal operating conditions, and the DC bus voltage Udc remains constant. Once the system voltage drops, it is considered that the converter has a certain current limit value, and the current will not suddenly change. When the current reaches the current limit value, the voltage at the grid connection point decreases. Consequently, the active power Pg on the grid side decreases, while the active power Ps of the power transmitted by the generator changes less. Therefore, the unbalanced power ΔP will be greater than zero, and the DC bus voltage will increase.
Assuming that the FSC-VSPSU operates at rated power, at this time the grid voltage and the active current are egd and igd, respectively. The grid voltage drops to egd1, and the active current drops to igd1. Without considering the current limiting of the inverter, the GSC is controlled by zero reactive power. According to the principle of power balance, the grid-side power Pg1 during the fault period satisfies Equation (4).
P g 1 = e g d 1 i g d 1
Assuming that the minimum voltage during the fault period and the maximum overcurrent capacity of the converter are ku times the rated voltage and ki times the rated current, respectively, and it is also assumed that the DC voltage does not suddenly change at the moment of the fault. After the converter current limitation is activated, the DC power satisfies Equation (5).
C U d c d U d c d t = e g d i g d k u e g d k i i g d
Consequently, during the low voltage period, the DC voltage satisfies Equation (6):
U d c = t 0 t 1 1 k u k i P g C U d c 0 + U d c 0
where Udc0 represents the rated DC voltage during normal operation. Therefore, the deeper the system voltage drop, the smaller the overcurrent capacity of GSC and the higher the DC overvoltage. By neglecting the power loss of the water pump turbine unit, the generator rotor speed ω satisfies Equation (7):
J T ω g d ω g d t = P m P s
where JT is the rotational inertia of the rotor. Due to the regulation time scale of the governor system being in the second level and the hysteresis effect of water, the mechanical power Pm remains basically unchanged for a short period after a disturbance occurs. However, the electromagnetic power output Ps is blocked. Therefore, during the low-voltage period of the system, the unit speed will fluctuate.
When the FSC-VSPSU operates under pumping conditions, referring to the analysis of power generation conditions, the DC voltage under pumping conditions satisfies Equation (8).
U d c = t 0 t 1 k u k i 1 P g C U d c 0 + U d c 0
Therefore, the deeper the system voltage drop, the smaller the overcurrent capacity of GSC, and the lower the DC voltage. According to this, it can be inferred that the voltage on the DC capacitor will significantly decrease. Although there is no risk of overvoltage, if the DC voltage is too low, the converter will deviate from the stable operating point, potentially leading to unstable operation. Under the pumping conditions, the rotor speed of the motor satisfies Equation (9).
J T ω g d ω g d t = P m + P s
During the low-voltage period, the converter is unable to smoothly transmit power from the grid to the motor in a short period, and the electromagnetic power PS on the machine side will be significantly reduced. The mechanical power Pm remains basically unchanged, which will lead to a spontaneous decrease in frequency or speed of the unit. According to Equation (2), it is known that a significant decrease in unit frequency or speed will significantly decrease the flow rate and water head. If the frequency or speed is too low, the unit will seriously deviate from the optimal pumping point, and its operation efficiency will be reduced. Additionally, if the water flow surges in the diversion pipeline for a long time, it will pose a safety risk on the pipeline or even force the unit to shut down.

3.2. HVRT Characteristics

Based on the FSC, the EESG and the power grid are completely isolated. When grid voltage rises, the GSC is the first one to be affected. The generator/motor passively responds to the influence of the RSC perturbation, and the GSC is capacitively coupled to the RSC through the DC capacitor. Therefore, maintaining the stability of the DC bus voltage is essential for uninterrupted operation when the system voltage rises.
The current relationship of the GSC in the dq rotating coordinate system can be expressed as Equation (10):
L g d i d d t = e d R g i d + ω L g i q u g d L g d i q d t = e q R g i d ω L g i d u g q
where ed and eq are the d-axis and q-axis components of the grid voltage; ugd and ugq are the d-axis and q-axis components of the output voltage on the AC side of the GSC; id and iq are the d-axis and q-axis components of the input current of the GSC; Rg and Lg are the incoming resistance and filtering inductance of the GSC, respectively; ω is the grid angular frequency.
When the voltage vector of the power grid is oriented along the d-axis, ed = E, eq = 0. id and iq respectively represent the active and reactive components of the current, where E is the peak phase voltage of the power grid. During normal conditions, both id and iq are DC components, and the differential term is zero. According to (10), the control equation of the GSC during normal conditions can be obtained as shown in Equation (11).
u g d = e d R g i d + ω L i q u g q = R g i q ω L i d
When the power factor angle of the GSC operates at a certain value, there is a certain constraint relationship between the maximum output voltage of the GSC and the DC voltage. Based on voltage modulation theory, the modulation ratio m should satisfy Equation (12).
m = u g d 2 + u g q 2 U d c / 2 2 3
Therefore, the DC bus voltage Udc satisfies Equation (13).
U d c 3 ( e d R i d + ω L i q ) 2 + ( R i q ω L i d ) 2
According to Equations (12) and (13), a rise in grid voltage not only raises the DC side voltage but may also lead to overmodulation in the GSC, which makes the GSC lose control and a reverse flow. The DC bus voltage of the FSC-VSPSU must increase proportionally with the GSC output voltage so as to prevent overmodulation and prevent the grid-side converter from losing control. Additionally, it is also necessary to avoid excessive DC bus voltage that could cause the pumped storage unit to disconnect from the grid.
Under the power generation conditions, if the voltage at the receiving end grid suddenly rises, the grid-side power cannot be properly dispatched, causing power flow into the FSC from the machine side. According to Equation (3), this will cause the DC bus voltage to rise, which can directly threaten the normal operation of the unit. Similarly, under pumping conditions, an increase in grid voltage can also lead to DC overvoltage.
According to Equations (12) and (13), a rise in grid voltage not only raises the DC side voltage but may also lead to overmodulation in the GSC, which makes the GSC lose control and a reverse flow. The DC bus voltage of the FSC-VSPSU must increase proportionally with the GSC output voltage so as to prevent overmodulation and prevent the grid-side converter from losing control. Additionally, it is also necessary to avoid excessive DC bus voltage that could cause the pumped storage unit to disconnect from the grid.
Under the power generation conditions, if the voltage at the receiving end grid suddenly rises, the grid-side power cannot be properly dispatched, causing power flow into the FSC from the machine side. According to Equation (3), this will cause the DC bus voltage to rise, which can directly threaten the normal operation of the unit. Similarly, under pumping conditions, an increase in grid voltage can also lead to DC overvoltage.

4. Fault Ride-Through Control Strategies

Based on previous analysis, a decrease or increase in grid voltage may lead to DC overvoltage, low voltage, and overmodulation of the converter, jeopardizing the unit’s operation and potentially causing tripping. This could endanger the unit’s secure functioning and potentially result in trips. Therefore, this section proposes the fault ride-through strategies.

4.1. Fault Ride-Through Requirements

At present, research on fault ride-through requirements is mainly focused on wind turbines. However, there are no relevant requirements for the FSC-VSPSU. The complementary operation of pumped storage and renewable energy is an effective way to address issues such as power fluctuations. In order to maximize support for renewable energy, it is required that the fault ride-through ability of the FSC-VSPSU is superior to that of renewable energy.
Figure 6 compares the LVRT and HVRT characteristics of the proposed FSC-VSPSU with those of wind turbines. Specifically, Figure 6a illustrates the LVRT characteristics. The FSC-VSPSU should sustain operation for 625 ms at a voltage drop to 15% of the rated voltage at the grid connection point and continue without disconnection if grid voltage recovers to 85% of the rated voltage within 2 s.
Figure 6b illustrates the HVRT characteristics of the FSC-VSPSU. At voltage increases to 130–135% of the rated voltage at the grid connection point, it should continue operating for 1 s without grid disconnection. At 125%, it should maintain operation for 9 s. At 115% of the rated voltage, the FSC-VSPSU can operate indefinitely.

4.2. LVRT Strategy in Generation Condition

Under power generation conditions in fast power mode, the RSC rapidly adjusts real power, often within hundreds of milliseconds, for swift power reduction, as shown in Figure 7. The DC voltage deviation undergoes processing through a dead zone and limiting link, adjusted by the PI controller to output the necessary power regulation, which then integrates into the power reference to form a new regulation command. Moreover, the GSC provides reactive power during grid voltage drops [24]. To protect against DC overvoltage in engineering practice, a crowbar circuit is often necessary [22].
However, in fast speed mode, the aforementioned strategies become inapplicable for the FSC-VSPSU. The speed of power regulation is slower in this mode as it is governed by the turbine governor, not allowing for rapid power reduction. Here, the unit speed is managed by the RSC and can be adjusted within milliseconds. Given the greater inertia of FSC-VSPSU compared to wind turbines, employing rotor energy storage is particularly effective at absorbing excess turbine-side power, thus mitigating DC overvoltage.
When the generator speed increases from n0 to n1, the rotor stores part of the kinetic energy, which can be expressed as:
Δ E k = E k 0 E k 1 = E k 0 1 n 1 n 0 2
where Ek0 = 1/2TJn02. Ek0 is the initial kinetic energy, and Ek1 is the kinetic energy corresponding to the rotational speed n1. ΔEk is the decreased kinetic energy. TJ is the rotational inertia. Figure 8 shows the rotor energy storage control strategy. The DC voltage deviation passes through a dead zone and limiting link, and after being adjusted and limited by the PI controller, the corresponding speed adjustment amount for rotor kinetic energy adjustment is output. This is superimposed on the optimal speed reference to form a new speed adjustment instruction.
Due to the limited rotational inertia and the finite capability to increase speed, the effectiveness of reducing input power through rotor energy storage is constrained. Directly reducing the output power of the prime mover would be more effective; however, water has a significant inertia with a time constant typically between 2–5 s. The mechanical governor also adjusts slowly, fully opening the guide vanes in about 12–15 s, making rapid power reduction challenging. However, the water hammer effect offers a reverse regulation characteristic of power, which can be leveraged to moderately reduce mechanical power. This approach is termed the power anti-regulation strategy (PARS).
Figure 9 illustrates the PARS, which is implemented by integrating an additional guide vane opening adjustment into the existing power regulation PID in Figure 4b. Initially, a step signal is applied at the onset of the fault ride-through, instantly increasing the guide vane opening. This increment, due to the water hammer effect, reduces the mechanical power, aiding in mitigating DC overvoltage. After peaking in power reversal, the guide vane instruction is progressively decreased to zero, utilizing the water hammer effect for LVRT control. However, frequent activation of this strategy may cause accelerated mechanical wear of the guide vanes.
Simultaneously, during the LVRT process, the GSC can inject reactive current to support grid voltage. Consequently, activating reactive current injection control is essential. The criteria for injecting capacitive reactive current during voltage dips are specified below:
i g q r e f K 1 ( 0.9 e ) i N ,       0.15 e 0.9
where igqref is the reference value of reactive current during the fault period; e is the system effective voltage during the fault period; iN is the rated current of the GSC; K1 is the proportional coefficient of the dynamic reactive current. The dynamic reactive current control strategy of GSC is shown in Figure 10. Essentially, it uses variable operating factors to quantitatively compensate for reactive power, ensuring normal and stable power output. Therefore, the active support strategy for reactive current on the grid side can also suppress the increase in DC bus voltage.
Considering that the use of a crowbar circuit can lead to energy waste in the FSC-VSPSU and that long-term operation of the resistor may cause overheating or even explosion. However, from the perspective of engineering reliability, the crowbar circuit is also necessary. When using the aforementioned single strategy, it is difficult to achieve satisfactory results. Therefore, a combination of strategies is proposed. Prioritizing the rotor energy storage control strategy allows the system’s excess energy to be stored as rotor kinetic energy. If the fault is severe and the DC voltage exceeds the allowable value of 1.1 pu, the crowbar circuit should be activated to avoid excessive DC bus voltage. If the DC voltage remains above the tolerable value even after applying the crowbar circuit, the power anti-regulation strategy should be triggered. Meanwhile, reactive current injection control should be activated during the LVRT control.

4.3. LVRT Strategy in Pumping Conditions

During a low-voltage process of the system under pumping conditions, the FSC-VSPSU faces the problem of insufficient energy and low DC voltage. This may prevent the unit from effectively pumping water, resulting in increased vibration and oscillation. To address this issue, the optimal solution would be to increase DC energy storage. However, this would significantly raise the investment costs for power plants. From a technical and economic perspective, it is recommended to use protection methods instead. These protection methods could involve low power, low voltage, or other forms of protection, with specific settings determined based on the unit’s actual situation. The low power protection is described by Equations (16) and (17).
P S T = 0.05 ~ 0.2 P P
where PST is the low power action setting value and PP is the rated power consumed by the pump. The action time limit is the inertia time of the water flow after the pump is powered off, usually 1–2 s. Low power protection can be set according to (15), and it can also be set according to (16).
P S T = 0.3 ~ 0.6 P N
where PN is the rated power of the generator. After the low power protection action, the water pump stops. There are various principles for implementing pump protection, and this paper will not discuss them in detail.
Similar to the power generation condition, GSC can also provide reactive power support. Therefore, in the event of a power grid failure under the pumping condition, GSC should prioritize providing reactive power support. When the voltage or power drops too low to meet the normal pump operation, it is permissible to disconnect the pump from the power grid.

4.4. HVRT Strategy in Generation Condition

Based on previous analysis, regardless of the operating conditions, high voltage faults cause DC overvoltage, GSC overmodulation, and power imbalance under all operating conditions. LVRT strategies from power generation scenarios are applicable to address HVRT issues. Overmodulation typically occurs when grid voltage surpasses the GSC’s controllable range. Therefore, regardless of the unit’s operating conditions, injecting a certain amount of inductive reactive power can help reduce the AC voltage of the GSC. Similar to reactive power compensation in LVRT, HVRT can also adopt the reactive power compensation strategy. The reference value of reactive current is as follows:
i g q r e f K 1 ( e 1.1 ) i N ,       1.1 e 1.35
If the power grid experiences excessive overvoltage, transient power imbalances can significantly raise bus voltage. To keep DC voltage within safe limits, the DC crowbar circuit can dissipate excess energy using the dynamic braking resistor.

4.5. HVRT Strategy in Pumping Condition

Under pumping conditions, the unit behaves such as an adjustable load. An increase in grid voltage leads to a significant rise in the power consumed by the pump. Simultaneously, due to the overmodulation of the converter, there will be an overvoltage on the DC side. The correlation between pump power and speed is detailed in Equation (19).
P 1 P 2 = n 1 n 2 3
where subscripts 1 and 2 represent two operating points at different speeds. P is the power consumed by the pump, and n is the unit speed, with pump power proportional to the cube of the unit speed. Therefore, a slight adjustment in speed can result in a significant power adjustment. During high voltage conditions, rapidly increasing the pump speed can also help to consume the increase in grid-side power caused by the increase in grid voltage. The rapid acceleration strategy of the pump is the same as the rotor kinetic energy control strategy shown in Figure 8. In addition, it can also be used to reduce DC overvoltage. Similar to power generation conditions, reactive power compensation and crowbar circuits are also applicable.

5. Simulation Verification

A simulation model of the FSC-VSPSU, as shown in Figure 1, is constructed in PSCAD/EMTDC. The correctness of the low and high voltage fault characterization of the grid and the effectiveness of the proposed LVRT and HVRT strategies will be verified in this section. Table 1 and Table 2 provide the simulation parameters of the FSC-VSPSU. Table 3 shows the clear experimental steps.

5.1. Simulation Characteristics of LVRT

Firstly, the LVRT characteristics are simulated. The system voltage signal command is shown in Figure 11. The simulation results under low voltage faults in the power generation and pump conditions without applying fault ride-through control measures are shown in Figure 12.
When using the fast speed mode for power generation, the active power on the grid side significantly decreases. Due to the inability to decouple reactive power from active power during transient processes, the reactive power briefly increases before returning to zero. The power on the rotor side slightly decreases and the DC voltage increases significantly, with a slight change in the rotational speed. When using the fast power mode for power generation, the characteristics of active and reactive power changes on the generator side and the unit speed are consistent, but the magnitude of the changes varies due to differences in control modes.
For clear comparison, the power direction was not distinguished under pumping conditions. Under pumping conditions, the active power on the grid side decreases significantly and oscillates. The active power waveform on the generator side is similar to that on the grid side, while the unit speed and DC voltage decrease significantly. The simulation results align with the analysis of LVRT characteristics presented in Section 3.1.

5.2. Verification of the LVRT Strategy

This section verifies that the proposed combination of the LVRT strategies can meet the fault ride-through requirements mentioned in Section 4.1. The system voltage signal command is shown in Figure 13.
(1)
In the fast speed mode
Figure 14 shows the simulation curve for fast-speed mode under power generation conditions without any measures. The excessive energy on the rotor side causes the DC voltage to rapidly increase, making it impossible for FSC to operate stably, resulting in the loss of stability of the unit. Figure 15 shows the effect of investing in the combination strategy. As shown in Figure 15c, the rotor speed increases even more, reaching 1.052 pu. The guide vane opening as shown in Figure 15f instantly increases to 0.84 pu, which reduces the power input on the machine side to a certain extent. The DC crowbar circuit is triggered, maintaining the DC bus voltage at 1.1 pu during the fault period, as shown in Figure 15d. The GSC outputs reactive power, and the unit remains stable. The DC voltage is within a safe range, and the LVRT control effect is good after the combination strategy is put into use.
(2)
In the fast power mode
Similar to the fast-speed mode, low-grid voltage can cause unit instability. The unstable waveform is similar to Figure 14. Figure 16 shows the effects of applying the combination strategy. The introduction of the fast power reduction strategy causes rotor-side power to rapidly decrease to 0.78 pu. Due to the governor controlling the unit speed at this time, its adjustment speed is slow. Therefore, the power imbalance caused a significant increase in the unit speed. In addition, the GSC outputs reactive power to increase grid voltage, keeping the unit stable and the DC voltage within a safe range.
(3)
In pumping condition
Similar to power generation conditions, low-grid voltage can cause insufficient energy for the pump and instability of the unit. After adopting low-power protection measures, the water pump can be quickly shut down to ensure unit safety, as shown in Figure 17 and Figure 18.

5.3. Verification of the HVRT Strategy

This section verifies that the proposed combination of the HVRT strategies can meet the fault ride-through requirements mentioned in Section 4.1. The system voltage signal command is shown in Figure 19.
(1)
In fast speed mode
Figure 20 shows the simulation curve of the fast speed mode under power generation conditions before and after the HVRT measures are applied. In this case, the rotor energy storage, reactive power compensation, and power reversal strategies are applied, while the crowbar circuit is not adopted.
During the overvoltage period of the system, there is a significant drop in active power on the grid side, and the active power on the rotor side also decreases. The maximum DC voltage reaches 1.2 pu. With the HVRT strategy, the rotor speed increases to store the unit energy to reduce the rotor-side active power and the power imbalance. The GSC outputs reactive current to avoid overmodulation. The DC voltage decreased from 1.2 pu to 1.1 pu and immediately stabilized at 1.03 pu.
(2)
In fast power mode
Figure 21 shows the simulation curve of the fast power mode under power generation conditions before and after the HVRT measures are applied. In this case, the rotor energy storage, reactive power compensation, and fast power drop strategies are applied. The crowbar circuit is not adopted.
Without control strategy, the active and reactive power on the rotor side remain almost unchanged, and the unit speed does not change. The active power on the grid side decreases significantly during the overvoltage period, and the transient voltage of the DC bus rises to a maximum of 1.17 pu. With the proposed HVRT strategy, the GSC outputs inductive reactive current to maintain the grid voltage. Due to the power speed reduction strategy, the active power on the rotor side decreases to 0.87 pu during the fault period, and the maximum DC voltage drops from 1.17 pu to 1.1 pu.
(3)
In pumping condition
Figure 22 shows the simulation curve of the pumping condition before and after the HVRT measures are applied. In this case, the rotor speed increases, and reactive power compensation strategies are applied. The crowbar circuit is not adopted.
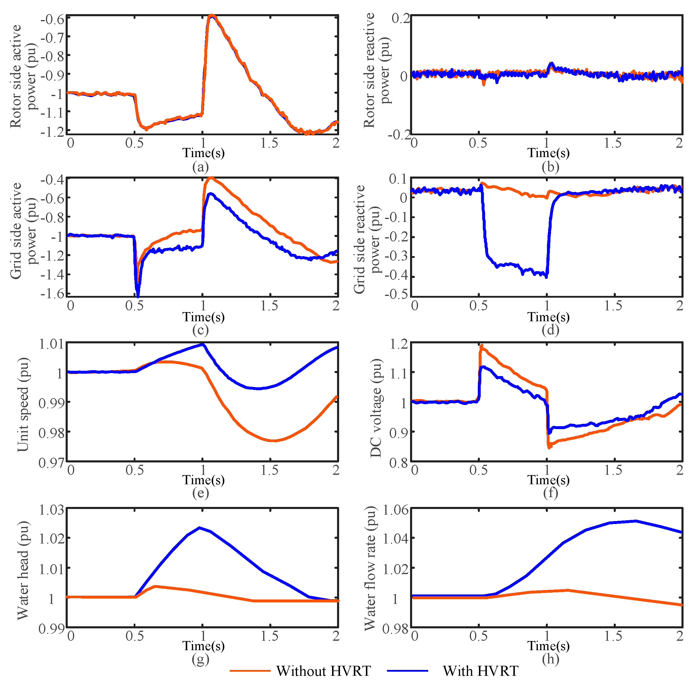
During the fault period, the active power on both rotor and grid side increased significantly, the unit speed fluctuated greatly, and the changes in water head and flow rate are relatively small. The maximum DC bus voltage rises to 1.2 pu. With the proposed HVRT strategy applied, the rotor is precisely accelerated, increasing the active power consumption on the rotor side and reducing the unbalanced power stored in the DC capacitor. Combined with reactive power compensation of the inverter, the DC voltage decreases from 1.2 pu to 1.1 pu. The water head of the unit increases to 1.024 pu, and the pumping flow rate increases to 1.045 pu.
The above simulation results verify the correctness of the fault analysis during the high voltage period, as well as the effectiveness of the proposed HVRT combination strategy. However, it should be further noted that although the DC overvoltage decreased to 1.1 pu after implementing control measures, it is still recommended to configure a crowbar circuit in engineering to ensure the unit’s safe operation.

6. Conclusions

This paper analyzes the characteristics of the FSC-VSPSU under low voltage and high voltage fault conditions. Based on this analysis, the fault ride-through requirements and control strategies are proposed. The dominant factor causing DC overvoltage during low-voltage events is power imbalance. The high-voltage process is mainly affected by the overmodulation of FSC and the power imbalance. In order to provide better support for the renewable energy or the power grid, it is recommended that the fault ride-through ability of the FSC-VSPSU is stronger than that of wind turbines.
In terms of LVRT, the critical issues include power imbalance and DC overvoltage or undervoltage. Under power generation conditions, adopting a combination strategy of power droop, reactive power compensation, and crowbar circuits is advocated. In fast-speed mode, a strategy integrating rotor kinetic energy regulation, power reversal, reactive power compensation, and crowbar circuits is suggested. Under pumping conditions, it is prudent to implement low power protection strategies. The application of the proposed LVRT strategy enables the FSC-VSPSU to handle low voltage faults down to a minimum of 0.15 pu, actively bolstering the grid voltage and reducing potential peak DC voltage to a stable 1.1 pu.
In terms of HVRT, the primary issues involve the DC overvoltage caused by the overmodulation of the converter and the power imbalance. The strategies for power generation conditions are still applicable. Under pumping conditions, fast speed regulation can effectively solve the problems of power imbalance and DC overvoltage during fault processes. It is recommended to adopt a combination strategy of fast speed regulation, reactive power compensation, and crowbar circuit. Implementing the proposed HVRT strategy ensures that the FSC-VSPSU can endure high voltage faults up to 1.35 pu, actively supporting the grid voltage while preventing overmodulation, and maintaining DC voltage within a safe range of 1.1 pu.

Author Contributions

Conceptualization, H.S. and L.D.; methodology, Y.W.; software, X.Z. and P.P.; validation, H.S., G.C. and Y.L.; formal analysis, H.S.; investigation, X.Z. and J.L.; resources, H.S.; data curation, H.S.; writing—original draft preparation, H.S. and J.L.; writing—review and editing, L.D. and J.L.; visualization, H.S.; supervision, H.S.; project administration, L.D.; funding acquisition, L.D. All authors have read and agreed to the published version of the manuscript.

Funding

This research was supported by the Science and Technology Project of State Grid Sichuan Electric Power Company of China (521997230004).

Institutional Review Board Statement

Not applicable.

Informed Consent Statement

Not applicable.

Data Availability Statement

The data presented in this study are available in article.

Conflicts of Interest

The authors declare no conflicts of interest. The funders had no role in the design of this study, in the collection, analysis, or interpretation of data, in the writing of the manuscript, or in the decision to publish the results.

Nomenclature

Ug, UgrefActual and reference voltage of the unit
n, nrefActual and reference unit speed
Pg, PgrefActual and reference active power
Udc, UdcrefActual and reference DC voltage
QI, QIrefActual and reference reactive power of the GSC
QR, QRrefActual and reference reactive power of the RSC
y, yref,ymaxActual value, reference value, and maximum value of the guide vane opening
Pm, Ps, PgMechanical power of the unit, the active power delivered to RSC, and the active power delivered to the grid
Rg, LgIncoming resistance and filtering inductance of the GSC
ωgUnit speed per unit value
JTRotational inertia of the rotor
ed, eqGrid voltage d-axis and q-axis components
ugd, ugqd-axis and q-axis components of the output voltage of the GSC
id, iqd-axis and q-axis components of the input current of the GSC
egd,igdGrid voltage and active current
ωGrid angular frequency
feTotal loss coefficient
idref, iqrefReference values of d-axis and q-axis current, respectively.
θpllOutput angle of PLL
kδR, TδRGain of PWM and modulation wave period
kpp, kipProportion and integral gains of the d-axis outer loop
kp1, ki1Proportion and integral gains of the d-axis inner loop
kwSpeed measurement gain
kp2, ki2Proportional and integral gains of the q-axis inner loop
kpq, kiqProportional and integral gains of the q-axis outer loop
bpGuide vane opening deviation adjustment coefficient
kp, ki, kdSpeed control proportional, integral, and differential gains
kpm, kim, kdmProportional, integral, and differential gains of the servo mechanism
YpidOutput of the speed of power control PID
To, TCWater gate opening and closing times are constant.
T2Power delay time
kpg, kigProportional and integral gains of the power control
H0, Hd, HlossInitial water head, dynamic water head, and water head loss
TwRated water hammer efficiency time constant
QdDynamic water flow
ηPumping efficiency

References

  1. Majidi, M.; Rodriguez-Garcia, L.; Mosier, T.M.; Parvania, M. Coordinated operation of pumped-storage hydropower with power and water distribution systems. Int. J. Electr. Power Energy Syst. 2022, 142, 108297. [Google Scholar] [CrossRef]
  2. Sarasúa, J.I.; Martínez-Lucas, G.; Lafoz, M. Analysis of alternative frequency control schemes for increasing renewable energy penetration in El Hierro Island power system. Int. J. Electr. Power Energy Syst. 2019, 113, 807–823. [Google Scholar] [CrossRef]
  3. Desingu, K.; Selvaraj, R.; Chelliah, T.R. Control of reactive power for stabilized junction temperature in power electronic devices serving to a 250-MW asynchronous hydro generating unit. IEEE Trans. Ind. Appl. 2019, 55, 7854–7867. [Google Scholar] [CrossRef]
  4. Joseph, A.; Chelliah, T.R. A review of power electronic converters for variable speed pumped storage plants: Configurations, operational challenges, and future scopes. IEEE J. Emerg. Sel. Top. Power Electron. 2018, 6, 103–119. [Google Scholar] [CrossRef]
  5. Dong, Z.; Muljadi, E.; Kim, J.; Nelms, R.M. Dynamic modeling of full converter adjustable-speed pumped storage hydropower (FC AS-PSH). In Proceedings of the 2020 IEEE Power & Energy Society General Meeting (PESGM), Montreal, QC, Canada, 2–6 August 2020. [Google Scholar]
  6. Shi, H.; Wang, Y.; Sun, X.; Chen, G.; Ding, L.; Pan, P.; Zeng, Q. Stability characteristics analysis and ultra-low frequency oscillation suppression strategy for FSC-VSPSU. Int. J. Electr. Power Energy Syst. 2024, 155, 109623. [Google Scholar] [CrossRef]
  7. Shi, H.; Wang, Y.; Chen, G.; Ding, L.; Liao, J. Suppression strategy of coupled oscillation and power anti-regulation of variable speed pumped storage unit with full-size converter. IET Electr. Power Appl. 2023, 17, 976–990. [Google Scholar] [CrossRef]
  8. Chang, X.; Han, M.; Zheng, C. Power control analysis for variable speed pumped storage with full-size converter. In Proceedings of the IECON 2015-41st Annual Conference of the IEEE Industrial Electronics Society, Yokohama, Japan, 9–12 November 2015. [Google Scholar]
  9. Borkowski, D. Analytical model of small hydropower plant working at variable speed. IEEE Trans. Energy Convers. 2018, 33, 1886–1894. [Google Scholar] [CrossRef]
  10. Guo, B.; Mohamed, A.; Bacha, S.; Alamir, M. Variable speed micro-hydro power plant: Modelling, losses analysis, and experiment validation. In Proceedings of the 2018 IEEE International Conference on Industrial Technology (ICIT), Lyon, France, 20–22 February 2018. [Google Scholar]
  11. Yang, Z.; Tang, F.; Wu, X.; Wang, W.; Jiang, J. Virtual synchronous generator control of variable speed pumped storage hydropower with full-size converter. In Proceedings of the IEEE Power & Energy Society General Meeting (PESGM), Montreal, QC, Canada, 2–6 August 2020. [Google Scholar]
  12. Wang, W.; Wang, Z.; Yang, Z.; Ma, W.; Tang, F.; Wu, X.; Xiao, M. Methods of smoothing active power fluctuations of photovoltaic plants using the full-size converter based variable speed pumped storage unit. In Proceedings of the IEEE Power & Energy Society General Meeting (PESGM), Montreal, QC, Canada, 2–6 August 2020. [Google Scholar]
  13. Schmidt, E.; Ertl, J.; Preiss, A.; Zensch, R.; Schürhuber, R.; Hell, J. Studies about the low voltage ride through capabilities of variable-speed motor-generators of pumped storage hydro power plants. In Proceedings of the AUPEC 2011, Brisbane, Australia, 25–28 September 2011. [Google Scholar]
  14. Taherzadeh, E.; Radmanesh, H.; Javadi, S.; Gharehpetian, G.B. Circuit breakers in HVDC systems: State-of-the-art review and future trends. Prot. Control Mod. Power Syst. 2023, 8, 38. [Google Scholar] [CrossRef]
  15. El Myasse, I.; El Magri, A.; Mansouri, A.; Watil, A.; Kissaoui, M. Enhancement of fault ride-through capability of three-level NPC converter-based HVDC system through robust nonlinear control strategy. e-Prime-Adv. Electr. Eng. Electron. Energy 2024, 7, 100455. [Google Scholar] [CrossRef]
  16. Wang, J.; Huang, M.; Fu, C.; Li, H.; Xu, S.; Li, X. A New Recovery Strategy of HVDC System During AC Faults. IEEE Trans. Power Deliv. 2019, 34, 486–495. [Google Scholar] [CrossRef]
  17. Daoud, M.I.; Massoud, A.M.; Abdel-Khalik, A.S.; Elserougi, A.; Ahmed, S. A flywheel energy storage system for fault ride through support of grid-connected VSC HVDC based offshore wind farms. IEEE Trans. Power Syst. 2016, 31, 1671–1680. [Google Scholar] [CrossRef]
  18. Yan, X.; Yang, L.; Li, T. The LVRT control scheme for PMSG-based wind turbine generator based on the coordinated control of rotor overspeed and supercapacitor energy storage. Energies 2021, 14, 518. [Google Scholar] [CrossRef]
  19. Alam, M.S.; Abido, M.A.Y.; Hussein, A.E.-D. Non-linear control for variable resistive bridge type fault current limiter in AC-DC systems. Energies 2019, 12, 713. [Google Scholar] [CrossRef]
  20. Rahim, A.H.M.A.; Nowicki, E.P. Supercapacitor energy storage system for fault ride-through of a DFIG wind generation system. Energy Convers. Manag. 2012, 59, 96–102. [Google Scholar] [CrossRef]
  21. Wang, S.; Liu, J.; Zhao, G.; Liu, S.; Xu, S. Research on the sizing and control scheme of super capacitor system for LVRT of double-fed wind generator. Electr. Energy Manag. Technol. 2019, 9, 65–70. [Google Scholar]
  22. Xing, P.; Fu, L.; Wang, G.; Wang, Y.; Zhang, Y. A compositive control method of low-voltage ride through for PMSG-based wind turbine generator system. IET Gener. Transm. Distrib. 2018, 12, 117–125. [Google Scholar] [CrossRef]
  23. Kim, C.; Gui, Y.; Chung, C.C. A coordinated LVRT control for a PMSG wind turbine. IFAC-PapersOnLine. 2017, 50, 8758–8763. [Google Scholar] [CrossRef]
  24. Kim, C.; Gui, Y.; Zhao, H.; Kim, W. Coordinated LVRT control for a permanent magnet synchronous generator wind turbine with energy storage system. Appl. Sci. 2020, 10, 3085–3095. [Google Scholar] [CrossRef]
  25. Kim, C.; Kim, W. Coordinated fuzzy-based low-voltage ride-through control for PMSG wind turbines and energy storage systems. IEEE Access. 2020, 8, 105874–105885. [Google Scholar] [CrossRef]
  26. Liu, P.; Zhu, G.; Ding, L.; Gao, X.; Jia, C.; Ng, C.; Terzija, V. High-voltage ride-through strategy for wind turbine with fully-rated converter based on current operating range. Int. J. Electr. Power Energy Syst. 2022, 141, 108101. [Google Scholar] [CrossRef]
  27. Liu, G.; Hu, J.; Tian, G.; Xu, L.; Wang, S. Study on high voltage ride through control strategy of PMSG-based wind turbine generation system with SCESU. J. Eng. 2019, 2019, 4257–4260. [Google Scholar] [CrossRef]
  28. Liu, G.; Hu, J.; Tian, G.; Xu, L.; Wang, S. High voltage ride through control of PMSG-based wind turbine generation system using supercapacitor. Act. Passiv. Electron. Compon. 2019, 2019, 3489252. [Google Scholar] [CrossRef]
  29. Boukhris, Y.; El Makrini, A.; El Moussaoui, H.; El Markhi, H. High voltage ride-through capability using series grid side converter for doubly fed induction generator based wind turbines. In Proceedings of the 2015 3rd International Renewable and Sustainable Energy Conference (IRSEC), Marrakech, Morocco, 10–13 December 2015. [Google Scholar]
Figure 1. Structure of the FSC-VSPSU.
Figure 1. Structure of the FSC-VSPSU.
Applsci 14 08672 g001
Figure 2. The principle of the optimal efficiency control strategy.
Figure 2. The principle of the optimal efficiency control strategy.
Applsci 14 08672 g002
Figure 3. Control model of the converter.
Figure 3. Control model of the converter.
Applsci 14 08672 g003
Figure 4. Governor system diagram in the generation conditions. (a) Fast power mode. (b) Fast speed mode. (c) Servo mechanism. (d) Turbine model.
Figure 4. Governor system diagram in the generation conditions. (a) Fast power mode. (b) Fast speed mode. (c) Servo mechanism. (d) Turbine model.
Applsci 14 08672 g004
Figure 5. Governor system diagram in the pumping conditions. (a) Governor model in the pumping condition. (b) Pump simulation model.
Figure 5. Governor system diagram in the pumping conditions. (a) Governor model in the pumping condition. (b) Pump simulation model.
Applsci 14 08672 g005
Figure 6. The technical requirements for fault ride-through of wind turbines and FSC-VSPSU. (a) LVRT. (b) HVRT.
Figure 6. The technical requirements for fault ride-through of wind turbines and FSC-VSPSU. (a) LVRT. (b) HVRT.
Applsci 14 08672 g006
Figure 7. The fast power reduction strategy.
Figure 7. The fast power reduction strategy.
Applsci 14 08672 g007
Figure 8. The rotor energy storage control strategy.
Figure 8. The rotor energy storage control strategy.
Applsci 14 08672 g008
Figure 9. The power anti-regulation control strategy.
Figure 9. The power anti-regulation control strategy.
Applsci 14 08672 g009
Figure 10. The dynamic reactive current control strategy of GSC.
Figure 10. The dynamic reactive current control strategy of GSC.
Applsci 14 08672 g010
Figure 11. Command for voltage changes in the power grid.
Figure 11. Command for voltage changes in the power grid.
Applsci 14 08672 g011
Figure 12. LVRT characteristics simulation. (a) Rotor side active power. (b) Rotor side reactive power. (c) Grid side active power. (d) Grid side reactive power. (e) Unit speed. (f) DC voltage.
Figure 12. LVRT characteristics simulation. (a) Rotor side active power. (b) Rotor side reactive power. (c) Grid side active power. (d) Grid side reactive power. (e) Unit speed. (f) DC voltage.
Applsci 14 08672 g012
Figure 13. Grid voltage during the LVRT.
Figure 13. Grid voltage during the LVRT.
Applsci 14 08672 g013
Figure 14. Simulation results of deep voltage drop in power grid (fast speed mode). (a) Rotor side active power. (b) DC voltage.
Figure 14. Simulation results of deep voltage drop in power grid (fast speed mode). (a) Rotor side active power. (b) DC voltage.
Applsci 14 08672 g014
Figure 15. Simulation results of deep voltage drop in power grid (fast speed mode with LVRT strategy). (a) Rotor side power. (b) Grid side power. (c) Unit speed. (d) DC voltage. (e) Mechanical power. (f) Guide vane opening.
Figure 15. Simulation results of deep voltage drop in power grid (fast speed mode with LVRT strategy). (a) Rotor side power. (b) Grid side power. (c) Unit speed. (d) DC voltage. (e) Mechanical power. (f) Guide vane opening.
Applsci 14 08672 g015
Figure 16. Simulation results of deep voltage drop in power grid (fast power mode with LVRT strategy). (a) Rotor side power. (b) Grid side power. (c) Unit speed. (d) DC voltage.
Figure 16. Simulation results of deep voltage drop in power grid (fast power mode with LVRT strategy). (a) Rotor side power. (b) Grid side power. (c) Unit speed. (d) DC voltage.
Applsci 14 08672 g016
Figure 17. Simulation results of deep voltage drop in power grid (pumping condition). (a) Rotor side active power. (b) DC voltage.
Figure 17. Simulation results of deep voltage drop in power grid (pumping condition). (a) Rotor side active power. (b) DC voltage.
Applsci 14 08672 g017
Figure 18. Simulation results of deep voltage drop in power grid (pumping condition with low power protection). (a) Rotor side active power. (b) DC voltage.
Figure 18. Simulation results of deep voltage drop in power grid (pumping condition with low power protection). (a) Rotor side active power. (b) DC voltage.
Applsci 14 08672 g018
Figure 19. Grid voltage during the HVRT.
Figure 19. Grid voltage during the HVRT.
Applsci 14 08672 g019
Figure 20. Simulation results of the HVRT (fast speed mode of the generation state). (a) Rotor side active power. (b) Rotor side reactive power. (c) Grid side active power. (d) Grid side reactive power. (e) Unit speed. (f) DC voltage.
Figure 20. Simulation results of the HVRT (fast speed mode of the generation state). (a) Rotor side active power. (b) Rotor side reactive power. (c) Grid side active power. (d) Grid side reactive power. (e) Unit speed. (f) DC voltage.
Applsci 14 08672 g020
Figure 21. Simulation results of the HVRT (fast power mode of the generation state). (a) Rotor side active power. (b) Rotor side reactive power. (c) Grid side active power. (d) Grid side reactive power. (e) Unit speed. (f) DC voltage.
Figure 21. Simulation results of the HVRT (fast power mode of the generation state). (a) Rotor side active power. (b) Rotor side reactive power. (c) Grid side active power. (d) Grid side reactive power. (e) Unit speed. (f) DC voltage.
Applsci 14 08672 g021
Figure 22. Simulation results of the HVRT (in pumping state). (a) Rotor side active power. (b) Rotor side reactive power. (c) Grid side active power. (d) Grid side reactive power. (e) Unit speed. (f) DC voltage. (g) Water head. (h) Water flow rate.
Figure 22. Simulation results of the HVRT (in pumping state). (a) Rotor side active power. (b) Rotor side reactive power. (c) Grid side active power. (d) Grid side reactive power. (e) Unit speed. (f) DC voltage. (g) Water head. (h) Water flow rate.
Applsci 14 08672 g022
Table 1. The simulation parameters of the pumped storage unit.
Table 1. The simulation parameters of the pumped storage unit.
Pumped Storage Unit ParametersValue
Rated voltage3.3 kV
Rated capacity5.67 MVA
Synchronous Reactance (d-axis)1.5 pu
Synchronous Reactance (q-axis)1.5 pu
Stator Resistance0.054 pu
Nominal frequency50 Hz
Table 2. The simulation parameters of the full-size converter.
Table 2. The simulation parameters of the full-size converter.
Full-Size Converter ParametersValue
Rated DC voltage5.2 kV
Rated capacity8 MVA
DC capacitance2000/μF
Overcurrent-tolerant capability of GSC1.5 pu
Overvoltage-tolerant capability of DC link1.1 pu
Table 3. Simulation experiment design.
Table 3. Simulation experiment design.
ChapterSimulation ContentThe Experimental Steps
5.1Low-voltage fault characteristicsWithout adopting the LVRT strategy, the system voltage drops to 0.5 pu. Observe the simulation results under different operating conditions.
5.2LVRT strategy validationAdopting the LVRT strategy, the system voltage drops to 0.15 pu. Observe the simulation results under different operating conditions.
5.3High-voltage fault characteristics and HVRT strategy validationThe system voltage rises to 1.35 pu. Observe the simulation results under different operating conditions with and without HVRT strategy.
Disclaimer/Publisher’s Note: The statements, opinions and data contained in all publications are solely those of the individual author(s) and contributor(s) and not of MDPI and/or the editor(s). MDPI and/or the editor(s) disclaim responsibility for any injury to people or property resulting from any ideas, methods, instructions or products referred to in the content.

Share and Cite

MDPI and ACS Style

Shi, H.; Ding, L.; Zeng, X.; Wang, Y.; Pan, P.; Chen, G.; Liu, Y.; Liao, J. Fault Ride-Through Control Strategy for Variable Speed Pumped Storage Unit with Full-Size Converter. Appl. Sci. 2024, 14, 8672. https://doi.org/10.3390/app14198672

AMA Style

Shi H, Ding L, Zeng X, Wang Y, Pan P, Chen G, Liu Y, Liao J. Fault Ride-Through Control Strategy for Variable Speed Pumped Storage Unit with Full-Size Converter. Applied Sciences. 2024; 14(19):8672. https://doi.org/10.3390/app14198672

Chicago/Turabian Style

Shi, Huabo, Lijie Ding, Xueyang Zeng, Yuhong Wang, Pengyu Pan, Gang Chen, Yangtao Liu, and Jianquan Liao. 2024. "Fault Ride-Through Control Strategy for Variable Speed Pumped Storage Unit with Full-Size Converter" Applied Sciences 14, no. 19: 8672. https://doi.org/10.3390/app14198672

APA Style

Shi, H., Ding, L., Zeng, X., Wang, Y., Pan, P., Chen, G., Liu, Y., & Liao, J. (2024). Fault Ride-Through Control Strategy for Variable Speed Pumped Storage Unit with Full-Size Converter. Applied Sciences, 14(19), 8672. https://doi.org/10.3390/app14198672

Note that from the first issue of 2016, this journal uses article numbers instead of page numbers. See further details here.

Article Metrics

Back to TopTop