Improved Simplified Engineering Fault Displacement Hazard Evaluation Method for On-Fault Sites
Abstract
1. Introduction
2. Development of the Improved, Simplified Hazard Evaluation Method
2.1. Sources of Conservatism of Simplified Fault Displacement Hazard Evaluation Methods
- The total probability of non-zero surface displacement , which depends on the magnitude distribution:
- The total probability that the rupture with length L caused by an earthquake with magnitude m and initiating at coordinate crosses the site;In [5] and [31], simple geometrical considerations are made for the distribution of the fault ruptures along the total fault line and the probability of crossing the site.For example, in [5], the probability of crossing the site is proportional to the rupture length relative to the fault length;
- The most important simplification assigning the average displacement along the entire rupture length L. Thus, the exact position of the rupture relative to the site, , can be neglected.
- Thus, the total probability of the average displacement is calculated via:using empirical magnitude scaling relations and its inverse and the density function .
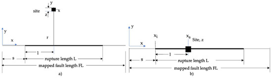
- The position of the site on the fault line;
- The position of the starting point of the rupture concerning the site;
- Whether all rupture lengths cross the site;
- The displacement distribution along the fault.
2.2. Geometrical Conditions for the Sites on the Mapped Fault Line
- The rupture should start below the site’s coordinate, (ruptures illustrated by red dotted curve do not cause displacements at the site; Figure 2a);
- Those ruptures contribute to the site displacement that crosses the site, that is, or (see the solid lines in Figure 2a,b). The ruptures, illustrated by the dotted lines and shorter ones, do not cause displacements at the site;
- Ruptures with are realistic only. The actual rupture with length L should fit inside the fault length FL.
2.3. Consideration of the Displacement Distribution−On-Fault Distance Ratio, l/L
2.4. The Improved Hazard Evaluation Procedure
2.4.1. Characterisation of the Fault Activity, i.e., the Definitions of and
2.4.2. Calculation of the Total Probability of the Non-Zero Surface Rupture
2.4.3. Screening of the Probability That the Ruptures Intersect the Site
2.4.4. Calculation of the Displacements at the Site Location
2.4.5. Calculation of the Expected Displacements at the Site Location
2.4.6. Calculation of the Annual Exceedance Rate (AER)
3. Evaluation of the Hazard Curves for Different On-Fault Site Positions
4. Discussion of the Results
4.1. Analysis of the Results
4.2. Consideration for Validation of the Method
4.2.1. Possible Elements of the Validation of the Methodology
4.2.2. Checking the Self-Consistency
5. Conclusions
Funding
Institutional Review Board Statement
Informed Consent Statement
Data Availability Statement
Conflicts of Interest
References
- World Nuclear News, Tsuruga 2 Sits on Active Fault, NRA Concludes, 26 March 2015. Available online: https://www.world-nuclear-news.org/RS-Tsuruga-2-sits-on-active-fault-NRA-concludes-2603155.html (accessed on 7 December 2023).
- U.S. Nuclear Regulatory Commission (NRC). Confirmatory Analysis of Seismic Hazard at Diablo Canyon Power Plant from the Shoreline Fault Zone, Research Information Letter (RIL) 12-01, September, ML 121230035. 2012. Available online: https://www.nrc.gov/docs/ML1212/ML121230035.pdf (accessed on 7 August 2024).
- Katona, T.J. Safety of Nuclear Power Plants with Respect to the Fault Displacement Hazard. Appl. Sci. 2020, 10, 3624. [Google Scholar] [CrossRef]
- Katona, T.J.; Tóth, L.; Győri, E. Fault Displacement Hazard Analysis Based on Probabilistic Seismic Hazard Analysis for Specific Nuclear Sites. Appl. Sci. 2021, 11, 7162. [Google Scholar] [CrossRef]
- Katona, T.J. Conservative Evaluation of Fault Displacement Hazard for a Nuclear Site in Case of Insufficient Data on the Fault Activity. Geosciences 2024, 14, 158. [Google Scholar] [CrossRef]
- Testa, A.; Boncio, P.; Pace, B.; Mirabella, F.; Pauselli, C.; Ercoli, M.; Auciello, E.; Visini, F.; Baize, S. Probabilistic Fault Displacement Hazard Analysis in Extensional Settings: Application to a Strategic Dam and Methodological Implications. Available online: https://ssrn.com/abstract=4693228 (accessed on 7 August 2024).
- Thompson, S.; Madugo, C.; Lewandowski, N.; Lindvall, S.; Ingemansson, B.; Ketabdar, M. Fault displacement hazard analysis methods and strategies for pipelines. In Proceedings of the 11th National Conference in Earthquake Engineering, Earthquake Engineering Research Institute, Los Angeles, CA, USA, 25–29 June 2018. [Google Scholar]
- Thompson, S. Fault Displacement Hazard Characterization for OpenSRA, California Energy Commission, 2021. Available online: https://peer.berkeley.edu/sites/default/files/cec_fault_displacement_hazard_report_final-draft_2021-02-26_web.pdf (accessed on 7 August 2024).
- Jonathan, B.; Norman, A.; Jennie, W.-L.; Largent, M. Performance-Based Earthquake Engineering Assessment Tool for Gas Storage and Pipeline Systems, California Energy Commission, 2020, Publication Number: CEC-500-2024-038. Available online: https://www.energy.ca.gov/sites/default/files/2024-05/CEC-500-2024-038.pdf (accessed on 7 August 2024).
- Triantafyllaki, A.; Loukidis, D.; Papanastasiou, P. Design of offshore gas pipelines against active tectonic fault movement. Soil Dyn. Earthq. Eng. 2023, 166, 107702. [Google Scholar] [CrossRef]
- Fault Hazard Analysis and Mitigation Guidelines, TECHNICAL MEMORANDUM, TM 2.10.6 Prepared by Parsons Brinckerhoff (Fletcher Waggoner and Kevin Coppersmith), California High-Speed Train Project, 2014. Available online: https://hsr.ca.gov/wp-content/uploads/docs/programs/eir_memos/Proj_Guidelines_TM2_10_6R01.pdf (accessed on 7 August 2024).
- Li, F.; Hsiao, E.; Lifton, Z.; Hull, A. A Simplified Probabilistic Fault Displacement Hazard Analysis Procedure: Application to the Seattle Fault Zone, Washington, USA. In Proceedings of the 6th International Conference on Earthquake Geotechnical Engineering, Christchurch, New Zealand, 1–4 November 2015; Available online: https://www.issmge.org/uploads/publications/59/60/179.00_Li.pdf (accessed on 7 August 2024).
- Stepp, J.C.; Wong, I.; Whitney, J.; Quittmeyer, R.; Abrahamson, N.; Toro, G.; Robert, Y.; Kevin, C.; Jean, S.; Tim, S. Probabilistic Seismic Hazard Analyses for Ground Motions and Fault Displacement at Yucca Mountain, Nevada. Earthq. Spectra 2001, 17, 113–151. [Google Scholar] [CrossRef]
- U.S. NRC NUREG/CR-6372, Volume 1 Recommendations for Probabilistic Seismic Hazard Analysis: Guidance on Uncertainty and Use of Experts: Main Report. Available online: https://www.nrc.gov/reading-rm/doc-collections/nuregs/contract/cr6372/vol1/index.html (accessed on 7 August 2024).
- Faulds, J.E.; Koehler, R.D.; Smith, K.D.; Kreemer, C.; Hammond, W.C.; de Polol, C.M.; Kent, G. Preliminary Scoping Report of Previous Geologic, Paleoseismic, Seismic, and Geodetic Studies at Yucca Mountain, Nevada: Implications for Understanding Seismic Hazards at the Proposed High-Level Nuclear Waste Repository, 2020. Available online: https://anp.nv.gov/uploadedFiles/nucwastenvgov/content/HotTopics/NBMG_Preliminary_Scoping_Report_2020_Final-ADA.pdf (accessed on 7 August 2024).
- Rizzo, P.C. Technical Report, Probabilistic Fault Displacement Hazard Analysis, Krško East and West Sites, Proposed Krško 2 Nuclear Power Plant, Krško, Slovenia, 1st ed.; Paul, C., Ed.; Rizzo Associates, Inc.: Pittsburgh, PA, USA, 2013. [Google Scholar]
- Quittmeyer, R.C. Probabilistic Fault Displacement Hazard Analysis for Regulatory Decision-Making: A Case-Study for Krško. In Proceedings of the International Topical Meeting on Probabilistic Safety Assessment and Analysis (PSA 2017), Pittsburgh, PA, USA, 24–28 September 2017; Curran Associates, Inc.: Red Hook, NY, USA, 2017; Volume I, pp. 182–192. [Google Scholar]
- ANSI-ANS-2.30-2015; Criteria for Assessing Tectonic Surface Fault Rupture and Deformation at Nuclear Facilities. American Nuclear Society: La Grange Park, IL, USA, 2015. Available online: https://webstore.ansi.org/standards/ansi/ansians302015 (accessed on 12 May 2021).
- JANSI-FDE-03 rev.1. Assessment Methods for Nuclear Power Plant against Fault Displacement, (Provisional Translation of Main Text), September 2013, On-Site Fault Assessment Method Review Committee, Japan Nuclear Safety Institute. Available online: http://www.genanshin.jp/archive/sitefault/data/JANSI-FDE-03r1.pdf (accessed on 29 September 2014).
- Sawada, M.; Haba, K.; Fujita, K.; Ichimura, T.; Hori, M. “Simulation of Surface Fault Displacement Using a Multiscale Finite Element Method” Transactions; SMiRT-26: Berlin/Potsdam, Germany, 2022; Division IV. [Google Scholar]
- Ryusuke, H.; Yoshinori, M.; Toshiaki, S.; Ayumi, Y.; Hideaki, T.; Yuji, N.; Katsumi, E. “Development of The Methodology for Fault Displacement Fragility Evaluation” Transactions; SMiRT-25: Charlotte, NC, USA, 2019; Division VII. [Google Scholar]
- Haraguchi, R.; Tanaka, F.; Ebisawa, K.; Sakai, T.; Tsutsumi, H.; Yuyama, A.; Sato, K.; Mihara, Y.; Nikaido, Y.; Yoshida, S. Development of fault displacement PRA methodology and its application to a hypothetical NPP. Nucl. Eng. Des. 2020, 361, 110433. [Google Scholar] [CrossRef]
- Valentini, A.; Fukushima, Y.; Contri, P.; Ono, M.; Sakai, T.; Thompson, S.C.; Viallet, E.; Annaka, T.; Chen, R.; Moss, R.E.S.; et al. Probabilistic fault displacement hazard assessment (PFDHA) for nuclear installations according to IAEA safety standards. Bull. Seismol. Soc. Am. 2021, 111, 2661–2672. [Google Scholar] [CrossRef]
- IAEA-TECDOC-1987; An Introduction to Probabilistic Fault Displacement Hazard Analysis in Site Evaluation for Existing Nuclear Installations. International Atomic Energy Agency: Vienna, Austria, 2021.
- Youngs, R.R.; Arabasz, W.J.; Anderson, R.E.; Ramelli, A.R.; Ake, J.P.; Slemmons, D.B.; McCalpin, J.P.; Doser, D.I.; Fridrich, C.J.; Swan, F.H., III; et al. A Methodology for Probabilistic Fault Displacement Hazard Analysis 517 (PFDHA). Earthq. Spectra 2003, 19, 191–219. [Google Scholar] [CrossRef]
- Petersen, M.D.; Dawson, T.E.; Chen, R.; Cao, T.; Wills, C.J.; Schwartz, D.P.; Frankel, A.D. Fault displacement hazard for strike-slip faults. Bull. Seismol. Soc. Am. 2011, 101, 805–825. [Google Scholar] [CrossRef]
- Coppersmith, K.J.; Youngs, R.R. Data needs for probabilistic fault displacement hazard analysis. J. Geodyn. 2000, 29, 329–343. [Google Scholar] [CrossRef]
- Koroknai, B.; Wórum, G.; Tóth, T.; Koroknai, Z.; Fekete-Németh, V.; Kovács, G. Geological Deformations In The Pannonian Basin During The Neotectonic Phase: New Insights From The Latest Regional Mapping in Hungary. Earth-Sci. Rev. 2020, 211, 103411. [Google Scholar] [CrossRef]
- Hortváth, F.; Koroknai, B.; Tóth, T.; Wórum, G.; Konrád Gy Kádi, Z.; Kudó, I.; Hámori, Z.; Filipszki, P.; Németh, V.; Szántó, É.; et al. A “Kapos-vonal” középső szakaszának szerkezeti-mélyföldtani viszonyai és neotektonikai jellegei a legújabb geofizikai vizsgálatok tükrében. “Structural-geological and neotectonic features of the middle portion of the Kapos line based on the results of latest geophysical research”. Földtani Közlöny 2019, 149, 327–350. [Google Scholar] [CrossRef]
- Konrád, G.; Sebe, K.; Halász, A. Traces of late quaternary seismic activity in aeolian sand in the dunaszentgyörgy–harta fault zone, hungary|Késő negyedidőszaki szeizmikus aktivitás nyomai futóhomokban, a Dunaszentgyörgy–Hartai-vetőzónában. Földtani Közlöny 2021, 151, 179. [Google Scholar] [CrossRef]
- Melissianos, V.E.; Vamvatsikos, D.; Gantes, C.J. Performance Assessment of Buried Pipelines at Fault Crossings. Earthq. Spectra 2017, 33, 201–218. [Google Scholar] [CrossRef]
- Melissianos, V.E.; Danciu, L.; Vamvatsikos, D.; Basili, R. Fault displacement hazard estimation at lifeline–fault crossings: A simplified approach for engineering applications. Bull Earthq. Eng. 2023, 21, 4821–4849. [Google Scholar] [CrossRef]
- Chiou, B.S.J.; Chen, R.; Thomas, K.; Milliner, C.W.D.; Dawson, T.E.; Petersen, M.D. Surface Fault Displacement Models for Strike-Slip Faults; Report GIRS-2022-07; University of California: Los Angeles, CA, USA, 2023; p. 186. [Google Scholar] [CrossRef]
- Chen, R.; Petersen, M.D. Improved Implementation of Rupture Location Uncertainty in Fault Displacement Hazard Assessment. Bull. Seismol. Soc. Am. 2019, 109, 2132–2137. [Google Scholar] [CrossRef]
- Wells, D.L.; Coppersmith, K.J. New Empirical Relationships Among Magnitude, Rupture Length, Rupture Width, Rupture Area, and Surface Displacement. Bull. Seismol. Soc. Am. 1994, 84, 974. [Google Scholar] [CrossRef]
- Leonard, M. Self-Consistent Earthquake Fault-Scaling Relations: Update and Extension to Stable Continental Strike-Slip Faults. Bull. Seismol. Soc. Am. 2014, 104, 2953–2965. [Google Scholar] [CrossRef]
- Takao, M.; Tsuchiyama, J.; Annaka, T.; Kurit, T. Application of probabilistic fault displacement hazard analysis in Japan. J. Jpn. Assoc. Earthq. Eng. 2013, 13, 17–36. [Google Scholar] [CrossRef]
- Pizza, M.; Ferrario, M.F.; Thomas, F.; Tringali, G.; Livio, F. Likelihood of Primary Surface Faulting: Updating of Empirical Regressions. Bull. Seismol. Soc. Am. 2023, 113, 2106–2118. [Google Scholar] [CrossRef]
- Wells, D.L.; Coppersmith, K.J. Likelihood of surface rupture as a function of magnitude (abs.). Seismol. Res. Lett. 1993, 64, 54. [Google Scholar]
- Coffey, G.L.; Rollins, C.; Van Dissen, R.J.; Rhoades, D.A.; Gerstenberger, M.C.; Litchfield, N.J.; Thingbaijam, K.K.S. Paleoseismic Earthquake Recurrence Interval Derivation for the 2022 Revision of the New Zealand National Seismic Hazard Model. Seismol. Res. Lett. 2023, 95, 78–94. [Google Scholar] [CrossRef]
- Kamali, Z.; Nazari, H.; Rashidi, A.; Heyhat, M.R.; Khatib, M.M.; Derakhshani, R. Seismotectonics, Geomorphology and Paleoseismology of the Doroud Fault, a Source of Seismic Hazard in Zagros. Appl. Sci. 2023, 13, 3747. [Google Scholar] [CrossRef]
- Scott, C.; Kottke, A.; Madugo, C.; Arrowsmith, J.R.; Adam, R.; Zuckerman, M. Tectonic Landform and Lithologic Age Impact Uncertainties in Fault Displacement Hazard Models. Geophys. Res. Lett. 2024, 51, e2024GL109145. [Google Scholar] [CrossRef]
- Zaccagnino, D.; Telesca, L.; Doglioni, C. Scaling properties of seismicity and faulting. Earth Planet. Sci. Lett. 2022, 584, 117511. [Google Scholar] [CrossRef]
- Saikia, U.; David, D.M. Source parameter and tectonic implications of small earthquakes originating in South India. Phys. Earth Planet. Inter. 2024, 354, 107235. [Google Scholar] [CrossRef]
- Sarmiento, A.; Madugo, D.; Shen, A.; Dawson, T.; Madugo, C.; Thompson, S.; Bozorgnia, Y.; Baize, S.; Boncio, P.; Kottke, A.; et al. Database for the Fault Displacement Hazard Initiative Project. Earthq. Spectra 2024, 87552930241262766. [Google Scholar] [CrossRef]
- Urlainis, A.; Ornai, D.; Levy, R.; Vilnay, O.; Shohet, I.M. Loss and damage assessment in critical infrastructures due to extreme events. Saf. Sci. 2022, 147, 105587. [Google Scholar] [CrossRef]
- Michael, D. Three Nuclear Disasters and a Hurricane: Some Reflections on Engineering Ethics. J. Appl. Ethics Philos. 2012, 4, 1–10. [Google Scholar]
- McLaughlin, D. Engineering, Judgement and Engineering Judgement: A Proposed Definition. In Engineering and Philosophy. Philosophy of Engineering and Technology; Pirtle, Z., Tomblin, D., Madhavan, G., Eds.; Springer: Cham, Switzerland, 2021; Volume 37. [Google Scholar] [CrossRef]









| m | 1-P (m) | L, km | xi = 0, xs = 0.5 × FL = 13.95 km | xi = 0.25 × FL, xs = 0.5 × FL | |||
|---|---|---|---|---|---|---|---|
| L If xs > xi | 0 If xi + L < xs | 0 If xi + L > FL | TRUE If All > 0 | ||||
| 5.5 | 0.00696447 | 5.6 | 5.6 | 0 | 0 | FALSE | FALSE |
| 5.6 | 0.00536413 | 6.5 | 6.5 | 0 | 0 | FALSE | FALSE |
| 5.7 | 0.00411221 | 7.4 | 7.4 | 0 | 0 | FALSE | TRUE |
| 5.8 | 0.00313286 | 8.5 | 8.5 | 0 | 0 | FALSE | TRUE |
| 5.9 | 0.00236672 | 9.8 | 9.8 | 0 | 0 | FALSE | TRUE |
| 6 | 0.00176739 | 11.2 | 11.2 | 0 | 0 | FALSE | TRUE |
| 6.1 | 0.00134042 | 12.9 | 12.9 | 0 | 0 | FALSE | TRUE |
| 6.2 | 0.00093177 | 14.8 | 14.8 | 14.8 | 14.8 | TRUE | TRUE |
| 6.3 | 0.00064485 | 17 | 17 | 17 | 17 | TRUE | TRUE |
| 6.4 | 0.00042040 | 19.5 | 19.5 | 19.5 | 19.5 | TRUE | TRUE |
| 6.5 | 0.00024481 | 22.4 | 22.4 | 22.4 | 22.4 | TRUE | FALSE |
| 6.6 | 0.00010745 | 25.7 | 25.7 | 25.7 | 25.7 | TRUE | FALSE |
| 6.7 | 0.00004000 | 27.9 | 27.9 | 27.9 | 27.9 | TRUE | FALSE |
| m | 1-P (m) | L, km | xi = 0, xs = 0.25 × FL = 6.975 km | xi = 0.1 × FL, xs = 0.25 × FL | |||
|---|---|---|---|---|---|---|---|
| L If xs > xi | 0 If xi + L < xs | 0 If xi + L > FL | TRUE If All > 0 | ||||
| 5.5 | 0.00696447 | 5.6 | 5.6 | 0 | 0 | FALSE | TRUE |
| 5.6 | 0.00536413 | 6.5 | 6.5 | 0 | 0 | FALSE | TRUE |
| 5.7 | 0.00411221 | 7.4 | 7.4 | 7.4 | 7.4 | TRUE | TRUE |
| 5.8 | 0.00313286 | 8.5 | 8.5 | 8.5 | 8.5 | TRUE | TRUE |
| 5.9 | 0.00236672 | 9.8 | 9.8 | 9.8 | 9.8 | TRUE | TRUE |
| 6 | 0.00176739 | 11.2 | 11.2 | 11.2 | 11.2 | TRUE | TRUE |
| 6.1 | 0.00134042 | 12.9 | 12.9 | 12.9 | 12.9 | TRUE | TRUE |
| 6.2 | 0.00093177 | 14.8 | 14.8 | 14.8 | 14.8 | TRUE | TRUE |
| 6.3 | 0.00064485 | 17 | 17 | 17 | 17 | TRUE | TRUE |
| 6.4 | 0.00042040 | 19.5 | 19.5 | 19.5 | 19.5 | TRUE | TRUE |
| 6.5 | 0.00024481 | 22.4 | 22.4 | 22.4 | 22.4 | TRUE | TRUE |
| 6.6 | 0.00010745 | 25.7 | 25.7 | 25.7 | 25.7 | TRUE | FALSE |
| 6.7 | 0.00004000 | 27.9 | 27.9 | 27.9 | 27.9 | TRUE | FALSE |
| Elements of the Validation of the Proposed Methodology | ||
|---|---|---|
| 1 | Comparison with reference analysis or standards | The number of published studies is limited, and the seismotectonic conditions radically differ from the Paks case. Apart from the author’s studies, the only research on the fault displacement hazard for a site in the entire region (countries, Slovakia, Slovenia, Hungary) was made for a new Krško site in Slovenia [16,17]. The Krško site is at the periphery of the Pannonia Basin, significantly more active than the central part of the Basin. Contrary to the Paks site, specific empirical indications of fault displacements could be identified, e.g., characteristic stratigraphic horizons could be identified contrary to the Paks case. Principal compliance could be stated by comparing some essential steps of the analysis process and the results for the Krško and Paks sites. |
| 2 | Checking the self-confidence | It is demonstrated below. |
| 3 | A systematic assessment of the factors influencing the results and the effects of different modelling options. | This is an inherent part of the methodology. |
| 4 | Comparison of results achieved with other validated methods. | Another study for the same site does not exist. Therefore, in the future, either the recent method should be applied to a site analysed by another method and compared, assuming the other method is validated, or other methods qualified as proven should be used for the Paks site. For example, the use of the Caltrans method [12] seems to be feasible. |
| 5 | Comparison with evidence and theoretical considerations on the neotectonics of the area | The predicted hazard aligns with the evidence regarding the Pannonian Basin’s seismicity and surface fault displacement hazards. |
| Hazard Level | 1.0 × 10−6/a | 2.19 × 10−7/a | 1.1 × 10−6/a | 2.25 × 10−7/a |
|---|---|---|---|---|
| 0.10 cm | 0.26 cm | 0.26 cm | 0.63 cm | |
| 2.85 cm | 7.0 cm | 6.99 cm | 17.13 cm | |
| 1.58 cm | 4.14 cm | 3.35 cm | 9.23 cm | |
| 0.625 cm | 1.43 cm | 1.825 cm | 4.0 cm | |
Disclaimer/Publisher’s Note: The statements, opinions and data contained in all publications are solely those of the individual author(s) and contributor(s) and not of MDPI and/or the editor(s). MDPI and/or the editor(s) disclaim responsibility for any injury to people or property resulting from any ideas, methods, instructions or products referred to in the content. |
© 2024 by the author. Licensee MDPI, Basel, Switzerland. This article is an open access article distributed under the terms and conditions of the Creative Commons Attribution (CC BY) license (https://creativecommons.org/licenses/by/4.0/).
Share and Cite
Katona, T.J. Improved Simplified Engineering Fault Displacement Hazard Evaluation Method for On-Fault Sites. Appl. Sci. 2024, 14, 8399. https://doi.org/10.3390/app14188399
Katona TJ. Improved Simplified Engineering Fault Displacement Hazard Evaluation Method for On-Fault Sites. Applied Sciences. 2024; 14(18):8399. https://doi.org/10.3390/app14188399
Chicago/Turabian StyleKatona, Tamás János. 2024. "Improved Simplified Engineering Fault Displacement Hazard Evaluation Method for On-Fault Sites" Applied Sciences 14, no. 18: 8399. https://doi.org/10.3390/app14188399
APA StyleKatona, T. J. (2024). Improved Simplified Engineering Fault Displacement Hazard Evaluation Method for On-Fault Sites. Applied Sciences, 14(18), 8399. https://doi.org/10.3390/app14188399

