Next Article in Journal
Technical Feasibility of a Two-Cylinder Entablature Steam Engine with a Parallel Motion Crosshead: An Analysis from Mechanical Engineering
Previous Article in Journal
An Adaptive Multi-Objective Genetic Algorithm for Solving Heterogeneous Green City Vehicle Routing Problem
 
 
Font Type:
Arial Georgia Verdana
Font Size:
Aa Aa Aa
Line Spacing:
Column Width:
Background:
Article

Research and Simulation Analysis of Fuzzy Intelligent Control System Algorithm for a Servo Precision Press

School of Mechanical Engineering, Southeast University, Nanjing 211102, China
*
Author to whom correspondence should be addressed.
Appl. Sci. 2024, 14(15), 6592; https://doi.org/10.3390/app14156592
Submission received: 23 June 2024 / Revised: 26 July 2024 / Accepted: 26 July 2024 / Published: 28 July 2024
(This article belongs to the Section Applied Industrial Technologies)

Abstract

With the rapid development of the manufacturing industry toward intelligence and flexibility, traditional mechanical presses are unable to meet the increased stamping requirements due to the difficulties in achieving variable speed control and changing slide motion trajectories. Servo presses, driven directly by servo motors, can realize the flexible control of press movement and have become the trend in the industry for future development. The independent research and development of servo press control systems has become a popular topic and challenge in the domestic press industry. This paper proposes a new type of press transmission mechanism suitable for high-precision stamping, analyzes the working principle of its transmission mechanism, and provides a detailed analysis and discussion on the main research methods of fuzzy intelligent control for servo presses, including fuzzy model and basic control algorithms, fuzzy modeling and control of nonlinear systems, fuzzy predictive control, and stability analysis of fuzzy control systems. Based on the principle of the control scheme, a closed-loop control system block diagram and mathematical model for servo high-precision presses are established. Taking the physical prototype parameters of the STSZG1-250 as an example, the control system is dynamically simulated and verified using Simulink modules. Finally, their role and effects in intelligent control, and prospects for the development of fuzzy intelligent control, are discussed.

1. Introduction

Since American mathematician Wiener founded control theory in the 1940s, automatic control theory has gone through two important development stages: classical control theory and modern control theory. When dealing with complex system control problems, traditional control theory always tries to break through old patterns to meet the new requirements for automation in society [1]. Control theory communities around the world are also exploring the establishment of a new generation of control theory to solve control problems of complex systems. In recent years, combining traditional control theory with artificial intelligence technologies such as fuzzy logic, neural networks, and genetic algorithms, fully utilizing human control knowledge to control complex systems, has gradually led to the embryonic form of intelligent control theory.
In 1985, IEEE held the first academic conference on intelligent control in New York, focusing on the principles and system structure of intelligent control, marking the formation of this new system. The formation of the intelligent control system only has a history of more than thirty years, and the theory is far from mature; nonetheless, the existing application results and theoretical developments indicate that intelligent control is becoming one of the frontier disciplines of automatic control [2]. In general, intelligent control has the following basic characteristics:
(1) It should be able to effectively globally control complex systems (nonlinear, fast time-varying, complex multivariable, environmental disturbances, etc.) and have strong fault tolerance;
(2) It is a multimodal combination control of qualitative decision and variable control;
(3) Its basic purpose is to analyze and synthesize the system from the perspective of system function and overall optimization to achieve predetermined goals, and should have self-organizing capabilities;
(4) It simultaneously has a non-mathematical general model represented by knowledge and a mixed control process represented by mathematical models. Human knowledge plays an important coordinating role in control, and the system has both mathematical operations and logical and knowledge inference in information processing.
Fuzzy control is a form of intelligent control. Although modern computers have extremely high computing speed and large storage capacity, they cannot complete some tasks that seem very simple to humans. An important reason for this is the ability of fuzzy decision-making and inference, and fuzzy control attempts to imitate this human function.
With the development of modern manufacturing, the demand for plastic processing, the formation of powders, difficult-to-form materials, parts with complex shapes, and composites, and high-precision formation is becoming increasingly strong [3]. Today, with the concept of “Green Manufacturing” becoming the main trend for the sustainable development of the manufacturing industry, the performance of traditional presses can no longer meet the requirements of the changing forming processes. Therefore, servo presses have emerged, with wide application prospects in the field of high-precision and difficult-to-form parts processing such as automotive parts and electronic parts. Servo presses are mainly used in production lines and try-out presses for deep drawing, blanking, bending, and cold forging [4]. By using numerical control technology, the stroke of the slider and the processing curve can be controlled to improve processing efficiency; after feedback control, the system accuracy is greatly improved; the output force and motion trajectory of the slider can also be controlled. This not only saves energy, but also improves the working environment of the press, reduces vibration and noise, and provides broad prospects for expanding new forming processes and die manufacturing methods.
With the development of science and technology, the control methods of servo motors have become more advanced, efficient, and precise, and are gradually evolving towards intelligence.
Research shows that by using adaptive control technology, utilizing a servo motor to drive the crank-slider mechanism, and controlling the servo motor by a computer numerical control system, the position and speed of the press slide can be controlled more accurately, and the requirements of the slider motion curve for production processing can be further met [5,6]. This will bring significant social and economic benefits in actual production, reflecting the advanced ideas of energy saving and noise reduction in green manufacturing.
An intelligent servo press is a press with sensing, decision-making, and execution functions, driven by a servo motor-equipped working mechanism and controlled by a computer. The servo motor senses motion and pressure through angle displacement sensors and current sensors, enabling intelligent numerical control. The composition of an intelligent servo press includes the servo motor driving the main motion, a computer PLC, a touch screen connected to the servo motor controller through a network, and internet connectivity [7,8].
This article first introduces the servo precision press and explains its transmission mechanism principle, and provides the scheme principle of the control system. Based on the control system scheme, a fuzzy PID controller was designed, and the stability, response speed, overshoot, and stability accuracy of the controller were experimentally verified. Finally, simulation analysis was conducted on the control system of the servo precision press, and the simulation analysis results showed that the accuracy of the control system fully meets the requirements for use.

2. Principle of Servo Precision Press and Transmission Mechanism

The explosion proof valve is a key component for the safe pressure relief of new energy power batteries. Its quality consistency and stability directly determine the safety of new energy vehicles and batteries because the burst value of the explosion-proof valve must be controlled within a certain tolerance range to ensure stable and reliable burst pressure, such as 0.8–0.9 Mpa. The stability and consistency of the blasting value depend on the tolerance value of the stamping residual thickness of the explosion-proof valve plate. The smaller the tolerance value, the higher the repeatability accuracy of the bottom dead center of the machine tool. The stamping accuracy of the explosion-proof valve is generally required to be within 0.01 mm. The precision of conventional press machines cannot meet these process requirements.
For the precision extrusion and stretching compound stamping process of battery shells and covers with explosion-proof marks mentioned above, this paper proposes a new type of transmission mechanism. Figure 1 shows the schematic diagram of the transmission mechanism of the servo high-precision press, including 1—guide rail, 2—slider, 3—disk connecting rod, and 4—crank. Its working principle is as follows: when the crankshaft 4 rotates, it drives the disk connecting rod 3 to rotate in the slider 2, and when the disk connecting rod 3 rotates, it drives the slider 2 to move up and down in a reciprocating straight line along the slider motion center line. Under the premise of satisfying the geometric parameter relationship required for motion, different slider motion curves can be obtained according to different parameter designs, that is, different slider process motion characteristics. By reasonably changing the corresponding geometric parameters, the slider can achieve the process characteristics of slow stamping and pressure holding.
An intelligent servo press is mainly composed of a mechanical system, servo drive system, control system, and feedback system, and can control the slider stroke through a direct drive crank connecting rod mechanism. Figure 2 shows the high-precision servo press developed in this project, which consists of servo motor drive system and disk connecting rod mechanism.
The schematic diagram of the control system scheme is shown in Figure 3. The system adopts an MCX314 motion control card, PCL-818 control card, and other components to form a feedback control system.
As shown in Figure 4, from the perspective of the control system, the entire control system is a control system that tracks the position of the slider. The trajectory of the slider is usually determined by different trajectory requirements of the stamping process, which is the quantity that needs to be tracked. To truly achieve accurate positioning of the slider position, closed-loop control of the slider position is necessary. The so-called closed-loop control system refers to a system where the output (controlled quantity) of the controlled object is fed back to affect the output of the controller, forming one or more closed loops. A closed-loop control system has positive feedback and negative feedback. If the polarity of the signal given by the system is opposite to that of the feedback signal, it is called negative feedback. If the polarity is the same, it is called positive feedback [9,10]. Generally, closed-loop control systems use negative feedback, also known as negative feedback control systems. In the position control of the servo press in this article, the controlled variable is obviously the position signal of the slider. At the same time, we use the actual position of the slider measured by the grating sensor as the feedback signal of the controlled variable, thus forming a closed-loop control system.
The input of the system is the target position of the slider calculated by the target point generation function, and the output is the actual position of the slider. The difference between the two is used as the input of the control system, and the control voltage output to the servo driver is obtained through the control algorithm to drive the servo motor and drive the servo press to move. The system uses the actual measurement value of the grating as feedback, so it is a closed-loop system that tracks the position of the slider.

3. Design of Fuzzy PID Controller for Servo Precision Press

The development of PID control, as the most typical method of process control, has been underway for decades. It has the characteristics of simple structure, easy tuning, convenient application, wide applicability, good robustness, and strong stability. In addition, it does not require precise system models during use, making it the most widely used controller [11]. The P (proportional), I (integral), and D (derivative) functions in the PID controller reflect the current state, historical accumulation, and future trend of the deviation between the system target set value and the measured value, respectively. This means that the PID controller includes not only the process information of the control system in the past, but also the process information of the control system in the present and future, and still occupies a large proportion in the current control field.
The conventional feedback control system represented by the PID control mentioned above has a certain degree of suppression ability against changes in internal system characteristics and external disturbances. However, due to the fixed parameters of this type of controller, it is impossible to change the structural domain parameters of its own controller in real time according to changes in internal system characteristics or external disturbances to maintain optimal or suboptimal control effects at all times, resulting in a decrease in system performance and stability. The press is a typical type of nonlinear and time-varying complex nonlinear control system [12]. Conventional feedback control alone cannot maintain the superior performance of the control system and meet the required control requirements. For this type of complex nonlinear system, adaptive control is appropriate.
The fuzzy controller is the core of the fuzzy control system, and its performance mainly depends on factors such as the structure of the fuzzy controller, fuzzy rules, compositional rule of inference algorithm, and fuzzy decision-making methods. The technical knowledge and operational experience of the engineering designers should be summarized and considered in terms of stability, response speed, overshoot, and stability accuracy.

3.1. Determining the Structure of the Fuzzy Controller

As shown in Figure 5, the fuzzy controller adopts a two-input three-output form according to the control requirements.
Using position deviation E and position deviation rate E c as input variables for the fuzzy algorithm, the PID controller’s three parameters K D are output. It utilizes fuzzy rules for fuzzy inference, and queries a fuzzy rule table for parameter adjustment. Output variables are the PID parameters K P , K I , K D .

3.2. Fuzzification of Input and Output Quantities

In this experimental system, the encoder signal of the servo drive is used as the feedback quantity. The encoder pulse signal corresponding to one working stroke is 0~1,311,720. The actual error, Error Actual, needs to be converted into a digital error, Error Numerical, suitable for use in the control system.
E N = E A 1000 3
In the formula, E A represents the actual error of the encoder return value; E N is the error value used as a control variable in the control system.
Figure 6 shows the error conversion curve. After processing, the error data can ensure a fast response when the error value is small, and no oscillation occurs when the error value is large.

3.3. Determination of Domain and Related Parameters

Degree of membership functions adopt Z-shaped, S-shaped, and triangular membership functions.
Triangle Curve Function:
f ( x , a , b , c ) = 0 , x a x a b a , a x b c x c b , b x c 0 , c x
In the formula, a and b determine the “feet” of the triangle, and c determines the “peaks” of the triangle.
Z-shaped spline function:
f ( x , a , b ) = 1 , x a 1 2 x a b a 2 , a x a + b 2 2 x b b a 2 , a + b 2 x b 0 , x b
In the equation, a and b determine the two ends of the inclined portion of the curve.
S-curve spline function:
f ( x , a , b ) = 0 , x a 2 x a b a 2 , a x a + b 2 1 2 x b b a 2 , a + b 2 x b 1 , x b
In the equation, a and b determine the two ends of the inclined portion of the curve.
According to the basic principles of fuzzy control and the characteristics of this system, the domain of E and E c is defined as [−1, 1]. Seven fuzzy subsets of variables are defined: NB (negative large), NM (negative medium), NS (negative small), ZO (zero), PS (positive small), PM (middle), and PB (positive large). The membership relationship of E is shown in Figure 7.

3.4. Principles of Parameter Adjustment and Establishment of Fuzzy Rules

The core of fuzzy control design is to establish a suitable fuzzy control rule table based on existing technical knowledge and practical operational experience, combining various states of large, medium, and small based on position error and error rate of change. The role of the proportional coefficient K P is to speed up the system’s response speed, and the output of the proportional controller is proportional to the input error signal. The role of the integral coefficient K I is to eliminate the system’s steady-state error, and the output of the integral controller is directly proportional to the integral of the input error signal. The role of the derivative coefficient K D is to improve the system’s dynamic performance, and the output of the derivative controller is directly proportional to the derivative of the input error signal [13,14].

3.5. Fuzzy Inference Rules

The core of fuzzy control design is to establish a suitable fuzzy control rule table based on existing technical knowledge and practical operational experience, combined with various states of position error and error change rate, including large, medium, and small.
(1) The function of the proportional coefficient K P is to accelerate the response speed of the system, and the output of the proportional controller is proportional to the input error signal.
(2) The function of the integration coefficient K I is to eliminate the steady-state error of the system, and the output of the integration controller is proportional to the integration of the input error signal.
(3) The function of the differential coefficient K D is to improve the dynamic performance of the system, and the output of the differential controller is directly proportional to the differential of the input error signal.
The output quantity tuned by fuzzy control rules is a fuzzy set, which needs to be converted into an exact value before output. Using the centroid method, the exact value of the output quantity is calculated based on the membership degree of the output fuzzy subset.
The formula for solving the fuzzy PID parameters K P , K I , and K D is as shown in Equation (5).
K p = f E , E c = i = 1 p μ i E , E c K p i i = 1 p μ i E , E c K I = f E , E c = i = 1 p μ i E , E c K I i i = 1 p μ i E , E c K D = f E , E c = i = 1 p μ i E , E c K D i i = 1 p μ i E , E c ,
In the formula, K P , K I , and K D are determined output quantities; K P i , K l i , and K D i are fuzzy quantities; and μ is the fuzzy control membership degree.
Figure 8 shows the output surfaces diagrams in K P , K I and K D from the MATLAB control toolbox.

4. Experimental Study on the Position of the Slider in Servo Precision Press

The simulation research of the press machine aims to analyze the dynamic response performance of the system in an offline state. However, due to the difficulty of establishing complex simulation models to simulate actual systems, and especially due to the existence of some hard nonlinear characteristics (such as clearance, time delay, or static friction) in actual engineering systems, the simulation results cannot truly explain the dynamic performance of the actual system. Therefore, constructing an actual experimental platform to observe its actual control response performance has more practical research significance.

4.1. Implementation Plan

Servo Press Experiment: Conduct the experiment on the servo press without load, using the servo motor rotation angle as the controlled object.
The servo driver of the servo motor operates in speed mode, where the output speed of the motor is proportional to the input control voltage of the driver. The motor shaft drives the crank slider mechanism to move through the reducer [15,16,17]. The input voltage of the driver is calculated by the controller and output by the Advantech PCL-726 analog output card. At the same time, the actual position of the slider is obtained from the pulse signal actually returned by the real grating sensor through the input terminal of the MCX314 motion control card. This constitutes the PID control experiment of the servo pressure machine based on the xPC target environment.

4.2. Step Response Experiment

When the given step signal is 1000 pulses, the fuzzy PID controller and linear PID controller are used respectively, and their step response curves are shown in Figure 9.
In this paper, the control period of the linear PID controller is T = 0.005 s, and the control period of the fuzzy PID controller is T = 0.016 s.
The experiments above study linear PID and fuzzy PID control. The linear PID has the characteristics of simple structure and small computational load, while the fuzzy PID has a complex structure and longer computation time [18,19]. However, as shown in Table 1, comparing the experimental results, the step response dynamic performance of the fuzzy PID control system is significantly better than that of the linear PID control system.
By using fuzzy PID parameter self-tuning control, the system’s response speed is increased, the adjustment accuracy is improved, and the steady-state performance is better. It has strong robustness, and the anti-interference ability is significantly better than that of the linear PID controller [20].

4.3. Sinusoidal Tracking Experiment

Using sinusoidal signals as the control input, the fuzzy PID controller and linear PID controller are used for tracking control, and the experimental curves of the control servo system are obtained (Figure 10).
Figure 11 shows the error curves of sinusoidal response of fuzzy PID and linear PID controllers. It can be observed that when system is relatively stable, the linear PID controller has the advantages of simple structure and shorter computation time. However, when the control environment changes, the overall performance of the fuzzy PID controller is more stable, while the overall control error of the linear PID controller is larger [21,22,23].
Figure 12 shows the PID parameter values obtained by the fuzzy algorithm, in which it can be seen that, in the fuzzy PID controller, the three parameters K P , K I , K D are constantly adjusted to adapt to the system changes as the error changes [24].

5. Servo High-Precision Press Closed-Loop Control System Design

The influence of the control system on the precision of the servo press mainly lies in the comprehensive adjustment of the PID three-loop parameters. The application of the PID parameter control of the servo drive plays a crucial role in the servo press stamping control system [25].
As shown in Figure 13, this paper designs a closed-loop control block diagram of the precision servo press control system, used for the control of the high-precision servo press drive system. The sliders’ dynamic characteristics of the system near the bottom dead center are studied, where R a represents the armature resistance, k b represents the back electromotive force constant, and k m represents the electromagnetic torque constant. In order to improve the repeat positioning accuracy near the bottom dead center, the dynamic and static characteristics of the control system in this area are focused on, and a dynamic model of the workpiece load is established using a second-order system [26]. The following control performance parameters are analyzed through frequency response: stability, adjustment time (should be less than the holding time to shorten the holding time), steady-state error (to ensure accuracy and reflect the effects of feedforward), and reduction in sensitivity to material properties (adapt to changes in the material being pressed), for the optimization of PID control. This paper also addresses the suppression of major disturbances and noise, ultimately achieving the goal of adaptive control.

5.1. Servo Motor Transfer Function Block Diagram

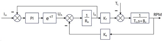
Figure 14 shows the block diagram of the servo motor transfer function, where Bv is negligible, RA = 0.01094 Ω, KT = 21.8, and Tm is the engineering time constant 2 π J 60 = 1.424   kg m 2 Ke = 1.368 V / rpm .
The closed-loop transfer function of system input voltage and output current is shown in Equation (6).
Φ U ( s ) = U A ( s ) I A ( s ) = T m s R A T m s + K T K e ,

5.2. Current Loop Block Diagram

The current loop block diagram is shown in Figure 15. The current loop control uses a PI controller, considering a control delay of T = 0.25 ms [27], and is equivalent to a first-order function.
Then, the current loop open transfer function is shown in Equation (7).
G I ( s ) = K p , I T i , I s + 1 T i , I s 1 s T + 1 T m s R A T m s + K T K e ,
Let T i , I = T ; then its closed-loop transfer function is shown in Equation (8).
Φ I ( s ) = K p , I T m R a T i , I T m s + ( T i , I K T K e + K p , I T m ) = K I 1 T I s + 1 ,
where
K I = K p , I T m T i , I K T K e + K p , I T m , T I = R a T i , I T m T i , I K T K e + K p , I T m ,
Obviously, increasing Kp,I can increase the current loop bandwidth.

5.3. Speed Loop Block Diagram

Figure 16 shows the speed loop block diagram.
The transfer function of the velocity loop is shown in Equation (10).
G R P M ( s ) = K p , v T i , v s + 1 T i , v s K 0 1 s ( T I s + 1 ) ,
where K 0 = K I K T T m
Φ RPM ( S ) = K 0 K p , v ( T i , v s + 1 ) T I T i , v s 3 + T i , v s 2 + K 0 K p , v T i , v s + K 0 K p , v ,
According to Routh’s criterion, the necessary and sufficient conditions for system stability are
α < 1 3 T I K p , v > α 8 α 2 T i , v T I 2 8 α T i , v T I + 2 T i , v K 0 T i , v T I 2 α T i , v T I T i , v < K 0 K p , v α 3 T I α 2 + α K 0 K p , v ,
Considering the current and speed saturation characteristics of the servo motor, the amplitude limit is added.

5.4. Position Ring Block Diagram

Figure 17 shows the position loop block diagram.
Considering the needs of practical engineering applications, the position ring is adjusted from the crankshaft angle to the slider position. In order to facilitate further analysis, a simplified diagram of the transmission mechanism of the servo high-precision press is drawn, as shown in Figure 18.
Through the simplified diagram, we can clearly understand the kinematic relationship between the various components of the mechanism [28]. This can be expressed as Equations (13) and (14).
H = R 1 + cos θ + L 2 R 2 sin 2 θ L ,
θ = arccos R 2 + H + L R 2 L 2 2 R H + L R
where R is the crank radius, L is the connecting rod length, H is the slider position, and θ is the crank angle.
Considering the slider displacement is very small during the holding pressure process, the transmission system is linearized with small deviations. The result can be obtained as Equation (15).
Δ S Δ θ = Δ S Δ t Δ t Δ θ = H θ = M P = R sin θ R 2 sin θ cos θ L 2 R 2 sin 2 θ = 0.01834 ,
where S is the slider displacement, P is work pressure, and M is the crankshaft torque.

6. Control System Simulation Analysis Based on Simulink

Simulink provides effective simulation tools for nonlinear electromechanical control systems. Based on the previously established mathematical model of the motion control system, this paper creates a dynamic simulation model of the electromechanical system of the servo-driven press. The model is built based on the Simulink module and is specifically shown in Figure 19. Taking the parameters of the STSZG1-250 servo high-precision press as an example, the detailed simulation parameters are shown in Table 2.

6.1. Dynamics Simulation Analysis of Each Stamping Stage

As shown in Figure 20, the operation process of the servo high-precision press can be divided into the following steps: from T0 to T1, the crankshaft angular velocity gradually decreases; from T1 to T2, the slider linear speed is constant to conduct stamping; from T2 to T3, pressure is held; from T3 to T4, the slider rises; from T4 to T5, stay still and wait [29].
According to Figure 21, the main drive structure analysis model was established in Ansys Workbench to perform rigid body dynamics analysis. Analysis parameters include a transmission ratio i = 71/14, the density of each moving part is 7850 kg/m3, and the dynamic friction coefficient is 0.02. In addition, considering the role of the balancer, its own gravity is ignored [30].
During the time period T0 to T1, the angular velocity of the crankshaft undergoes a decreasing process. The crankshaft angular velocity is 62.78 rad/s, and the crankshaft torque load conforms to the diagram shown in Figure 22, consistent with the design expectations.
From T1 to T2, the uniform slider linear speed stamping stage is simulated. Figure 23 shows the step response of the position loop. Under a stamping force of 2000 kN, the slider moves at a linear speed of 0.01 m/s, and the crankshaft torque load conforms to the design expectations, as shown in Figure 24.
During the pressure-holding stage from T2 to T3, in order to better adapt to engineering practice, the position loop is modified from the crankshaft angle to the slider position. Constant load mode is used during this stage, and current feedforward control is introduced, while the load disturbance that may be caused by workpiece elastic deformation is considered [31]. Figure 25 shows the displacement response under no load, while Figure 26 shows the pressure response curve under no load.

6.2. Dynamic Simulation Analysis with Load

Table 3 shows the main analysis parameters of two types of workpieces, followed by the dynamic simulation analysis of the loads of the two workpieces of different sizes.
Figure 27 shows the displacement response curve of workpiece one under load, while Figure 28 shows the pressure response curve of workpiece one under load.
Figure 29 shows the displacement response curve of workpiece 2 under load, while Figure 30 shows the pressure response curve of workpiece 2 under load.
By observing the simulation analysis results under two load conditions, it can be seen that the stabilization time under different load conditions during the pressure-holding stage is less than 15 milliseconds, and the steady-state error is also maintained below 0.2 μm. The simulation data indicate that the control system fully meets the engineering application accuracy requirements [32].

7. Conclusions

This article first elaborates on the working principle of the new transmission mechanism of the servo precision press, and then designs and manufactures a physical prototype based on the transmission mechanism principle, and provides a schematic diagram of the servo precision press control system scheme. Based on the schematic diagram of the control system scheme, the fuzzy controller was designed, and the structure, domain, and related parameters of the fuzzy controller were determined. Based on the principle of parameter adjustment and fuzzy control rules, a fuzzy inference rule is finally provided. Based on the fuzzy control scheme of the servo precision press transmission system designed earlier, experimental verification was conducted on the slider position control of the transmission mechanism, and step response experiments and sine following experiments were conducted on the distribution. The step response adopts fuzzy PID parameter self-tuning control. Through experimental verification, it was found that the system has faster response speed, improved adjustment accuracy, improved steady-state performance, strong robustness, and significantly better anti-interference ability than linear PID controllers. The sine following experiment proves that in a fuzzy PID controller, the parameters K P , K I and K D are constantly adjusted with the variation of the error amount to adapt to the changes in the system.
Based on the previous research results on the fuzzy control system of the servo precision press, a closed-loop control system scheme diagram for the servo precision press was designed. Taking the parameters of the STSZG1-250 physical prototype as an example, the Simulink module was applied to simulate and analyze the control system. The displacement and pressure responses under no-load and load conditions were verified, and various simulation data showed that the control system based on fuzzy PID theory has fast response, small overshoot, relatively small impact from system parameter mutations, high control accuracy, strong robustness, and improved anti-interference ability. Compared with existing servo press control system schemes, this type of control system can be used in complex and high-precision servo press control. The system scheme fully meets the design expectations and has high engineering application value.
The closed-loop control mode adopts a polynomial interpolation algorithm; its transition points are soft and impact-free, which play a positive role in ensuring accuracy. The interpolation method, also known as the “interpolation method”, uses the function values of several known points of function f(x) in a certain interval to make an appropriate specific function, and uses the value of this specific function as an approximation of function f(x) at other points in the interval. This method is called the interpolation method. If this specific function is a polynomial, it is called polynomial interpolation. Polynomial interpolation can be divided into three types: direct interpolation, Lagrange interpolation, and Newton interpolation. Newton’s interpolation method can reduce the number of multiplication and division operations and reduce computation time. Therefore, for some functions f(x) with complex structures, the Newton interpolation method has an advantage over the Lagrange interpolation method.
In the future, the Newton interpolation algorithm of the servo closed-loop control program can be further optimized to make the slider motion curve of the press highly consistent with the actual demand curve of the stamping process, further improving the stamping accuracy and better meeting the needs of ultra-high-precision stamping processes.

Author Contributions

Conceptualization, X.W. and Y.H.; methodology, X.L. and Y.H.; writing—original draft preparation, Y.H.; writing—review and editing, Y.H.; supervision, X.L. All authors have read and agreed to the published version of the manuscript.

Funding

This research was funded by Key R&D Plan of Ningbo City, Zhejiang Province, China, grant number 2022Z035; Leading Army in Gusu, Suzhou City, Jiangsu Province, China, grant number ZXL2023495; Leading park in Suzhou, Jiangsu Province, China, grant number (2022)134.

Institutional Review Board Statement

Not applicable.

Informed Consent Statement

Not applicable.

Data Availability Statement

The data used to support the findings of this study are included within the article.

Conflicts of Interest

The authors declare no conflicts of interest.

References

  1. Suo, F. Transmission Analysis and Control Strategy Research of Servo Press. Ph.D. Thesis, Huazhong University of Science and Technology, Wuhan, China, 2017; pp. 85–113. [Google Scholar]
  2. Xin, S.L. Automatic mold changing ADC control system for mechanical press. One Level Technol. 2018, 5, 70–71. [Google Scholar]
  3. Li, F.G. Research on the Bottom Mounted Self Balancing Rock Press and Hydraulic Loading Control System. Ph.D. Thesis, Tianjin Polytechnic University, Tianjing, China, 2019; pp. 32–96. [Google Scholar]
  4. Zhao, X.H. Design Analysis and Optimization Research on Large Tonnage Hydraulic Precision Punching Machine System. Ph.D. Thesis, Wuhan University of Technology, Wuhan, China, 2021; pp. 46–79. [Google Scholar]
  5. Tao, Y.M. Analysis and Control Research on Transmission Error of Multi link Ultra precision Servo Press. Ph.D. Thesis, Nanjing Agricultural University, Nanjing, China, 2021; p. 36. [Google Scholar]
  6. Zhang, C.J.; Li, A.; Li, H.M. Research on Accurate Motion Control of Servo Press Position/Pressure Automatic Compensation. Forg. Technol. 2021, 46, 126–130. [Google Scholar]
  7. Zeng, H.X.; Ye, C.S.; Mo, J.H.; Fan, Z.T. Simulation study on servo press control system based on MATLAB. Forg. Technol. 2010, 35, 69–75. [Google Scholar]
  8. Peng, Z.H. Research on Active Compensation Control Strategy for Flexible Machining Error of Multi link Ultra precision Servo Press. Ph.D. Thesis, Nanjing Agricultural University, Nanjing, China, 2019; pp. 79–127. [Google Scholar]
  9. Jia, C.; Wei, J.; Dong, E.; Gao, X.; He, H. A Discrete-Time Sliding Mode Control Method for Multi-Cylinder Hydraulic Press. In Proceedings of the 2020 IEEE International Conference on Mechatronics and Automation (ICMA), Beijing, China, 13–16 October 2020; pp. 204–209. [Google Scholar]
  10. Li, J.; Ruan, F. Design of digital control system for servo press. Forg. Technol. 2011, 36, 93–97. [Google Scholar]
  11. Jia, D.S. Research on Coordinated Control of Dual Motor Joint Drive Servo Crank Press. Ph.D. Thesis, Lanzhou University of Technology, Lanzhou, China, 2017. [Google Scholar]
  12. Jia, D.S.; Wu, M.L.; Zhang, L.X. Analysis of Coordinated Control Scheme for Dual Drive Servo crank Press. Mech. Des. Manuf. Eng. 2018, 47, 40–44. [Google Scholar]
  13. Liu, L. Servo main drive system of servo press. One Level Technol. 2022, 2, 57–61. [Google Scholar]
  14. Pisarciuc, C.; Dan, I.; Cioară, R. The Influence of Ribbing of Mechanical Crank Press Cast C-Frames over the Stress State in Critical Areas. Appl. Sci. 2022, 12, 5619. [Google Scholar] [CrossRef]
  15. Groche, P.; Breunig, A.; Chen, K.; Molitor, D.A.; Ha, J.; Kinsey, B.L.; Korkolis, Y.P. Effectiveness of different closed-loop control strategies for deep drawing on single-acting 3D Servo Presses. CIRP Ann. Manuf. Technol. 2022, 71, 357–360. [Google Scholar] [CrossRef]
  16. Yu, W.; Luo, Y.; Pi, Y.G. Fractional order modeling and control for permanent magnet synchronous motor velocity servo system. Mechatronics 2013, 23, 813–820. [Google Scholar] [CrossRef]
  17. Xu, X.D.; Bai, Z.F.; Shao, Y.Y. Synchronization Control Algorithm of Double-Cylinder Forging Hydraulic Press Based on Fuzzy Neural Network. Algorithms 2019, 12, 63. [Google Scholar] [CrossRef]
  18. Yang, L.; Xu, L.S. Design of Injection Speed Control System for Die Casting Machine Based on Neural Network PID Controller. Precis. Form. Eng. 2022, 14, 148–153. [Google Scholar]
  19. Yang, J.; Gong, J.X. Design and Implementation of PID Controller for Pressure Machine Based on Intelligent Fuzzy Neural Network. J. Guangxi Univ. Natl. (Nat. Sci. Ed.) 2020, 26, 87–90+95. [Google Scholar]
  20. Haas, N.T.; Ierapetritou, M.; Singh, R. Advanced Model Predictive Feedforward/Feedback Control of a Tablet Press. J. Pharm. Innov. 2017, 12, 110–123. [Google Scholar] [CrossRef]
  21. Li, Z.Y.; Li, X.G. Research on the Control System of Servo Press Based on Drive Control Integration. Electromechanical Eng. 2020, 37, 438–445. [Google Scholar]
  22. Olaizola, J.; Bouganis, C.S.; de Argandoña, E.S.; Iturrospe, A.; Abete, J.M. Real-Time Servo Press Force Estimation Based on Dual Particle Filter. IEEE Trans. Ind. Electron. 2020, 67, 4088–4097. [Google Scholar] [CrossRef]
  23. Kitayama, S.; Higuchi, T.; Takano, M.; Kobayashi, A. Determination of back-pressure profile and slide motion of servo press in cold forging using sequential approximate optimization. J. Adv. Mech. Des. Syst. Manuf. 2020, 4, JAMDSM0046. [Google Scholar] [CrossRef]
  24. Meng, L.; Liu, C. Research on Control Strategy of Dual Motor Synchronous Drive Servo Press. Forg. Equip. Manuf. Technol. 2020, 55, 46–50. [Google Scholar]
  25. Gao, W. Research on the Control System of Crank Servo Press. Master’s Thesis, Shandong University, Jinan, China, 2019; pp. 22–48. [Google Scholar]
  26. Song, Y.L.; Cheng, Y.F.; Cao, W.S. Research on synchronous control strategy of dual servo press based on improved FNN CCC. Precis. Form. Eng. 2023, 15, 175–182. [Google Scholar]
  27. Li, L.; Huang, H.; Zhao, F.; Sutherland, J.W.; Liu, Z. An energy-saving method by balancing the load of operations for hydraulic press. IEEE/ASME Trans. Mechatron. 2017, 22, 2673–2683. [Google Scholar] [CrossRef]
  28. Wan, Z.; Wen, K.; Qin, S. Research on the Main Transmission and Control Technology of Servo Press. Shandong Ind. Technol. 2015, 11, 225–228. [Google Scholar]
  29. Qu, J.; Xia, Q.; Long, X. Research progress on the main transmission and control technology of servo presses. Forg. Technol. 2014, 39, 89–97. [Google Scholar]
  30. Niu, Z.C.; Wang, R.; Hu, Z.L. Dual motor synchronous control of servo cam press based on self disturbance rejection torque distribution algorithm. Forg. Technol. 2024, 49, 161–170. [Google Scholar]
  31. Yi, H.L.; Jin, S.; Li, W.L. FANUC Multi axis Synchronous Control Technology and Its Application in Large Servo Pressure Machines. Manuf. Technol. Mach. Tools 2021, 8, 203–207. [Google Scholar]
  32. Lu, Q.; Zhu, L.F.; Wang, Z.P. Research on Servo Press Controller Based on Fractional Order Control Algorithm. Mech. Electr. Inf. 2017, 24, 31–33. [Google Scholar]
Figure 1. Schematic diagram of a new transmission mechanism; 1—guide rail, 2—slider, 3—disk connecting rod, 4—crank.
Figure 1. Schematic diagram of a new transmission mechanism; 1—guide rail, 2—slider, 3—disk connecting rod, 4—crank.
Applsci 14 06592 g001
Figure 2. Physical prototype of the servo precision press.
Figure 2. Physical prototype of the servo precision press.
Applsci 14 06592 g002
Figure 3. Control system scheme schematic diagram.
Figure 3. Control system scheme schematic diagram.
Applsci 14 06592 g003
Figure 4. Control block diagram of the servo press system.
Figure 4. Control block diagram of the servo press system.
Applsci 14 06592 g004
Figure 5. Structure diagram of fuzzy PID control system.
Figure 5. Structure diagram of fuzzy PID control system.
Applsci 14 06592 g005
Figure 6. Relationship between digital error and actual error.
Figure 6. Relationship between digital error and actual error.
Applsci 14 06592 g006
Figure 7. Degree of membership function of E .
Figure 7. Degree of membership function of E .
Applsci 14 06592 g007
Figure 8. Output surfaces of K P , K I and K D .
Figure 8. Output surfaces of K P , K I and K D .
Applsci 14 06592 g008
Figure 9. Step response curve of servo press position control system.
Figure 9. Step response curve of servo press position control system.
Applsci 14 06592 g009
Figure 10. Sinusoidal response curves of fuzzy PID and linear PID controllers.
Figure 10. Sinusoidal response curves of fuzzy PID and linear PID controllers.
Applsci 14 06592 g010
Figure 11. Error curve of sinusoidal signal response for fuzzy PID and linear PID controllers.
Figure 11. Error curve of sinusoidal signal response for fuzzy PID and linear PID controllers.
Applsci 14 06592 g011
Figure 12. Curve of fuzzy PID controller parameters changing with error.
Figure 12. Curve of fuzzy PID controller parameters changing with error.
Applsci 14 06592 g012
Figure 13. Closed-loop control scheme diagram of servo high-precision press. The blue box represents the transfer function block diagram of the servo motor.
Figure 13. Closed-loop control scheme diagram of servo high-precision press. The blue box represents the transfer function block diagram of the servo motor.
Applsci 14 06592 g013
Figure 14. Servo motor transfer function block diagram.
Figure 14. Servo motor transfer function block diagram.
Applsci 14 06592 g014
Figure 15. Current loop block diagram.
Figure 15. Current loop block diagram.
Applsci 14 06592 g015
Figure 16. Speed loop block diagram.
Figure 16. Speed loop block diagram.
Applsci 14 06592 g016
Figure 17. Position ring block diagram.
Figure 17. Position ring block diagram.
Applsci 14 06592 g017
Figure 18. Simplified diagram of servo precision press transmission mechanism.
Figure 18. Simplified diagram of servo precision press transmission mechanism.
Applsci 14 06592 g018
Figure 19. Simulink-based simulation model of servo high-precision press closed-loop control system.
Figure 19. Simulink-based simulation model of servo high-precision press closed-loop control system.
Applsci 14 06592 g019
Figure 20. Servo high-precision press working process diagram.
Figure 20. Servo high-precision press working process diagram.
Applsci 14 06592 g020
Figure 21. Main drive structure model.
Figure 21. Main drive structure model.
Applsci 14 06592 g021
Figure 22. Crankshaft torque load curve.
Figure 22. Crankshaft torque load curve.
Applsci 14 06592 g022
Figure 23. Step response of the position loop.
Figure 23. Step response of the position loop.
Applsci 14 06592 g023
Figure 24. Crankshaft torque load diagram.
Figure 24. Crankshaft torque load diagram.
Applsci 14 06592 g024
Figure 25. Displacement response curve under no load.
Figure 25. Displacement response curve under no load.
Applsci 14 06592 g025
Figure 26. Pressure response curve under no load.
Figure 26. Pressure response curve under no load.
Applsci 14 06592 g026
Figure 27. Displacement response curve of workpiece 1 under load.
Figure 27. Displacement response curve of workpiece 1 under load.
Applsci 14 06592 g027
Figure 28. Pressure response curve of workpiece 1 under load.
Figure 28. Pressure response curve of workpiece 1 under load.
Applsci 14 06592 g028
Figure 29. Displacement response curve of workpiece 2 under load.
Figure 29. Displacement response curve of workpiece 2 under load.
Applsci 14 06592 g029
Figure 30. Pressure response curve of workpiece 2 under load.
Figure 30. Pressure response curve of workpiece 2 under load.
Applsci 14 06592 g030
Table 1. Comparison of linear PID and fuzzy PID control system.
Table 1. Comparison of linear PID and fuzzy PID control system.
Performance IndicatorsLinear PIDFuzzy PID
Settling Time (s)0.610.22
Overshoot (%)4.31.6
Steady-State Error (%)0.40.3
Table 2. Simulation model test parameters.
Table 2. Simulation model test parameters.
Parameter NameValueParameter NameValue
Rated torque6000 NmBack electromotive force constant1368 V/1000 rpm
Rated current275 AStator phase resistance0.01094 Ω
rated power157.1 kWDirect axis inductance1.389 mH
Rated speed250 r/minQuadrature axis inductance1.389 mH
Inverter output voltage380 VMotor moment inertia7.78 kg·m2
Peak torque15,000 NmPassive mechanism inertia19.372 kg·m2
Current at maximum torque530 AConnecting rod coefficient0.7143
Rated torque constant21.8 Nm/AGear transmission ratio71/14
Table 3. Main parameters of two workpieces.
Table 3. Main parameters of two workpieces.
Workpiece OneWorkpiece Two
Workpiece   size   ( m m )40 × 60 × 1.520 × 70 × 2.5
Elastic   modulus   ( G p a )70200
Holding   pressure   ( k N )1100500
Holding   pressure   displacement   S = P h / E s   ( m m )0.00980.0045
Disclaimer/Publisher’s Note: The statements, opinions and data contained in all publications are solely those of the individual author(s) and contributor(s) and not of MDPI and/or the editor(s). MDPI and/or the editor(s) disclaim responsibility for any injury to people or property resulting from any ideas, methods, instructions or products referred to in the content.

Share and Cite

MDPI and ACS Style

He, Y.; Luo, X.; Wang, X. Research and Simulation Analysis of Fuzzy Intelligent Control System Algorithm for a Servo Precision Press. Appl. Sci. 2024, 14, 6592. https://doi.org/10.3390/app14156592

AMA Style

He Y, Luo X, Wang X. Research and Simulation Analysis of Fuzzy Intelligent Control System Algorithm for a Servo Precision Press. Applied Sciences. 2024; 14(15):6592. https://doi.org/10.3390/app14156592

Chicago/Turabian Style

He, Yanzhong, Xiang Luo, and Xingsong Wang. 2024. "Research and Simulation Analysis of Fuzzy Intelligent Control System Algorithm for a Servo Precision Press" Applied Sciences 14, no. 15: 6592. https://doi.org/10.3390/app14156592

APA Style

He, Y., Luo, X., & Wang, X. (2024). Research and Simulation Analysis of Fuzzy Intelligent Control System Algorithm for a Servo Precision Press. Applied Sciences, 14(15), 6592. https://doi.org/10.3390/app14156592

Note that from the first issue of 2016, this journal uses article numbers instead of page numbers. See further details here.

Article Metrics

Back to TopTop