Multi-Stage Coordinated Planning for Transmission and Energy Storage Considering Large-Scale Renewable Energy Integration
Abstract
1. Introduction
- (1)
- The feasibility of incorporating energy storage into transmission grid planning is analyzed. The collaborative relationship between energy storage configuration and transmission grid planning is clarified, and a framework for the coordinated planning of energy storage and transmission networks is proposed.
- (2)
- A multi-stage collaborative planning model for transmission networks and energy storage that considers the acceptance capacity of renewable energy is established. The model aims to minimize the total system cost while considering the mutual influences between different planning stages.
- (3)
- The differences between various grid planning methods are explored. The impacts of factors such as energy storage costs and line capacity on the planning results are summarized.
2. Feasibility Analysis and Modeling of Energy Storage in Transmission Network Expansion Planning
2.1. Analysis of the Non-Wires Alternative Effect of Energy Storage
2.2. Modeling of the Energy Storage
3. Multi-Stage Expansion Planning Model for Transmission Network and Energy Storage Considering New Energy Acceptance Capacity
3.1. Framework of Multi-Stage Coordinated Expansion Planning Model for Transmission Network and Energy Storage
3.2. Objective Function
3.3. Constraints
3.4. Model Solving and Linearization
3.4.1. Linearization of Power Flow Constraints
3.4.2. Model Solving Methods
4. Case Study
4.1. Generating Typical Scenarios
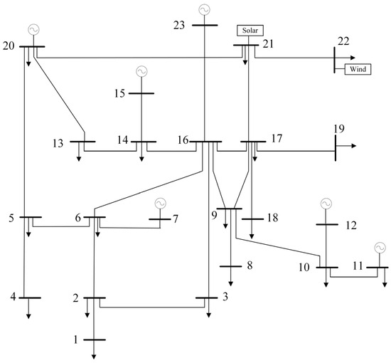
4.2. IEEE RTS-24 Node Case Study System
4.2.1. System Parameter and Case Setting
4.2.2. Planning Results under Different Scenarios
4.2.3. Analysis of the Impact of Different Planning Methods
4.2.4. Impact of Energy Storage Costs on Planning Results
4.2.5. Impact of Transmission Line Capacity
4.3. Actual Power Grid System in a Certain Region
4.3.1. Basic Data
4.3.2. Analysis of Planning Scheme
5. Conclusions
- (1)
- Compared with the single-stage planning of the transmission network, the multi-stage coordinated expansion planning of the transmission network and energy storage has better economy, saving about 7.79% of the total investment cost, and can accept more new energy. With the maturity of energy storage technology, its unit configuration cost will decrease, and the economic benefits of the multi-stage coordinated expansion planning of the transmission network and energy storage will be further enhanced.
- (2)
- The dynamic planning scheme has better economic benefits than the static planning scheme, with a total investment cost reduction of about 30%. The planning scheme of the transmission network and energy storage is also more reasonable, reducing the excessive investment of the power grid assets; the optimal configuration capacity of energy storage is sensitive to its unit cost; the less the transmission capacity of the system, the better the economic improvement effect of the multi-stage expansion coordinated expansion planning of the transmission network and energy storage compared with the single-stage planning of the transmission network.
- (3)
- The power capacity and energy capacity of energy storage in the coordinated expansion planning of the transmission network and energy storage are sensitive to its cost coefficient: the power capacity of energy storage increases with the decrease of its cost coefficient, and the role of delaying the upgrade of transmission lines and increasing the absorption of new energy is greater.
- (4)
- When the transmission capacity of the power system is reduced to 80% of its original level, the coordinated planning of transmission networks and energy storage saves approximately 9.85% in total investment costs compared to single transmission grid planning. This highlights that the economic benefits of deploying energy storage in-crease significantly in systems where grid capacity is more constrained.
Author Contributions
Funding
Institutional Review Board Statement
Informed Consent Statement
Data Availability Statement
Conflicts of Interest
Appendix A
| Transmission Line to Be Selected | From | To | Capacity/MW | Length/km | Existing Number | Expansion Capacity |
|---|---|---|---|---|---|---|
| 1 | 1 | 2 | 326.9 | 4.32 | 2 | 2 |
| 2 | 2 | 3 | 400.4 | 8.424 | 2 | 2 |
| 3 | 2 | 6 | 373.1 | 16.467 | 2 | 2 |
| 4 | 3 | 16 | 633.5 | 7.443 | 2 | 2 |
| 5 | 4 | 5 | 373.1 | 10.924 | 2 | 2 |
| 6 | 5 | 6 | 373.1 | 8.932 | 2 | 2 |
| 7 | 5 | 20 | 268.1 | 25.723 | 2 | 2 |
| 8 | 6 | 7 | 651.7 | 9 | 2 | 2 |
| 9 | 6 | 16 | 373.1 | 0.713 | 2 | 2 |
| 10 | 8 | 9 | 373.1 | 6.025 | 2 | 2 |
| 11 | 9 | 10 | 629.3 | 8.542 | 2 | 2 |
| 12 | 9 | 16 | 373.1 | 6.367 | 2 | 2 |
| 13 | 9 | 17 | 603.4 | 7.995 | 2 | 2 |
| 14 | 10 | 11 | 630.7 | 6.057 | 2 | 2 |
| 15 | 10 | 12 | 651.7 | 14.425 | 2 | 2 |
| 16 | 13 | 14 | 378.7 | 8.966 | 2 | 2 |
| 17 | 13 | 20 | 378.7 | 15.213 | 2 | 2 |
| 18 | 14 | 15 | 322 | 0.504 | 2 | 2 |
| 19 | 14 | 16 | 373.1 | 9.022 | 2 | 2 |
| 20 | 16 | 17 | 427 | 6.099 | 2 | 2 |
| 21 | 16 | 20 | 1515.5 | 34.389 | 1 | 3 |
| 22 | 16 | 23 | 1515.5 | 45.048 | 1 | 3 |
| 23 | 17 | 18 | 373.1 | 5.957 | 2 | 2 |
| 24 | 17 | 19 | 427 | 16.629 | 2 | 2 |
| 25 | 17 | 21 | 373.1 | 433.931 | 2 | 2 |
| 26 | 20 | 21 | 378.7 | 40.285 | 2 | 2 |
| 27 | 21 | 22 | 68.6 | 15.248 | 2 | 2 |
| Thermal Power Plant Location | Minimum Output (MW) | Maximum Output (MW) | Ramp Rate Limit (MW/h) |
|---|---|---|---|
| 7 | 280 | 650 | 65 |
| 11 | 500 | 1222 | 122.2 |
| 12 | 300 | 710 | 71 |
| 15 | 100 | 210 | 21 |
| 20 | 2000 | 4331 | 433.1 |
| 23 | 300 | 1205 | 120.5 |
Appendix B
| Type | Symbol | Definition | SI Unit |
|---|---|---|---|
| Indices | Index of time | / | |
| Index of year | / | ||
| Index of node | / | ||
| Index of node | / | ||
| Sets | Set of planning years | / | |
| Set of candidate lines | / | ||
| Set of candidate installation nodes for energy storage | / | ||
| Set of wind farms and solar plants | / | ||
| Set of wind farms and solar plants | / | ||
| Set of typical scenarios for load and variable energy output | / | ||
| Node-branch incidence matrix for new lines in year | / | ||
| Node-branch incidence matrices for the initial lines | / | ||
| Node-branch incidence matrices for the candidate lines | / | ||
| Parameters | Unit power capacity cost | CNY/MW | |
| Unit energy capacity cost | CNY/MWh | ||
| Maintenance cost of the energy storage | CNY/MW | ||
| Self-discharge rate of the energy storage station | % | ||
| Charging efficiency of the energy storage station | % | ||
| Discharging efficiency of the energy storage station | % | ||
| Dispatch time interval | h | ||
| Lower percentage limits of the state of charge of the energy storage station | % | ||
| Upper percentage limits of the state of charge of the energy storage station | % | ||
| Dispatch period | h | ||
| Annual discount rate | % | ||
| Transmission investment cost | CNY | ||
| Energy storage investment cost | CNY | ||
| Wind curtailment penalty cost | CNY | ||
| Solar curtailment penalty cost | CNY | ||
| Unit investment cost of the line | CNY/km | ||
| Length of the line | km | ||
| Energy storage cost coefficient | % | ||
| Total number of days in scenario | days | ||
| Unit penalty costs for wind curtailment | CNY/MWh | ||
| Unit penalty costs for solar curtailment | CNY/MWh | ||
| Maximum number of energy storage installations allowed by the system | / | ||
| Maximum number of new lines between nodes and | / | ||
| Number of initial lines | / | ||
| Number of candidate lines | / | ||
| Maximum transmission power of a single line between nodes and | MW | ||
| Ramp-up rates of conventional generator | MW/h | ||
| Ramp-down rates of conventional generator | MW/h | ||
| Maximum output limits of conventional generator | MW | ||
| Minimum output limits of conventional generator | MW | ||
| Charging efficiency of the energy storage device | % | ||
| Discharging efficiency of the energy storage device | % | ||
| Variables | Planned charge/discharge power | MW | |
| Planned capacity of the energy storage | MWh | ||
| Remaining energy at time in the energy storage station | MWh | ||
| Charging power at time in the energy storage station | MW | ||
| Discharging power at time in the energy storage station | MW | ||
| Charging states of the energy storage station | / | ||
| Discharging states of the energy storage station | / | ||
| Present value factor corresponding to the year | CNY | ||
| Binary variable for constructing the new line on branch in year | / | ||
| Binary variable indicating whether energy storage is constructed at node in year | / | ||
| Power capacity of the energy storage constructed at node in year | MW | ||
| Energy capacity of the energy storage constructed at node in year | MWh | ||
| Forecasted output power of wind farm during period in scenario for year | MW | ||
| Actual output power of wind farm during period in scenario or year | MW | ||
| Forecasted output power of solar power plant during period in scenario for year | MW | ||
| Actual output power of solar power plant during period in scenario for year | MW | ||
| Number of new transmission lines in year | / | ||
| Active power vectors for initial lines in scenario during period of year | MW | ||
| Active power vectors for candidate lines in scenario during period of year | MW | ||
| Active power vector for new lines in year during scenario of period | MW | ||
| Active power output vectors of thermal plants in scenario s during period of year | MW | ||
| Active power output vectors of wind farms in scenario s during period of year | MW | ||
| Active power output vectors of solar power stations in scenario s during pe-riod of year | MW | ||
| Charging and discharging power vector for new energy storage in scenario during period of year | MW | ||
| Load vector at each node in scenario during period of year | MW | ||
| Susceptance of a single line between nodes and | s | ||
| Total active power flow through the initial branch in scenario during period of year | MW | ||
| Total active power flow through new branches in scenario during period of year | MW | ||
| Active power flow through the new transmission line in scenario during period of year | MW | ||
| Angles at nodes in scenario during period of year | rad | ||
| Angles at nodes in scenario during period of year | rad | ||
| Angles at reference node in scenario during period of year | rad | ||
| Active power output of conventional generator in scenario during period of year | MW | ||
| Charging power of the energy storage device at node in scenario during period of year | MW | ||
| Discharging power of the energy storage device at node in scenario during period of year | MW | ||
| Capacity of the energy storage device at node in scenario during period of year | MWh | ||
| Charging status of the energy storage device at node in scenario during period of year | / | ||
| Discharging status of the energy storage device at node in scenario during period of year | / |
References
- Wu, Z.; Chen, Z.; Wang, C.; Zhou, M.; Wang, J.; Chen, L. Unlocking the potential of rooftop solar panels: An incentive rate structure design. Energy Policy 2024, 190, 114159. [Google Scholar] [CrossRef]
- Chen, X.; Liu, Y.; Wang, Q.; Lv, J.; Wen, J.; Chen, X.; Kang, C.; Cheng, S.; McElroy, M.B. Pathway toward carbon-neutral electrical systems in China by mid-century with negative CO2 abatement costs informed by high-resolution modeling. Joule 2021, 5, 2715–2741. [Google Scholar] [CrossRef]
- Council, T.S. Notice of The State Council on Issuing an Action Plan for Carbon Peaking before 2030. Available online: https://www.gov.cn/zhengce/zhengceku/2021-10/26/content_5644984.htm (accessed on 26 October 2021).
- Administration, N.E. National Energy Administration Released Statistics on the National Power Industry in 2023. Available online: https://www.nea.gov.cn/2024-01/26/c_1310762246.htm (accessed on 26 January 2024).
- Wu, Z.; Wang, J.; Zhong, H.; Gao, F.; Pu, T.; Tan, C.W.; Chen, X.; Li, G.; Zhao, H.; Zhou, M.; et al. Sharing Economy in Local Energy Markets. J. Mod. Power Syst. Clean Energy 2023, 11, 714–726. [Google Scholar] [CrossRef]
- Borasio, M.; Moret, S. Deep decarbonisation of regional energy systems: A novel modelling approach and its application to the Italian energy transition. Renew. Sustain. Energy Rev. 2022, 153, 111730. [Google Scholar] [CrossRef]
- Chang, X.; Wu, Z.; Wang, J.; Zhang, X.; Zhou, M.; Yu, T.; Wang, Y. The coupling effect of carbon emission trading and tradable green certificates under electricity marketization in China. Renew. Sustain. Energy Rev. 2023, 187, 113750. [Google Scholar] [CrossRef]
- Alshamrani, A.M.; El-Meligy, M.A.; Sharaf, M.A.F.; Saif, W.A.M.; Awwad, E.M. Transmission Expansion Planning Considering a High Share of Wind Power to Maximize Available Transfer Capability. IEEE Access 2023, 11, 23136–23145. [Google Scholar] [CrossRef]
- Chen, Y.; Song, Z.; Hou, Y. Climate-Adaptive Transmission Network Expansion Planning Considering Evolutions of Resources. IEEE Trans. Ind. Inform. 2024, 20, 2063–2078. [Google Scholar] [CrossRef]
- El-Meligy, M.A.; El-Sherbeeny, A.M.; Mahmoud, H.A. Market Power-Constrained Transmission Expansion Planning Using Bi-Level Optimization. J. Electr. Eng. Technol. 2024, 19, 113–124. [Google Scholar] [CrossRef]
- Hu, J.; Xu, X.; Ma, H.; Yan, Z. Distributionally Robust Co-optimization of Transmission Network Expansion Planning and Penetration Level of Renewable Generation. J. Mod. Power Syst. Clean Energy 2022, 10, 577–587. [Google Scholar] [CrossRef]
- Niu, W.; Ge, Y.; Pan, D.; Ma, L.; Gao, C.; Nan, K. Transmission Expansion Planning Considering the Integration of Renewable Energy in the Market Environment. In Proceedings of the 2021 IEEE Sustainable Power and Energy Conference (iSPEC), Nanjing, China, 23–25 December 2021; pp. 1862–1867. [Google Scholar]
- Baharvandi, S.; Maghouli, P. Risk-constrained expansion planning of wind integrated networks using innovative MPEC primal-dual formulation for directly involving price-based demand response in MILP problem. J. Eng. 2023, 2023, e12314. [Google Scholar] [CrossRef]
- Dehghan, S.; Amjady, N.; Conejo, A.J. A Multistage Robust Transmission Expansion Planning Model Based on Mixed Binary Linear Decision Rules—Part I. IEEE Trans. Power Syst. 2018, 33, 5341–5350. [Google Scholar] [CrossRef]
- Dehghan, S.; Amjady, N.; Conejo, A.J. A Multistage Robust Transmission Expansion Planning Model Based on Mixed-Binary Linear Decision Rules—Part II. IEEE Trans. Power Syst. 2018, 33, 5351–5364. [Google Scholar] [CrossRef]
- Liu, J.; He, D.; Wei, Q.; Yan, S. Energy Storage Coordination in Energy Internet Based on Multi-Agent Particle Swarm Optimization. Appl. Sci. 2018, 8, 1520. [Google Scholar] [CrossRef]
- Ansari, M.R.; Pirouzi, S.; Kazemi, M.; Naderipour, A.; Benbouzid, M. Renewable Generation and Transmission Expansion Planning Coordination with Energy Storage System: A Flexibility Point of View. Appl. Sci. 2021, 11, 3303. [Google Scholar] [CrossRef]
- Barbar, M.; Mallapragada, D.S.; Stoner, R. Decision making under uncertainty for deploying battery storage as a non-wire alternative in distribution networks. Energy Strategy Rev. 2022, 41, 100862. [Google Scholar] [CrossRef]
- Gil, H.A.; Joos, G. On the Quantification of the Network Capacity Deferral Value of Distributed Generation. IEEE Trans. Power Syst. 2006, 21, 1592–1599. [Google Scholar] [CrossRef]
- Mazaheri, H.; Abbaspour, A.; Fotuhi-Firuzabad, M.; Moeini-Aghtaie, M.; Farzin, H.; Wang, F.; Dehghanian, P. An online method for MILP co-planning model of large-scale transmission expansion planning and energy storage systems considering N-1 criterion. IET Gener. Transm. Distrib. 2021, 15, 664–677. [Google Scholar] [CrossRef]
- Conejo, A.J.; Cheng, Y.; Zhang, N.; Kang, C. Long-term coordination of transmission and storage to integrate wind power. CSEE J. Power Energy Syst. 2017, 3, 36–43. [Google Scholar] [CrossRef]
- Dehghan, S.; Amjady, N. Robust Transmission and Energy Storage Expansion Planning in Wind Farm-Integrated Power Systems Considering Transmission Switching. IEEE Trans. Sustain. Energy 2016, 7, 765–774. [Google Scholar] [CrossRef]
- Li, Z. Research on Architecture Planning and Optimal Configuration Method of Distributed Energy Storage System in Low Voltage Distribution Network. Master’s Thesis, South China University of Technology, Guangzhou, China, 2021. [Google Scholar]
- Balducci, P.J.; Alam, M.J.E.; Hardy, T.D.; Wu, D. Assigning value to energy storage systems at multiple points in an electrical grid. Energy Environ. Sci. 2018, 11, 1926–1944. [Google Scholar] [CrossRef]
- Zhang, L.; Li, F. Energy Bus-Based Matrix Modeling and Optimal Scheduling for Integrated Energy Systems. Appl. Sci. 2024, 14, 4297. [Google Scholar] [CrossRef]
- Latorre, G.; Cruz, R.D.; Areiza, J.M.; Villegas, A. Classification of publications and models on transmission expansion planning. IEEE Trans. Power Syst. 2003, 18, 938–946. [Google Scholar] [CrossRef]
- Li, Z.; Wu, W.; Zhang, B.; Wang, B. Decentralized Multi-Area Dynamic Economic Dispatch Using Modified Generalized Benders Decomposition. IEEE Trans. Power Syst. 2016, 31, 526–538. [Google Scholar] [CrossRef]
- Ji, S.; Su, D.; Song, Q.; Li, Y.; Dong, P.; Wang, Y. Multi-stage planning of integrated energy systems considering external carbon trading. In Proceedings of the 2022 2nd International Conference on Electrical Engineering and Control Science (IC2ECS), Nanjing, China, 16–18 December 2022; pp. 293–297. [Google Scholar]
- Du, E.; Zhang, N.; Kang, C.; Xia, Q. A High-Efficiency Network-Constrained Clustered Unit Commitment Model for Power System Planning Studies. IEEE Trans. Power Syst. 2019, 34, 2498–2508. [Google Scholar] [CrossRef]
- Jiang, H.; Du, E.; Zhang, N.; Zhuo, Z.; Wang, P.; Wang, Z.; Zhang, Y. Renewable Electric Energy System Planning Considering Seasonal Electricity Imbalance Risk. IEEE Trans. Power Syst. 2023, 38, 5432–5444. [Google Scholar] [CrossRef]
- Huang, Y. Joint Planning of Energy Storage and Transmission Network with Significant Wind Power Penetration. Master’s Thesis, North China Electric Power University, Beijing, China, 2018. [Google Scholar]







| Stage | Transmission Line Planning Scheme: Corridor (Number of New Lines) | Energy Storage Planning Scheme: Node (MW/MWh) | Transmission Line Investment Cost (×108 CNY) | Energy Storage Investment Cost (×108 CNY)) | Wind Curtailment Cost (×108 CNY) | Solar Curtailment Cost (×108 CNY) |
|---|---|---|---|---|---|---|
| 1 | 2–4(2), 2–6(1), 4–9(2), 7–8(2), 11–13(1), 12–23(2), 20–23(1), | 4(119.01/614.92), 12(58.91/248.19), 13(63.76/264.80), 20(112.80/527.72), 23(76.11/361.53) | 21.47 | 5.38 | 0 | 0 |
| 2 | - | - | - | - | 0.89 | 0 |
| 3 | - | - | - | - | 3.41 | 0.13 |
| Total Cost (Present Value) | 21.47 | 5.38 | 4.30 | 0.13 | ||
| Stage | Transmission Line Planning Scheme: Corridor (Number of New Lines) | Transmission Line Investment Cost (×108 CNY) | Wind Curtailment Cost (×108 CNY) | Solar Curtailment Cost (×108 CNY) |
|---|---|---|---|---|
| 1 | 2–6(1), 7–8(1), 11–13(1) | 1.32 | 1.64 | 0.02 |
| 2 | 2–4(1), 4–9(1), 7–8(1), 20–23(1) | 0.88 | 2.57 | 0.03 |
| 3 | 2–4(1), 4–9(1), 10–12(1), 12–23(1), 13–23(1), 16–19(1), 19–20(1) | 2.80 | 13.69 | 0.69 |
| Total Cost (Present Value) | 4.99 | 17.89 | 0.74 | |
| Stage | Transmission Line Planning Scheme: Corridor (Number of New Lines) | Energy Storage Planning Scheme: Node (MW/MWh) | Transmission Line Investment Cost (×108 CNY) | Energy Storage Investment Cost (×108 CNY) | Wind Curtailment Cost (×108 CNY) | Solar Curtailment Cost (×108 CNY) |
|---|---|---|---|---|---|---|
| 1 | 2–6(1), 7–8(1), 11–13(1) | 20(16.84/100.0) | 1.32 | 0.88 | 1.38 | 0.01 |
| 2 | 2–4(1), 4–9(1), 7–8(1), 20–23(1) | 20(40.46/240.20) | 0.88 | 1.60 | 1.52 | 0 |
| 3 | 2–4(1), 4–9(1), 9–12(1), 12–23(1), 13–23(1) | 4(113.43/808.17) | ||||
| Total Cost (Present Value) | 4.46 | 7.09 | 10.09 | 0.14 | ||
| Transmission Capacity | 0.9 | 0.8 | |||
|---|---|---|---|---|---|
| Case 2 | Case 3 | Case 2 | Case 3 | ||
| Stage 1 | Transmission Line Planning Scheme: Corridor (Number of New Lines) | 10(1), 11(1), 17(1), 18(1), 21(1) | 5(1), 11(1), 17(1), 18(1), 33(1) | 5(1), 11(1), 15(1), 17(1), 18(1), 21(1), 33(1) | 5(1), 11(1), 15(1), 17(1), 18(1), 21(1), 33(1) |
| Energy Storage Planning Scheme: Node (MW/MWh) | - | 4(60.44/361.96) | - | 4(18.25/108.37) | |
| Transmission Line Investment Cost (×108 CNY) | 2.82 | 2.12 | 3.96 | 3.96 | |
| Energy Storage Investment Cost (×108 CNY)) | - | 3.17 | - | 0.96 | |
| Wind and Solar Curtailment Cost (×108 CNY) | 1.65 | 0.91 | 1.67 | 1.37 | |
| Stage 2 | Transmission Line Planning Scheme: Corridor (Number of New Lines) | 4(1), 8(1), 33(1) | 4(1), 8(1), 21(1) | 4(1), 8(1), 10(1), 11(1), 22(1) | 4(1), 8(1), 22(1) |
| Energy Storage Planning Scheme: Node (MW/MWh) | - | 0 | - | 4(43.98/261.15) 6(14.04/100) | |
| Transmission Line Investment Cost (×108 CNY) | 0.74 | 1.60 | 1.75 | 1.49 | |
| Energy Storage Investment Cost (×108 CNY)) | - | 0 | - | 2.32 | |
| Wind and Solar Curtailment Cost (×108 CNY) | 2.59 | 1.49 | 2.60 | 1.31 | |
| Stage 3 | Transmission Line Planning Scheme: Corridor (Number of New Lines) | 4(1), 5(1), 8(1), 15(1), 21(1), 22(1) | 4(1), 5(1), 15(1), 21(1), 22(1) | 4(1), 6(1), 8(1), 9(1), 17(1), 21(1), 22(1) | 4(1), 8(1), 17(1), 21(1), 22(1) |
| Energy Storage Planning Scheme: Node (MW/MWh) | - | 2(15.18/108.18) 4(120.0/855.0) | - | 2(14.04/100.0) 4(120/826.10) 6(14.03/100.0) | |
| Transmission Line Investment Cost (×108 CNY) | 2.57 | 2.26 | 2.60 | 2.26 | |
| Energy Storage Investment Cost (×108 CNY)) | - | 3.78 | - | 4.11 | |
| Wind and Solar Curtailment Cost (×108 CNY) | 13.82 | 8.00 | 13.91 | 7.85 | |
| Total Cost (×108 CNY) | 25.38 | 23.35 | 28.43 | 25.63 | |
| Stage | Transmission Line Planning Scheme: Corridor (Number of New Lines) | Transmission Line Investment Cost (×108 CNY) | Wind Curtailment Cost (×108 CNY) | Solar Curtailment Cost (×108 CNY) |
|---|---|---|---|---|
| 1 | 4–5(1), 21–22(1) | 0.26 | 2.58 | 0 |
| 2 | 4–5(1) | 0.09 | 3.54 | 0.02 |
| 3 | 13–14(1), 13–20(1), 14–16(1) | 0.30 | 16.21 | 0.07 |
| Total Cost (Present Value) | 0.65 | 22.32 | 0.09 | |
| Stage | Transmission Line Planning Scheme: Corridor (Number of New Lines) | Energy Storage Planning Scheme: Node (MW/MWh) | Transmission Line Investment Cost (×108 CNY) | Energy Storage Investment Cost (×108 CNY) | Wind Curtailment Cost (×108 CNY) | Solar Curtailment Cost (×108 CNY) |
|---|---|---|---|---|---|---|
| 1 | 4–5(1), 21–22(1) | 13(67.71/482.44) | 0.26 | 3.71 | 1.63 | 0 |
| 2 | 14–15(1) | 4(20.70/108.95) 13(40.84/291.01) | 0.01 | 2.49 | 1.50 | 0 |
| 3 | 13–14(1), 13–20(1), 14–16(1) | 13(33.57/239.20) | 0.30 | 0.94 | 10.92 | 0 |
| Total Cost (Present Value) | 0.57 | 7.14 | 14.04 | 0 | ||
Disclaimer/Publisher’s Note: The statements, opinions and data contained in all publications are solely those of the individual author(s) and contributor(s) and not of MDPI and/or the editor(s). MDPI and/or the editor(s) disclaim responsibility for any injury to people or property resulting from any ideas, methods, instructions or products referred to in the content. |
© 2024 by the authors. Licensee MDPI, Basel, Switzerland. This article is an open access article distributed under the terms and conditions of the Creative Commons Attribution (CC BY) license (https://creativecommons.org/licenses/by/4.0/).
Share and Cite
Liang, Y.; Liu, H.; Zhou, H.; Meng, Z.; Liu, J.; Zhou, M. Multi-Stage Coordinated Planning for Transmission and Energy Storage Considering Large-Scale Renewable Energy Integration. Appl. Sci. 2024, 14, 6486. https://doi.org/10.3390/app14156486
Liang Y, Liu H, Zhou H, Meng Z, Liu J, Zhou M. Multi-Stage Coordinated Planning for Transmission and Energy Storage Considering Large-Scale Renewable Energy Integration. Applied Sciences. 2024; 14(15):6486. https://doi.org/10.3390/app14156486
Chicago/Turabian StyleLiang, Yan, Hongli Liu, Hengyu Zhou, Zijian Meng, Jinxiong Liu, and Ming Zhou. 2024. "Multi-Stage Coordinated Planning for Transmission and Energy Storage Considering Large-Scale Renewable Energy Integration" Applied Sciences 14, no. 15: 6486. https://doi.org/10.3390/app14156486
APA StyleLiang, Y., Liu, H., Zhou, H., Meng, Z., Liu, J., & Zhou, M. (2024). Multi-Stage Coordinated Planning for Transmission and Energy Storage Considering Large-Scale Renewable Energy Integration. Applied Sciences, 14(15), 6486. https://doi.org/10.3390/app14156486

