Introducing a Novel Application of Bio-Based Fillers Based on Rice Bran Wax Infused with Green Tea: Transitioning from a Cosmetic Additive to a Multifunctional Pigment for Wood Paints
Abstract
1. Introduction
2. Materials and Methods
2.1. Materials
2.2. Samples Fabrication
2.3. Characterization
- 4 h at +50 °C and relative humidity below 30%;
- 4 h at −20 °C;
- 16 h at room temperature.
3. Results and Discussion
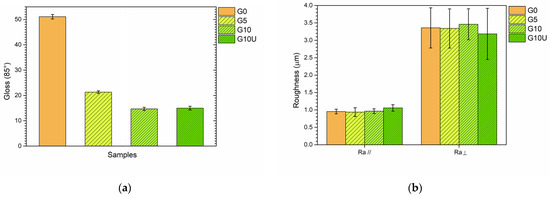
3.1. Filler and Coatings Aspect
- L* represents lightness, varying from 0 (for black objects) to 100 (for white objects);
- The a* axis represents the red–green axis, with positive values indicating redness and negative values indicating greenness;
- The b* axis represents the yellow–blue axis, where positive values indicate a tendency towards yellowness and negative values indicate a tendency towards blueness.

3.2. Aesthetic Durability of the Additive in Challenging Environments
3.3. Effect of the Filler on the Barrier Properties of the Coatings
3.4. Effect of the Filler on the Abrasion Resistance Properties of the Coatings
4. Conclusions
Author Contributions
Funding
Institutional Review Board Statement
Informed Consent Statement
Data Availability Statement
Acknowledgments
Conflicts of Interest
Appendix A

References
- Sadh, P.K.; Duhan, S.; Duhan, J.S. Agro-industrial wastes and their utilization using solid state fermentation: A review. Bioresour. Bioprocess 2018, 5, 1. [Google Scholar] [CrossRef]
- Sanjay, M.; Madhu, P.; Jawaid, M.; Senthamaraikannan, P.; Senthil, S.; Pradeep, S. Characterization and properties of natural fiber polymer composites: A comprehensive review. J. Clean. Prod. 2018, 172, 566–581. [Google Scholar] [CrossRef]
- Calovi, M.; Zanardi, A.; Rossi, S. Recent Advances in Bio-Based Wood Protective Systems: A Comprehensive Review. Appl. Sci. 2024, 14, 736. [Google Scholar] [CrossRef]
- Patil, A.M.; Jagtap, R.N. PU-coating performance of bio-based hyperbranched alkyd resin on mild steel and wood substrate. J. Coat. Technol. Res. 2021, 18, 741–752. [Google Scholar] [CrossRef]
- Kartal, S.N.; Hwang, W.-J.; Imamura, Y.; Sekine, Y. Effect of essential oil compounds and plant extracts on decay and termite resistance of wood. Eur. J. Wood Wood Prod. 2006, 64, 455–461. [Google Scholar] [CrossRef]
- Humar, M.; Lesar, B. Efficacy of linseed-and tung-oil-treated wood against wood-decay fungi and water uptake. Int. Biodeterior. Biodegrad. 2013, 85, 223–227. [Google Scholar] [CrossRef]
- Arminger, B.; Jaxel, J.; Bacher, M.; Gindl-Altmutter, W.; Hansmann, C. On the drying behavior of natural oils used for solid wood finishing. Prog. Org. Coat. 2020, 148, 105831. [Google Scholar] [CrossRef]
- Shang, Q.; Chen, J.; Liu, C.; Hu, Y.; Hu, L.; Yang, X.; Zhou, Y. Facile fabrication of environmentally friendly bio-based superhydrophobic surfaces via UV-polymerization for self-cleaning and high efficient oil/water separation. Prog. Org. Coat. 2019, 137, 105346. [Google Scholar] [CrossRef]
- Rosu, D.; Bodîrlău, R.; Teacă, C.A.; Rosu, L.; Varganici, C.D. Epoxy and succinic anhydride functionalized soybean oil for wood protection against UV light action. J. Clean. Prod. 2016, 112, 1175–1183. [Google Scholar] [CrossRef]
- Walsh-Korb, Z.; Stelzner, I.; dos Santos Gabriel, J.; Eggert, G.; Avérous, L. Morphological Study of Bio-Based Polymers in the Consolidation of Waterlogged Wooden Objects. Materials 2022, 15, 681. [Google Scholar] [CrossRef]
- Lu, J.; Venäläinen, M.; Julkunen-Tiitto, R.; Harju, A.M. Stilbene impregnation retards brown-rot decay of Scots pine sapwood. Holzforschung 2016, 70, 261–266. [Google Scholar] [CrossRef]
- Barbero-López, A.; Chibily, S.; Tomppo, L.; Salami, A.; Ancin-Murguzur, F.J.; Venäläinen, M.; Lappalainen, R.; Haapala, A. Pyrolysis distillates from tree bark and fibre hemp inhibit the growth of wood-decaying fungi. Ind. Crops Prod. 2019, 129, 604–610. [Google Scholar] [CrossRef]
- Yildiz, Ü.C.; Kiliç, C.; Gürgen, A.; Yildiz, S. Possibility of using lichen and mistletoe extracts as potential natural wood preservative. Maderas. Cienc. Tecnol. 2020, 22, 179–188. [Google Scholar] [CrossRef]
- Šimůnková, K.; Reinprecht, L.; Nábělková, J.; Hýsek, Š.; Kindl, J.; Borůvka, V.; Lišková, T.; Šobotník, J.; Pánek, M. Caffeine–Perspective natural biocide for wood protection against decaying fungi and termites. J. Clean. Prod. 2021, 304, 127110. [Google Scholar] [CrossRef]
- De Medeiros, F.C.; Gouveia, F.N.; Bizzo, H.R.; Vieira, R.F.; Del Menezzi, C.H. Fungicidal activity of essential oils from Brazilian Cerrado species against wood decay fungi. Int. Biodeterior. Biodegrad. 2016, 114, 87–93. [Google Scholar] [CrossRef]
- Xie, Y.; Wang, Z.; Huang, Q.; Zhang, D. Antifungal activity of several essential oils and major components against wood-rot fungi. Ind. Crops Prod. 2017, 108, 278–285. [Google Scholar] [CrossRef]
- Anttila, A.-K.; Pirttilä, A.M.; Häggman, H.; Harju, A.; Venäläinen, M.; Haapala, A.; Holmbom, B.; Julkunen-Tiitto, R. Condensed conifer tannins as antifungal agents in liquid culture. Holzforschung 2013, 67, 825–832. [Google Scholar] [CrossRef]
- Silveira, A.G.; Santini, E.J.; Kulczynski, S.M.; Trevisan, R.; Wastowski, A.D.; Gatto, D.A. Tannic extract potential as natural wood preservative of Acacia mearnsii. An. Acad. Bras. Cienc. 2017, 89, 3031–3038. [Google Scholar] [CrossRef]
- Tomak, E.; Gonultas, O. The wood preservative potentials of valonia, chestnut, tara and sulphited oak tannins. J. Wood Chem. Technol. 2018, 38, 183–197. [Google Scholar] [CrossRef]
- Marrot, L.; Zouari, M.; Schwarzkopf, M.; DeVallance, D.B. Sustainable biocarbon/tung oil coatings with hydrophobic and UV-shielding properties for outdoor wood substrates. Prog. Org. Coat. 2023, 177, 107428. [Google Scholar] [CrossRef]
- Zikeli, F.; Vinciguerra, V.; D’Annibale, A.; Capitani, D.; Romagnoli, M.; Scarascia Mugnozza, G. Preparation of lignin nanoparticles from wood waste for wood surface treatment. Nanomaterials 2019, 9, 281. [Google Scholar] [CrossRef] [PubMed]
- Tomak, E.D.; Arican, F.; Gonultas, O.; Parmak, E.D.S. Influence of tannin containing coatings on weathering resistance of wood: Water based transparent and opaque coatings. Polym. Degrad. Stab. 2018, 151, 152–159. [Google Scholar] [CrossRef]
- Jusic, J.; Tamantini, S.; Romagnoli, M.; Vinciguerra, V.; Di Mattia, E.; Zikeli, F.; Cavalera, M.; Scarascia Mugnozza, G. Improving sustainability in wood coating: Testing lignin and cellulose nanocrystals as additives to commercial acrylic wood coatings for bio-building. iForest 2021, 14, 499. [Google Scholar] [CrossRef]
- Tamantini, S.; Bergamasco, S.; Zikeli, F.; Humar, M.; Cavalera, M.; Romagnoli, M. Cellulose Nano Crystals (CNC) as Additive for a Bio-Based Waterborne Acrylic Wood Coating: Decay, Artificial Weathering, Physical and Chemical Tests. Nanomaterials 2023, 13, 442. [Google Scholar] [CrossRef]
- Kaboorani, A.; Auclair, N.; Riedl, B.; Landry, V. Physical and morphological properties of UV-cured cellulose nanocrystal (CNC) based nanocomposite coatings for wood furniture. Prog. Org. Coat. 2016, 93, 17–22. [Google Scholar] [CrossRef]
- Barbero-López, A.; Ochoa-Retamero, A.; López-Gómez, Y.; Vilppo, T.; Venäläinen, M.; Lavola, A.; Julkunen-Tiitto, R.; Haapala, A. Activity of spent coffee ground cinnamates against wood-decaying fungi in vitro. BioResources 2018, 13, 6555–6564. [Google Scholar] [CrossRef]
- Woźniak, M.; Kwaśniewska-Sip, P.; Waśkiewicz, A.; Cofta, G.; Ratajczak, I. The possibility of propolis extract application in wood protection. Forests 2020, 11, 465. [Google Scholar] [CrossRef]
- Moutaouafiq, S.; Farah, A.; Ez zoubi, Y.; Ghanmi, M.; Satrani, B.; Bousta, D. Antifungal activity of Pelargonium graveolens essential oil and its fractions against wood decay fungi. J. Essent. Oil-Bear. Plants 2019, 22, 1104–1114. [Google Scholar] [CrossRef]
- Wiemann, M.C. Characteristics and availability of commercially important woods. In Wood Handbook: Wood as an Engineering Material; Forest Products Laboratory: Madison, WI, USA; United States Department of Agriculture Forest Service: Madison, WI, USA, 2010. [Google Scholar]
- Yan, X.; Chang, Y.; Qian, X. Effect of the concentration of pigment slurry on the film performances of waterborne wood coatings. Coatings 2019, 9, 635. [Google Scholar] [CrossRef]
- Yan, X.; Wang, L.; Qian, X. Influence of thermochromic pigment powder on properties of waterborne primer film for Chinese fir. Coatings 2019, 9, 742. [Google Scholar] [CrossRef]
- Calovi, M.; Rossi, S. Synergistic contribution of bio-based additives in wood paint: The combined effect of pigment deriving from spirulina and multifunctional filler based on carnauba wax. Prog. Org. Coat. 2023, 182, 107713. [Google Scholar] [CrossRef]
- Calovi, M.; Rossi, S. Comparative analysis of the advantages and disadvantages of utilizing spirulina-derived pigment as a bio-based colorant for wood impregnator. Coatings 2023, 13, 1154. [Google Scholar] [CrossRef]
- Calovi, M.; Rossi, S. Eco-Friendly Multilayer Coating Harnessing the Functional Features of Curcuma-Based Pigment and Rice Bran Wax as a Hydrophobic Filler. Materials 2023, 16, 7086. [Google Scholar] [CrossRef] [PubMed]
- Calovi, M.; Rossi, S. Impact of High Concentrations of Cellulose Fibers on the Morphology, Durability and Protective Properties of Wood Paint. Coatings 2023, 13, 721. [Google Scholar] [CrossRef]
- Liu, Y.; Yu, Z.; Zhang, Y.; Qi, C.; Tang, R.; Zhao, B.; Wang, H.; Han, Y. Microbial dyeing—Infection behavior and influence of Lasiodiplodia theobromae in poplar veneer. Dye. Pigment. 2020, 173, 107988. [Google Scholar] [CrossRef]
- Liu, Y.; Zhang, Y.; Yu, Z.; Qi, C.; Tang, R.; Zhao, B.; Wang, H.; Han, Y. Microbial dyes: Dyeing of poplar veneer with melanin secreted by Lasiodiplodia theobromae isolated from wood. Appl. Microbiol. Biotechnol. 2020, 104, 3367–3377. [Google Scholar] [CrossRef]
- Nikitha, M.; Natarajan, V. Properties of South-Indian rice cultivars: Physicochemical, functional, thermal and cooking characterisation. J. Food Sci. Technol. 2020, 57, 4065–4075. [Google Scholar] [CrossRef] [PubMed]
- Vali, S.R.; Ju, Y.-H.; Kaimal, T.N.B.; Chern, Y.-T. A process for the preparation of food-grade rice bran wax and the determination of its composition. J. Am. Oil. Chem. Soc. 2005, 82, 57–64. [Google Scholar] [CrossRef]
- Ghosh, M.; Bandyopadhyay, S. Studies on the crystal growth of rice bran wax in a hexane medium. J. Am. Oil. Chem. Soc. 2005, 82, 229–231. [Google Scholar] [CrossRef]
- Martini, S.; Añon, M.C. Crystallization of sunflower oil waxes. J. Am. Oil. Chem. Soc. 2003, 80, 525–532. [Google Scholar] [CrossRef]
- Ning, L.; Zhang, L.; Zhang, S.; Wang, W. How does surfactant affect the hydrophobicity of wax-coated wood? Colloids Surf. A Physicochem. Eng. Asp. 2022, 650, 129606. [Google Scholar] [CrossRef]
- Torun, I.; Ruzi, M.; Er, F.; Onses, M.S. Superhydrophobic coatings made from biocompatible polydimethylsiloxane and natural wax. Prog. Org. Coat 2019, 136, 105279. [Google Scholar] [CrossRef]
- Saji, V.S. Wax-based artificial superhydrophobic surfaces and coatings. Colloids Surf. A Physicochem. Eng. Asp. 2020, 602, 125132. [Google Scholar] [CrossRef]
- Namita, P.; Mukesh, R.; Vijay, K.J. Camellia sinensis (green tea): A review. Glob. J. Pharmacol. 2012, 6, 52–59. [Google Scholar]
- Choi, M.-H.; Min, M.-J.; Oh, D.-S.; Shin, H.-J. Antimicrobial and antioxidant activity of Camellia japonica extracts for cosmetic applications. KSBB J. 2013, 28, 99–105. [Google Scholar] [CrossRef]
- Becker, L.C.; Bergfeld, W.F.; Belsito, D.V.; Hill, R.A.; Klaassen, C.D.; Liebler, D.C.; Marks, J.G., Jr.; Shank, R.C.; Slaga, T.J.; Snyder, P.W. Safety Assessment of Camellia sinensis–Derived Ingredients as Used in Cosmetics. Int. J. Toxicol. 2019, 38, 48S–70S. [Google Scholar] [CrossRef] [PubMed]
- Koch, W.; Zagórska, J.; Marzec, Z.; Kukula-Koch, W. Applications of tea (Camellia sinensis) and its active constituents in cosmetics. Molecules 2019, 24, 4277. [Google Scholar] [CrossRef]
- Šimon, P.; Fratričová, M.; Schwarzer, P.; Wilde, H.-W. Evaluation of the residual stability of polyurethane automotive coatings by DSC: Equivalence of Xenotest and desert weathering tests and the synergism of stabilizers. J. Therm. Anal. Calorim. 2006, 84, 679–692. [Google Scholar] [CrossRef]
- Queant, C.; Landry, V.; Blanchet, P.; Schorr, D. Synthesis and incorporation of poly (methyl methacrylate) microspheres with UV stabilizers in wood clear coating binder. J. Coat. Technol. Res. 2017, 14, 1411–1422. [Google Scholar] [CrossRef]
- Liu, Y.; Liu, Y.; Lin, J.; Tan, H.; Zhang, C. UV-protective treatment for Vectran® fibers with hybrid coatings of TiO2/organic UV absorbers. J. Adhes. Sci. Technol. 2014, 28, 1773–1782. [Google Scholar] [CrossRef]
- Shenoy, M.; Marathe, Y. Studies on synergistic effect of UV absorbers and hindered amine light stabilisers. Pigm. Resin Technol. 2007, 36, 83–89. [Google Scholar] [CrossRef]
- Aloui, F.; Ahajji, A.; Irmouli, Y.; George, B.; Charrier, B.; Merlin, A. Inorganic UV absorbers for the photostabilisation of wood-clearcoating systems: Comparison with organic UV absorbers. Appl. Surf. Sci. 2007, 253, 3737–3745. [Google Scholar] [CrossRef]
- Balatinecz, J.J.; Kretschmann, D.E.; Leclercq, A. Achievements in the utilization of poplar wood–guideposts for the future. For. Chron. 2001, 77, 265–269. [Google Scholar] [CrossRef]
- Balatinecz, J.J.; Kretschmann, D.E. Properties and utilization of poplar wood. In Poplar Culture in North America; NRC Research Press: Ottawa, ON, Canada, 2001; pp. 277–291. ISBN 978-0-660-18145-5. [Google Scholar]
- Nikafshar, S.; Zabihi, O.; Ahmadi, M.; Mirmohseni, A.; Taseidifar, M.; Naebe, M. The effects of UV light on the chemical and mechanical properties of a transparent epoxy-diamine system in the presence of an organic UV absorber. Materials 2017, 10, 180. [Google Scholar] [CrossRef] [PubMed]
- ASTM D523-14; Standard Test Method for Specular Gloss. ASTM International: West Conshohocken, PA, USA, 2014; pp. 1–12.
- ASTM D4587-11(2019)e1; Standard Practice for Fluorescent UV-Condensation Exposures of Paint and Related Coatings. ASTM International: West Conshohocken, PA, USA, 2019; pp. 1–6.
- UNI 9429-22; Finiture del Legno e dei Mobili—Determinazione Della Resistenza Delle Superfici Agli Sbalzi di Temperatura. UNI-Ente Nazionale Italiano di Unificazione: Rome, Italy, 2022; pp. 1–11.
- EN927-05; Paints and Varnishes—Coating Materials and Coating Systems for Exterior Wood-Part 5: Assessment of the liquid water permeability. European Standard: Brussels, Belgium, 2005; pp. 1–18.
- UNI EN 12720-14; Assessment of Surface Resistance to Cold Liquids. European Committee for Standardization: Brussels, Belgium, 2014; pp. 1–4.
- ASTM D7334–08; Standard Practice for Surface Wettability of Coatings, Substrates and Pigments by Advancing Contact Angle Measurement. ASTM International: West Conshohocken, PA, USA, 2008; pp. 1–3.
- ISO 11998-06; Paints and Varnishes: Determination of Wet-Scrub Resistance and Cleanability of Coatings. BSI British Standards: London, UK, 2006; pp. 1–11.
- ASTM-E308-18; Standard Practice for Computing the Colors of Objectives by Using the CIE System. ASTM International: West Conshohocken, PA, USA, 2018; pp. 1–45.
- Mokrzycki, W.; Tatol, M. Colour difference ∆E—A survey. Mach. Graph. Vis. 2011, 20, 383–411. [Google Scholar]
- Dai, Q.; He, Y.; Ho, C.-T.; Wang, J.; Wang, S.; Yang, Y.; Gao, L.; Xia, T. Effect of interaction of epigallocatechin gallate and flavonols on color alteration of simulative green tea infusion after thermal treatment. J. Food. Sci. Technol. 2017, 54, 2919–2928. [Google Scholar] [CrossRef]
- Wang, J.-Q.; Fu, Y.-Q.; Granato, D.; Yu, P.; Yin, J.-F.; Zeng, L.; Xu, Y.-Q. Study on the color effects of (-)-epigallocatechin-3-gallate under different pH and temperatures in a model beverage system. Food Control 2022, 139, 109112. [Google Scholar] [CrossRef]
- Calovi, M.; Rossi, S. Exploring polyamide 11 as a novel renewable resource-based filler in wood paint: Investigating aesthetic aspects and durability impact of the composite coating. Prog. Org. Coat. 2024, 188, 108262. [Google Scholar] [CrossRef]
- Calovi, M.; Rossi, S. Evaluating the versatility of stainless steel flakes and magnetite powder as polyvalent additives for wood paints. J. Mater. Res. Technol. 2024, 29, 1010–1024. [Google Scholar] [CrossRef]
- Calovi, M.; Rossi, S. From wood waste to wood protection: New application of black bio renewable water-based dispersions as pigment for bio-based wood paint. Prog. Org. Coat. 2023, 180, 107577. [Google Scholar] [CrossRef]
- Teacă, C.-A.; Roşu, D.; Bodîrlău, R.; Roşu, L. Structural Changes in Wood under Artificial UV Light Irradiation Determined by FTIR Spectroscopy and Color Measurements—A Brief Review. BioResources 2013, 8, 1478–1507. [Google Scholar] [CrossRef]
- Brischke, C.; Bayerbach, R.; Otto Rapp, A. Decay-influencing factors: A basis for service life prediction of wood and wood-based products. Wood Mater. Sci. Eng. 2006, 1, 91–107. [Google Scholar] [CrossRef]
- Kropat, M.; Hubbe, M.A.; Laleicke, F. Natural, accelerated, and simulated weathering of wood: A review. BioResources 2020, 15, 9998. [Google Scholar] [CrossRef]
- Calovi, M.; Coroneo, V.; Palanti, S.; Rossi, S. Colloidal silver as innovative multifunctional pigment: The effect of Ag concentration on the durability and biocidal activity of wood paints. Prog. Org. Coat. 2023, 175, 107354. [Google Scholar] [CrossRef]
- Yang, C.S.; Lambert, J.D.; Sang, S. Antioxidative and anti-carcinogenic activities of tea polyphenols. Arch. Toxicol. 2009, 83, 11–21. [Google Scholar] [CrossRef] [PubMed]
- Khan, N.; Mukhtar, H. Tea polyphenols for health promotion. Life Sci. 2007, 81, 519–533. [Google Scholar] [CrossRef] [PubMed]
- Zeng, L.; Ma, M.; Li, C.; Luo, L. Stability of tea polyphenols solution with different pH at different temperatures. Int. J. Food Prop. 2017, 20, 1–18. [Google Scholar] [CrossRef]
- Garai, R.M.; Sánchez, I.C.; García, R.T.; Rodríguez Valverde, M.; Cabrerizo Vílchez, M.; Hidalgo-Álvarez, R. Study on the effect of raw material composition on water-repellent capacity of paraffin wax emulsions on wood. J. Dispers. Sci. Technol. 2005, 26, 9–18. [Google Scholar] [CrossRef]
- Gupta, S.; Ivvala, J.; Grewal, H. Development of natural wax based durable superhydrophobic coatings. Ind. Crops Prod. 2021, 171, 113871. [Google Scholar] [CrossRef]
- Lozhechnikova, A.; Bellanger, H.; Michen, B.; Burgert, I.; Österberg, M. Surfactant-free carnauba wax dispersion and its use for layer-by-layer assembled protective surface coatings on wood. Appl. Surf. Sci. 2017, 396, 1273–1281. [Google Scholar] [CrossRef]
- Bang, J.; Kim, J.; Kim, Y.; Oh, J.-K.; KWAK, H.W. Preparation and characterization of hydrophobic coatings from carnauba wax/lignin blends. J. Korean Wood Sci. Technol. 2022, 50, 149–158. [Google Scholar] [CrossRef]
- GB/T11186.3-90; Method of Measurement of Coating Color. Part III: Calculation of Chromatic Aberration. Standardization Administration of the People’s Republic of China: Beijing, China, 1990; pp. 1–12.
- Wang, X.; Qu, Z.; Lai, T.; Ren, G.; Wang, W. Enhancing water transport performance of gas diffusion layers through coupling manipulation of pore structure and hydrophobicity. J. Power Sources 2022, 525, 231121. [Google Scholar] [CrossRef]
- Wang, X.; Qu, Z.; Ren, G. Collective enhancement in hydrophobicity and electrical conductivity of gas diffusion layer and the electrochemical performance of PEMFCs. J. Power Sources 2023, 575, 233077. [Google Scholar] [CrossRef]
- Law, K.-Y. Definitions for hydrophilicity, hydrophobicity, and superhydrophobicity: Getting the basics right. J. Phys. Chem. Lett. 2014, 5, 686–688. [Google Scholar] [CrossRef]
- Teaca, C.A.; Roşu, D.; Mustaţă, F.; Rusu, T.; Roşu, L.; Roşca, I.; Varganici, C.-D. Natural bio-based products for wood coating and protection against degradation: A Review. BioResources 2019, 14, 4873–4901. [Google Scholar] [CrossRef]
- Gunde, M.K.; Kunaver, M.; Čekada, M. Surface analysis of matt powder coatings. Dye. Pigment. 2007, 74, 202–207. [Google Scholar] [CrossRef]
- Zhang, J.; Lan, P.; Li, J.; Xu, H.; Wang, Q.; Zhang, X.; Zheng, L.; Lu, Y.; Dai, N.; Song, W. Sol–gel derived near-UV and visible antireflection coatings from hybridized hollow silica nanospheres. J. Sol-Gel Sci. Technol. 2014, 71, 267–275. [Google Scholar] [CrossRef]
- Dassanayake, L.S.K.; Kodali, D.R.; Ueno, S.; Sato, K. Physical properties of rice bran wax in bulk and organogels. J. Am. Oil Chem. Soc. 2009, 86, 1163–1173. [Google Scholar] [CrossRef]
- Endlein, E.; Peleikis, K.-H. Natural Waxes―Properties, Compositions and Applications. SÖFW-J. 2011, 137, 16–26. [Google Scholar]














| Samples Nomenclature | Additives Incorporated into the Paint Formulation |
|---|---|
| G0 | / |
| G5 | 5 wt.% Naturesoft® 880GT |
| G10 | 10 wt.% Naturesoft® 880GT |
| G10U | 10 wt.% Naturesoft® 880GT + 3 wt.% Uvasorb® S130 |
| Category | Whitening Phenomena | Crack Development |
|---|---|---|
| 0 | No whitening | No alterations |
| 1 | Light whitening | Defects perceptible solely with a 4× optical system |
| 2 | Intense whitening | Visible fissures |
| Sample | Θ (°) |
|---|---|
| G0 | 51.6 ± 2.2 |
| G5 | 59.9 ± 2.9 |
| G10 | 63.4 ± 3.2 |
| G10U | 61.8 ± 3.5 |
Disclaimer/Publisher’s Note: The statements, opinions and data contained in all publications are solely those of the individual author(s) and contributor(s) and not of MDPI and/or the editor(s). MDPI and/or the editor(s) disclaim responsibility for any injury to people or property resulting from any ideas, methods, instructions or products referred to in the content. |
© 2024 by the authors. Licensee MDPI, Basel, Switzerland. This article is an open access article distributed under the terms and conditions of the Creative Commons Attribution (CC BY) license (https://creativecommons.org/licenses/by/4.0/).
Share and Cite
Calovi, M.; Rossi, S. Introducing a Novel Application of Bio-Based Fillers Based on Rice Bran Wax Infused with Green Tea: Transitioning from a Cosmetic Additive to a Multifunctional Pigment for Wood Paints. Appl. Sci. 2024, 14, 5895. https://doi.org/10.3390/app14135895
Calovi M, Rossi S. Introducing a Novel Application of Bio-Based Fillers Based on Rice Bran Wax Infused with Green Tea: Transitioning from a Cosmetic Additive to a Multifunctional Pigment for Wood Paints. Applied Sciences. 2024; 14(13):5895. https://doi.org/10.3390/app14135895
Chicago/Turabian StyleCalovi, Massimo, and Stefano Rossi. 2024. "Introducing a Novel Application of Bio-Based Fillers Based on Rice Bran Wax Infused with Green Tea: Transitioning from a Cosmetic Additive to a Multifunctional Pigment for Wood Paints" Applied Sciences 14, no. 13: 5895. https://doi.org/10.3390/app14135895
APA StyleCalovi, M., & Rossi, S. (2024). Introducing a Novel Application of Bio-Based Fillers Based on Rice Bran Wax Infused with Green Tea: Transitioning from a Cosmetic Additive to a Multifunctional Pigment for Wood Paints. Applied Sciences, 14(13), 5895. https://doi.org/10.3390/app14135895
