Next Article in Journal
APTrans: Transformer-Based Multilayer Semantic and Locational Feature Integration for Efficient Text Classification
Next Article in Special Issue
Optimum System for Diagnosing Power Quality in Electrical Microgrids
Previous Article in Journal
Theoretical Study of the Multiferroic Properties of Ion-Doped CaBaCo4O7
 
 
Font Type:
Arial Georgia Verdana
Font Size:
Aa Aa Aa
Line Spacing:
Column Width:
Background:
Article

Wide-Area Protection System for Radial Smart Distribution Networks

1
Center of Excellence for Power and System Automation and Operation, School of Electrical Engineering, Iran University of Science and Technology, Tehran 13114-16846, Iran
2
Department of Management & Innovation Systems, University of Salerno, 84084 Salerno, Italy
3
Department of Electrical and Electronic Engineering Science, University of Johannesburg, Johannesburg 2006, South Africa
*
Authors to whom correspondence should be addressed.
Appl. Sci. 2024, 14(11), 4862; https://doi.org/10.3390/app14114862
Submission received: 8 May 2024 / Revised: 29 May 2024 / Accepted: 2 June 2024 / Published: 4 June 2024
(This article belongs to the Special Issue Control Systems for Next Generation Electric Applications)

Abstract

The integration of Distributed Energy Resources (DERs) in power distribution networks poses challenges for protection systems due to dynamic bidirectional fault currents. This paper presents a novel wide-area protection scheme for modern Doubly Feed Induction Generator (DFIG)-integrated distribution networks that simplifies fault location and relay coordination. The system employs Artificial Neural Networks (ANNs) for fault detection and a Fault Zone Relay Condition (FZRC) matrix for fault location. The simulation results demonstrate the effectiveness of the proposed approach in fault detection and isolation.

1. Introduction

The integration of Distributed Energy Resources (DERs) has gained attention and popularity in modern energy-efficient electricity distribution networks. Despite the valuable advantages of DERs in distribution networks, they can be a great challenge for the safe and reliable operation of power distribution systems. Safe operation of distribution networks is directly dependent on the accurate and reliable operation of protection systems.
The presence of DERs in distribution networks introduces dynamic bidirectional fault currents that can be challenging for the detection and accurate location of faults, specifically for traditional overcurrent schemes. To overcome these challenges, numerous protection schemes are proposed in the literature. The proposed methods are either dependent on data transmission systems or independent from any communication system.
The methods using communication systems can be further classified into hierarchical methods and horizontal methods. In hierarchical methods, a Central Processing Unit (CPU) manages coordination between relays by updating relay settings [1,2] or monitoring network signals and issuing trip commands for fault isolation [3]. Horizontal methods involve distributed data processing units that utilize data transmission between relays [4,5] or agents [6,7].
The approaches independent of data transmission networks can be classified into standard overcurrent formulations and heuristic formulations for fault detection and location. Standard overcurrent schemes account for various network operating modes and configurations, utilizing optimization techniques to coordinate relays for accurate fault determination [8,9,10,11]. Heuristic methods which employ non-standard functions for fault detection, incorporating a mixture of voltage [12] and/or current measurements, in addition to data mining based methods, are also suggested for fault diagnosis applications [13].
Wide-area protection serves as an effective tool within smart grids, primarily utilized for monitoring and management purposes. In recent years, these systems have also found application in protection strategies for smart grids, offering flexibility in addressing the challenges posed by the integration of DERs. In [14], a differential-based wide-area protection system is proposed for meshed networks which is capable of detecting both high-impedance and low-impedance faults. Reference [15] proposes a method for the detection of high-impedance faults in radial networks using the phase difference of the network relays. A method focusing on modeling the non-recursive phasor estimation method aiming to accurately detect fault zones by analyzing positive-sequence voltage measurements before and after faults is presented in [16] for power transmission networks. A reliability modeling and assessment method is proposed in [17] for wide-area protection systems, considering the decision accuracy of protection algorithms and tripping reliability of protection devices to form the operation accuracy of wide-area protection systems. Ref. [18] introduces a dynamic approach to wide-area cooperative protection, employing cooperative control of distributed multi-agent systems and graph theoretical techniques to oversee the cooperation of each agent within designated protection areas and adjust to changing power system configurations. Simultaneous optimization of partitioning and optical communication link placement in wide-area protection systems is presented in [19] to minimize construction costs while ensuring reliable and real-time data transmission. Ref. [20] proposes a new integrated backup protection algorithm for distance relay based on wide-area measurements to address challenges in conventional protection caused by stressed power system conditions and the presence of offshore wind farms.
While most of the wide-area protection systems are designed for power transmission networks, there are some approaches that developed wide-area systems for the protection of smart distribution networks. Advancements in communication and measurement techniques that enhance the progress of wide-area protection through wide-area measurement systems in smart distribution networks are discussed in [21]. Additionally, the background of smart power grids is explained, along with how new technologies such as non-conventional instrument transformers, clock synchronization, and data synchronization contribute to the development of wide-area protection. In [22], a fast and reliable differential backup protection strategy is presented for medium voltage smart grids that is based on a proposed device detection method. This strategy accelerates fault isolation by starting device failure-related backup protection in advance and locking failed primary protection, which is predicted by the detection method. An integrated differential-based wide-area protection based on a three-level hierarchically structure is proposed in [23] for active distribution networks. In [24], various Artificial Intelligence (AI)-based approaches for fault location in smart grids are reviewed, along with technical suggestions such as wide-area communication tools including Phasor Measurement Units (PMUs), Intelligent Electronic Devices (IEDs), and smart meters.
In modern medium voltage smart grids including various types of DERs, fault location and relay coordination are key challenges for protection systems. In response to these challenges, this paper presents a new wide-area protection system for modern distribution networks, aiming to simplify fault location and relay coordination processes.
Methods which operate independently of communication systems should consider all possible network configurations for relay coordination. Consequently, the processes of fault detection and fault location need to be continuously updated to reflect these various combinations. In contrast, the fault detection procedure of the proposed method is universal and applicable to any network structure, eliminating the need for such updates.
Hierarchical communication-based methods that use CPUs require an extensive data transmission network to handle real-time, continuous electrical parameters from across the network which imposes a significant computational burden for accurate fault location. In contrast, the proposed method simplifies this process by only needing the fault detection and direction signals from the network relays. Additionally, horizontal communication-based methods require a specific coordination process between relays or agents, which must be individually designated for each relay or agent. The proposed method, however, establishes this coordination process once, making it a uniform approach.
In comparison to existing wide-area schemes for distribution networks that use differential approaches, the proposed ANN-based method significantly reduces the number of relays needed by leveraging the conventional structure of network relay placement. Furthermore, wide-area differential-based methods also require an extensive data transmission network.
The proposed wide-area protection system uses a conventional relay placement architecture but introduces novel fault detection and fault location procedures. It employs universal fault detection modules based on Artificial Neural Networks (ANNs) and utilizes a proposed Fault Zone Relay Condition (FZRC) matrix for fault location. These novel procedures eliminate the need for extensive data transmission infrastructure.
The main justifications for utilization of the proposed wide-area approach are as follows:
-
Simplification of relay coordination settings;
-
Recent advances in data communication systems render a safe and quick data transmission appropriate for protection system applications;
-
Compared to transmission networks, fault management timelines in distribution networks are more flexible;
-
The relay placement architecture follows conventional methods, requiring fewer relays compared to differential-based approaches. Additionally, the proposed approach imposes a lighter data transmission burden;
-
Application of post-fault management plans as proposed in [25];
-
Independence from synchronization issues.
This paper focuses on the integration of Doubly Feed Induction Generators (DFIGs) and provides a brief description of their fault current-sharing behavior in Section 2. Section 3 outlines the proposed protection plan for fault detection and fault isolation. Simulation results are presented in Section 4, and finally, Section 5 concludes this paper.

2. Fault Current Contribution of DFIGs

Among various types of DERs, wind energy is a leading option, accounting for 900 GW out of the total 3372 GW (~27%) of installed capacity of renewable energy sources in 2022 [26]. Wind power generators use different technologies such as Traditional Asynchronous Machines (TAMs), Permanent Magnet Asynchronous Machines (PMAMs), and DFIGs. TAMs are not widely used due to stability issues during wind speed and load fluctuations. PMAMs, on the other hand, connect to the main network via power electronic converters, which makes their fault contribution behavior dependent on the converter configuration and settings, similar to photovoltaic farms that have been extensively studied [27,28].
DFIGs are being increasingly used in the green energy industry due to their high efficiency and flexibility [29,30,31]. In the vision of protection analysis, the behavior of DFIGs is like Asynchronous Machines (Ams) where the short circuit current is reliant to the machine impedances, machine rating, and rotor slip. As in Ams, the rotor is spinning close to the synchronous speed; the slip effect can be neglected. Furthermore, the rotor and stator resistances can also be neglected due to their low value, and the short circuit current ( i s ) is calculated using (1) [32,33]:
i s = 2 V s j ω s L s [ 1 ( 1 σ ) e j ω s t ]
where σ is the leakage factor which can be derived from (2):
σ = 1 L m 2 L s L r
where L s is the stator transient inductance. The assumption of neglecting machine resistances results in a non-decaying component in the stator current (first part of the term inside the bracket in (1)) that is indeed decaying with the stator transient time constant ( T s ), and the second term inside the bracket is the result of the rotor DC component that is also decaying with the rotor transient time constant ( T r ). Hence, the short circuit current is in the following form:
i s = 2 V s j ω s L s [ e t / T s ( 1 σ ) e j ω s t · e t / T r ]
Detailed calculations can be found in [32,33].
During short circuit faults, large currents flow through the rotor and stator windings of DFIGs, and as shown in Figure 1, these large currents can damage the back-to-back converter of the machine whose ability to withstand thermal damage is much lower than machine windings. To avoid breakage of the converter and maintain the grid requirements relating to fault ride through capability, crowbar resistances are installed on the rotor circuit and are switched on during faulty conditions. In this case, the maximum short circuit current of the machine is determined based on the following:
i s ,   m a x = 1.8 V s X s 2 + R c b 2
The value of the crowbar resistances can be achieved by the following rules:
  • The crowbar resistance shall be large enough to limit the fault current value passing through rotor circuit;
  • The crowbar resistance shall be small so as to not cause a high magnitude of voltage during fault conditions, because voltages above the DC link rating can cause large currents on the blocking diodes of the converter, resulting in an unacceptable charge of the DC link. Furthermore, a voltage that is too high can cause isolation breakage of the rotor windings and the converter.

3. Proposed Protection Plan

A protection system for power networks is responsible for fault detection, fault location, and fault isolation. In conventional distribution networks, this process is mainly performed by coordinated overcurrent relays. The coordination protocol is simply carried out due to the unilateralism of low dynamic fault currents and radial configuration of conventional distribution networks. However, in the presence of DERs, the coordination protocol is challenging. In addition to the coordination challenges, fault detection in DER-integrated distribution networks is also more demanding compared to conventional networks. This paper aims to propose a novel wide-area protection plan to cope with these challenges.
The architecture of the proposed protection plan consists of two types of devices. The first type is a Central Processing Unit (CPU), and the second device is the network-installed relays. The CPU is responsible for fault location or fault section identification, and the network installed relays are responsible for fault detection. Upon a fault inception, relays detect the fault and send fault detection signals to the CPU, where the faulted section is identified, and a trip signal is sent to the appropriate Circuit Breakers (CBs) in order to isolate the faulted section. The fault detection and the fault location algorithms are discussed individually in the following subsections.

3.1. Fault Detection

Due to the dynamics of the DER-integrated networks, conventional overcurrent protection schemes are facing challenges for proper fault detection procedure. The main reason for these network dynamics is the operation mode of the network, whether it is connected to or isolated from the main grid.
During connected mode of operation, the fault current magnitudes contributed from the main grid is significant, and the conventional overcurrent principle is still trustworthy, but during islanded mode of operation, in the lack of main grid, the fault current magnitudes is less significant. Despite the lower fault current magnitudes in the islanded mode of operation, the voltage drop during faults is more noticeable. This assumption is the obvious result of the equivalent impedance of the network as given by Equation (4):
| Δ V | = | Z e × I f |
where Δ V , Z e , and I f are the voltage drop, equivalent network impedance, and fault current. In connected mode of operation, due to the presence of various parallel routes in the network, the equivalent impedance is much smaller compared to the islanded mode of operation where the fault current is only contributed by DERs.
In other words, even though high fault current magnitudes are absent during the islanded mode of operation, the voltage drop is significant and aids in fault detection. Hence, in this paper, both the voltage and current signals are utilized for the fault detection procedure.
To overcome the variation in fault current behavior, a Universal Fault Detection Module (UFDM) is designed by employing Artificial Neural Networks (ANNs) that are trained to detect fault occurrence. The utilization of a universal module helps to reduce the complexity of the training procedure of the ANN; meanwhile, it helps well in the fault management procedure discussed in Section 3.2.
The UFDMs are installed at the same locations as the conventional relays within the network. In other words, UFDMs replace the traditional fault detection modules, which primarily utilize the coordinated overcurrent protection principle.
For each UFDM, the input features are a combination of voltage and current features. Each UFDM has six input features as follows:
-
Mean of the voltage magnitude ( V m );
-
Integration of the superimposed voltage ( V s i );
-
Mean of the current magnitude ( I m );
-
Integration of the superimposed current ( I s i );
-
Mean of phase angle between the voltage and current ( φ m );
-
Integration of the superimposed phase angle between the voltage and current ( φ s i ).
Calculations of the above-mentioned features are performed using the below formulations:
S m = 1 T S p o ( t ) . d t
S si = ( S p o ( t ) S p r ( t ) ) . d t
where S is the signal that can be the current voltage or phase angle, and the superscripts p o and p r refer to the post-disturbance and pre-disturbance conditions, respectively. The mean value is a useful feature that can represent the condition of the network during disturbances during the occurrence of large disturbances like motor starting, though this feature might misrecognize non-fault disturbances with faults. Hence, the integrative of the superimposed values are also considered. The integrative function helps to neglect the transient, behavior and the superimposed operation helps the method to be independent from the load variations.
This paper is mainly focused solely on three phase faults using the positive sequence of system voltage and currents. However, this assumption also significantly contributes to the ability to detect unbalanced faults. By using the positive sequence components, which are sensitive to all types of faults, it is ensured that the method can be extended to respond to different fault conditions, making it more versatile and robust.
The ANN-based UFDM is trained based on these features to detect fault or non-fault conditions. The output value of the ANN can be each of the following classes:
  • Class1: Grid-Fed Fault Condition: Fault condition where fault current is passing through the relay fed by the upstream grid;
  • Class2: DG-Fed Fault Condition: Fault condition where fault current is passing through the relay fed by distributed generators (DGs);
  • Class3: Detached Relay Fault Condition: Fault condition where no fault current is passing through the relay due to its detachment from the network generators following the fault;
  • Class4: No-Fault Condition: Normal operating conditions characterized by disturbances such as capacitor switching, load variation, DERs switching, and motor starting.

3.2. Fault Location

In the proposed method, the CPU is responsible for fault location or fault section identification. The procedure of fault section identification is commenced right after the fault detection signal is received from each of the UFDMs (network relays). In the condition of a fault within the network, relays send one of the following signals:
-
One (+1): A fault current is passing through the relay, and the location of the fault is in the front of the UFDM installation location;
-
Mines one (−1): A fault current is passing through the relay, and the location of the fault is at the back of the UFDM installation location;
-
Zero (0): There is a fault in the network, and a no-fault current is passing through the UFDM.
In the context of the above sentences, the terms ‘front’ and ‘back’ delineate whether the fault occurs towards the end side of the feeder, where the relay is positioned (front), or towards the direction of the network’s main post (back). This direction can be achieved from the phase angle between the voltage and current.
The relay signal is ‘one’ or ‘minus one’ in the case that the fault current is passing through the relay (Classes 1 and 2 of the ANN output) and is ‘zero’ when there is a fault in the network and a no-fault current is passing through the relay (Class 3 of the ANN output).
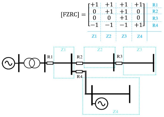
For radial networks with a number of N protective devices (relays combined with Circuit Breakers), there would be N protection zones. During faults in each zone, every relay assumes a distinct condition, forming an N × N matrix where each row represents the conditions of a relay, and each column represents a fault zone.
As an example, for the network shown in Figure 2, a fault in Z1 the condition of R1, R2, R3, and R4 would be +1, 0, 0, and −1. A similar procedure for all of the zones will result in the below matrix known as Fault Zone Relay Condition (FZRC):
It is evident that the fault location can be determined using an FZRC matrix along with the signals received from the network relays. It is noteworthy that the fault location procedure does not require signals from all the relays during a fault event. This is because each column (representing a zone) of the matrix is uniquely characterized based on the condition of the selected network relays responsible for zone isolation. For instance, the occurrence of a fault in Z4 can be established when R4 transmits a +1 signal, regardless of the signals received from other relays. However, receiving signals from other relays can help in identifying malfunctions and cyber anomalies. Once the faulted zone is determined, break signals are transmitted to the relevant relays to initiate fault isolation.

4. Simulation Study

The simulation study is conducted in DIGSILENT PowerFactory 15.7.1 and MATLAB 2019b on a six-bus distribution network shown in Figure 3. Detailed data of the network loads and line sections are reported in [34]. A 4.5 MW DFIG with its detailed transient parameters are illustrated in Table 1 in parallel with a 15 MVA Battery Energy Storage System (BESS) added to Bus 6 of the network. The BESS is the slack bus of the network in the islanded mode of operation. In order to train the UFDMs, two sets of training data are generated; the first set corresponds to the fault conditions, and the second set corresponds to the non-fault conditions. Details regarding these sets are illustrated in Table 2 and Table 3.
The simulations were performed using an Electromagnetic Transient (EMT) analysis in DIgSILENT, running for 2.5 s for each condition. During these simulations, data from the relays (including three-phase Root-Mean-Square (RMS) values of the voltages and currents, as well as phase angles) are extracted and saved. Subsequently, data from three cycles before the disturbance and one cycle after the disturbance are used to calculate the positive sequence values, as shown in Equation (8). The relevant features (superimposed and mean values of the signals) are then determined, resulting in six features for each condition. The features are the mean and superimposed values of the voltage, current, and phase angle using (5) and (6).
The input data for the ANN are not explicitly normalized; however, as they are extracted from per-unit values of the network signals, they are inherently normalized to some extent. Testing the method in the presence of noise is planned for future work. Nevertheless, since the features are derived from the mean or integral of the network signals, the method is anticipated to exhibit robustness in the presence of noise.
Figure 4 shows the 2D scatter plot of the superimposed values (Voltage–Current, Voltage–Phase, and Current–Phase) for all the samples. It is evident from the graph that distinct classes of the sampled data are discernible. Figure 5 presents a zoomed-in view of the 2D scatter plot of the superimposed voltages and current, providing a better illustration of the class boundaries. It is expected that utilizing all the six features significantly enhances the ability of the ANN to differentiate between classes and understand the bounding contours.
The ANN consists of three hidden layers, each containing 64, 32, and 16 neurons, respectively, utilizing the Log-Sigmoid transfer function. Furthermore, the output layer employs the Purlin transfer function, and the real output is calculated rounding the output value.
Three following scenarios are performed to train the ANN:
-
Scenario 1: training based on the mean values of the post-disturbance signals ( V p o ,   I p o ,   φ p o )
-
Scenario 2: training based on the integral values of the superimposed signals ( V s i ,   I s i ,   φ s i )
-
Scenario 3: training based on the mean values of the post-disturbance signals and the integral value of the superimposed signals ( V p o ,   I p o ,   φ p o ,   V s i ,   I s i ,   φ s i )
Of the data, 80% (1624 samples) is allocated to the training set, while the remaining 20% (406 samples) is designated for the test and validation set. Training is conducted using the Levenberg–Marquardt method, with the number of epochs set to 30 and the minimum batch size set to 64.
The accuracy of the trained model is evaluated by comparing the predicted outputs to real outputs using the following formula:
A c c = i = 1 N t s | O i p r O i r e a l | N t s
where A c c represents accuracy, O i p r is the predicted output, O i r e a l is the real output, and N t s is the number of test samples.
The output results for the scenarios are illustrated in Table 4. For Scenario 1, the total accuracy is 93.35%; for Scenario 2, it is 97.04%; and for Scenario 3, it is 99.26%. The proposed approach does not miss any faults, achieving a 100% accuracy in fault detection, despite having two malfunctions. Although it is not absolutely perfect, it is significantly better than the other scenarios, demonstrating the effectiveness of the proposed features.
The main reason for this performance is that the proposed ANN is designed to differentiate between fault and no-fault conditions. During a fault condition, the current amplitude exhibits a peak value and then stabilizes at a level slightly below this peak. In contrast, during a no-fault condition, the current stabilizes at a value significantly lower than the initial peak after the first peak. By using the mean and superimposed values (Scenario 3), the proposed approach is able to smooth out the peaks and extract features that are specifically sensitive to fault conditions.
Once each of the relays detects a fault, it sends the fault flag along with the fault direction to the CPU, and the CPU decides on the fault section based on the received flags and the FZRC matrices. The FZRC matrices for the test network in the connected mode and in the islanded mode of operation are as follows:
F Z R C c o n n e c t e d = + 1 + 1 + 1 + 1 + 1 + 1 + 1 + 1 + 1 + 1 + 1 1 + 1 + 1 + 1 + 1 + 1 + 1 + 1 + 1 + 1 + 1 1 1 + 1 + 1 + 1 + 1 + 1 + 1 + 1 + 1 + 1 1 1 1 + 1 + 1 + 1 + 1 + 1 + 1 + 1 + 1 1 1 1 1 + 1 + 1 + 1 + 1 + 1 + 1 + 1 1 1 1 1 1 + 1 + 1 + 1 + 1 + 1 + 1 1 1 1 1 1 1 + 1 + 1 + 1 + 1 + 1 1 1 1 1 1 1 1 + 1 + 1 + 1 + 1 1 1 1 1 1 1 1 1 + 1 + 1 + 1 1 1 1 1 1 1 1 1 1 + 1 + 1 1 1 1 1 1 1 1 1 1 1 + 1 F Z R C i s l a n d e d = 0 0 0 0 0 0 0 0 0 0 0 1 0 0 0 0 0 0 0 0 0 0 1 1 0 0 0 0 0 0 0 0 0 1 1 1 0 0 0 0 0 0 0 0 1 1 1 1 0 0 0 0 0 0 0 1 1 1 1 1 + 1 + 1 + 1 + 1 + 1 + 1 1 1 1 1 1 1 + 1 + 1 + 1 + 1 + 1 1 1 1 1 1 1 1 + 1 + 1 + 1 + 1 1 1 1 1 1 1 1 1 + 1 + 1 + 1 1 1 1 1 1 1 1 1 1 + 1 + 1 1 1 1 1 1 1 1 1 1 1 + 1
As can be seen, the proposed approach requires only the fault flag and fault direction from the network relays to detect faults, without needing any additional information such as network voltages and currents. Moreover, the method is independent of synchronization and time calculations, as each UFDM makes fault decisions individually, based solely on the RMS and phase angle values of the voltages and currents at the connection point.

5. Conclusions

This paper proposes a wide-area protection system for modern distribution networks that effectively addresses the challenges posed by DER integration. By incorporating ANNs for fault detection and a Fault Zone Relay Condition (FZRC) matrix for fault location, the system streamlines the fault location and relay coordination processes.
The simulation results demonstrate the efficiency and accuracy of the proposed approach in fault detection and isolation where it achieves a total accuracy of 99.26%, with only two malfunctions and no missed faults. The 100% fault detection accuracy highlights the robustness and reliability of the proposed approach. Utilizing both the mean and superimposed values of the network signals significantly enhances the performance of the ANN.
The findings of the simulation study showed the potential of the proposed system to enhance the applicability of the DFIG-integrated test network and is most probably an efficient tool for utilizing renewable energy resources and reducing the carbon footprint. Further research and real-world implementation considering noise can lead to even more refined protection strategies, improving the applicability of the proposed system.

Author Contributions

Conceptualization, H.R.; Methodology, H.R., S.J. and P.S.; Software, H.R.; Validation, S.J. and P.S.; Formal analysis, S.J.; Investigation, H.R.; Data curation, H.R.; Writing—original draft, H.R.; Writing—review & editing, S.J. and P.S.; Supervision, S.J. and P.S.; Project administration, P.S. All authors have read and agreed to the published version of the manuscript.

Funding

This research received no external funding.

Data Availability Statement

The original contributions presented in the study are included in the article, further inquiries can be directed to the corresponding authors.

Conflicts of Interest

The authors declare no conflict of interest.

References

  1. Samadi, A.; Chabanloo, R.M. Adaptive coordination of overcurrent relays in active distribution networks based on independent change of relays’ setting groups. Int. J. Electr. Power Energy Syst. 2020, 120, 106026. [Google Scholar] [CrossRef]
  2. Coffele, F.; Booth, C.; Dyśko, A. An Adaptive Overcurrent Protection Scheme for Distribution Networks. IEEE Trans. Power Deliv. 2015, 30, 561–568. [Google Scholar] [CrossRef]
  3. Zayandehroodi, H.; Mohamed, A.; Shareef, H.; Farhoodnea, M. A novel neural network and backtracking based protection coordination scheme for distribution system with distributed generation. Int. J. Electr. Power Energy Syst. 2012, 43, 868–879. [Google Scholar] [CrossRef]
  4. Gadanayak, D.A.; Mallick, R.K. Microgrid differential protection scheme using downsampling empirical mode decomposition and Teager energy operator. Electr. Power Syst. Res. 2019, 173, 173–182. [Google Scholar] [CrossRef]
  5. Chaitanya, B.K.; Yadav, A.; Pazoki, M. An improved differential protection scheme for micro-grid using time-frequency transform. Int. J. Electr. Power Energy Syst. 2019, 111, 132–143. [Google Scholar] [CrossRef]
  6. Kiani, A.; Fani, B.; Shahgholian, G. A multi-agent solution to multi-thread protection of DG-dominated distribution networks. Int. J. Electr. Power Energy Syst. 2021, 130, 106921. [Google Scholar] [CrossRef]
  7. Costa, G.B.; Damiani, J.S.; Marchesan, G.; Morais, A.P.; Bretas, A.S.; Cardoso, G. A multi-agent approach to distribution system fault section estimation in smart grid environment. Electr. Power Syst. Res. 2022, 204, 107658. [Google Scholar] [CrossRef]
  8. Srinivas, S.T.P.; Swarup, K.S. A New Mixed Integer Linear Programming Formulation for Protection Relay Coordination Using Disjunctive Inequalities. IEEE Power Energy Technol. Syst. J. 2019, 6, 104–112. [Google Scholar] [CrossRef]
  9. Akdag, O.; Yeroglu, C. Optimal directional overcurrent relay coordination using MRFO algorithm: A case study of adaptive protection of the distribution network of the Hatay province of Turkey. Electr. Power Syst. Res. 2021, 192, 106998. [Google Scholar] [CrossRef]
  10. Sarwagya, K.; Nayak, P.K.; Ranjan, S. Optimal coordination of directional overcurrent relays in complex distribution networks using sine cosine algorithm. Electr. Power Syst. Res. 2020, 187, 106435. [Google Scholar] [CrossRef]
  11. Yazdaninejadi, A.; Golshannavaz, S.; Nazarpour, D.; Teimourzadeh, S.; Aminifar, F. Dual-Setting Directional Overcurrent Relays for Protecting Automated Distribution Networks. IEEE Trans. Ind. Inform. 2019, 15, 730–740. [Google Scholar] [CrossRef]
  12. Jamali, S.; Borhani-Bahabadi, H. Protection Method for Radial Distribution Systems with DG Using Local Voltage Measurements. IEEE Trans. Power Deliv. 2019, 34, 651–660. [Google Scholar] [CrossRef]
  13. Jamali, S.; Ranjbar, S. Phase selective protection in microgrids using combined data mining and modal decomposition method. Int. J. Electr. Power Energy Syst. 2021, 128, 106727. [Google Scholar] [CrossRef]
  14. Li, Z.; Wan, Y.; Wu, L.; Cheng, Y.; Weng, H. Study on wide-area protection algorithm based on composite impedance directional principle. Int. J. Electr. Power Energy Syst. 2020, 115, 105518. [Google Scholar] [CrossRef]
  15. Al-Odienat, A.I.; Al-Maitah, K. A New Wide Area Protection Scheme Based on the Phase Angles of the Sequence Components. Electr. Power Components Syst. 2021, 49, 504–516. [Google Scholar] [CrossRef]
  16. Khan, M.Q.; Ahmed, M.M.; Haidar, A.M.A. An accurate algorithm of PMU-based wide area measurements for fault detection using positive-sequence voltage and unwrapped dynamic angles. Measurement 2022, 192, 110906. [Google Scholar] [CrossRef]
  17. He, R.; Yang, S.; Deng, J.; Feng, T.; Lai, L.L.; Shahidehpour, M. Reliability Analyses of Wide-Area Protection System Considering Cyber-Physical System Constraints. IEEE Trans. Smart Grid 2021, 12, 3458–3467. [Google Scholar] [CrossRef]
  18. Koloushani, S.M.; Taher, S.A. Dynamic wide-area cooperative protection: A new approach. IET Gener. Transm. Distrib. 2023, 17, 5198–5211. [Google Scholar] [CrossRef]
  19. Jia, H.; Liu, C.; Gai, Y.; Ma, J. Simultaneous Optimization of Optical Communication Link Placement and Partitioning of Wide-Area Protection System in Smart Grids. IEEE Trans. Power Deliv. 2021, 36, 3140–3149. [Google Scholar] [CrossRef]
  20. Biswal, S.; Swain, S.D.; Patidar, R.D.; Bhoi, A.K.; Malik, O.P. Integrated Wide-Area Backup Protection Algorithm During Stressed Power System Condition in Presence of Wind Farm. Arab. J. Sci. Eng. 2021, 46, 9363–9376. [Google Scholar] [CrossRef]
  21. Saleem, A. Wide area Protection and Monitoring in Smart–power–grid. J. Electron. Syst. Vol. 2016, 6, 89–94. [Google Scholar]
  22. Li, W.; Tan, Y.; Li, Y.; Cao, Y.; Chen, C.; Zhang, M. A New Differential Backup Protection Strategy for Smart Distribution Networks: A Fast and Reliable Approach. IEEE Access 2019, 7, 38135–38145. [Google Scholar] [CrossRef]
  23. Zhang, F.; Mu, L.; Guo, W. An Integrated Wide-Area Protection Scheme for Active Distribution Networks Based on Fault Components Principle. IEEE Trans. Smart Grid 2019, 10, 392–402. [Google Scholar] [CrossRef]
  24. Rezapour, H.; Jamali, S.; Bahmanyar, A. Review on Artificial Intelligence-Based Fault Location Methods in Power Distribution Networks. Energies 2023, 16, 4636. [Google Scholar] [CrossRef]
  25. Rezapour, H.; Jamali, S. Postfault optimal islanding of smart grids using a reinforcement learning approach. IET Gener. Transm. Distrib. 2023, 17, 2471–2482. [Google Scholar] [CrossRef]
  26. IRENA. Renewable Capacity Statistiques 2023; IRENA: Masdar, Abu Dhabi, 2023. [Google Scholar]
  27. Li, H.; Chen, Z. Overview of different wind generator systems and their comparisons. IET Renew. Power Gener. 2008, 2, 123–138. [Google Scholar] [CrossRef]
  28. Polinder, H.; Ferreira, J.A.; Jensen, B.B.; Abrahamsen, A.B.; Atallah, K.; McMahon, R.A. Trends in wind turbine generator systems. IEEE J. Emerg. Sel. Top. Power Electron. 2013, 1, 174–185. [Google Scholar] [CrossRef]
  29. Karthik, V.; Kumar, T.S.; Suresh, V.; Santhoshi, B.K.; Nayak, M.R. Performance of DFIG fed wind turbine under fault conditions. Mater. Today Proc. 2023, 80, 2441–2447. [Google Scholar] [CrossRef]
  30. Ngamroo, I. Review of DFIG wind turbine impact on power system dynamic performances. IEEJ Trans. Electr. Electron. Eng. 2017, 12, 301–311. [Google Scholar] [CrossRef]
  31. Dirscherl, C.; Hackl, C.M. Dynamic power flow in wind turbine systems with doubly-fed induction generator. In Proceedings of the 2016 IEEE International Energy Conference (ENERGYCON), Leuven, Belgium, 4–8 April 2016. [Google Scholar] [CrossRef]
  32. El-Naggar, A.; Erlich, I. Analysis of fault current contribution of Doubly-Fed Induction Generator Wind Turbines during unbalanced grid faults. Renew. Energy 2016, 91, 137–146. [Google Scholar] [CrossRef]
  33. Morren, J.; de Haan, S.W.H. Short-circuit current of wind turbines with doubly fed induction generator. IEEE Trans. Energy Convers. 2007, 22, 174–180. [Google Scholar] [CrossRef]
  34. Ferreira, R.R.; Colorado, P.J.; Grilo, A.P.; Teixeira, J.C.; Santos, R.C. Method for identification of grid operating conditions for adaptive overcurrent protection during intentional islanding operation. Int. J. Electr. Power Energy Syst. 2019, 105, 632–641. [Google Scholar] [CrossRef]
Figure 1. Diagram illustrating the various components of a DFIG [31] and the associated crowbar resistances.
Figure 1. Diagram illustrating the various components of a DFIG [31] and the associated crowbar resistances.
Applsci 14 04862 g001
Figure 2. A simple five-bus radial test network.
Figure 2. A simple five-bus radial test network.
Applsci 14 04862 g002
Figure 3. Single-line diagram of the 6-bus test network.
Figure 3. Single-line diagram of the 6-bus test network.
Applsci 14 04862 g003
Figure 4. 2D scatter plot illustrating superimposed values: (a) Voltage and Current, (b) Voltage and Phase angle, (c) Current and Phase angle.
Figure 4. 2D scatter plot illustrating superimposed values: (a) Voltage and Current, (b) Voltage and Phase angle, (c) Current and Phase angle.
Applsci 14 04862 g004
Figure 5. Zoomed 2D scatter plot illustrating superimposed Voltages and Currents.
Figure 5. Zoomed 2D scatter plot illustrating superimposed Voltages and Currents.
Applsci 14 04862 g005
Table 1. Detailed data of the transient parameters of the DFIG.
Table 1. Detailed data of the transient parameters of the DFIG.
ParameterValue
Rated Voltage (kV)6.6
Capacity (MW)4.5
Inertia ( kg · m 2 ) 245
Locked rotor current (pu)3.850
Locked rotor torque (pu)0.185
Torque at stalling point (pu)2.050
Stator reactance (pu)0.010
Stator resistance (pu)0.021
Magnetizing reactance (pu)4.441
Rotor reactance (pu)0.100
Rotor resistance (pu)0.100
Table 2. Details of generated fault samples.
Table 2. Details of generated fault samples.
ParameterDetailsNumber
Operation modeIslanded and connected2
Fault resistance (Ω)0.1, 1, 2, 5, 105
Fault section (line)L12, L23, L34, L45, L565
Fault location on the section (%)10, 50, 903
RelaysR12, R21, R23, R32, R34, R43, R45, R54, R56, R6510
Total fault samples1500
Table 3. Details of generated no-fault samples.
Table 3. Details of generated no-fault samples.
No-Fault DisturbanceDetailsNumber
Capacitor switchingSwitching capacitor on all network buses in both islanded and connected modes of operation12
Motor startingStarting an ASM in all of the network buses in both islanded and connected modes of operation12
Load variationSwitching all loads of the network on and off in both islanded and connected modes of operation24
DERs switchingSwitching on all three (DG1, BSS, DFIG) DERs in connected mode of operation, and switching off DG1 and DFIG in islanded mode of operation 5
RelaysR12, R21, R23, R32, R34, R43, R45, R54, R56, R6510
Total no-fault samples530
Table 4. Accuracy of the ANNs in Scenarios 1 to 3.
Table 4. Accuracy of the ANNs in Scenarios 1 to 3.
ScenarioTotal Accuracy
(%)
Number of Class 1 Missed SamplesNumber of Class 2 Missed SamplesNumber of Maloperations
193.351467
297.04138
399.26002
Disclaimer/Publisher’s Note: The statements, opinions and data contained in all publications are solely those of the individual author(s) and contributor(s) and not of MDPI and/or the editor(s). MDPI and/or the editor(s) disclaim responsibility for any injury to people or property resulting from any ideas, methods, instructions or products referred to in the content.

Share and Cite

MDPI and ACS Style

Rezapour, H.; Jamali, S.; Siano, P. Wide-Area Protection System for Radial Smart Distribution Networks. Appl. Sci. 2024, 14, 4862. https://doi.org/10.3390/app14114862

AMA Style

Rezapour H, Jamali S, Siano P. Wide-Area Protection System for Radial Smart Distribution Networks. Applied Sciences. 2024; 14(11):4862. https://doi.org/10.3390/app14114862

Chicago/Turabian Style

Rezapour, Hamed, Sadegh Jamali, and Pierluigi Siano. 2024. "Wide-Area Protection System for Radial Smart Distribution Networks" Applied Sciences 14, no. 11: 4862. https://doi.org/10.3390/app14114862

APA Style

Rezapour, H., Jamali, S., & Siano, P. (2024). Wide-Area Protection System for Radial Smart Distribution Networks. Applied Sciences, 14(11), 4862. https://doi.org/10.3390/app14114862

Note that from the first issue of 2016, this journal uses article numbers instead of page numbers. See further details here.

Article Metrics

Back to TopTop