Investigation of the Degree of Monomer Conversion in Dental Composites through Various Methods: An In Vitro Study
Abstract
1. Introduction
2. Materials and Methods
2.1. Preparation of Samples
2.2. Analysis of Surface Microhardness
2.3. Analysis of Fourier-Transform Infrared Spectroscopy (FT-IR)
- At: monomer absorbance (post polymerization);
- Am: monomer absorbance (pre-polymerization).
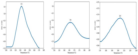
2.4. Analysis of DSC
2.5. Scanning Electron Microscope Imaging (SEM) and Energy-Dispersive X-ray (EDX) Analysis
2.6. Statistical Analysis
3. Results
4. Discussion
Supplementary Materials
Author Contributions
Funding
Institutional Review Board Statement
Informed Consent Statement
Data Availability Statement
Conflicts of Interest
References
- Ritter, A.V. Direct resin-based composites: Current recommendations for optimal clinical results. Compendium 2006, 26, 369–377. [Google Scholar]
- Senawongse, P.; Pongprueksa, P. Surface roughness of nanofill and nanohybrid resin composites after polishing and brushing. J. Esthet. Restor. Dent. 2007, 19, 265–273. [Google Scholar] [CrossRef] [PubMed]
- Rawls, H.R.; Esquivel-Upshaw, J.F. Restorative resins. In Phillips’ Science of Dental Materials; Anusavice, K.J., Ed.; Elsevier Health Sciences: Amsterdam, The Netherlands, 2003. [Google Scholar]
- Dalli’Magro, E.; Sinhoreti, M.A.C.; Correr, A.B.; Consani, R.L.X.; Sicoli, E.A.; Mendoça, M.J.; Correr-Sobrinho, L. Effect of different modes of light modulation on the bond strength and knoop hardness of a dental composite. Braz. Dent. J. 2008, 19, 334–340. [Google Scholar] [CrossRef] [PubMed]
- Ribeiro, B.C.I.; Boaventura, J.M.C.; Brito-Gonçalves, J.D.; Rastelli, A.N.D.S.; Bagnato, V.S.; Saad, J.R.C. Degree of conversion of nanofilled and microhybrid composite resins photo-activated by different generations of LEDs. J. Appl. Oral Sci. 2012, 20, 212–217. [Google Scholar] [CrossRef] [PubMed]
- Porto, I. Post-operative sensitivity in direct resin composite restorations: Clinical practice guidelines. IJRD 2012, 1, 1–12. [Google Scholar]
- Alla, R.K.; Sanka, G.S.S.J.; Saridena, U.S.N.G.; Av, R.; Makv, R.; Mantena, S.R. Fiber-Reinforced Composites in Dentistry: Enhancing structural integrity and aesthetic appeal. Int. J. Dent. Mater. 2023, 5, 78–85. [Google Scholar] [CrossRef]
- Albers, H.F. Tooth-Colored Restoratives: Principles and Techniques; PMPH-USA: Shelton, CT, USA, 2002. [Google Scholar]
- Moraschini, V.; Fai, C.K.; Alto, R.M.; Dos Santos, G.O. Amalgam and resin composite longevity of posterior restorations: A systematic review and meta-analysis. J. Dent. 2015, 43, 1043–1050. [Google Scholar] [CrossRef] [PubMed]
- Cho, K.; Rajan, G.; Farrar, P.; Prentice, L.; Prusty, B.G. Dental resin composites: A review on materials to product realizations. Compos. Part B Eng. 2022, 230, 109495. [Google Scholar] [CrossRef]
- Singh, P.; Kumar, N.; Singh, R.; Kiran, K.; Kumar, S. Overview and recent advances in composite resin: A review. Int. J. Sci. Stud. 2015, 3, 169–172. [Google Scholar]
- El-Banna, A.; Sherief, D.; Fawzy, A.S. Resin-based dental composites for tooth filling. In Advanced Dental Biomaterials; Elsevier: Amsterdam, The Netherlands, 2019; pp. 127–173. [Google Scholar]
- Moraes, L.G.P.; Rocha, R.S.F.; Menegazzo, L.M.; de Araújo, E.B.; Yukimito, K.; Moraes, J.C.S. Infrared spectroscopy: A tool for determination of the degree of conversion in dental composites. J. Appl. Oral Sci. 2008, 16, 145–149. [Google Scholar] [CrossRef]
- Costa, S.X.S.; Galvao, M.R.; Jacomassi, D.P.; Bernardi, M.I.B.; Hernandes, A.C.; de Souza Rastelli, A.N.; Andrade, M.F. Continuous and gradual photo-activation methods: Influence on degree of conversion and crosslink density of composite resins. J. Therm. Anal. Calorim. 2011, 103, 219–227. [Google Scholar] [CrossRef]
- Larkin, P. Infrared and Raman Spectroscopy: Principles and Spectral Interpretation; Elsevier: Amsterdam, The Netherlands, 2017. [Google Scholar]
- Galvão, M.R.; Caldas, S.G.F.R.; Bagnato, V.S.; de Souza Rastelli, A.N.; de Andrade, M.F. Evaluation of degree of conversion and hardness of dental composites photo-activated with different light guide tips. Eur. J. Dent. 2013, 7, 86. [Google Scholar] [PubMed]
- Seredin, P.; Goloshchapov, D.; Ippolitov, Y.; Vongsvivut, J. Engineering of a biomimetic interface between a native dental tissue and restorative composite and its study using synchrotron FTIR microscopic mapping. Int. J. Mol. Sci. 2021, 22, 6510. [Google Scholar] [CrossRef] [PubMed]
- Kwaśny, M.; Polkowski, J.; Bombalska, A. A study on the photopolymerization kinetics of selected dental resins using Fourier Infrared Spectroscopy (FTIR). Materials 2022, 15, 5850. [Google Scholar] [CrossRef] [PubMed]
- Miyazaki, K.; Horibe, T. Polymerization of multifunctional methacrylates and acrylates. J. Biomed. Mater. Res. 1988, 22, 1011–1022. [Google Scholar] [CrossRef] [PubMed]
- Morgan, D.R.; Kalachandra, S.; Shobha, H.K.; Gunduz, N.; Stejskal, E.O. Analysis of a dimethacrylate copolymer (Bis-GMA and TEGDMA) network by DSC and 13C solution and solid-state NMR spectroscopy. Biomaterials 2000, 21, 1897–1903. [Google Scholar] [CrossRef] [PubMed]
- Yildirim Ucuncu, M.; Ucuncu, M.K. Comparison of the Mechanical Properties of Various Microhybrid Dental Composites. Eurasian Dent. Res. 2023, 1, 58–64. [Google Scholar]
- Sakaguchi, R.; Ferracane, J.; Powers, J. Testing of Dental Materials and Biomechanics. In Craig’s Restorative Dental Materials, 14th ed.; Elsevier: Amsterdam, The Netherlands, 2019; pp. 75–77. [Google Scholar]
- Kutuk, Z.B.; Erden, E.; Aksahin, D.L.; Durak, Z.E.; Dulda, A.C. Influence of modeling agents on the surface properties of an esthetic nano-hybrid composite. Restor. Dent. Endod. 2020, 45, e13. [Google Scholar] [CrossRef]
- Tuncer, S.; Demirci, M.; Tiryaki, M.; Ünlü, N.; Uysal, Ö. The effect of a modeling resin and thermocycling on the surface hardness, roughness, and color of different resin composites. J. Esthet. Restor. Dent. 2013, 25, 404–419. [Google Scholar] [CrossRef]
- ISO B. 4049: 2019; Dentistry—Polymer-Based Restorative Materials. ISO: Geneva, Switzerland, 2019.
- Gurgan, S.; Koc Vural, U.; Miletic, I. Comparison of mechanical and optical properties of a newly marketed universal composite resin with contemporary universal composite resins: An in vitro study. Microsc. Res. Tech. 2022, 85, 1171–1179. [Google Scholar] [CrossRef]
- Joshi, C.; Patel, D.; Shah, M.; Patel, A.; Khunt, A.; Kanabar, A.K. Comparative Evaluation of The Effects of Different Alcoholic Beverages and Sports/Energy Drinks on the Surface Roughness of a Recently Marketed Universal Nanohybrid with a Nano-Filled Composite Resin. J. Pharm. Negat. Results 2022, 13, 2423–2429. [Google Scholar]
- Preethy, N.A.; Jeevanandan, G.; Govindaraju, L.; Subramanian, E.M.G. Comparison of shear bond strength of three commercially available esthetic restorative composite materials: An in vitro study. Int. J. Clin. Pediatr. Dent. 2020, 13, 635. [Google Scholar] [PubMed]
- Kaczmarek, K.; Leniart, A.; Lapinska, B.; Skrzypek, S.; Lukomska-Szymanska, M. Selected spectroscopic techniques for surface analysis of dental materials: A narrative review. Materials 2021, 14, 2624. [Google Scholar] [CrossRef]
- Acquaviva, P.A.; Cerutti, F.; Adami, G.; Gagliani, M.; Ferrari, M.; Gherlone, E.; Cerutti, A. Degree of conversion of three composite materials employed in the adhesive cementation of indirect restorations: A micro-Raman analysis. J. Dent. 2009, 37, 610–615. [Google Scholar] [CrossRef] [PubMed]
- Dutta, A. Fourier transform infrared spectroscopy. In Spectroscopic Methods for Nanomaterials Characterization; Elsevier: Amsterdam, The Netherlands, 2017; pp. 73–93. [Google Scholar]
- Moore, B.K.; Platt, J.A.; Borges, G.; Chu, T.M.G.; Katsilieri, I. Depth of cure of dental resin composites: ISO 4049 depth and microhardness of types of materials and shades. Oper. Dent. 2008, 33, 408–412. [Google Scholar] [CrossRef] [PubMed]
- Dewaele, M.; Asmussen, E.; Peutzfeldt, A.; Munksgaard, E.C.; Benetti, A.R.; Finné, G.; Devaux, J. Influence of curing protocol on selected properties of light-curing polymers: Degree of conversion, volume contraction, elastic modulus, and glass transition temperature. Dent. Mater. 2009, 25, 1576–1584. [Google Scholar] [CrossRef] [PubMed]
- Pollington, S.; Kahakachchi, N.; van Noort, R. The influence of plastic light cure sheaths on the hardness of resin composite. Oper. Dent. 2009, 34, 741–745. [Google Scholar] [CrossRef]
- Mazhari, F.; Ajami, B.; Moazzami, S.M.; Baghaee, B.; Hafez, B. Microhardness of composite resin cured through different primary tooth thicknesses with different light intensities and curing times: In vitro study. Eur. J. Dent. 2016, 10, 203–209. [Google Scholar] [CrossRef] [PubMed]
- Marovic, D.; Panduric, V.; Tarle, Z.; Ristic, M.; Sariri, K.; Demoli, N.; Prskalo, K. Degree of conversion and microhardness of dental composite resin materials. J. Mol. Struct. 2013, 1044, 299–302. [Google Scholar] [CrossRef]
- Dickens, S.H.; Stansbury, J.W.; Choi, K.M.; Floyd, C.J.E. Photopolymerization kinetics of methacrylate dental resins. Macromolecules 2003, 36, 6043–6053. [Google Scholar] [CrossRef]
- Sideridou, I.; Tserki, V.; Papanastasiou, G. Effect of chemical structure on degree of conversion in light-cured dimethacrylate-based dental resins. Biomaterials 2002, 23, 1819–1829. [Google Scholar] [CrossRef] [PubMed]
- Yıldırım, Z.S.; Eyiler, E.; Kürklü, Z.G.B. Effect of thickness on the degree of conversion, monomer elution, depth of cure and cytotoxicity of bulk-fill composites. J. Oral Sci. 2023, 65, 121–126. [Google Scholar] [CrossRef] [PubMed]
- Sandner, B.; Baudach, S.; Davy, K.E.A.; Braden, M.; Clarke, R.L. Synthesis of BISGMA derivatives, properties of their polymers and composites. J. Mater. Sci. Mater. Med. 1997, 8, 39–44. [Google Scholar] [CrossRef]
- Kim, K.I.; Kim, D.A.; Patel, K.D.; Shin, U.S.; Kim, H.W.; Lee, J.H.; Lee, H.H. Carbon nanotube incorporation in PMMA to prevent microbial adhesion. Sci. Rep. 2019, 9, 4921. [Google Scholar] [CrossRef] [PubMed]
- Opdam, N.J.M.; Bronkhorst, E.M.; Loomans, B.A.C.; Huysmans, M.-C. 12-year survival of composite vs. amalgam restorations. J. Dent. Res. 2010, 89, 1063–1067. [Google Scholar] [CrossRef]
- Vervliet, P.; De Nys, S.; Duca, R.C.; Boonen, I.; Godderis, L.; Elskens, M.; Covaci, A. Degradation products of resin-based materials detected in saliva in vivo. Clin. Oral Investig. 2023, 27, 7189–7198. [Google Scholar] [CrossRef]
- Brambilla, E.; Gagliani, M.; Ionescu, A.; Fadini, L.; García-Godoy, F. The influence of light-curing time on the bacterial colonization of resin composite surfaces. Dent. Mater. 2009, 25, 1067–1072. [Google Scholar] [CrossRef] [PubMed]
- Kopperud, H.M.; Johnsen, G.F.; Lamolle, S.; Kleven, I.S.; Wellendorf, H.; Haugen, H.J. Effect of short LED lamp exposure on wear resistance, residual monomer and degree of conversion for Filtek Z250 and Tetric EvoCeram composites. Dent. Mater. 2013, 29, 824–834. [Google Scholar] [CrossRef]
- Polydorou, O.; Trittler, R.; Hellwig, E.; Kümmerer, K. Elution of monomers from two conventional dental composite materials. Dent. Mater. 2007, 23, 1535–1541. [Google Scholar] [CrossRef]
- Durner, J.; Obermaier, J.; Draenert, M.; Ilie, N. Correlation of the degree of conversion with the amount of elutable substances in nano-hybrid dental composites. Dent. Mater. 2012, 28, 1146–1153. [Google Scholar] [CrossRef]
- Abd Mutalib, M.; Rahman, M.A.; Othman, M.H.D.; Ismail, A.F.; Jaafar, J. Scanning electron microscopy (SEM) and energy-dispersive X-ray (EDX) spectroscopy. In Membrane Characterization; Elsevier: Amsterdam, The Netherlands, 2017; pp. 161–179. [Google Scholar]
- Cotti, E.; Scungio, P.; Dettori, C.; Ennas, G. Comparison of the degree of conversion of resin based endodontic sealers using the DSC technique. Eur. J. Dent. 2011, 5, 131–138. [Google Scholar] [CrossRef] [PubMed]













| Brand Name of the Dental Composite | Manufacturer | Contains (Organic/Inorganic) | Recommended Polymerization Technique |
|---|---|---|---|
| Myra (Microhybrid) (A) | Dentac, Istanbul, Turkey | BIS-GMA BIS-EMA UDMA TEGDMA/inorganic filler, silica and quartz | ≥800: 20 s |
| Neo SpectraST HV (Nanohybrid) (B) | Dentsply, Charlotte, NC, USA | Methacrylate modified polysiloxane, Dimethacrylate resins, Ethyl-4(dimethylamino) benzoate Bis-(4-methyl-phenyl)-iodonium hexafluorophosphate/78–80 wt% filler load spherical pre-polymerized fillers, non-agglomerated barium glass and ytterbium fluoride | ≥550: 20 s ≥800: 10 s for 2 mm incremental depth |
| Omnichroma (Nanohybrid) (C) | Tokuyama Corporation Tokyo, Japan | 1,6-bis(methacryl-ethyloxycarbonylamino) trimethyl hexane (UDMA), Triethylene glycol dimethacrylate (TEGDMA), Mequinol, Dibutyl hydroxyl toluene and UV absorber/79% by weight (68% by volume) of spherical silica-zirconia filler (mean particle size: 0.3 μm, particle size range: 0.2 to 0.4 μm) and composite filler. | For both LED and halogen curing lights, there are varying intensities and curing times at different depths |
| Dental Composite | Top Surface ∩ Mean ± SD (Min-Max) | Bottom Surface ∩ Mean ± SD (Min-Max) | Mean Differences ≡ Mean ± SD (Min-Max) | Ratio ∩ (%) |
|---|---|---|---|---|
| Myra (A) | 54.02 ± 4.323 (45.60–60.00) | 50.37 ± 4.607 (44.30–57.10) | 3.653 ± 5.123 (−3.800–11.00) | 93.58 ± 9.225 (81.08–107.3) |
| Neo Spectra (B) | 60.88 ± 3.542 (56.60–68.00) | 57.91 ± 4.310 (50.80–65.00) | 2.967 ± 5.753 (−8.400–9.800) | 95.45 ± 9.446 (83.83–114.8) |
| Omnichroma (C) | 59.38 ± 3.914 (53.30–66.00) | 56.09 ± 3.504 (49.50–61.10) | 3.287 ± 4.313 (−2.000–15.00) | 94.73 ± 6.883 (76.92–103.8) |
| p | A–B: <0.001 * A–C: 0.0016 * B–C: >0.05 | A–B: <0.001 * A–C: 0.0015 * B–C: >0.05 | 0.9368 | 0.8354 |
| Dental Composite | FT-IR (%) Mean ± SD (Min-Max) | p |
|---|---|---|
| Myra (A) | 54.96 ± 5.729 (46.86–60.01) | A–B: <0.0001 * A–C: >0.05 B–C: <0.0001 * |
| Neo Spectra (B) | 95.06 ± 3.355 (91.84–99.85) | |
| Omnichroma (C) | 62.21 ± 4.283 (55.17–66.76) |
| Dental Composite | DSC (%) Mean | Standard Deviation |
|---|---|---|
| Myra | 67.63 | 4.1 |
| Neo Spectra | 94.44 | 2.3 |
| Omnichroma | 76.11 | 4.4 |
Disclaimer/Publisher’s Note: The statements, opinions and data contained in all publications are solely those of the individual author(s) and contributor(s) and not of MDPI and/or the editor(s). MDPI and/or the editor(s) disclaim responsibility for any injury to people or property resulting from any ideas, methods, instructions or products referred to in the content. |
© 2024 by the authors. Licensee MDPI, Basel, Switzerland. This article is an open access article distributed under the terms and conditions of the Creative Commons Attribution (CC BY) license (https://creativecommons.org/licenses/by/4.0/).
Share and Cite
Ucuncu, M.K.; Celiksoz, O.; Sen, E.; Yucel, Y.Y.; Dinc, B. Investigation of the Degree of Monomer Conversion in Dental Composites through Various Methods: An In Vitro Study. Appl. Sci. 2024, 14, 4406. https://doi.org/10.3390/app14114406
Ucuncu MK, Celiksoz O, Sen E, Yucel YY, Dinc B. Investigation of the Degree of Monomer Conversion in Dental Composites through Various Methods: An In Vitro Study. Applied Sciences. 2024; 14(11):4406. https://doi.org/10.3390/app14114406
Chicago/Turabian StyleUcuncu, Musa Kazim, Ozge Celiksoz, Emine Sen, Yasemin Yucel Yucel, and Bircan Dinc. 2024. "Investigation of the Degree of Monomer Conversion in Dental Composites through Various Methods: An In Vitro Study" Applied Sciences 14, no. 11: 4406. https://doi.org/10.3390/app14114406
APA StyleUcuncu, M. K., Celiksoz, O., Sen, E., Yucel, Y. Y., & Dinc, B. (2024). Investigation of the Degree of Monomer Conversion in Dental Composites through Various Methods: An In Vitro Study. Applied Sciences, 14(11), 4406. https://doi.org/10.3390/app14114406

