Technical Summary of Tunnel Mud Pumping Treatment and a Method of Pressure Reduction by Water Release
Abstract
:1. Introduction
2. Cause Analysis of Tunnel Mud Pumping Disease
2.1. Effect of Train Load
2.2. The Influence of Lining Rupture
2.3. Impact of Drainage Systems
- (1)
- Formation reasons: the tunnel site area of the loess tunnel of the Lanzhou Bureau Group Company is primarily in a semi-arid climate, with a substantial seasonal temperature difference, a clear distinction between rainy and dry seasons, and concentrated surface precipitation. The tunnel mostly passes through sandy loess layers, clay loess layers, and sand-layered soil. These conditions provide a preponderant space for the enrichment of groundwater. After rainfall, the groundwater level rises, and the groundwater continues to flow and accumulate at the bottom of the tunnel. Once there are cracks in the inverted arch, there will be water accumulation and mud pumping in the track bed. Poor geological conditions are the decisive factor for mud pumping in loess tunnels.
- (2)
- The blind tube cannot drain normally due to crystallization blockage and other related reasons, which cause the groundwater level around the tunnel to rise, resulting in leakage of water in the tunnel.
- (3)
- Non-standard construction of construction joints, expansion joints, settlement joints, structural connection parts, or concrete defect parts causes tunnel leakage.
- (4)
- Poor construction quality. The over-excavation part of the basement is backfilled with waste slag, which makes the tunnel bottom a weak foundation. Meanwhile, in the rail joint part, the impact force of the wheel is 5–10 times larger than that of the general part, which makes the rail joint part more prone to cracking and mud pumping.
- (5)
- The depth and width of the drainage ditch are not enough, and it is difficult to effectively dredge the water between the bottom pavement and the surrounding rock. Under the action of the trains’ dynamic loads and capillary siphon, the groundwater rises, causing the bottom pavement or concrete inverted arch to be broken. Furthermore, the mud is squeezed out, forming mud pumping.
- (6)
- Limestone ballast, due to its soft texture, low toughness, and high wear rate, creates bed hardening and serious fouling in operation, causing drainage channel obstruction and ballast water accumulation.
3. Common Measures and Key Technologies of Tunnel Mud Pumping Disease
3.1. Grouting Reinforcement Technology
3.1.1. Grouting Reinforcement Treatment Scheme
3.1.2. Key Technology and Process
3.1.3. Shortcomings of Technology
3.2. Inverted Arch and Bottom Pavement Replacement Technology
3.2.1. Replacement Material
- (1)
- Materials with a large pressure diffusion angle: the additional stress diffusion rate at the base is faster, which can reduce the top stress of the underlying layer and make the track bed safer.
- (2)
- It is economical to use pebble and gravel cushions, but the foundation’s bearing capacity is small, and the structure is unsafe, while the concrete cushion is the opposite.
- (3)
- Lime soil cushion: by mixing a certain amount of lime and water into the soil, it has perfect mechanical properties, water stability, and plate properties, thereby increasing the density of the substrate and improving its stability. The lime soil has wide material distribution, low cost, and high strength performance. The tunnel base has strong stability after replacement, which can meet tunnel engineering design standards.
3.2.2. Determination of the Thickness of the Bottom Pavement Replacement Layer
3.2.3. Key Technology and Process
3.2.4. Technical Deficiencies
3.3. Deepen Side Ditch Technology
3.3.1. Key Technical Indicators
3.3.2. Construction Process
3.3.3. Technical Deficiencies
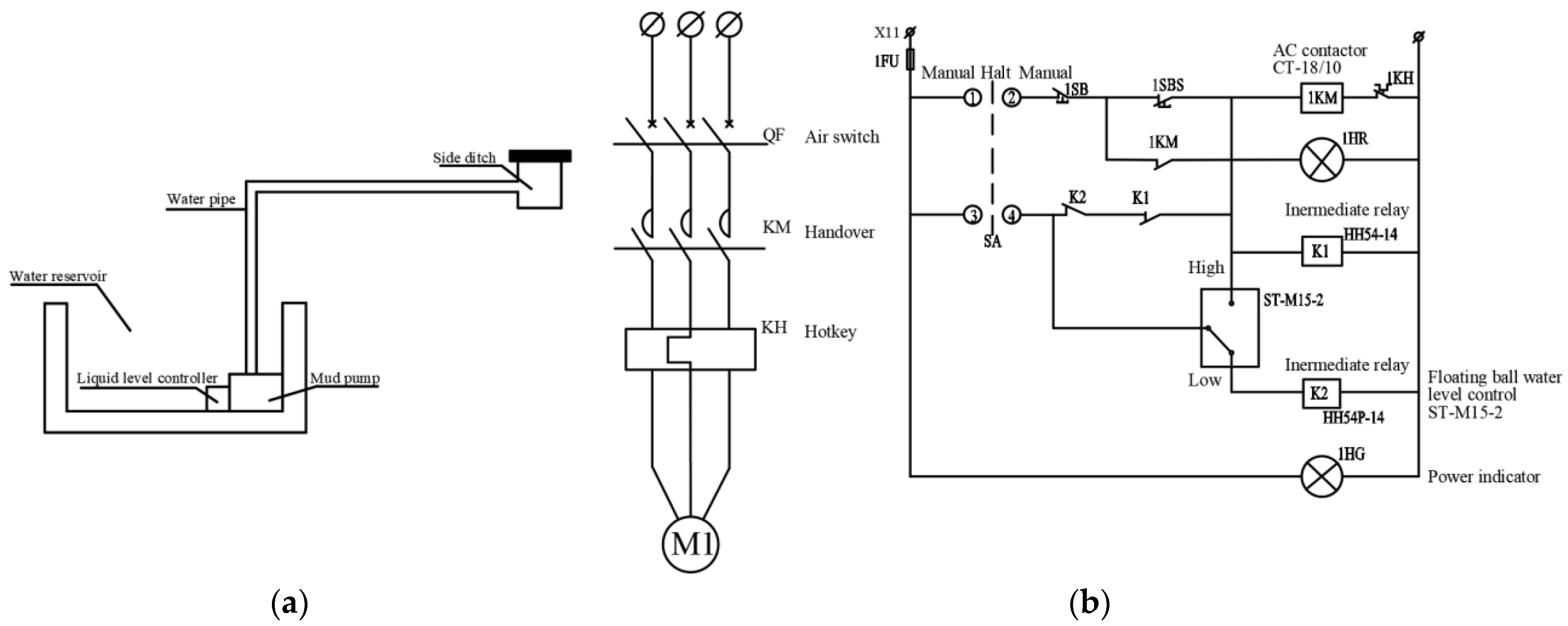
4. The Key Technology of an Additional Drainage Tunnel–Self-Priming Pump to Deal with Mud Pumping Disease
4.1. Renovation Mechanism
4.2. The Key Technology and Process
4.2.1. Chisel Connection Channel Window in the Refuge Recess
4.2.2. Excavation Method and Mucking
4.2.3. Construction of Steel Arch
4.2.4. Form Concrete
4.2.5. Down-Hole Construction
4.3. Comprehensive Comparison and Analysis
5. Application Example
5.1. Songshuwan Tunnel
5.2. Doujiagou Tunnel
5.3. Gorilla Bay No. 2 Tunnel
6. Discussion
7. Conclusions
8. Patents
Author Contributions
Funding
Institutional Review Board Statement
Informed Consent Statement
Data Availability Statement
Conflicts of Interest
References
- Tian, S.M.; Wang, W.; Gong, J.F. Development and prospect of railway tunnels in China (Including statistics of railway tunnels in China by the end of 2020). Tunnel Constr. 2021, 41, 308–325. [Google Scholar]
- Lee, I.; Yu, S.; Park, K.; Lee, S.; Kim, H. Clogging phenomenon and drainage capacity of tunnel filters. J. Kor. Geotech. Soc. 1999, 15, 3–18. [Google Scholar]
- Shin, J.H.; Lee, I.K.; Joo, E.J. Behavior of double lining due to long-term hydraulic deterioration of drainage system. Struct. Eng. Mech. 2014, 52, 1257–1271. [Google Scholar] [CrossRef]
- Hayashi, S.; Shahu, J.T. Mud pumping problem in tunnels on erosive soil deposits. Geotechnique 2000, 50, 393–408. [Google Scholar]
- Ma, L.; Yue, Z.R.; Feng, H.P.; Yang, Z.H. Investigation of mud pumping in heavy haul railway embankment and countermeasures. Rail. Stand. Des. 2015, 59, 51–54. [Google Scholar]
- Ding, Y. Investigation on the Characteristics of Subgrade Mud Pumping and the Mechanism of Fine Particle Migration in Heavy—Haul Railway; Central South University: Changsha, China, 2022. [Google Scholar]
- Wang, W.J. Remediation of water-immersed subgrade diseases from K100 to K294 of Baolan line. Subgr. Eng. 1986, 1, 89–92. [Google Scholar]
- Miao, L.Q.; Yue, Z.R.; Feng, H.P. Causes and prevention measures of mud pumping in existing heavy haul-railways subgrade. Anhui Archit. 2014, 20, 113+121. [Google Scholar]
- Fan, Y.J. Reason Analysis and Remedial Measures of Disease in Dabashan Tunnel in Xiangfan-Chongqing Railway; Southwest Jiaotong University: Chengdu, China, 2005. [Google Scholar]
- Chen, L.W. Analysis on the causes of tunnel diseases. Tunnel Constr. 2004, 2, 83–85. [Google Scholar]
- Zhu, W.T.; Li, L.Q. Analysis of the present situation and causes of the tunnel bed diseases. Mod. Tunnel Technol. 2001, 5, 42–44. [Google Scholar]
- Xue, X.H.; Su, Z.M.; Sun, Z.J.; Song, F. Analysis of the Tunnel Disease Considering the Unsaturated Loess Matric Suction Effects. Adv. Mater. 2014, 859, 182–185. [Google Scholar] [CrossRef]
- Peng, G.X. Treatment of mud-pumping in foundation bed of bozhai No.2 tunnel. Rail. Op. Tech. 1999, 4, 3–5. [Google Scholar]
- Chen, Z.H.; Zhou, Y.H. Comprehensive treatment of existing railway tunnel bed diseases. Rail. St. De. 2002, 4, 36–37. [Google Scholar]
- LI, X.D. Comparative Study on Reconstruction and Expansion Schemes of Existing Tunnels in Loess Area; Chang’an University: Xi’an, China, 2019. [Google Scholar]
- Wang, Y. Study on Treatment Measures for Basement Deformation of Collapsible Loess Tunnel; Lanzhou Jiaotong University: Lanzhou, China, 2019. [Google Scholar]
- Zhang, Y.T. On the main diseases and construction technology of Highway Loess Tunnel. Intell. City 2018, 4, 141–142. [Google Scholar]
- Ding, Z.M.; Yang, X.H. Disease cause analysis and treatment measures of a loess tunnel. J. Eng. Geol. 2009, 17, 138–144. [Google Scholar]
- Xu, X.Z. Mechanism analysis and treatment measures of railway tunnel bed disease in loess area of Northern Shaanxi. J. Highw. Transp. Res. Dev. 2015, 11, 17–19. [Google Scholar]
- Nie, Z.P.; Zhu, S.H.; Zhao, W.H.; Pan, J.J.; Tan, Y.H. Disease analysis and safety evaluation of a highway tunnel group. J. Hust. 2003, 20, 42–45. [Google Scholar]
- Hua, T.; Li, J.; Qi, L.Y.; Xiang, Y.N. Disease analyses and rectification proposals for Taoping Tunnel on Hou-Yue railway. J. Railw. Sci. Eng. 1999, 17, 98–101. [Google Scholar]
- Chabot, J.D.S.; Sandrone, F.; Gamisch, T. The Importance of Drainage System in Railway Tunnels and Possibilities to Reduce the LCC. Underground—The Way to the Future. In Proceedings of the World Tunnel Congress, Swiss Tunnelling Soc, Geneva, Switzerland, 31 May–7 June 2013; EPFL: Geneva, Switzerland, 2013. [Google Scholar]
- Fan, L.F.; Wu, Z.J.; Wan, Z.; Gao, J.W. Experimental investigation of thermal effects on dynamic behavior of granite. Appl. Therm. Eng. 2017, 125, 94–103. [Google Scholar] [CrossRef]
- Farhadian, H.; Katibeh, H. New empirical model to evaluate groundwater flow into circular tunnel using multiple regression analysis. Int. J. Min. Sci. Technol. 2017, 27, 415–421. [Google Scholar] [CrossRef]
- Li, P.F.; Liu, H.C.; Zhao, Y.; Li, Z. A bottom-to-up drainage and water pressure reduction system for railway tunnels. Tunn. Undergr. Sp. Tech. 2018, 81, 296–305. [Google Scholar] [CrossRef]
- Meng, X.H. Research on the treatment technology of mud pumping at the bottom of heavy haul railway tunnel. Rail. Eng. 2014, 6, 69–71. [Google Scholar]
- Wang, X. Research on disease investigation and remediation technology of heavy railway tunnels. Build. Struc. 2019, 49, 988–994. [Google Scholar]
- Lu, H.F.; Yin, J.L.; Liu, Q.S.; Cao, A.D.; Wei, A.C.; Zhang, K. A self-dissolved grouting reinforcement method for water-rich soft rock roadway. B Eng. Geol. Environ. 2022, 81, 256. [Google Scholar] [CrossRef]
- Zhang, Q.S.; Li, P.; Wang, G.; Li, S.C.; Zhang, X.; Zhang, Q.Q.; Wang, Q.; Liu, J.G. Parameters Optimization of Curtain Grouting Reinforcement Cycle in Yonglian Tunnel and Its Application. Math. Probl. Eng. 2015, 2015, 615736. [Google Scholar] [CrossRef]
- Zhang, J.P.; Liu, L.M.; Li, Y. Mechanism and experiment of self-stress grouting reinforcement for fractured rock mass of underground engineering. Tynn. Undergr. Sp. Tech. 2023, 131, 104826. [Google Scholar]
- Zhang, D.Y.; Liu, S.Q.; Guo, D.Y.; Li, Y.B.; Song, W.X.; Wang, Y.M.; Liu, Y. Pipe Piles and Key Stratum Modeling for Grouting Reinforcement of Mine Floors under Mining Disturbance and Microseismic Monitoring Evaluation. Sustainability 2023, 15, 9294. [Google Scholar] [CrossRef]
- Xiao, Z.L.; Wen, J.P. Study on grouting reinforcement technology of Tunnel bed. Jiangxi Build. Mater. 2014, 2, 215–220. [Google Scholar]
- Duarte, G.; Gomes, R.C.; de Brito, J.; Bravo, M.; Nobre, J. Economic and Technical Viability of Using Shotcrete with Coarse Recycled Concrete Aggregates in Deep Tunnels. Appl. Sci. 2020, 10, 2697. [Google Scholar] [CrossRef]
- Luo, G.C.; Liu, T.T.; Wang, Z.; Wang, S.H.; Shen, Z.X.; Qi, L. Subgrade Bearing Capacity Calculation and the Application Research of Gravel Cushion Filling Technology in Water-rich Soft Soil Area. Subgr. Eng. 2019, 2, 183–187. [Google Scholar]
- GB 50007-2011; Code for Design of Building Foundation. China Building Industry Press: Beijing, China, 2013.
- Gong, X.N. Handbook of Foundation Treatment; China Construction Industry Press: Shanghai, China, 2008. [Google Scholar]
- Liu, C.L.; Wang, J.Y. Cause analysis and treatment of mud-pumping in tunnel. Rail. St. De. 2002, 6, 48–49. [Google Scholar]
- You, J.Y. Discussion on prevention measures of mud boil in Fushui Railway Tunnel Foundation. Rail. Eng. 2014, 11, 90–93. [Google Scholar]
- Richards, J.A. Inspection, maintenance and repair of tunnels: International lessons and practice. Tunn. Undergr. Sp. Tech. 1999, 13, 369–375. [Google Scholar] [CrossRef]
- Li, X.Y. Technical requirements of tunnel treatment and mud-pumping. In Proceedings of the High-Speed Heavy Haul and Ordinary Railway Bridge and Tunnel Operation Management and Inspection and Repair Technology Conference, Beijing, China, 1 March 2010. [Google Scholar]
- Zhang, L.; Yang, C.Y.; Zhong, C.G. Discussion on the design of the drainage tunnel and lining structure of the high-speed railway karst tunnel. Water Resour. Hydropower Eng. 2020, 51, 44–48. [Google Scholar]
- Zhang, X.W. Construction method of tunnel discharge tunnel under high water pressure. J. Highw. Transp. Res. Dev. 2019, 15, 195–196. [Google Scholar]




























| Treatment Measures | Superiority | Deficiencies |
|---|---|---|
| Grouting reinforcement technology | The construction technology is simple and has little influence on the line operation. | The operation risks and the costs are high, the construction period is long, and the water-plugging effect cannot be guaranteed. |
| Inverted arch and bottom pavement replacement technology | Based on disease treatment, the bearing capacity of the foundation can be improved. | The cost is high, the construction time is long, and the overhead line is needed in the construction, which has a dramatic impact on the line operation. |
| Deepened side ditch technology | Reduces the damage of groundwater to the surrounding rock of the tunnel basement. | The construction period is long, and the damage to the tunnel side wall structure is significant. The drainage hole is easy to block, resulting in the disease not being cured. |
| Additional drainage tunnel–self-priming pump technology | Completely solves the problem of mud pumping. | High engineering cost |
| Grouting Reinforcement Technology | Inverted Arch and Bottom Pavement Replacement Technology | Deepened Side Ditch Technology | Additional Drainage Tunnel–Self-Priming Pump Technology | |
|---|---|---|---|---|
| Project cost | Moderate | Small (local circumstance) | High | Slightly higher |
| The difficulty of construction | Elementary | Moderate | Difficult | Moderate |
| Environmental impact degree | Influential | Moderate | Slight influence | Slight influence |
| Disease treatment effect | Deviation and non-thoroughgoing | Local treatment effect is effective | Deviation and non-thoroughgoing | Completely effective in the section |
Disclaimer/Publisher’s Note: The statements, opinions and data contained in all publications are solely those of the individual author(s) and contributor(s) and not of MDPI and/or the editor(s). MDPI and/or the editor(s) disclaim responsibility for any injury to people or property resulting from any ideas, methods, instructions or products referred to in the content. |
© 2023 by the authors. Licensee MDPI, Basel, Switzerland. This article is an open access article distributed under the terms and conditions of the Creative Commons Attribution (CC BY) license (https://creativecommons.org/licenses/by/4.0/).
Share and Cite
Lei, X.; Sun, D.; Liu, K.; Jia, Q.; Li, D.; Feng, Y. Technical Summary of Tunnel Mud Pumping Treatment and a Method of Pressure Reduction by Water Release. Appl. Sci. 2024, 14, 276. https://doi.org/10.3390/app14010276
Lei X, Sun D, Liu K, Jia Q, Li D, Feng Y. Technical Summary of Tunnel Mud Pumping Treatment and a Method of Pressure Reduction by Water Release. Applied Sciences. 2024; 14(1):276. https://doi.org/10.3390/app14010276
Chicago/Turabian StyleLei, Xiaotian, Di Sun, Keyuan Liu, Qiqi Jia, Dewu Li, and Yuxiang Feng. 2024. "Technical Summary of Tunnel Mud Pumping Treatment and a Method of Pressure Reduction by Water Release" Applied Sciences 14, no. 1: 276. https://doi.org/10.3390/app14010276
APA StyleLei, X., Sun, D., Liu, K., Jia, Q., Li, D., & Feng, Y. (2024). Technical Summary of Tunnel Mud Pumping Treatment and a Method of Pressure Reduction by Water Release. Applied Sciences, 14(1), 276. https://doi.org/10.3390/app14010276
