Applying a Multiple-Input Single-Output Interleaved High Step-Up Converter with a Current-Sharing Device Having Different Input Currents to Harvest Energy from Multiple Heat Sources
Abstract
:1. Introduction
2. Thermoelectric Module
2.1. P-I-V Curve
2.2. Measured Electrical Parameters of the used TG
3. Proposed MISO Converter
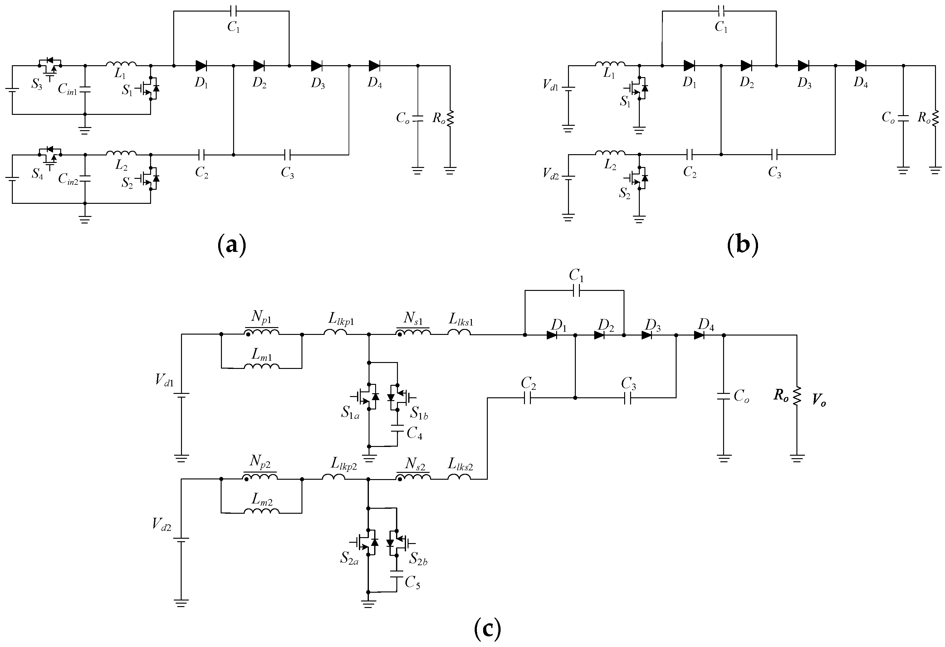
3.1. Converter Description
- (1)
 - Vd1 and Vd2 are the two input voltages; id1 and id2 are the two input currents; Io is the output current; Vo is the output voltage.
 - (2)
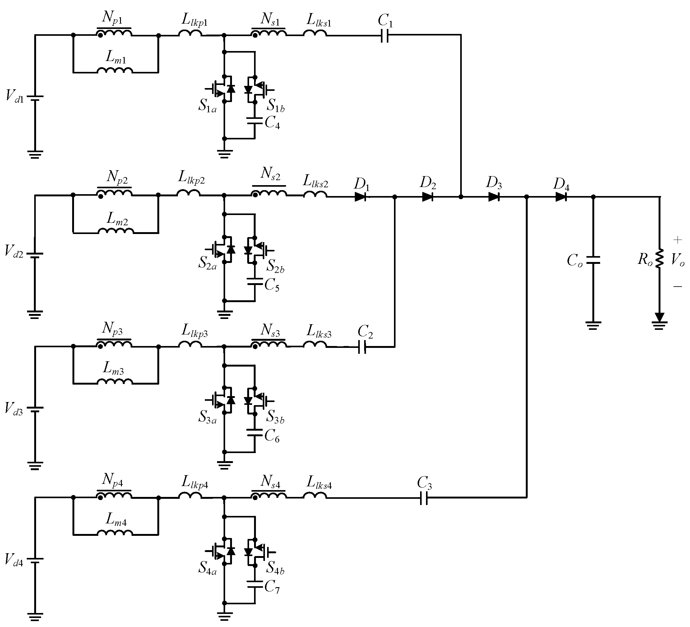
 - n = Ns1/Np1 = Ns2/Np2, where Np1 and Ns1 are the primary and secondary windings of the first coupling inductor, respectively and Np2 and Ns2 are the primary and secondary windings of the second coupling inductor, respectively. The currents iNp1 and iNs1 are the currents flowing through the primary and secondary windings of the first coupling inductor, respectively, whereas the currents iNp2 and iNs2 are the currents flowing through the primary and secondary windings of the second coupling inductor, respectively. The leakage inductances Llkp1, Llks1, Llkp2, and Llks2 are the primary and secondary leakage inductances of the first and second coupling inductors, respectively.
 - (3)
 - Lm1 is the magnetizing inductance of the first coupling inductor, and the voltage on and current in it are vLm1 and iLm1, respectively; Lm2 is the magnetizing inductance of the second coupling inductor, and the voltage on and current in it are vLm2 and iLm2, respectively.
 - (4)
 - The voltages vgs1a, vgs1b, vgs2a and vgs2b are the gate driving signals for the switches S1a, S1b, S2a, and S2b, respectively; the voltages vD1, vD2, vD3, and vD4 and the currents iD1, iD2, iD3, and iD4 are the voltages on and currents in the diodes D1, D2, D3, and D4, respectively.
 - (5)
 - The voltages VC1, VC2, VC3, VC4, and VC5 and the currents iC1, iC2, iC3, iC4, and iC5 are the voltages and currents in energy-transferring capacitors C1, C2, and C3 and clamping capacitors C4 and C5, respectively.
 - (6)
 - Ts is the switching period of switches S1a and S2a, and the corresponding duty cycles are Da and Db, respectively.
 - (7)
 - k1 and k2 are the coupling coefficients of the first and second coupling inductors, respectively, equal to k1 = Lm1/(Lm1 + Llkp1) and k2 = Lm2/(Lm2 + Llkp2).
 - (8)
 - L11 and L12 are the primary-side and secondary-side self-inductances of the first coupling inductor, respectively; L21 and L22 are the primary-side and secondary-side self-inductances of the second coupling inductor, respectively.
 - (9)
 - The switches, diodes, inductors, and capacitors are considered ideal components.
 - (10)
 - The circuit is operated in the continuous current mode (CCM).
 - (11)
 - All the circuit operating principles are analyzed in the steady state.
 - (12)
 - The voltage conversion ratio is derived by assuming that the voltage drops caused by the leakage inductance are ignored.
 
3.2. Basic Operating Principles
3.2.1. State 1 []
3.2.2. State 2 []
3.2.3. State 3 []
3.2.4. State 4 []
3.2.5. State 5 []
3.2.6. State 6 []
3.2.7. State 7 []
3.2.8. State 8 []
3.2.9. State 9 []
3.2.10. State 10 []
3.2.11. State 11 []
3.2.12. State 12 []
3.3. Voltage Conversion Ratio
3.4. Unequal Currents between the Two Inputs
3.5. Extension of Number of Phases
4. Hardware Circuit Design
4.1. Thermoelectric Module Specifications
4.2. System Configuration and Its Specifications
4.3. Voltage Stresses of Switches and Diodes
4.4. Component Specifications
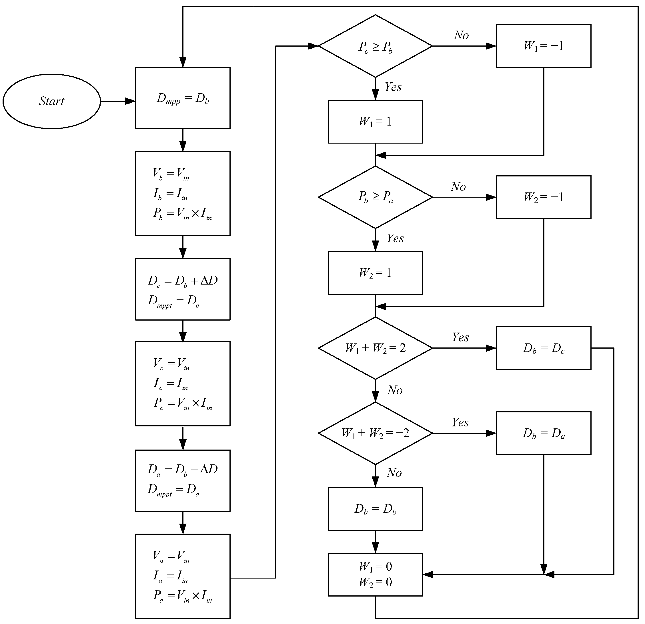
5. Maximum Power Point Tracking
5.1. MPPT Algorithm
5.2. MPPT Simulation
6. Experimental Results
7. Conclusions
Author Contributions
Funding
Institutional Review Board Statement
Informed Consent Statement
Data Availability Statement
Conflicts of Interest
References
- Arshadi, S.A.; Poorali, B.; Adib, E.; Farzanehfard, H. High step-up DC-AC inverter suitable for AC module applications. IEEE Trans. Ind. Electron. 2016, 63, 832–839. [Google Scholar] [CrossRef]
 - Taghvaie, A.; Adabi, J.; Rezanejad, M. Circuit topology and operation of a step-up multilevel inverter with a single DC source. IEEE Trans. Ind. Electron. 2016, 63, 6643–6652. [Google Scholar] [CrossRef]
 - Akar, F.; Kale, M. A high voltage gain multi-input converter. In Proceedings of the 2018 2nd International Symposium on Multidisciplinary Studies and Innovative Technologies (ISMSIT) (IEEE ISMSIT’18), Ankara, Turkey, 19–21 October 2018; pp. 1–4. [Google Scholar]
 - Varesi, K.; Hosseini, S.H.; Sabahi, M.; Babaei, E. A multi-port high step-up DC-DC converter with reduced normalized voltage stress on switches/diodes. In Proceedings of the 9th Annual Power Electronics, Drives Systems and Technologies Conference (IEEE PEDSTC’18), Tehran, Iran, 13–15 February 2018; pp. 1–6. [Google Scholar]
 - Khwan-on, S.; Kongkanjana, K. The control of a multi-input boost converter for renewable energy system applications. In Proceedings of the 2017 International Electrical Engineering Congress (IEEE IEECON’16), Pattaya, Thailand, 8–10 March 2017; pp. 1–4. [Google Scholar]
 - Irmak, E.; Guler, N. Application of a boost based multi-input single-output dc/dc converter. In Proceedings of the 2017 IEEE 6th International Conference on Renewable Energy Research and Applications (IEEE ICRERA’17), San Diego, CA, USA, 5–8 November 2017; pp. 955–961. [Google Scholar]
 - Mohammadi, M.; Safari, N.; Milimonfared, J.; Moghani, J.S. Application of a new high step-up double-input converter in a novel module-integrated-inverter photovoltaic system. In Proceedings of the 6th Power Electronics, Drive Systems & Technologies Conference (IEEE PEDSTC’15), Tehran, Iran, 3–4 February 2015; pp. 53–58. [Google Scholar]
 - Khosravi, M.; Khaburi, D.A.; Heshmatian, S. Predictive control of multi-input switched-capacitor DC-DC converter with reduced switching frequency. In Proceedings of the 8th Power Electronics, Drive Systems & Technologies Conference (IEEE PEDSTC’17), Mashhad, Iran, 14–16 February 2017; pp. 549–554. [Google Scholar]
 - Hwu, K.-I.; Jiang, W.-Z. Analysis, design and derivation of a two-phase converter. IET Power Electron. 2015, 8, 1987–1995. [Google Scholar] [CrossRef]
 - Gorji, S.A.; Ektesabia, M.; Zheng, J. Double-input boost/y-source DC-DC converter for renewable energy sources. In Proceedings of the 2nd Annual Southern Power Electronics Conference (IEEE SPEC’16), Auckland, New Zealand, 5–8 December 2016; pp. 1–6. [Google Scholar]
 - Mummadi, V.; Sawant, K.K. Control of multi-input integrated buck-boost converter. In Proceedings of the IEEE Region 10 and the Third International Conference on Industrial and Information Systems, Kharagpur, India, 8–10 December 2008; pp. 1–6. [Google Scholar]
 - Suetomi, M.; Matsuo, H.; Hirakida, K.; Nakashima, R.; Hamaguchi, R.; Yoichi, I.; Lin, W. A novel multi-input DC-DC converter with high power efficiency. In Proceedings of the 33rd International Telecommunications Energy Conference (IEEE INTELEC’11), Amsterdam, The Netherlands, 9–13 October 2011; pp. 1–5. [Google Scholar]
 - Haghighian, S.K.; Tohidi, S.; Feyzi, M.R.; Sabahi, M. Design and analysis of a novel SEPIC-based multi-input DC/DC converter. IET Power Electron. 2017, 10, 1393–1402. [Google Scholar] [CrossRef]
 - Kallukaran, C.; Unnikrishnan, L. Multi-input interleaved DC-DC converter with low current ripple for electric vehicle application. In Proceedings of the 2018 International Conference on Current Trends towards Converging Technologies (IEEE ICCTCT’18), Coimbatore, India, 1–3 March 2018; pp. 1–5. [Google Scholar]
 - Sathyan, S.; Suryawanshi, H.M.; Shitole, A.B.; Ballal, M.S.; Borghate, V.B. Soft-switched interleaved DC/DC converter as front-end of multi-inverter structure for micro grid applications. IEEE Trans. Power Electron. 2018, 33, 7645–7655. [Google Scholar] [CrossRef]
 - Faraji, R.; Farzanehfard, H. Soft-switched non-isolated high step-up three-port dc–dc converter for hybrid energy systems. IEEE Trans. Power Electron. 2018, 33, 10101–10111. [Google Scholar] [CrossRef]
 - Park, J.-H.; Kim, J.-K. A non-isolated dual-input DC-DC converter with wide input voltage range for renewable energy sources. In Proceedings of the 2017 IEEE 3rd International Future Energy Electronics Conference and ECCE Asia (IEEE IFEEC’17), Kaohsiung, Taiwan, 3–7 June 2017; pp. 654–658. [Google Scholar]
 - Wang, Y.; Han, F.; Yang, L.; Xu, R.; Liu, R. A three-port bidirectional multi-element resonant converter with decoupled power flow management for hybrid energy storage systems. IEEE Access 2018, 6, 61331–61341. [Google Scholar] [CrossRef]
 - Athikkal, S.; Kumar, G.G.; Sundaramoorthy, K.; Sankar, A. Performance analysis of novel bridge type dual input DC-DC converters. IEEE Access 2017, 5, 15340–15353. [Google Scholar] [CrossRef]
 - Yau, Y.T.; Hwu, K.I.; Shieh, J.J. Development of a thermal energy harvesting converter with multiple inputs and an isolated output. Energies 2022, 15, 273. [Google Scholar] [CrossRef]
 - Hwu, K.I.; Yau, Y.T.; Hsieh, M.L. Thermoelectric energy conversion system with multiple input. IEEE Trans. Power Electron. 2020, 35, 1603–1621. [Google Scholar] [CrossRef]
 

































| Electrical Parameter | Value | 
|---|---|
| Maximum power point voltage (TC = 80 °C/TH = 250 °C) | 4.05 V | 
| Maximum power point current (TC = 80 °C/TH = 250 °C) | 1.15 A | 
| Maximum power (TC = 80 °C/TH = 250 °C) | 3.1 W | 
| First thermoelectric Module Specification | Name or Value | 
|---|---|
| TG product name | TG12-8 | 
| TG size | mm | 
| Number of TGs | 4 in series | 
| Max. Power @ MPP (Pmpp1) | 18.52 W | 
| Voltage @ MPP (Vmpp1) | 16.22 V | 
| Current @ MPP (Impp1) | 1.145 A | 
| Open-circuit voltage (Voc1) | 30.26 V | 
| Short-circuit current (Isc1) | 2.43 A | 
| Cold-side temperature | 80 °C | 
| Hot-side temperature | 250 °C | 
| Second Thermoelectric Module Specification | Name or Value | 
|---|---|
| TG product name | TG12-8 | 
| TG size | mm | 
| Number of TGs | 2 in series | 
| Max. Power @ MPP (Pmpp2) | 9 W | 
| Voltage @ MPP (Vmpp2) | 7.67 V | 
| Current @ MPP (Impp2) | 1.177 A | 
| Open-circuit voltage (Voc2) | 14.07 V | 
| Short-circuit current (Isc2) | 2.46 A | 
| Cold-side temperature | 80 °C | 
| Hot-side temperature | 250 °C | 
| System Specification | Name or Value | 
|---|---|
| System operation mode | Continuous conduction mode (CCM) | 
| First input voltage (Vd1) | 16.22 V | 
| Second input voltage (Vd2) | 7.67 V | 
| Rated output voltage (Vo) | 400 V | 
| Rated output current (Io,rated)/power (Po,rated) | 68.8 mA/27.52 W | 
| Minimum output current (Io,min)/power (Po,min) | 17.2 mA/6.88 W | 
| First duty cycle (Da) | 0.575 | 
| Second duty cycle (Db) | 0.572 | 
| First duty frequency (fs)/period (Ts) | 100 kHz/10 μs | 
| Component | Specification | 
|---|---|
| MOSFET switches S1a, S1b, S2a, S2b | IRF3205Z | 
| Diodes D1, D2, D3 | SFF1008G | 
| Diodes D4 | STPS20H100CT | 
| Energy-transferring capacitors C1, C3 | 100 μF Electrolytic Capacitor | 
| Energy-transferring capacitor C2 | 68 μF Electrolytic Capacitor | 
| Clamping capacitors C4, C5 | 10 μF Electrolytic Capacitor | 
| Output capacitor Co | 22 μF Electrolytic Capacitor | 
| Coupling inductor 1/Coupling inductor 2 | Lm1 = 365.6 μH, n = 3/Lm2 = 87.3 μH, n = 3 | 
| Isolated gate driver | FOD3182 | 
Disclaimer/Publisher’s Note: The statements, opinions and data contained in all publications are solely those of the individual author(s) and contributor(s) and not of MDPI and/or the editor(s). MDPI and/or the editor(s) disclaim responsibility for any injury to people or property resulting from any ideas, methods, instructions or products referred to in the content.  | 
© 2023 by the authors. Licensee MDPI, Basel, Switzerland. This article is an open access article distributed under the terms and conditions of the Creative Commons Attribution (CC BY) license (https://creativecommons.org/licenses/by/4.0/).
Share and Cite
Hwu, K.-I.; Shieh, J.-J.; Chen, P.-J. Applying a Multiple-Input Single-Output Interleaved High Step-Up Converter with a Current-Sharing Device Having Different Input Currents to Harvest Energy from Multiple Heat Sources. Appl. Sci. 2023, 13, 5692. https://doi.org/10.3390/app13095692
Hwu K-I, Shieh J-J, Chen P-J. Applying a Multiple-Input Single-Output Interleaved High Step-Up Converter with a Current-Sharing Device Having Different Input Currents to Harvest Energy from Multiple Heat Sources. Applied Sciences. 2023; 13(9):5692. https://doi.org/10.3390/app13095692
Chicago/Turabian StyleHwu, Kuo-Ing, Jenn-Jong Shieh, and Pin-Jung Chen. 2023. "Applying a Multiple-Input Single-Output Interleaved High Step-Up Converter with a Current-Sharing Device Having Different Input Currents to Harvest Energy from Multiple Heat Sources" Applied Sciences 13, no. 9: 5692. https://doi.org/10.3390/app13095692
APA StyleHwu, K.-I., Shieh, J.-J., & Chen, P.-J. (2023). Applying a Multiple-Input Single-Output Interleaved High Step-Up Converter with a Current-Sharing Device Having Different Input Currents to Harvest Energy from Multiple Heat Sources. Applied Sciences, 13(9), 5692. https://doi.org/10.3390/app13095692
        
