Next Article in Journal
Estimating the Service Life of Exterior Stone Claddings Subjected to Regular and Marine Service Conditions
Previous Article in Journal
Development of a Two-Dimensional Hybrid Sediment-Transport Model
 
 
Font Type:
Arial Georgia Verdana
Font Size:
Aa Aa Aa
Line Spacing:
Column Width:
Background:
Article

Optimal Modeling for Dynamic Response of Energy Storage Systems

1
Department of Electrical Engineering, National Taiwan University of Science and Technology, Taipei 10607, Taiwan
2
Graduate Institute of Energy and Sustainability Technology, National Taiwan University of Science and Technology, Taipei 10607, Taiwan
*
Author to whom correspondence should be addressed.
Appl. Sci. 2023, 13(8), 4943; https://doi.org/10.3390/app13084943
Submission received: 20 February 2023 / Revised: 29 March 2023 / Accepted: 3 April 2023 / Published: 14 April 2023

Abstract

Using energy storage systems with solar and wind energy can overcome the intermittence of these types of renewable energy. According to the regulations made by the utilities in each country, facilities that are connected to the power grid should be assessed on how they influence the power grid. Power system simulation software such as PSS/E, DIgSILENT, and DSATools are widely used by utilities. The default models in these kinds of software are defined by the Western Electricity Coordinating Council (WECC). Improper parameters will produce estimation results that are not informative, and the utilities may make wrong decisions. To avoid this problem, this study designed the process to find suitable parameters for real energy storage systems. Using models created by the WECC and reducing it according to the application condition decreased the burden of the optimization process. We used two algorithms and their improved versions to search for an appropriate value of variables that can represent a real energy storage system. We also compared the results between the BESS simplified model that we built and the original model from PSS/E.

1. Introduction

In recent years, the rapid development of industry, massive exploitation, and consumption of fossil fuels has resulted in the exhaustion of natural resources and a worse climatic environment, so various countries are searching for new alternative energy sources. Photovoltaic and wind power are the focus of the new age, and many countries have legislated the future development goal of emerging energy [1]. However, even if they have the advantages of cleanliness and almost zero pollution, they are excessively restricted by the weather, leading to intermittence, so they still are not reliable enough to fully substitute fossil fuels. Many countries have proposed standards to normalize the influence of grid-connected renewable energy on systems (e.g., the “Rule 21” of California, “Std. 1547” of IEEE, “Renewable Energy Power Generation System Parallel Technology Guidelines” of Taipower Company) [2].
The energy storage system provides a solution to the intermittence of renewable energy. The electricity is stored when there is surplus electricity generation, and the ratio of renewable energy put in the power grid is reduced to enhance stability. The energy is supplied to the power grid when the electricity generation is insufficient to make up for the lack of renewable energy. Renewable energy and energy storage systems supplement each other, and their coordination can make the supply smoother and enhance the stability and ductility of the system.
The renewable energy equipment or energy storage systems must be evaluated by the power supplier of each country before they are connected to the grid, and the impact on the system is analyzed by power system simulation software. An appropriate model can reflect the equipment performance and prevent misjudgment of the feasibility of connection to the grid. Most internal plants in the simulation software use the model defined by the WECC. The model simulates the real system response by adjusting the internal parameters.
Every construction for a power grid should also be evaluated in Taiwan. The tool that Taipower company uses is PSS/E, which uses models defined by the WECC to represent the default of the power facilities. Before being connected to the power grid, the behavior of the energy storage system should also be evaluated, so we chose the WECC model in PSS/E as the generic model to conduct this research.

2. Introduction and Building of Models for Energy Storage Systems

2.1. Universal Model of WECC Energy Storage System

The battery characteristics can be represented by the BATT and CBEST models among the models defined by the WECC, but the two models aim at specific types of battery energy storage modules. The manufacturers should provide the characteristic battery parameters to assist in building models as there are considerable limitations in their application. In addition, the models are affected by the residual capacity (state of charge, SOC) of energy storage systems, so they are inapplicable [3]. This study used an energy storage system model composed of REPC (generic renewable plant control model), REEC (generic renewable electrical control model), and REGC (renewable energy generator/convertor model) modules, and the relationships of these modules are shown in Figure 1. Active power control, reactive power control, and voltage control functions could be implemented by adjusting the internal control flags, and the output capacity of residual capacity was restricted. The functions and parameters of the modules are introduced below.

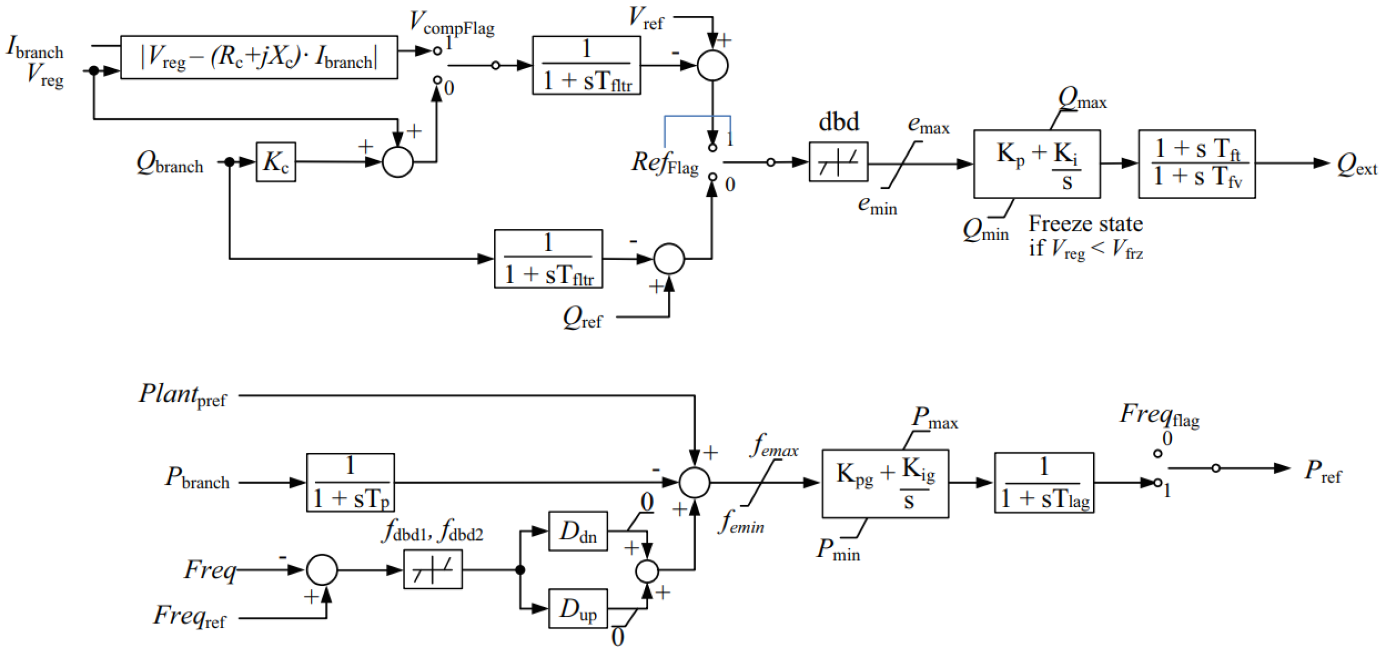
2.1.1. REPC Module

The REPC module is known as the generic renewable plant control model, and the model consists of two parts: an active power control loop and reactive power control loop, as shown in Figure 2. All parameters and their meanings in the REPC module are listed in Table 1. According to the power electronic control circuit design, the active power loop and reactive power loop can be controlled independently before the capacity exceeds the rated apparent power [4,5]. The functions can be changed by switching flags including frequency control, voltage control, and reactive power control functions.

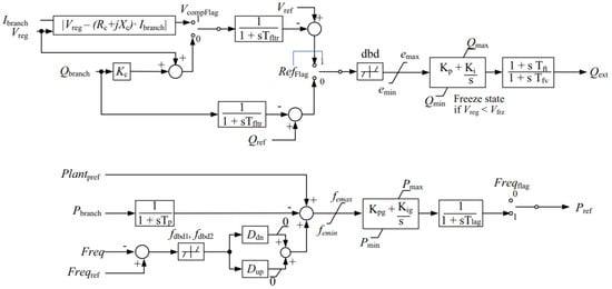
2.1.2. REEC Module

The REEC module is known as the generic renewable electrical control model. The same as the REPC module, this module is divided into an active power control loop and a reactive power control loop; the module control block diagram is shown in Figure 3. All parameters and their meanings in the REEC module are listed in Table 2. The reactive power control loop of this module is more complex than the active power control loop as it contains multiple control flags that are linked with the REPC module and jointly determine the current function of the energy storage system.

2.1.3. REGC Module

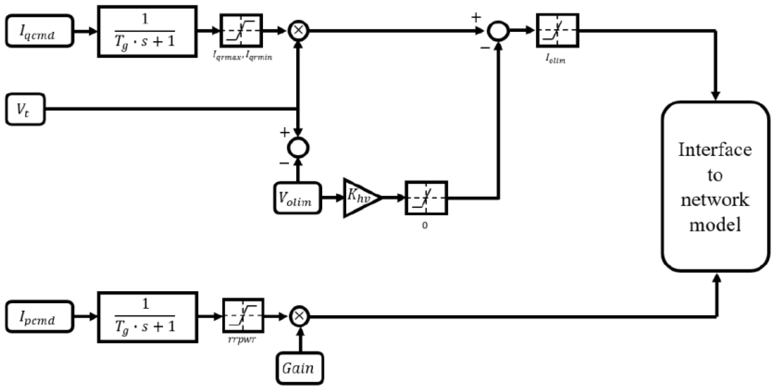
The REGC module is also known as the renewable energy generator/converter model. The same as the former two, it can be divided into an active power control loop and a reactive power control loop. The module control block diagram is shown in Figure 4. All parameters and their meanings in the REEC module are listed in Table 3. Its major function is to limit the surge current when the voltage is too low or too high and to convert the control commands into power grid signals imported into the simulation software.

2.2. Building and Simplification of the Universal Model of WECC Energy Storage Systems

According to the application situation, we adjusted the frequency control loop in the general energy storage system module. Then, we used this module to solve the optimization problem about choosing the location and capacity of the energy storage system [6]. Reasonable simplification was performed according to the actual operation mode of energy storage systems to reduce the computing load in subsequent research on optimization.

2.2.1. Control Flag Settings

The active power step test and reactive power step test were used for the frequency converter dynamic response capability test discussed in this study, and the active power control object instruction and reactive power control object instruction were issued to the frequency converter directly. Based on the said reasons, the flags of the universal model of energy storage systems are shown in Table 4.
In order to reduce the subsequent computing load, the control loops not used in the universal model of energy storage systems were ignored. As the frequency converter used a reactive power control, partial voltage control loops and power factor feedback loops were removed. The removed portion included the upper-left voltage feedback block of the reactive power control loop of the REPC module in Figure 5, and the middle power factor control feedback part and voltage reactive power coordination control part of the REEC module in Figure 6.

2.2.2. Static Frequency Control

In the energy storage system dynamic capability response test, this study particularly emphasized adjusting the active/reactive power control commands of the equipment to observe the transient phenomenon of I/O. As a result, the grid connection point terminal voltage could be regarded as stable, and the voltage feedback part and the low voltage power limitation logic control block could be omitted from the model. In addition, the system I/O response test was performed with sufficient SOC, so the SOC limitation loop could be exempt from the calculation.
By summarizing the results in the previous section, the modifications of the REPC, REEC, and REGC modules are shown in Figure 7, Figure 8 and Figure 9.

3. Introduction to Key Parameter Identification and Optimization Algorithm

3.1. Key Parameter Identification

The mathematical model of more complex systems has more parameters [7,8,9,10], and more parameters will result in a larger computing burden for the model in subsequent applications such as in simulation and optimization operations. In order to improve the excessively large amount of calculation required, sensitivity analysis can be adopted to quantify the influence of parameters on the system model response [11,12,13].
In [14], the authors used trajectory sensitivity analysis to classify the influence of model parameters of the first-order and second-order on the position control system of a highly integrated valve-controlled cylinder, while the authors used trajectory sensitivity analysis to evaluate the influence of model parameters of a synchronous generator [15]. In [16], the authors mentioned that one-factor-at-a-time (OAT) could be to assess the influence of model parameters. The authors used OAT to find the key parameters of a wind power generator, and built an equivalent dynamic model of it. This key parameter identification method can be used under the condition that the problem is too complex to build the mathematical functions [17].
This study used a common key parameter analysis method, OAT, which changes only one system parameter at a time under the same input condition, and judges the influence of the parameter by observing the system output response variation. The method is easy to implement, but when the parameters are correlated with each other, this dependence cannot be described. The OAT flowchart is shown in Figure 10.

3.2. Improved Particle Swarm Optimization

The improved particle swarm optimization (IPSO) improves the traditional particle swarm optimization (PSO). The problems of too fast convergence, easy falling into the local optimal solution, and the problems derived when the search position exceeds the preset range are fixed, so the global optimal solution can be found more efficiently [18,19,20,21].
The PSO is an algorithm based on group relations. According to the observation on animals with social structures in nature, the individuals of a group share the received information with each other, where the information sharing brings advantages to the development and evolution of the group. The theoretical diagram of a mathematical model is shown in Figure 11.
The direction of the next step of the particles in the group of traditional PSO is influenced by their experience, and the shared information of the group is expressed as Equations (1) and (2):
v i j t + 1 = ω · v i j t + c 1 R × p b e s t x i j t + c 2 R × g b e s t x i j t
x i j t + 1 = x i j t + v i j t + 1
  • v i j t :   Velocity of x i j at time t
  • v i j t + 1 :   Velocity of x i j at time t + 1
  • x i j t :   Position of x i j at time t
  • x i j t + 1 :   Position of x i j at time t + 1
  • ω :   Inertia weight of x i j
  • c 1 ,   c 2 :   Acceleration constant
  • R :   Random number between 0 and 1
  • p b e s t :   Personal best value
  • g b e s t :   Global best value
To enhance the global search capability of the optimal solution, the improved PSO modifies the generation method of three variables of the weighting factors, ω ,   c 1 ,   and   c 2 in (1), expressed as Equations (3)–(5). his method enhances the dependence of particles on their optimal experience at the initial stage of iteration and lays emphasis on the group experience at the late stage of iteration.
ω = ω m a x ω m a x ω m i n × j N 2
c 1 = c m a x c m i n × N j N + c m i n
c 2 = c m i n c m a x × N j N + c m a x
  • ω m a x :   Maximum value of ω
  • ω m i n : Minimum value of ω
  • c m a x : Maximum value of c 1 ,   c 2
  • c m i n : Minimum value of c 1 ,   c 2
  • j : The iteration of this time
  • N : Number of total iteration
Additionally, the IPSO modifies the particle position exceeding the boundary. This was set as the coordinates exceeding the boundary dimensions in the past. To enhance the search diversity, Ref. [19] proposed the method of Equation (6)
v i j n e w t + 1 = d D · v i j t + 1
  • d : The distance between the particle and its violation boundary
  • D : The variant range
In addition, Ref. [19] proposed a method to improve a genetic algorithm that excessively falls into the local optimal solution, a certain perturbation is provided for a global optimal solution to enlarge the search area, and the magnitude of perturbation is determined according to the current number of iterations. The specific method is expressed as Equations (7) and (8).
p g τ = p g τ + e d p g τ
e d = 1 1 + r d e 1 τ T
  • p g : The best global solution
  • e d : The extrapolation coefficient
  • r d : The uniform distributed number between 0 and
  • τ : The iteration of this time
  • T : Number of total iteration
The flowchart of the IPSO is shown in Figure 12.

3.3. Improved Genetic Algorithm

The improved genetic algorithm (IGA) is derived from the traditional genetic algorithm (GA).
According to [22,23], IGA is provided with the idea of the survival of the fittest, and the offspring generated by the crossover operation is adjusted based on traditional GA. The exchange of parent genes is changed to the method of Equations (9)–(14). According to the arrangement of fitness, the first individuals with better fitness are maintained as the offspring generated by the crossover operation. This change increases the diversity of the offspring, and the benefit of a global search can be increased.
b 1 = b 1 1 , b 2 1 , , b n 1 = a s + a t 2
b 2 = b 1 2 , b 2 2 , , b n 2 = a m a x 1 ω + m a x a s , a t ω
b 3 = b 1 3 , b 2 3 , , b n 3 = a m i n 1 ω + m i n a s , a t ω
b 4 = b 1 4 , b 2 4 , , b n 4 = a m a x + a m i n 1 ω + a s + a t ω 2
a m a x = x 1 m a x , x 2 m a x , , x n m a x
a m i n = x 1 m i n , x 2 m i n , , x n m i n
  • a s ,   a t : Two parents in one group. a s = x 1 s , x 2 s x n s , a t = x 1 t , x 2 t x n t
  • b 1 ,   b 2 ,   b 3 ,   b 4 : The offspring of a s and a t
  • ω : Between 0 and 1, determined by user
The flowchart of the IGA is shown in Figure 13.

3.4. Objective Function

In the building of a universal model of energy storage systems, the objective was the measured output active/reactive power response capability of the energy storage system. The universal model of energy storage systems was implemented by using control system simulation tools such as MATLAB Simulink and LabVIEW, and the simulation output was matched with the actual measurement results by tuning the parameter setting. The objective function of the model was established to minimize the measured active/reactive power output response of the actual energy storage system and to simulate the output response of the universal model in the case of the same active/reactive control command. The result of this objective function is also known as fitness, and the lower the fitness, the closer the model is to the response of the actual energy storage system. The constraint is expressed as Equation (15).
min E t o t a l = max e p s 1 , e p s 2 , , e p s n , e q s 1 , e q s 2 , , e q s n
  • e p s : Error of each test
  • E t o t a l : The maximum error in all test

4. Optimization Parameter Search and Analysis

4.1. Whole Process of the Research

The flowchart of our work is shown in Figure 14. We started by reducing the WECC ESS model according to the application we used to decrease the computing burden. Next, we using OAT sensitivity analysis to find the most influential parameters to again reduce the computing load. Then, we used the IGA and IPSO algorithms to search for parameter values that minimize object function. Finally, we used parameters we found to simulate the situation under evaluation and assess whether these parameters could represent an actual ESS system.

4.2. Comparison of Abilities of Algorithms

This study used traditional PSO, traditional GA, IPSO, and improved GA as candidate methods of a parameter optimization search. The convergence speeds and optimal solutions of various algorithms in the global optimal solution search were compared by the Rastrigin function. The Rastrigin function is expressed as Equation (16), and the global optimal solution of the function is always the origin.
f x = i = 1 K x 1 2 10 cos 2 π x i + 10 ,   x i x i , m i n , x i , m a x  
This study used the Rastrigin functions of two variables and 30 variables as the testing targets, with the former being applicable to 3D mapping and is easy for the users to identify. The latter one increases the number of variables to increase the problem’s complexity to verify which algorithm can search out the optimal solution under more complex conditions.
When the Rastrigin function with two variables was used for verification, the four algorithms could achieve a global optimal solution, as shown in Figure 15a. The initial values of the four algorithms were random, but could converge at the global optimal solution eventually. When employing the Rastrigin function with a two variable optimization solving problem for testing, the PSO could converge at a global optimal solution rapidly, and there were merely eight iterations. This means that the method had excellent performance in the case of low problem complexity and a small number of solved variables. The IGA needed 17 iterations to solve optimization problems and was a little slower than PSO, but it could reach a global optimal solution with a small number of iterations. The IPSO algorithm converged at a global optimal solution after 45 iterations. As the algorithm aims to maintain the diversity of variables when the IPSO search exceeds the boundary, and it is likely to fall into the local optimal solution, the IPSO loses convergence speed but enhances the capability of the global search in comparison to PSO. When the problem complexity and the number of variables increased, the algorithm still had a better performance than PSO. The algorithm that converged last was GA, which needed about 181 iterations before converging at a global optimal solution.
When the optimization problem complexity was increased, as the dimension of the optimization problem was too large, it could not be displayed graphically. Only the convergence speed and fitness values were marked, and the performances of various methods in searching for a global optimal solution were compared. The subsequent result is shown in Figure 15b.
According to the figure, the method of PSO type excessively depends on the optimum position of individuals and the optimum position of groups and lacks effective mutability, so it is likely to fall into local optimal solutions. The condition of PSO is more severe than IPSO; the IPSO provides the possible direction of the new optimum position of groups by global optimal solution perturbation, but it is difficult to converge at the position of a global optimal solution in general. In terms of the GA type methods, the traditional GA spends more time on exploring global optimal solutions due to mutability when solving low complexity problems, but the search process will not fall into local optimal solutions. Aside from the existing mutability, the improved GA is provided with the idea of the survival of the fittest of the evolution, the offspring generation form is changed, and the diversity of the gene bank is increased, so the abundance of offspring genes obtained by the crossover operation is better than that of the traditional method, the global search capability is enhanced greatly.
The subsequent optimization algorithm will select two different types of algorithms for comparison. According to the test results in this section, the IGA had good performance in the capability of global search regardless of the problem complexity. The IPSO algorithm could not achieve a global optimal solution when solving the test function of 30 variables, but it was much better than the traditional PSO. Hence, the subsequent universal model parameter search of energy storage systems could be implemented by using these two algorithms.

4.3. Key Parameter Identification

This study used OAT to find the rank of influence of various parameters on the system output response and selected the parameters with high influence as the solving variables of optimization problems. The active power step instruction or reactive power step instruction was imported into the input end of universal model of a WECC energy storage system during testing (i.e., active power reference instruction and reactive power reference instruction). The parameter values were adjusted according to the preset variation in different input scenarios to observe the differences in the system output capability response before and after adjustment.
This study assumed that the SOC of the energy storage system was sufficient during the simulation, the output response was temporarily free from the limitation of system capacity, and the response speed was as high as possible. Hence, the universal simplified model of the WECC energy storage system brought into the key parameter identification analysis was free of the upper and lower limits of values, and the upper and lower limits of slope and related parameters. Table 5 shows the system parameters for key parameter identification analysis according to the said scenarios; these parameters only include a time constant and the control coefficient of a controller.
The initial values of the universal model parameters of the WECC energy storage system selected in this study were adjusted based on the manufacturer’s preset parameters. There were two classes of target parameters of the key parameter analysis: the initial value of one class was not 0, and the initial value of the other class was 0. The variation in the former in each test was increased by 5%, and there were six variations. With the addition of the original initial value, there were a total of seven simulations. The adjustment range of the latter one in each experiment was increased by 0.01, which is a large variation range in the search area of the time constant and controller coefficient of the system model. Afterward, the influence of the system parameters listed in the key parameter analysis in the cases of active power step input and reactive power step input was demonstrated. Figure 16 shows the differences among the parameters in the pooled variance of system output response in the current experiment and previous experiment when the active power step was imported. Figure 17 shows the differences among the parameters in the pooled variance of system output response in the current experiment and previous experiment when the reactive power step was imported. The first experiment was given with zero as it was free of a previous experiment, and it was not taken into consideration. The variation in the difference of the square of the subsequent output response was observed as the basis of the key parameter screening.
Figure 16 shows that the parameters that had the greatest influence on the system after adjustment were T g and T p of the REPC module. While the influence of K i g and K p g was much slighter than the said two time constants, adjusting the parameters resulted in a higher perturbation to the system than adjusting the rest of the parameters. As a result, the four parameters were imported into the experimentally selected key parameters as the active power step signals.
Afterward, the experimental control commands were imported into the universal model of the energy storage system from the reactive power reference control signal location of the REPC module, so the system coefficient variation in relation to processing the active power control was much slighter than the previous experiment. Figure 17 shows that the parameters that had the greatest influence on the system after the adjustment were K i and T f l t r of the REPC module, and K p of the REPC module ranked third. Although the influence of T g of the REGC module was very little in comparison to the aforementioned three, the other parameters could still change the system output response, so the four parameters were imported into the experimentally screened key parameters as reactive power step signals.
Table 6 records the calculated key parameters, and these parameters were adjusted as the optimization algorithm search variables.

4.4. Universal Model Test Waveform of an Energy Storage System with the Optimization Algorithm

When the IGA and IPSO were used to solve the optimization problem established by the universal model of energy storage systems, based on a fair comparison, the common parameters of the two algorithms were the same. The common parameters included the search area of key parameters in Section 4.2, the total population in an algorithm (number of particles), the maximum number of iterations, and the initial global optimal solution position. The parameter setting values are shown in Table 7.
The energy storage system parameters selected by the key parameter analysis in the previous section were used as the variables searched when the optimization algorithm solves problems. The IGA and IPSO had the same range of variables searched and the interval. The searched population quantity and number of iterations were set as the same numbers to guarantee the rationality of fitness comparison between the two algorithms. The initial global optimal solution used the same values, and the two algorithms had the same fitness baseline. There were two kinds of measured waveforms of the actual energy storage system output response: one was used to optimize the algorithm variable search, and the other was used to evaluate the global optimal solution parameter applicability. The input waveform used when the algorithm searched for the optimum parameters included three classes of step response: constant active power output and reactive power step output; active power step output and constant reactive power output; active power step output and constant reactive power input, as shown in Figure 18.
The measurement waveform of the applicability evaluation also included constant active power input and reactive power step output, and active power step output and reactive power fixed input, as shown in Figure 19.

4.5. Universal Model Simulation Results of an Energy Storage System with the Optimization Algorithm

The fitting parts of three simulation waveforms are shown in Figure 20, Figure 21 and Figure 22.
The first simulation result showed that the actual energy storage system equipment output was not 0 when the reactive power output command of the reactive power step was 0. This is because the energy storage system must check the voltage synchronously with the power grid. The step rising parts were almost overlapped.
The second and third simulation results showed that the actual energy storage system equipment output was a little different from the simulation when the active power output command of the active power step was a fully loaded charge. The rising step parts were almost overlapped.
As shown in Figure 23 and Figure 24, the simulation waveform was identical to the PSS/E waveform, meaning that the simplified model matched that of the universal model of the WECC energy storage system of PSS/E and approached the measured waveform. Therefore, using the parameters chosen by the optimization algorithm for the simulation in power simulation tools could reflect the response of actual energy storage systems.

5. Conclusions

This study considered the building process of a universal model of a universal WECC energy storage system. The equipment operating strategy was analyzed, the model was simplified rationally, and the parameter group in the computing range was automatically searched by the algorithm to minimize the output capacity difference between the real system and the simulation system. Finally, the output responses of the simplified model simulation results and PSS/E model under the same input command were compared. Figure 23 and Figure 24 show that they were almost identical, so the actual energy storage system output capacity could be reflected to some extent by using the parameters found by this method in the power system simulation software of the universal model of WECC energy storage systems.
This study considered the universality of the BESS model. We eliminated control blocks that could not be used due to the control strategy, and then used an optimization algorithm to find the parameters that could minimize the object function. The results of this study showed that the response of the BESS in the simulation almost fit the PSS/E and measurement results.

Author Contributions

Software, S.-C.D.; Investigation, C.-C.L.; Data curation, Y.-M.H.; Writing—review & editing, S.-C.D.; Visualization, Y.-M.H.; Supervision, C.-C.K. All authors have read and agreed to the published version of the manuscript.

Funding

This research received no specific grant from any funding agency in the public, commercial, or not-for-profit sectors.

Institutional Review Board Statement

No applicable.

Informed Consent Statement

No applicable.

Data Availability Statement

No applicable.

Conflicts of Interest

The authors declare no conflict of interest.

References

  1. International Renewable Energy Development Trends and Policies. Available online: https://www.re.org.tw/knowledge/more.aspx?cid=201&id=3966 (accessed on 2 June 2021).
  2. Taipower Company. Renewable Energy Power Generation System Parallel Technology Guidelines; Taipower Company: Taiwan, China.
  3. Sparacino, A.R.; Reed, G.F.; Kerestes, R.J.; Grainger, B.M.; Smith, Z.T. Survey of battery energy storage systems and modeling techniques. In Proceedings of the 2012 IEEE Power and Energy Society General Meeting, San Diego, CA, USA, 22–26 July 2012; pp. 1–8. [Google Scholar]
  4. Xu, X.; Bishop, M.; Oikarinen, D.G.; Hao, C. Application and modeling of battery energy storage in power systems. CSEE J. Power Energy Syst. 2016, 2, 82–90. [Google Scholar] [CrossRef]
  5. Pourbeik, P.; Petter, J.K. Modeling and validation of battery energy storage systems using simple generic models for power system stability studies. Cigre Sci. Eng. 2017, 9, 63–72. [Google Scholar]
  6. Ramírez, M.; Castellanos, R.; Calderón, G.; Malik, O. Placement and sizing of battery energy storage for primary frequency control in an isolated section of the Mexican power system. Electr. Power Syst. Res. 2018, 160, 142–150. [Google Scholar] [CrossRef]
  7. Barba, P.D.; Dughiero, F.; Forzan, M.; Sieni, E. A Paretian Approach to Optimal Design with Uncertainties: Application in Induction Heating. IEEE Trans. Magn. 2014, 50, 917–920. [Google Scholar] [CrossRef]
  8. Kuci, E.; Henrotte, F.; Duysinx, P.; Dular, P.; Geuzaine, C. Design Sensitivity Analysis for Shape Optimization of Nonlinear Magnetostatic Systems. IEEE Trans. Magn. 2016, 52, 1–4. [Google Scholar] [CrossRef]
  9. Lykas, P.; Georgousis, N.; Kitsopoulou, A.; Korres, D.N.; Bellos, E.; Tzivanidis, C. A Detailed Parametric Analysis of a Solar-Powered Cogeneration System for Electricity and Hydrogen Production. Appl. Sci. 2023, 13, 433. [Google Scholar] [CrossRef]
  10. Colangelo, A.; Guelpa, E.; Lanzini, A.; Mancò, G.; Verda, V. Compact Model of Latent Heat Thermal Storage for Its Integration in Multi-Energy Systems. Appl. Sci. 2020, 10, 8970. [Google Scholar] [CrossRef]
  11. Beniakar, M.E.; Sarigiannidis, A.G.; Kakosimos, P.E.; Kladas, A.G. Multiobjective Evolutionary Optimization of a Surface Mounted PM Actuator with Fractional Slot Winding for Aerospace Applications. IEEE Trans. Magn. 2014, 50, 665–668. [Google Scholar] [CrossRef]
  12. Moreau, O.; Beddek, K.; Clénet, S.; Menach, Y.L. Stochastic Nondestructive Testing Simulation: Sensitivity Analysis Applied to Material Properties in Clogging of Nuclear Powerplant Steam Generators. IEEE Trans. Magn. 2013, 49, 1873–1876. [Google Scholar] [CrossRef]
  13. Smetana, M.; Janousek, L. Evaluation of inductance coil and fluxgate magnetometer under harmonic and pulsed excitations in ECT. Int. J. Appl. Electromagn. Mech. 2012, 39, 277–282. [Google Scholar] [CrossRef]
  14. Kong, X.; Ba, K.; Yu, B.; Cao, Y.; Wu, L.; Quan, L. Trajectory sensitivity analysis of first order and second order on position control system of highly integrated valve-controlled cylinder. J. Mech. Sci. Technol. 2015, 29, 4445–4464. [Google Scholar] [CrossRef]
  15. Cari, E.P.T.; Alberto, L.F.C.; Bretas, N.G. A methodology for parameter estimation of synchronous generators based on trajectory sensitivity and synchronization technique. In Proceedings of the 2006 IEEE Power Engineering Society General Meeting, Montreal, QC, Canada, 18–22 June 2006. [Google Scholar]
  16. Saltelli, A.; Annoni, P. How to avoid a perfunctory sensitivity analysis. Environ. Model. Softw. 2010, 25, 1508–1517. [Google Scholar] [CrossRef]
  17. Cheng, X.; Lee, W.-J.; Sahni, M.; Cheng, Y.; Lee, L.K. Dynamic Equivalent Model Development to Improve the Operation Efficiency of Wind Farm. IEEE Trans. Ind. Appl. 2016, 52, 2759–2767. [Google Scholar] [CrossRef]
  18. Zhou, Y.; Zhao, L.; Lee, W.J. Robustness Analysis of Dynamic Equivalent Model of DFIG Wind Farm for Stability Study. IEEE Trans. Ind. Appl. 2018, 54, 5682–5690. [Google Scholar] [CrossRef]
  19. Li, W.T.; Shi, X.W.; Hei, Y.Q.; Liu, S.F.; Zhu, J. A Hybrid Optimization Algorithm and Its Application for Conformal Array Pattern Synthesis. IEEE Trans. Antennas Propag. 2010, 58, 3401–3406. [Google Scholar] [CrossRef]
  20. Bangyal, W.H.; Nisar, K.; Soomro, T.R.; Ibrahim, A.A.A.; Mallah, G.A.; Hassan, N.U.; Rehman, N.U. An Improved Particle Swarm Optimization Algorithm for Data Classification. Appl. Sci. 2023, 13, 283. [Google Scholar] [CrossRef]
  21. Gupta, J.; Hussain, A.; Singla, M.K.; Nijhawan, P.; Haider, W.; Kotb, H.; AboRas, K.M. Parameter Estimation of Different Photovoltaic Models Using Hybrid Particle Swarm Optimization and Gravitational Search Algorithm. Appl. Sci. 2023, 13, 249. [Google Scholar] [CrossRef]
  22. Lenin, K.; Reddy, B.R.; Kalavathi, M.S. A New Improved GA and PSO Combined Hybrid Algorithm (HIGAPSO) for Solving Optimal Reactive Power Dispatch Problem. J. Ind. Intell. Inf. 2014, 2, 205–209. [Google Scholar] [CrossRef]
  23. Zhu, Z.; Liu, Y.; He, Y.; Wu, W.; Wang, H.; Huang, C.; Ye, B. Fuzzy PID Control of the Three-Degree-of-Freedom Parallel Mechanism Based on Genetic Algorithm. Appl. Sci. 2022, 12, 11128. [Google Scholar] [CrossRef]
Figure 1. Graph of the relations of universal modules of the WECC energy storage system. Reprinted from Ref. [4] (Fig. 9), 2016, Xiaokang Xu.
Figure 1. Graph of the relations of universal modules of the WECC energy storage system. Reprinted from Ref. [4] (Fig. 9), 2016, Xiaokang Xu.
Applsci 13 04943 g001
Figure 2. The REPC module control block diagram of a universal model of energy storage systems. Reprinted from Ref. [4] (Fig. 12), 2016, Xiaokang Xu.
Figure 2. The REPC module control block diagram of a universal model of energy storage systems. Reprinted from Ref. [4] (Fig. 12), 2016, Xiaokang Xu.
Applsci 13 04943 g002
Figure 3. The REEC module control block diagram of a universal model of energy storage systems. Reprinted from Ref. [4] (Fig. 12), 2016, Xiaokang Xu.
Figure 3. The REEC module control block diagram of a universal model of energy storage systems. Reprinted from Ref. [4] (Fig. 12), 2016, Xiaokang Xu.
Applsci 13 04943 g003
Figure 4. The REGC module control block diagram of a universal model of energy storage systems. Reprinted from Ref. [4] (Fig. 12), 2016, Xiaokang Xu.
Figure 4. The REGC module control block diagram of a universal model of energy storage systems. Reprinted from Ref. [4] (Fig. 12), 2016, Xiaokang Xu.
Applsci 13 04943 g004
Figure 5. The voltage feedback control block diagram of the REPC.
Figure 5. The voltage feedback control block diagram of the REPC.
Applsci 13 04943 g005
Figure 6. The power factor feedback and voltage reactive power coordination control block diagrams of the REEC.
Figure 6. The power factor feedback and voltage reactive power coordination control block diagrams of the REEC.
Applsci 13 04943 g006
Figure 7. The simplified universal model of the WECC energy storage systems—REPC module.
Figure 7. The simplified universal model of the WECC energy storage systems—REPC module.
Applsci 13 04943 g007
Figure 8. The simplified universal model of the WECC energy storage system—REEC module.
Figure 8. The simplified universal model of the WECC energy storage system—REEC module.
Applsci 13 04943 g008
Figure 9. The simplified universal model of the WECC energy storage systems—REEC module.
Figure 9. The simplified universal model of the WECC energy storage systems—REEC module.
Applsci 13 04943 g009
Figure 10. The OAT sensitivity analysis flowchart.
Figure 10. The OAT sensitivity analysis flowchart.
Applsci 13 04943 g010
Figure 11. Schematic diagram of a mathematical model of PSO.
Figure 11. Schematic diagram of a mathematical model of PSO.
Applsci 13 04943 g011
Figure 12. The IPSO flowchart.
Figure 12. The IPSO flowchart.
Applsci 13 04943 g012
Figure 13. The IGA flowchart.
Figure 13. The IGA flowchart.
Applsci 13 04943 g013
Figure 14. The flowchart for building the ESS WECC model.
Figure 14. The flowchart for building the ESS WECC model.
Applsci 13 04943 g014
Figure 15. Comparison of the convergence speeds solved by (a) 2 variable Rastrigin function and (b) 30 variable Rastrigin function.
Figure 15. Comparison of the convergence speeds solved by (a) 2 variable Rastrigin function and (b) 30 variable Rastrigin function.
Applsci 13 04943 g015
Figure 16. The parameters of the input active power step. (a) P = 0.2 p.u., (b) P = 0.4 p.u., (c) P = 0.6 p.u., and (d) P = 0.8 p.u.
Figure 16. The parameters of the input active power step. (a) P = 0.2 p.u., (b) P = 0.4 p.u., (c) P = 0.6 p.u., and (d) P = 0.8 p.u.
Applsci 13 04943 g016
Figure 17. The parameters of the input reactive power step. (a) Q = 0.2 p.u., (b) Q = 0.4 p.u., (c) Q = 0.6 p.u., and (d) Q = 0.8 p.u.
Figure 17. The parameters of the input reactive power step. (a) Q = 0.2 p.u., (b) Q = 0.4 p.u., (c) Q = 0.6 p.u., and (d) Q = 0.8 p.u.
Applsci 13 04943 g017
Figure 18. The simulation waveforms for the parameter search.
Figure 18. The simulation waveforms for the parameter search.
Applsci 13 04943 g018
Figure 19. The parameter applicability evaluation waveforms.
Figure 19. The parameter applicability evaluation waveforms.
Applsci 13 04943 g019
Figure 20. The IGA (left) and IPSO (right) fitting results.
Figure 20. The IGA (left) and IPSO (right) fitting results.
Applsci 13 04943 g020
Figure 21. The IGA (left) and IPSO (right) fitting results.
Figure 21. The IGA (left) and IPSO (right) fitting results.
Applsci 13 04943 g021
Figure 22. The IGA (left) and IPSO (right) fitting results.
Figure 22. The IGA (left) and IPSO (right) fitting results.
Applsci 13 04943 g022
Figure 23. The IGA (left) and IPSO (right) fitting waveform 1 fitting results.
Figure 23. The IGA (left) and IPSO (right) fitting waveform 1 fitting results.
Applsci 13 04943 g023
Figure 24. The IGA (left) and IPSO (right) fitting waveform 2 fitting results.
Figure 24. The IGA (left) and IPSO (right) fitting waveform 2 fitting results.
Applsci 13 04943 g024
Table 1. Parameters of the REPC module.
Table 1. Parameters of the REPC module.
No.SymbolDescription
1 T f l t r Voltage or reactive power measurement filter time constant (s)
2 K p Reactive power PI control proportional gain (pu)
3 K i Reactive power PI control integral gain (pu)
4 T f t Lead time constant (s)
5 T f v Lag time constant (s)
6 V f r z Voltage below which State s2 is frozen (pu)
7 R c Line drop compensation resistance (pu)
8 X c Line drop compensation reactance (pu)
9 K c Reactive current compensation gain (pu)
10 E m a x Upper limit on deadband output (pu)
11 E m i n Lower limit on deadband output (pu)
12 d b d 1 Lower threshold for reactive power control deadband (<=0)
13 d b d 2 Upper threshold for reactive power control deadband (>=0)
14 Q m a x Upper limit on output of V/Q control (pu)
15 Q m i n Lower limit on output of V/Q control (pu)
16 K p g Proportional gain for power control (pu)
17 K i g Proportional gain for power control (pu)
18 T p Real power measurement filter time constant (s)
19 f d b d 1 Deadband for frequency control, lower threshold (<=0)
20 f d b d 2 Deadband for frequency control, upper threshold (>=0)
21 F e m a x Frequency error upper limit (pu)
22 F e m i n Frequency error lower limit (pu)
23 P m a x Upper limit on power reference (pu)
24 P m i n Lower limit on power reference (pu)
25 T g Power controller lag time constant (s)
26 D d n Droop for over-frequency conditions (pu)
27 D u p Droop for under-frequency conditions (pu)
Table 2. Parameters of the REEC module.
Table 2. Parameters of the REEC module.
No.SymbolDescription
1 V d i p Voltage threshold to activate reactive current injection logic (pu)
2 V u p Voltage above which reactive current injection logic is activated (pu)
3 T r v Voltage filter time constant (s)
4 d b d 1 Voltage error dead band lower threshold (≤0) (pu)
5 d b d 2 Voltage error dead band upper threshold (≥0) (pu)
6 K q v Reactive current injection gain during over and undervoltage conditions (pu)
7 I q h l Upper limit on reactive current injection Iqinj (pu)
8 I q l l Lower limit on reactive current injection Iqinj (pu)
9 V r e f 0 User defined reference (if 0, model initializes it to initial terminal voltage) (pu)
10 T p Filter time constant for electrical power (s)
11 Q m a x Limit for reactive power regulator (pu)
12 Q m i n Limit for reactive power regulator (pu)
13 V m a x Max. limit for voltage control (pu)
14 V m i n Min. limit for voltage control (pu)
15 K q p Reactive power regulator proportional gain (pu)
16 K q i Reactive power regulator integral gain (pu)
17 K v p Voltage regulator proportional gain (pu)
18 K v i Voltage regulator integral gain (pu)
19 T i q Time constant on delay s4 (s)
20 d P m a x Power reference max. ramp rate (>0) (pu/s)
21 d P m i n Power reference min. ramp rate (<0) (pu/s)
22 P m a x Max. power limit (pu)
23 P m i n Min. power limit (pu)
24 I m a x Maximum limit on total converter current (pu)
25 T p o r d Power filter time constant (s)
26 V q 1 Reactive Power V–I pair, voltage (pu)
27 I q 1 Reactive Power V–I pair, current (pu)
28 V q 2 (Vq2 > Vq1), Reactive Power V–I pair, voltage (pu)
29 I q 2 (Iq2 > Iq1), Reactive Power V–I pair, current (pu)
30 V q 3 (Vq3 > Vq2), Reactive Power V–I pair, voltage (pu)
31 I q 3 (Iq3 > Iq2), Reactive Power V–I pair, current (pu)
32 V q 4 (Vq4 > Vq3), Reactive Power V–I pair, voltage (pu)
33 I q 4 (Iq4 > Iq3), Reactive Power V–I pair, current (pu)
34 V p 1 Real Power V–I pair, voltage (pu)
35 I p 1 Real Power V–I pair, current (pu)
36 V p 2 (Vp2 > Vp1), Real Power V–I pair, voltage (pu)
37 I p 2 (Ip2 > Ip1), Real Power V–I pair, current (pu)
38 V p 3 (Vp3 > Vp2), Real Power V–I pair, voltage (pu)
39 I p 3 (Ip3 > Ip2), Real Power V–I pair, current (pu)
40 V p 4 (Vp4 > Vp3), Real Power V–I pair, voltage (pu)
41 I p 4 (Ip4 > Ip3), Real Power V–I pair, current (pu)
42 T Battery discharge time (<0) (s)
43 S O C i n i Initial state of charge (pu)
44 S O C m a x Maximum allowable state of charge (pu)
45 S O C m i n Minimum allowable state of charge (pu)
Table 3. Parameters of the REGC module.
Table 3. Parameters of the REGC module.
No.SymbolDescription
1 T g Converter time constant (s)
2 r r p w r Low voltage power logic (LVPL) ramp rate limit (pu/s)
3 B r k p t LVPL characteristic voltage 2 (pu)
4 Z e r o x LVPL characteristic voltage 1 (pu)
5 L v p l 1 LVPL gain (pu)
6 V o l i m Voltage limit for high voltage reactive current management (pu)
7 L v p n t 1 High voltage point for low voltage active current management (pu)
8 L v p n t 0 Low voltage point for low voltage active current management (pu)
9 I o l i m Current limit for high voltage reactive current management (specified as a negative value) (pu)
10 T f l t r Voltage filter time constant for low voltage active current management (s)
11 K h v Overvoltage compensation gain used in the high voltage reactive current management
12 I q r m a x Upper limit on rate of change for reactive current (pu)
13 I q r m i n Lower limit on rate of change for reactive current (pu)
Table 4. The model flag settings of the frequency control and reactive power control.
Table 4. The model flag settings of the frequency control and reactive power control.
FunctionModuleControl Flags
Frequency
Control
REPC F f l a g
1
Plant level Q ControlREEC/REPC P f F l a g V F l a g Q F l a g R e f F l a g
0N/A00
Table 5. The parameters for key parameter identification analysis.
Table 5. The parameters for key parameter identification analysis.
No.ModelSymbolDescription
1REPC T f l t r Voltage or reactive power measurement filter time constant (s)
2 K p Reactive power PI control proportional gain (pu)
3 K i Reactive power PI control integral gain (pu)
4 T f t Lead time constant (s)
5 T f v Lag time constant (s)
6 K p g Proportional gain for power control (pu)
7 K i g Integral gain for power control (pu)
8 T p Real power measurement filter time constant (s)
9 T g Power controller lag time constant (s)
10REEC T r v Voltage filter time constant
11 K q v Reactive current injection gain during over and undervoltage conditions
12 T p Filter time constant for electrical power
13 T i q Time constant on delay s4
14 T p o r d Power filter time constant
15REGC T g Converter time constant (s)
16 K h v Overvoltage compensation gain used in the high voltage reactive current management
Table 6. The key parameter list.
Table 6. The key parameter list.
No.ModelSymbolDescription
1REPC T f l t r Voltage or reactive power measurement filter time constant (s)
2 K p Reactive power PI control proportional gain (pu)
3 K i Reactive power PI control integral gain (pu)
4 K p g Proportional gain for power control (pu)
5 K i g Integral gain for power control (pu)
6 T p Real power measurement filter time constant (s)
7 T g Power controller lag time constant (s)
8REGC T g Converter time constant (s)
Table 7. The settings of the common parameters of the algorithms.
Table 7. The settings of the common parameters of the algorithms.
Common Parameters of IGA/IPSOValue
T f l t r 0 ~ 1 ,   step = 10 4
K p 0 ~ 1 ,   step = 10 4
K i 0 ~ 20 ,   step = 2 × 10 3
K p g 0 ~ 1 ,   step = 10 4
K i g 0 ~ 20 ,   step = 2 × 10 3
T p 0 ~ 1 ,   step = 10 4
T g R E P C 0 ~ 1 ,   step = 10 4
T g R E G C 0 ~ 1 ,   step = 10 4
Population200
Maximum iteration100
Initial solution T f l t r ,   K p ,   K i ,   K p g , K i g , T p , T g R E P C , T g R E G C = 0 , 0.75 , 2.5 , 0.75 , 10 , 0 , 0 , 0.02
Parameters of IGAValue
Crossover rate0.8
Mutation rate0.2
ω Random of 0~1
Parameters of IPSOValue
ω max 0.9
ω min 0.4
c max 2.5
c min 0.5
Disclaimer/Publisher’s Note: The statements, opinions and data contained in all publications are solely those of the individual author(s) and contributor(s) and not of MDPI and/or the editor(s). MDPI and/or the editor(s) disclaim responsibility for any injury to people or property resulting from any ideas, methods, instructions or products referred to in the content.

Share and Cite

MDPI and ACS Style

Lee, C.-C.; Hsin, Y.-M.; Dai, S.-C.; Kuo, C.-C. Optimal Modeling for Dynamic Response of Energy Storage Systems. Appl. Sci. 2023, 13, 4943. https://doi.org/10.3390/app13084943

AMA Style

Lee C-C, Hsin Y-M, Dai S-C, Kuo C-C. Optimal Modeling for Dynamic Response of Energy Storage Systems. Applied Sciences. 2023; 13(8):4943. https://doi.org/10.3390/app13084943

Chicago/Turabian Style

Lee, Chen-Cheng, Yu-Min Hsin, Shang-Chun Dai, and Cheng-Chien Kuo. 2023. "Optimal Modeling for Dynamic Response of Energy Storage Systems" Applied Sciences 13, no. 8: 4943. https://doi.org/10.3390/app13084943

APA Style

Lee, C.-C., Hsin, Y.-M., Dai, S.-C., & Kuo, C.-C. (2023). Optimal Modeling for Dynamic Response of Energy Storage Systems. Applied Sciences, 13(8), 4943. https://doi.org/10.3390/app13084943

Note that from the first issue of 2016, this journal uses article numbers instead of page numbers. See further details here.

Article Metrics

Back to TopTop