Fractional Sliding Mode Harmonic Control of an Active Power Filter
Abstract
1. Introduction
- (1)
- A novel sliding mode control method combining a fractional-order method and sliding mode control is proposed in this paper. It not only has the characteristics of a small tracking error and reduced chattering but also ensures the tracking error converges fast.
- (2)
- This paper extends integer-order SMC to fractional ones. It is a challenge to combine the SMC together with fractional-order control and apply these to the three-phase APF. An FOSMC has more degrees of freedom to obtain the desired performance. The key property of the method is to select the order of the fractional module and choose suitable parameters to achieve the best performance.
- (3)
- A simulation study further proves the good performance in eliminating the harmonic current while stabilizing the DC side voltage. Meanwhile, the superiority of the proposed control scheme was verified through detailed comparisons and analysis.
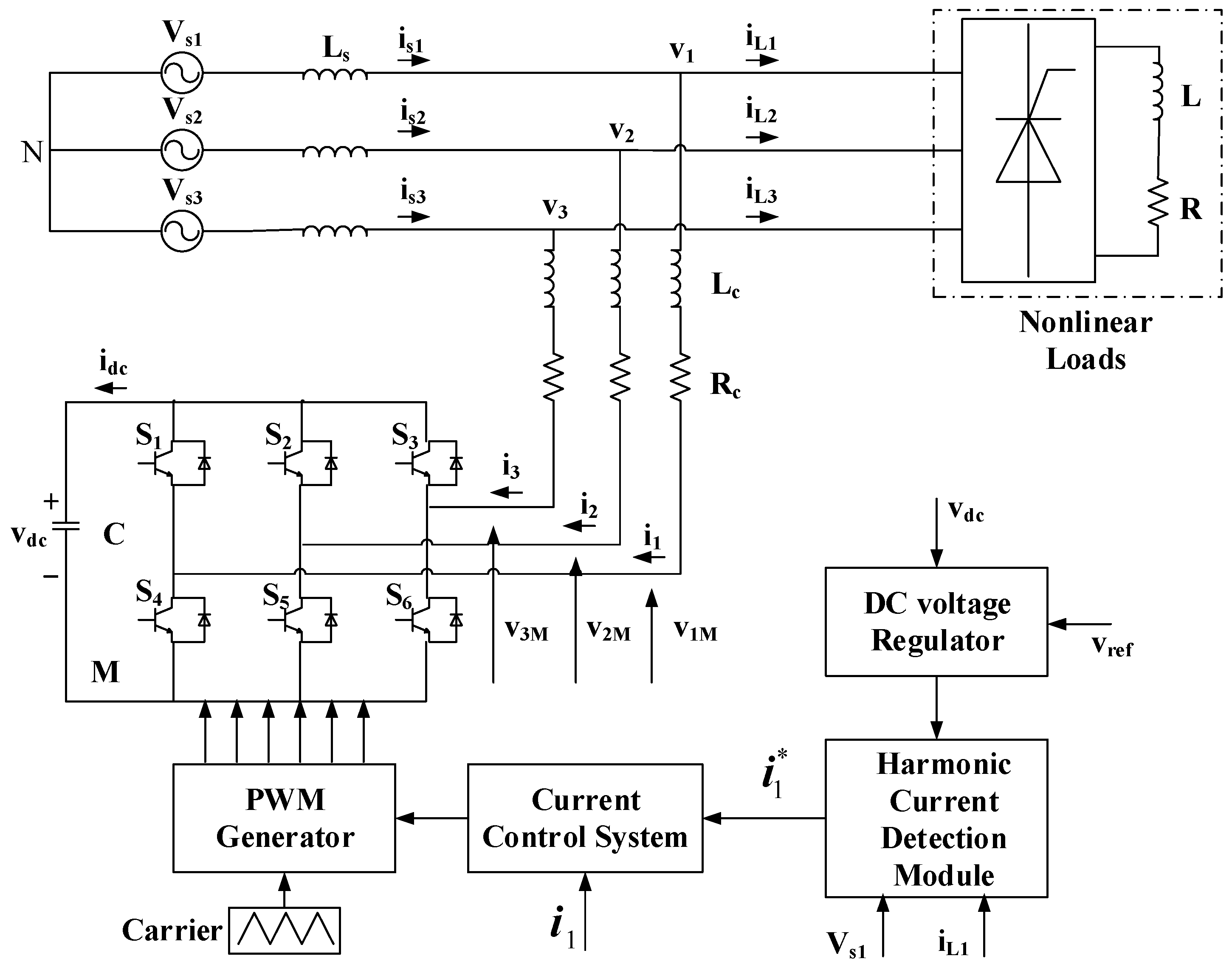
2. Dynamic Model of an Active Power Filter
3. Design of the Fractional Sliding Mode Control
3.1. Definitions of Fractional Derivatives and Integrals
3.2. Fractional Sliding Mode Controller
4. Simulation
5. Conclusions
Author Contributions
Funding
Conflicts of Interest
References
- Wu, Z.; Yang, Z.; Ding, K.; He, G. Order-Domain-Based Harmonic Injection Method for Multiple Speed Harmonics Suppression of PMSM. IEEE Trans. Power Electron. 2021, 36, 4478–4487. [Google Scholar] [CrossRef]
- Jiao, N.; Wang, S.; Ma, J.; Chen, X.; Liu, T.; Zhou, D.; Yang, Y. The Closed-Loop Sideband Harmonic Suppression for CHB Inverter with Unbalanced Operation. IEEE Trans. Power Electron. 2021, 37, 5333–5341. [Google Scholar] [CrossRef]
- Vahedi, H.; Shojaei, A.A.; Dessaint, L.-A.; Al-Haddad, K. Reduced DC-Link Voltage Active Power Filter Using Modified PUC5 Converter. IEEE Trans. Power Electron. 2017, 33, 943–947. [Google Scholar] [CrossRef]
- Sun, X.; Han, R.; Shen, H.; Wang, B.; Lu, Z.; Chen, Z. A Double-Resistive Active Power Filter System to Attenuate Harmonic Voltages of a Radial Power Distribution Feeder. IEEE Trans. Power Electron. 2015, 31, 6203–6216. [Google Scholar] [CrossRef]
- Rahmani, S.; Hamadi, A.; Al-Haddad, K.; Dessaint, L.A. A Combination of Shunt Hybrid Power Filter and Thyristor-Controlled Reactor for Power Quality. IEEE Trans. Ind. Electron. 2013, 61, 2152–2164. [Google Scholar] [CrossRef]
- Tareen, W.U.K.; Mekhielf, S. Three-Phase Transformerless Shunt Active Power Filter with Reduced Switch Count for Harmonic Compensation in Grid-Connected Applications. IEEE Trans. Power Electron. 2018, 33, 4868–4881. [Google Scholar] [CrossRef]
- Wai, R.; Yang, Z. Adaptive Fuzzy Neural Network Control Design via a T–S Fuzzy Model for a Robot Manipulator Including Actuator Dynamics. IEEE Trans. Syst. Man Cybern. Part B Cybern. 2008, 38, 1326–1346. [Google Scholar]
- Liang, B.; Zheng, S.; Ahn, C.K.; Liu, F. Adaptive Fuzzy Control for Fractional-Order Interconnected Systems with Unknown Control Directions. IEEE Trans. Fuzzy Syst. 2020, 30, 75–87. [Google Scholar] [CrossRef]
- Lu, J.; Savaghebi, M.; Ghias, A.M.Y.M.; Hou, X.; Guerrero, J.M. A Reduced-Order Generalized Proportional Integral Observer-Based Resonant Super-Twisting Sliding Mode Control for Grid-Connected Power Converters. IEEE Trans. Ind. Electron. 2020, 68, 5897–5908. [Google Scholar] [CrossRef]
- Kumar, V.; Mohanty, S.R.; Kumar, S. Event Trigger Super Twisting Sliding Mode Control for DC Micro Grid with Matched/Unmatched Disturbance Observer. IEEE Trans. Smart Grid 2020, 11, 3837–3849. [Google Scholar] [CrossRef]
- Zou, Z.-X.; Zhou, K.; Wang, Z.; Cheng, M. Frequency-Adaptive Fractional-Order Repetitive Control of Shunt Active Power Filters. IEEE Trans. Ind. Electron. 2014, 62, 1659–1668. [Google Scholar] [CrossRef]
- Lin, H.; Guo, X.; Chen, D.; Wu, S.; Chen, G. A Frequency Adaptive Repetitive Control for Active Power Filter With 380V/75A SiC-Inverter. IEEE Trans. Ind. Appl. 2022, 58, 5469–5479. [Google Scholar] [CrossRef]
- Navalkar, S.; Solingen, E.; Wingerden, J. Wind Tunnel Testing of Subspace Predictive Repetitive Control for Variable Pitch Wind Turbines. IEEE Trans. Control. Syst. Technol. 2015, 23, 2101–2116. [Google Scholar] [CrossRef]
- Li, G.; Luo, A.; He, Z.; Ma, F.J.; Chen, Y.; Wu, W.; Zhu, Z.; Guerrero, J.M. A DC Hybrid Active Power Filter and Its Nonlinear Unified Controller Using Feedback Linearization. IEEE Trans. Ind. Electron. 2020, 68, 5788–5798. [Google Scholar] [CrossRef]
- Hogan, D.J.; Gonzalez-Espin, F.J.; Hayes, J.G.; Lightbody, G.; Foley, R. An Adaptive Digital-Control Scheme for Improved Active Power Filtering Under Distorted Grid Conditions. IEEE Trans. Ind. Electron. 2017, 65, 988–999. [Google Scholar] [CrossRef]
- Fei, J.; Liu, L. Real-Time Nonlinear Model Predictive Control of Active Power Filter Using Self-Feedback Recurrent Fuzzy Neural Network Estimator. IEEE Trans. Ind. Electron. 2021, 69, 8366–8376. [Google Scholar] [CrossRef]
- Qi, W.; Liu, J.; Chen, X.; Christofides, P. Supervisory Predictive Control of Standalone Wind/Solar Energy Generation Systems. IEEE Trans. Control. Syst. Technol. 2011, 19, 199–207. [Google Scholar] [CrossRef]
- Abry, X.; Sesmat, S.; Bideaux, É.; Ducat, C. Electropneumatic Cylinder Backstepping Position Controller Design With Real-Time Closed-Loop Stiffness and Damping Tuning. IEEE Trans. Control. Syst. Technol. 2016, 24, 541–552. [Google Scholar] [CrossRef]
- Incremona, G.P.; Rubagotti, M.; Ferrara, A. Sliding Mode Control of Constrained Nonlinear Systems. IEEE Trans. Autom. Control 2016, 62, 2965–2972. [Google Scholar] [CrossRef]
- Qu, L.; Qiao, W.; Qu, L. An Extended-State-Observer-Based Sliding-Mode Speed Control for Permanent-Magnet Synchronous Motors. IEEE J. Emerg. Sel. Top. Power Electron. 2021, 9, 1605–1613. [Google Scholar] [CrossRef]
- Liu, H.; Wang, H.; Sun, J. Attitude control for QTR using exponential nonsingular terminal sliding mode control. J. Syst. Eng. Electron. 2019, 30, 191–200. [Google Scholar]
- Chen, X.; Li, Y.; Ma, H.; Tang, H.; Xie, Y. A Novel Variable Exponential Discrete Time Sliding Mode Reaching Law. IEEE Trans. Circuits Syst. II Express Briefs 2021, 68, 2518–2522. [Google Scholar] [CrossRef]
- Zhang, B.; Pi, Y.; Luo, Y. Fractional order sliding-mode control based on parameters auto-tuning for velocity control of permanent magnet synchronous motor. ISA Trans. 2012, 51, 649–656. [Google Scholar] [CrossRef]
- Wang, J.; Zhou, Y.; Bao, Y.; Kim, H.; Lee, M. Trajectory Tracking Control Using Fractional-Order Terminal Sliding Mode Control with Sliding Perturbation Observer for a 7-DOF Robot Manipulator. IEEE-ASME Trans. Mechatron. 2020, 25, 1886–1893. [Google Scholar]
- Kumar, V.; Ali, I. Fractional order sliding mode approach for chattering free direct power control of dc/ac converter. IET Power Electron. 2019, 12, 3600–3610. [Google Scholar] [CrossRef]
- Ghasemi, S.; Tabesh, A.; Askari-Marnani, J. Application of Fractional Calculus Theory to Robust Controller Design for Wind Turbine Generators. IEEE Trans. Energy Convers. 2014, 29, 780–787. [Google Scholar] [CrossRef]
- Cao, D.; Fei, J. Adaptive Fractional Fuzzy Sliding Mode Control for Three-Phase Active Power Filter. IEEE Access 2016, 4, 6645–6651. [Google Scholar] [CrossRef]
- Ullah, N.; Han, S. Adaptive fuzzy fractional-order sliding mode controller for a class of dynamical systems with uncertainty. Trans. Inst. Meas. Control. 2016, 38, 402–413. [Google Scholar] [CrossRef]















| Supply Voltage and Frequency | |
| Switching frequency | |
| The nonlinear load | , |
| APF parameters | , |
| PI controller | , |
| Time | THD(%) | |
|---|---|---|
| Fractional Sliding Mode Control | Fuzzy Sliding Mode Control | |
| 0 | 24.71% | 24.71% |
| 0.06 s | 1.68% | 1.96% |
| 0.16 s | 1.23% | 1.49% |
| 0.26 s | 1.21% | 1.44% |
Disclaimer/Publisher’s Note: The statements, opinions and data contained in all publications are solely those of the individual author(s) and contributor(s) and not of MDPI and/or the editor(s). MDPI and/or the editor(s) disclaim responsibility for any injury to people or property resulting from any ideas, methods, instructions or products referred to in the content. |
© 2023 by the authors. Licensee MDPI, Basel, Switzerland. This article is an open access article distributed under the terms and conditions of the Creative Commons Attribution (CC BY) license (https://creativecommons.org/licenses/by/4.0/).
Share and Cite
Fei, W.; Hua, M. Fractional Sliding Mode Harmonic Control of an Active Power Filter. Appl. Sci. 2023, 13, 3815. https://doi.org/10.3390/app13063815
Fei W, Hua M. Fractional Sliding Mode Harmonic Control of an Active Power Filter. Applied Sciences. 2023; 13(6):3815. https://doi.org/10.3390/app13063815
Chicago/Turabian StyleFei, Wesley, and Mingang Hua. 2023. "Fractional Sliding Mode Harmonic Control of an Active Power Filter" Applied Sciences 13, no. 6: 3815. https://doi.org/10.3390/app13063815
APA StyleFei, W., & Hua, M. (2023). Fractional Sliding Mode Harmonic Control of an Active Power Filter. Applied Sciences, 13(6), 3815. https://doi.org/10.3390/app13063815
