Next Article in Journal
Modal Identification of Train Passenger Seats Based on Dynamic Tests and Output-Only Techniques
Previous Article in Journal
Potential of Laurel (Laurus nobilis L.) Leaf Polyphenols for Modulation of Body Composition
 
 
Font Type:
Arial Georgia Verdana
Font Size:
Aa Aa Aa
Line Spacing:
Column Width:
Background:
Article

Analysis of Plasma Reactor Interaction with the Power Grid Depending on the Power Supply Design

by
Grzegorz Komarzyniec
* and
Michał Aftyka
Faculty of Electrical Engineering and Computer Science, Lublin University of Technology, Nadbystrzycka 38A, 20-618 Lublin, Poland
*
Author to whom correspondence should be addressed.
Appl. Sci. 2023, 13(4), 2279; https://doi.org/10.3390/app13042279
Submission received: 16 January 2023 / Revised: 7 February 2023 / Accepted: 8 February 2023 / Published: 10 February 2023
(This article belongs to the Topic Advanced Electrical Machines and Drives Technologies)

Abstract

:
In this paper, the collaboration of a GlidArc-type plasma reactor with four dedicated power supplies was analysed. Each power supply is characterised by a different design solution. Plasma generation by electrical discharge requires a careful analysis of the power supply design, its operating characteristics, currents, voltages and frequencies. Although the power supplies tested have similar abilities and provide similar power supply parameters, different plasma reactor performance characteristics are obtained for each of them. The results indicate that some power supply parameters were overestimated or underestimated at the design stage. Some of the power supplies tested under plasma reactor load also show poor interaction with the mains. The interaction of the power supplies with the plasma reactor and the mains supply is strongly influenced by the type of plasma gas. Analyses indicate that an optimally designed power supply should combine the solutions contained in each of the power supplies tested.

1. Introduction

Plasma is used in a number of technological processes, including cutting, sputtering of coatings, gas and surface decontamination, production of carbon nanotubes, and melting of steel. The parameters of the technological process dictate use of plasma. For technical purposes, low-temperature plasma is produced in devices called plasma reactors, of which there are many designs [1,2,3,4,5]. The predominant method of plasma generation in these devices is electrical discharge in a gas. Occasionally, microwave, laser, induction or capacitive plasma generators are encountered.
The possibilities for modifying plasma parameters in plasma reactors are limited [6,7,8]. It is possible to modify the discharge parameters by: (1) changing the shape of the electrodes, (2) changing the distance between the electrodes, (3) choosing the material from which the electrodes are made, and/or (4) choosing the shape of the discharge chamber. These methods often involve redesigning the plasma reactor and making changes to it or building a new reactor.
Additional possibilities for shaping the plasma parameters are provided by the plasma reactor’s gas supply system. By: (1) controlling the inflow of plasma-generating gas, (2) selecting the chemical composition of the plasma-generating gas, and/or (3) changing the gas pressure in the discharge chamber [9,10,11], plasma parameters can be easily and continuously influenced.
In the main, it is the power supply system that determines the plasma parameters and the application possibilities of the plasma reactor [12,13,14]. Shaping the plasma parameters is possible through: (1) selecting the voltage between DC and AC, (2) selecting the frequency of the supply voltage, (3) selecting the voltage value, (4) selecting the voltage shape, (5) selecting the current value, and (6) influencing the harmonic content of the voltage and current. A power supply system that would allow the regulation of all these parameters would have a complex design, which would translate into high manufacturing costs, high failure rates, high troubleshooting costs, susceptibility to interference, and complex operation. In most processes in which plasma reactors are used, extensive adjustment of the power supply parameters is not required. With a well-recognised and repeatable plasma process, it is possible to design a power supply that does not require any adjustment. Low manufacturing costs, low failure rates and simple operation are the most appreciated features of plasma reactor power supplies. The design of the power supply system determines the correct operation of the plasma reactor, its interaction with the power supply grid, and its impact on other equipment and people. The selection of the power system is not simple, since plasma reactors are strongly non-linear loads with stochastically varying parameters. Plasma reactors generate strongly electromagnetic interference, significant overvoltage and a large number of higher harmonics in the voltage and current [15,16,17]. Due to their low arc resistance, plasma reactors strongly loading the power systems [18,19].
Due to the structural diversity of plasma reactors, even within a single reactor type, and the variety of plasma processes carried out with them, it is difficult to rank these devices in terms of technical parameters. As a result, there are no guidelines for designing power systems for the entire multitude of plasma reactors.
Plasma generation by electrical discharge requires careful selection of the power supply system topology, its operating characteristics, and values of currents, voltages and frequencies [20,21]. In order to obtain good operation and control characteristics of a plasma reactor, specialised power supply systems, individually designed for a specific reactor and a specific plasma process, should be used [22,23]. From an operational, engineering and economic point of view, such an approach is unfavourable. Efforts are therefore being made to develop power systems that give the possibility of powering the widest possible range of plasma reactors, even if at the expense of lowering the efficiency of the plasma process.
In this paper, four designs of power supply systems dedicated to powering three-phase GlidArc-type plasma reactors were studied [24]. The power supplies under study were created in the Department of Electrical Engineering and Electrotechnologies at Lublin University of Technology for research projects on plasma applications in technology and industry. These power supplies have similar abilities and provide similar parameters to power the reactors but differ in design and operating principle. The differences in the design of the power supplies are due to the different requirements that were placed on them by the scope or nature of the work carried out in the various research projects, such as: regulating the frequency of the voltage supplying the reactor, increasing or decreasing the harmonic content of the voltage, increasing the dissipation reactance of the transformers, and the ability to control the discharge current. The parameters of the power supplies are selected to work with any GlidArc-type three-phase plasma reactor of no more than 9 kVA. The power supplies are designed so that any modifications to the plasma reactor (change of electrode shape, change of electrode material, change of process gas, etc.) do not affect the operation of the power supplies to an extent that would impair the reactor’s power supply parameters. Despite providing a high degree of universality to the power supplies, it was noted during the course of plasma research that the power supplies have disadvantages in different areas of plasma reactor operating characteristics or applications. These observations became the genesis for a detailed study of how power supplies work with GlidArc-type plasma reactors. The control characteristics of the power supplies and their efficiency were analysed. Tests were carried out for the discharge burning in the four most commonly used plasma-forming gases: argon, helium, nitrogen, and air. The results obtained made it possible to rank the power supplies studied in terms of their efficiency in cooperation with the GlidArc plasma reactor. Attention was drawn to the advantages and disadvantages of the solutions used in the power supplies, and conclusions were drawn regarding the design of an optimal power supply system.

2. Plasma Reactor

A three-phase plasma reactor with gliding arc discharge of the GlidArc type [25] with the design shown in Figure 1 was used in the study. The reactor design parameters are displayed in Table 1. This reactor is used for gas decontamination processes, e.g., air pollutants generated in an iron foundry during the product coating process.
The reactor has three knife-shaped metal working electrodes arranged around the axis of the cylindrical discharge chamber with a 120° spacing between them. Each electrode is supplied from a separate phase of the three-phase grid. The supply voltage to the working electrodes should not exceed 1.5 kV at a frequency of 50 Hz, and the supply current should be less than 5 A. With such supply parameters, a plasma is obtained which has the property of decontaminating air.
With the electrodes used in the reactor and the distances between them, a voltage value of 1.5 kV is not sufficient for spontaneous ignition of the discharge. Therefore, the reactor is additionally equipped with one or two ignition electrodes made of thin metal wire. The purpose of these electrodes is to initiate an electrical discharge at the working electrodes. The ignition electrodes are supplied with voltages up to 15 kV with a minimum frequency of 50 Hz but not exceeding 20 kHz, with a current value not exceeding 350 mA. These power supply parameters are not sufficient to ignite the arc discharge at the ignition electrodes, but they do allow the electric spark to jump over. A single ignition electrode initiates the spark discharge to the working electrodes. The initiated spark channels develop into an arc discharge due to the increase in power supplied to them from the working electrodes. With two ignition electrodes, the spark discharge burns between the ignition electrodes without the involvement of the working electrodes. These discharges reduce the electrical strength of the space between the working electrodes, which allows an arc discharge to ignite between them at reduced voltage.
The operation of the GlidArc reactor is cyclic. Initiated by the ignition discharge, the right discharge burns on the working electrodes under the influence of the gas-dynamic forces caused by the plasma-forming gas flowing into the discharge chamber, and rises along the electrodes, increasing its length and volume. The nature of the discharge changes, moving from a short arc to a discharge with parameters similar to those of a glow discharge. The parameters of the generated plasma also change [26,27]. The discharge is extinguished when the power supplied from the power system cannot compensate for the energy losses of the intensively cooled and blown discharge. The end result of the plasma reactor cycle is a plasma column. As soon as the discharge is extinguished, it is rebuilt with ignition electrodes and the reactor cycle repeats. The length of the reactor cycle depends on its design parameters, the parameters of the plasma gas and the parameters of the electrical power supply system [28].

3. Electrical Power Supply System

The most important device cooperating with the plasma reactor is the power supply system. Properly selected, it guarantees stable parameters of the generated plasma, high efficiency of the plasma process and low interference generated by the plasma reactor. There are many plasma reactor power supply solutions dedicated to specific equipment or processes. The cooperation of the GlidArc plasma reactor was analysed with four different power supply systems. The power supplies under study were created in the Department of Electrical Engineering and Electrotechnologies at Lublin University of Technology for research projects on plasma applications in technology and industry. This research focused on the possibilities of using plasma generated in GlidArc-type reactors. However, there was no detailed analysis of the cooperation of this type of reactor with power supply systems.
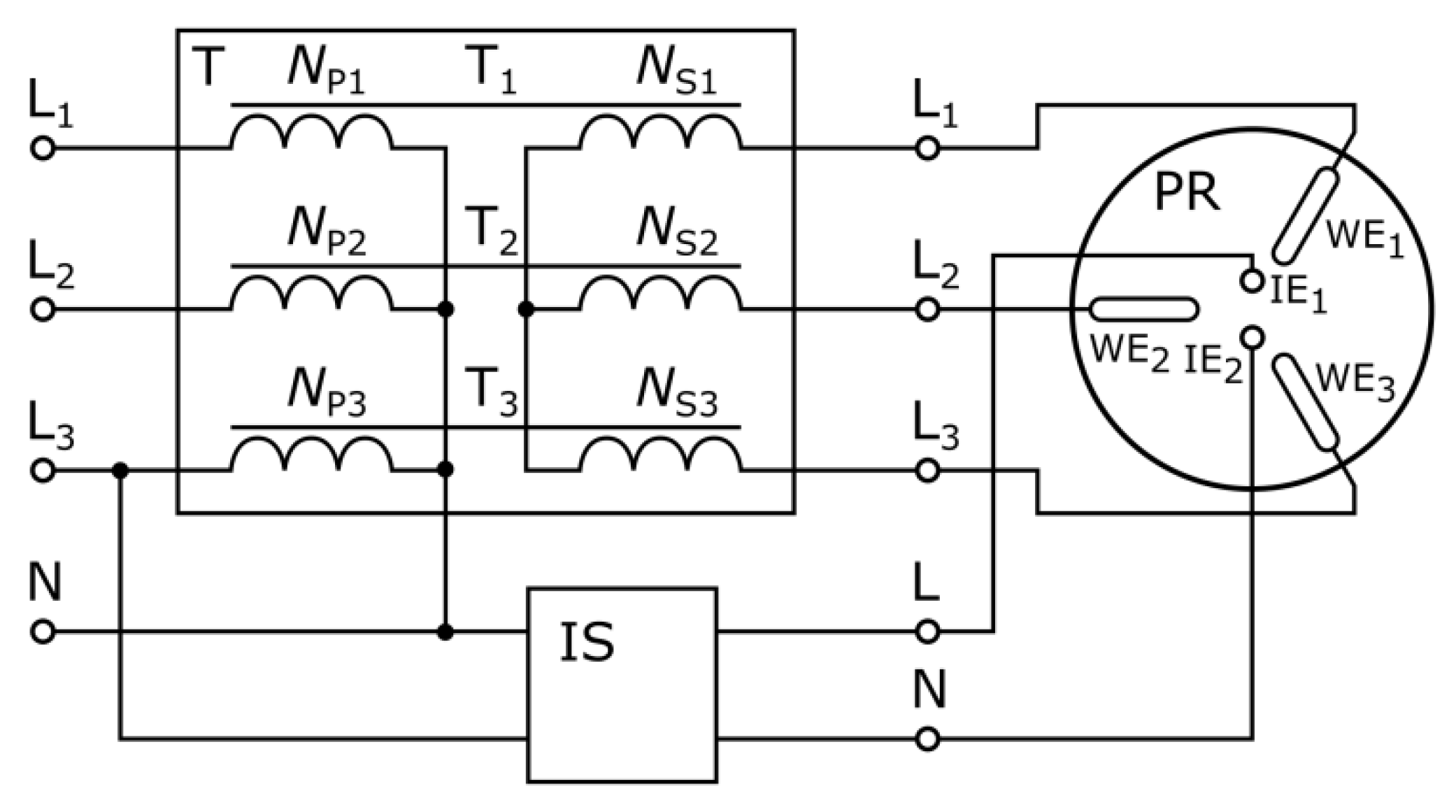
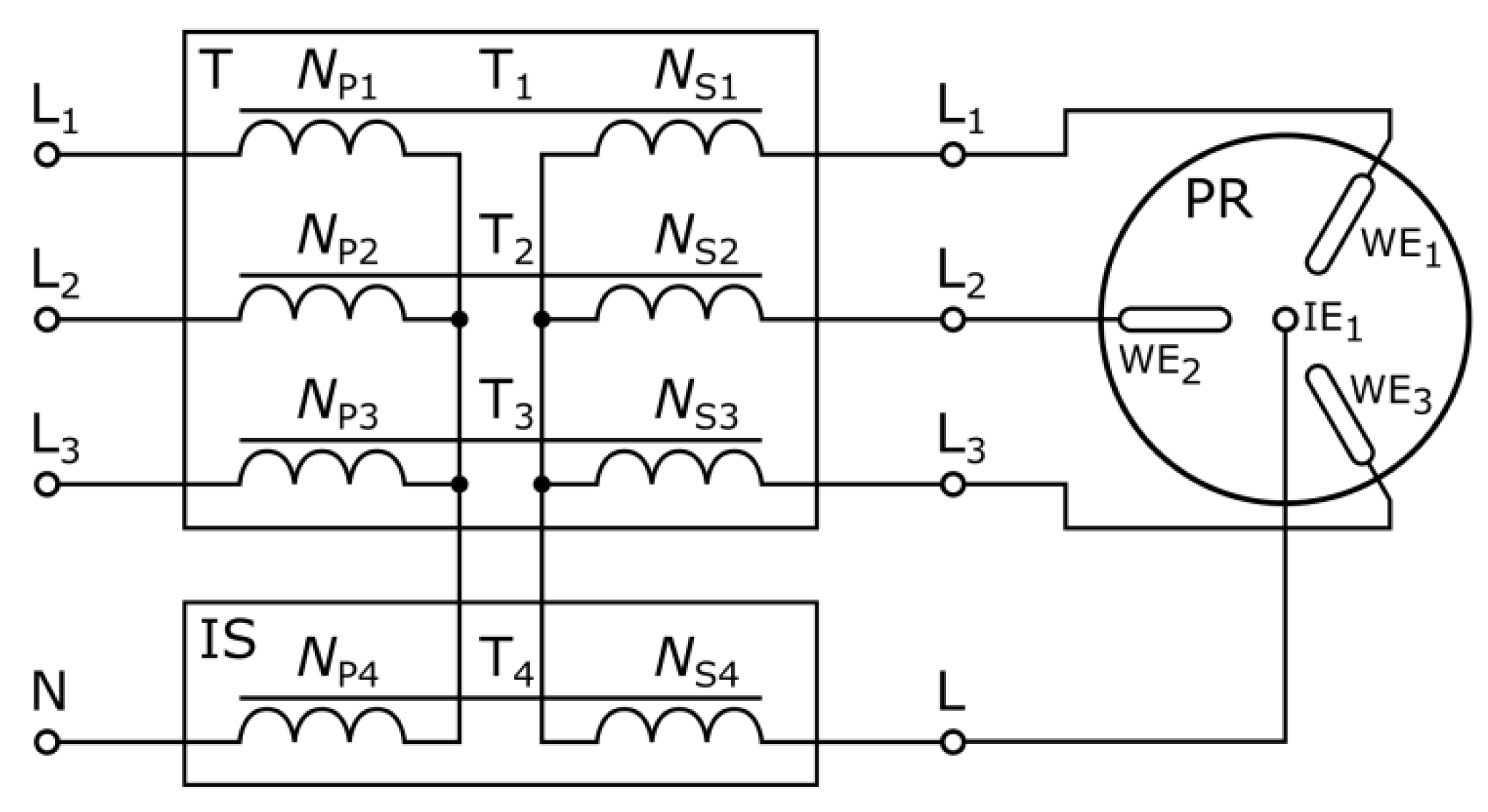
The basic element of all the power supplies discussed is the transformer. Sometimes the transformer itself, when properly designed, makes a good power supply. Such a power supply is shown in Figure 2. The power supply design uses three single-phase transformers T1, T2 and T3 connected in a YNy three-phase connection circuit. These transformers form the T-circuit supplying the working electrodes WE1, WE2 and WE3 of the plasma reactor. The transformers are characterised by cores made of the amorphous material Metglas 2605SA1. The primary and secondary windings are concentrically wound in a manner typical of most transformers. A separate electrical circuit IS is used to power the IE1 and IE2 ignition electrodes of the plasma reactor. This circuit uses a high-frequency electronic high-voltage inverter. The parameters of the power supply circuit are given in Table 2. The letter designation TPS is adopted for this power supply.
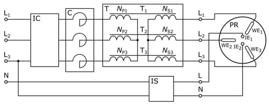
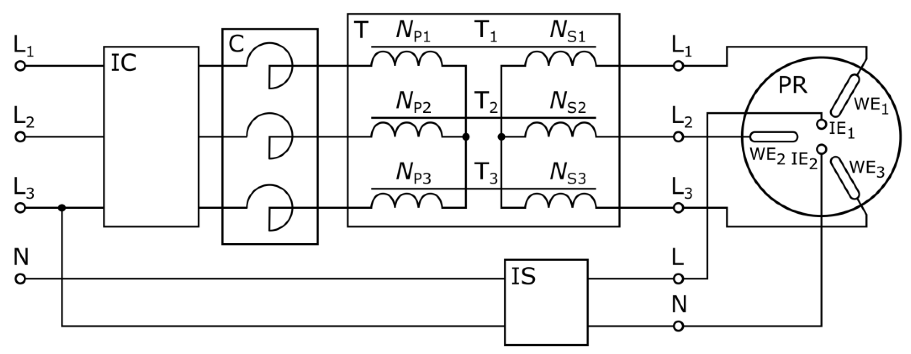
An extension of the TPS power supply system is the system labelled PCS. In the PCS power supply system, transformers T1, T2 and T3 are supplied by an AC/DC/AC transistor converter, as shown in Figure 3. The converter allows the frequency of the reactor supply voltage to be adjusted between 10 and 200 Hz, and the reactor discharge current to be adjusted. Chokes with an inductance of 20 mH are installed between the transformers and the converter.
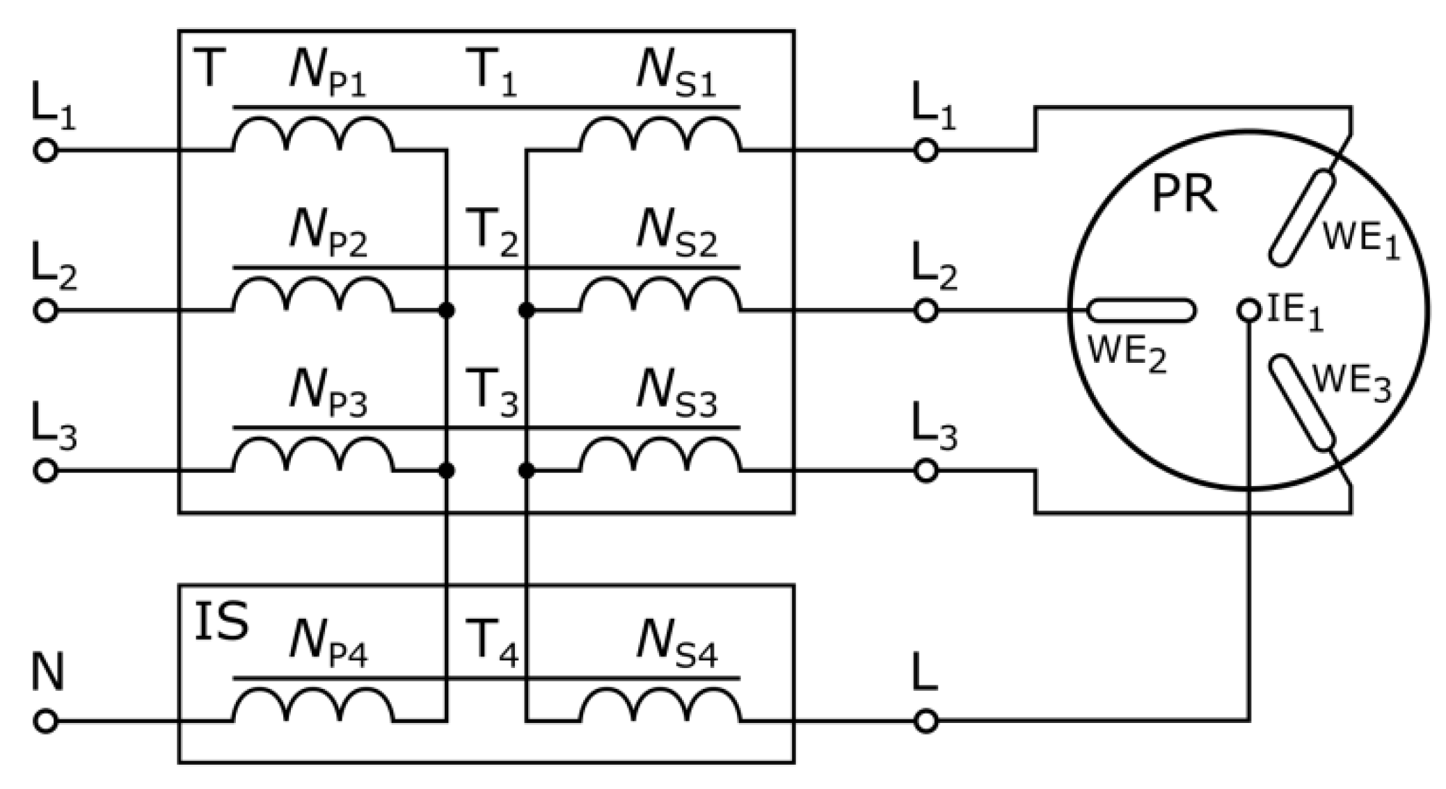
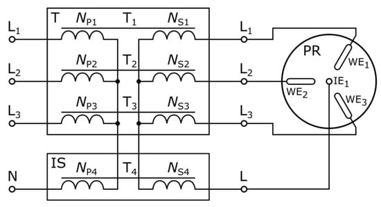
The next power supply system to be tested was a system called ITPS, consisting of three suitably connected single-phase transformers, as shown in Figure 4. Three identical transformers T1, T2 and T3 were connected to form a three-phase connection system YNyn. These transformers form the power circuit for the working electrodes WE1, WE2 and WE3 of the plasma reactor. The fourth transformer T4 is used to supply the ignition electrode IE1 of the plasma reactor. The primary and secondary windings of this transformer are included in the neutral conductors of the system of transformers T1, T2 and T3. The cores of the transformers are made of ET 120-27 electrical sheet metal. The operating point of transformers T1, T2 and T3 on the magnetisation characteristics of the cores was selected so that the cores operate at low saturation. As a result, a current containing the 3rd harmonic is taken from the grid. This current flows through the primary winding of transformer T4 and a voltage of threefold frequency is induced in the secondary winding of this transformer.
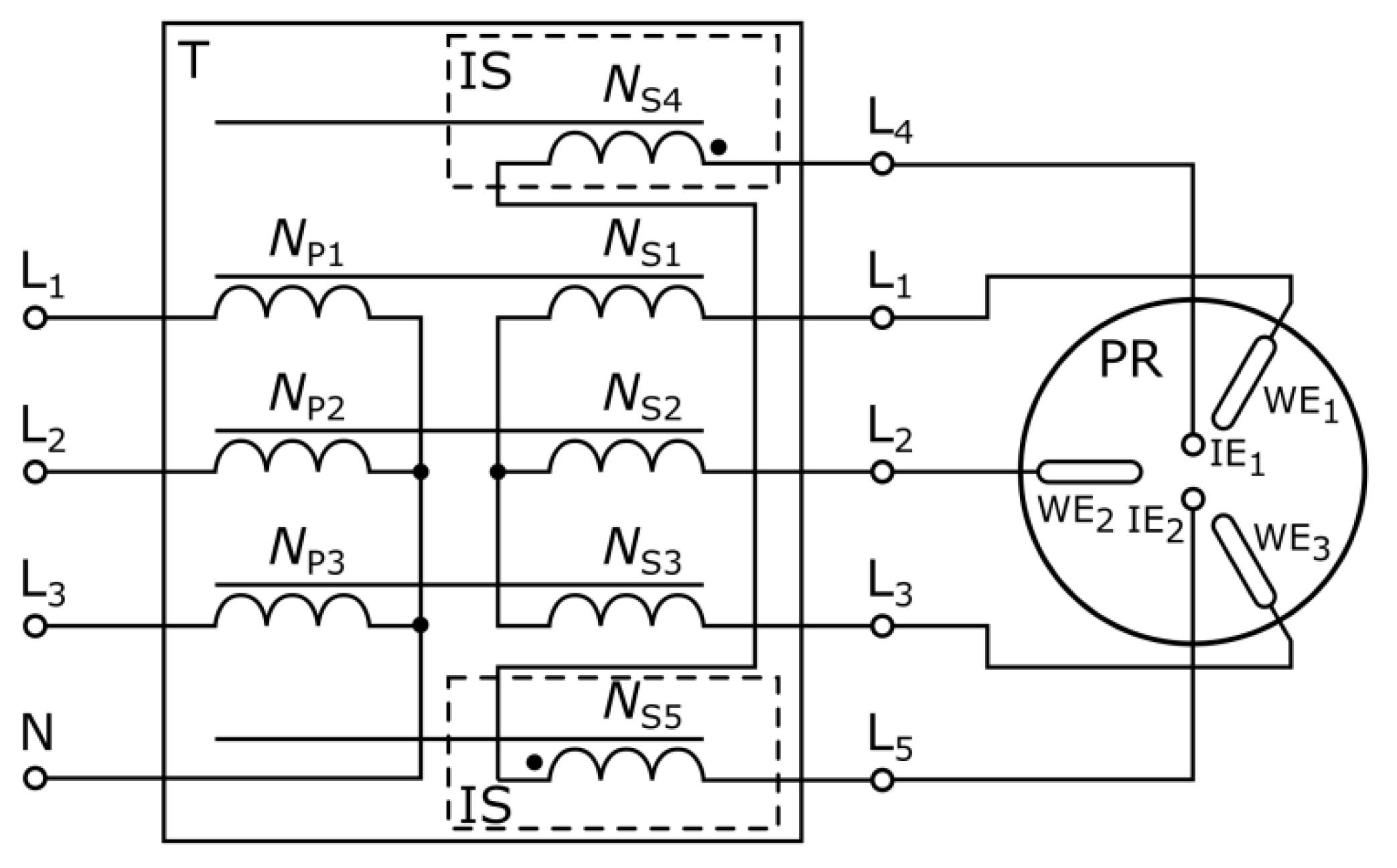
The last power supply system tested, designated IFCTPS, uses a five-column transformer in its design (Figure 5). This system integrates the power circuit for the working electrodes of the plasma reactor and the power circuit for the ignition electrodes in a single transformer. The transformer core is made of ET 120-27 electrical sheet metal. The primary and secondary windings of the transformer are connected in a YNy three-phase connection arrangement. In typical three-phase transformer designs with five-column cores, the outer columns have no windings. In the case of the power supply in question, windings were wound on the outer columns of a five-column transformer to supply the plasma reactor ignition electrodes.
The technical parameters of the power supply circuits discussed are summarised in Table 2 and Table 3. Table 2 gives the technical parameters of the plasma reactor working electrode power supply circuits and Table 3 gives the parameters of the plasma reactor ignition electrode power supply circuits.

4. Measurement System

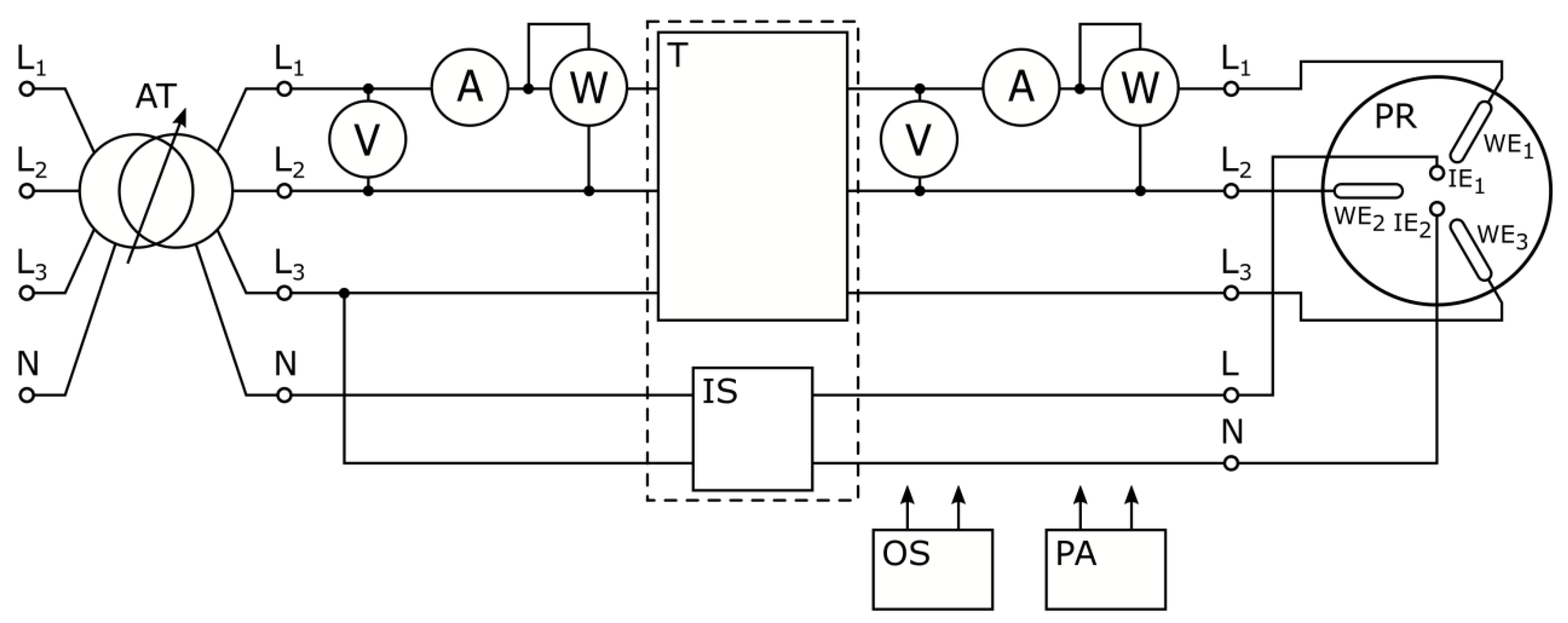
In order to carry out tests on the cooperation of the plasma reactor with different types of power supply systems, a test platform was built consisting of two circuits: (1) the electricity supply and (2) the plasma gas supply.
A schematic diagram of the system for measuring electrical quantities is shown in Figure 6. Measurements were made at the inputs and outputs of the power supplies under study. Currents of all phases, phase-to-phase voltages, harmonic content in currents and voltages, active, reactive and apparent powers, and power factor were measured. The measuring system was supplied from a three-phase 400 V grid via a 23.4 kVA ATS-FAZ3-23 autotransformer. The autotransformer allows regulation of the supply voltage in a range from 0 to 450 V. The measuring system consisted of Merazet LM-3 voltmeters, Mezaret LE-3 ammeters, Mezaret LW-1 wattmeters, Tektronix DPO3054 oscilloscope, Fluke Norma 5000 power analyser, Tektronix P6015A and TCP0030 measuring probes.
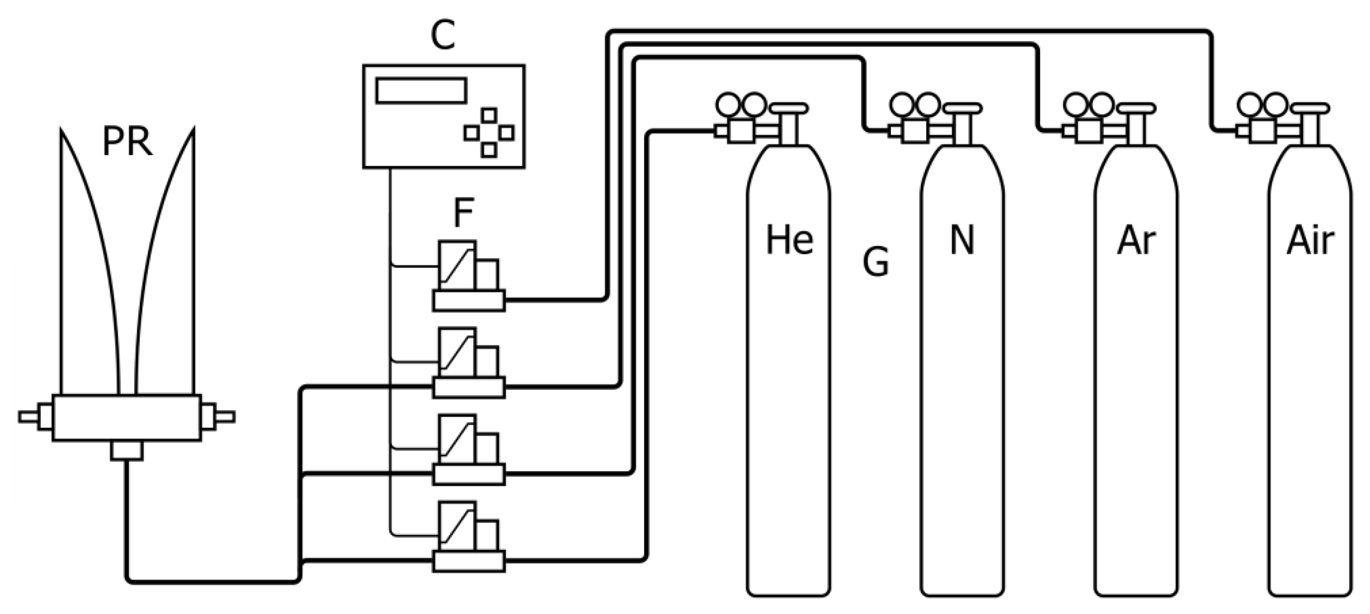
An important part of the test platform is the system for supplying the plasma reactor with plasma-generating gases. The test installation consisted of four cylinders of technical gases containing argon, helium, nitrogen, and air (Figure 7). The type of plasma-generating gas introduced into the discharge chamber of the GlidArc reactor determines its performance characteristics [29]. Cylinder gas was fed to the gas inflow nozzle of the plasma reactor through Bronkhorst’s EL-FLOW mass flowmeters and flow controllers: the F-202AV-M20-AAD-44-V with a flow rate of up to 15 m3/h, the F-201AV-50K-AAD-44-V with a flow rate of up to 2 m3/h, and the F-201CV-1K0-AAD-44-V with a flow rate of up to 0.06 m3/h. These regulators allow precise mixing of the gases and control of their flow through the plasmotron nozzle. The volumetric flow rate of gases entering the plasmotron nozzle was measured during the study.

5. Test Results

To begin, the power supply units were tested for interaction with the grid under conditions when the outputs of the power supply units were not loaded. Measurements were carried out in the measurement system shown in Figure 6. The PR plasma reactor was disconnected from the circuit, leaving the output terminals of the L1, L2, L3, L and N power supplies free.
The measurements of the electrical quantities taken from the grid by the power supply units are shown in Table 4. The table gives the rms values of the phase voltages U1 feeding the power supplies, the currents taken by the power supplies from the mains I1, the active power P1, reactive power Q1 and complex power S1 taken, power coefficients cosφ, and the harmonic content factors in the voltage U1THD and current I1THD.
The TPS power supply has the lowest grid power consumption, with a complex power consumption of 8.58 VA. Simultaneously, this power supply has the best power factor of all the power supplies tested (0.926) and has low harmonic content ratios in voltage and current of 2.45% and 34.63%, respectively. The IFCTPS power supply performs slightly poorer in terms of the aforementioned parameters. The ITPS is the worst performer. In idle operation, it takes 712.04 VA from the grid with a power factor of just 0.095. In contrast, the PCS power supply has the highest harmonic content in current at 87.22%. This power supply also takes the second highest power from the grid at 582.77 VA. From the comparison presented, it is apparent that plasma reactor power systems using conventional transformers, with a typically chosen operating point on the magnetisation characteristic, provide the best interaction with the grid.
The most important factor in the operation of the power supplies is their response under the load of the plasma reactor in which the arc discharge is burning. Example waveforms of single-phase voltages and currents at the inputs and outputs of power supplies loaded with an operating plasma reactor, obtained from oscilloscope measurements, are shown in Figure 8, Figure 9, Figure 10 and Figure 11. The waveforms were obtained for a discharge burning in argon, whose volume flow through the plasmotron nozzle was 2.8 m3/h.
The voltage and current waveforms at the output of the TPS, ITPS and IFCTPS power supply shown in Figure 9, Figure 10 and Figure 11 are typical of arcs burning in a three-phase system at low current and cooled intensively [30,31].
Of the gases used in measurement, argon provides the best conditions for ignition and development of a discharge in the reactor over the entire range of its flow control, and over the entire range of control characteristics of the electrical parameters of the power supplies. Despite superior argon characteristics, significant distortion of the output voltages of the tested power supplies is observed in the obtained oscillograms. Particularly large distortions are seen in the output voltage of the PCS power supply. In the case of the ITPS power supply, high value overvoltages are observed in the form of peaks accompanying the ignition of the reactor discharge. In the case of this power supply, distortion of the arc current is also evident. Poorer performance of the power packs with the plasma reactor is obtained when helium is used as the plasma-generating gas.
The plasma-generating gas that is most problematic in the interaction of the investigated power packs with the plasma reactor is nitrogen. Nitrogen is a gas with a high ignition voltage and discharge support. Co-operation of power supplies with a reactor in which the discharge burns in nitrogen is unfavourable due to high discharge instability, a large number of disturbances in the voltage and current waveforms, and poor control characteristics. Slightly better performance is obtained with air as the plasma-forming gas. These problems arise for several reasons: (1) the design of power supplies with the assumption that the main plasma-generating gases will be argon and helium, (2) the adoption of an output voltage of power supplies not much larger than the ignition voltage of the discharge in nitrogen, (3) the limitation of the value of the discharge current which translates into a low arc temperature, (4) the susceptibility of the arc discharge to stochastic changes in position and length, and/or (5) the disturbance of the gas flow through the reactor discharge chamber caused by the reactor structural elements and the electrical discharge, worsening locally and temporarily the conditions for ignition and burning of the discharge [32,33].
Figure 12, Figure 13, Figure 14 and Figure 15 show the control characteristics of the reactor supplied from the test power supplies when the discharge burns in argon, helium, nitrogen and atmospheric air. The characteristics were obtained for a volumetric gas flow rate through the plasmotron nozzle of 1.6 m3/h.
In the case of an electric discharge burning in argon, all power supplies tested showed good regulation properties (Figure 12). The IFCTPS and TPS power supply have the widest range of discharge current regulation. The worst performer in this respect is the PCS converter power supply. This power supply is also characterised by the highest value of the voltage at which the discharge in the plasma reactor burns. The value of the discharge burning voltage when the reactor is supplied from the PCS power supply is about 4 times higher compared to the IFCTPS power supply.
The low voltage values at which the discharge in the reactor burns, together with the high excess voltage supplying the working electrodes of the reactor provided by the TPS, ITPS and IFCTPS power supplies, allows the power supplied to the plasma reactor to be regulated using an autotransformer. The wide current control ranges available with these power supplies allow the plasma temperature to be influenced to suit the requirements of the plasma process being carried out. The low voltage and current values at which the discharge burns when the reactor is supplied from TPS, ITPS, and IFCTPS power supplies make it possible to obtain the low-temperature plasma required in many plasma–chemical processes.
When changing the plasma-generating gas to helium, no significant changes in the current control ranges were observed for all the power supplies tested (Figure 13). In the case of the TPS, ITPS, and IFCTPS power supplies, there is a slight but noticeable increase in the voltage at which the electrical discharge in the plasma reactor burns. In the case of the PCS converter power supply, the helium discharge burns at voltage values similar to the burning voltage of the argon discharge.
When the discharge burns in nitrogen in the plasma reactor, the control characteristics of the ITPS and IFCTPS power supply deteriorate (Figure 14). For the ITPS power supply, the discharge burns at about twice the voltage as when argon and helium are used as plasma gases. The control range of the discharge current in the case of discharge in nitrogen is also shortened by a factor of two. Even worse is the control characteristic of the IFCTPS power supply, which is reduced to a single point. With this power supply, the discharge in the plasma reactor when the plasma gas is nitrogen burns only at 550 V and 3.75 A. The TPS and PCS power supplies have the best control characteristics for discharge in nitrogen.
Changing the plasma gas to atmospheric air does not significantly change the control characteristics of the feeders obtained for nitrogen (Figure 15), likely due to the fact that nitrogen makes up about 78% of the air composition.
The study shows that the apparent powers for which all power supplies were designed are significantly higher than the maximum arc power generated in the plasma reactor. Table 5 shows the ranges of discharge powers than can be obtained in the plasma reactor for the different plasma-generating gases and compares them with the rated powers of the power supplies tested. Analysing the percentage ratio (Table 6) of the maximum power obtained in the burning discharge in the individual gases to the power rating of the power supplies, it is found that the highest ratios were achieved for the ITPS power supply of 8.9% for argon, 7.8% for helium, 13.3% for nitrogen and atmospheric air. The worst performer in this respect is the TPS power supply where 4.3% is achieved for argon and helium, 3.6% for nitrogen, and 8% for air. For the IFCTPS and PCS power supplies, these ratios are 5.5% and 10.9% for argon, 5.5% and 5.1% for helium, 4.5% and 7.2% for nitrogen, and 10.9% and 8.7% for air, respectively.
A comparison between the rated powers for which the power supplies are designed and the maximum discharge powers burning in the plasma reactor shows that the power supplies operate in a state of significant underloading. This underload translates into low power factor and low efficiency of the power supplies. Table 7 shows the maximum efficiencies with which each power supply operates depending on the type of plasma gas. Efficiencies are expressed as the ratio of the electrical discharge power burning in the plasma reactor to the power taken from the grid supplying the power supplies. The TPS power supply achieves the highest efficiency of all the power supplies tested at over 70% when the electrical discharge is in nitrogen and air. The TPS power supply is also the power supply that achieves the highest average efficiency calculated for all gases. The second highest average efficiency value is achieved by the PCS power supply. The PCS power supply achieves higher efficiencies than the TPS power supply for the discharge burning in argon and helium.
The analysis of the harmonic content of the voltage and current drawn from the grid by power supplies loaded with the plasma reactor was carried out. For all the power supplies analysed, a large value of the ITHD coefficient of harmonic content in current was obtained. In contrast, a relatively small value of the harmonic content factor UTHD was obtained in the voltage. Table 8 shows the measured harmonic content ratios. The highest current harmonic content factor values were recorded for the PCS power supply for all plasma gases. For this power supply, the ITHD exceeds 146% for the air burning discharge and reaches 163% for the argon discharge. In other power supplies, the value of this coefficient strongly depends on the type of plasma gas. For example, the IFCTPS power supply achieves an ITHD value of 148% for discharge in nitrogen, 133% for discharge in air, only 24.7% for discharge in argon, and 19.5% for discharge in helium; 19.5% is also the lowest ITHD value recorded for all power supplies. In contrast, the highest value of this coefficient was recorded for the TPS power supply when the electrical discharge burned in helium.

6. Conclusions

The article investigates the cooperation of a plasma reactor with four types of power supplies in electricity. These power supplies were constructed at the Department of Electrical Engineering and Electrotechnologies of Lublin University of Technology for the purpose of carrying out research projects on plasma applications in technology and industry. However, no detailed research had been conducted on their interaction with the plasma reactor.
From the current analysis, it appears that all the power supplies tested exhibit poor interaction with the plasma reactor, where the discharges burn in nitrogen or in air. In nitrogen and air, the discharges burn unstably which manifests as interference in the plasma reactor’s operating cycle. These disturbances are transferred to the power supplies, degrading their operational parameters. In the case of IFCTPS and ITPS power supplies, the discharge burning in nitrogen and air is also characterised by a narrow discharge power control range.
In the case of argon and helium discharges, all the power supplies tested were able to achieve cyclic and stable discharges in the plasma reactor with a wide range of power control.
The measurements show that the primary design defect of the power supplies tested is an overestimation of their power ratings in relation to the maximum discharge power burning in the reactor.
Of all the power supplies tested, the PCS converter power supply exhibits the greatest number of characteristics predisposing it to powering plasma reactors. This power supply does not have the best control characteristics of all the power supplies tested, but it guarantees correct burning of the discharge in the plasma reactor for all plasma gases. A major advantage of the PCS power supply is the ability to shape the plasma parameters by varying the frequency of the supply voltage. In the case of this power supply, an intermediate transformer has a major influence on its interaction with the plasma reactor. In the research carried out, the TPS transformer power supply system played the role of the intermediate transformer. The TPS power system had the best interaction with the plasma reactor of all the power supplies tested. When combined with the PCS, problems were generated by the electronic ignition system. This system is not only characterised by a high failure rate, but also generates high conducted interference, disturbing the operation of the AC/DC/AC converter.
From the analysis, it can be concluded that the best power supply design would be characterised by a configuration consisting of an AC/DC/AC transistor converter coupled to a five-column transformer with wound end columns. The core of such a transformer would have to be made of an amorphous material, such as the Medglas 2605SA1 type. A core made of amorphous material has a greater range of transmitted frequencies compared to ET sheet cores, which translates into better power transfer from the AC/DC/AC converter to the plasma reactor. Interaction of the IFCTPS power supply of the design presented in this paper with the transistor AC/DC/AC converter is problematic due to the low dissipation reactance of the five-column transformer and was therefore not tested. To make this cooperation possible, the phase windings of a five-column transformer would have to be made in the form of alternating primary and secondary disc windings, guaranteeing the desired dissipation reactance. With the appropriate design of the phase windings, it also seems possible to eliminate the chokes present in the output circuits of the AC/DC/AC converter.

Author Contributions

Conceptualization, G.K.; methodology, M.A.; validation, G.K. and M.A.; formal analysis, G.K.; investigation; M.A.; data curation, M.A.; writing—original draft preparation, G.K. and M.A.; writing—review and editing, G.K.; visualization, G.K.; All authors have read and agreed to the published version of the manuscript.

Funding

This research received no external funding.

Institutional Review Board Statement

Not applicable.

Informed Consent Statement

Not applicable.

Data Availability Statement

Not applicable.

Conflicts of Interest

The authors declare no conflict of interest.

References

  1. Cai, X.; Fu, Z.; Xie, H.; Xue, J.; Ding, D.; Ou, N.; Zhou, G. Resonant Power Supply for Plasma Cleaning Based on Fuzzy Logic Power Tracking. Appl. Sci. 2022, 12, 4681. [Google Scholar] [CrossRef]
  2. Zhang, Y.; Zeng, X.; Bai, M.; Jin, M.; Hao, W.; Gao, D.; Liu, Q.; Feng, J. The Development of 170 GHz, 1 MW Gyrotron for Fusion Application. Electronics 2022, 11, 1279. [Google Scholar] [CrossRef]
  3. Jung, E.Y.; Park, C.-S.; Jang, H.J.; Iqbal, S.; Hong, T.; Shin, B.J.; Choi, M.; Tae, H.-S. Optimization of Atmospheric Pressure Plasma Jet with Single-Pin Electrode Configuration and Its Application in Polyaniline Thin Film Growth. Polymers 2022, 14, 1535. [Google Scholar] [CrossRef]
  4. Renninger, S.; Rößner, P.; Stein, J.; Lambarth, M.; Birke, K.P. Towards High Efficiency CO2 Utilization by Glow Discharge Plasma. Processes 2021, 9, 2063. [Google Scholar] [CrossRef]
  5. Kavaliauskas, Ž.; Uscila, R.; Kėželis, R.; Valinčius, V.; Grigaitienė, V.; Gimžauskaitė, D.; Milieška, M. Investigations of Working Characteristics of Transferred Arc Plasma Torch Volume Reactor. Appl. Sci. 2022, 12, 2624. [Google Scholar] [CrossRef]
  6. Felea, C.I.; Dragos Astanei, D. Electrical characterization of the double crossing Glidarc reactor with cylindrical symmetry. In Proceedings of the International Conference on Optimization of Electrical and Electronic Equipment (OPTIM) & 2017 Intl Aegean Conference on Electrical Machines and Power Electronics (ACEMP), Brasov, Romania, 25–27 May 2017. [Google Scholar] [CrossRef]
  7. Nishime, T.M.C.; Werner, J.; Wannicke, N.; Mui, T.S.M.; Kostov, K.G.; Weltmann, K.-D.; Brust, H. Characterization and Optimization of a Conical Corona Reactor for Seed Treatment of Rapeseed. Appl. Sci. 2022, 12, 3292. [Google Scholar] [CrossRef]
  8. Barkhordari, A.; Karimian, S.; Rodero, A.; Krawczyk, D.A.; Iman Mirzaei, S.I.; Falahat, A. Carbon Dioxide Decomposition by a Parallel-Plate Plasma Reactor: Experiments and 2-D Modelling. Appl. Sci. 2021, 11, 10047. [Google Scholar] [CrossRef]
  9. Hnatiuc, E.; Brisset, J.L.; Hnatiuc, B. The ignition and control condition for the useful discharge in a GlidArc reactor with plane geometry and auxiliary electrodes. In Proceedings of the 12th International Conference on Optimization of Electrical and Electronic Equipment, Brasov, Romania, 20–22 May 2010. [Google Scholar] [CrossRef]
  10. Burlica, R.; Hnatiuc, B.; Hnatiuc, E. The effects of gas flow-rate on electrical parameters of gliding arc discharges. In Proceedings of the XVIIth Symposium on Physics of Switching Arc, Brno, Czech Republic, 10–13 September 2007; ISBN 978-80-214-3370-0. [Google Scholar]
  11. Hăisan, C.; Kříž, P.; Cerman, J.; Špatenka, P.; Hnatiuc, E. Characterization of gliding arc discharge with auxiliary electrodes. In Proceedings of the 13th International Conference on Optimization of Electrical and Electronic Equipment (OPTIM), Brasov, Romania, 24–26 May 2012. [Google Scholar] [CrossRef]
  12. Rablah, B.; Laberge, M.; Zawalski, W.; Wilkie, J. Pulse power systems for plasma experiments at general fusion. In Proceedings of the 2016 IEEE International Conference on Plasma Science (ICOPS), Banff, AB, Canada, 19–23 June 2016. [Google Scholar] [CrossRef]
  13. Creţu, D.; Burlică, R.; Astanei, D.; Dirlău, J.-D.; Beniugă, O. Energy efficiency evaluation of HV power supplies for non-thermal plasma generation. In Proceedings of the 8th International Conference on Modern Power Systems (MPS), Cluj-Napoca, Romania, 21–23 May 2019. [Google Scholar] [CrossRef]
  14. Ivankov, A.; Capela, T.; Rueda, V.; Bru, E.; Piquet, H.; Schitz, D.; Florez, D.; Diez, R. Experimental Study of a Nonthermal DBD-Driven Plasma Jet System Using Different Supply Methods. Plasma 2022, 5, 75–97. [Google Scholar] [CrossRef]
  15. Beniugă, O.; Dîrlau, J.-D.; Astanei, D.; Burlică, R. Electromagnetic field radiation generated by pulsed non-thermal plasma discharge. In Proceedings of the 8th International Conference on Modern Power Systems (MPS), Cluj-Napoca, Romania, 21–23 May 2019. [Google Scholar] [CrossRef]
  16. Todirasi, G.; Hnatiuc, E.; Burlica, R.; Hnatiuc, B.; Gavril, B. Reduction of electromagnetic perturbations for cold plasma electrochemical reactors using electromagnetic screening. In Proceedings of the 12th International Conference on Optimization of Electrical and Electronic Equipment OPTIM 2010, Brasov, Romania, 20–22 May 2010; pp. 1343–1348. [Google Scholar] [CrossRef]
  17. Haruni, A.M.O.; Muttagi, K.M.; Negnevitsky, M. Analysis of harmonics and voltage fluctuation using different models of arc furnace. In Proceedings of the Australasian Universities Power Engineering Conference, Perth, WA, Australia, 9–12 December 2007. [Google Scholar] [CrossRef]
  18. Terzija, V.V.; Koglin, H.-J. On the modeling of long arc in still air and arc resistance calculation. IEEE Trans. Power Deliv. 2004, 19, 1012–1017. [Google Scholar] [CrossRef]
  19. Ospina, G.I.; Cubillos, D.; Ibanez, L. Analysis of arcing fault models. In Proceedings of the IEEE/PES Transmission and Distribution Conference and Exposition: Latin America, Bogota, Colombia, 13–15 August 2008. [Google Scholar] [CrossRef]
  20. Gao, X.; Liang, J.; Wu, L.; Wu, L.; Kawi, S. Dielectric Barrier Discharge Plasma-Assisted Catalytic CO2 Hydrogenation: Synergy of Catalyst and Plasma. Catalysts 2022, 12, 66. [Google Scholar] [CrossRef]
  21. Chi Chen, C.; Wenjie Fu, W.; Chaoyang Zhang, C.; Dun Lu, D.; Meng Han, M.; Yang Yan, Y. Dual-Frequency Microwave Plasma Source Based on Microwave Coaxial Transmission Line. Appl. Sci. 2021, 11, 9873. [Google Scholar] [CrossRef]
  22. Hnatiuc, E.; Brisset, J.L.; Hnatiuc, B.; Burlica, R.; Roman, C. About electrochemical reactors with cold plasma discharges engineering. In Proceedings of the European Research in Cold Plasma Applications Conference Iasi, Iasi, Romania, 12–13 February 2007; ISBN 978-973-0-04933-6. [Google Scholar]
  23. Burlica, R.; Hnatiuc, E.; Pricop, C.H.; Felea, C. A comparative study of non-thermal plasma Glidarc reactors. In Proceedings of the International Conference on Optimization of Electrical and Electronic Equipment (OPTIM), Bran, Romania, 22–24 May 2014. [Google Scholar] [CrossRef]
  24. Dimitrakellis, P.; Faubert, F.; Wartel, M.; Gogolides, E.; Pellerin, S. Plasma Surface Modification of Epoxy Polymer in Air DBD and Gliding Arc. Processes 2022, 10, 104. [Google Scholar] [CrossRef]
  25. Gonga, X.; Linb, Y.; Lic, X.; Wuc, A.; Zhangc, H.; Yanc, J.; Du, C. Decomposition of volatile organic compounds using gliding arc discharge plasma. J. Air Waste Manag. Assoc. Manag. Assoc. 2020, 70, 138–157. [Google Scholar] [CrossRef] [PubMed]
  26. Sun, S.R.; Kolev, S.; Wang, H.X.; Bogaerts, A. Investigations of discharge and post-discharge in a gliding arc: A 3D computational study. Plasma Sources Sci. Technol. 2017, 26, 055017. [Google Scholar] [CrossRef]
  27. Hnatiuc, B.; Pellerin, S.; Burlica, R.; Hnatiuc, E. Electrical and physical proprieties of a gliding arc. In Proceedings of the XVIIth Symposium on Physics of Switching Arc, Brno, Czech Republic, 10–13 September 2007; ISBN 978-80-214-3370-0. [Google Scholar]
  28. Selerowicz, W.; Piechna, J.; Opalinska, T.; Ulejczyk, B. Experimental investigation of the dynamics and space range of the gliding arc in three-electrode system. IEEE Trans. PlasmaSci. 2011, 39, 2866–2867. [Google Scholar] [CrossRef]
  29. El-Zein, A.; Talaat, M.; El-Aragi, G.; El-Amawy, A. Experimental model to study the characteristics of gliding arc plasma reactor with argon/nitrogen. J. Electr. Eng. 2015, 15, 64–67. [Google Scholar]
  30. Emanuel, A.E.; Orr, J.A. An improved method of simulation of the arc voltage-current characteristic. In Proceedings of the 9th International Conference on Harmonics Quality of Power, Orlando, FL, USA, 1–4 October 2000; pp. 148–150. [Google Scholar] [CrossRef]
  31. Felea, I.C.; Hnatiuc, E.; Astanei, D. Characterization of cold plasma glidarc reactors. In Proceedings of the International Aegean Conference on Electrical Machines and Power Electronics (ACEMP) & International Conference on Optimization of Electrical and Electronic Equipment (OPTIM), Brasov, Romania, 2–3 September 2021. [Google Scholar] [CrossRef]
  32. Landfried, R.; Boukhlifa, M.; Leblanc, T.; Teste, P.; Andrea, J. Stability, spatial extension and extinction of an electric arc in aeronautical conditions of pressure under 540 V DC. Eur. Phys. J. Appl. Phys. 2019, 87, 30901. [Google Scholar] [CrossRef]
  33. Terzija, V.V.; Koglin, H.-J. Testing, modeling and simulation of long arc in still air. In Proceedings of the 2001 IEEE Power Engineering Society Winter Meeting. Conference Proceedings (Cat. No.01CH37194), Columbus, OH, USA, 28 January–1 February 2001. [Google Scholar] [CrossRef]
Figure 1. GlidArc-type plasma reactor, (a) overview drawing, (b) system with one ignition electrode, (c) system with two ignition electrodes, WE—working electrodes, IE—ignition electrodes.
Figure 1. GlidArc-type plasma reactor, (a) overview drawing, (b) system with one ignition electrode, (c) system with two ignition electrodes, WE—working electrodes, IE—ignition electrodes.
Applsci 13 02279 g001
Figure 2. Transformer power system TPS, PR—plasma reactor, T—reactor working electrodes power circuit, IS—ignition electrodes power circuit, NP1, NP2, NP3—primary windings, NS1, NS2, NS3—secondary windings, WE1, WE2, WE3—plasma reactor working electrodes, IE1, IE2—reactor ignition electrodes.
Figure 2. Transformer power system TPS, PR—plasma reactor, T—reactor working electrodes power circuit, IS—ignition electrodes power circuit, NP1, NP2, NP3—primary windings, NS1, NS2, NS3—secondary windings, WE1, WE2, WE3—plasma reactor working electrodes, IE1, IE2—reactor ignition electrodes.
Applsci 13 02279 g002
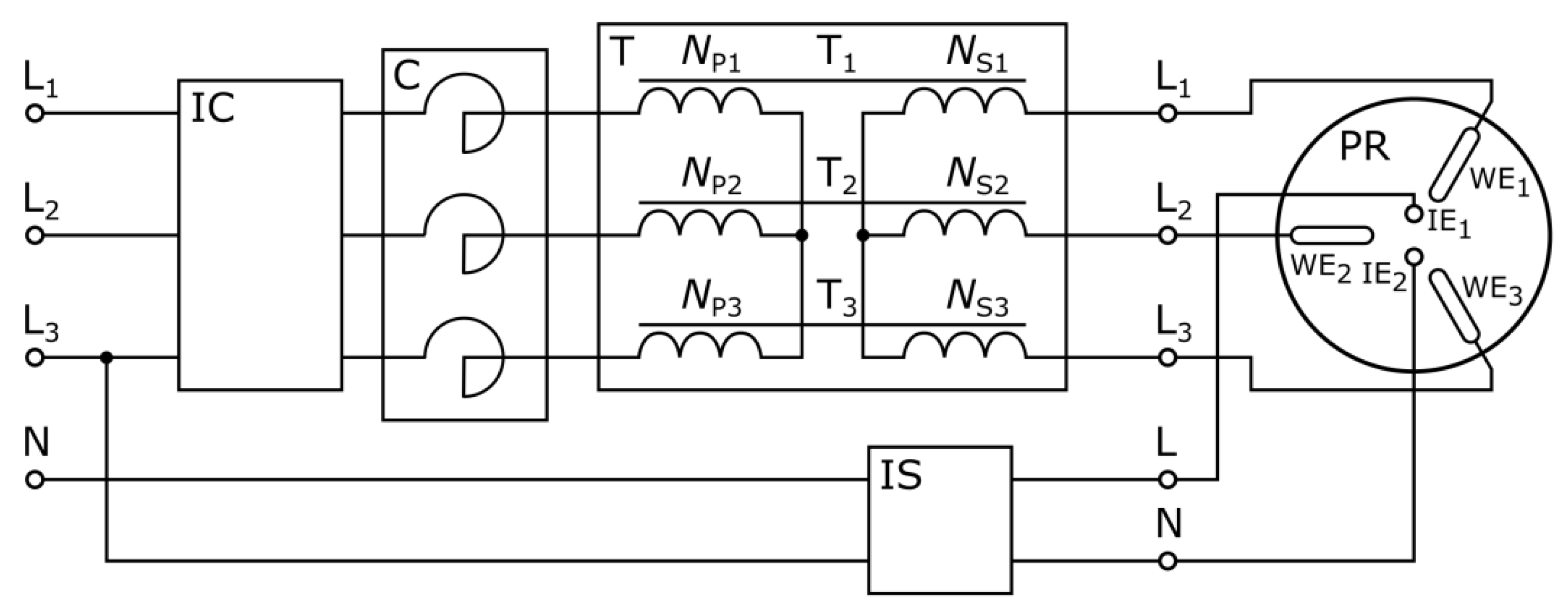
Figure 3. Converter power system PCS, PR—plasma reactor, T—reactor working electrodes power circuit, IS—ignition electrodes power circuit, C—chokes, IC—AC/DC/AC transistor converter, NP1, NP2, NP3—primary windings, NS1, NS2, NS3—secondary windings, WE1, WE2, WE3—plasma reactor working electrodes, IE1, IE2—reactor ignition electrodes.
Figure 3. Converter power system PCS, PR—plasma reactor, T—reactor working electrodes power circuit, IS—ignition electrodes power circuit, C—chokes, IC—AC/DC/AC transistor converter, NP1, NP2, NP3—primary windings, NS1, NS2, NS3—secondary windings, WE1, WE2, WE3—plasma reactor working electrodes, IE1, IE2—reactor ignition electrodes.
Applsci 13 02279 g003
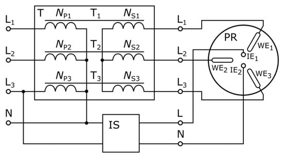
Figure 4. Integrated power system ITPS, PR—plasma reactor, T—reactor working electrode power circuit, IS—ignition electrode power circuit, NP1, NP2, NP3, NP4—primary windings, NS1, NS2, NS3, NS4—secondary windings, WE1, WE2, WE3—plasma reactor working electrodes, IE1—reactor ignition electrode.
Figure 4. Integrated power system ITPS, PR—plasma reactor, T—reactor working electrode power circuit, IS—ignition electrode power circuit, NP1, NP2, NP3, NP4—primary windings, NS1, NS2, NS3, NS4—secondary windings, WE1, WE2, WE3—plasma reactor working electrodes, IE1—reactor ignition electrode.
Applsci 13 02279 g004
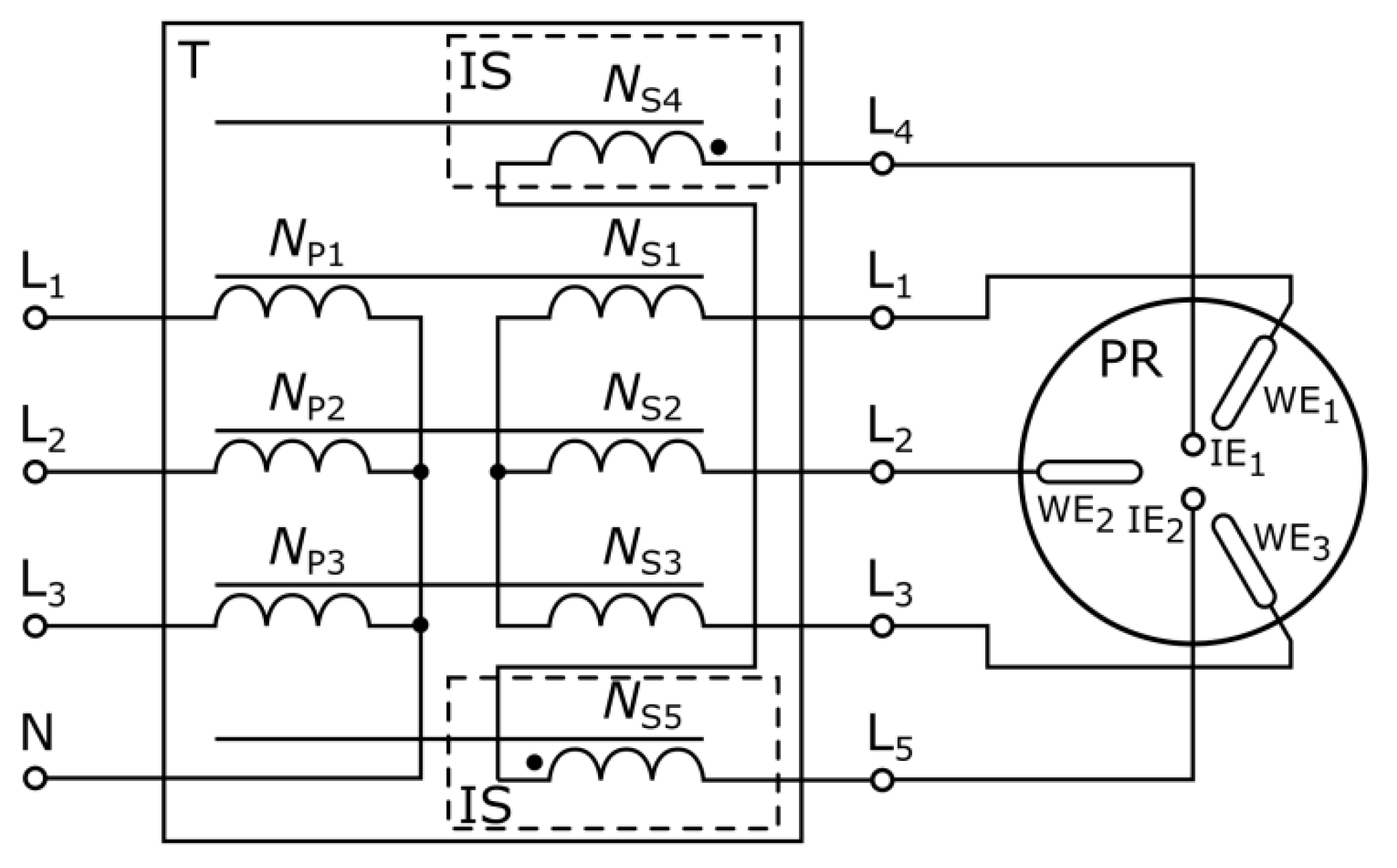
Figure 5. Power system with 5-column transformer IFCTPS, PR—plasma reactor, T—reactor working electrodes power circuit, IS—ignition electrodes power circuit, NP1, NP2, NP3—primary windings, NS1, NS2, NS3, NS4, NS5—secondary windings, WE1, WE2, WE3—plasma reactor working electrodes, IE1, IE2—reactor ignition electrodes.
Figure 5. Power system with 5-column transformer IFCTPS, PR—plasma reactor, T—reactor working electrodes power circuit, IS—ignition electrodes power circuit, NP1, NP2, NP3—primary windings, NS1, NS2, NS3, NS4, NS5—secondary windings, WE1, WE2, WE3—plasma reactor working electrodes, IE1, IE2—reactor ignition electrodes.
Applsci 13 02279 g005
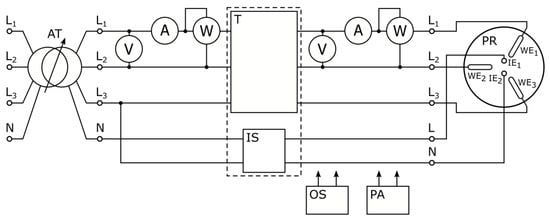
Figure 6. Measuring system for testing the cooperation of a plasma reactor with different types of power supplies, AT—autotransformer, V—voltmeter, A—ammeter, W—wattmeter, OS—oscilloscope, PA—power analyser, PR—plasma reactor, T–reactor working electrodes power circuit, IS—ignition electrodes power circuit.
Figure 6. Measuring system for testing the cooperation of a plasma reactor with different types of power supplies, AT—autotransformer, V—voltmeter, A—ammeter, W—wattmeter, OS—oscilloscope, PA—power analyser, PR—plasma reactor, T–reactor working electrodes power circuit, IS—ignition electrodes power circuit.
Applsci 13 02279 g006
Figure 7. Plasma gas supply system, PR—plasma reactor, G—plasma gases, F—flow regulators, C—regulator setting and control system.
Figure 7. Plasma gas supply system, PR—plasma reactor, G—plasma gases, F—flow regulators, C—regulator setting and control system.
Applsci 13 02279 g007
Figure 8. Current and voltage waveforms of the TPS power supply, 1—input voltage, 2—input current, 3—output voltage, 4—output current, plasma gas: argon, flow: 2.8 m3/h.
Figure 8. Current and voltage waveforms of the TPS power supply, 1—input voltage, 2—input current, 3—output voltage, 4—output current, plasma gas: argon, flow: 2.8 m3/h.
Applsci 13 02279 g008
Figure 9. Current and voltage waveforms of the ITPS power supply, 1—input voltage, 2—input current, 3—output voltage, 4—output current, plasma gas: argon, flow: 2.8 m3/h.
Figure 9. Current and voltage waveforms of the ITPS power supply, 1—input voltage, 2—input current, 3—output voltage, 4—output current, plasma gas: argon, flow: 2.8 m3/h.
Applsci 13 02279 g009
Figure 10. Current and voltage waveforms of the IFCTPS power supply, 1—input voltage, 2—input current, 3—output voltage, 4—output current, plasma gas: argon, flow: 2.8 m3/h.
Figure 10. Current and voltage waveforms of the IFCTPS power supply, 1—input voltage, 2—input current, 3—output voltage, 4—output current, plasma gas: argon, flow: 2.8 m3/h.
Applsci 13 02279 g010
Figure 11. Current and voltage waveforms of PCS power supply, 1—input voltage, 2—input current, 3—output voltage, 4—output current, plasma gas: argon, flow: 2.8 m3/h.
Figure 11. Current and voltage waveforms of PCS power supply, 1—input voltage, 2—input current, 3—output voltage, 4—output current, plasma gas: argon, flow: 2.8 m3/h.
Applsci 13 02279 g011
Figure 12. Control characteristics of the tested power supplies loaded with plasma reactor, plasma gas: argon, volumetric flow rate: 1.6 m3/h.
Figure 12. Control characteristics of the tested power supplies loaded with plasma reactor, plasma gas: argon, volumetric flow rate: 1.6 m3/h.
Applsci 13 02279 g012
Figure 13. Control characteristics of the tested power supplies loaded with plasma reactor, plasma gas: helium, volumetric flow rate: 1.6 m3/h.
Figure 13. Control characteristics of the tested power supplies loaded with plasma reactor, plasma gas: helium, volumetric flow rate: 1.6 m3/h.
Applsci 13 02279 g013
Figure 14. Control characteristics of the tested power supplies loaded with plasma reactor, plasma gas: nitrogen, volumetric flow rate: 1.6 m3/h.
Figure 14. Control characteristics of the tested power supplies loaded with plasma reactor, plasma gas: nitrogen, volumetric flow rate: 1.6 m3/h.
Applsci 13 02279 g014
Figure 15. Control characteristics of the tested power supplies loaded with plasma reactor, plasma gas: air, volumetric flow rate: 1.6 m3/h.
Figure 15. Control characteristics of the tested power supplies loaded with plasma reactor, plasma gas: air, volumetric flow rate: 1.6 m3/h.
Applsci 13 02279 g015
Table 1. Technical parameters of the plasma reactor.
Table 1. Technical parameters of the plasma reactor.
Number of working electrodes3
Number of ignition electrodes1 or 2
Height/width/thickness of working electrodes140 mm/30 mm/2 mm
Working electrode spacing, bottom/top5 mm/50 mm
Working electrode materialsteel 0H18N9
Ignition electrode materialtungsten, wire ∅1 mm
Height of the discharge chamber500 mm
Discharge chamber diameter114 mm
Discharge chamber materialquartz glass
Material of the electrode clamping ringaluminium PA6 (2017A)
Electrode holder and current bushingscopper DIN CuCrZr
Insulation of electrode holdersceramics AL- 70
Gas inlet nozzle∅5 mm
Table 2. Parameters of the reactor working electrode supply circuits.
Table 2. Parameters of the reactor working electrode supply circuits.
Power Supply TypeTPSITPSIFCTPSPCS
Power13.8 kVA9 kVA11 kVA13.8 kVA
Supply voltage230 V230 V230 V230 V
Supply current20 A20 A16 A20 A
Output voltage1.2 kV1.3 kV1.2 kV1.2 kV
Output current3 A5 A2.4 A3 A
Output frequency50 Hz50 Hz50 Hz10 ÷ 200 Hz
Table 3. Parameters of the reactor ignition electrode supply circuits.
Table 3. Parameters of the reactor ignition electrode supply circuits.
Power Supply TypeTPSITPSIFCTPSPCS
Ignition systemelectronictransformertransformerelectronic
Supply voltage230 V230 V
Supply current250 mA250 mA
Output voltage15 kV10 kV7.6 kV15 kV
Output current40 mA200 mA350 mA40 mA
Output frequency20 kHz150 Hz50 Hz20 kHz
Table 4. Operating parameters of power supplies in no-load condition.
Table 4. Operating parameters of power supplies in no-load condition.
ITPSTPSIFCTPSPCS
U1V237.4238.3234.4234.9
I1A0.9980.0120.0680.826
P1W67.617.9514.11335.41
Q1Var707.243.2737.71476.63
S1VA712.048.5841.92582.77
cosφ10.0950.9260.3410.572
U1THD%2.542.452.681.93
I1THD%51.6034.6341.987.22
Table 5. Power supply ratings and discharge power ranges for different plasma gases.
Table 5. Power supply ratings and discharge power ranges for different plasma gases.
Power Supply TypeTPSITPSIFCTPSPCS
Rated power13.8 kVA9 kVA11 kVA13.8 kVA
Power for argon0.2–0.6 kVA0.1–0.8 kVA0.4–0.6 kVA0.1–1.5 kVA
Power for helium0.3–0.6 kVA0.3–0.7 kVA0.3–0.6 kVA0.3–0.7 kVA
Power for nitrogen0.1–0.5 kVA0.5–1.2 kVA0.5 kVA0.9–1.0 kVA
Power to the air0.1–1.1 kVA0.5–1.2 kVA1.2 kVA0.5–1.2 kVA
Table 6. Percentage ratio of maximum power obtained in the discharges to the power ratings of the Power supplies.
Table 6. Percentage ratio of maximum power obtained in the discharges to the power ratings of the Power supplies.
Power Supply TypeTPSITPSIFCTPSPCS
Argon4.3%8.9%5.5%10.9%
Helium4.3%7.8%5.5%5.1%
Nitrogen3.6%13.3%4.5%7.2%
Air8%13.3%10.9%8.7%
Table 7. Efficiencies of power supplies for a burning discharge in different plasma gases.
Table 7. Efficiencies of power supplies for a burning discharge in different plasma gases.
Power Supply TypeTPSITPSIFCTPSPCS
Maximum efficiency for argon25%18%35%36%
Maximum efficiency for helium26%20%20%40%
Maximum efficiency for nitrogen72%20%18%20%
Maximum efficiency for air70%28%25%28%
Table 8. Harmonic content ratios.
Table 8. Harmonic content ratios.
Power Supply TypeParameterGas
ArgonHeliumNitrogenAir
TPSITHD24%184%92.4%64%
UTHD3.54%3.3%3.83%4%
ITPSITHD61.2%36.9%77.3%75.2
UTHD2.64%2.43%3.19%1.2%
IFCTPSITHD24.7%19.5%148%133%
UTHD7.86%4.54%3.72%3.71%
PCSITHD163%148.4%148.3%146.7%
UTHD5.3%5.07%4.78%4.75%
Disclaimer/Publisher’s Note: The statements, opinions and data contained in all publications are solely those of the individual author(s) and contributor(s) and not of MDPI and/or the editor(s). MDPI and/or the editor(s) disclaim responsibility for any injury to people or property resulting from any ideas, methods, instructions or products referred to in the content.

Share and Cite

MDPI and ACS Style

Komarzyniec, G.; Aftyka, M. Analysis of Plasma Reactor Interaction with the Power Grid Depending on the Power Supply Design. Appl. Sci. 2023, 13, 2279. https://doi.org/10.3390/app13042279

AMA Style

Komarzyniec G, Aftyka M. Analysis of Plasma Reactor Interaction with the Power Grid Depending on the Power Supply Design. Applied Sciences. 2023; 13(4):2279. https://doi.org/10.3390/app13042279

Chicago/Turabian Style

Komarzyniec, Grzegorz, and Michał Aftyka. 2023. "Analysis of Plasma Reactor Interaction with the Power Grid Depending on the Power Supply Design" Applied Sciences 13, no. 4: 2279. https://doi.org/10.3390/app13042279

APA Style

Komarzyniec, G., & Aftyka, M. (2023). Analysis of Plasma Reactor Interaction with the Power Grid Depending on the Power Supply Design. Applied Sciences, 13(4), 2279. https://doi.org/10.3390/app13042279

Note that from the first issue of 2016, this journal uses article numbers instead of page numbers. See further details here.

Article Metrics

Back to TopTop