Parametric Optimization of a New Gear Pump Casing Based on Weight Using a Finite Element Method
Abstract
1. Introduction
2. Materials and Methods
2.1. Object of Study
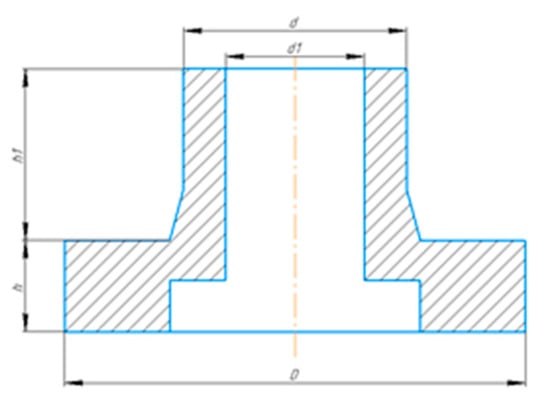
2.2. Creating a Model of the Research Object
2.3. Applying Loads and Setting Boundary Conditions
- –
- Loads on the surfaces of the casing, loads on the rear cover for shaft mounting, loads on the front cover along the fluid outlet channel;
- –
- Loads on the cylindrical surfaces of the casing sealed along the periphery of the gear zone.
- –
- Fixation under all bolt holes in the rear cover of the pump (zero movements along all axes X, Y, Z;
2.4. Determination of the Safety Factor n and Fatigue Strength of the Structure
2.5. Determination of the Dependence of Stresses on the Geometric Parameters of the Structure
2.6. Determination of the Design Optimization Criterion
- gi—restrictions;
- V—volume;
- m0—initial mass;
- m—final mass.
3. Results
4. Discussion
4.1. Assessment of the Safety Factor and Fatigue Strength of the Structure
4.2. Optimization of Gear Pump Parts
4.2.1. Optimization of Gear Pump Back Cover
4.2.2. Optimization of the Front Cover of the Gear Pump
4.2.3. Optimization of the Gear Pump Casing
5. Conclusions
Author Contributions
Funding
Institutional Review Board Statement
Informed Consent Statement
Data Availability Statement
Conflicts of Interest
References
- Lakshmanana, K.; Tessicini, F.J.; Gil, A.; Auricchio, F. A fault prognosis strategy for an external gear pump using machine learning algorithms and synthetic data generation methods. Appl. Math. Model. 2023, 123, 348–372. [Google Scholar] [CrossRef]
- Frosina, E.; Senatore, A.; Rigosi, M. Study of a High-Pressure External Gear Pump with a Computational Fluid Dynamic Modeling Approach. Energies 2017, 10, 1113. [Google Scholar] [CrossRef]
- Muzzioli, G.; Montorsi, L.; Polito, A.; Lucchi, A.; Sassi, A.; Milani, M. About the Influence of Eco-Friendly Fluids on the Performance of an External Gear Pump. Energies 2021, 14, 799. [Google Scholar] [CrossRef]
- Sherov, A.; Myrzakhmet, B.; Sherov, K.; Absadykov, B.; Sikhimbayev, M. Method for selecting the location of the clearance fields of the landing surfaces of gear pump parts with a biaxial connection. NEWS Acad. Sci. Repub. Kazakhstan 2022, 1, 159–166. [Google Scholar] [CrossRef]
- Ransegnola, T.; Zhao, X.; Vacca, A. A comparison of helical and spur external gear machines for fluid power applications: Design and optimization. Mech. Mach. Theory 2019, 142, 103604. [Google Scholar] [CrossRef]
- Hao, X.; Zhou, X.; Liu, X.; Sang, X. Flow characteristics of external gear pumps considering trapped. Adv. Mech. Eng. 2016, 8, 1687814016674100. [Google Scholar] [CrossRef]
- Keith, R. Mobley Fluid Power Dynamics Chapter 3—Hydraulic Pumps; Elsiver: Amsterdam, The Netherlands, 2000; pp. 25–46. [Google Scholar]
- Richard, W. Hanks Fluid Dynamics (Chemical Engineering) Encyclopedia of Physical Science and Technology, 3rd ed.; Academic Press: Cambridge, MA, USA, 2003; pp. 45–70. [Google Scholar]
- Hassan, A. Contact Stress Analysis of Spur Gear Teeth Pair. Int. Sch. Sci. Res. Innov. 2009, 3, 1279–1284. [Google Scholar]
- Zhao, X.; Vacca, A. Theoretical Investigation into the Ripple Source of External Gear Pumps. Energies 2019, 12, 535. [Google Scholar] [CrossRef]
- Egbe, E.A.P. Design Analysis and Testing of a Gear Pump Research Inventy. Int. J. Eng. Sci. 2013, 3, 1–7. [Google Scholar]
- Osinski, P. Modelling and Design of Gear Pumps with Modified Tooth Profile; Lambert Press: Saarbruken, Germany, 2014; 156p. [Google Scholar]
- Rituraj, F.; Vacca, A. External gear pumps operating with non-Newtonian fluids: Modelling and experimental validation. Mech. Syst. Signal Process. 2018, 106, 284–302. [Google Scholar] [CrossRef]
- Fadejkin, A.S.; Peshcherenko, M.P.; Gorbunov, A.V.; Peshcherenko, S.N. Gear Wheel Pump for Fluid Pumping. RU Patent 2,536,736, 27 December 2014. [Google Scholar]
- Khramtsov, A.A.; Galperovich, L.G.; Klebanov, B.M.; Borisova, M.R.; Klyuev, O.N. Multi-Gear Pumps. USSR Patent 836387, 6 July 1981. [Google Scholar]
- Zheng, Y. Gear Pump with Counterbalanced Radal Forces and Two Piece Radal Seals. USA Patent 5,161,961, 10 November 1992. [Google Scholar]
- Patrushev, G.S.; Patrushev, S.G. Adjustable Reversible Gear Pump. RU Patent 2,194,190, 10 December 2002. [Google Scholar]
- Li, P.; Zhao, Y.; Qing, C. Fracture Analysis of an Aluminum Alloy Gear Pump Casing. Key Eng. Mater. 2016, 723, 288–293. [Google Scholar] [CrossRef]
- Vernon, E.E.; Stevenson, M.E.; McDougall, J.L. Lauren McCall Failure analysis of gray iron pump casings. J. Fail. Anal. Prev. 2004, 4, 15–18. [Google Scholar] [CrossRef]
- Casoli, P.; Vacca, A.; Berta, G. Optimization of relevant design parameters of external gear pumps. Proc. JFPS Int. Symp. Fluid Power 2008, 7, 277–282. [Google Scholar] [CrossRef][Green Version]
- Wang, S.; Sakurai, H.; Kasarekar, A. The Optimal Design in External Gear Pumps and Motors. IEEE/ASME Trans. Mechatron. 2011, 16, 945–952. [Google Scholar] [CrossRef]
- Ozsoya, M.; Kurnaz, C. An Optimization Study of a Hydraulic Gear Pump Cover with Finite Element Method. Acta Phys. Pol. A 2017, 132, 944–948. [Google Scholar] [CrossRef]
- Houzeaux, G.; Codina, R. A Finite Element Method for the Solution of Rotary Pumps. Comput. Fluids 2007, 36, 667–679. [Google Scholar] [CrossRef]
- Cieślicki, R.; Karliński, J.; Osiński, P. Numerical Model of an External Gear Pump and Its Validation. In Proceedings of the 14th International Scientific Conference: Computer Aided Engineering, Wrocław, Poland, 20–23 June 2018; Springer: Berlin/Heidelberg, Germany, 2019; pp. 96–103. [Google Scholar]
- Kattimani, K.D.; Tavildar, R.K.; Kakamari, P.P. Finite element analysis and optimization of external gear pump. JETIR 2016, 3, 119–126. [Google Scholar]
- Xie, Q. Numerical modeling of the stress-strain state of the ice beam by specified constitutive model. Mater. Sci. Eng. Appl. 2022, 2, 1–8. [Google Scholar] [CrossRef]
- Farahani, B.; Amaral, R.; Tavares, P.; Moreira, P.; Santos, A. Material characterization and damage assessment of an AA5352 aluminum alloy using digital image correlation. J. Strain. Anal. 2020, 55, 3–19. [Google Scholar] [CrossRef]
- Li, H.; Yang, J.; Chen, G.; Liu, X.; Zhang, Z.; Li, G.; Liu, W. Towards intelligent design optimization: Progress and challenge of design optimization theories and technologies for plastic forming. Chin. J. Aeronaut. 2021, 34, 104–123. [Google Scholar] [CrossRef]
- Nguyen, T.; Huynh, N.; Vu, N.; Kieu, V.; Huang, S. Optimizing compliant gripper mechanism design by employing an effective bi-algorithm: Fuzzy logic and ANFIS. Microsyst. Technol. 2021, 27, 3389–3412. [Google Scholar] [CrossRef]
- Şcheaua, F. Assembly design optimization for gear pump hydraulic units. J. Ind. Des. Eng. Graph. 2012, 7, 15–18. [Google Scholar]
- Wang, C.N.; Yang, F.C.; Nguyen, V.T.T.; Vo, N.T. CFD analysis and optimum design for a centrifugal pump using an effectively artificial intelligent algorithm. Micromachines 2022, 13, 1208. [Google Scholar] [CrossRef]
- Jeevanantham, A.; Pandivelan, C. Topology and shape optimization of gear casing using finite element and Taguchi based statistical analyses. ARPN J. Eng. Appl. Sci. 2016, 11, 13721–13733. [Google Scholar]
- Zuo, Z.; Liu, S.; Fan, Y.; Wu, Y. Optimization of a centrifugal boiler circulating pump’s casing based on CFD and FEM analyses. Adv. Mech. Eng. 2014, 6, 532892. [Google Scholar] [CrossRef]
- Zhang, L.; Tang, L.; Wen, Q.; Luo, W. Study on optimization of pump shaft transmission system of plastic centrifugal pump. J. Eng. 2022, 2022, 4905247. [Google Scholar] [CrossRef]
- Qin, Y.; Qi, Q.; Shi, P.; Scott, P.; Jiang, X. Status, issues, and future of computer-aided part orientation for additive manufacturing. Int. J. Adv. Manuf. Technol. 2021, 115, 1295–1328. [Google Scholar] [CrossRef]
- Antoniou, A.; Lu, W.-S. Practical Optimization. Algorithms and Engineering Applications; Springer: Berlin/Heidelberg, Germany, 2007; 669p. [Google Scholar]
- Mamat, M.; Dauda, M.K.; Mohamed, M.A.; Waziri, M.Y.; Mohamad, F.S.; Abdullah, H. Derivative free Davidon-Fletcher-Powell (DFP) for solving symmetric systems of nonlinear equations. IOP Conf. Ser. Mater. Sci. Eng. 2018, 332, 012030. [Google Scholar] [CrossRef]
- Wilson, P. Chapter 16—Design Optimization Design Recipes for FPGAs, 2nd ed.; Elsevier: Amsterdam, The Netherlands, 2016; pp. 231–235. [Google Scholar]
- Norman, E. Dowling Mechanical Behavior of Materials: Engineering Methods for Deformation, Fracture, and Fatigue, 4th ed.; Pearson Education Limited: Upper Saddle River, NJ, USA, 2013; 920p. [Google Scholar]
- Mobarakeh, M.; Farhatnia, F. Thermo Elasto-Plastic analysis of functionally graded thick-walled cylindrical shells based on Prandtl-Reuss flow rule. Modares Mech. Eng. 1999, 99, 211–218. (In Persian) [Google Scholar]
- Kutz, M. Mechanical Engineers’ Handbook, Materials and Engineering Mechanics; John Wiley & Sons, Inc.: Hoboken, NJ, USA, 2015; 1043p. [Google Scholar]
- Rennert, R.; Kulling, E. Rechnerischer Festigkeitsnachweis fur Maschinenbauteile aus Stahl, Eisenguss- und Alumini-Umwerkstoffen; Forschungskuratorium Maschincnbau (FKM): Frankfurt, Germany, 2020; 230p. [Google Scholar]
- Draper, N.; Smith, G. Applied Regression Analysis. Finance and Statistics; John Wiley & Sons: Hoboken, NJ, USA, 1986; 366p. [Google Scholar]
- Rawlings, J.; Pantula, S.; Dickey, D. Applied Regression Analysis a Research Tool Textbook Springer Texts in Statistics (STS); Springer: Berlin/Heidelberg, Germany, 1998; 456p. [Google Scholar]
- Zhang, Z.; Zhao, W.; Sun, Q.; Li, C. Theoretical Calculation of the Strain-Hardening Exponent and the Strength Coefficient of Metallic Materials. J. Mater. Eng. Perform. 2006, 15, 19–22. [Google Scholar] [CrossRef]
- Jorga, C.; Desrochers, A.; Smeesters, C. Engineering Design from a Safety Perspective. In Proceedings of the 2012 Canadian Engineering Education Association (CEEA12), Winnipeg, MB, Canada, 17–20 June 2012; pp. 1–5. [Google Scholar]
- Mancini, S.D.; Santos Neto, A.D.O.; Cioffi, M.O.H.; Bianchi, E.C. Replacement of metallic parts for polymer composite materials in motorcycle oil pumps. J. Reinf. Plast. Compos. 2017, 36, 149–160. [Google Scholar] [CrossRef]
- Kollek, W.; Radziwanowska, U. Energetic efficiency of gear micropumps. Arch. Civ. Mech. Eng. 2015, 15, 109–115. [Google Scholar] [CrossRef]
- Mali, P.S.; Joshi, G.S.; Patil, I.A. CFD Simulation of External Gear Pump using ANSYS CFX. Int. J. Appl. Eng. Res. 2018, 13, 11970–11973. [Google Scholar]
- Kollek, W.; Osiński, P.; Warzyńska, U. The influence of gear micropump body asymmetry on stress distribution. Pol. Marit. Res. 2017, 24, 60–65. [Google Scholar] [CrossRef]
- Qi, F.; Dhar, S.; Nichani, V.H.; Srinivasan, C.; Wang, D.M.; Yang, L.; Bing, Z.; Yang, J.J. A CFD study of an electronic hydraulic power steering helical external gear pump: Model development, validation and application. SAE Int. J. Passeng. Cars Mech. Syst. 2016, 9, 346–352. [Google Scholar] [CrossRef]
- Cinar, R.; Ucar, M.; Celik, H.K.; Firat, M.Z.; Rennie, A.E.W. Pressure determination approach in specific pressure regions and FEM-based stress analysis of the housing of an external gear pump. Exp. Tech. 2016, 40, 489–499. [Google Scholar] [CrossRef]
- De Martin, A.; Jacazio, G.; Sorli, M. Optimization of gerotor pumps with asymmetric profiles through an evolutionary strategy algorithm. Machines 2019, 7, 17. [Google Scholar] [CrossRef]
- Zeng, D.; Zhang, Y.; Lu, L.; Zou, L.; Zhu, S. Fretting wear and fatigue in press-fitted railway axle: A simulation study of the influence of stress relief groove. Int. J. Fatigue 2019, 118, 225–236. [Google Scholar] [CrossRef]
- Liu, G.; Huang, C.; Su, R.; Özel, T.; Liu, Y.; Xu, L. 3D FEM simulation of the turning process of stainless steel 17-4PH with differently texturized cutting tools. Int. J. Mech. Sci. 2019, 155, 417–429. [Google Scholar] [CrossRef]
- Alzafin, Y.A.; Mourad, A.H.; Abou Zour, M.; Abuzeid, O.A. Stress corrosion cracking of Ni-resist ductile iron used in manufacturing brine circulating pumps of desalination plants. Eng. Fail. Anal. 2009, 16, 733–739. [Google Scholar] [CrossRef]
- Battarra, M.; Mucchi, E. Incipient cavitation detection in external gear pumps by means of vibro-acoustic measurements. Measurement 2018, 129, 51–61. [Google Scholar] [CrossRef]






















| Method | Object | Result | Reference |
|---|---|---|---|
| Fuzzy logic and ANFIS | gripper mechanism | geometry parameters | [29] |
| Function deployment | rotary pump | assembly of rotary pump with positive displacement | [30] |
| Artificial intelligence algorithm | centrifugal pump | area of cross-section volute casing, impeller side wall gap, volute casing tongue | [31] |
| FEM + Taguchi method | gear casing | topology and shape optimization of gear casing | [32] |
| CFD + FEM | boiler circulating pump’s casing | structural tightness of the casing | [33] |
| NSGA-II | centrifugal pump | structural parameters | [34] |
| Material | Yield Strength, MPa | Tensile Strength, MPa | Tensile Modulus, GPa | Poisson’s Ratio | Density, kg/m3 |
|---|---|---|---|---|---|
| Aluminum (PA6 alloy) | 250 | 390 | 72.5 | 0.33 | 2790 |
| Cast iron (QT450-10) | 310 | 450 | 120 | 0.257 | 7060 |
| Polycarbonate | 280 | 300 | 16.5 | 0.46 | 2074 |
| Aluminum | Cast Iron | Polycarbonate |
|---|---|---|
| 35 ÷ 77 MPa | 34 ÷ 67 MPa | 43 ÷ 110 MPa |
| Aluminum | Cast Iron | Polycarbonate | |
|---|---|---|---|
| Casing | 2.2 | 2.8 | 1.5 |
| Back cover | 5 | 6.7 | 2.7 |
| Front cover | 4 | 4.6 | 3.1 |
| Material | Fatigue Strength, σBK, MPa | Fatigue Strength Factor, KBK |
|---|---|---|
| Casing | ||
| Aluminum | 37.37 | 0.81 |
| Cast iron | 128.55 | 0.54 |
| Polycarbonate (PC) | 31.32 | 0.94 |
| Back cover | ||
| Aluminum | 17.54 | 0.38 |
| Cast iron | 58.76 | 0.21 |
| Polycarbonate (PC) | 10.4 | 0.70 |
| Front cover | ||
| Aluminum | 28.16 | 0.61 |
| Cast iron | 89.14 | 0.32 |
| Polycarbonate (PC) | 23.24 | 0.72 |
| Material | Casing | Back Cover | Front Cover |
|---|---|---|---|
| Aluminum | 19% | 62% | 38% |
| Cast iron | 46% | 81% | 68% |
| Polycarbonate (PC) | 6% | 30% | 28% |
| Variant | Diameter, D, mm | Maximum Stress, σmax, MPa | Weight, m, kg |
|---|---|---|---|
| Aluminum | |||
| 1 (original) | 256 | 73.76 | 1.84 |
| 2 | 254 | 77.24 | 1.61 |
| 3 | 252 | 84.12 | 1.43 |
| 4 | 250 | 91.12 | 1.20 |
| Cast iron | |||
| 1 (original) | 256 | 67.89 | 6.90 |
| 2 | 254 | 73.24 | 6.51 |
| 3 | 252 | 79.01 | 6.14 |
| 4 | 250 | 85.16 | 5.52 |
| Polycarbonate (PC) | |||
| 1 (original) | 256 | 110.47 | 1.21 |
| 2 | 254 | 117.53 | 1.14 |
| 3 | 252 | 123.58 | 1.06 |
| 4 | 250 | 129.31 | 1.01 |
| Initial Mass, m0, kg | Final Mass, m, kg | Safety Factor, n | Optimization Criteria, F |
|---|---|---|---|
| Aluminum | |||
| 1.84 | 1.20 | 4 | 0.31 |
| Cast iron | |||
| 6.95 | 5.52 | 4.6 | 2.8 |
| Polycarbonate (PC) | |||
| 1.21 | 1.01 | 2.7 | 0.86 |
| Design Variant | D, mm | d, MPa | h, mm | h1, mm | σmax1, MPa (Al) | m1, kg (Al) | σmax2, MPa (Cast Iron) | m2, kg (Cast Iron) | σmax1, MPa (PC) | m3, kg (PC) |
|---|---|---|---|---|---|---|---|---|---|---|
| 1 variant | 126 | 61 | 25 | 33 | 97.87 | 3.14 | 98.67 | 8.41 | 110.1 | 2.08 |
| 2 variant | 124 | 60 | 24 | 32 | 103.5 | 2.78 | 100.4 | 7.81 | 113.4 | 1.99 |
| 3 variant | 122 | 59 | 23 | 31 | 107.6 | 2.45 | 103.01 | 7.44 | 117.1 | 1.90 |
| 4 variant | 120 | 58 | 23 | 30 | 110.3 | 2.18 | 106.01 | 7.07 | 120.3 | 1.80 |
| 5 variant | 118 | 57 | 22 | 29 | 113.5 | 1.96 | 109.05 | 6.61 | 124.1 | 1.71 |
| 6 variant | 116 | 56 | 22 | 28 | 117.5 | 1.59 | 112.3 | 6.18 | 127.2 | 1.59 |
| Initial Mass, m0, kg | Final Mass, m, kg | Safety Factor, n | Optimization Criteria, F |
|---|---|---|---|
| Aluminum | |||
| 3.14 | 1.59 | 2.2 | 0.31 |
| Cast iron | |||
| 8.41 | 6.18 | 2.8 | 0.48 |
| Polycarbonate (PC) | |||
| 2.08 | 1.64 | 3.1 | 0.32 |
Disclaimer/Publisher’s Note: The statements, opinions and data contained in all publications are solely those of the individual author(s) and contributor(s) and not of MDPI and/or the editor(s). MDPI and/or the editor(s) disclaim responsibility for any injury to people or property resulting from any ideas, methods, instructions or products referred to in the content. |
© 2023 by the authors. Licensee MDPI, Basel, Switzerland. This article is an open access article distributed under the terms and conditions of the Creative Commons Attribution (CC BY) license (https://creativecommons.org/licenses/by/4.0/).
Share and Cite
Zharkevich, O.; Nikonova, T.; Gierz, Ł.; Berg, A.; Berg, A.; Zhunuspekov, D.; Warguła, Ł.; Łykowski, W.; Fryczyński, K. Parametric Optimization of a New Gear Pump Casing Based on Weight Using a Finite Element Method. Appl. Sci. 2023, 13, 12154. https://doi.org/10.3390/app132212154
Zharkevich O, Nikonova T, Gierz Ł, Berg A, Berg A, Zhunuspekov D, Warguła Ł, Łykowski W, Fryczyński K. Parametric Optimization of a New Gear Pump Casing Based on Weight Using a Finite Element Method. Applied Sciences. 2023; 13(22):12154. https://doi.org/10.3390/app132212154
Chicago/Turabian StyleZharkevich, Olga, Tatyana Nikonova, Łukasz Gierz, Andrey Berg, Alexandra Berg, Darkhan Zhunuspekov, Łukasz Warguła, Wikotor Łykowski, and Ksawery Fryczyński. 2023. "Parametric Optimization of a New Gear Pump Casing Based on Weight Using a Finite Element Method" Applied Sciences 13, no. 22: 12154. https://doi.org/10.3390/app132212154
APA StyleZharkevich, O., Nikonova, T., Gierz, Ł., Berg, A., Berg, A., Zhunuspekov, D., Warguła, Ł., Łykowski, W., & Fryczyński, K. (2023). Parametric Optimization of a New Gear Pump Casing Based on Weight Using a Finite Element Method. Applied Sciences, 13(22), 12154. https://doi.org/10.3390/app132212154

