Transverse Movement Kinetics of a Unit for Inter-Row Crops—Case Study: Cultivator Unit
Abstract
1. Introduction
2. Material and Methods
2.1. Theoretical Premises
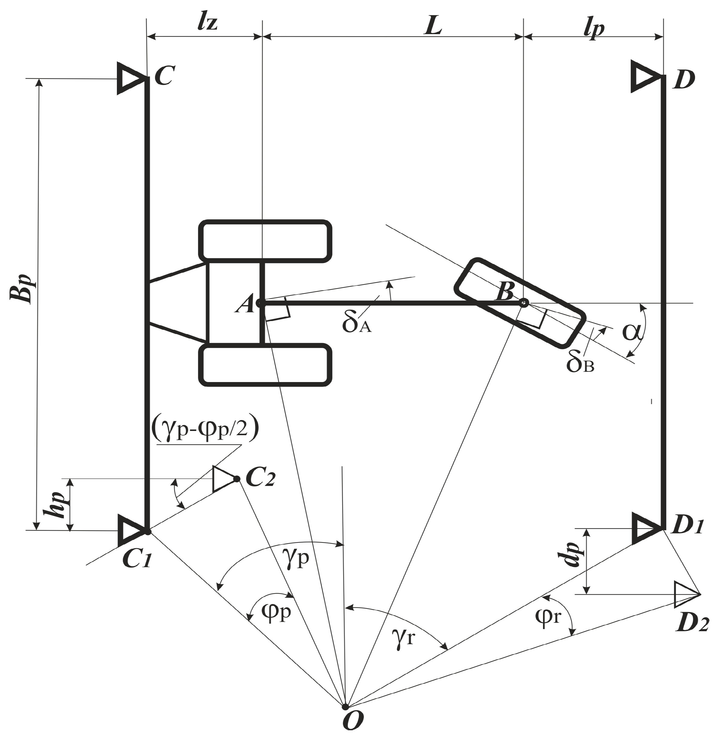
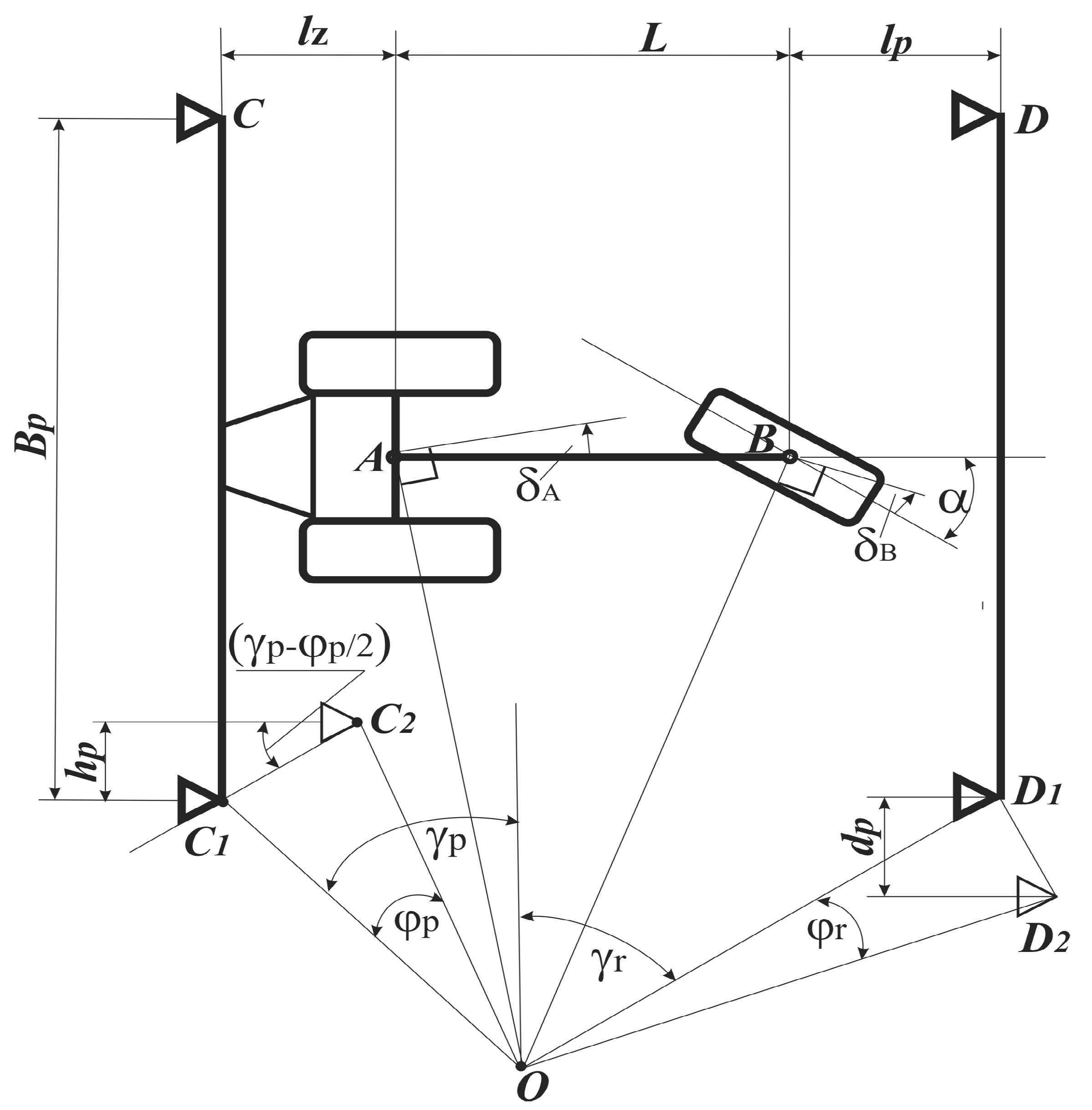
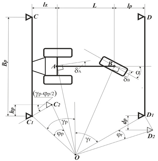
- -
- For the rear hitch machine:
- -
- For the frontal machine:where:
- —operating width of the machine (cultivator) (m);
- —wheelbase of an agricultural tractor (m);
- —distance of the cultivator from the rear axle of the tractor (m);
- —distance of the cultivator from the front axle of the tractor (m);
- —turning angle of tractor wheels (deg);
- —deviation angle of the rear cultivator’s outside working parts from the vertical (deg);
- —deviation angle of the front cultivator’s outside working parts of the front cultivator from the vertical (deg);
- —yaw angle of tractor rear wheel tires (deg);
- —yaw angle of tractor front wheel tires (deg);
- —turning angle of the front machine (front cultivator) (deg);
- φp—turning angle of the rear machine (rear cultivator) (deg);
- C, C1—starting points from the rear machine (rear cultivator);
- C2—points of relocation of the rear machine (cultivator in the rear);
- D2—relocation points of the front machine (cultivator in front);
- D, D1—starting points from the front machine (front cultivator);
- dp—move point D1 to position D2 (m);
- hp—move point C1 to position C2 (m);
- h0—displacement of the right outside working parts of the rear cultivator after turning it (m);
- d0—displacement of the right external working parts of the front cultivator after turning it (m).
2.2. Experimental Studies
2.3. Statistical Analysis
3. Results and Discussion
3.1. Theoretical Study of the Row-Crop Cultivators’ Turn Kinematics
3.2. Results of Experimental Studies of Row-Crop MTU
4. Conclusions
Author Contributions
Funding
Institutional Review Board Statement
Informed Consent Statement
Data Availability Statement
Conflicts of Interest
References
- Ozaslan, C.; Gürsoy, S.; DiTommaso, A. Band herbicide application combined with inter-row cultivation as a sustainable weed management strategy for reducing herbicide use: A meta-analysis. Crop Prot. 2024, 175, 106474. [Google Scholar] [CrossRef]
- Özaslan, C.; Akın, S.; Gürsoy, S. Weed control and crop production practices in cotton production in Diyarbakır Province of Turkey. Yyu. J. Agr. Sci. 2015, 25, 41–47. [Google Scholar]
- Khan, M.A.; Marwat, K.B.; Umm-E-Kulsoom Hussain, Z.; Hashim, S.; Rab, A.; Nawab, K. Weed control effects on the wheat-pea intercropping. Pak. J. Bot. 2013, 45, 1743–1748. [Google Scholar]
- Ali, H.H.; Peerzada, A.M.; Hanif, Z.; Hashim, S.; Chauhan, B.S. Weed management using crop competition in Pakistan: A review. Crop Prot. 2017, 95, 22–30. [Google Scholar] [CrossRef]
- Gürsoy, S.; Özaslan, C.; Urgun, M.; Kolay, B.; Koç, M. The effect of sowing time tillage system and herbicides on weed species density weed biomass and yield of lentil within a lentil wheat sequence. J. Agric. For. 2014, 60, 73–85. [Google Scholar]
- Sun, J.; Yu, X.; Xu, H.; Yang, Y.; Liu, M.; Zhang, Y.; Lu, Y.; Tang, W. Post-Emergence Water-Dispersal Application Provides Equal Herbicidal Activity against Echinochloa crus-galli and Rice Safety as Foliar Spraying of Penoxsulam. Plants 2023, 12, 4061. [Google Scholar] [CrossRef] [PubMed]
- Rosenbom, A.E.; Olsen, P.; Plauborg, F.; Grant, R.; Juhler, R.K.; Brüsch, W.; Kjær, J. Pesticide leaching through sandy and loamy fields—Long-term lessons learnt from the Danish pesticide leaching assessment programme. Environ. Pollut. 2015, 201, 75–90. [Google Scholar] [CrossRef]
- Kreuger, J. Pesticides in stream water within an agricultural catchment in southern Sweden, 1990–1996. Sci. Total Environ. 1998, 216, 227–251. [Google Scholar] [CrossRef]
- Jat, M.; Dohling, P.N.K.; Ahuja, A.; Singh, J. Effect of pesticides on soil ecosystem services and processes. Indian J. Entomol. 2022, 84, 981–990. [Google Scholar] [CrossRef]
- Jabran, K.; Chauhan, B.S. Overview and significance of non-chemical weed control. In Non-Chemical Weed Control; Academic Press: London, UK, 2018; pp. 1–8. [Google Scholar] [CrossRef]
- Bolat, A.; Sevilmis, U.; Bayat, U. Flaming and Burning as Thermal Weed Control Methods: A Review. Eurasian J. Agric. Res. 2017, 1, 66–77. [Google Scholar]
- Ascard, J. Why are some non-chemical weed control methods adopted and others not, and what can we learn from this? In Proceedings of the 7th European Weed Research Society Workshop on Physical and Cultural Weed Control, Salem, Germany, 11–14 March 2007. [Google Scholar]
- Pavlović, D.; Vrbničanin, S.; Anđelković, A.; Božić, D.; Rajković, M.; Malidža, G. Non-Chemical Weed Control for Plant Health and Environment: Ecological Integrated Weed Management (EIWM). Agronomy 2022, 12, 1091. [Google Scholar] [CrossRef]
- Saile, M.; Spaeth, M.; Gerhards, R. Evaluating Sensor-Based Mechanical Weeding Combined with Pre- and Post-Emergence Herbicides for Integrated Weed Management in Cereals. Agronomy 2022, 12, 1465. [Google Scholar] [CrossRef]
- Kemfert, C. Green deal for Europe: More climate protection and fewer fossil fuel wars. Intereconomics 2019, 54, 353–358. [Google Scholar] [CrossRef]
- Nadykto, V.; Karaiev, O.; Kyurchev, V.; Beloev, H. The efficiency of tractor application with articulated frame for cultivating arable crops. In Modern Development Paths of Agricultural Production: Trends and Innovations; Springer: Cham, Switzerland, 2019; pp. 161–167. [Google Scholar] [CrossRef]
- Lebedev, A.; Shuliak, M.; Khalin, S.; Lebedev, S.; Szwedziak, K.; Lejman, K.; Niedbała, G.; Łusiak, T. Methodology for Assessing Tractor Traction Properties with Instability of Coupling Weight. Agriculture 2023, 13, 977. [Google Scholar] [CrossRef]
- Bulgakov, V.; Ivanovs, S.; Adamchuk, V.; Nadykto, V.; Kyurchev, V.; Yaremenko, V.; Krasiuk, L. Treatment quality assessment of sunflower inter-row widths with asymmetric joining of cultivator to tractor. Eng. Rural Dev. 2023, 163, 834–841. [Google Scholar] [CrossRef]
- Filippov, A.I.; Zayats, E.V.; Stukanov, S.V.; Chebotarev, V.P.; Puzevich, K.L. Overview of the Working Bodies of Row Cultivators and the Development of New Ones in the Concept of Ecological Farming. Bull. Belarusian State Agric. Acad. 2020, 4, 121–126. Available online: https://cyberleninka.ru (accessed on 21 December 2023). (In Russian).
- Kurdyumov, V.I.; Zaitsev, V.P.; Streltsov, S.V. Laboratory and Production Studies of the Row Cultivator Combined Working Body. Bull. Ulyanovsk State Agric. Acad. 2013, 1, 139–144. Available online: https://cyberleninka.ru (accessed on 22 December 2023). (In Russian).
- Ragesh, K.T.; Jogdand, S.V.; Victor, V.M. Field Performance Evaluation of Power Cultivator for Paddy Crop. Curr. Agric. Res. J. 2018, 6, 441–448. [Google Scholar] [CrossRef]
- Ryndyaev, V.I. Improving the design of the cultivator working body for inter-row cultivation of weeding crops. Eng. Nat. Manag. 2021, 4, 59–62. (In Ukrainian) [Google Scholar]
- Zhang, W.; Miao, Z.; Li, N.; He, C.; Sun, T. Review of Current Robotic Approaches for Precision Weed Management. Curr. Robot. Rep. 2022, 3, 139–151. [Google Scholar] [CrossRef]
- Kartashevich, A.N.; Rudashko, A.A. Prospects and Efficiency Using the Machines’ Front Linkage on Low-Power Tractors. Agropanorama 2009, 6, 11–13. Available online: https://ap.bsatu.by (accessed on 21 December 2023). (In Russian).
- Portioli, M. Development of a Mechanical Intra-Row Cultivator System for an Autonomous Electric Vehicle. 2016. Available online: https://www.politesi.polimi.it (accessed on 21 December 2023).
- Chongyou, U.; Zhang, M.; Chengqian, J.; Anfu, T.; Yan, I.; Tiqiong, X. Design and experiment of 2BYS-6 type paddy weeding-cultivating machine. Nongye Jixie Xuebao Trans. Chin. Soc. Agric. Mach. 2009, 40, 51–54. [Google Scholar]
- Wang, Y.; Xi, X.; Chen, M.; Shi, Y.; Zhang, Y.; Zhang, B.; Qu, J.; Zhang, R. Design of and Experiment on Reciprocating Inter-Row Weeding Machine for Strip-Seeded Rice. Agriculture 2022, 12, 1956. [Google Scholar] [CrossRef]
- Kutkov, G.M.; Cherepukhin, V.D.; Nadykto, V.T.; Gabayi, E.V.; Lukerchik, L.M. Study of MES in the composition of wide-cut MTA in the cultivation of row crops. Tract. Agric. Mach. 1992, 10–12, 8–10. (In Russian) [Google Scholar]
- Bulgakov, V.; Aboltins, A.; Ivanovs, S.; Holovach, I.; Nadykto, V.; Beloev, H. A Mathematical Model of Plane-Parallel Movement of the Tractor Aggregate Modular Type. Agriculture 2020, 10, 454. [Google Scholar] [CrossRef]
- Collins, T.S. Loads in tractor linkages when transporting rear-mounted implements: Development of modelling and measurement techniques. J. Agric. Eng. Res. 1991, 49, 165–188. [Google Scholar] [CrossRef]
- Hujo, Ľ.; Tkáč, Z.; Jablonický, J.; Uhrinová, D.; Halenár, M. The Action of Force Measurement for the Three-Point Hitch of a Tractor. Agron. Res. 2017, 15, 162–169. Available online: https://agronomy.emu.ee/wp-content/uploads/2017/03/Vol15Nr1_Hujo.pdf (accessed on 16 December 2023).
- Shi, Y.; Cheng, X.; Xi, X.; Weng, W.; Zhang, B.; Zhang, J.; Zhang, R. Effects of a Novel Weeding and Fertilization Scheme on Yield and Quality of Rice. Agronomy 2023, 13, 2269. [Google Scholar] [CrossRef]
- An Official Website of the European Union. A European Green Deal. Available online: https://commission.europa.eu/strategy-and-policy/priorities-2019-2024/european-green-deal_en (accessed on 19 November 2023).
- Labenko, O.; Sobchenko, T.; Hutsol, T.; Cupiał, M.; Mudryk, K.; Kocira, A.; Pavlenko-Didur, K.; Klymenko, O.; Neuberger, P. Project Environment and Outlook within the Scope of Technologically Integrated European Green Deal in EU and Ukraine. Sustainability 2022, 14, 8759. [Google Scholar] [CrossRef]












| Index | Value |
|---|---|
| Tractor weight (kg) | 8200 |
| Cultivator weight (kg) | 1920 |
| Cultivator number sections | 13 |
| Distance between cultivator sections (m) | 0.7 |
| Cultivator operating width (m) | 8.4 |
| Tractor wheelbase (mm) | 2860 |
| , mm) | 2100 |
| Tractor tires | 16.9R38 |
| Index | Value |
|---|---|
| Reproduction | F-1 |
| Variety purity (%) | 99.8 |
| Germination (%) | 94 |
| Humidity (%) | 6.5 |
| Thousand kernel weight (g) | 78.2 |
| Seed dressing | Apron XL |
| Index | Value |
|---|---|
| Recommended protective zone (cm) | 10.0 |
| Soil cultivation depth (cm) | 8.1 ± 0.3 |
| Mean height of sunflower plants (cm) | 18.4 ± 1.1 |
| Soil humidity (%) | 15.9 |
| Soil bulk density (g·cm−3) | 1.25 |
| Weed density (g·m−2) | 79.6 |
| Index | Value | |
|---|---|---|
| Cultivator Joining Variant | Rigid (A) | Articulated (B) |
| Mean protective zone (cm) | 10.1 | 8.9 |
| Mean error (cm) | 0.09 | 0.10 |
| Mean LSD05 (cm) | 0.3 | |
| Standard deviation (σ, ±cm) | 1.12 | 1.26 |
| Variance (cm2) | 1.25 | 1.58 |
| Variance error (cm2) | 0.15 | 0.18 |
| Coefficient of variation (%) | 11.1 | 14.1 |
Disclaimer/Publisher’s Note: The statements, opinions and data contained in all publications are solely those of the individual author(s) and contributor(s) and not of MDPI and/or the editor(s). MDPI and/or the editor(s) disclaim responsibility for any injury to people or property resulting from any ideas, methods, instructions or products referred to in the content. |
© 2024 by the authors. Licensee MDPI, Basel, Switzerland. This article is an open access article distributed under the terms and conditions of the Creative Commons Attribution (CC BY) license (https://creativecommons.org/licenses/by/4.0/).
Share and Cite
Findura, P.; Nadykto, V.; Kyurchev, V.; Gierz, Ł. Transverse Movement Kinetics of a Unit for Inter-Row Crops—Case Study: Cultivator Unit. Appl. Sci. 2024, 14, 580. https://doi.org/10.3390/app14020580
Findura P, Nadykto V, Kyurchev V, Gierz Ł. Transverse Movement Kinetics of a Unit for Inter-Row Crops—Case Study: Cultivator Unit. Applied Sciences. 2024; 14(2):580. https://doi.org/10.3390/app14020580
Chicago/Turabian StyleFindura, Pavol, Volodymyr Nadykto, Volodymyr Kyurchev, and Łukasz Gierz. 2024. "Transverse Movement Kinetics of a Unit for Inter-Row Crops—Case Study: Cultivator Unit" Applied Sciences 14, no. 2: 580. https://doi.org/10.3390/app14020580
APA StyleFindura, P., Nadykto, V., Kyurchev, V., & Gierz, Ł. (2024). Transverse Movement Kinetics of a Unit for Inter-Row Crops—Case Study: Cultivator Unit. Applied Sciences, 14(2), 580. https://doi.org/10.3390/app14020580

