Next Article in Journal
The Influence of Co-Firing Coal with Biomass Syngas on the Thermodynamic Parameters of a Boiler
Previous Article in Journal
Special Issue on Deep Learning for Electroencephalography (EEG) Data Analysis
 
 
Font Type:
Arial Georgia Verdana
Font Size:
Aa Aa Aa
Line Spacing:
Column Width:
Background:
Article

Application of the Residue Method in Steam Superheater Fault Detection

by
Camelia Adela Maican
,
Virginia Maria Rădulescu
* and
Cristina Floriana Pană
*
Faculty of Automation, Computers and Electronics, University of Craiova, Blvd. Decebal nr. 107, 200440 Craiova, Romania
*
Authors to whom correspondence should be addressed.
Appl. Sci. 2023, 13(20), 11476; https://doi.org/10.3390/app132011476
Submission received: 30 September 2023 / Revised: 14 October 2023 / Accepted: 17 October 2023 / Published: 19 October 2023

Abstract

:
Steam superheaters experience various defects that can affect the system’s operation differently. Maintaining a constant temperature and pressure of the steam at the turbine input is crucial for optimal steam turbine running conditions. This is achieved by regulating the steam temperature in the superheater, which is divided into three parts with devices mounted at each connection point to allow for the injection of condensates to cool the steam. The steam pressure is controlled by adjusting the fuel flow command. However, controlling the output temperature can be challenging because of the transfer time delay between the points where the water is sprayed and the points where the steam temperature is measured. To address this challenge, a temperature control system was developed and tested in three different environments using an electronic simulator, the block-oriented simulation hardware BORIS, data acquisition board dSpace, and a MATLAB R2020a Simulink with a PI controller model. These simulations allowed for the study of the superheater’s function in both normal and fault conditions, with the possibility of controlling the system structure and detecting faults through the proper implementation of weighting matrices.

1. Introduction

Power plants are likely to experience energy-related issues such as equipment failures and fault detection due to the ever-increasing demand for energy. Detailed monitoring of the process’s parameters is necessary to comprehend these failures fully. Sensors are installed in power plants to monitor different processes and trigger alarms when operating parameters exceed their typical values or limits. Each power plant requires individual monitoring of measurements based on fixed set points or statistical limits that consider the relationships between parameters. Abnormal measurements outside the acceptable range indicate that a system component is not functioning correctly, which can decrease efficiency. Power generation involves converting various forms of primary energy into electricity through specialized power plants, but technological, economic, environmental, and safety considerations limit their capacity.
A power plant is a complex system that allows for the conversion of primary energy into electrical energy. To ensure the safety and efficiency of modern manufacturing processes, plants must be equipped with advanced control systems and reliable online fault detection and diagnosis tools. Component failures, device malfunctions, and human errors can lead to substantial material or human losses, making fault detection and identification crucial. Although an automatic fault detection system working in tandem with process control is the ideal solution, many industrial processes rely on semi-automatic instruments that alert process operators to the presence of faults. In the design and implementation of the fault detection system, the ability to detect fault symptoms as early as possible is critical to provide personnel with ample time to alter the control policy, repair the faulty device, or safely halt the process. Power plant systems are complex and require a systematic approach for examination. This investigation focuses on the superheater subsystem, which plays a crucial role in ensuring efficient operation. The objective is to provide a thorough understanding and detect faults in the subsystem to improve performance.
According to a study by Khaleel, O.J et al., published in [1], achieving optimum energy conversion in thermodynamic systems, such as in thermal power plants (TPPs), is a complex task due to the involvement of several factors. One of the effective ways of determining the quantity and quality of energy systems is via energy and exergy analysis. This study is a comparative evaluation of the energy and exergy analyses of coal and gas-fired TPPs. Details of different studies on TPPs over the years were critically reviewed, followed by an independent thermodynamics analysis of each component of the TPPs system. Improvements in the performance of power plants were also highlighted. From the outcome of the comparative analysis, combustion chambers were identified as the main contributors to exergy destruction owing to their associated high irreversibility. The results show that the exergy efficiency of the entire system is about 20%. The main exergy loss occurred in the boiler and the steam turbine in the system. For further improvements, this review highlighted some of the areas for further research and made recommendations for improvement in some aspects of the existing TPPs.
The paper authored by Swiercz and All [2], presents a comprehensive amount of fault diagnosis methods. The authors classify these methods into three main approaches. The first approach involves the use of various signal processing techniques, such as spectral analysis, principal component analysis (PCA), wavelet transforms, and fast Fourier transforms (FFT), to carefully analyze the system and identify faults. This approach is particularly useful when dealing with complex systems that have multiple variables and dependencies. The second approach, which is model-based, utilizes knowledge about the system in the form of physical, equilibrium, and chemical equation data, or a black-box or grey-box model, to detect and analyze faults. In this approach, the system’s behavior is modeled mathematically, and any deviation from the expected behavior is flagged as a fault. The third and most recent approach incorporates artificial intelligence, where neural networks, fuzzy systems, expert systems, grey correlation, or support vector machines (SVMs) are employed to develop a diagnostic system that can identify specific faults once trained. This approach is particularly useful when dealing with dynamic systems that have complex behaviors that are not easy to model using traditional techniques. By leveraging the power of machine learning and artificial intelligence, this approach can identify faults that are not easily detectable using traditional methods, thereby significantly improving the accuracy and reliability of the diagnostic system. Data-driven models, such as neural networks or fuzzy functions, offer a prompt and effective solution for solving diagnostic problems. In addition, signal processing techniques have proven to be highly valuable in detecting faults and diagnosing issues with moving elements. These techniques can even detect changes in signals directly from measurements or residuals from other flaw detection methodologies. The extent of technological capabilities in modern times is truly remarkable.
The successful operation of a power plant is dependent on the efficiency and reliability of its various subsystems, particularly the turbine. The turbine plays a critical role in the system’s functioning, and ensuring its robust operation is crucial for maintaining a smooth and consistent power output. In recent research, Di Wang et al. [3] have proposed a novel approach for maintaining the steam temperature in the main steam temperature (MST) system of a coal-fired power plant CFPP. Their proposed strategy involves implementing an offline robust model predictive control (RMPC) technique that is offset-free and utilizes a zonotope-type uncertain model for higher accuracy, compact representation, and less complexity. The primary objective of the proposed RMPC technique is to maintain the desired steam temperature despite changes in operating conditions, with a particular focus on robustness and computational efficiency. The RMPC strategy is implemented in two stages. First, the RMPC law set is designed offline, which involves constructing a mathematical model that accurately represents the system’s behavior and performance. Then, the explicit control law is selected online based on the current state of the system. To achieve an offset-free tracking performance, a manipulated variable target observer is used to update the chosen RMPC law. This approach ensures that the system maintains the desired steam temperature, even under changing operating conditions, by adjusting the manipulated variables accordingly. By utilizing this innovative approach, power plants can operate more efficiently and with greater reliability, ultimately leading to increased productivity and decreased costs.
An interesting work that gives an overview of how a power plant works is the one that Firas, B.I. et al. wrote [4]. This paper aims to provide an overview of the development and application of intelligent computing tools, such as ANNs (artificial neural networks), in power plant management. It also presents some applications of intelligent computing tools in power plant operations management. Literature review techniques are used to demonstrate the use of intelligent computing tools in different power plant applications. The reviewed literature shows that ANN has the most significant potential to be the most reliable power computing and plant management tool.
As technology continues to advance, new methods are being developed to detect faults in various power plant components. A recent study by Yao, K. et al. proposes a single-shaft combined cycle power plant (CCPP) fault isolation scheme [5]. This scheme involves temporarily replacing the load control with the output power of the CCPP as a feedback signal to its load control system in the case of pulsating load mutation. This approach ensures the unit operation’s fuel quantity control and stability.
Another interesting approach is the machine learning integration proposed in [6] by Khalid, S. et al. in their paper. They propose developing an intelligent tube leak detection system to increase efficiency and reliability in modern power plants. Their idea of e-maintenance based on multivariate algorithms has also been introduced for intelligent fault detection and diagnosis in power plants.
However, these multivariate algorithms depend heavily on the number of input process variables. To address this, the paper proposes a machine learning-based model integrated with an optimal sensor selection scheme to analyze boiler water wall tube leakage. The proposed model was validated using a real steam power plants (SPP) test case and showed improved accuracy compared to similar models.
There are various issues that can arise with sensors in large power plants, which can have a significant impact on their performance. While numerous scientific studies examine and suggest various solutions to these issues [7,8,9,10], this paper will look at other faults that can occur within the system. Over the years, the analytical methods employed for detecting flaws have undergone significant transformations, with various models borrowed from related engineering disciplines. The need to rapidly address diverse boundary circumstances that arise during complex installations has necessitated the search for adaptable and flexible solutions to management and control issues. To this end, numerous works have been developed, integrating everything from hybrid parameter control techniques to machine learning algorithms [11,12,13]. Furthermore, the techniques presented in this article are also noteworthy, as they have been included in view of the outcomes attained through employing the algorithm.
The reliability, safety, and efficiency of technical processes in power plants are crucial for their optimal functioning. Achieving these objectives requires advanced control, monitoring, fault detection, and diagnosis methods. Early detection of process and equipment faults is essential to ensure equipment’s safe operation, prevent damage to power systems, avoid accidental stops, and enhance technological operations’ economic efficiency. This paper presents an alternative approach to detect and isolate faults in steam boilers and superheater systems. The proposed method combines mathematical models of power plants with the residual generator method and provides fast solutions in case of failures at different points of steam superheaters. The significant advantage of this structure is that it enables online monitoring capabilities, allowing timely intervention and ensuring optimal power plant performance. Moreover, the proposed method detects and localizes faults based on real-time information from measured process variables, making it easy to implement and providing several benefits, including detecting errors in airflow control modules, highlighting steam temperature measurement problems, detecting accuracy issues on steam flow measurements, and displaying the controller output. The method can be extended to other cases of faults, making it a versatile solution for power plant operators to detect equipment and process faults.

2. Methods of Fault Detection

Manufacturing systems consist of various machine tools, robots, and conveyor systems, all of which need to serve their purpose correctly to ensure efficient, high-quality production. In the literature, failure represents deterioration in operating performance and plant or automation equipment disruptions [14,15,16].
In a general sense, a fault changes a system’s behavior so that it no longer satisfies the purpose for which it was designed. On the one hand, it can be an internal event in the system that stops the power supply, breaks a link, or creates a leak in a pipe, or it can be a wrong command given by the human operator that takes the system out of the desired operating point, or it can be a system design error that has gone undetected until the system reaches a specific operating point where this error significantly reduces the performance of the system. In either case, the fault is the leading cause of change in system structure or parameters, ultimately leading to reduced system performance or even loss of system function.
Fault detection involves determining the occurrence of a malfunction of plant components or automation components (transducers, actuators, controllers) based on the plant’s response to standard commands.
According to studies, including [14], fault detection can be carried out using:
  • Measurements taken from transducers (usual or special) installed at key points of the installation, based on their information, the protection, signaling, and interlocking systems work in any industrial installation;
  • Analytical methods based on dedicated models and structures allow the detection and location of faults not detectable in the first case. These methods are based on current measurements existing in the monitoring and control system of the industrial plant.
According to the scientific paper by Kumar P. et al. and cited in the publication [16], it has been determined that multiplicative faults can emerge due to the influence of product terms of process variables on the overall process. This means that these faults arise due to the interdependent nature of multiple variables that simultaneously affect the process. In other words, such faults can be linked to the fact that certain variables can have a more significant impact when combined with other variables, with the overall effect on the process being more than the sum of their individual impacts. Conversely, additive faults occur when the process is influenced by adding process variables, which can also significantly impact the overall process.
Faults can be represented as unknown inputs acting on the system (additive faults) or as changes in plant parameters (multiplicative faults). This particular classification of faults as additive or multiplicative is usually carried out according to their nature, or sometimes it can be carried out arbitrarily. As will be seen, additive defects are simple to address; therefore, defects should be defined as additive defects whenever they can be reasonably justified. The different types of faults and disturbances and the relationships between them are centralized and presented in Table 1:
Most detection and diagnosis schemes consist of two levels: a symptom generation level and a diagnostic level. The first level indicates the status of the process (presence or absence of the defect). With the fault signature, the second level is used to diagnose faults.
The difficulty in constructing fault detection and diagnosis schemes is finding those significant manifestations robust to noise, disturbances, modeling uncertainties, and static operating point change. Modern approaches are based on process models and exploit mathematical relationships between different signals measured in the process. They allow a high-depth diagnosis but require accurate mathematical models of the process.
The performance of a detection and diagnosis system is given by:
  • Timeliness of detection—detection of faults soon after they occur;
  • Defect sensitivity—the ability of the system to detect relatively small deviations;
  • Robustness—the ability of the system to operate in the presence of noise, disturbances, and modeling errors, causing as few false alarms as possible;
  • Accuracy in avoiding incorrect identification of faulty components.
The general concept of fault detection and diagnosis can be divided into fault detection by generating fault symptoms, analytically and heuristically, and fault diagnosis. The detection and diagnosis procedure always centers around the following steps:
  • Extraction of information necessary to put into some form the characteristics associated with normal and abnormal operation, starting from appropriate means of measurement and practical observations provided by the personnel operating and supervising the plant or process;
  • The development of characteristics and signatures associated with symptoms indicative of malfunctions to detect a malfunction;
  • Detection of a malfunction by comparison with signatures associated with normal operating states and definition of detection confidence indicators;
  • The use of a method of fault diagnosis based on the use of cause-effect relationships;
  • Decision-making based on the consequences of detected faults. This stage may lead to shutting down the installation if the consequences are severe or to reconfigure the operation of the installation.
Analytical symptom generation means the quantification of analytical knowledge about the process. To this end, processing of the data resulting from measurements on the process must be carried out to first generate the characteristic values by:
  • Checking the limit values of directly measurable signals. Characteristic values are the signal tolerance overruns;
  • Analysis of the directly measurable signals uses signal models such as correlation functions, frequency spectrum, or autoregressive sliding averages (ARMA). Characteristic values are, for example, variances, amplitudes, frequencies, or model parameters;
  • Process analysis uses mathematical models of the process and parameter estimation methods, state estimation, or parity equations.
In some cases, particular information can be derived from these characteristic values, such as physically defined process coefficients or specially filtered or transformed residuals.
These characteristics are then compared with the usual characteristics of the defect-free process. For this purpose, methods are applied to detect and classify the changes produced by the defect. The resulting changes (discrepancies) in directly measurable signals or process patterns are considered analytical symptoms.
A first classification of these detection and diagnosis methods can be made into two main families:
  • According to whether or not a mathematical model of the process is used:
    Internal methods;
    External methods.
  • According to the use of cause-effect relationships:
    Inductive methods;
    Deductive methods.
Internal methods are mainly derived from techniques used in automation. Physical parameters evolve from physical or behavioral models validated by parameter identification techniques. This requires a thorough knowledge of the operation of the process in the form of mathematical models, and if no model is available, then human experience of the process must be used, and external methods of detection and diagnosis are resorted to. This category includes all methods based on artificial intelligence: pattern recognition, neural networks, or expert systems.
Depending on the operating conditions of the technological plant, fault detection methods can be classified into two main categories [11]:
  • Offline detection methods: in which the plant is investigated offline;
  • Online detection methods: implemented on the plant during operation.
Online detection methods, although often difficult to implement, are preferable because many faults can only occur when the plant is in operation and also because corrective measures can be applied in real time and online to maintain the safe operation of the plant.

2.1. Model-Based Fault Detection Methods

The problem is to detect deviations of execution elements and transducers in the process using dependencies between different measured signals. Mathematical models of the process express these dependencies. The primary structure of fault detection based on the process model is shown in Figure 1.
Based on the measured input U and output Y signals, the detection method generates the residuals r, based on estimators for the parameters or state variables X, referred to as “features”. By relating to the typical characteristics, changes in characteristics are detected, leading to analytical symptoms. In the figure, the dotted line, which defines the link between the output of the execution element and the model, is only sometimes practically feasible. However, it would be advantageous to separate execution element faults from process or transducer faults.

2.1.1. Process and Fault Modeling

Processes with concentrated parameters operating in an open loop will be considered. Static behavior can frequently be expressed by a non-linear characteristic, described by the Equation (1):
Y = β 0 + β 1 U + β 2 U 2 + .... + β q U q Y = Ψ T Θ ,
where
Ψ T = [ 1 U U 2 U q ] ,   Θ T = [ β 0 β 1 β q ] .
Considering minor signal variations around the operating point (Y0/U0), the input/output behavior of the process can be described by ordinary linear differential equations:
y ( t ) + a 1 y ( 1 ) ( t ) + + a n y ( n ) ( t ) = b 0 u ( t ) + b 1 u ( 1 ) ( t ) + + b m u ( m ) ( t ) ,
where y(t) = Y(t) − Y0, u(t) = U(t) − U0 are the variances of the variables concerning the steady state values and y ( n ) ( t ) = d n y ( t ) d t n are the nth-order derivatives of y(t).
The process model can be written in vector form:
y ( t ) = ψ T ϑ ,
With ψ T = y ( 1 ) ( t ) y ( n ) ( t ) u ( 1 ) ( t ) u ( m ) ( t ) ϑ T = a 1 a n b 0 b m
The process model can be written in transfer function form in relation (4) or state space by Equation (5).
H p ( s ) = y ( s ) u ( s ) = B ( s ) A ( s ) = b 0 + b 1 s + + b m s m 1 + a 1 s + + a n s n
x ˙ t = A x ( t ) + b u t
y t = C T x t

2.1.2. Methods of Fault Detection Based on Parity Equations

2.2. Definition of The Residue

A simple model-based fault detection method consists of a fixed model HM, which runs in parallel with the process model Hp, thus forming a shape output error:
r’(s) = [Hp(s) − HM(s)]u(s).
If Hp(s) = HM(s), the output error is influenced by additive faults on the input and output, as shown in Figure 2a:
r(s) = Hp(s)du(s) + dy(s).
Another possibility is to generate the error of the polynomial or the error equation.
The residuals depend only on the additive defects of the input dy and the defects of the output dy. The same procedure can be applied for multivariable processes using the model in state space.
The residue generator is a computational algorithm that operates based on measured plant variables, i.e., based on control values of control inputs and measured values of measured inputs and outputs.
Assuming that the residue generator is linear and has discrete dynamics, its generic form is:
r(t) = V(q)u(t) − W(q)y(t).
The residuals must be zero in the absence of unknown inputs, i.e., when the input-output Equation (10) is applied explicitly
y(t) = V(q)u(t) + W(q)y(t).
So
V(q)u(t) + W(q)Hq(t)u(t) = 0.
Therefore, V(q) and W(q) must satisfy the relationship
V(q) = W(q)Hq(t).
Moreover, in this case, the shape of the residue generator becomes:
r(t) = W(q)[y(t) − Hq(t)u(t)].
The generic Equation (13) can be used directly to implement the residue generator. In this case, the implementation is reduced to the determination of the matrix W(q) so that the design specifications are met; V(q) is then determined from the relation (12).

2.3. Fault Detection Using the Residual Generator

The primary residual r(s) is defined as the difference between the process output yr(s) and the model output ym(s). Ideally, the residuals may be affected by defects. Often, disturbances, noise, or modeling errors will cause specific components of the residual vector r(s) to become non-zero, which will be used in fault detection.
The residual generator must be designed to be unaffected by variations caused by disturbances, noise, or modeling errors defined in the literature as problem inputs, making it robust against them.
It must have robust detection properties and be so designed as to ensure fault location. Localization, however, always requires a set of residuals. The residue set must have distinctive properties and unique characteristics of particular defects to facilitate defect localization.
The design of residue sets for this purpose considers intensified residues. There are two higher fundamental approaches to residuals: structured and directional residuals.
Structured residuals. Structured residues are set up so that each residue corresponds to a different subset of defects and is independent of the others; when a defect occurs, some residues may respond, and others may not.
We define the primary residues r(s) = ym(s) − yr(s) and the structured residues R(s) = W(s) × r(s) as:
r s = r 1 s r 2 s ,   R s = R 1 s R 2 s .
The primary residual R(s) is obtained by multiplying the primary residual r(s) by a weighting matrix W(s) that provides decoupling concerning the defects. The new residual R(s) will be of the form
R(s) = W(s)r(s) = Z(s)Hd(s),
where Z(s) is a diagonal matrix of the form:
Z ( s ) = Z 11 ( s ) 0 0 Z 22 ( s ) ,
and the weighting matrix W(s) is of the form:
W(s) = Z(s)[Hd(s)]−1.
Directional residues. Directional residuals are designed such that, in response to a particular fault, the residual vector is confined to a fault-specific straight line at any time, including the transient regime.
With directional residuals, fault localization determines which predefined fault direction the observed residual vector is attached. A set in which each residual corresponds to a single defect is structured and directional. Such sets are essential in locating multiple defects and can serve as a common basis for structural or directional design. These residuals are also called diagonal residuals or primary residuals.

3. A Mathematical Modelling Method of the Proposed System

To ensure maximum safety, analyze and identify potential hazards and risk factors in each production area. Consistent monitoring, fault diagnosis and control strategies, and safety-oriented control systems are essential. Implementing digital equipment for distributed control and early fault detection can enhance safety in existing plants. Thermo-electrical power plants using gas or liquid typically have traditional regulation, safety, and alarm systems. Modification with digital signals can improve control. Implementing a hierarchical monitoring system can ensure consistent equipment surveillance and fault detection.
In single-variable systems, the failure of a single execution element can have severe consequences and ultimately render control over the process impossible. Doubling or tripling the servomechanisms is an effective solution to prevent such situations. However, in multivariable systems, identifying and leveraging the inter-influences between input and output sizes can help to compensate for the failure of a single servomechanism at a different level of performance.
It is crucial to maintain a constant steam temperature before it reaches the turbine blades’ tips to ensure optimal performance. To achieve this, the superheater is divided into three sections, each equipped with devices that enable condensate injection for cooling the steam at every point of connection. The pressure is regulated by the combustible capacity command.
Despite the efforts to control the output temperature through the superheater assembly, it can be challenging due to the time delay between where the water is sprayed and where the steam temperature is measured. Additionally, the system’s distributed nature adds to the complexity of temperature control.
To address this, a sophisticated control structure with distributed parameters must be implemented in the system. The automatic equipment is grouped based on the charges for high efficiency and lead steering. The sensors gather information from the process, and the actuator activates the process through continuous and discontinuous action to automatically regulate the temperature.

3.1. Testing Equivalent Models of Steam Superheaters for Actuator Faults

3.1.1. Steam Superheaters Model

The thermal scheme of the steam superheater assembly is shown in Figure 3. Saturated steam taken from the reboiler system passes successively through 3 or 4 superheaters located in the flue gas path taking the heat required to reach the required final value Ta = 545 °C.
In the case of superheaters in steam boilers, the thermal agent (flue gas) and the product (steam) are dictated by other processes, independent of the exchanger, and cannot be changed at will. To regulate the temperature of the live steam, the superheater is divided into two or more parts, and devices are installed at the connection points to cool the steam by condensate injection (Figure 3). In modern steam boilers with high steam flow rates, three superheating stages with two water injections are generally provided as shown in Figure 3. A single superheat step with a single injection device would be insufficient to control the temperature within narrow limits, given the character of a distributed process with large time constants and strongly acting disturbances on the controlled process.
Based on the analysis of the heat transfer process in steam superheaters, the block diagram shown in Figure 4 corresponds to the superheated steam temperature Ta.
Steam superheaters can be regarded as a set of autoclave-type heat exchangers with a coil. The steam flow temperature Ta at the output of the last superheater (representing the output size) depends on the boiler inlet sizes (steam flow rate Fac, exhaust gas flow rate Fge), which can be changed externally, and on the boiler internal size (gas temperature Tg) which will be defined by the block MTg, depending on the combustion process, thus on the air flow rate A and the fuel flow rate B. For the control of the live steam temperature, the injection water flow rate Winj is chosen from the input sizes, the rest of the input sizes are used to control other parameters.
The automatic control system has the task of ensuring constant output temperatures of superheaters SA2 (T3 by Winj1 control) and SA3 (Ta by Winj2 control)—see Figure 5. Simple structures of automatic control systems will not meet the requirements due to the speed of the steam transfer process (low inertias due to high flow rates, high inertias in the heat transfer channels) and the high performance required of the system.
The boiler’s superheater increases the temperature of live steam at the boiler’s outlet as the load increases due to its convection characteristic. Winj1, Winj2 water injections are used to cool the superheater and maintain a constant temperature. The superheater outlet temperature is controlled, while the superheater inlet temperature serves as an auxiliary control.
To regulate the temperature, a cascade control system is used. This system has a P-type intermediate controller for local compensation of disturbance effects and a PI central controller for maintaining the steam temperature at the superheater outlet. During load changes, a pre-pulse is given by the diverter element D on the injection water flow when there is a difference between the fuel and live steam flow. This helps to reduce temperature oscillations caused by load changes.
The control structure currently being used for further experiments is in place at two of Romania’s thermal power plants. This structure utilizes three identical temperature sensors placed in equivalent positions. While it has its downsides, such as increased mass loading, power consumption, and practical volume, the majority vote method is still widely used due to its fault tolerance.
It has been noted that various faults can occur in the installation or control structures, which is why it is vital to develop new detection strategies. These strategies should allow for the type of fault and its location to be specified based solely on current measurements collected from the process, with a minimum of additional equipment required for direct management.
Another issue that needs to be addressed is how to handle faults when they occur. Should the plant be shut down, or should operations continue with a new control algorithm? These decisions need to be made while keeping in mind external connections but staying within the safety limits of the power unit.
It can be quite challenging to assess the effectiveness of the intricate control structure that regulates the steam boiler. This is because it relies on mathematical and/or physical models of electronic superheaters, which are not easily observable. Fortunately, there is a wealth of helpful literature available that presents a range of models for the steam superheaters commonly used in steam power plants. These models can provide valuable insights into the functioning of the superheaters and help ensure that they operate safely and reliably.
In the following, a simplified scheme, as shown in Figure 6, will be used to develop the mathematical model of a superheater. It can be seen how the heating pipe groups SA1, SA2, and SA3 are located, and these heating pipes have the respective gas zones SG1, SG2, and SG3. Due to complex mathematical models, it is easier to approximate these modules with concentrated parameter equations.
To determine the mathematical model, it is necessary to make some clarifications on the quantities involved in the processes, namely:
-
The temperatures Ta1, Ta2, and Ta3 at the outputs of every overheated area were measured with their adequate transducers.
-
The adjusting and regulation of the temperature Ta2 and Ta3 was performed with the help of the injection flow Winj1 and Winj2;
-
Ft is steam flow at the input of the turbine and represents the primary measurable disturbance;
-
The temperature of the burning gas Tgi and the gas flow Fg, at the input of the overheaters area, hides immeasurable disturbances but can give information on the faults in the fuel-burning process.
Based on the block diagram, it is clear that there are certain pairs that are directly influenced by fault-measurable output magnitude, such as Winj-Ta2 and Winj2-Ta3. Additionally, one has access to the pair Tg-Ta1, although it may also simultaneously affect Ta2 and Ta3. It is important to note that disturbances in the vaporization system, such as Tai and Fai, can also have an impact on Ta1. The mathematical model of this system is described by Equations (18)–(23), which were calculated using the steady state for a 420 t/h steam boiler working at 13.7 MPa and 823 K, and using coal and oil as fuels. By using the mass and heat transfer balance equations for each heat exchanger and injector, one can derive equations that correspond to the lumped parameter model of the superheater’s area. The heat exchange surfaces found on the steam circuit’s boiler are utilized for the initial steam superheat stage. The heat exchange process is accomplished through convection, with a steam flow rate of 407.83 t/h. The steam flows through the superheater pipes in opposition to the flue gas. Within these surfaces, the steam is superheated from saturation temperature up to 396.7 °C.
The entirety of the superheater is comprised of pipes with an internal volume of 25 [m3], a total steam flow of 407.03 [t/h], and a flue gas volume of 52 [m3]. For each superheater, the balance equations are as follows:
T t a 1 d T a 1 d t = ( a a 1 i T a 1 i a a 1 T a 1 ) F a 1 + b a 1 ( T g 3 T a 1 ) ,
T t a 2 d T a 2 d t = ( a a 2 i T a 2 i a a 2 T a 2 ) F a 2 + b a 2 ( T g 1 T a 2 ) ,
T t a 3 d T a 3 d t = ( a a 3 i T a 3 i a a 3 T a 3 ) F a 3 + b a 3 ( T g 2 T a 3 ) ,
T t g 1 d T g 1 d t = ( a g 1 i T g 1 i a g 1 T g 1 ) F g 1 + b g 1 ( T g 1 T a 2 ) ,
T t g 2 d T g 2 d t = ( a g 2 i T g 2 i a g 2 T g 2 ) F g 2 + b g 2 ( T g 2 T a 3 ) ,
T t g 3 d T g 3 d t = ( a g 3 i T g 3 i a g 3 T g 3 ) F g 3 + b g 3 ( T g 3 T a 1 ) ,
T F a 1 d F a 1 d t = F a 1 + F a 2 W i n j 1 ,
T F a 2 d F a 2 d t = F a 2 + F a 3 W i n j 2 ,
T F a 3 d F a 3 d t = F a 3 + F T ,
where   T t a x = ρ a x c a x V a x F T c T ;   T t g x = ρ g x c g x V g x F g ρ g i c g i ;   x = 1 ,   2 ,   3 ;
and aax, agx, and bgx are constants determined from the boiler’s data.

3.1.2. Steam Superheaters Model for Experiments

It is essential to be aware of the faults and perturbations that can occur in processing equipment or auxiliary equipment, as they can significantly impact the plant’s performance and safety. These faults can lead to reduced productivity and increased costs, so it is crucial to evaluate the system’s performance and diagnose any issues that may cause a loss or decrease in performance. To detect and identify faults, a detection and identification model is needed.
In the case of steam superheater fault detection and localization, various methods have been explored. However, it is important to conduct experiments to test and verify the residual method generator in this instance. Previous experience has shown that this approach could be effective in similar situations and could be a potential solution to this problem.

3.2. The Equivalent Electronic Model of Superheat

To conduct certain experiments on power plant subsystems, it is sometimes necessary to search for equivalent systems and subsystems based on mathematical models. The first solution that has been proposed is to create an equivalent electrical/electronic system of a steam superheater that can be used to simulate various faults. This would help researchers better understand the performance of different subsystems under different conditions, and could ultimately lead to better engineering solutions for power plants.
Developing an equivalent electronic circuit begins with a thorough analysis of the superheater structure depicted in Figure 7. From there, the mathematical model outlined by Equations (18)–(26) is extracted to ensure that the circuit functions efficiently and accurately. As a result of this approach, an exact representation of the circuit that meets all requirements was created.
It is necessary to establish a correspondence between the actual (measured) temperature inside the superheater and the voltage at the equivalent point of the electronic circuit simulating the superheater. The first step in such an experiment is to establish a correspondence between the measurement scales of the quantities involved in the description of each circuit. In this case, it is necessary to create a relationship between temperatures and electric currents, i.e., voltages that intervene when analyzing an electronic circuit. To achieve this, one can see in Table 2 the relationship between all the quantities involved in the experiment. Due to the orders of magnitude of the magnitudes one is working with, the temperature scale 0–1000 °C and the 0–10 V equivalent voltage range of the electronic simulation modules with a conversion factor of 1/100 [V/°C] will be considered.
Based on the given information, it can be observed that the temperature of the steam and gas varies at different sections. For instance, the temperature of the steam at the output of the drum is 345 °C, which increases to 396 °C at the output of the first superheater. Similarly, the temperature at the output of the second superheater is 453 °C, and the third superheater’s output temperature is approximately 570 °C, which is the input temperature of the turbine. The temperature of the gas also varies along the three sections, as shown in Table 2.
In order to simulate the first-order differential equations in the mathematical model, an electronic circuit consisting of an RC group and an operational amplifier in a summing assembly will be utilized. Depending on the sign of the terms of the equations, it will be utilized as either direct or inverse action. To eliminate inter-influences between the RC cells, it is necessary to introduce operational amplifiers. Choosing the appropriate feedback resistors will ensure the necessary amplification factors from one module to another. Additionally, by adequately biasing the non-inverting input or inverters, it will be able to establish the steady-state voltages at specific points of the circuit that correspond to the equivalent values of the temperatures in the superheaters of the steam boiler. This enabled the study of the actual superheating process qualitatively and quantitatively on the electronic simulator. Furthermore, each module of the electronic simulator corresponds to Equations (18)–(23) for the steam and gas zones of the superheaters and (24)–(26) for the injection blocks. The delays that occur during the overheating of the steam and gas corresponding to the (18)–(26) are entered using an RC circuit assembly, as can be seen in Figure 8. All the modules corresponding to the block diagram in Figure 6 have been realized in this way. For the injectors, an electronic structure has been chosen around an operational amplifier simulating the block diagram.
The equivalent mathematical model is obtained by applying Ohm’s law and Kirchhoff’s two theorems for the next step. The system Equations (27)–(32) are equivalent to the dates obtained (18)–(26), and the simulator reproduces the same dynamics of the real process.
i = i C ,
u C + R C d u C d t = V ,
U c ( s ) + r c U c ( s ) = V ( s ) ,
U c ( s ) = 1 R C s V s = 1 1 + τ s V ( s ) ,
U e ( s ) = k U C s = k 1 + τ s V ( s ) ,
k = R 1 R .
where: I—is the intensity of the electric current through the circuit, R—is the electric resistance, and C—is the capacitor.
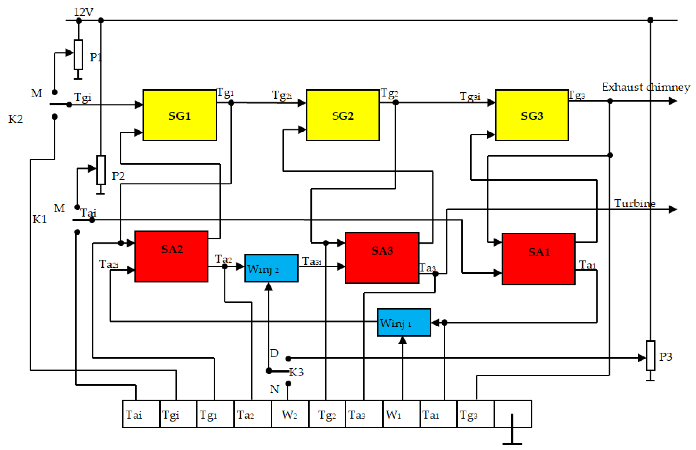
The configuration, as shown in Figure 7, was accomplished by utilizing the electronic simulator for the steam superheater heat. The scheme has several connections that allow the application of measuring instruments or the ports of entry and exit of the data acquisition to an electronic simulator. On the simulator board, on the right of each terminal of the clamped string, process variables are passed: measurable variables; the temperature gas out of each segment analyzed, namely Tg1, Tg2, Tg3 and the temperatures steam Ta1, Ta2; the command variables corresponding order flow injection Winj1 and Winj2; the command variables corresponding to order flow injection and Winj2; the principle disturbances of the process Tgi—the temperature gases in the area of the furnace and Tai—the steam temperature in the area vaporizations. The perturbations in the electronic simulator can be locally amended by using potentiometers P1 and P2 or through signals applied to the terminals Tai and Tgi of the string clamps, as shown in Figure 7. Switch K1K2 on the board assembly allows for the selection of two situations: C for computers, and M for manual operation. However, it is essential to note that there is a possibility of a fault occurring, which may result in the actuator on the flow injection of injector Winj2 being blocked by switch K3. In the event of a fault, the value of the flow injection W2 can be set in potentiometer P3. The command is available to study the function in the manual regime of the simulator. Figure 9 presents the scheme of the electronic simulator of all superheaters, which are simulated physically and electronically on the circuit of operational amplifiers and electronic components such as resistors and condensers. The scheme has apparent points of measurement (temperatures) and points of order W1 and W2 and links to their range of clamps to connect to devices measuring apparatus or data acquisition. On this simulator, final tests of the stationing values voltages have been conducted in various values of the electronic circuit corresponding to temperatures scale in various moments of the whole real steam superheaters it was studied.
Furthermore, these final tests were conducted on the simulator in parallel with tests on the simulation models used in the design phase and making of the electronic circuit. The simulations were made in a stationary regime.
After the physical realization of the circuits, the next stage focused on treating the defects. To do so, it was necessary to obtain a systems model in state space that would enable the user to simulate the faults and create a residual generator. To achieve this, it was necessary to linearise the mathematical model of the entire system as defined by Equations (18)–(26) and extract the transfer matrix around the steady state point at constant input sizes (Fg = ct., Fai = ct., Tgi = ct., Tai = ct.):
T a 2 ( s ) T a 3 ( s ) = H 11 ( s ) H 12 ( s ) H 21 ( s ) H 22 ( s ) W i n j 1 ( s ) W i n j 2 ( s ) ,
and for the steady state, the equations are:
T a 20 * = k 11 W i n j 10 * + k 12 W i n j 20 * ,
T a 30 * = k 21 W i n j 10 * + k 22 W i n j 20 *
In any complex process, there is always a possibility of defects or issues arising in various places or modes of operation. For instance, the control valves on the Winj1 and Winj2 injection streams may face blocking or hysteresis when working. Similarly, unusual fuel combustion or incorrect depression control in the firebox can lead to gas temperature or flow Fg variations. Additionally, changes in steam flow to the turbine and heat transfer coefficients due to debris outside or inside superheater pipes can also cause problems. Therefore, it is crucial to monitor and address any such issues promptly to ensure the smooth functioning of the process.
To avoid issues, it is important to know the appropriate action channels and how they are affected. Figure 6 shows processes with different time constants. SA1, SA2, and SA3 take longer, while SG1, SG2, and SG3 take less time. By analyzing the block diagram, one can identify the pairs that directly affect the measurable output: Winj and Ta2, along with Winj2 and Ta3. This information is crucial for quickly and effectively addressing any faults. To detect faults in the steam temperature Ta2 and Ta3, the blocks in Figure 10 will be used. The actuators AC1 and AC2 are linked to the injection flow Winj1 and Winj2. The deviation vector DE is a matrix function that is based on the fault vector DE.
D E = D E 1 D E 2 = T a 2 T a 2 m T a 3 T a 3 m = F W i n j 1 W i n j 2 .

4. Experimental Results and Discussions

The final tests on the voltages at various points of the electronic circuit were conducted on the simulator, corresponding to the temperatures at a scale of 1/100 of the real steam superheater assembly at the Isalnita Thermal Power Plant boilers. These tests were run in parallel with the simulations carried out during the design and construction phase of the circuit. The simulations were conducted in a stationary mode. For the tests on the mock-up, a DC voltage stabilizing source was utilized, with V1 at 10 V for the live steam + gas input (green connector), V2 at 12 V for the operational amplifier supply (red connector), and V3 at 5 V for the Winj1 and Winj2 injectors input.
Figure 11 is a visual depiction of the steam temperature control framework within the simulated superheater utilizing BORIS software (the basic module of WinFACT 10). BORIS is a program that facilitates dynamic system simulation through directed blocks. One of the principal benefits of BORIS is its extensive library, which allows for the simulation of nearly any type of dynamic system. Furthermore, BORIS can utilize a vast number of blocks, limited only by the computer’s memory and the optimal arrangement of the block structure.
The simulator shown in Figure 7 has been predicted to have potential malfunctions. These malfunctions include a Winj2 actuator fault that can be simulated by substituting the control signal from the temperature regulator Ta3 with a constant voltage supplied from the supply voltage source adjustable via potentiometer P3. It is also possible to simulate a change in steam temperature at the entry to the superheater, corresponding to a fault in the steam system, by using switch K1. Finally, it is possible to simulate a change in flue gas temperature in the entry zone of the superheater, corresponding to a fault in the combustion zone, using switch K2. As previously stated, this paper chose to focus on experiments where actuator faults are present.
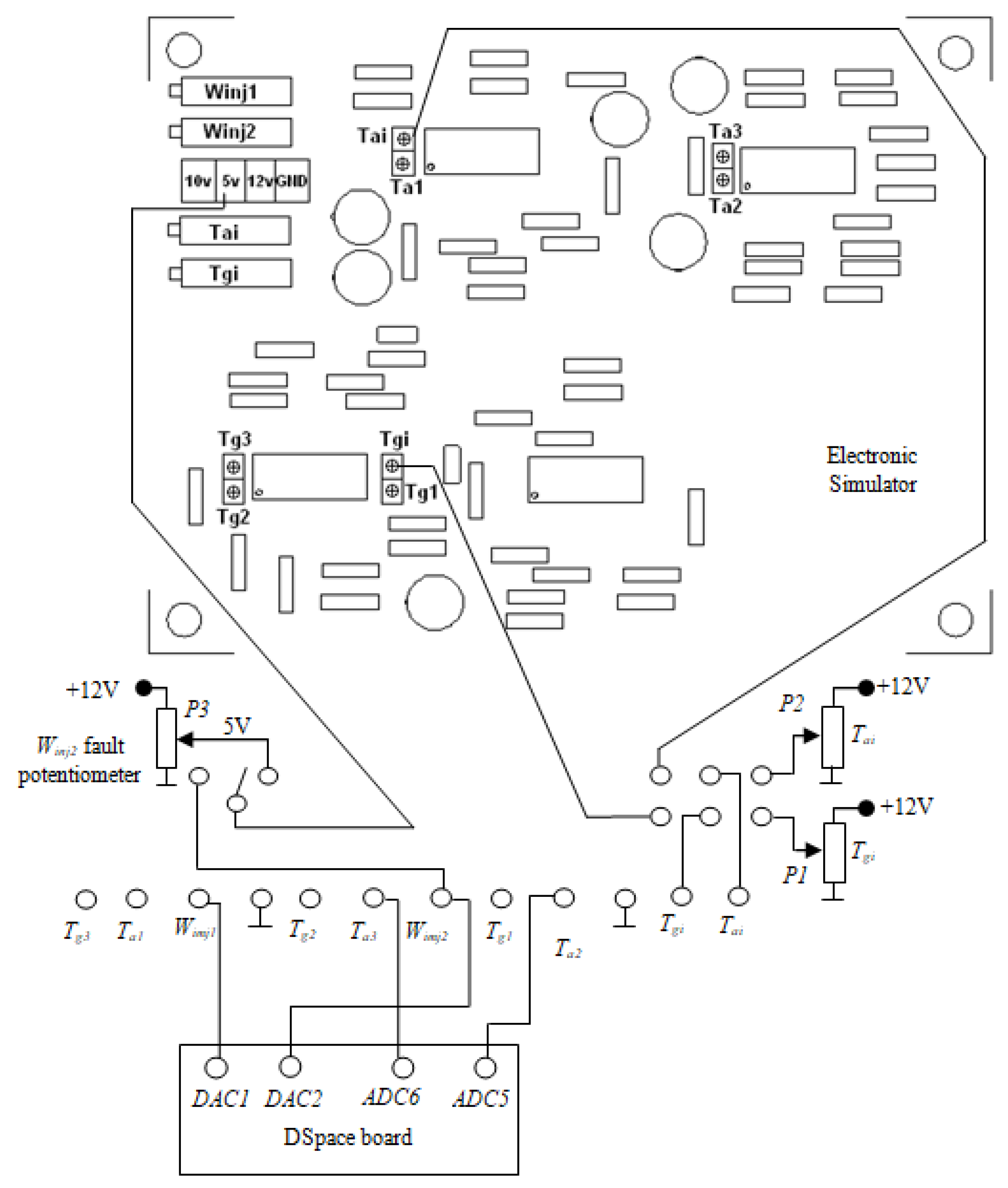
The next step was to collect information from the electronic simulator. This step was performed by connecting the simulator to an acquisition board. For these experiments there were used the data acquisition board dSpace, the data acquisition board Cassy lab, an electronic simulator for the three superheaters, and MATLAB/Simulink.
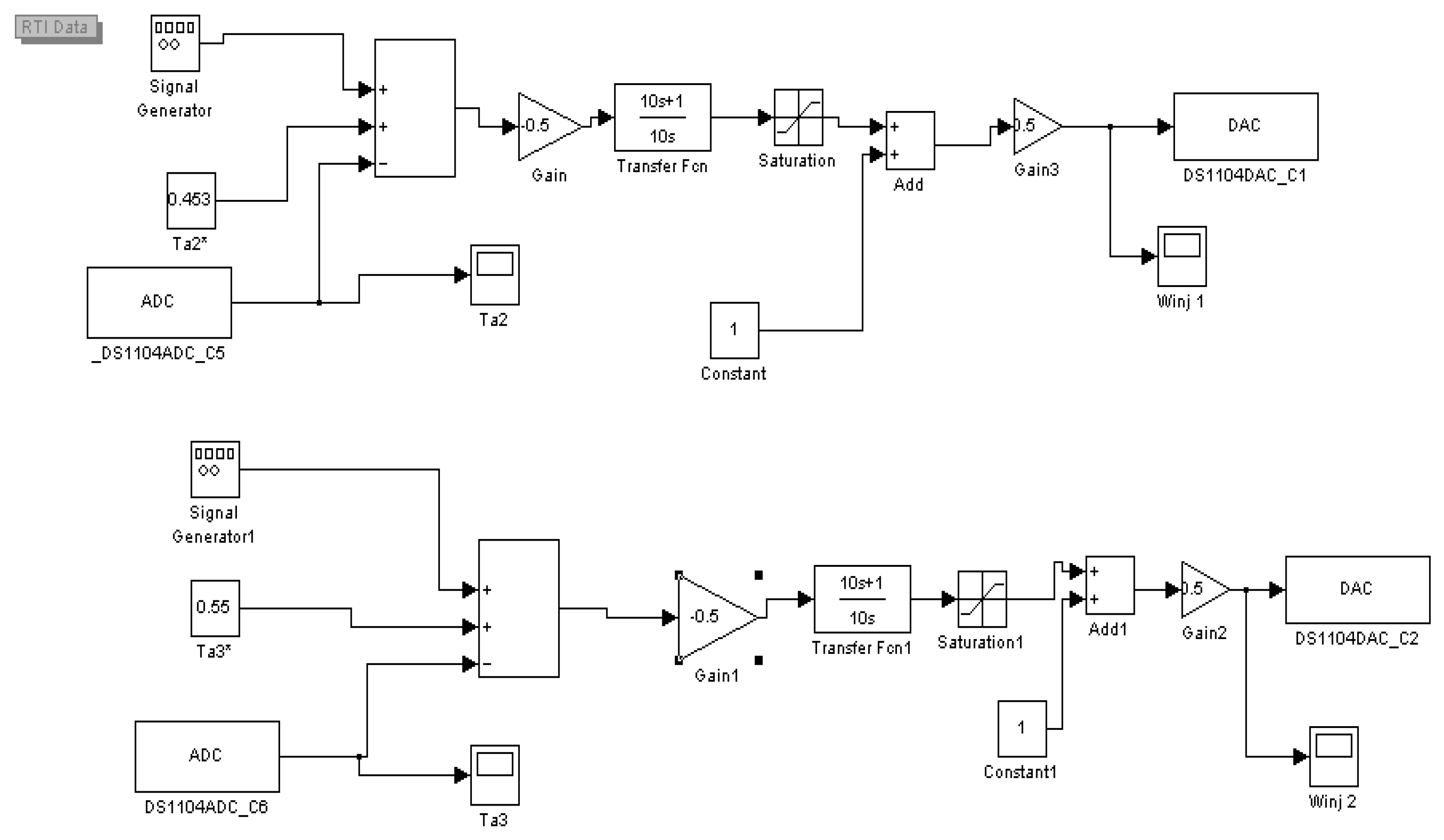
The next step will utilize the electrical diagram of the electronic simulator shown in Figure 12 and the data acquisition board dSpace to perform the simulation. The steam temperatures Ta2 and Ta3 are connected to the input of the data acquisition board dSpace ADC5 and ADC6, respectively. On the other hand, the injection flow Winj1 and Winj2 are connected to the output of the data acquisition board dSpace DAC1 and DAC2, respectively. If you are using the dSPACE 1104 system, MATLAB Simulink can be used to implement the block diagram from Figure 13 which utilizes a PI control law. The scheme consists of two signal generators that have adjustable frequency and amplitude, two input constants (T*a2 = 4.53 and T*a3 = 5.5), two input channels of the dSPACE board (ADC5, ADC6), and two output channels of the dSPACE board (DAC1, DAC2). Once you have made the appropriate settings for the dSPACE 1104 system, you can proceed with your simulation.
After experimenting, some interesting results were obtained. In one scenario, a fault in the actuator was simulated that affected the temperature Ta3. To ensure accuracy, elements were introduced in the electronic scheme to simulate response delay. After that, the system was allowed to reach a steady state before applying the fault via switch K3, which was locked to simulate a temperature drop. Once the fault appeared, it was detected using a residual generator for the system. Following the introduction of the fault, this one was detected via a residual generator for the system.
Figure 14, Figure 15 and Figure 16 show the results of the experiment. First of all, it can be seen that at a time t = 650 s (in this experiment), due to the failure of the execution element controlling Winj2, there is an influence on the temperature Ta3. As expected, and as can be seen in Figure 14a, the value of Ta3 (symbolized by the green color) has a variation in the sense that it slightly decreases at t = 650 s (at the appearance of the fault) and slightly increases at t = 1350 s (at the end of the fault removal procedure). In Figure 14a, one can see that the temperature Ta2 (simulated with the blue color) does not change, as expected because a defect in Winj2 only influences the temperature in section three of the system.
Figure 14b plots the temperature Ta3 versus Ta3m, which represents the temperature affected by the defect occurrence and then affected by the defect removal procedure using the residuals generator method.
Figure 15 and Figure 16 show an overview of the evolution of the calculated residuals for the case in the experiments.
The following experiments were performed under the same assumptions, namely the defect in the actuator influencing Winj2. The following presents the graphical results of the simulations for a time interval from t = 150 s to t = 600 s. When analyzing the temperatures, it can be seen that Ta3 will decrease from 570 °C (as it was initially) to 540 °C. All the results of this experiment can be seen in Figure 17 and Figure 18.
The third experiment was performed under the same actuator fault conditions influencing the Ta3 temperature evolution. In this case, the prescribed temperature value should be Ta3 = 570 °C. It is desired to maintain this temperature and the transient regime generated by the occurrence of the fault to last as short as possible. After the event, the time interval t = 150 s to approximately t = 600 s is taken for analysis. All results will be plotted in Figure 19 and Figure 20.
Through a series of experiments, it has been found that the structures for fault detection and location outlined in this article are highly effective in assisting operators at a thermal power plant in identifying any potential faults that may arise within the steam boiler and superheating system. To test the validity of these structures in real time, an electronic simulator of the steam superheater was employed. This allowed researchers to conduct a thorough examination of a range of factors related to communications on the analog and digital buses between the transducers and computing equipment, as well as between the computing equipment and the execution elements.
The fault detection method that was chosen has been found to be highly responsive, delivering quick and accurate results. However, it is important to note that there are certain limitations that may impact the accuracy of the method, including the need for linearization of the system of equations describing the process at specific points, as well as limitations related to access to power plant data. Despite these limitations, the results of this study are promising and provide a solid foundation for further research and development in this area.

5. Conclusions

The research proposes a method of fault detection and localization for steam superheaters in thermal power plants that can be implemented without additional equipment. The method combines mathematical models of power plants with the residual generator method, resulting in an algorithm that provides fast solutions in case of failures at different points of steam superheaters. The experiments were carried out considering a faulty execution element, but the proposed method can be extended to other cases of faults.
One of the significant advantages of the proposed method is that it detects and localizes faults based on real-time information from measured process variables. This system is easy to implement and has provided several benefits, including detecting errors in airflow control modules, highlighting steam temperature measurement problems, detecting accuracy issues on steam flow measurements, and displaying the controller output.
Methods of fault detection and location for steam superheaters in the thermal power plant were verified using mathematical models developed in MATLAB Simulink and an electronic simulator. The real-time acquisition and regulation systems mentioned above were beneficial in this process. The simulator was used to study the natural response to the action of disturbances and the possibilities of compensating the effect of the fault on the system. In addition, this paper studies an automatic steam temperature control structure. Using a software model of the superheater, the electronic simulator, the PC system, and the analog input-output data acquisition system, it was possible to consider the delays and noises occurring on the information transmission channels between the process and the digital control equipment. This simulator was used to develop fault detection and localization programs for execution elements (EE), aiming at the concrete application of fault detection and localization methods using the residual generator on a real process while at the same time making an analogy with equivalent industrial plants in thermal power engineering.
The proposed method of fault detection and localization for steam superheaters in thermal power plants has several advantages, but it is essential to consider the potential disadvantages of this method. The number of residuals that can be defined in this method is limited to the measurable process variables. As a result, the defects that can be detected directly depend on the number of residuals. However, this apparent disadvantage can be mitigated with additional processing. By analyzing the distinct possible combinations of “0” and “1” in the residual vector columns, it may be possible to detect other defects. This information is critical to keep in mind while implementing the proposed method.
The approach outlined in this paper has the potential to facilitate the development of a sophisticated multi-level laboratory monitoring platform in the future. By integrating existing laboratory platforms into a centralized structure that incorporates defect monitoring, detection, and localization, this platform could offer a comprehensive solution for monitoring multiple laboratory processes. Furthermore, this structure could be extended to create integrated software products suitable for use in programmable logic controllers (PLCs) or process computers, making it a versatile tool with broad industrial applications.

Author Contributions

Conceptualization, C.A.M., V.M.R. and C.F.P.; methodology, C.A.M.; software, C.A.M. and V.M.R.; validation, C.A.M., V.M.R. and C.F.P.; formal analysis, C.A.M.; investigation, C.A.M. and V.M.R.; resources, V.M.R. and C.F.P.; data curation, C.A.M.; writing—original draft preparation, C.A.M. and V.M.R.; writing—review and editing, C.F.P.; visualization, C.F.P.; supervision, C.A.M.; project administration, C.A.M., V.M.R. and C.F.P.; funding acquisition, V.M.R. and C.F.P. All authors have read and agreed to the published version of the manuscript.

Funding

This research received no external funding.

Institutional Review Board Statement

Not applicable.

Informed Consent Statement

Not applicable.

Data Availability Statement

Not applicable.

Conflicts of Interest

The authors declare no conflict of interest.

References

  1. Khaleel, O.J.; Ismail, F.B.; Ibrahim, T.K.; bin Abu Hassan, S.H. Energy and exergy analysis of the steam power plants: A comprehensive review on the Classification, Development, Improvements, and configurations. Shams Eng. J. 2022, 13, 101640. [Google Scholar] [CrossRef]
  2. Swiercz, M.; Mroczkowska, H. Multiway PCA for Early Leak Detection in a Pipeline System of a Steam Boiler—Selected Case Studies. Sensors 2020, 20, 1561. [Google Scholar] [CrossRef] [PubMed]
  3. Wang, D.; Wu, X.; Shen, J. An Efficient Robust Predictive Control of Main Steam Temperature of Coal-Fired Power Plant. Energies 2020, 13, 3775. [Google Scholar] [CrossRef]
  4. Firas, B.I.; Ammar, A.B.; Rami, H.A.H.; Deshvin, S. Application of Intelligent Computational Techniques in Power Plants: A Review. Adv. Ind. Eng. Manag. 2021, 10, 10–21. [Google Scholar] [CrossRef]
  5. Yao, K.; Wang, Y.; Li, Z.; Li, J.; Wan, J.; Cao, Y. Fault Detection and Isolation of Load Mutation Caused by Electrical Interference of Single-Shaft Combined Cycle Power Plant. Appl. Sci. 2022, 12, 11472. [Google Scholar] [CrossRef]
  6. Khalid, S.; Lim, W.; Kim, H.S.; Oh, Y.T.; Youn, B.D.; Kim, H.-S.; Bae, Y.-C. Intelligent Steam Power Plant Boiler Waterwall Tube Leakage Detection via Machine Learning-Based Optimal Sensor Selection. Sensors 2020, 20, 6356. [Google Scholar] [CrossRef] [PubMed]
  7. Li, D.; Wang, Y.; Wang, J.; Wang, C.; Duan, Y. Recent advances in sensor fault diagnosis: A review. Sens. Actuators A Phys. 2020, 309, 111990. [Google Scholar] [CrossRef]
  8. Jiang, Y.; Yin, S.; Dong, J.; Kaynak, O. A Review on Soft Sensors for Monitoring, Control, and Optimization of Industrial Processes. IEEE Sens. J. 2020, 21, 12868–12881. [Google Scholar] [CrossRef]
  9. Javaid, M.; Haleem, A.; Singh, R.P.; Rab, S.; Suman, R. Significance of sensors for industry 4.0: Roles, capabilities, and applications. Sens. Int. 2021, 2, 100110. [Google Scholar] [CrossRef]
  10. Węglarz, K.; Taler, D.; Taler, J.; Marcinkowski, M. Numerical Modelling of Steam Superheaters in Supercritical Boilers. Energies 2023, 16, 2615. [Google Scholar] [CrossRef]
  11. Prasanth, S.; Narayanan, S.; Sivakumaran, N.; Sharanya Rominus, R.S. A hybrid technique to control superheater steam temperature in power plants using multi modeling and predictive sliding mode control. Sustain. Energy Technol. Assess. 2023, 55, 102912. [Google Scholar] [CrossRef]
  12. Wang, J.; Zhao, S.; Wang, E.; Zhao, J.; Liu, X.; Li, Z. Incipient Fault Detection in a Hydraulic System Using Canonical Variable Analysis Combined with Adaptive Kernel Density Estimation. Sensors 2023, 23, 8096. [Google Scholar] [CrossRef] [PubMed]
  13. Khalid, S.; Hwang, H.; Kim, H.S. Real-World Data-Driven Machine-Learning-Based Optimal Sensor Selection Approach for Equipment Fault Detection in a Thermal Power Plant. Mathematics 2021, 9, 2814. [Google Scholar] [CrossRef]
  14. Patel, H.R.; Shah, D.V. Fault Detection and Diagnosis Methods in Power Generation Plants-the Indian Power Generation Sector Perspective: An Introductory Review. PDPU J. Energy Manag. 2018, 2, 31–49. [Google Scholar]
  15. Dai, Y.; Cheng, F.; Wu, H.; Wu, D.; Zhao, J. Chapter Five—Data driven methods, Methods in Chemical Process Safety; Elsevier: Amsterdam, The Netherlands, 2020; Volume 4, pp. 167–203. [Google Scholar]
  16. Kumar, P.; Tiwari, R. A review: Multiplicative faults and model-based condition monitoring strategies for fault diagnosis in rotary machines. J. Braz. Soc. Mech. Sci. Eng. 2023, 45, 282. [Google Scholar] [CrossRef]
Figure 1. Fault detection based on the process model.
Figure 1. Fault detection based on the process model.
Applsci 13 11476 g001
Figure 2. Additive (a) and multiplicative (b) faults.
Figure 2. Additive (a) and multiplicative (b) faults.
Applsci 13 11476 g002
Figure 3. Structure of condensate injection superheaters.
Figure 3. Structure of condensate injection superheaters.
Applsci 13 11476 g003
Figure 4. Block diagram corresponding to temperature Ta.
Figure 4. Block diagram corresponding to temperature Ta.
Applsci 13 11476 g004
Figure 5. Thermomechanical diagram of superheaters.
Figure 5. Thermomechanical diagram of superheaters.
Applsci 13 11476 g005
Figure 6. Block diagram of steam superheaters.
Figure 6. Block diagram of steam superheaters.
Applsci 13 11476 g006
Figure 7. Electrical diagram of the electronic simulator.
Figure 7. Electrical diagram of the electronic simulator.
Applsci 13 11476 g007
Figure 8. T-type RC circuit.
Figure 8. T-type RC circuit.
Applsci 13 11476 g008
Figure 9. Steam superheaters’ electronic simulator.
Figure 9. Steam superheaters’ electronic simulator.
Applsci 13 11476 g009
Figure 10. The diagram of the fault detection model.
Figure 10. The diagram of the fault detection model.
Applsci 13 11476 g010
Figure 11. Steam superheater: (a) simulator; (b) temperature control structure.
Figure 11. Steam superheater: (a) simulator; (b) temperature control structure.
Applsci 13 11476 g011
Figure 12. Electrical diagram of the electronic simulator and the data acquisition board dSpace.
Figure 12. Electrical diagram of the electronic simulator and the data acquisition board dSpace.
Applsci 13 11476 g012
Figure 13. Simulink model.
Figure 13. Simulink model.
Applsci 13 11476 g013
Figure 14. This Influence of fault occurrence on system temperatures: (a) Ta2 (green) and Ta3 (blue); (b) Ta3m (green) and Ta3 (blue).
Figure 14. This Influence of fault occurrence on system temperatures: (a) Ta2 (green) and Ta3 (blue); (b) Ta3m (green) and Ta3 (blue).
Applsci 13 11476 g014
Figure 15. The structured residue: (a) The structured residue R1 (blue), R2 (green); (b) The structured residue R1 (blue), R2 (green)—close-up view.
Figure 15. The structured residue: (a) The structured residue R1 (blue), R2 (green); (b) The structured residue R1 (blue), R2 (green)—close-up view.
Applsci 13 11476 g015
Figure 16. The primary residues: (a) The primary residues r1 (blue), r2 (green); (b) close-up view.
Figure 16. The primary residues: (a) The primary residues r1 (blue), r2 (green); (b) close-up view.
Applsci 13 11476 g016
Figure 17. This Influence of fault occurrence on system temperatures: (a) Ta2 (blue) and Ta3 (green).; (b) Ta3m (green) and Ta3 (blue).
Figure 17. This Influence of fault occurrence on system temperatures: (a) Ta2 (blue) and Ta3 (green).; (b) Ta3m (green) and Ta3 (blue).
Applsci 13 11476 g017
Figure 18. Graphic representation of residues: (a) The primary residues r1 (blue), r2 (green); (b) The structured residue R1 (blue), R2 (green).
Figure 18. Graphic representation of residues: (a) The primary residues r1 (blue), r2 (green); (b) The structured residue R1 (blue), R2 (green).
Applsci 13 11476 g018
Figure 19. This Influence of fault occurrence on system temperatures: (a) Ta2 (blue) and Ta3 (green).; (b) Ta3m (green) and Ta3 (blue).
Figure 19. This Influence of fault occurrence on system temperatures: (a) Ta2 (blue) and Ta3 (green).; (b) Ta3m (green) and Ta3 (blue).
Applsci 13 11476 g019
Figure 20. Graphic representation of residues: (a) The primary residues r1 (blue), r2 (green); (b) The structured residue R1 (blue), R2 (green).
Figure 20. Graphic representation of residues: (a) The primary residues r1 (blue), r2 (green); (b) The structured residue R1 (blue), R2 (green).
Applsci 13 11476 g020
Table 1. Types of faults.
Table 1. Types of faults.
Title 1AdditiveMultiplicative
Faults
  • − sensor faults
  • − faults in the components
  • − faults in the installation (breakages)
faults in the installation parameters
Disturbances
  • − installation disturbances
  • − modeling errors
Noisesdata- sensor noises
  • − noises of execution elements
  • − installation noises
Table 2. Correspondence of measurement scales.
Table 2. Correspondence of measurement scales.
MeasurementSection SA1Section SA2
InputOutputInputOutput
Temperature
Ta [°C]345396453570
Tg [°C]910847769540
Voltage
Ua [V]3.453.964.535.70
Ug [V]9.18.477.695.40
Disclaimer/Publisher’s Note: The statements, opinions and data contained in all publications are solely those of the individual author(s) and contributor(s) and not of MDPI and/or the editor(s). MDPI and/or the editor(s) disclaim responsibility for any injury to people or property resulting from any ideas, methods, instructions or products referred to in the content.

Share and Cite

MDPI and ACS Style

Maican, C.A.; Rădulescu, V.M.; Pană, C.F. Application of the Residue Method in Steam Superheater Fault Detection. Appl. Sci. 2023, 13, 11476. https://doi.org/10.3390/app132011476

AMA Style

Maican CA, Rădulescu VM, Pană CF. Application of the Residue Method in Steam Superheater Fault Detection. Applied Sciences. 2023; 13(20):11476. https://doi.org/10.3390/app132011476

Chicago/Turabian Style

Maican, Camelia Adela, Virginia Maria Rădulescu, and Cristina Floriana Pană. 2023. "Application of the Residue Method in Steam Superheater Fault Detection" Applied Sciences 13, no. 20: 11476. https://doi.org/10.3390/app132011476

APA Style

Maican, C. A., Rădulescu, V. M., & Pană, C. F. (2023). Application of the Residue Method in Steam Superheater Fault Detection. Applied Sciences, 13(20), 11476. https://doi.org/10.3390/app132011476

Note that from the first issue of 2016, this journal uses article numbers instead of page numbers. See further details here.

Article Metrics

Back to TopTop