Abstract
The dynamic characteristics of buildings and their behavior under various dynamic loads play a crucial role in civil engineering applications, particularly for earthquake-resistant structural design. Employing a precise mathematical model of the structural system makes it possible to accurately predict the actual structural performance under dynamic loads, such as winds and earthquakes. Given this perspective, finite element model-updating approaches in structural systems have gained significant attention in recent decades. This paper proposes a simulation-based model-updating technique that utilizes measured free vibration responses to the correct structural parameters of multi-degree-of-freedom systems. A five-degree-of-freedom building model is subjected to shaking table tests to demonstrate the effectiveness of the proposed method. The experimental data for this method consists of the dynamic behavior of the system under the seismic excitation of the El Centro 1940 earthquake and the results of the free vibration tests. The MATLAB/Simulink parameter estimation tool is employed to establish a correlation between the analytical model and the measured dynamic response from the building model. Compared to the measured structural responses, the updated analytical model, which incorporates the proposed simulation-based model-updating technique, demonstrates high accuracy in predicting the responses through effective corrections of stiffness and damping coefficients.
1. Introduction
In engineering practice, the fundamental process of structural design and analysis relies on establishing accurate mathematical models that represent the dynamic properties of systems. The method known as finite element (FE) model updating was developed to provide a correlation between analytical models and measured dynamic response from the test structure. The structural matrices were updated using this approach to provide measured structural responses that closely match the first created analytical ones. Due to the significance of this problem, several model-updating methods have been developed in the literature. The existing model-updating techniques can be classified into direct or iterative, based on the approach used to solve the problem. Friswell and Mottershead [1] provided a comprehensive review that outlines various techniques used to update the finite element models of dynamical systems. They emphasized the significance of model updating by utilizing modal analysis methods. Baruch [2] proposed using the Lagrange multiplier method to correct the system matrices by minimizing the specified objective function. In this method, it is commonly assumed that the mass or stiffness matrix is precisely known. Berman and Nagy [3] introduced a direct method that determines a set of minimum changes in the analytical matrices of the system, aligning the eigen solutions with experimental measurements. Carvalho et al. [4] proposed a novel method for identifying structural damping using experimental modal analysis data. Jacquelin et al. [5] presented a probabilistic model-updating technique to address uncertainties in measured eigenvectors and eigenfrequencies. The matrix mixing method has taken place in the literature as an alternative technique utilized in model updating [6]. This method combines experimental modal data with analytical ones by inverting mass and stiffness matrices. The error matrix method, proposed by Sidhu and Ewins [7], is another model-updating technique that involves estimating the error in mass and stiffness matrices. These model-updating techniques are called direct methods and offer advantages such as lower processing time and no convergence problems. However, these computationally efficient methods raise questions about the validity of the updated system matrices.
In the 1990s, iterative methods, including eigenvalue solutions and frequency response functions (FRFs), started to be utilized in model-updating studies [8]. By utilizing FRF data instead of modal data in the model-updating approach, errors that could arise from the modal analysis phase are eliminated. Lee and Kim [9] investigated a method to update the damping matrices of a simple three-degree-of-freedom lumped parameter system using measured FRFs. Lin and Ewins [10] introduced an iterative FRF method, in which the difference between the measured and analytical data is expressed as a linear function of the parameters to be updated. Kim and Park [11] conducted a study on an automated parameter selection procedure, addressing the challenge of choosing an appropriate set of updating parameters. The effectiveness of the proposed method is demonstrated through a simulated case study and its application to an actual engineering structure. Zhao and Peng [12] introduced an FRF-based model-updating method that utilizes an extreme learning machine model to establish the relationship between correcting parameters and structural responses. Kwon and Lin [13] proposed an FE model-updating technique that utilizes the Taguchi method to optimize the difference between measured and analytical vibration data. Wu et al. [14] proposed a method based on FRF functions to update the FE model using the Sherman–Morrison Formula. Lin et al. [15] applied the improved Inverse Eigen-sensitivity Method (IEM) to update the FE model of a plane truss structure. This method calculates the required insensitivity coefficients, which closely approximate their actual values, using analytical and experimental modal data. In recent years, new methods have been applied to model updating, incorporating neural networks and genetic optimization algorithms [16,17]. Implementing these methods is laborious due to the requirement for complex solutions. The complex nature of damping mechanisms in structural systems makes parameterizing the damping matrix more challenging than mass and stiffness matrices [18].
This paper aims to present a simulation-based model-updating method that effectively corrects the stiffness and damping matrices without imposing a high computational burden. The matter is formulated as an optimization problem that is solved by the parameter estimation tool of MATLAB/Simulink. This model-updating strategy is based on transferring the test data to the Simulink environment and updating the damping and stiffness coefficients in the system simulation model. The dynamic behavior of the building model under the effect of the El Centro earthquake and the results of the free vibration test were considered when selecting the parameters to be updated. The presented updating method demonstrates high accuracy in reproducing the measured dynamic responses of the building model.
The subsequent sections of this paper are structured as follows: Section 2 presents the establishment of the structural system model and a comparative analysis of natural frequencies, mode shapes, and dynamic responses through experimental and theoretical approaches. In Section 3, the free vibration of the building model is formulated as a Simulink block diagram. Section 4 introduces and applies the simulation-based model-updating method to the structural system, effectively illustrating the efficiency of the proposed technique. Lastly, Section 5 draws comprehensive conclusions based on the findings.
2. Modelling of the Structural System
The methodology is demonstrated using a building model, as illustrated in Figure 1. The structural system has dimensions of 800 mm in the x direction and 600 mm in the y direction. The experimental specimen analyzed herein encompasses five stories with an inter-story height of 300 mm. For the material properties, the nominal yield stress of steel is selected as 235 MPa for the slabs and 750 MPa for the columns. The columns have a dimension of 6 × 15 mm, and the floor slabs have a thickness of 15 mm.
Figure 1.
(a) Mathematical representation of the structure. (b) Test structure.
The parameters governing the structural system, encompassing mass and stiffness characteristics, are derived through an analytical methodology. The analytically estimated mass matrix that considers the weights of slabs, columns, and additional physical loads can be obtained as follows:
In simple terms, the flexural stiffness of each column can be expressed by the following equation:
In this equation, the modulus of elasticity (), the section moment of inertia ), and the length of the column ) are represented by the variables E, I, and L, respectively. Based on this formulation, the stiffness matrix for the five-story building model is constructed by the following equation:
Free vibration tests are widely used as an experimental method to determine the damping ratio of structural systems [19]. The logarithmic decrement method determines the damping ratio, utilizing data measured from free vibration test records. The damping ratio for lightly damped systems is mathematically expressed as follows:
where, and are displacement amplitude values, respectively, with indicating the number of successive pairs under consideration. This method is subsequently applied to the building model utilized within the experimental investigation. The building model is fixed to the shaking table and subjected to an initial displacement that keeps the structural response within the linear region. The free oscillation forms of the building model for each story are presented in Figure 2. The damping ratio of the structural system, , is obtained from the free vibration measurement data using Equation (2).
Figure 2.
Displacement responses of building model for free vibration test.
Using the Rayleigh damping model, the damping matrix of a structure is formulated as a linear combination of the mass and stiffness matrices, depicted by the following equations:
Here, represents the damping ratio of the structural system, and and are real scalars. The values of alpha and beta, which are required to determine the damping matrix, have been calculated using Equation (4), as α = 0.3935 and β = 0.00057. Additionally, and are circular frequencies. The damping matrix for the structural system is presented as follows:
2.1. Natural Frequencies and Mode Shapes of the Structural System
To analytically compute modal parameters such as natural frequencies and mode shapes, eigen solutions are applied to the mass and stiffness matrices of the building model. Furthermore, the frequency domain decomposition (FDD) method is used to obtain these values experimentally from the free vibration measurements [20]. The natural frequency values for the initial five modes of the building model, obtained through both experimental and analytical methods, are comparatively presented in Table 1. This study only considers horizontal motion in the x-direction, and the first five mode frequencies within this direction are displayed in Table 1. It is evident from the results that natural frequencies derived from both methods are in concordance.
Table 1.
Natural frequencies of the structural system.
Figure 3 illustrates the normalized mode shapes of the first five modes obtained through analytical and experimental methods.
Figure 3.
Mode shapes of the building model.
Figure 3 shows that there is an acceptable closeness between the mode shapes calculated through experimental and analytical solutions, along with the natural frequency values of the building model.
2.2. Dynamic Behavior of the Structural System
The dynamic behavior of the structural systems can be obtained by using analytical and experimental methods. The analytical approach uses a mathematical model that represents the dynamic properties of the actual structure to solve the problem. The process of attaining the experimental model involves exciting the system and measuring the resulting structural responses. Supplementary to the dynamic properties of the building model presented in the preceding section, it is essential to analytically model the dynamic structural behavior and conduct a comparative analysis with experimental measurement results. The dynamic responses of the building model were measured using the shaking table through two experimental tests: free vibration and the El Centro earthquake simulation. A simulation model was created to validate the experimentally obtained data (Figure 4). In this dynamic model, the El Centro earthquake acceleration data serve as the input signal for the system, while the structural responses constitute the output signals. The building model is simulated by employing the analytical structural matrices outlined in the previous section, utilizing the state-space representation. The following section will provide a comprehensive explanation of the simulation block diagram designed to verify the measured free vibration responses of the building model.
Figure 4.
Block diagram representing the seismic behavior of the building model.
As a result of the simulation, the displacement responses of the five-story building model were obtained numerically. The comparative presentation of experimental and simulation results is shown in Figure 5.
Figure 5.
Displacement responses of first floor: (a) El Centro earthquake, (b) Free vibration.
Shaking table tests were performed to investigate the experimental dynamic responses of the building model, while numerical results were computed using simulation models. Figure 5a shows that the simulation results exhibit higher amplitude values than the measured results during the earthquake effect. The higher amplitude values in the simulation data are related to the analytically calculated damping matrix. Damping decreases oscillation amplitudes by dissipating mechanical energy in a dynamic system. Observing Figure 5b, an accurate concordance between the results obtained through both methods is apparent within 30 s of the graph; however, differences become evident at lower amplitude levels. The phase difference between the results of the free vibration behavior of the building model obtained using experimental and numerical methods is another result observed from the time-displacement graph. Through the repeating of simulations with varying damping and stiffness coefficients, it was concluded that the stiffness matrix affects the phase difference. In selecting the stiffness and damping coefficients for updating, the dynamic behavior of the building model under the effect of the El Centro earthquake and the results of the free vibration test were considered.
3. Methodology
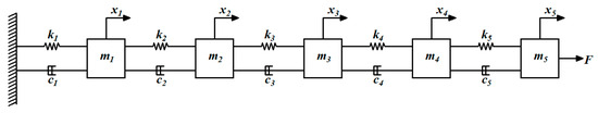
The inaccuracies or uncertainties within analytical models may or may not accurately represent the actual structural behavior. Given the reliability of experimental tests, it is advisable to update the analytical model of the building system by incorporating data derived from the measurement results. The modal updating methodology tries to correct differences between analytical models and experimental data by implementing numerical changes to the original analytical system matrices, such as mass, stiffness, and damping. The proposed model-updating technique employs simulated free vibration results to correct the mathematical model directly. To evaluate the efficacy of this approach, a simulation model depicting the free vibration behavior of the structural system has been developed within the MATLAB/Simulink environment. The structural representation of the building can be characterized as a five-degree-of-freedom dynamic system. The numerical example is based on correcting the damping and stiffness matrices inherent to the building model, which is achieved through the free vibration response. The dynamic parameters of the building model have been modified by employing a simulation-based model-updating approach to yield results approximating actual structural dynamics. The mechanical model representing the five-story shear frame in the simulation is shown in Figure 6.
Figure 6.
Mechanical model of the five-story shear frame.
The equation of motion of the multi-degree-freedom system shown in Figure 6 can be derived from the free-body diagram of the masses and expressed in matrix form as
where and denote mass, damping, and stiffness matrix, respectively. And also, , and are the acceleration, velocity, and displacement vector of the structural system. The free vibration test is applied by giving an initial displacement to the structural system. The force value is accepted as zero since no external force acts on the system. According to the mechanical model depicted in Figure 6, the following sets of equations are derived by applying Newton’s second law of motion formulated for each mass.
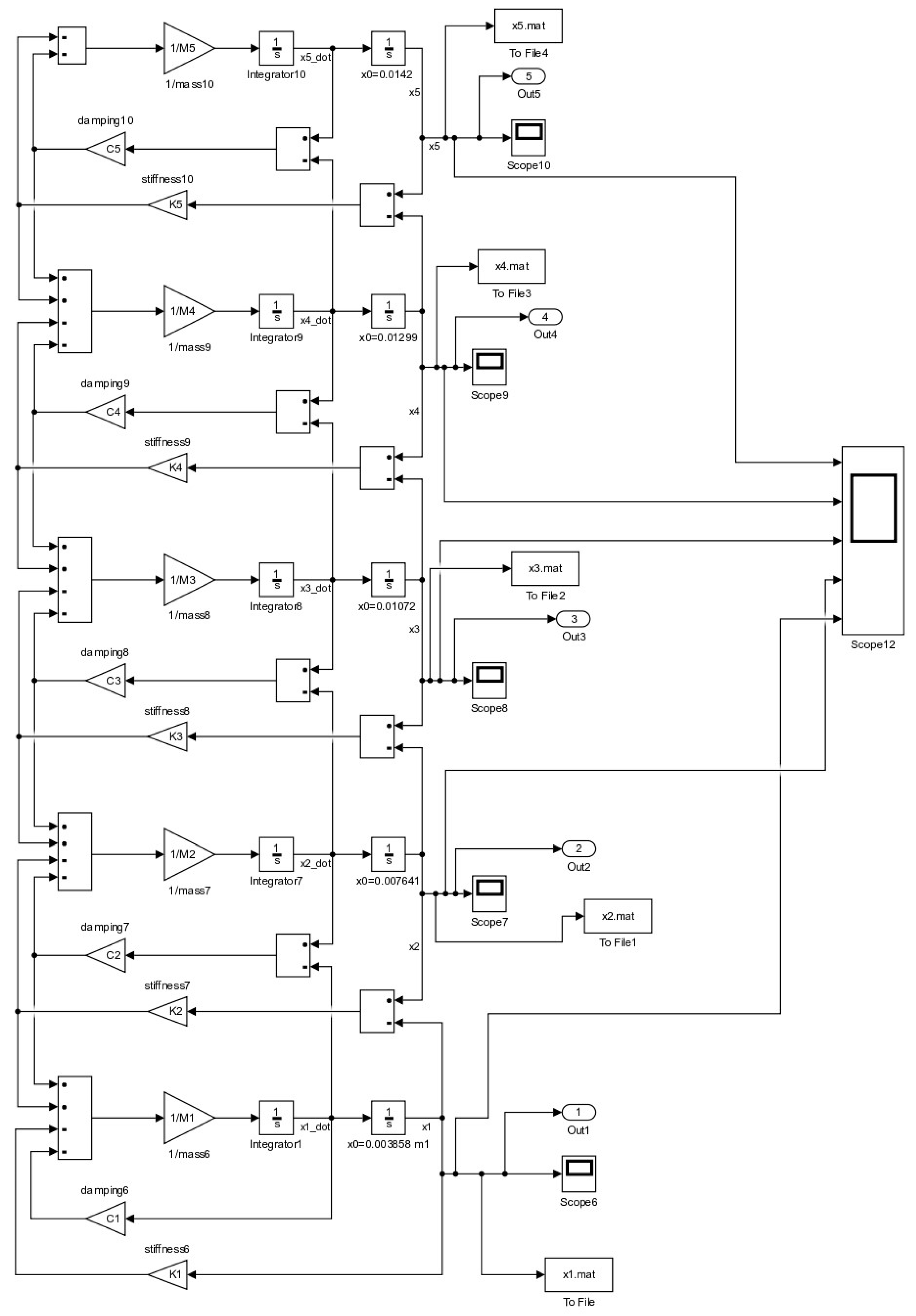
The developed simulation is built on this set of equations, serving as the mathematical infrastructure of the structural system. A free vibration simulation for the building model was generated by constructing block diagrams in the Simulink environment. The mass, stiffness, and damping coefficients of each floor are individually represented as blocks and shown in Figure 7. The coefficients in the mass matrix, which were calculated using the classical method, are exactly implemented in the simulation model. Damping and stiffness matrices are selected as the parameters of the structural system to be updated. The initial displacements obtained from the experimental measurements are assigned to each story as the initial condition in the simulation. The system is operated under these initial conditions to give appropriate results with the experimental measurements.
Figure 7.
Block diagram representing the free vibration of the building model.
The proposed model-updating methodology is implemented utilizing the MATLAB/Simulink software to correct the dynamic parameters of the building model. The Simulink Design Optimization toolbar of the software is used for analyzing and tuning the simulation model parameters [21]. In this module, the effect of parameters on simulation model behavior can be evaluated by employing methodologies such as Monte Carlo simulation and Design of Experiments. The measured experimental data is integrated into the simulation model through the parameter estimation module, and selected model parameters are simultaneously estimated from multi-experiment data. The software formulates the parameter estimation as an optimization problem, and the solution of the problem is the estimated design variables. The elements of the optimization problem can be listed as design variables (), objective function , bounds (x ), and constraint function This includes bounds to limit estimated parameter values and integrating a constraint function to specify limitations on design variables are both optional aspects. The software fine-tunes the model parameters to achieve a simulation response (y_sim) that closely follows the measured response (y_ref). The solver minimizes the estimation error or cost function to update these parameters, denoting the difference between simulated and measured responses.
The formulation of the estimation error is presented in the equation below. The software also provides the user with various cost functions to handle the estimation error.
In this study, the Parameter Estimation module in the MATLAB/Simulink software was employed in conjunction with the simulation-based model-updating approach, as illustrated in Figure 8. The design variables selected for the optimization problem include the stiffness and damping coefficients of the building model. The Sum Squared Error (SSE) method, which works by default in the software, is chosen as the objective function of the system. The design variables are bounded to a range close to the values obtained by the classical method. Thus, the intention is to ensure that the optimization process remains aligned with the theoretical values without deviation.
Figure 8.
The Software interface for model updating.
As depicted in Figure 8, the displacement values of all floors measured from the free vibration test data of the structural system constitute the experimental dataset for the simulation model. The parameters to be estimated are chosen as the stiffness and damping coefficients. The software tries to minimize the difference between the numerical model and experimental results, aiming to determine the most suitable coefficients while attaining minimal error. Accordingly, the corrected stiffness and damping matrices of the building model calculated with the simulation-based model update technique are shown in the equations below.
4. Results and Discussion
The analytical model of the structural system obtained from eigenvalue solutions is compared to and correlated with the data obtained from the shaking table tests. The mathematical model of the structural system has five DOFs, and the experimental tests were performed on this building model. The simulation-based model-updating technique is used to compare and correct the analytical data with the test data. To deal with the problem that the analytical model does not represent the actual structural behavior of the building model, the parameter estimation method was applied. In this method, the mass matrix was assumed to be exact since the small-scale building model used as a numerical example is not a complicated system. The updated stiffness matrix has smaller coefficients than the first analytically calculated matrix. This is because of the assumptions in the stiffness formula used in the analytical model. The corrected damping matrix has higher coefficients than the first generated analytical matrix. The damping ratio obtained from free vibration tests by using the Rayleigh damping model was applied in the first analytically determined damping matrix. The natural frequencies of structural systems are accurately estimated from measurements. On the contrary, the modal damping ratios have a wide scatter depending on the selected analysis method [22]. The first five natural frequencies of the structural system obtained with the updated model parameters calculated in the previous section are presented comparatively in Table 2.
Table 2.
Analytical, experimental, and updated natural frequencies of the structural system.
As shown in Table 2, the calculated analytical, experimental, and updated natural frequencies of the structural system are compatible. The mode shapes of the building model with the updated system parameters are shown in Figure 9, analytically and experimentally.
Figure 9.
The mode shapes of the building model with updated system matrices.
As can be seen in Figure 9, results closer to the experimental method were obtained in all modes with the model update method according to the mode shapes calculated by the theoretical approach. It is noteworthy that the mode shapes calculated with the updated system parameters, especially at high frequencies, are in good agreement with the experimental results.
The simulation of the dynamic behavior of the building model with the updated system parameters and comparison with the measurement results is shown in Figure 10. Figure 10a shows that the simulation and measurement amplitude values of the building model under the influence of the El Centro earthquake converge. Updating the damping matrix of the building model has produced results that simulate the actual dynamic behavior. On the other hand, it is seen in Figure 10b that the free vibration data, both measurement and simulation results in the first 40 s, proceed in a harmonious manner. In addition, it was observed that the phase difference between the measurement and simulation results was eliminated after updating the stiffness coefficients of the building model. The results show that the proposed model-updating method successfully represents the actual free vibration and seismic behavior of the building.

Figure 10.
Updated displacement responses of the building model: (a) El Centro earthquake, (b) Free vibration.
5. Conclusions
This paper proposed a model-updating technique relying on simulation block diagrams for representing the dynamic behavior of a structural system. The main objective of this work is to investigate simulation-based model-updating technique for correlating structural dynamic mathematical models to experimental data. Two experimental tests were conducted using the shaking table setup: one simulating free vibration and the other replicating earthquake effects. These tests aimed to comprehensively compare the structural dynamic behavior, a crucial step toward establishing a reliable analytical model. The free vibration response of the building model was used in the calibration of the numerical model. Such an updating process consisted of correcting the stiffness and damping matrices of the system to find a correlation between experimental and analytical responses. The approach was applied with a parameter estimation tool of MATLAB/Simulink. This method has been applied to linear dynamic structural systems. This study shows that the dynamic properties as natural frequency and mode shapes of the structural systems are accurately estimated by the theoretical and experimental methods used. However, the established analytical models do not fully represent the actual dynamic structural behavior. The analytical model created with the simulation-based model-updating technique proposed in this study produced accurate results by correcting stiffness and damping coefficients.
Author Contributions
Methodology, Ö.Ş. and N.C.; investigation, Ö.Ş. and N.C.; software, Ö.Ş.; writing—original draft, Ö.Ş. and N.C.; writing—review and editing, Ö.Ş. and N.C.; visualization, Ö.Ş.; supervision, N.C. All authors have read and agreed to the published version of the manuscript.
Funding
The authors disclose receipt of the following financial support for the research, authorship, and/or publication of this article: This work was supported by the Scientific and Technological Research Council of Turkey (TUBITAK) under Grant No: 115M363.
Data Availability Statement
Data sharing is not applicable to this article.
Acknowledgments
The authors are deeply indebted to Muaz Kemerli for his many insightful suggestions that greatly helped us to better understand the subject.
Conflicts of Interest
The authors declare no conflict of interest in preparing this article.
References
- Mottershead, J.E.; Friswell, M.I. Model updating in structural dynamics: A survey. J. Sound Vib. 1993, 167, 347–375. [Google Scholar] [CrossRef]
- Baruch, M. Optimal correction of mass and stiffness matrices using measured modes. AIAA J. 1982, 20, 1623–1626. [Google Scholar] [CrossRef]
- Berman, A.; Nagy, E.J. Improvement of a large analytical model using test data. AIAA J. 1983, 21, 1168–1173. [Google Scholar] [CrossRef]
- Carvalho, J.; Datta, B.N.; Gupta, A.; Lagadapati, M. A direct method for model updating with incomplete measured data and without spurious modes. Mech. Syst. Signal Process. 2007, 21, 2715–2731. [Google Scholar] [CrossRef]
- Jacquelin, E.; Adhikari, S.; Friswell, M.I. A second-moment approach for direct probabilistic model updating in structural dynamics. Mech. Syst. Signal Process. 2012, 29, 262–283. [Google Scholar] [CrossRef]
- Caesar, B. Updating system matrices. In Proceedings of the 5th International Modal Analysis Conference, London, UK, 6–9 April 1987; pp. 453–459. [Google Scholar]
- Sidhu, J.; Ewins, D.J. Correlation of finite element and modal test studies of a practical structure. In Proceedings of the 2nd İnternational Modal Analysis Conference, Union College, Schenectady, NY, USA, 6–9 February 1984; Volume 2, pp. 756–762. [Google Scholar]
- Fritzen, C.P.; Zhu, S. Updating of finite element models by means of measured information. Comput. Struct. 1991, 40, 475–486. [Google Scholar] [CrossRef]
- Lee, J.H.; Kim, J. Identification of damping matrices from measured frequency response functions. J. Sound Vib. 2001, 240, 545–565. [Google Scholar] [CrossRef]
- Lin, R.M.; Ewins, D.J. Analytical model improvement using frequency response functions. Mech. Syst. Signal Process. 1994, 8, 437–458. [Google Scholar] [CrossRef]
- Yang, J.; Ouyang, H.; Zhang, J.F. A new method of updating mass and stiffness matrices simultaneously with no spillover. J. Vib. Control 2016, 22, 1181–1189. [Google Scholar] [CrossRef]
- Zhao, Y.; Peng, Z. Frequency response function-based finite element model updating using extreme learning machine model. Shock Vib. 2020, 2020, 1–10. [Google Scholar] [CrossRef]
- Kwon, K.S.; Lin, R.M. Robust finite element model updating using Taguchi method. J. Sound Vib. 2005, 280, 77–99. [Google Scholar] [CrossRef]
- Wu, Y.; Zhu, R.; Cao, Z.; Liu, Y.; Jiang, D. Model Updating Using Frequency Response Functions Based on Sherman–Morrison Formula. Appl. Sci. 2020, 10, 4985. [Google Scholar] [CrossRef]
- Lin, R.M.; Lim, M.K.; Du, H. Improved inverse eigensensitivity method for structural analytical model updating. J. Vib. Acoust. 1995, 117, 192–198. [Google Scholar] [CrossRef]
- Lu, Y.; Tu, Z. A two-level neural network approach for dynamic FE model updating including damping. J. Sound Vib. 2004, 275, 931–952. [Google Scholar] [CrossRef]
- Standoli, G.; Salachoris, G.P.; Masciotta, M.G.; Clementi, F. Modal-based FE model updating via genetic algorithms: Exploiting artificial intelligence to build realistic numerical models of historical structures. Constr. Build. Mater. 2021, 303, 124393. [Google Scholar] [CrossRef]
- Lin, R.M.; Zhu, J. Model updating of damped structures using FRF data. Mech. Syst. Signal Process. 2006, 20, 2200–2218. [Google Scholar] [CrossRef]
- Chopra, A.K. Dynamics of Structures; Pearson Education: Chennai, India, 2007. [Google Scholar]
- Cheynet, E.; Jakobsen, J.B.; Snæbjörnsson, J. Damping estimation of large wind-sensitive structures. Procedia Eng. 2017, 199, 2047–2053. [Google Scholar] [CrossRef]
- Available online: https://www.mathworks.com/help/sldo/index.html (accessed on 3 August 2023).
- Kudu, F.N.; Uçak, Ş.; Osmancikli, G.; Türker, T.; Bayraktar, A. Estimation of damping ratios of steel structures by Operational Modal Analysis method. J. Constr. Steel Res. 2015, 112, 61–68. [Google Scholar] [CrossRef]
Disclaimer/Publisher’s Note: The statements, opinions and data contained in all publications are solely those of the individual author(s) and contributor(s) and not of MDPI and/or the editor(s). MDPI and/or the editor(s) disclaim responsibility for any injury to people or property resulting from any ideas, methods, instructions or products referred to in the content. |
© 2023 by the authors. Licensee MDPI, Basel, Switzerland. This article is an open access article distributed under the terms and conditions of the Creative Commons Attribution (CC BY) license (https://creativecommons.org/licenses/by/4.0/).