Abstract
Organic-based thermoelectric composites are highly promising for low-temperature heat-to-electrical energy conversion applications due to their low toxicity, cost-effectiveness, facile synthesis and easy processing. Potential applications of such materials include, among others, low-temperature waste heat recovery and body heat use, such as wearable thermoelectric devices and sensors. Due to the lack of studies on organic (matrix)–inorganic (additive) thermoelectric composites prepared via mechanical mixing with respect to the processing parameters and thermoelectric performance, this work aims to contribute in this direction. More precisely, composite pellets were prepared starting from polyaniline (PANI)/bismuth antimony telluride mixed powders using a mechanical press. The processing parameters investigated included temperature, pressure and processing time, along with the inorganic additive (bismuth antimony telluride) content introduced within the composites. The experimental data revealed that the processing temperature and the additive content had the most significant effect, since their increase led to an enhancement in the composites’ thermoelectric performance. The optimal ZT (2.93 × 10−3) recorded at 130 °C corresponded to PANI-BST composites with a 30 wt.% BST content, prepared at a processing temperature of 80 °C, a processing time of 75 min and under 2 tons of pressure.
1. Introduction
Thermoelectric materials are used as a renewable source of energy because they can convert heat flow to electric power, utilizing waste heat or other heat energy sources [1,2,3]. Thermoelectric devices, which are typically made of n-type and p-type semiconductors [4], are employed in a wide range of applications such as long-term power generation in space and biomedical applications, industrial and automotive waste heat recovery, wearable sensors, temperature regulation in electronic devices, etc. [5]. Such devices present significant advantages, including the simple conversion of heat to electricity without using any moving parts and their long lifespan. However, conventional, all-inorganic thermoelectric devices have limited applications due to their high cost, rigid device designs and higher optimal working temperature [6]. As a consequence, the development of organic-based thermoelectric materials can alleviate the above-mentioned disadvantages with proper material choice, processing and design, derived from a better understanding of the selected preparation methodologies and corresponding parameters.
Usually, materials are considered for thermoelectric applications based on their figure of merit ZT [7]:
where σ is the electrical conductivity, S is the Seebeck coefficient, κ is the thermal conductivity and T is the temperature in Kelvin. The term S2σ is defined as the material’s power factor, and it can be optimized via doping by incorporating high-mobility carriers to achieve higher electrical conductivity [8]. The main challenge in optimizing the performance of well-known thermoelectric materials and enhancing their efficiency stems from the fact that thermoelectric properties (i.e., Seebeck coefficient, electrical conductivity and thermal conductivity) are interdependent and have different dependencies on carrier density [9].
BismuthTelluride thermoelectric materials ((Bi,Sb)2Te3 or Bi2(Te,Se)3) are extensively used in devices due to their excellent thermoelectric properties at lower working temperatures [10]. However, these include rare and/or toxic elements such as Te, Se and Sb, thus making this selection environmentally unfriendly and costly [11]. Consequently, organic–inorganic polymer-based (nano)composites have attracted considerable attention as promising candidates for low-temperature applications [12], due to their low toxicity (and thus environmental friendliness), cost-effectiveness, flexibility and lightweight nature [13]. Apart from their intrinsically low thermal conductivity and low cost, polymer-based thermoelectric materials are also considered highly advantageous over inorganic-based materials due to their simple fabrication and facile processing. Furthermore, their chemical and physical properties can be easily tuned, thus rendering them highly flexible in terms of chemical composition and functionalization [14]. However, in comparison to inorganic thermoelectric materials like Bi2Te3, organic thermoelectric materials are less efficient due to their significantly lower electrical conductivity and Seebeck coefficient. Hence, the combination of organic and inorganic thermoelectric materials can be a highly promising strategy in the development of innovative composites exhibiting enhanced thermoelectric performance. This is mainly due to the low thermal conductivity derived from the organic matrix and the high electrical conductivity and Seebeck coefficient attributed to the inorganic counterpart. Conductive polymers that are typically synthesized using oxidative chemical polymerization and are commonly used in thermoelectric applications include, among others, polyaniline (PANI), polypyrrole (PPy) and (poly(3,4-ethylenedioxythiophene) (PEDOT). Their ZT values typically range around 10−3, but these can be significantly enhanced depending on the processing method and the incorporation of additives [15].
Thermoelectric composites based on conductive polymers can be prepared via solution mixing, interfacial polymerization and in situ chemical oxidative polymerization [16,17]. Physical (or mechanical) mixing was also reported to prepare PEDOT:PSS-Bi2Te3 (PEDOT:PSS: ZTmax = 1.0 × 10−2), PANI-Bi2Te3 (PANI: ZTmax = 2.67 × 10−4–1.1 × 10−2) [18] and Acrylonitrile-Butadiene-Styrene (ABS)-BixSb2-xTe3 [19]. Although in those examples the recorded ZT values are very low, as already mentioned, such composites exhibit distinct advantages over all-inorganic thermoelectric materials, including high flexibility, low cost and easy processability. Consequently, new thermoelectric generator designs can be developed, including devices derived from screen printing, where the thermoelectric elements can be printed in 2D and then folded into shape as 3D thermoelectric devices with very high thermocouple density per unit area (e.g., 190 per cm²) [20]. Beyond this, a large variety of fabrication techniques that can be applicable in the development of organic-based thermoelectric devices already exists, including drop-casting and spin-coating [21], layer-by-layer deposition [22], electrospinning [23] and printing methods [20].
The thermoelectric performance of organic-based materials is strongly regulated by the processing parameters applied during synthesis, including pressure, temperature and processing time. For example, Valentová et al. [24] reported that, for PANI pellets prepared by compressing the corresponding polymer powder, only at pressures higher than 300 MPa could a reliable conductivity value be measured, while for lower pressures, pellets that were characterized by a lower apparent conductivity, density, Young’s modulus and hardness were obtained. In another study, a higher drying temperature applied to PEDOT:PSS/CNT composites after synthesis resulted in enhanced polymer-CNT interfacial interactions and eventually improved thermoelectric performance [25]. Nevertheless, there seems to be a knowledge gap on the effect of different processing parameters employed during the formation of bulk organic-based composites, including temperature, pressure and processing time, and their further correlation to the materials’ thermoelectric performance. Hence, by conducting systematic parametric studies with respect to the different processing parameters applied during the materials’ fabrication, a better understanding of the processing-to-thermoelectric performance relationship can be realized [26].
Based on the above, the present study aims to investigate the thermoelectric properties of PANI (Polyaniline—emeraldine salt)–Bi0.4Sb1.6Te3 (BST) composites, prepared via mechanical (physical) mixing of the corresponding powders. An in-depth parametric study was carried out, aiming to fill the existing knowledge gap on the thermoelectric behavior of organic–inorganic bulk composites prepared by physical mixing of the starting materials that are available in powder form. The physical mixing of powders and the formation of bulk samples via mechanical press is a very simple process that can be easily scaled up and adopted for processing a vast range of different polymer–inorganic powder systems. Therefore, the present study provides useful insights on the compatibility of the chosen materials, the feasibility of the selected processing method and the effect of various processing parameters on the thermoelectric performance of the resulting composites.
PANI was chosen due to its relatively good electrical properties in comparison to other polymers, its tunability in terms of chemical composition and properties that can be realized via doping, ease of synthesis, commercial availability and good environmental stability [27]. The choice of Bi0.4Sb1.6Te3 was based on its high ZT and good thermoelectric properties [28], as well as its use in thermoelectric devices with moderate heat sources [29]. Due to the higher charge carrier concentration of BST compared to PANI, it is expected that its incorporation within the PANI matrix will result in an increase in the material’s electrical properties (i.e., electrical conductivity and Seebeck coefficient) compared to pristine PANI [30].
Chatterjee et al. [31] reported the fabrication of PANI–Bi2Te3 nanocomposites based on Bi2Te3 nanorods and polyaniline PANI nanoparticles (70 wt.% PANI–30 wt.% Bi2Te3). These nanocomposites, having a core–shell/cable-like morphology, were prepared via in situ polymerization and further compressed under a 2-ton pressure that was applied at room temperature, resulting in the formation of nanocomposite thermoelectric pellets. The latter demonstrated improved thermoelectric performance compared to the pure polymer, achieving a ZT of 4.3 × 10−3 at room temperature (with κ = 0.1096 W/mK, σ = 11.626 S/cm and S close to 38 μV/K), which is considered a high value for bulk polymer-based thermoelectric composites. In another study, 5 wt.% Bi2Te3–95 wt.% PANI composites were fabricated via chemical oxidative polymerization and further processed under pressure (5 tons) at room temperature, resulting in a relative increase in electrical conductivity [32]. In addition, recent reports appearing in the literature focus on the fabrication of PANI-based thermoelectric materials and generators, including the fabrication of acid-doped PANI and PANI-Bi2Te3 nanocomposites, as well as PANI-based thermoelectric composites in which different types of carbon-based nanoadditives, including single-wall carbon nanotubes (SWCNTs), multi-wall carbon nanotubes (MWCNTs) and graphite oxide (GO), have been incorporated within this polymer to improve thermoelectric performance [33,34]. Unfortunately, in most of the above-mentioned studies, the effect of the processing parameters (i.e., temperature and pressure) on the materials’ thermoelectric performance was not systematically investigated.
To the best of our knowledge, this is the first systematic study dealing with the fabrication (by means of mechanical mixing) and thermoelectric characterization of PANI-BixSb2-xTe3 nanocomposites. The selection of BixSb2-xTe3 instead of Bi2Te3, which was previously explored as an additive in polymer-based thermoelectric composites, was based on its very good performance as a p-type inorganic thermoelectric material at ambient conditions [35], exhibiting high hole concentration and mobility [28].
Most importantly, in the present study, the effect of various experimental parameters, including processing pressure, temperature and time employed during the composite pellet formation, along with the effect of the inorganic additive content (ranging from 0 to 45 wt.%) on the materials’ thermoelectric properties, was systematically investigated. Consequently, the implementation of such systematic investigations could be highly valuable in identifying the optimum experimental parameters that could eventually lead to the best thermoelectric performance in polymer-based thermoelectric composites.
2. Materials and Methods
2.1. Materials
Polyaniline—emeraldine salt (PANI) (density 1.36 g/cm3 at 25 °C) is commercially available (Sigma—Aldrich), and it was purchased in the form of black powder (428,329–25 G, M.W. > 15,000 powder, 3–100 μm particle size, ≤1% water content). PANI was used without further purification.
Bi0.4Sb1.6Te3 (BST) (density in pellet form: 6.825 g/cm3) was used as the inorganic thermoelectric additive in PANI-BST composites. BST was synthesized following a previously reported methodology developed by employing the ball milling process [28]. Briefly, pieces of Bi, Sb and Te of high purity and the proper stoichiometry were weighed under an Ar atmosphere, and the mixture was further processed via ball milling. The resulting BST was extensively studied with respect to its structural characteristics and thermoelectric properties [28].
The composite PANI-Bi0.4Sb1.6Te3 powders were prepared via mechanical mixing of the polymer powder with the inorganic additive. More precisely, composite PANI-Bi0.4Sb1.6Te3 powders with 20 wt.% and 30 wt.% Bi0.4Sb1.6Te3 content were initially prepared. The two blending ratios were selected based on a previously reported comparable system appearing in the literature, consisting of PANI and Bi2Te3 in a 70–30% wt. ratio [31]. Mechanical mixing was carried out for 15 min in a glovebox under an inert (argon) environment using a mortar.
2.2. Methods
For the determination of the thermoelectric properties of the pristine PANI and the PANI-Bi0.4Sb1.6Te3 composites, the corresponding powders were processed into pellets using a mechanical press (Manual Hydraulic Press 25 Ton-GS25011, Specac Ltd., Orpington, UK) consisting of a 10 mm diameter cylindrical steel die. The die was encased in a homemade setup that allowed the application of pressure at temperatures up to 150 °C.
The effect of various experimental parameters, including processing time, pressure and temperature during pellet formation, along with the percentage of the additive, on the thermoelectric behavior of the produced samples was systematically investigated (Table 1).
Table 1.
Materials characterization systems (models, specifications), processing parameters and limitations of the experimental process.
For the formation of pellets with a diameter of 10 mm consisting of pure PANI, PANI-BST (20 wt.%) and PANI-BST (30 wt.%), the following experimental parameters were employed in the mechanical press:
- Processing times: 15 min, 45 min and 75 min.
- Processing temperatures: 30 °C, 80 °C and 100 °C.
- Processing pressures: 2 tons (250 MPa) and 4.5 tons (562 MPa).
Initially, the powders (PANI and PANI-BST mixtures) were placed in the die and slightly compressed for about 5 min. This was followed by their processing under the desired pressure and temperature for a specific time, as per the aforementioned experimental parameters. Upon the completion of the process, the applied pressure and heating were simultaneously removed. Figure 1 provides a schematic illustration of the experimental process followed in the preparation of the PANI-BST thermoelectric composites.
Figure 1.
Schematic illustration of the experimental process followed in the preparation of the PANI-BST composite pellets. The latter were further characterized with respect to their thermoelectric properties.
The heat capacity Cp and thermal diffusivity α of the produced samples were measured using the laser flash technique on a NETZSCH LFA 457 apparatus. For all samples, thermal conductivity was calculated based on this thermal diffusivity and an estimated heat capacity, using a standard pyroceram 9606 as reference. The densities of the produced pellets were estimated based on their dimensions and mass. The Seebeck coefficient and the electrical conductivity were measured using a commercial ZEM-3 (ULVAC) system at a temperature range of 30–150 °C (303–423 K).
Additionally, scanning electron microscopy (SEM, Vega II LSU-Tescan and Jeol JSM-6610LV) and energy dispersive spectroscopy (EDS, Bruker Quantax 200) analyses were carried out on various samples in order to investigate the morphology and distribution of the inorganic additive within the polymer matrix. Powder XRD was also performed on a composite sample with 30 wt.% BST content using a Rigaku MiniFlex diffractometer (CuKα-radiation; λ = 0.154 nm), and the X-ray diffractogram is provided in Figure S1 (Supplementary Material).
Table 2 summarizes the processing parameters (i.e., processing temperature, pressure and time) applied for the fabrication of pristine PANI and PANI-BST composite pellets with variable BST content, along with the corresponding average density (derived from 2 samples). As seen, the density increases with the increase in BST content. Moreover, a minor increase in density can be observed in the samples prepared upon applying a lower (2 tons) pressure. This can be attributed to the fact that, in the samples that were subjected to 4.5 tons of pressure, more material escaped between the die walls and was hence wasted. It is noteworthy to mention that all measured samples prepared in pellet form exhibited good mechanical stability prior to and after their thermoelectrical characterization at temperatures ranging from ambient up to 150 °C. The ZT values were calculated using Equation (1), and they are provided in Table 3.
Table 2.
Processing parameters applied for the fabrication of pure PANI and PANI-BST composite pellets, along with the corresponding average densities.
Table 3.
Calculated ZT values presented in a heatmap configuration for samples prepared under variable experimental parameters (i.e., additive content, processing temperature, processing pressure and processing time). All measurements were performed at 130 °C (403 K).
3. Results and Discussion
A very broad range with respect to the thermal and electrical conductivity values of PANI appears in the literature. This is attributed, among others, to the polymerization conditions and amounts of reactants, including the type of acid used as a dopant and its concentration. More precisely, thermal conductivity (κ) ranges between 0.02 and 0.542 W/mK, whereas the electrical conductivity (σ) values reported range from 10−7 S/cm up to 320 S/cm [18]. In the case of Bi0.4Sb1.6Te3 (BST) (in the form of hot-pressed pellets), the corresponding measured properties for temperatures in the range of 313 K-507 K are the following: Seebeck coefficient (S) from 243 μV/K to 196 μV/K, electrical conductivity (σ) from 643 S/cm to 349 S/cm and thermal conductivity (κ) from 1.068 W/mK to 1.633 W/mK [28].
3.1. Figure of Merit (ZT)
In order to determine the measuring temperature at which the maximum ZT value is recorded, sample measurements were performed in the temperature range between 30 °C and 150 °C. As seen in Table 3, the optimum measuring temperature was 130 °C (as discussed in more detail in Section 3.7), since, at this temperature, the maximum ZT value (2.93 × 10−3) was determined by employing a 75 min processing time, an 80 °C processing temperature and a 2-ton processing pressure. Since the thermoelectric properties recorded at different temperatures showed similar trends under variable experimental parameters, including the BST content and processing time, temperature and pressure, it is assumed that the thermoelectric behavior at 130 °C is representative for the entire temperature range under investigation. For the determination of the figure of merit (ZT) (using Equation (1)), the thermal conductivity κ was calculated based on Equation (2):
where ρ is the pellet density, α is the diffusivity and Cp is the heat capacity of the sample.
κtotal = α × Cp × ρ
3.2. Morphology
Figure 2 provides a characteristic SEM image of the pure BST nanocrystalline powder, with particle size in the range of a few μm.
Figure 2.
SEM image of the pure BST nanocrystalline powder (secondary electron (SE) image; 10 k magnification).
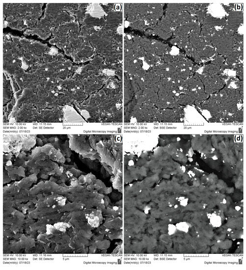
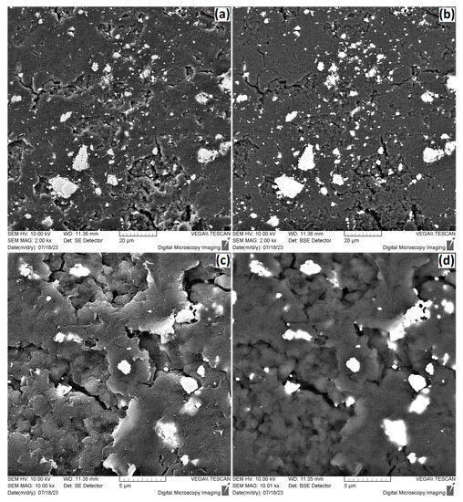
By observing the SEM images provided in Figure 3, Figure 4 and Figure 5, corresponding to composites with 30 wt.% and 20 wt.% BST, respectively, it becomes apparent that in both cases, the BST additive has been successfully distributed within the PANI matrix, either as highly dispersed particles or as larger BST agglomerates up to tens of μm in size. In addition, BST-free areas could also be visualized. Moreover, it seems there is no clear difference in the morphological characteristics of the samples processed at higher (Figure 3) and lower (Figure 4) temperatures. Conclusively, the SEM analysis verified the successful incorporation of BST within the polymer (PANI) matrix, while the presence of BST agglomerates suggested that highly homogeneous PANI-BST composites in which the inorganic BST additives are present as individual, non-agglomerated particles cannot be obtained via simple mechanical mixing.
Figure 3.
SEM (SE) images of sample 30-T80-P2-D75 (processed at 80 °C) with (a) 2 k and (c) 10 k magnification and corresponding BSE images with (b) 2 k and (d) 10 k magnification.
Figure 4.
SEM (SE) images of sample 30-T30-P2-D75 (processed at 30 °C) with (a) 2 k and (c) 10 k magnification and corresponding BSE images with (b) 2 k and (d) 10 k magnification.
Figure 5.
SEM images and EDS analysis of sample 20-T80-P2-D75: (a) SE image with 300 magnification, (b) BSE image with 300 magnification and EDS mapping, (c) S element from PANI (emeraldine salt), (d) Sb and Te elements from BST, (e) Bi element from BST and (f) contrast of S and Bi elements from PANI (emeraldine salt) and BST.
Furthermore, Figure 5a–e with EDS mapping (20 kV, standardless ZAF-matrix corrected method) provides information on the distribution of the BST additive (as seen from the secondary electron detector (SE) and back-scattered electron detector (BSE) images), whereas in Figure 5f, the elemental contrast between the polymer matrix and the additive can be clearly observed. Additionally, the formation of cracks in the samples is apparent, and it could be attributed to either the cooling process applied after pellet formation or to the sample preparation prior to the measurements. Apparently, the presence of both BST agglomerates and cracks within the composites may affect their thermoelectric properties.
3.3. Effect of BST Content
Concerning the effect of the inorganic additive (i.e., BST) on the thermoelectric properties of the resulting PANI-BST composites, the experimental data suggest that by increasing the percentage of the BST additive in PANI, there is an increase in the Seebeck coefficient (Figure 6) that is further enhanced with the increase in processing temperature.
Figure 6.
Graphs of Seebeck coefficient (S) versus processing temperature (T) measured at 130 °C (403 K) at 4.5 tons (left) and 2 tons (right). The effect of the additive content (pure PANI—blue, 20 wt.% BST—green and 30 wt.% BST—red) and processing times (15, 45 and 75 min) can be seen in the graphs. In legend, X denotes the processing temperature, which is either 30, 80 or 100 °C.
Interestingly, in the electrical conductivity measurements (Figure 7), it appears that an increase in the additive content has no significant effect. More precisely, from the measurements performed in the entire temperature range, it can be concluded that, by increasing the additive content, the electrical conductivity of the composites increases only slightly compared to the pristine polymer. More precisely, the maximum value recorded was about 15 S/cm, which is significantly lower than that of the pure inorganic additive, which ranges between 650 and 350 S/cm for temperatures in the range of 300 K–500 K. This may be due to the fact that the inorganic additive is not homogeneously distributed within the polymer matrix and severe aggregation phenomena are observed in many areas, as shown by the SEM analysis. Furthermore, crack formation (which was also confirmed via SEM) may also contribute to the composites’ reduced electrical conductivity. Hence, it is expected that, by improving the dispersion of the inorganic additive within the polymer matrix, the electrical conductivity will be enhanced. This is in line with previous literature findings reporting that, in highly ordered organic composites, a better dispersion of the additive phase results in a higher Seebeck coefficient and electrical conductivity [36,37,38]. Furthermore, the contact area is another important influencing factor since interface interactions may affect (either negatively or positively) the materials’ properties and, hence, their performance [39,40].
Figure 7.
Graphs of electrical conductivity (σ) versus processing temperature (T) measured at 130 °C (403K) at 4.5 tons (left) and 2 tons (right). The effect of the additive content (pure PANI—blue, 20 wt.% BST—green and 30 wt.% BST—red) and processing times (15, 45 and 75 min) can be seen in the graphs. In legend, X denotes the processing temperature, which is either 30, 80 or 100 °C.
In order to better evaluate the results obtained from the electrical measurements, the electrical conductivity of the composites was theoretically calculated based on the general mixture model. According to this model, for particles dispersed within a matrix, interparticle interactions can be approached through a simple ohmic interaction binary system, considering either a parallel or a series connection. This model has already been applied in the case of SWCNT/PANI hybrid films for well-dispersed SWCNTs and CSA-doped PANI [37,41]. Considering parallel connections, in the case of the PANI-BST composites, the following equation (Equation (3)) applies:
where Vf is the volume fraction and σ is the electrical conductivity of the pure components (PANI and BST), while σtcl is the electrical conductivity of the composite material. In order to apply this model, the weight percentage must be converted to a volume percentage. Herein, 20 wt.% and 30 wt.% BST correspond to 4.75 vol.% and 7.87 vol.% BST, respectively.
σtcl = σPANIVf PANI + σBSTVf BST
By taking the individual electrical conductivities measured at 130 °C for the pure counterparts, i.e., PANI and BST, and their relative volume fractions in the composites, the theoretical values of the electrical conductivity for the composites were calculated using Equation (3). These were found to be σ = 24.48 S/cm for 20 wt.% BST and σ = 37.85 S/cm for 30 wt.% BST. By comparing the experimental values with the theoretical ones (considering a parallel connection), the former were lower in all cases since they did not exceed 15 S/cm. This inconsistency between the theoretical and experimental values may be attributed to inhomogeneity with respect to the dispersion of the inorganic additive within the polymer matrix and crack formation in the composite materials produced during material preparation via mechanical mixing and post-processing. The electrical conductivity was also calculated for a series connection. However, the theoretical values were very close to those of the pure polymer.
Figure 8 provides the thermal conductivity values as a function of the processing temperature for the PANI-BST composites. The obtained experimental data suggest that the composites’ thermal conductivity is entirely dictated by the polymer matrix, and hence it is not affected by the increase in BST content. Consequently, the presence of a polymer matrix in polymer-based thermoelectric composites is considered to be advantageous with respect to the materials’ thermoelectric performance since it limits the significantly higher thermal conductivity deriving from the inorganic additives, thus enhancing ZT [39].
Figure 8.
Graphs of thermal conductivity (κ) versus processing temperature (T) measured at 130 °C (403K) at 4.5 tons (left) and 2 tons (right). The effect of the additive content (pure PANI—blue, 20 wt.% BST—green and 30 wt.% BST—red) and processing times (15, 45 and 75 min) can be seen in the graphs. In legend, X denotes the processing temperature, which is either 30, 80 or 100 °C.
ZT was estimated for all samples, and the optimum value measured at 130 °C was 2.93 × 10−3, with κ = 0.2800 W/Km, σ = 12.937 S/cm and S = 39.67 μV/K. The experimental processing conditions employed in the preparation of the best-behaved PANI-BST composite were the following: processing temperature: 80 °C; processing pressure: 2 tons; processing time: 75 min; and BST content: 30 wt.%.
By comparing these results with those reported by Chatterjee et al. (ZT = 4.3 × 10−3, κ = 0.1096 W/mK, σ = 11.626 S/cm and S close to 38 μV/K at room temperature), for a structurally ordered cable-like polyaniline–bismuth telluride nanocomposite [31], it becomes clear that the higher ZT recorded in the above-mentioned literature is mainly attributed to the lower thermal conductivity value, since both σ and S are comparable to the ones reported herein. This difference might be attributed to the nanostructured nature of the composites prepared in ref. [31], in contrast to the present study, where the produced PANI-BST composites consisted of agglomerated BST particles dispersed within the PANI matrix. Nevertheless, our approach involves a simple and easily scalable preparation process that can result in equally effective composite materials exhibiting good thermoelectrical performance under appropriate experimental and processing conditions.
3.4. Pressure Effect
Applied pressure during heating was one of the processing parameters that was examined in this study. Following the work reported by R.R. Urkude et al. [32], we initially applied 4.5 tons (562 MPa for 10 mm diameter pellets) during sample preparation. However, specimens could only be prepared up to 80 °C, since at higher processing temperatures (100 °C), there was a great amount of flux (i.e., material escaped between the die walls and was hence wasted), resulting in mechanically brittle specimens that were not measurable. Nevertheless, by lowering the pressure down to 2 tons (250 MPa for 10 mm diameter pellets), as reported by Krishanu Chatterjee et al. [31], it was possible to prepare specimens even at higher processing temperatures that could be further characterized with respect to their thermoelectric behavior. Overall, although no significant influence of the applied pressure on the thermoelectric performance of the investigated samples was observed, it was demonstrated that the choice of a suitable pressure is important for maintaining good mechanical stability and preserving the thermoelectric properties of the produced composites.
3.5. Temperature Effect
Processing temperature appears to be the most significant influencing parameter since a large increase in both the Seebeck coefficient and the electrical conductivity can be observed upon increasing the processing temperature from 30 °C to 80 °C (Figure 6 and Figure 7). However, upon exceeding 80 °C, there is no further improvement in most samples in terms of the Seebeck coefficient and electrical conductivity (Figure 6b and Figure 7b). This could be attributed to the fact that the PANI matrix is close to a material transition phase, which may also influence the interfacial interactions between the matrix and the additive [36,37,38].
Moreover, the thermal conductivity is not influenced by the processing temperature since only negligible changes are observed upon T increase, while the recorded values are within the expected range for the pure polymer [18], which corresponds to >90% of the materials’ total volume. Consequently, an increase in processing temperature positively influences the materials’ thermoelectric properties, resulting in an increased ZT value. These results are in line with a previous report dealing with the thermoelectric properties of inorganic Bi0.4Sb1.6Te3 bulk samples, where both the power factor and the thermal conductivity increased upon increasing the processing temperature [42]. As expected, the thermal conductivity of the PANI-BST composites is not influenced by the processing temperature, thus emphasizing once more the advantage of using polymers as a limiting factor for the overall thermal conductivity in polymer-based thermoelectric composites.
3.6. Time Effect
According to Figure 6 and Figure 7, by increasing the processing time (duration under pressure/heating) from 15 min to 45 min and 75 min, the thermoelectric properties (specifically the electrical conductivity and the Seebeck coefficient) improve only slightly. Additionally, minor changes can be observed in the thermal conductivity as a function of the processing time. Based on the aforementioned findings, the processing time of 15 min seems to be sufficient for achieving good thermoelectric properties. Moreover, an increase in the processing time seems to be beneficial for composite samples with 30 wt.% BST.
Table 4 summarizes the optimum thermoelectric properties recorded at 130 °C for the PANI-BST composite samples with 20 wt.% and 30 wt.% BST content.
Table 4.
Optimum thermoelectric properties recorded at 130 °C for the PANI-BST composites (20 and 30% wt. BST content).
3.7. Enhancement of the BST Content
Based on the experimental data presented in previous subsections, the optimal processing parameters for achieving the highest ZT were determined as follows: temperature of 80 °C, pressure of 2 tons (250 MPa) and processing time of 75 min. In order to investigate whether a further increase in BST content could result in a higher ZT value, additional specimens were prepared with a 40 wt.% and 45 wt.% BST content by applying the above-mentioned processing parameters. Figure 9 summarizes the thermoelectric properties (i.e., S, k and σ), along with the figure of merit ZT for all samples (in which the BST content varied from 0 to 45% wt), as a function of the measurement temperature. As expected, the Seebeck coefficient, S, shows a clear increase with the increase in BST content and measurement temperature. The electrical conductivity presents similar trends for all samples, reaching a maximum value for temperatures between 363 and 383 K, whereas a distinctive decrease can be observed at higher temperatures. In terms of electrical conductivity, this appears to increase within the range of 383–403 K upon increasing the BST content up to 30 wt.%, whereas for higher loadings (i.e., 40 wt.% and 45 wt.%), a decrease in σ can be observed. This phenomenon could be related to the quality of the BST particle dispersion and, consequently, the existing contact area between the organic and inorganic counterparts at higher BST loadings. The thermal conductivity remains relatively unaffected with respect to the BST content, while the figure of merit, ZT, increases upon increasing the BST content and the measurement temperature, exhibiting a maximum value of 3.24 × 10−3 at ~400 K for 45 wt.% BST loading. In conclusion, although the Seebeck coefficient is improved by further increasing the BST content, due to the decrease in electrical conductivity, the overall thermoelectric performance shows no significant improvement.
Figure 9.
Graphs of Seebeck coefficient (S), thermal conductivity (κ), electrical conductivity (σ) and figure of merit (ZT) versus measuring temperature (T), within the range of 30–150 °C (303–423 K), for specimens prepared using the following processing parameters: processing temperature: 80 °C; processing pressure: 2 tons; processing time: 75 min. The BST content varies from 0 wt.% (green), to 20 wt.% (blue), 30 wt.% (orange), 40 wt.% (grey) and 45 wt.% (yellow).
4. Conclusions
Organic-based materials combined with inorganic additives appear to be promising for low-temperature thermoelectric applications. PANI, which exhibits tunable thermoelectric properties and environmental stability, can serve as a very good matrix for the development of organic-based thermoelectric devices. Furthermore, using classic inorganic thermoelectric additives (like Bi2Te3 and its alloys) that display good thermoelectric properties at moderate temperatures is considered to be an effective way to beneficially influence the thermoelectric performance of organic-based thermoelectric devices. For the development of such composites, the investigation of the effect of various processing parameters on the thermoelectric properties is of paramount importance since it allows for the optimization of existing materials and methodologies.
In this work, the effects of processing pressure, temperature and time along with the effect of the inorganic additive (BST) content on the thermoelectric properties of PANI-BST composites prepared by simple mechanical mixing were systematically investigated. The most significant experimental parameters influencing them were the inorganic additive content and the processing temperature. More precisely, an increase in the BST content led to an increase in the Seebeck coefficient while having a minor effect on the electrical conductivity and a negligible effect on the thermal conductivity. The processing temperature had a significant effect and increased both the Seebeck coefficient and the electrical conductivity, while there was no noticeable effect on the thermal conductivity. The processing pressure and time employed during pellet formation did not show any direct effect on the thermoelectric properties. However, the lower pressure allowed for a higher processing temperature and the formation of mechanically stable pellets, which is considered to be an important outcome for the future development of thermoelectric modules. Moreover, BST was proven to be a good candidate as an additive in PANI, resulting in improved thermoelectric performance of the produced composites compared to the pristine polymer matrix. Likewise, the increased processing temperature combined with the appropriate applied pressure improved the thermoelectric performance while retaining the mechanical integrity and stability of the samples.
Overall, the presented methodology, involving the simple mechanical mixing of a conductive polymer (PANI) with inorganic additives (BST) under the appropriate processing conditions, can be used in the low-cost, mass-scale manufacturing of thermoelectric composites that could be further exploited in a vast range of applications. Although this cost-effective method can be applied to a wide range of polymers and inorganic thermoelectrics, further improvement is required to achieve better homogenization and dispersion of the inorganic additive within the polymer matrix, which would eventually lead to better thermoelectric performance.
Supplementary Materials
The following supporting information can be downloaded at: https://www.mdpi.com/article/10.3390/app13179757/s1, Figure S1: Powder XRD of the sample 30-T80-P2-D75 with 30 wt.% BST content.
Author Contributions
Methodology, S.H.; investigation, S.H. and P.S.I.; formal analysis, S.H.; validation, S.H.; writing—original draft, S.H.; writing—review and editing, T.K., T.K.-C. and P.S.I.; supervision, T.K. and T.K.-C.; conceptualization, T.K. and T.K.-C. All authors have read and agreed to the published version of the manuscript.
Funding
S.H. was supported by the University of Cyprus through the “EVAGORAS” scholarship.
Institutional Review Board Statement
Not applicable.
Data Availability Statement
Data available on request from the authors.
Acknowledgments
We would like to thank Ioanna Ioannou for the synthesis of the BST powder.
Conflicts of Interest
The authors declare no conflict of interest.
References
- Snyder, G.J.; Toberer, E.S. Complex thermoelectric materials. Nat. Mater. 2008, 7, 105–114. [Google Scholar] [CrossRef]
- Bell, L.E. Cooling, heating, generating power, and recovering waste heat with thermo-electric systems. Science 2008, 321, 1457–1461. [Google Scholar] [CrossRef]
- Dresselhaus, M.S.; Chen, G.; Tang, M.Y.; Yang, R.; Lee, H.; Wang, D.; Ren, Z.; Fleurial, J.P.; Gogna, P. New directions for low-dimensional thermoelectric materials. Adv. Mater. 2007, 19, 1043–1053. [Google Scholar] [CrossRef]
- Twaha, S.; Zhu, J.; Yan, Y.; Li, B. A comprehensive review of thermoelectric technology: Materials, applications, modelling and performance improvement. Renew. Sustain. Energy Rev. 2016, 65, 698–726. [Google Scholar] [CrossRef]
- Patidar, S. Applications of Thermoelectric Energy: A Review. Int. J. Res. Appl. Sci. Eng. Technol. 2018, 6, 1992–1996. [Google Scholar] [CrossRef]
- LeBlanc, S. Thermoelectric generators: Linking material properties and systems engineering for waste heat recovery applications. Sustain. Mater. Technol. 2014, 1, 26–35. [Google Scholar] [CrossRef]
- Zhang, X.; Zhao, L.D. Thermoelectric materials: Energy conversion between heat and electricity. J. Mater. 2015, 1, 92–105. [Google Scholar] [CrossRef]
- Tritt, T.M.; Subramanian, M.A. Thermoelectric Materials, Phenomena, and Applications: A Bird’s Eye View. MRS Bull. 2006, 31, 188–198. [Google Scholar] [CrossRef]
- Blackburn, J.L.; Ferguson, A.J.; Cho, C.; Grunlan, J.C. Carbon-Nanotube-Based Thermoelectric Materials and Devices. Adv. Mater. 2018, 30, 1704386. [Google Scholar] [CrossRef]
- Nozariasbmarz, A.; Poudel, B.; Li, W.; Kang, H.B.; Zhu, H.; Priya, S. Bismuth Telluride Thermoelectrics with 8% Module Efficiency for Waste Heat Recovery Application. iScience 2020, 23, 101340. [Google Scholar] [CrossRef] [PubMed]
- Wei, J.; Yang, L.; Ma, Z.; Song, P.; Zhang, M.; Ma, J.; Yang, F.; Wang, X. Review of current high-ZT thermoelectric materials. J. Mater. Sci. 2020, 55, 12642–12704. [Google Scholar] [CrossRef]
- Wei, Q.; Mukaida, M.; Kirihara, K.; Naitoh, Y.; Ishida, T. Recent Progress on PEDOT-Based Thermoelectric Materials. Materials 2015, 8, 732–750. [Google Scholar] [CrossRef] [PubMed]
- Bubnova, O.; Crispin, X. Towards polymer-based organic thermoelectric generators. Energy Environ. Sci. 2012, 5, 9345–9362. [Google Scholar] [CrossRef]
- Kamarudin, M.A.; Sahamir, S.R.; Datta, R.S.; Long, B.D.; Mohd Sabri, M.F.; Mohd Said, S. A review on the fabrication of polymer-based thermoelectric materials and fabrication methods. Sci. World J. 2013, 2013, 713640. [Google Scholar] [CrossRef]
- Culebras, M.; Gómez, C.M.; Cantarero, A. Review on polymers for thermoelectric applications. Materials 2014, 6, 6701–6732. [Google Scholar] [CrossRef]
- Wang, Y.; Yang, L.; Shi, X.L.; Shi, X.; Chen, L.; Dargusch, M.S.; Zou, J.; Chen, Z.G. Flexible Thermoelectric Materials and Generators: Challenges and Innovations. Adv. Mater. 2019, 31, 1807916. [Google Scholar] [CrossRef]
- Liu, Z.; Sun, J.; Song, H.; Pan, Y.; Song, Y.; Zhu, Y.; Yao, Y.; Huang, F.; Zuo, C. High performance polypyrrole/SWCNTs composite film as a promising organic thermoelectric material. RSC Adv. 2021, 11, 17704–17709. [Google Scholar] [CrossRef] [PubMed]
- Yao, C.-J.; Zhang, H.-L.; Zhang, Q. Recent Progress in Thermoelectric Materials Based on Conjugated Polymers. Polymers 2019, 11, 107. [Google Scholar] [CrossRef]
- Viskadourakis, Z.; Drymiskianaki, A.; Papadakis, V.M.; Ioannou, I.; Kyratsi, T.; Kenanakis, G. Thermoelectric performance of mechanically mixed bixsb2-xte3—Abs composites. Materials 2021, 14, 1706. [Google Scholar] [CrossRef]
- Rösch, A.G.; Gall, A.; Aslan, S.; Hecht, M.; Franke, L.; Mallick, M.M.; Penth, L.; Bahro, D.; Friderich, D.; Lemmer, U. Fully printed origami thermoelectric generators for energy-harvesting. NPJ Flex. Electron. 2021, 5, 1. [Google Scholar] [CrossRef]
- Du, Y.; Cai, K.F.; Chen, S.; Cizek, P.; Lin, T. Facile preparation and thermoelectric properties of Bi2Te 3 based alloy nanosheet/PEDOT:PSS composite films. ACS Appl. Mater. Interfaces 2014, 6, 5735–5743. [Google Scholar] [CrossRef]
- Cho, C.; Wallace, K.L.; Tzeng, P.; Hsu, J.H.; Yu, C.; Grunlan, J.C. Outstanding Low Temperature Thermoelectric Power Factor from Completely Organic Thin Films Enabled by Multidimensional Conjugated Nanomaterials. Adv. Energy Mater. 2016, 6, 1502168. [Google Scholar] [CrossRef]
- Wang, Q.; Yao, Q.; Chang, J.; Chen, L. Enhanced thermoelectric properties of CNT/PANI composite nanofibers by highly orienting the arrangement of polymer chains. J. Mater. Chem. 2012, 22, 17612–17618. [Google Scholar] [CrossRef]
- Valentová, H.; Prokeš, J.; Nedbal, J.; Stejskal, J. Effect of compression pressure on mechanical and electrical properties of polyaniline pellets. Chem. Pap. 2013, 67, 1109–1112. [Google Scholar] [CrossRef]
- Kim, D.; Kim, Y.; Choi, K.; Grunlan, J.C.; Yu, C. Improved thermoelectric behavior of nanotube-filled polymer composites with poly(3,4-ethylenedioxythiophene) poly(styrenesulfonate). ACS Nano 2010, 4, 513–523. [Google Scholar] [CrossRef] [PubMed]
- Sharma, A.; Masoumi, S.; Gedefaw, D.; O’Shaughnessy, S.; Baran, D.; Pakdel, A. Flexible solar and thermal energy conversion devices: Organic photovoltaics (OPVs), organic thermoelectric generators (OTEGs) and hybrid PV-TEG systems. Appl. Mater. Today 2022, 29, 101614. [Google Scholar] [CrossRef]
- Du, Y.; Shen, S.Z.; Cai, K.; Casey, P.S. Research progress on polymer-inorganic thermoelectric nanocomposite materials. Prog. Polym. Sci. 2012, 37, 820–841. [Google Scholar] [CrossRef]
- Ioannou, I.; Ioannou, P.S.; Kyratsi, T.; Giapintzakis, J. Low-cost preparation of highly-efficient thermoelectric BixSb2-xTe3 nanostructured powders via mechanical alloying. J. Solid State Chem. 2023, 319, 123823. [Google Scholar] [CrossRef]
- Goldsmid, H.J. Bismuth telluride and its alloys as materials for thermoelectric generation. Materials 2014, 7, 2577–2592. [Google Scholar] [CrossRef]
- Wang, S.; Zuo, G.; Kim, J.; Sirringhaus, H. Progress of Conjugated Polymers as Emerging Thermoelectric Materials. Prog. Polym. Sci. 2022, 129, 101548. [Google Scholar] [CrossRef]
- Chatterjee, K.; Mitra, M.; Kargupta, K.; Ganguly, S.; Banerjee, D. Synthesis, characterization and enhanced thermoelectric performance of structurally ordered cable-like novel polyaniline-bismuth telluride nanocomposite. Nanotechnology 2013, 24, 215703. [Google Scholar] [CrossRef]
- Urkude, R.R.; Patil, P.T.; Kondawar, S.B.; Palikundwar, U.A. Synthesis, Characterization and Electrical Properties of a Composite of Topological Insulating Material: Bi2Te3-PANI. Procedia Mater. Sci. 2015, 10, 205–211. [Google Scholar] [CrossRef][Green Version]
- Eryilmaz, I.H.; Chen, Y.F.; Mattana, G.; Orgiu, E. Organic thermoelectric generators: Working principles, materials, and fabrication techniques. Chem. Commun. 2023, 59, 3160–3174. [Google Scholar] [CrossRef]
- Masoumi, S.; O’Shaughnessy, S.; Pakdel, A. Organic-based flexible thermoelectric generators: From materials to devices. Nano Energy 2022, 92, 106774. [Google Scholar] [CrossRef]
- Cao, T.; Shi, X.L.; Li, M.; Hu, B.; Chen, W.; Liu, W.; di Lyu, W.; MacLeod, J.; Chen, Z.G. Advances in bismuth-telluride-based thermoelectric devices: Progress and challenges. eScience 2023, 3, 100122. [Google Scholar] [CrossRef]
- Yao, Q.; Chen, L.; Zhang, W.; Liufu, S.; Chen, X. Enhanced thermoelectric performance of single-walled carbon nanotubes/polyaniline hybrid nanocomposites. ACS Nano 2010, 4, 2445–2451. [Google Scholar] [CrossRef]
- Yao, Q.; Wang, Q.; Wang, L.; Chen, L. Abnormally enhanced thermoelectric transport properties of SWNT/PANI hybrid films by the strengthened PANI molecular ordering. Energy Environ. Sci. 2014, 7, 3801–3807. [Google Scholar] [CrossRef]
- Zhang, C.; Li, H.; Liu, Y.; Li, P.; Liu, S.; He, C. Advancement of Polyaniline/Carbon Nanotubes Based Thermoelectric Composites. Materials 2022, 15, 8644. [Google Scholar] [CrossRef]
- al Naim, A.F.; El-Shamy, A.G. Review on recent development on thermoelectric functions of PEDOT:PSS based systems. Mater. Sci. Semicond. Process. 2022, 152, 107041. [Google Scholar] [CrossRef]
- Qiu, L.; Guo, P.; Kong, Q.; Tan, C.W.; Liang, K.; Wei, J.; Tey, J.N.; Feng, Y.; Zhang, X.; Tay, B.K. Coating-boosted interfacial thermal transport for carbon nanotube array nano-thermal interface materials. Carbon 2019, 145, 725–733. [Google Scholar] [CrossRef]
- Gelbstein, Y. Thermoelectric power and structural properties in two-phase Sn/SnTe alloys. J. Appl. Phys. 2009, 105, 023713. [Google Scholar] [CrossRef]
- Wang, X.; Li, Y.; Liu, G.; Shan, F. Achieving high power factor of p-type BiSbTe thermoelectric materials via adjusting hot-pressing temperature. Intermetallics 2018, 93, 338–342. [Google Scholar] [CrossRef]
Disclaimer/Publisher’s Note: The statements, opinions and data contained in all publications are solely those of the individual author(s) and contributor(s) and not of MDPI and/or the editor(s). MDPI and/or the editor(s) disclaim responsibility for any injury to people or property resulting from any ideas, methods, instructions or products referred to in the content. |
© 2023 by the authors. Licensee MDPI, Basel, Switzerland. This article is an open access article distributed under the terms and conditions of the Creative Commons Attribution (CC BY) license (https://creativecommons.org/licenses/by/4.0/).








