Low Current Ripple Parameter-Free MPCC of Grid-Connected Inverters for PV Systems
Abstract
1. Introduction
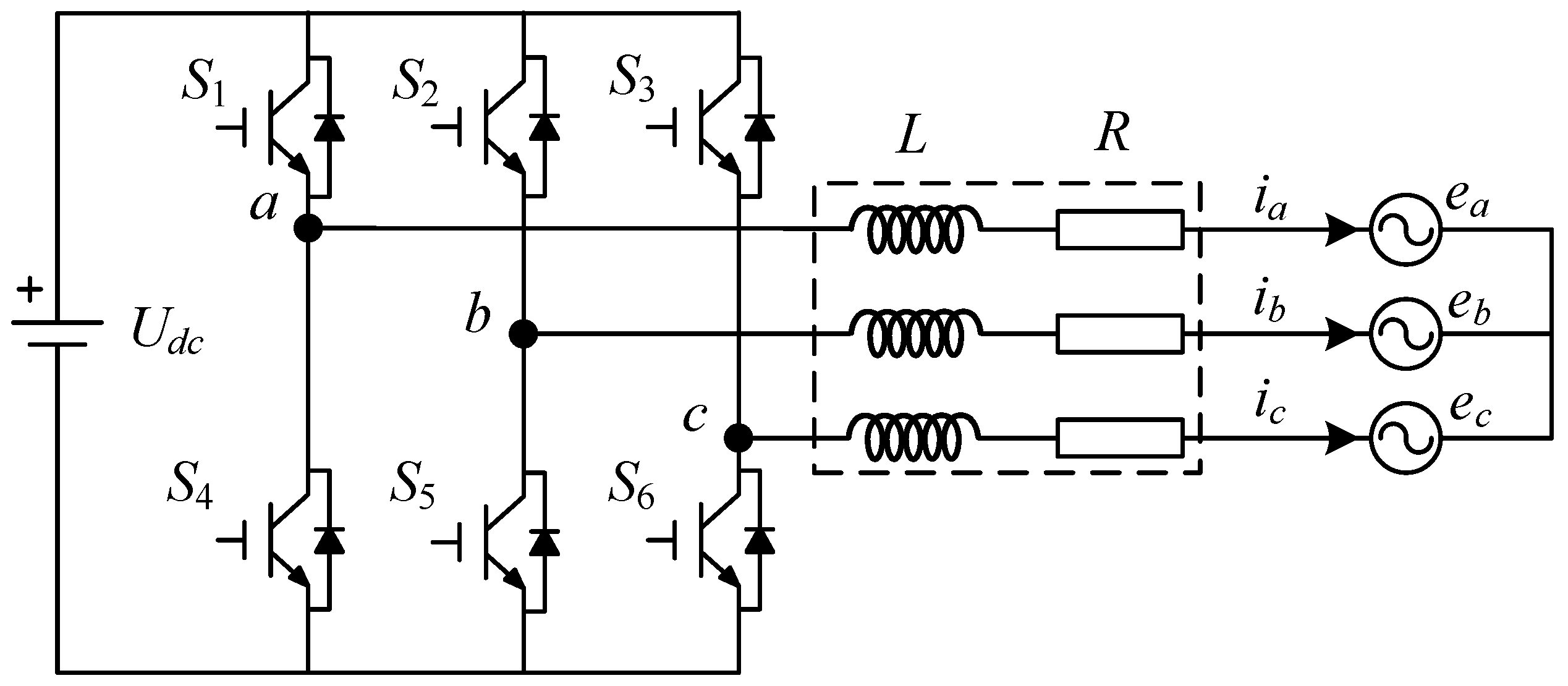
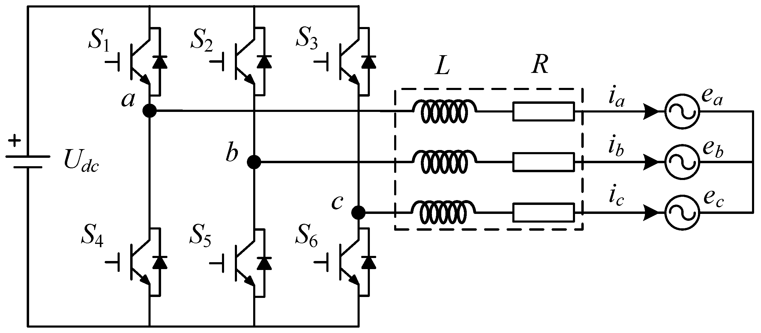
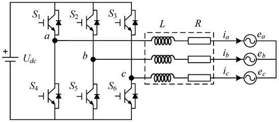
2. Model of Grid-Connected Inverters for PV Systems
3. Control Algorithm
3.1. Conventional Model Predictive Current Control
3.2. LESO Based on Ultralocal Model
3.3. Optimization Strategy for Voltage Vector Selection
3.4. Delay Compensation
3.5. Comparison between Proposed Method and Known Ones
4. Results
4.1. Steady-State Performance
4.2. Dynamic Performance
5. Conclusions
Author Contributions
Funding
Institutional Review Board Statement
Informed Consent Statement
Data Availability Statement
Conflicts of Interest
References
- Alsadi, S.; Khatib, T. Photovoltaic Power Systems Optimization Research Status: A Review of Criteria, Constrains, Models, Techniques, and Software Tools. Appl. Sci. 2018, 8, 1761. [Google Scholar] [CrossRef]
- Jamal, I.; Elmorshedy, M.F.; Dabour, S.M.; Rashad, E.M.; Xu, W.; Almakhles, D.J. A Comprehensive Review of Grid-Connected PV Systems Based on Impedance Source Inverter. IEEE Access 2022, 10, 89101. [Google Scholar] [CrossRef]
- Alluhaybi, K.; Batarseh, I.; Hu, H. Comprehensive Review and Comparison of Single-Phase Grid-Tied Photovoltaic Microinverters. IEEE J. Emerg. Sel. Top. Power Electron. 2020, 8, 1310. [Google Scholar] [CrossRef]
- Khan, M.N.H.; Forouzesh, M.; Siwakoti, Y.P.; Li, L.; Kerekes, T.; Blaabjerg, F. Transformerless Inverter Topologies for Single-Phase Photovoltaic Systems: A Comparative Review. IEEE J. Emerg. Sel. Top. Power Electron. 2020, 8, 805. [Google Scholar] [CrossRef]
- Chen, Y.; Xu, D. Review of Soft-Switching Topologies for Single-Phase Photovoltaic Inverters. IEEE Trans. Power Electron. 2022, 37, 1926. [Google Scholar] [CrossRef]
- Mohammed, A.; Refaat Shady, S.; Bayhan, S.; Abu-Rub, H. AC Microgrid Control and Management Strategies: Evaluation and Review. IEEE Power Electron. Mag. 2019, 6, 18. [Google Scholar] [CrossRef]
- Wang, H.; Huang, Q.; Li, Z.S. A Dynamic Bayesian Network Control Strategy for Modeling Grid-Connected Inverter Stability. IEEE Trans. Reliab. 2022, 71, 75. [Google Scholar] [CrossRef]
- Liu, Y.; Liu, X.; Li, X.; Yuan, H.; Xue, Y. Model Predictive Control-Based Dual-Mode Operation of an Energy-Stored Quasi-Z-Source Photovoltaic Power System. IEEE Trans. Ind. Electron. 2023, 70, 9169. [Google Scholar] [CrossRef]
- Shan, Y.; Hu, J.; Guerrero, J.M. A Model Predictive Power Control Method for PV and Energy Storage Systems with Voltage Support Capability. IEEE Trans. Smart Grid 2020, 11, 1018. [Google Scholar] [CrossRef]
- Yu, Y.; Wang, X. Multi-Step Predictive Current Control for NPC Grid-Connected Inverter. IEEE Access 2019, 7, 157756. [Google Scholar] [CrossRef]
- Vanti, S.; Bana, P.; D’Arco, S.; Amin, M. Single-Stage Grid-Connected PV System with Finite Control Set Model Predictive Control and an Improved Maximum Power Point Tracking. IEEE Trans. Sustain. Energy 2022, 13, 791. [Google Scholar] [CrossRef]
- Zhang, B.; Wu, W.; Yang, Y.; Gao, N.; Chen, J.; Koutroulis, E.G.; Liserre, M.; Blaabjerg, F. A Novel Simplified Finite Control Set Repeat Model Predictive Control for Grid-Connected Inverters. IEEE Trans. Ind. Electron. 2023, 70, 11324. [Google Scholar] [CrossRef]
- Yu, F.; Zhou, C.; Liu, X.; Zhu, C. Model-Free Predictive Current Control for Three-Level Inverter-Fed IPMSM with An Improved Current Difference Updating Technique. IEEE Trans. Energy Convers. 2020, 36, 3334. [Google Scholar] [CrossRef]
- Zhao, T.; Zhang, M.; Wang, C.; Sun, Q. Model-Free Predictive Current Control of Three-Level Grid-Connected Inverters with LCL Filters Based on Kalman Filter. IEEE Access 2023, 11, 21631. [Google Scholar] [CrossRef]
- Liao, H.; Zhang, X.; Ma, Z. Robust Dichotomy Solution-Based Model Predictive Control for The Grid-Connected Inverters with Disturbance Observer. CES Trans. Electr. Mach. Syst. 2021, 5, 81. [Google Scholar] [CrossRef]
- Gan, L.; Zhang, P.; Lee, J.; Osborne, M.; Howey, D. Data-driven energy management system with gaussian process forecasting and MPC for interconnected microgrids. IEEE Trans. Sustain. Energy 2021, 12, 695. [Google Scholar] [CrossRef]
- Shirsat; Tang, W. Data-Driven Stochastic Model Predictive Control for DC-Coupled Residential PV-Storage Systems. IEEE Trans. Energy Convers. 2021, 36, 1435. [Google Scholar] [CrossRef]
- Yu, F.; Zhou, C.; Wang, Z. Evaluation of Model-Free Predictive Current Control in Three-Phase Permanent Magnet Synchronous Motor Drives Fed by Three-Level Neutral-Point-Clamped Inverters. Int. J. Circ. Theor. Appl. 2022, 50, 3968. [Google Scholar] [CrossRef]
- Yang, G.; Xiao, H.; Sun, Y.; Dou, Z.; Wang, W.; Wang, Z. A Model-Free Current Prediction Control with Runge-Kutta Algorithm for Grid-Connected Inverter. In Proceedings of the IEEE International Conference on Predictive Control of Electrical Drives and Power Electronics (PRECEDE), Jinan, China, 20–22 November 2021; pp. 698–702. [Google Scholar]
- Yuan, X.; Zuo, Y.; Fan, Y. Model-Free Predictive Current Control of SPMSM Drives Using Extended State Observer. IEEE Trans. Ind. Electron. 2022, 69, 6540. [Google Scholar] [CrossRef]
- Zhang, Y.; Jin, J.; Huang, L. Model-Free Predictive Current Control of PMSM Drives Based on Extended State Observer Using Ultralocal Model. IEEE Trans. Ind. Electron. 2021, 68, 993. [Google Scholar] [CrossRef]
- Khalilzadeh, M.; Vaez-Zadeh, S.; Rodriguez, J.; Heydari, R. Model-Free Predictive Control of Motor Drives and Power Converters: A Review. IEEE Access 2021, 9, 105733. [Google Scholar] [CrossRef]
- Zhao, W.; Wang, H.; Tao, T.; Xu, D. Model Predictive Torque Control of Five-Phase PMSM by Using Double Virtual Voltage Vectors Based on Geometric Principle. IEEE Trans. Transp. Electrif. 2021, 7, 2635. [Google Scholar] [CrossRef]
- Gonçalves, P.F.C.; Cruz, S.M.A.; Mendes, A.M.S. Multistage Predictive Current Control Based on Virtual Vectors for the Reduction of Current Harmonics in Six-Phase PMSMs. IEEE Trans. Energy Convers. 2021, 36, 1368. [Google Scholar] [CrossRef]
- Ebrahimi, J.; Shahnooshi, S.; Eren, S.; Bakhshai, A. A Modulation Scheme Based on Virtual Voltage Levels for Capacitor Voltage Balancing of the Four-Level Diode Clamped Converter. IEEE Trans. Power Electron. 2023, 38, 4727. [Google Scholar] [CrossRef]
- Wang, W.; Liu, C.; Liu, S.; Zhao, H. Model Predictive Torque Control for Dual Three-Phase PMSMs with Simplified Deadbeat Solution and Discrete Space-Vector Modulation. IEEE Trans. Energy Convers. 2021, 36, 1491. [Google Scholar] [CrossRef]
- Wang, Y. Deadbeat Model-Predictive Torque Control with Discrete Space-Vector Modulation for PMSM Drives. IEEE Trans. Ind. Electron. 2017, 64, 3537. [Google Scholar] [CrossRef]



















| Small VVVs | Amplitude | Medium VVVs | Amplitude | Medium VVVs | Amplitude | Large VVVs | Amplitude | Large VVVs | Amplitude |
|---|---|---|---|---|---|---|---|---|---|
| V8 | V14 | V20 | V26 | V32 | |||||
| V9 | V15 | V21 | V27 | V33 | |||||
| V10 | V16 | V22 | V28 | V34 | |||||
| V11 | V17 | V23 | V29 | V35 | |||||
| V12 | V18 | V24 | V30 | V36 | |||||
| V13 | V19 | V25 | V31 | V37 |
| Reference | [10] | [11] | [14] | [26] | Proposed |
|---|---|---|---|---|---|
| Requires a model | Yes | Yes | Yes | Yes | Ultralocal data driven |
| Requires gain tuning | Yes | Yes | No | Yes | No |
| Current ripples | Low | High | High | Low | Low |
| Parameter robustness | Low | Low | High | Low | High |
| Relative Simplicity of algorithm | Middle | Low | Middle | High | Middle |
| Computational burden | High | Low | High | Middle | Low |
| Items | Specifications |
|---|---|
| DC-link voltage Udc | 350 V |
| DC-link capacitance C | 4700 μF |
| Filter inductance L | 2 mH |
| Resistance R | 0.5 Ω |
| Switching Frequency | 10 kHz |
| Strategy | id* = 1A, R′ = R | id* = 2A R′ = R | id* = 3A R′ = R | id* = 4A R′ = R | id* = 4A R′ = 2R |
|---|---|---|---|---|---|
| Conventional MPCC | THD = 7.22% | THD = 7.13% | THD = 6.57% | THD = 6.80% | THD = 23.60% |
| Proposed MPCC | THD = 2.28% | THD = 1.98% | THD = 1.94% | THD = 1.59% | THD = 1.73% |
Disclaimer/Publisher’s Note: The statements, opinions and data contained in all publications are solely those of the individual author(s) and contributor(s) and not of MDPI and/or the editor(s). MDPI and/or the editor(s) disclaim responsibility for any injury to people or property resulting from any ideas, methods, instructions or products referred to in the content. |
© 2023 by the authors. Licensee MDPI, Basel, Switzerland. This article is an open access article distributed under the terms and conditions of the Creative Commons Attribution (CC BY) license (https://creativecommons.org/licenses/by/4.0/).
Share and Cite
Yin, Z.; Xu, G.; Yu, F.; Wang, Z.; Xue, S. Low Current Ripple Parameter-Free MPCC of Grid-Connected Inverters for PV Systems. Appl. Sci. 2023, 13, 8976. https://doi.org/10.3390/app13158976
Yin Z, Xu G, Yu F, Wang Z, Xue S. Low Current Ripple Parameter-Free MPCC of Grid-Connected Inverters for PV Systems. Applied Sciences. 2023; 13(15):8976. https://doi.org/10.3390/app13158976
Chicago/Turabian StyleYin, Zhilong, Guoze Xu, Feng Yu, Zhiguo Wang, and Shuilian Xue. 2023. "Low Current Ripple Parameter-Free MPCC of Grid-Connected Inverters for PV Systems" Applied Sciences 13, no. 15: 8976. https://doi.org/10.3390/app13158976
APA StyleYin, Z., Xu, G., Yu, F., Wang, Z., & Xue, S. (2023). Low Current Ripple Parameter-Free MPCC of Grid-Connected Inverters for PV Systems. Applied Sciences, 13(15), 8976. https://doi.org/10.3390/app13158976

