Abstract
A new assembled bolt-connected concrete beam–column joint is proposed, aimed at completing the repair of a post-earthquake node by replacing the bolts and precast beams. Low-cycle loading tests were performed on two new full-scale connections to investigate the effect of bolt strength on the seismic performance of the new connections. A finite element model was established based on the experimental node specimens and compared with the experimental results to verify the accuracy of the finite element simulation results. The seismic performance of the new joints under different axial ratios was studied using finite element software to determine the effect of the axial pressure ratio on the seismic performance of the new joints. Based on the research carried out, a new improved joint was designed, numerical models of the improved joint were established using finite element software, and the seismic performance of the improved joint was compared with the results of the experimental simulation to analyze the seismic performance of the improved joints. The results of the study showed that the bolts and precast concrete beams are the main load-bearing members in the period of service. The joint can be repaired by replacing the bolts and precast concrete beams under seismic action, which meets the new joint design concepts. The finite element simulation results are in good agreement with the experimental results. The larger the axial compression ratio, the earlier the failure stage of the concrete, and the faster the bearing capacity and ductility decrease. The larger the axial compression ratio, the higher the initial stiffness of the joints and the greater the rate of stiffness reduction. The bolt stress distribution of the modified and optimized joints is more satisfactory. This change in node form can improve the recovery efficiency of the joint to a certain extent.
1. Introduction
In the development process of assembled buildings, the assembled concrete frame system is more widely used at home and abroad due to its flexibility in architectural space arrangement and high prefabrication rate [1,2]. However, it is also found that the connection problems of prefabricated structures are prominent at this stage, such as joint treatment, grouting, the connection of beam–column joints, etc., among which the core is the connection of beam–column joints, which directly affects the load-carrying capacity and stability of the seismic performance of the building structure [3,4,5]. Assembly frame beam–column connections can be divided into dry connections and wet connections, according to the construction methods, and ductile connections and strong connections according to the connection methods. At present, the joints of prefabricated concrete structures with wet connection methods such as sleeve grouting and laminated concrete in China are relatively mature. There are mature design concepts and design methods, relevant standards have been introduced, and the application range is wider [6,7]. In the research on the dry connection of frame beam–column joints, domestic and foreign scholars have conducted extensive experimental studies, theoretical analysis, and design optimization. The main methods of dry connection are corbel connection, bolted connection, and welded connection. Ding Kewei et al. [8] conducted full-scale seismic tests on the proposed new assembled beam–column joints and compared the results with existing cast-in-place concrete joints. It was found that the new joints connected by bolts were equivalent to cast-in-place joints in seismic performance and energy dissipation performance. On this basis, C80 high-performance concrete and new material filler were proposed to be applied to the beam ends and columns in the joint core area [9,10,11,12]. The theoretical studies and numerical simulations showed that filling with a certain amount of new material can improve the ductility and toughness of the whole structure and enhance its seismic energy dissipation performance. Meanwhile, the wet connection is an important connection method for the assembly of fabricated components. Guan Dongzhi et al. [13,14,15,16,17] proposed that UHPC new material should be applied to the post-cast parts, and the mechanical properties of wet connection fabricated joints and cast-in-place joints were tested. The test results showed that the application of UHPC material can significantly improve the ductility and toughness of the fabricated structure and enhance its seismic performance. On the other hand, as most of the assembled joints are pre-fabricated in advance in the factory, it not only provides convenience for the functional design of structural components but also makes it possible to dry-connect beam–column joints [18,19,20,21,22]. To adapt the assembled dry-connection beam–column joints to various working conditions, scholars at home and abroad have studied a variety of dry connection methods. For example, fabricated joints with embedded hook-bolt connectors [23], assembled joints with cross steel plates and bolts [24], embedded profiled steel connection plates [25], and other related embedded connectors [26,27], etc. Zhihong Pan et al. [28] proposed a semi-rigid precast beam–column joint with rapid assembly based on bolt connection. These connection schemes have greatly extended the application areas of assembled structures and at the same time played a positive role in the optimal design of assembled structures.
At present, researchers have conducted a lot of work on improving the load-bearing capacity and energy dissipation capacity of new joints and have studied connection members with high stiffness for improving the stability of precast concrete structures [29,30,31]. Not much research has been carried out on the assembly efficiency and post-disaster repair efficiency of nodes. Oliveira et al. [32] designed a new type of concrete beam–column joint, which has about 80% of the flexural strength of a cast-in-place joint. However, because of the absence of a corbel, temporary supports are needed to connect the beams and columns when assembling them. At present, the application of the more mature dry-connected assembled frames is basically limited to multi-storey concrete structures, and the application scope is narrow. There are few convenient and reliable dry-connected joint structures and constructions, and a complete calculation theory has not yet been formed. Therefore, the theoretical basis provided for the promotion and application of the fully assembled frame structure system nationwide is insufficient, and further research is needed.
On the other hand, as the industrialization of construction is developing more and more in China, assembled building structures are the way to go in the construction industry to reduce energy consumption and environmental pollution, and the requirements for the building materials themselves are becoming stricter. The state recommends the use of high-grade concrete and high-strength steel reinforcement. High-performance concrete has the advantages of high strength, high toughness, low strain rate at high temperatures, and adaptability to special environments [33]. Based on this, C80 high-strength concrete was used in the new assembled beam–column joint components to make precast column members. Compared with ordinary-strength concrete, it can effectively reduce the section size of columns and the building area. At the same time, the overall strength and stiffness of the structure is improved, and it is easier to meet the design specification requirements of “strong columns and weak beams” [34].
This paper addresses the above problems to improve the prefabrication and assembly rates, reduce energy consumption, and improve environmental benefits. A new type of assembled concrete beam–column dry-connection joint based on bolted connections was designed, and experimental research on seismic performance and numerical finite element simulations was carried out. The simulation results were also compared with the experimental results to verify the correctness of the finite element simulation. Based on this, finite element parametric analysis of the seismic performance and numerical simulation analysis of the seismic performance of the modified nodes were carried out. A strong foundation is laid for the theoretical research and application of a fully prefabricated assembled concrete frame structural system, which has very important socio-economic significance and good application prospects.
2. Experimental Overview
2.1. Test Specimen Design and Fabrication
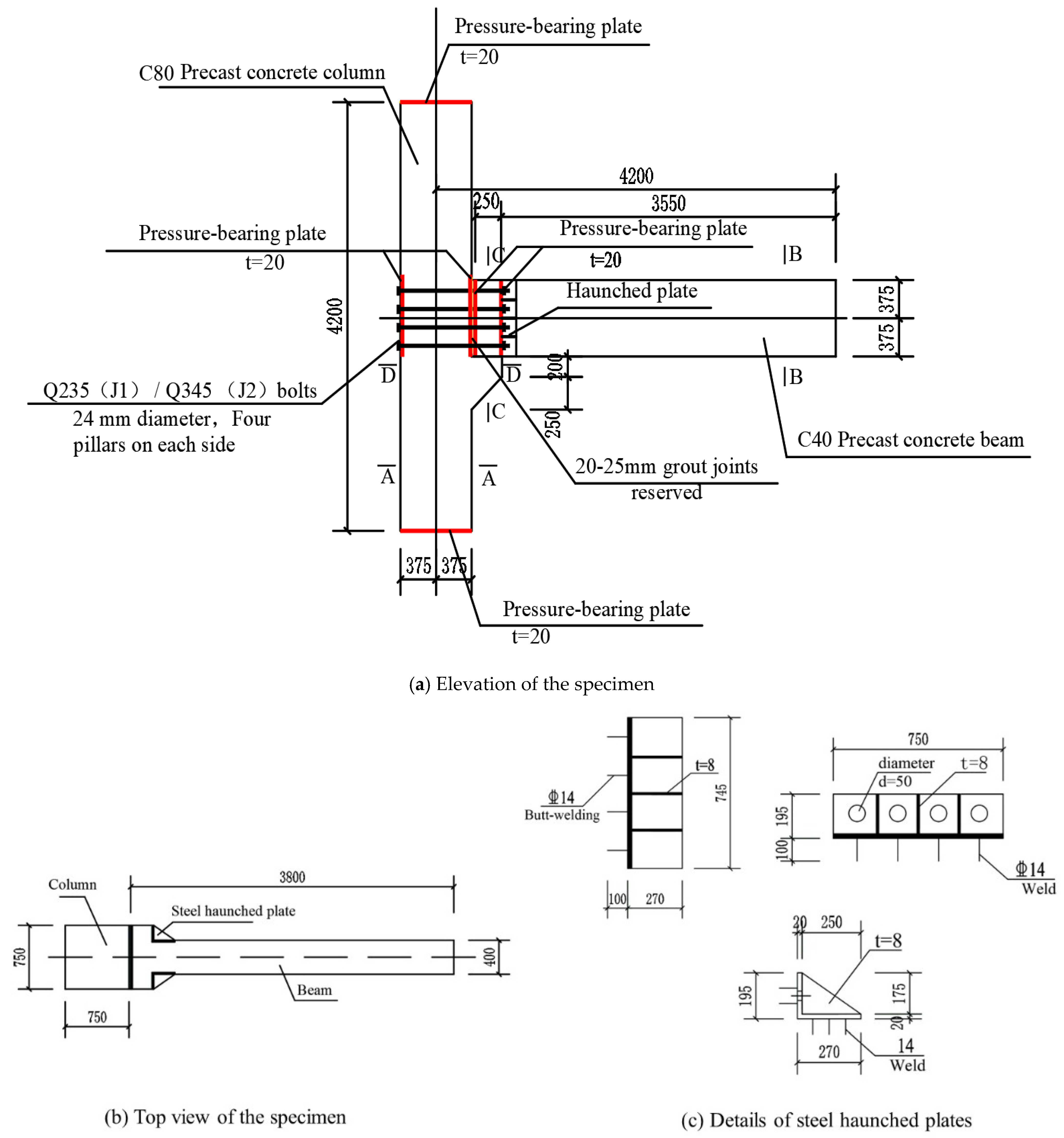
The dimensions of the beam–column joints were designed according to the requirements in the code [34]. The overall strength, stiffness, and stability of the joint core were ensured to meet the requirements. The precast columns of two specimens were made of concrete with strength class C80, with a height of 4200 mm and a cross section of 750 mm × 750 mm. The precast beams were both made of concrete of strength class C40, with a beam length of 3800 mm, a beam cross section of 400 mm × 750 mm, and a beam enlarged end cross section of 750 mm × 750 mm. The precast beam and column were connected by 8 bolts with a diameter of 28 mm (the first group) or 24 mm (the second group) through the reserved hole at the enlarged end of the beam. The details of the precast specimens are shown in Table 1 and Table 2, with the haunched plate and compression plates made of Q345 steel. The longitudinal reinforcement for the precast columns and beams was HRB400 Grade III steel (symbol φ) with diameters of 25 mm and 22 mm, respectively, with the same reinforcement in both groups. The specific dimensions and reinforcement of the specimens are shown in Figure 1 and Figure 2.
Table 1.
Details of precast specimens.
Table 2.
Specimen types and sizes.
Figure 1.
Design of the specimen.
Figure 2.
Specimen reinforcement arrangement.
The test specimens were fabricated at the Anhui Key Laboratory of Building Structure and Underground Engineering, Anhui Jianzhu University. A joint seam of 20 mm–25 mm was reserved in the spliced part of the core zone of the connection node, and the precast beams and precast columns were connected by bolts; see Figure 3 for the specific connection method.
Figure 3.
Precast beam–column connection joints. (a) Splice in precast beams and columns; (b) splice in precast beams and columns after grouting.
The process for making the new precast concrete frame beam–column joint specimens is shown in Figure 4.
Figure 4.
Test specimens’ fabrication process.
Precautions for making test pieces: firstly, the bolt holes are produced in strict accordance with the bolt holes corresponding to the respective required connection positions, with precise dimensions (error in millimeters), otherwise it will affect the smooth butt joint of bolt connectors during splicing; secondly, pay attention to the protection of steel strain gauges. Before steel binding, the position of strain gauges must be predicted to avoid collision with formwork and vibrators; finally, the precast beams and precast columns are assembled by bolt splicing, and the splicing is calibrated with a laser level.
2.2. Material Properties
2.2.1. Mechanical Properties of Concrete
The precast concrete beams and columns were watered and cured under natural conditions for 28 days after casting. Nine test blocks were reserved for each of the two types of concrete, C40 and C80, at the time of casting. The test blocks were of standard size, 150 mm in length, width, and height, as shown in Figure 5. Under the same curing conditions, three groups of three specimens each were divided during the curing period on day 3, day 7, and day 28. The determination of the standard value of compressive strength fcu,k of the concrete cube specimens was carried out following the provisions of the “Regulations for the proportioning design of concrete” [35]. The standard value of axial compressive strength of concrete fck was calculated according to 0.88ac1ac2fcu,k [34]. The results are shown in Table 3.
Figure 5.
Concrete material properties experiments. (a) Standard concrete cube specimens; (b) Compressive strength testing of the cube.
Table 3.
Mechanical properties of concrete materials.
2.2.2. Mechanical Properties of Steel
The longitudinal reinforcement of the precast columns and beams in the test were all Grade 3 steel. Q345 steel plates were used for the compression and haunched steel plates. The mechanical properties of the steel are shown in Table 4.
Table 4.
Mechanical properties of steel bars and plates.
Before the test, the appearance of the bolts was first checked. We also checked that the bolt factory certificate and test report met the experimental requirements, and on three of the bolts we performed tensile testing. The bolts were damaged in tension as shown in Figure 6, and the mechanical properties of the bolts are shown in Table 5.
Figure 6.
Tensile testing of bolt specimens. (a) Connection bolt; (b) bolt specimens damaged by tension.
Table 5.
Mechanical properties of bolts.
2.3. Loading Devices and Loading Regimes
The specimens were assembled and low-cycle loading tests were carried out at the Anhui Provincial Key Laboratory of “Building Structures and Underground Engineering”. The actuator was a ±500 kN electro-hydraulic servo loading system with a displacement stroke of ±150 mm. The vertical load on the column top was applied to utilize a hydraulic jack, and the axial pressure ratio of 0.05 was maintained throughout the loading process. The detailed loading equipment is shown in Figure 7.
Figure 7.
Brace and loading regime of specimens. (a) Loading device diagram; (b) loading site plan.
In accordance with the code [36], in the first step, a constant axial force was applied at the top of the column, which was kept constant during the test, and the axial force was applied according to an axial pressure ratio of 0.05. In the second step, a symmetrical low-cycle reciprocating displacement was applied to the beam using electro-hydraulic servo actuators. The whole test loading was carried out in two stages; the first stage of displacement loading was carried out once per load cycle and loaded until the specimen yielded. The second stage of loading still used displacement-controlled cyclic loading to carry out three cycles per stage. Stop loading when the load on the specimen has dropped to 85% of the peak load or when the bolt has bent and broken. During the loading process, always pay attention to the magnitude of the applied shaft pressure and compensate the pressure appropriately according to the oil pressure gauge to ensure that the shaft pressure remains constant throughout the loading process. The test loading system is shown in Figure 8.
Figure 8.
Experimental loading regime. (a) J1; (b) J2.
The first time the specimen reaches yield was defined as the displacement ductility factor μ = 1. After entering the displacement control phase, the displacement at the yielded end of the beam was taken as a multiple of the displacement to be loaded step by step, i.e., μ = lΔ, 2Δ, 3Δ, … The cycle was repeated 3 times under each displacement value until the load-bearing capacity of the specimen dropped below 85% of the ultimate load-bearing capacity or the deformation of the specimen was too large for further loading.
2.4. Measurement Content
The experimental load values were used directly according to the loading booster. The main elements collected were horizontal force, displacement, reinforcement strain, bolt strain, etc. To facilitate the comparative analysis between the specimens, the location and numbering of the reinforcement strain gauges for the specimens were the same, as shown in Figure 9. L represents beam reinforcement strain gauges, Z represents column reinforcement strain gauges, LS represents bolt strain gauges, J represents axillary slab strain gauges, and H represents concrete strain gauges.
Figure 9.
Strain gauge arrangement of the test piece reinforcement.
To record the joint corners and the displacement changes of the precast column during the test, external displacement gauges were placed at the bottom of the beam and on the column side, as shown in Figure 10. Two displacement meters were placed side by side at 800 mm from the column edge and one displacement meter was placed at 3650 mm from the column edge (for review and verification).
Figure 10.
Location of test specimen displacement gauge.
The gate length of the steel bar and steel beam strain gauge was 3 mm, and that of the concrete strain gauge was 100 mm. The specific parameters of the strain gauge were as follows:
The pressure sensor, displacement meter, and strain gauge (Please see Table 6) used the Donghua DH3818Y collection box for data collection, and the pressure sensor was connected to the full bridge. The displacement was measured as a linear displacement sensor, and the access mode was the half bridge. Before preloading, the pressure sensor and the displacement sensor were calibrated according to their respective sensitivities, and their sensitivity coefficients were 0.131 and 0.668, respectively. The strain gauge access mode was 1/4 bridge (public compensation); the acquisition frequency of the acquisition box was 2 HZ. A picture of the collection box and linear displacement sensor is shown in Figure 11.
Table 6.
Parameters of strain gauge.
Figure 11.
Collection box and linear displacement sensor.
3. Experimental Phenomena and Their Analysis
When a low-cycle loading was applied, the actuator loading was defined as positive when pushed downwards and negative when pulled upwards, and the actuator loading displacement was recorded.
3.1. Main Experimental Phenomena
3.1.1. Crack Development in Specimen J1
The joint of test specimen J1 was made of Q235 steel with 24 mm diameter low-strength bolts. The loading method was displacement-controlled. When loaded to −10 mm, the first crack width of 0.08 mm appeared on the lower surface of the beam (65 cm from the column edge) and a crack width of 0.09 mm appeared on the upper surface of the grout. When loaded to +50 mm, a fine ring-shaped crack appeared in the expanded end area of the beam and extended outwards, with a 2.5 mm wide crack at the grout. At this point, the actuator showed a slow increase in the load-bearing capacity at the beam end, indicating that the specimen had entered the yielding stage, at which point the loading method was changed and cyclic loading was carried out. At +70 mm, the bolt was bent and deformed, and the precast beam was rotated by the contact surface between the bottom of the beam and the corbel. At +118 mm, the bolt slipped and the test was terminated. Detailed records of the phenomena are shown in Table 7.
Table 7.
Specimen J1 test phenomena.
3.1.2. Crack Development in Specimen J2
The joint of test piece J2 was made of Q345 steel with 24 mm diameter common bolts. The loading method was displacement-controlled. The first crack with a width of 0.1 mm appeared on the lower surface of the beam (32 cm from the edge of the column) when loaded to −30 mm. The precast beam also had the phenomenon of rotation with the contact surface between the bottom of the beam and the corbel as the point of rotation. Details of the phenomena are recorded in Table 8.
Table 8.
Test phenomena of specimen J2.
The final damage images for the joints are shown in Figure 12 and Figure 13. The damage to both J1 and J2 was ultimately to the bolts and precast beams. The precast columns were not damaged, which followed the design concept of these new joints.
Figure 12.
Joint damage image. (a) Precast column damage image after loading; (b) precast beam damage image after loading.
Figure 13.
View of bearing plate and bolt damage.
3.2. Analysis of Experimental Phenomena
As can be seen from Figure 14, the damage forms of J1 and J2 are mostly the same. There are no cracks in the precast column and the corbel, and the final damage was caused by the precast beam and the bolt, which follows the design concept of these new joints. The cracks on the top surface of the precast beam are distributed at the intersection of the enlarged end and the core of the joint, and there are almost no cracks far from the core of the joint. The bottom surface of the precast beam is cracked near the corbel, but no cracks are produced at the enlarged end. This shows that the presence of the corbel inhibits the generation of cracks in the precast beam to a certain extent and prevents damage to the joint under seismic action. The cracks in the sides of the precast beams are mostly located in the core of the joints, and there are no cracks in the areas away from the core of the joints. The crack distribution in J2 is more dispersed than that in J1, and the cracks in the precast beams are more dispersed along the surface of the beams, with a wider distribution area than in J1. This shows that the energy dissipation of J2 bolts is higher than that of J1 bolts, which improves the energy dissipation capacity of the beam in the joint core area, and the stress concentration phenomenon in the joint core area of J2 is smaller than that of J1.
Figure 14.
Diagram of experimental phenomena. (a) J1 crack distribution; (b) J2 crack distribution.
3.3. Experimental Results
3.3.1. Load-Displacement Curves
The load-displacement curves for each specimen are shown in Figure 15 (the horizontal coordinates are the actuator position displacement values, and the vertical coordinates are the actuator load values), from which it can be seen that:
Figure 15.
Comparison of experimental and simulated curves.
- Compared to the hysteresis curves of J1 and J2, the other hysteresis curves are bowed, and the hysteresis curves are generally smooth and full. The area of the hysteresis curve increases with the increase in displacement load, which indicates that both J1 and J2 have a certain plastic deformation capacity and good energy dissipation capacity. At the same time, the loading force and displacement of the two new joints are approximately linear at the beginning of the loading when the joints did not crack; with the increase in force, they gradually became non-linear.
- The hysteresis circle of J2 is significantly larger than that of J1. The ultimate displacements of J2 and J1 are 115.8 mm and 127.6 mm, respectively, and the ultimate displacement of J2 is 10.2% higher than that of J1. This indicates that the deformation of the bolt in the energy dissipation phase of J2 is greater than that of J1, enhancing the energy dissipation performance of the joints. It can be seen that the increase in bolt strength grade will increase the energy dissipation performance of the joints.
- The hysteresis curves of both J1 and J2 are asymmetrical during reciprocating loading. This is due to the corbel limiting the rotation of the precast beam during negative loading, increasing the stiffness of the joints, decreasing the bolt deformation, and reducing the energy dissipation capacity.
3.3.2. Skeleton Curves
The skeleton curves of J1 and J2 are shown in Figure 16, from which it can be seen that:
Figure 16.
Comparison of test piece skeleton curves.
- The two joints in the experimental state go through: the elastic phase, the yield phase, the strengthening phase, and the damage phase. Both maintain good stiffness in the early stages of loading, and the skeleton curves of the specimens all tend to be approximately straight lines, indicating that the components are in the elastic stage with little change in stiffness and displacement. As the load continues to increase, the reinforcement of the precast beam starts to deform and yield and the bolt deformation of specimens J1 and J2 increases. The specimens begin to become elastoplastic, the specimen skeleton curves gradually shift towards the displacement axis and no longer change linearly, and the stiffness of the specimens gradually degrades.
- After J1 and J2 reach the maximum load-bearing capacity, the load-bearing capacity of the beam end continue to increase when the load continues to increase. This indicates that the new joints have stronger structural stiffness under displacement loading and their stiffness degradation trend is smoother, showing that increasing the strength of the bolts can improve the ductility of the joints, which in turn can increase the seismic energy dissipation capacity.
- It can be seen that the J2 yield load is 39.4% higher, the ultimate load is 11.5% higher, and the damage load is 13.2% higher than J1 for the same working conditions. The reason for this is that J2 used stronger bolts, which allowed the fractures of the beam to crack and move back, increasing the stiffness and load-bearing capacity of the expanded end of the precast beam, which increased load-bearing capacity. Therefore, an appropriate increase in bolt strength can improve the energy dissipation capability of the core area of the joint, which can effectively improve the bearing capacity of the specimens. It is suggested that in actual engineering, an appropriate increase in connection bolt strength can be used to improve the bearing capacity of the joints.
- Specimen J1 has a positive peak load of 151 kN and a negative peak load of 113 kN, a difference of 25.2%. Specimen J2 has a positive peak load of 178 kN and a negative peak load of 121 kN, a difference of 32.02%. The corbel acts as a support for the beam and was not subjected to forces, the load capacity being determined by the structure of the beam itself. The final damage to both J1 and J2 was due to the bolts yielding and cracks in the beam end surfaces, but the load-bearing reinforcement did not yield. It can be seen that the energy consumption of the new joints is primarily based on bolts and cracks produced in the core area of the joints; no damage occurred to the corbel and columns, as intended by the new joint design concept.
3.4. Analysis of Experimental Results and Discussion
3.4.1. Joint Corner Displacement Analysis
According to the displacement gauge change ΔL at the beam recorded by the displacement gauge, where ΔL1 corresponded to the average value of the two displacement gauges at L1 and ΔL2 corresponded to L2, from the experiment phenomenon it was found that the precast beams of specimens J1 and J2 mainly rotated with the edge of the corbel as the center of rotation under positive loading, i.e., the moment arm distance L (L = L1 − 250) for specimens J1 and J2. The displacement rotation angles of the specimens at cracking, at yielding, and in the damage phase can be calculated under the action of positive loading. Detailed data are shown in Table 9 and Table 10.
Table 9.
Displacement angle of specimen J1.
Table 10.
Displacement angle of specimen J2.
The displacement gauge deformation of the column throughout the experiment is essentially zero, indicating that the precast column does not tilt under the low-cycle loading. The displacement corner deformation of the beam increased as the load increased and reached its maximum value at the time of damage to the precast beam. The specimen could remain in a straight line at the beginning of the stressing stage, and at the yielding and final damage stages the precast beam was no longer straight and entered into non-linearity, and the corner calculation results were slightly larger than the actual corner.
3.4.2. Stiffness Degradation Curves
The development of cracks in the specimen during loading, the entry of longitudinal bars and bolts into the elastoplastic working section, and the slip of the bond between reinforced concrete cause damage to the structural components. When damage accumulates to a certain value, residual deformation occurs in the structural components, there is plastic damage that cannot be elastically restored, and their stiffness begins to deteriorate. The degradation in the seismic performance of a structural component can be expressed in terms of the cut-line stiffness Ki [34]. Due to the presence of the corbel, there was a constraint on the rotation, making the stiffness different when the forces were applied in the upper and lower directions, so the calculation was carried out in separate directions.
where Fi—the load value at the ith positive or negative peak point; Xi—the displacement value at the ith positive or negative peak point.
The stiffness degradation curves of the specimens are shown in Figure 17. The stiffness degradation curves of the two groups of specimens show a similar trend. The initial stiffness of the specimens is larger, and the stiffness degradation rate is slow, indicating that these joints have a strong resistance to lateral movement. As the displacement loading proceeded, the specimens developed cracks and the original cracks continued to develop. The deformation of the bolts at the joints resulted in the enlargement of the cracks at the joints, and the stiffness of the specimens gradually degraded. The degradation rate was faster at the beginning and slowed down at the end, and the curve tends to flatten out. The rate of stiffness degradation of specimen J2 in each displacement stage is lower than that of specimen J1, and the stiffness in each displacement stage is greater than that of specimen J1, indicating that increasing the strength of the bolts had a greater effect on the joints’ stiffness. The residual stiffnesses of specimens J1 and J2 are 1.16 and 0.5, respectively, indicating that the new joints still had a certain load-bearing capacity when they were damaged.
Figure 17.
Stiffness degradation curves.
3.4.3. Stress–Strain Analysis
The test specimen strain data are shown in Figure 18, where LS represents the bolt strain, Z represents the steel strain on the column, L represents the steel strain on the beam, H represents the concrete strain, and J represents the steel plus haunched plate strain. Analysis of the strain data from both sets of tests showed that the strain variation pattern was almost identical in all parts. The strains in the precast beam reinforcement and concrete strains were small without significant fluctuations before cracking and increased after cracking of the specimens. As the load increased, the strain on the reinforcement and concrete increased, and the strain on the reinforcement at the expanded end of the precast beam was greater than that at the end of the precast beam. Concrete cracking at the expanded end of the precast beam was evident, with a sudden change in the concrete strain at this location. The strain trend of the internal longitudinal reinforcement in the precast beam did not change abruptly, indicating that no plastic deformation of the internal longitudinal reinforcement occurred. The integral strain of the reinforcement on the precast column was small and did not change significantly, indicating that the precast column was subjected to less deformation throughout the low-cycle loading process. The strain trend of the bolt and steel haunched plate is consistent with the strain trend of the reinforcement at the expanded end of the precast beam, which shows that the precast beam expanded end and the bolt were the most stressed parts during the whole loading process, following the design concept of these new joints.
Figure 18.
Specimen stress–strain. (a) Precast beam reinforcement strain; (b) precast column reinforcement strain; (c) concrete reinforcement strain; (d) haunched column reinforcement strain; (e) bolts in column reinforcement strain.
4. Finite Element Numerical Simulation
This chapter establishes a three-dimensional finite element numerical model based on low-cycle loading tests of a new assembled concrete beam–column joints to study the stress distribution and internal forces in the core areas of the joints. The experimental results were compared with the test results, and the experimental results were in good agreement with the simulation results. On this basis, three sets of axial compression ratio parameters were analyzed by applying FEM software to determine the effect of the axial compression ratio on the seismic performance of the new joints. A new beam–column joint with angles was simulated using ABAQUS and its seismic performance was analyzed in comparison with the experimental joints.
4.1. Concrete Damage Model Theory
4.1.1. Concrete Material Constitutive Relationships
When analyzing the structural properties of concrete in finite element ABAQUS software, the concrete components of the model must be given appropriate constitutive data to achieve accurate and valid results. As a result of various studies and the continuous development of the finite element software itself, ABAQUS software has developed a variety of intrinsic structure model systems, such as plastic damage models and smeared cracking models, which were designed for concrete mechanical performance analysis in different problem situations [37].
The smeared cracking model can consider the weakening of the shear resistance of the cracked surface after cracking by defining a shear modulus reduction factor for the concrete, thus avoiding shear locking. The shear modulus discount factor dc is calculated by the formula:
where εd is the cracking strain perpendicular to the direction of the crack in the concrete.
εmax is the cracking strain perpendicular to the direction of the concrete crack when the shear modulus of the cracked surface is reduced to zero.
qc is the shear modulus reduction factor after the concrete crack is closed under reciprocating load.
4.1.2. Hysteresis Rules
The smeared cracking model cannot take into account the reciprocating force characteristics such as the unloading stiffness degradation and reloading stiffness recovery of concrete under reciprocating loads. The hysteresis rule is that the compressive unloading is unloaded at the initial elastic stiffness and the reloading path when the stress–strain curve transitions from the compressive zone to the tensile zone points to the historical maximum stress–strain point in tension. The unloading in tension points to the zero-stress point of the previous reload, and the stress–strain curve transitions from the tension zone to the compression zone by the initial elastic stiffness of the reload.
In the plastic damage model, the core of its hysteresis rule assumes that the damage to concrete is in the form of tensile cracking and crushing and that the damage to the concrete after it enters plasticity is divided into tensile and compressive damage, with two separate damage factors used to model the degradation of elastic stiffness caused by the damage. The hysteresis criterion is jointly determined by the damage factor d and the stiffness recovery factor ω.
4.1.3. Yield Criterion and Law of Flow
For the smeared cracking model, the yield surface equation is based on classical elastoplastic theory and is expressed as follows:
where the τc hardening parameter can be calculated from the uniaxial stress–strain relationship for concrete.
The flow law for the concrete dispersion cracking model is the ordinary associative flow law, and the plastic potential function is the same as the yield surface equation.
For the plastic damage model, the yield surface function is:
where I1 and J2 are the first invariant of the stress tensor and the second invariant of the partial stress tensor, respectively, and the remaining parameters are calculated as follows:
where σb0 is the biaxial compressive strength of the concrete; σc0 is the uniaxial compressive strength of the concrete; σt0 is the biaxial tensile strength of the concrete; and Kc is the parameter controlling the shape of the projection of the concrete yield surface on the offset plane.
The flow law for the plastic damage model uses the uncorrelated flow law with a plastic potential function of:
where ρ = (2J2)0.5; φ is the expansion angle of the concrete yield surface in the strengthening process, taking a value range of 37° to 42°; λ is the eccentricity of the concrete plastic potential function, which can be taken as 0.1.
For the seismic finite element analysis of the new assembled beam–column joints in this paper, the concrete constitutive model was based on the plastic damage model. The experimental parameters were calculated concerning the test specimens of the same concrete batch.
4.2. Joint Finite Element Modeling
4.2.1. Material Stress–Strain Curves
A plastic damage model is used to simulate the mechanical performances of concrete, requiring accurate input of concrete stress–strain values and corresponding damage parameters in ABAQUS, which can determine whether the concrete units are damaged according to the input parameters during the calculation. In the analysis of concrete damage, ABAQUS can show two main damage mechanisms: tensile cracking and compressive damage, and the model can reflect the degradation in concrete stiffness in the middle and late stages of loading. These parameters can be obtained from the curve equations provided in Appendix C of the literature [38] by referring to the concrete model intrinsic structure curves.
The uniaxial compressive stress–strain curve for concrete can be determined from Equations (9) and (10) as follows:
where , , .
The uniaxial stress–strain curve for concrete in tension can be determined from Equations (11) and (12) as follows:
where , .
The stress–strain curve for uniaxially stressed concrete is shown in Figure 19.
Figure 19.
Uniaxial stress–strain curve for concrete.
The steel used in this test included reinforcement bars, bolts, and compression plates. There are three types of reinforcement constitutive models: an isotropic strengthening model, a kinematic strengthening model, and a hybrid strengthening model. As the experiment is a low-cycle loading experiment, the Bauhinia effect of the steel needs to be considered, so it is not appropriate to use an isotropic strengthening model but rather a kinematic strengthening model. The steel is shown in Figure 20 using a bilinear hysteretic model.
Figure 20.
Bilinear stress–strain curves for steel.
4.2.2. Unit Selection and Division
In this study, continuous solid units were chosen to simulate concrete, including precast beams, precast columns, bearing plates, and bolted parts, and linear interpolation and reduction integration units were used, namely, C3D8R (eight-joint hexahedral linear reduction integration unit). This choice fully reflected the distribution and variation in stress/strain in the components and greatly improved the efficiency of the calculation. As reinforcement is the main component subjected to tensile and compressive forces in the concrete material, T3D2 (two-joint 3D truss unit) was used for the reinforcement part, which can accurately reflect the axial stress/strain distribution and variation law of the reinforcement ignoring shear effects [38].
The quality and size of the mesh directly determine the convergence of the model. Considering both calculation accuracy and efficiency, the mesh is locally refined at the location where there is a high stress concentration. After conducting several mesh sensitivity analyses, the mesh size at the single-stud shear connectors was set as around 10 mm, the size of the mesh at the steel beams was set as 15, and the size of the angle of the embedded parts was set as 50 mm. As a result, the total number of meshes in the model was 16,048. In the “Mesh” module, precast beams, columns, and bolts were meshed side by side, and the quality of the mesh was checked. The main difficulty in meshing the model is in meshing the bolt holes in the precast beam columns, which were divided into squares of equal area around the round bolt holes using the equal cutting principle. Once the meshing has been completed, a job can be created and submitted to the program for running, and the simulation results will eventually be viewed in the “Visualization” module. The finite element model, precast beam, and column hole and bolt nut meshing are shown in Figure 21.
Figure 21.
Specimen meshing diagram. (a) The whole specimen; (b) bolts; (c) steel haunched plates; (d) precast column bolt holes.
4.2.3. Boundary Conditions and Loading
In the experiments in this paper, the bottom of the column of the beam–column joint specimen was restrained using a steel section element to limit its translation and rotation, which was a fixed support. Therefore, in the finite element model, the bottom plane of the column was set up with fully fixed constraints and placed in the initial analysis step. The loading point at the beam end was connected to the actuator using steel plates and anchors, and the loading was displacement-controlled. In the finite element simulation, the displacement loading part amplitude is generally entered directly to simplify the loading process, facilitate the operation, and achieve better convergence. The load application area was divided at the corresponding position at the end of the beam, and a reference point RP-1 was set. The reference point was constrained with all six degrees of freedom in the divided area using the coupling command, and the displacement loading amplitude was assigned to RP-1 to achieve the application of low-cycle loading at the end of the beam. In the experiments, axial pressure was applied at the top of the column using a large hydraulic jack. Therefore, in the finite element model, a reference point RP-2 was set at the top surface of the column, and all six degrees of freedom at the top surface of the column were coupled to the reference point (coupling), and then all six degrees of freedom at the reference point were constrained with respect to the top plane of the column. This ensured that when an axial force was applied to the reference point, the vertical displacement of the column top plane was equal to the vertical displacement of the reference point, achieving complete fixation of the reference point to the column top plane. The boundary conditions and loading settings are shown in Figure 22.
Figure 22.
Boundary conditions and loading settings. (a) Top of column coupled to end of the beam; (b) bottom of a column fixed.
4.3. Analysis of Calculation Results
4.3.1. Hysteresis Curves
The experimental and numerical simulation load-displacement curves for specimens J1 and J2 are shown in Figure 23. The simulated curves of J1 and J2 are fuller than the experimental curves, and the hysteresis loop area is larger, indicating that the new joints had better energy dissipation performance. However, the finite element simulation process is more idealized than the actual experiments, and the simulation results are fuller than the experimental hysteresis curves. The main reason for this is that the experiments entered the inelastic stressing stage, and as the joints underwent a low-cycle loading, the damage gradually accumulated, and the effects of various non-linear factors such as increased concrete cracking and local crushing, degradation of the bond between the reinforcement and concrete near the joint, and the Bauschinger effect of repeated tension and compression of the reinforcement became more and more significant, and these factors had certain weakening effects on the joint stiffness and ultimate bearing capacity. In the finite element calculation and analysis, the reinforcement unit was embedded in the concrete unit for analysis; this method was not well suited for the Bauschinger effect, which made the calculated hysteresis curve fuller.
Figure 23.
Comparison of experimental simulated load-displacement curves: (a) J1, (b) J2.
4.3.2. Skeleton Curves
The comparison of the skeleton curves of the two beam–column joint specimens (see Figure 24) shows that the skeleton curves are straight lines at the beginning of loading and their morphological trends are the same as those of the experiments. This indicates that the initial stiffnesses of the finite element simulations and the experimental analysis are close when in the elastic phase. However, as the load gradually increases, it starts to enter the inelastic phase. The skeleton curves obtained from the simulations gradually approach the skeleton curves obtained from the experiments, both with gentler phases, similar plastic deformation capacity, and better ductility.
Figure 24.
Comparison of experimental simulated skeleton curves: (a) J1, (b) J2.
4.4. Stress Clouds
The numerical analysis of the finite element ABAQUS software shows the stress clouds of each specimen at different stages, where “+” is the beam subjected to vertical downward action and “−” is the beam subjected to vertical upward action.
4.4.1. Stress Cloud of J1
Specimen J1 is a low-strength bolted connection with haunched plates. As the loading displacement increases, the concrete plastic damage of the precast beam gradually develops towards the end of the beam, but the stress development of the beam body is not obvious after the +30 mm stage, indicating that the node enters the rotation stage. The stress at the left lower corner where the beam end intersects the face of the column increases slowly with increasing load, and the stress surface is small, indicating that the beam is rotating around the contact surface of the beam and the corbel, consistent with the test phenomenon (see Figure 25). (Where 8E3 is 8 × 103).
Figure 25.
Stress cloud of specimen J1: (a) +20 mm stage stress cloud; (b) +50 mm stage stress cloud; (c) +70 mm stage stress cloud.
4.4.2. Cloud Diagram of Specimen J2
Specimen J2 is a normal-strength bolted connection with haunched plates. As the loading displacement increased, the concrete plastic damage of the precast beam gradually develops towards the end of the beam, but the stress development of the beam is not obvious after the +50 mm stage, indicating that the joint entered the rotation stage. Throughout the loading process, the stress concentration at the junction between the beam body and the expanded end of the beam is not obvious, indicating that increasing the strength of the bolts has a certain restraining effect on the variable section of the beam, thus increasing the load-bearing capacity of the specimen. The stress at the lower left corner of the beam end where it intersects the face of the column increases slowly with the load and the force surface is small, indicating that the beam is rotating around the contact surface of the beam and the corbel, consistent with the test phenomenon (see Figure 26). (Where 8E3 is 8 × 103).
Figure 26.
Stress cloud of specimen J2: (a) +20 mm stage stress cloud; (b) +50 mm stage stress cloud; (c) +70 mm stage stress cloud.
From the finite element simulation results of the specimens, it was found that specimens J1 and J2 have the characteristic of semi-rigid joints where the beam is rotating around the contact surface between the beam and the corbel. Increasing the strength of the bolts helps to improve the load-bearing capacity of the precast beams. A comparison of the simulated results with the experimental damage process and form shows that the experimental results generally matched the simulated results, verifying the correctness of the finite element model. The new joints meet the seismic requirements of “strong columns and weak beams”, and the integral seismic performance of the joints is good.
4.4.3. Analysis of Opening Holes in the Joint Core Area and Bolt Stress Cloud Analysis
Due to the presence of bolt holes in the new assembled beam–column joints, which weaken the cross section, the stress relationship between the column and beam bolt-hole sections in the core area of the joints needs to be analyzed. Figure 27 and Figure 28 show the stress clouds of the second row of bolt-hole sections in the upper part of J1 and J2. They show that the stress changes in the core area section of the bolt holes are mainly concentrated at the two ends of the bolt holes, which is consistent with the test phenomenon and is also the part of this new joint on which the structural measures focus. (Where 8E3 is 8 × 103).
Figure 27.
Stress cloud of the specimen J1 bolt-hole section: (a) −20 mm stage column core section; (b) −20 mm stage beam expanded end section; (c) −60 mm stage column core section; (d) −60 mm stage beam expanded end section.
Figure 28.
Stress cloud of the specimen J2 bolt-hole section: (a) −20 mm stage column core section; (b) −20 mm stage beam expanded end section; (c) −90 mm stage column core section; (d) −90 mm stage beam expanded end section.
The stress cloud of the bolt is shown in Figure 29. The maximum stress of the J1 bolt is 293 Mpa, and the maximum stress of the J2 bolt is 328 Mpa. The stress of the J2 bolt is 12% higher than that of the J1 bolt. Comparing Figure 25 and Figure 26 shows that the bolt is the main energy-dissipating element; increasing the bolt strength can improve the seismic energy dissipation performance of the whole node. This conclusion is consistent with the experimental results and further validates the numerical simulations. Under the seismic action, the post-earthquake repair of the joints can be completed by replacing the bolts and precast beams, which follows the design concept of these joints. (Where 8E3 is 8 × 103).
Figure 29.
Stress cloud images of the bolts (failure state): (a) J1, (b) J2.
4.5. Column Axial Pressure Ratio Parameters
According to the Code for the Design of Concrete Structures (GB 50010-2010), the axial compression ratios of frame columns of various structures should not be greater than 0.7, 0.8, and 0.9, respectively, under the action of the first, second, and third earthquake. The concrete strength of the precast concrete columns in this paper is C80. At this time, the axial compression ratio limit should be reduced by 0.10. Therefore, the axial compression ratio of 0.6 can meet the requirements, and the axial compression ratio chosen in this study was 0.5 (FEM2). Preliminary research and analysis of the relevant data indicate that the axial compression ratio is an important factor affecting the ductility of reinforced concrete columns. In seismic design, the ductility of the column is ensured by the axial compression ratio limit. With certain measures, ductility can be guaranteed even if the axial compression ratio limit exceeds the specification.
For this purpose, three additional Q235-grade bolt joints with different axial compression ratios were designed and denoted by FEM1, FEM2, and FEM3. The axial compression ratios of FM1, FEM2, and FEM3 are 0.3, 0.5, and 0.6 respectively. The axial compression ratios can be calculated by Equation (13):
where N is the actual axial compression force on the specimen during the simulation and represents the compressive strength of the standard concrete; A represents the cross-sectional area of the specimen.
n = N/fck⋅A
4.5.1. Skeleton Curves
Figure 30 shows the skeleton curves of EFM1, EFM2, and FM3 at different axial compression ratios. It shows that the skeleton curves of the three specimens follow the same general trend and go through four stages: elastic, yield, strengthening, and damage stages. The ultimate loads of EMF1, EMF2, and EMF3 are 144 kN, 132 kN, and 167 kN, respectively, which shows that the load-bearing capacity of the joint is linearly proportional to the axial load ratio. The larger the axial pressure ratio, the earlier the joint yielding phenomenon and the earlier the strengthening stage of the load-bearing capacity. This indicates that the larger the axial pressure ratio, the earlier the damage phase of the concrete, and the faster the load-bearing capacity and ductility decrease.
Figure 30.
Skeleton curves of specimens at different axial compression ratios.
4.5.2. Stiffness Degradation Curves
Figure 31 shows the stiffness degradation curves for the three joint components. It can be seen from Figure 31 that the general trend of the three sets of curves is similar. However, as the axial compression ratio increases, the initial stiffness also increases. The higher the axial compression ratio, the greater the rate of stiffness degradation of the specimen at the initial stage of loading. In the later stages of loading, the curve tends to flatten out. In summary, all three groups of joints have a good capacity to resist lateral movement. The higher the axial compression ratio, the higher the initial stiffness and the higher the stiffness degradation rate.
Figure 31.
Stiffness degradation curves for different axial compression ratios.
4.6. Optimization of Assembled Semi-Rigid Beam–Column Joints
4.6.1. Joint Design
The concrete at the expanded ends of the beams in both sets of experimental joints suffered some degree of shear damage. Therefore, a new beam–column node with angles was simulated based on ABAQUS without changing the cross-sectional dimensions and reinforcement of the beam–column node. The presence of angles can effectively transfer the load to the beam–column joint to reduce the plastic damage to the concrete at the upper part of the expanded end of the beam. The modified joint is identical to the experimental joints except for the new angle structure. Figure 32 shows the joint details of the modified joint.

Figure 32.
Details of modified node J3. (a) Detailed drawings of the joint structure; (b) finite element model; (c) cutting of the working surface; (d) meshing; (e) angle meshing; (f) bolt meshing.
4.6.2. Finite Element Clouds of Modified Joint
In the finite element model of the modified joint, the angles are mounted on the upper part of the concrete beam flange to facilitate better load transfer to the beam–column node. Figure 33 shows the equivalent plastic strain diagram for the modified joint, which can be compared with the equivalent plastic strain diagram for J1: the equivalent plastic strain in the concrete at the flange of the beam is significantly reduced due to the presence of the energy dissipation angle. This indicates that the addition of the angling device can effectively improve the shear damage of the concrete at the upper part of the flange. Figure 34 shows the stress cloud of the angle steel; the main stresses are concentrated around the bolt holes, which is consistent with the experimental phenomenon. Figure 35 shows the bolt stress distribution of FEM J3. The comparison shows that the bolts in FEM J3 are subjected to higher stresses and the largest stresses are distributed in the vertical bolts. The above situation of the stress distribution and damage state is generally consistent with the predicted results, and the bolts are preferentially damaged while also reducing the plastic damage of concrete. (Where 8E3 is 8 × 103)
Figure 33.
Equivalent plastic strain for FEM J3.
Figure 34.
Angle stress cloud.
Figure 35.
Bolt stress cloud.
4.6.3. Hysteresis Energy Consumption Performance
The equivalent viscous damping coefficient curves of J1, J2, and J3 are shown in Figure 36, and the energy dissipation indexes of the three groups of members are listed in Table 11. As can be seen from the figure, the curves of the equivalent damping coefficients of the three groups of members follow the same trend, with the J2 curve being generally higher than J1 and the J3 curve being the highest. It can be seen that increasing the strength of the bolts and adding angle devices can improve the seismic energy dissipation performance of the joints to a certain extent.
Figure 36.
J1, J2, and J3 equivalent viscous damping coefficients.
Table 11.
Energy consumption capacity indicators.
As can be seen from Table 11, the equivalent viscous damping coefficients of J1 range from 0.068 to 0.197, J2 from 0.067 to 0.212, and J3 from 0.024 to 0.239. The maximum values of the equivalent viscous damping coefficients of J1 are 92.2% and of J2 and J3 are 82.4%. The total energy dissipation of J1, J2, and J3 was 89.19 kj, 99.43 kj, and 119.52 kj, respectively, with average equivalent damping coefficients of 0.141, 0.148, and 0.154 and energy dissipation coefficients of 0.886, 0.930, and 0.967, respectively. Therefore, J3 dissipated the most energy. This indicates that the addition of angle construction can improve the seismic energy dissipation capacity of the joint to some extent.
5. Shear Capacity of Joint Core
According to the seismic design concept of the strong core zone, the core zone should not shear yield when the steel bars at the end of the beam yield, and the core zone shear force when the beam end section reaches its flexural bearing capacity is taken as its calculated shear force value. The joint is analyzed as an isolated body (see Figure 37 for the stress diagram of the joint core), and the bearing reaction at the top and bottom of the column produces a bending moment and shear force on the joint core. When the height and stiffness of the upper and lower columns of the node are the same, the bending moment of the upper and lower column ends is the same, the shear force is the same, and the direction is opposite. The shear force at the end of the beam and column only exists in the shear compression area of the beam and column sections. According to the balance of the bending moments at nodes, the sum of the bending moments at column ends is equal to the sum of the bending moments at beam ends and opposite in direction. At the same time, the joint core is subjected to the axial load of the column. It can be seen that the core shear force can be obtained from the equilibrium condition.
where:
Figure 37.
Stress diagram of the joint core.
Vj—the shear force in the nodal core zone;
Vc—the support shear at the base of the column;
—the value of the bending moment at the end of the beam to the left and right of the joint;
—bending moment value at the bottom and top of the column;
—the standard value of the tensile strength of reinforcement;
Hc—the distance between the upper column and the lower column counter-bending point of the joint;
—the distance from the joint force point of the longitudinal reinforcement under compression in the beam to the near edge of the section;
hb0—the effective height of the beam cross section;
hb—the height of the beam section.
According to the test and finite element numerical analysis in this paper, it is found that the stress characteristics of the new assembled beam–column joints are different from the existing assembled monolithic concrete frame but close to the mechanical characteristics of the semi-rigid beam–column joints of steel structures. The stress form is simple and the force transmission is clear. The shear force of the joints is borne by the corbel and the bending moment is borne by the bolt. As the semi-rigid connection is under a negative bending moment, the neutral axis of the bolt group is at the top surface of the corbel, the bolt deformation is larger, and the upper part between the beam end and the column is separated under the ultimate load and the squeezing pressure in this part is 0. The calculated value of the node core zone shear force can be obtained.
Table 12 shows the calculated values of the shear bearing capacity of the joints of specimens J1 and J2 according to Formula (14) compared to the test values. The material strengths in the calculations are taken from the measured values.
Table 12.
Comparison between the calculated values and test values of shear bearing capacity of joints.
As can be seen from Table 12, the shear bearing capacity of the new concrete beam–column joints has a certain safety reserve when calculated according to this formula.
6. Conclusions
In this study, a new type of beam–column joint was designed, two full-scale new-type joints were tested under low cyclic loading, and the influence of bolt strength on the seismic performance of new-type joints was studied. The finite element model was established based on the experimental joint specimens, and the results were compared with the experimental results to verify the correctness of the finite element simulation results. Through the finite element software, the seismic resistance of new joints with different axial ratios was studied, and the influence of the axial compression ratio on the seismic performance of new joints was discussed. Based on the above research, a new type of improved joint is proposed, the numerical model of the improved joint is established by finite element software, and the seismic performance of the improved joint is compared with the experimental simulation results. The main conclusions are as follows:
- (1)
- Under the action of low-cycle loading, bolts and precast beams are the main stress components of the new-type joints, and the failure modes are as follows: bolts yield, enlarged ends of precast beams are destroyed, and precast columns and the corbel can still bear the load. Under an earthquake, bolts and precast beams can be replaced to complete the joint repair work, which accords with the new joint design concept.
- (2)
- The hysteresis curves of the two new joints are bow-shaped, and the hysteresis curves are generally smooth and full, with a large hysteresis loop area. The equivalent energy dissipation coefficient is 0.855–1.16, and the equivalent damping coefficient is 0.1–0.25, indicating that the new joints have a strong energy dissipation capacity.
- (3)
- The two new joints have obvious stiffness degradation, and the descending section is relatively gentle. The residual stiffness of J1 and J2 is 1.16 and 0.5, respectively, which indicates that the new joints still have a certain bearing capacity when they are damaged. At the same time, according to the stiffness degradation curve, the stiffness degradation speed of J2 in each displacement stage is slightly smaller than that of specimen J1, and the stiffness of J2 in each displacement stage is higher than that of specimen J1, which indicates that increasing the bolt strength reduces the degradation rate of joint stiffness.
- (4)
- The yield load Py = 98 kN, the ultimate load Pmax = 148 kN, and the ultimate failure load Pu = 151 kN of J1. The yield load Py = 113 kN, the ultimate load Pmax = 165 kN, and the ultimate failure load Pu = 178 kN of J2. Compared with J1, the yield load of J2 is increased by 39.4%, the ultimate load is increased by 11.5%, and the failure load is increased by 13.2%. This shows that when the strength grade of bolts increases, the yield bearing capacity and ultimate bearing capacity of joints will increase. It is suggested that the strength of connecting bolts can be appropriately increased to improve the bearing capacity of joints in practical engineering.
- (5)
- The finite element simulation results are in good agreement with the experimental results. The simulation results showed that the opening cross section of the column in the core of the joint mainly bears the compressive stress along the axial direction of the screw exerted by the bolt in the horizontal direction and forms local concentrated stress in the area of the hole opening but is not subjected to shear stress. The ultimate loads of EMFJ1, EMFJ2, and EMFJ3 are 144 kN, 132 kN, and 167 kN, respectively, indicating that the larger the axial compression ratio, the earlier the damage stage of the concrete and the faster the load-bearing capacity and ductility decrease.
- (6)
- The bolt stress distribution state of the modified and optimized joint J3 is more satisfactory, and this change in the node form can improve the recovery efficiency of the node to a certain extent; the equivalent viscous damping coefficients of J1 are in the range of 0.068–0.197, J2 are in the range of 0.067–0.212, and J3 in the range of 0.024–0.239. The maximum values of the equivalent viscous damping coefficients for J1 are 92.2% and for J2 and J3 are 82.4%. The total energy dissipated by the three groups of components for J1, J2, and J3 is 89.19 kj, 99.43 kj, and 119.52 kj, respectively, with average equivalent damping coefficients of 0.141, 0.148, and 0.154 and energy dissipation coefficients of 0.886, 0.930, and 0.930, respectively. Therefore, J3 has the strongest energy dissipation. This indicates that the addition of the angle construction can improve the seismic energy dissipation capacity of the joint to some extent.
Author Contributions
Conceptualization, Y.L., D.Y. and K.D.; software, J.L. and K.D.; validation, Y.L., K.D. and D.Y.; formal analysis, J.L., K.D. and D.Y.; investigation, J.L., Y.L. and D.Y.; resources, Y.L. and K.D.; data curation, J.L.; writing—original draft preparation, J.L., K.D., D.Y. and Y.L.; writing—review and editing, Y.L., K.D. and D.Y. All authors have read and agreed to the published version of the manuscript.
Funding
This research was funded by Anhui Provincial Universities Natural Science Research Project, grant number KJ2020ZD43; Anhui Provincial Natural Science Foundation Project, grant number 1908085ME144; Shandong Province Key R&D Program (Major Science and Technology Innovation Project), grant number 2021CXGC011204; and Natural Science Foundation of Shandong Province, grant number ZR2020ME246.
Conflicts of Interest
The authors declare no conflict of interest.
References
- Shu, X.; He, R.; Zhang, Z.; Yao, Y.; Leonard, J. Experimental Study on the Mechanical Properties of a New Long-Span Prefabricated Truss Composite Floor System. Dyna 2019, 94, 189–196. [Google Scholar] [CrossRef] [PubMed]
- Cao, X.Y.; Feng, D.C.; Wang, Z.; Wu, W. Parametric investigation of the assembled bolt-connected buckling-restrained brace and performance evaluation of its application into the structural retrofit. J. Build. Eng. 2022, 48, 103998. [Google Scholar] [CrossRef]
- Yan, Q.S.; Chen, T.Y.; Xie, Z.Y. Seismic experimental study on a precast concrete beam-column connection with grout sleeves. Eng. Struct. 2018, 155, 330–344. [Google Scholar] [CrossRef]
- Xing, G.H.; Wang, Z.M.; Qin, C.J.; Huang, J.; Fan, X. Experimental study on the seismic performance of new assembled concrete frame joints. China Civ. Eng. J. 2022, 3, 1–11. [Google Scholar] [CrossRef]
- Yacine, R.A.; Hicham, B.S.; Badaoui, M. Effect of beam-column joints flexibility on the seismic response of setback RC buildings designed according to the Algerian seismic code. Fract Struct. Integr. 2022, 16, 394–409. [Google Scholar] [CrossRef]
- T/CECS 809-2021; Technical Code for Bolted Multi-Storey Fully Assembled Concrete Wall Panel Structures. China Construction Industry Press: Beijing, China, 2021.
- Torra, B.I.; Mahamid, M. Cyclic behaviour of precast beam-to-column connections: An experimental and numerical investigation. Structures 2022, 35, 939–957. [Google Scholar] [CrossRef]
- Ding, K.W.; Liu, J.H.; Ma, W.; Liu, Y.L. Experimental study on the seismic performance of new assembled semi-rigid joints. China Civ. Eng. J. 2021, 54, 1–7+56. [Google Scholar] [CrossRef]
- Ding, K.W.; Liu, J.H.; Ren, J.W.; Ma, W. Dynamic Responses of Cellular Metal-Filled Steel Beam-Column Joint Under Impact Loading. J. Shanghai Jiaotong Univ. Sci. 2020, 25, 384–393. [Google Scholar] [CrossRef]
- Ding, K.W.; Zong, D.; Liu, Y.L.; He, S.L.; Shen, W.Y. Experimental and Finite Element Analysis of ALC Panel Steel Frames with New Semi-Rigid External Connector. Appl. Sci. 2021, 11, 10990. [Google Scholar] [CrossRef]
- Ding, K.W.; Ye, Y.; Ma, W. Seismic performance of precast concrete beam-column joint based on the bolt connection. Eng. Struct. 2021, 232, 111884. [Google Scholar] [CrossRef]
- Zhang, Y.; Ding, K.W. Study on seismic behavior of fabricated beam-column bolted joint. Struct. Eng. Mech. 2022, 82, 801–812. [Google Scholar] [CrossRef]
- Guan, D.Z.; Tian, W.H.; Chen, Z.X.; Liu, J.B.; Guo, Z.X. Research on the seismic performance of assembled concrete beam-column connections based on UHPC shells. China Civ. Eng. J. 2022, 1–7. [Google Scholar] [CrossRef]
- Fan, W.; Su, H.X.; He, Y.B.; Sun, W.B.; Shao, X.D. Experimental investigation on UHPC-based gravity-type half-grouted sleeve connections under tensile and cyclic loadings. J. Build. Eng. 2022, 61, 105284. [Google Scholar] [CrossRef]
- Zhang, Z.Y.; Ding, R.; Nie, X.; Fan, J.S. Seismic performance of a novel interior precast concrete beam-column joint using ultra-high performance concrete. Eng. Struct. 2020, 222, 111145. [Google Scholar] [CrossRef]
- Xiong, X.Y.; Xie, Y.F.; Yao, G.F.; Liu, J.; Yan, L.Z.; He, L. Experimental Study on Seismic Performance of Precast Pretensioned Prestressed Concrete Beam-Column Interior Joints Using UHPC for Connection. Materials 2022, 15, 5791. [Google Scholar] [CrossRef]
- Tang, L.; Tian, W.H.; Guan, D.Z.; Chen, Z.X. Experimental Study of Emulative Precast Concrete Beam-to-Column Connections Locally Reinforced by U-Shaped UHPC Shells. Materials 2022, 15, 4066. [Google Scholar] [CrossRef]
- Choi, H.K.; Choi, Y.C.; Choi, C.S. Development and Testing of Precast Concrete Beam-to-column Connections. Eng. Struct. 2013, 56, 1820–1835. [Google Scholar] [CrossRef]
- Ghayeb, H.H.; Razak, H.A.; Sulong, N.H. Development and testing of hybrid precast concrete beam-to-column connections under cyclic loading. Const. Build. Mater. 2017, 151, 258–278. [Google Scholar] [CrossRef]
- Liu, Y.L.; Zhu, S.T. Finite element analysis on the seismic behavior of side joint of Prefabricated Cage System in a prefabricated concrete frame. Front. Struct. Civ. Eng. 2019, 13, 1095–1104. [Google Scholar] [CrossRef]
- Liu, Y.L.; Liu, C.; Pan, H.; Fu, J.L.; Huang, J.Q.; Hong, J.Q. Experimental and numerical investigation on seismic performance of semi-precast concrete sandwich shear wall. Adv. Struct. Eng. 2022, 25, 2772–2784. [Google Scholar] [CrossRef]
- Liu, Y.L.; Huang, J.Q.; Chong, X.; Ye, X.G. Experimental investigation on flexural performance of semi-precast reinforced concrete one-way slab with joint. Struct. Concr. 2021, 22, 2243–2257. [Google Scholar] [CrossRef]
- Wang, H.S.; Kang, Y.J.; Pan, P. Study on seismic performance of fully assembled self-resetting energy-consuming reinforced concrete frame beam-column joints. J. Build. Struct. 2022, 43, 158–166+176. [Google Scholar]
- Gong, J.W. Seismic Performance Analysis of New Assembled Cross-Type Beam-Column Joints; Hunan University: Changsha, China, 2019. [Google Scholar]
- Wang, S.Y. Research on the Seismic Performance of Flat Steel Tube Concrete Column-H-Beam Joints; Hefei University of Technology: Hefei, China, 2021. [Google Scholar]
- Nzabonimpa, J.D.; Hong, W.K.; Kim, J. Nonlinear finite element model for the novel mechanical beam-column joints of precast concrete-based frame. Comput. Struct. 2017, 189, 31–48. [Google Scholar] [CrossRef]
- Bruno, D.L.; Paolo, N.; Alberto, D.L. Seismic design and performance of dry-assembled precast structures with adaptable joints. Soil Dyn. Earthq. Eng. 2018, 106, 182–195. [Google Scholar] [CrossRef]
- Pan, Z.H.; Si, Q.; Zhou, Z.B.; Zhang, Y.B.; Zhu, Y.Z.; Chen, X.D. Experimental and numerical investigations of seismic performance of hybrid joints with bolted connections. J. Const. Steel Res. 2017, 138, 867–886. [Google Scholar] [CrossRef]
- Wang, H.; Marino, E.M.; Pan, P.; Liu, H.; Nie, X. Experimental Study of a Novel Precast Prestressed ReinforcedConcrete Beam to column Joint. Eng. Struct. 2018, 156, 68–81. [Google Scholar] [CrossRef]
- Kim, S.K.; Kim, J.M.; Hong, W.K. Material Nonlinear Finite Element Analysis of Hybrid Hollow ConcreteBeams Encasing Steel Sections. Structures 2020, 25, 500–519. [Google Scholar] [CrossRef]
- Yang, T.Y.; Dashlejeh, A.A.; Arabzadeh, A.; Hizajir, R. New Model for Prediction of Ultimate Load of Prestressed RC Deep Beams. Structures 2020, 23, 509–517. [Google Scholar] [CrossRef]
- Oliveira, J.L.A.; Araújo, D.L.; El Debs, M.K.; Diógenes, H.J.F. Precast Beam-Column Connection Subjected to Cyclic and Dynamic Loadings. Struct. Eng. Int. 2018, 27, 114–126. [Google Scholar] [CrossRef]
- Dai, E.L.; Jin, G.J.; Dai, S.P. Study on the application of C80 high strength and high performance pumped concrete in practical engineering. Concrete 2013, 1, 97–101+104. (In Chinese) [Google Scholar]
- GB50010-2010; Code for the Design of Concrete Structures. Ministry of Construction of the People’s Republic of China: Beijing, China, 2015. (In Chinese)
- JGJ55-2011; Specification for the Design of Ordinary Concrete Proportions. China Construction Industry Press: Beijing, China, 2011.
- JGJ/T101-2015; Specification for Seismic Testing of Buildings. China Construction Industry Press: Beijing, China, 2015.
- Wu, C.X.; Lai, W.H.; Zhou, Y.; Zhang, C.; Deng, X.S. Experimental study on the seismic performance of new prefabricated assembled energy dissipating and vibration damping concrete frame joints. China Civ. Eng. J. 2015, 48, 23–30. [Google Scholar] [CrossRef]
- Zhuang, Z. ABAQUS Nonlinear Finite Element Analysis with Examples; Science Press: Beijing, China, 2005. [Google Scholar]
Disclaimer/Publisher’s Note: The statements, opinions and data contained in all publications are solely those of the individual author(s) and contributor(s) and not of MDPI and/or the editor(s). MDPI and/or the editor(s) disclaim responsibility for any injury to people or property resulting from any ideas, methods, instructions or products referred to in the content. |
© 2022 by the authors. Licensee MDPI, Basel, Switzerland. This article is an open access article distributed under the terms and conditions of the Creative Commons Attribution (CC BY) license (https://creativecommons.org/licenses/by/4.0/).





































