Abstract
This paper addresses a design for an exoskeleton used for human locomotion purposes in cases of people with neuromotor disorders. The reason for starting this research was given by the development of some intelligent systems for walking recovery involved in a new therapy called stationary walking therapy. This therapy type will be used in this research case, through a robotic system specially designed for functional walking recovery. Thus, the designed robotic system structure will have a patient lifting/positioning mechanism, a special exoskeleton equipped with sensors and actuators, a treadmill for walking, and a command and control unit. The exoskeleton’s lower limbs will have six orthotic devices. Thus, the exoskeleton’s lower limbs’ motions and orthoses angle variations will be generated by healthy human subjects on the treadmill with the possibility of memorizing these specific motions for obtaining one complete gait cycle. After this, the memorized motions will be performed to a patient with neuromotor disorders for walking recovery programs. The design core is focused on two planar-parallel mechanisms implemented at the knee and ankle joints of each leg’s exoskeleton. Thus, numerical simulations for the design process were carried out to validate the engineering feasibility of the proposed leg exoskeleton.
1. Introduction
Nowadays, exoskeletons have become popular in medical rehabilitation programs and extended their applications as power augmentation systems used in different domains, such as industry or defense.
Considering exoskeletons specially designed for human locomotion system recovery, these can be divided into two major categories: one category consists of exoskeletons that serve as robotic systems in an assistive mode for restoring gait patterns for persons who have partial mobility; the other category is represented by exoskeletons specially designed to help elderly persons perform daily activities. The exoskeletons from the first category were specially designed for people with neuromotor disorders or stroke accidents [1,2,3,4,5,6,7,8]. Others exoskeletons [9,10,11,12,13,14,15] were specially designed to fulfill human walking temporal recovery programs dedicated to persons who were exposed to orthopedic surgical interventions. In both mentioned categories, there are fully actuated exoskeletons [3,6] for all human lower-limb joints under rehabilitation programs. Considering the exoskeletons used on temporal recovery programs [11,13], these can have actuated individual joints from the patient locomotion system (one joint actuated, a pair of joints or a group of human lower limb joints). In addition, these are characterized by personalized therapy protocols that can recover a single joint, namely the one that was involved in a surgical intervention.
Thus, most of the existing exoskeletons have imposed several design conditions, such comfort during rehabilitation programs, complex actuations, low- or high-cost principles, easy operation features, and user-friendly interfaces.
In order to accomplish the aforementioned conditions, some exoskeletons [3,6] can fulfill a few of them, while other solutions [11,14] can cover the rest. The latest ones [11,14] recharacterized by a complex structure, leading to expensive rehabilitation programs for patients.
Most of the designed exoskeletons require a qualified rehabilitation team made from a proper physician, a medical engineer, a technician and some medical rehabilitation assistants.
By referring to the beginning of an exoskeleton system design, and taking into account the physician-specific requirements, it can be remarked that human exoskeletons are characterized by a complex actuation system that involves mechanisms with a minimum number of actuators [2,8,9,15].
There are also complex rehabilitation systems especially designed for human walking recovery [16,17] and these have in their structure an exoskeleton with a simplified mechanical structure, but all equivalent human locomotion joints are fully actuated through complex command and control protocols.
The criteria imposed by physician requirements in cases of persons disabled due to neuromotor disorders during walking activities must be considered as a starting research point in designing an exoskeleton, as it can be remarked in [18], and it can be observed that there are persons who need to recover some joints from the entire locomotion system. In this case, it is necessary to have an exoskeleton that can perform isolated motions for the affected joints or to have a complete exoskeleton that involves all human locomotion joints for neuromotor rehabilitation processes. Thus, this represents a research challenge for designing an exoskeleton used in both cases.
Another argument is the one that the existing exoskeletons [1,3,4,5] need to have a database characterized by locomotion motion law patterns acquired from persons with different anthropometric data, and the therapist needs to choose and adapt these motion patterns for the targeted patient. For accomplishing this argument, most of the exoskeletons were designed in a parameterized form and have segments with variable length and width. These segments can be adjusted through locking/unlocking mechanical devices. In some cases, the motion patterns cannot correspond to the patient’s anthropometric data and, in this case, raise the idea of generating the motion pattern in a manual mode, namely an exoskeleton teaching mode function. This function will be accomplished by the therapist moving the exoskeleton segments manually while these segments are connected with the patient’s legs. This function lets the therapist set up the motion limits during walking training for the analyzed patient. Moreover, this will allow operation with sensitive patients which have pains during movement. Thus, it is necessary to apply progressive therapy programs in their motion limits without pains.
In addition, the elaborated robotic system allows the physician to adapt alternative recovery therapies such as TENS (Transcutaneous Electrical Nerve Stimulation). The elaborated robotic system will permit manual motions of the exoskeleton limbs together with the patient’s lower limbs in a controlled mode, and the robotic system command and control unit will memorize these motions under a special function called teaching mode. Similar procedures are mentioned in [19,20,21].
The research aim of this paper is to develop a new robotic system based on an exoskeleton structure. For this, it is necessary to elaborate a conceptual solution, experimental analyses with healthy persons and neuromotor-disabled persons, which are considered input data for the mathematical models specially developed for dynamic analysis and experimental tests. Thus, the experimental tests, which represent the purpose of this research, will be defined as preliminary ones, which do not involve any human volunteers and will be performed only for checking the exoskeleton’s functionality.
In the proposed research, two major objectives can be identified for the proposed exoskeleton. One objective is to have a fully actuated test bed with a proper exoskeleton specially designed for walking activities and, in some particular cases, to permit motions on individual joints. The second objective is to have a teaching function application, as previously described, which can be applied to patients whose anthropometric data cannot be identified from a motion pattern database.
The mentioned objectives can be considered as starting point for a feasibility study in designing an exoskeleton for persons with neuromotor disorders. Thus, in the Section 1, several exoskeleton construction solutions which can partially fulfill the proposed objectives were analyzed.
The Section 2 is allocated to create a database by performing experimental analyses of human locomotion system motions during walking. This allows the generation of gait patterns implemented in command and control programs for controlling the designed exoskeleton.
Once we had an idea of the analyzed exoskeleton, in the third part of the research the conceptual exoskeleton design was elaborated. This will be eligible to perform an adequate dynamic analysis based on modern design techniques, which is presented in the fourth section for obtaining the reaction forces during ground contact and joints connection forces which will be further used as input data for virtual simulations. Through the performed dynamic analysis, the proposed exoskeleton conceptual solution is validated and in the last section, there is presented the elaborated prototype together with an experimental analysis performed in laboratory conditions.
2. Human Walking Database
In order to create the desired database used in exoskeleton design and programing and control protocols, it is necessary to perform experimental analyses on a set of 30 healthy persons during walking activity. This database consists of gait patterns and anthropometric data of the analyzed human healthy subjects.
The proposed group comprised 15 male and 15 female human subjects with ages between 30 to 58 years old, weights between 55 kg and 95 kg, heights from 1.55 m to 1.90 m.
These experimental analyses were performed in laboratory conditions with the aid of VICON equipment from the University of Craiova Research Centre—Biomechanical laboratories [22,23]. In the case of each analyzed human subject, a protocol based on the workflow was applied, as schematized in Figure 1.
Figure 1.
VICON equipment workflow for creating the proposed database.
Each protocol consists of preparing the person for experimental tests, motion analysis equipment setup, camera calibration and global reference system definition, numerical data processing, and obtaining the filtered angular data and exporting these as a report of each experimental analysis.
Each person’s experimental analysis was developed in about 30 min and the acquired filtered angular data were obtained for a complete gait. A complete gait of the analyzed persons was developed in a time limit interval between 1.40 to 1.82 s.
This motion video analysis equipment has 14 high-speed cameras that can simultaneously track and record the attached markers, and these cameras work in IR-mode characterized by a frame rate of 1000 frames/s.
A snapshot of modeling the human walking during an experimental test is shown in Figure 2. In this case, a female human subject was analyzed, as an example, with known anthropometric data (age 31 years, dimensional leg parameters known, 61 kg weight, 1.75 m height). This person performed a complete gait in a time interval between 0 to 1.45 s. This time interval is essential for dynamic analyses of the proposed exoskeleton, but also virtual simulations of this. The acquired data were considered for a complete gait when the human subject’s heel enters in contact with the ground and finalizes this act at the next contact with the same heel. Moreover, during a complete gait, the ankle joint performs two motions as referring to a horizontal line, namely plantar and dorsal flexion. Thus, dorsal flexion is the one when the ankle moves above the horizontal line and the other motion is below the horizontal line [23,24].
Figure 2.
Video capture during an experimental test: (a) print screen during video motion analysis; (b) snapshot during experimental analysis.
The important processed data were represented by each joint angular variation from the human subject locomotion system. The analyzed human joints were hips, knees, and ankles, according to angular data variations presented in Figure 3, Figure 4, Figure 5 and Figure 6.
Figure 3.
Hip joints angular variations during one gait vs. time.
Figure 4.
Knee joints angular variations during one gait vs. time.
Figure 5.
Ankle joints angular variations during one gait vs. time.
Figure 6.
Exoskeleton functional principle design.
From Figure 3, it can be remarked that the angular variation for human hip joints has an interval between −23.6575 degrees to 19.537 degrees. In particular, from Figure 4, the angular variation of a human knee for a complete gait was developed between 0 to 51.261 degrees. In the case of Figure 5, the angular variation for analyzed human ankle joints during a complete gait is situated in an interval of −33.237 degrees to 32.428 degrees. Moreover, these numerical values are very important due to the use of these as reference data and input data for numerical simulations, as well as implementing them as input data for planar-parallel mechanisms on knee and ankle actuation.
The obtained result will be useful for accomplishing comparative analyses between the numerical computation of the designed exoskeleton and also to validate the proposed prototype. These results were validated by considering data from the specialty literature [23,24,25,26,27] and at some points during this research, especially in the case of virtual simulations, these were converted in radians as measuring units.
3. Exoskeleton Functional Principle
Considering similar existing state-of-the-art exoskeleton models, the designed prototype should have 6 actuators for the main joints of the human locomotion system. Moreover, these actuators must be placed outside the exoskeleton structure, on a special frame, by assuring them an optimal functionality. In order to transmit energy parameters (power, torque, angular speed), mechanical transmissions and planar mechanisms must be used.
The proposed conceptual solution is shown in Figure 6 and it has, in its own structure, the following components: Md—servomotor for right ankle and foot segment actuation; MTd—servomotor for right tibia equivalent segment and right knee actuation; Ms1—servomotor for direct actuation of right hip; MPd—planar mechanism for right ankle joint actuation; MTd—planar mechanism for actuating the right tibia equivalent segment; FMd—right femur equivalent segment; TBd—right tibia equivalent segment; Pd—right foot equivalent segment; Ms2—servomotor for left ankle and foot segment actuation; MTs—servomotor for left tibia equivalent segment and left knee actuation; Ms2—servomotor for direct actuation of left hip; Ms—servomotor for left ankle and foot segment actuation; MTs—planar mechanism for actuating the left tibia equivalent segment; MPs—planar mechanism for left ankle joint actuation; FMs—left femur equivalent segment; TBs—left tibia equivalent segment; Ps—left foot equivalent segment.
Starting from this conceptual solution, the first model of the proposed exoskeleton prototype was developed, which is presented in Figure 7. This is structured by four planar-parallel mechanisms equivalent to the lower limbs of the human locomotion system and two major actuation groups equipped with servomotors for actuating hip, knee, and ankle joints. These servomotor groups are placed near the pelvic zone on a special frame specially designed with size adjustment mechanical devices. All four planar-parallel mechanisms are deployed in a mirror form, i.e., a pair for the left lower limb and a pair for the right one. These mechanisms are actuated through chain transmissions which assure the energy parameters transfer from the servomotors to the planar-parallel mechanisms drive links.
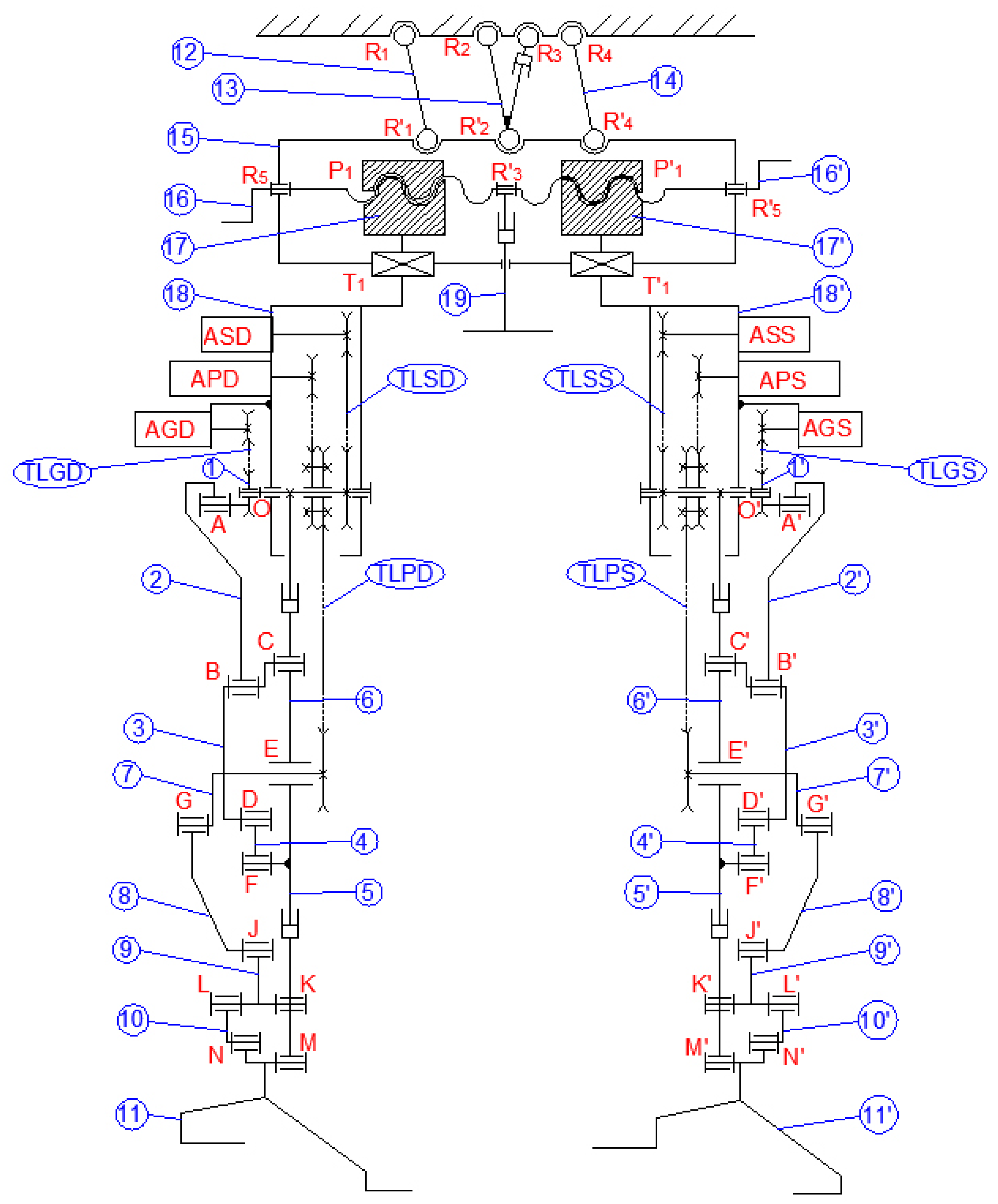
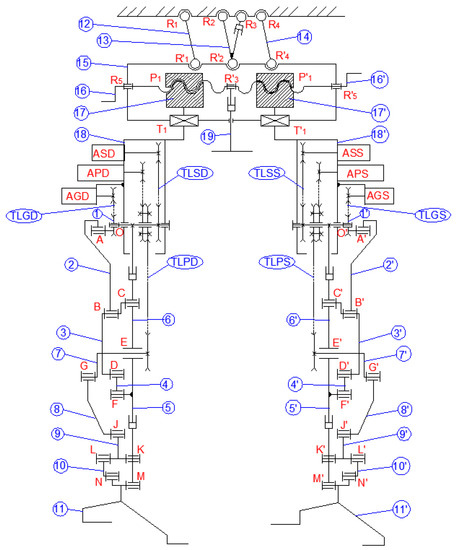
Figure 7.
Exoskeleton structural scheme.
Considering the structural scheme from Figure 7, the whole designed robotic system has the following components: ASD—right hip servomotor; APD—right ankle servomotor; AGD—right knee servomotor; ASS—left hip servomotor; APS—left ankle servomotor; AGS—left knee servomotor.
The mechanical system for exoskeleton width adjustment situated near the patient pelvic zone was designed with power screws, which can be actuated manually and move inside or outside the exoskeleton lower limbs, depending on the patient pelvic zone width. This can be performed by actuating the elements 16, respectively 16’. The power screw was designed with two thread sectors made in opposite directions, namely P1 and P1’. These will move two nuts 17 and 17’ which are connected with the exoskeleton lower limbs through translational joints T1 and T1’, respectively. The power screws are articulated without the frame 15 through ball bearings R5, R3, and R5’. The role of component 19 is to maintain the patient body in an orthostatic position during walking recovery procedures.
The whole assembly is articulated onto main support by connection elements 12, 13, and 14 through proper articulations (revolute joints R1, R2, R3, R4, and R1’, R2’, R4’) which allows the whole structure to oscillate in a vertical plane during walking recovery activities. Component 13 has a dumping system for shock-absorbing during walking motion when the patient body will modify the mass center in a vertical direction due to the foot and ground contact.
In the case of exoskeleton right lower limb, the following revolute joints can be seen in Figure 7: O—right hip revolute joint; E—right knee revolute joint; M—right ankle and foot revolute joint. The right link equivalent to femur was labeled with 6 and for the right tibia can be found the link labeled with 5. For the right foot equivalent link, this can be found labeled with 11. Thus, these links are actuated through two planar-parallel mechanisms, namely one for the right knee joint E and the other for the right ankle joint and foot M. Right hip joint is actuated directly through a chain transmission, respectively TLSD, by the ASD servomotor unit. Regarding the right knee joint actuation, this can be done by AGD servomotor unit through a second chain transmission labeled with TLGD, towards planar-parallel drive link mechanism situated at the femur level 6. Thus, the motion from the drive chain wheel connected with the drive link 1 is transmitted through a revolute joint A to connecting rod 2. This connecting rod 2 is articulated through the B revolute joint and will transmit motion to the support plate 3. The support plate 3 is articulated onto the right femur equivalent segment by revolute joint C. Practically support plate 3 will perform an oscillating motion imposed to the connection link 4, which is articulated through revolute joints D and F. This connection link 4 will actuate the right tibia equivalent segment 5 for a proper flexion motion.
The second right planar-parallel mechanism is situated at the right tibia segment 5 and it will actuate the right ankle joint M. This mechanism will receive motion from the APD servomotor unit through a third chain transmission TLPD straight to drive link 7 situated at the right knee joint level. This drive link 7 motion will be imposed to another support plate 9 through connecting rod 8 articulated with revolute joints G and J. The support plate 9 will perform an oscillating motion towards the right tibia equivalent segment through revolute joint K. This motion is transmitted through connection link 10 to the right ankle and foot segment 11, for performing the dorsal/plantar flexion during walking activity recovery. The connection link 10 is articulated by the whole planar-parallel mechanism through revolute joints L and N. In this mode the exoskeleton right lower limb will be actuated and the in case of the left limb, the motions are the same, only the difference is the exoskeleton architecture, where left lower limb is mirrored by a vertical plane from the right one. For this reason, the exoskeleton left lower limb functionality is similar to the right one, except for some small peculiarities, namely: O’—left hip revolute joint; E’—left knee revolute joint; M’—left ankle and foot revolute joint. The left link is equivalent to the femur was labeled with 6’ and for the left tibia can be found the link labeled with 5’. For the left foot equivalent link, this can be found labeled with 11’. These links are actuated by another pair of planar-parallel mechanisms, one for the left knee joint E’ and the other for the left ankle joint M’.
The left hip joint is actuated directly through a chain transmission, TLSS, by the ASS servomotor unit. Regarding the left knee joint actuation, this can be done by AGS servomotor unit through a second chain transmission labeled with TLGS, towards the planar-parallel drive link mechanism situated at the femur level 6’. Thus, the motion from the drive chain wheel connected with the drive link 1’ is transmitted through a revolute joint A’ to connecting rod 2’. This connecting rod 2’ is articulated through B’ revolute joint and will transmit motion to the support plate 3’. The support plate 3’ is articulated onto the left femur equivalent segment by revolute joint C’. Practically the support plate 3’ will perform an oscillating motion imposed to the connection link 4’, which is articulated through revolute joints D’ and F’. This connection link 4’ will actuate the left tibia equivalent segment 5’ for a proper flexion motion.
The second right planar-parallel mechanism is situated at the left tibia segment 5’ and will actuate the left ankle joint M’. This mechanism will receive motion from the APS servomotor unit through a third chain transmission TLPS straight to drive link 7’ situated at the left knee joint level. This drive link 7’ motion will be imposed to another support plate 9’ through connecting rod 8’ articulated with revolute joints G’ and J’. The support plate 9’ will perform an oscillating motion towards the left tibia equivalent segment through revolute joint K’. This motion is transmitted through connection link 10’ to the left ankle and foot segment 11’, for performing the dorsal/plantar flexion during walking activity recovery. The connection link 10’ is articulated by the whole planar-parallel mechanism through revolute joints L’ and N’.
At the end, an exoskeleton lower limb has on its base two planar-parallel mechanisms, three servomotors for actuating the main joints, namely hip, knee, and ankle joints (revolute joints O, E, and M).
4. Dynamic Analysis of the Proposed Exoskeleton
4.1. Exoskeleton Mathematical Modeling for Dynamic Analysis
To accomplish a dynamic analysis of the proposed exoskeleton concept, a kinematic scheme for both mechanisms that were to actuate knee and ankle joints was elaborated, as can be seen in Figure 8. This was performed in accordance with [28,29,30]. From this kinematic scheme, the following components can be identified: O—hip revolute joint, a direct motor joint; E—knee revolute joint which also assures support for the knee and foot actuated mechanism; M—knee revolute joint; A, B, C, D, F—revolute joints for knee mechanism actuation; G, J, L, N, K—revolute joints for ankle mechanism actuation. Link no. 1 represents the drive link for knee mechanism actuation and this mechanism is made from the connecting rod no. 2, support link no. 3 articulated in CBD revolute joints, and connection link no. 4 which actuates the tibia equivalent link no. 5 through revolute joint F. The equivalent link of the femur will assure the entire support for the knee actuation mechanism and this can be identified as link no. 6.
Figure 8.
Kinematic scheme of the exoskeleton lower limb.
By having insight into the experimental analysis database, we considered a case subject with the proper motion laws of hip, knee, and joints which will serve as input data through , , variation angles. This will be used also as input data for an inverse kinematic analysis presented in [31] and the aim of this is to identify the drive joints’ proper angular speeds.
For this dynamic analysis, the Newton–Euler method completed with Lagrange multipliers will be used. Thus, the kinematic constraints equations for a mobile mechanical system are:
where: t is time and q represents the generalized coordinates.
By differentiating the Equation (1) depending on time, we will obtain:
where: represents the kinematic constraints equations number and represents the generalized coordinates number.
The following notation will be performed:
The Newton–Euler formalism motion equations, completed with Lagrange multipliers method, are:
where: M is the mass matrix, —Lagrange multipliers, accelerations, active generalized forces vector, is a term from Equation (6).
From Equation (7), it can be written:
The Lagrange multipliers will be determined as:
The connection forces from the k kinematic joint, depending on the axis global coordinates system can be determined with:
Thus, the knee actuating mechanism is made from 1 to 6 kinematic links according to Figure 8. For these links, the proper generalized coordinates are:
For an inverse dynamic analysis, the kinematic constraint equations in the case of knee actuating mechanism are:
The corresponding Jacoby for q1 generalized coordinates, according with Equation (9) is:
The proper mass matrix is:
where: mi—link mass i; Ji—mechanical inertia momentum corresponding to i link.
The generalized forces matrix:
The matrix made from linear and angular accelerations, corresponding to generalized coordinates from Equation (11) is:
The Lagrange multipliers matrix is:
Thus, the kinematic joints connection forces are:
In the case of the ankle actuation mechanism, by having insight to Figure 8, this consists of 7 to 11 links. Thus, the proper generalized coordinate vector is:
For this, the kinematic constraint equations in the case of ankle actuation mechanism are:
The corresponding Jacoby for generalized coordinates that satisfy Equation (20) is:
The mass matrix, which corresponds to the ankle actuation mechanism, is:
For this, the linear and angular accelerations matrix corresponding to generalized coordinates given by Equation (19):
The Lagrange multipliers matrix is:
The kinematic joints connection forces, in a global coordinates system, will be:
4.2. Numerical Processing
For the numerical processing of the presented mathematical models numerical processing, a program under MAPLE environment was created, which allows computing a kinematic and dynamic calculus through a direct and inverse method. This program was elaborated for the entire mechanism presented in Figure 8. The computing sequence was processed for a complete predefined gait. This program has on its base the Newton–Raphson method.
The input data for numerical processing, were represented by the positions, speeds, and accelerations of some characteristic points of the kinematic linkage shown in Figure 8. Moreover, the generalized coordinates’ variation laws depending on time [31], links mass and inertia properties were considered, and the contact force between foot and ground is represented by the following equation:
For the output data, the kinematic joints connection forces will be obtained. These forces helped to choose the proper bearings for the exoskeleton structure prototype.
4.3. Exoskeleton Virtual Prototyping with the Aid of MSC Adams Software
By considering the kinematic scheme from Figure 8, an exoskeleton virtual prototype was built with the aid of SolidWorks program. This was a parameterized model and it was imported into the MSC Adams software environment. For this model were defined the mass properties and material characteristics (longitudinal elasticity module: E = 7.1 × 1010 Pa, density: 2770 kg/m3 and Poisson ratio: 0.33), respectively, as well as kinematic links mobile reference systems and 15 kinematic joints. The virtual prototyping was performed in accordance with specific instructions provided by [32]. Moreover, 6 motor joints for hips, knees, and ankles were identified. By knowing the motion angle variations for hips, knees, and ankle joints, the drive joints angle variation laws φ01 and φ07 were obtained, according to Figure 8. These joints, as in the case of the mathematical model, actuate these two actuation mechanisms for the ankle and for knee joints, respectively.
The angle variations for hips, knees, and ankle joints were established for a case study, through experimental analysis, as was shown in Figure 3, Figure 4 and Figure 5. The imported exoskeleton prototype with proper revolute joints is shown in Figure 9. These drive joints, as in the case of the mathematical model, will actuate two mechanisms, one for the knee joint and other for ankle joint. Additionally, the contact force between ground and foot and the patient weight were introduced through the parameterized mannequin weighing 61.7 kg.
Figure 9.
Exoskeleton parametrized virtual model with proper joints prepared for virtual simulations in a dynamic mode.
Thus, an inverse dynamic analysis was processed with the aid of MSC Adams software, in order to obtain the proper connection forces variation over time of the analyzed kinematic joints. The obtained results were materialized through diagrams presented in a comparative analysis between computed mathematical models and the ones obtained through numerical simulations with MSC Adams software.
For the proposed exoskeleton prototype, a parameterized mannequin was introduced, with anthropometric data similar to the healthy human subject used in the experimental analysis section. Thus, four sequences during virtual simulations processed under the MSC Adams environment are presented in Figure 10.
Figure 10.
A snapshot during virtual simulations in dynamic mode for a complete gait.
The desired results, in order to validate this model, were given by the connection forces’ variations over time; a comparative analysis can be seen in Figure 11, Figure 12, Figure 13, Figure 14, Figure 15 and Figure 16.
Figure 11.
Connection forces component on x-axis for knee joint vs. time (without ground contact).
Figure 12.
Connection forces component on y-axis for knee joint vs. time (without ground contact).
Figure 13.
Connection forces component on x-axis for ankle joint vs. time (without ground contact).
Figure 14.
Connection forces component on y-axis for ankle joint vs. time (without ground contact).
Figure 15.
Connection forces component on x-axis for knee joint vs. time (with ground contact).
Figure 16.
Connection forces component on y-axis for knee joint vs. time (with ground contact).
In Figure 11, the connection force component in X-axis of the knee joint is represented, which corresponds to a complete gait sequence. This component has a high value when the analyzed models start walking and this reaches a value of 23. This component has a high value when the analyzed models start walking and this reaches a value of 23.567 Newton. This value was obtained when the contact between ground and foot occurs, for both analysed models (mathematical model and Adams model).
It can be observed that the obtained trajectories for both models are appropriate, recording values between −10 Newton and 11.875 Newton. The time interval also was appropriate, namely 0 to 1.425 s, respectively. An error of 2.25% was obtained, which is quite small.
In the case of the connection force component on y-axis, for the same joint, high values can be observed in Figure 12 when gait starts and at the end of a complete gait. These values are recorded between an interval of −22.5 Newton and −16.74 Newton. Moreover, this analyzed diagram has appropriate trajectory paths with an error of approximately 1.87%.
Analyzing the ankle joint diagram, the connection forces are shown in Figure 13 and Figure 14. For these, values between −4.27 Newton and 4.37 Newton were recorded during a complete gait for the x-axis component. Both analyzed models have similar trajectories and the error between the analyzed paths records a value of 2.58%. Similar to the knee joint, high values were recorded when gait starts and when gait ends. By having insight into the y-axis connection force component, the analyzed trajectories are almost identical and an error of 0.86% was obtained. Thus, forces between 4.75 Newton and 14.68 Newton were noted. Another important argument was given by the fact that the processed models are valid only when the contact between foot and ground was neglected.
By taking into account the contact force between foot and ground, the connection forces’ values will differ. Thus, Figure 15 and Figure 16 present the connection force components in the case of the knee joint. Thus, the connection force component on x-axis in the case of the knee joint records values between −65 Newton and 300 Newton. These values were obtained for a complete gait cycle and the presented trajectories shown in Figure 15 are similar for both analyzed models, and the obtained error for this case reaches 0.92%.
Regarding the connection force component on the y-axis represented in the diagram from Figure 16, the recorded values are between −34.46 Newton and −2.57 Newton. Furthermore, in this case, the recorded trajectories for both models have smooth paths with an error of 1.68%.
5. Exoskeleton 3D Modeling
Considering the structural scheme presented in Figure 7, a virtual model was created for the entire exoskeleton in a constructive form with the aid of SolidWorks. This is shown in Figure 17 and Figure 18. In these figures, the correspondence between virtual model, structural scheme, and kinematic scheme shown in Figure 7 and Figure 8 can be identified.
Figure 17.
Left leg exoskeleton virtual model.
Figure 18.
3D model of the NeuRob exoskeleton with actuation unit.
Thus, the exoskeleton’s lower limb has, in its structure, 15 kinematic joints and 11 kinematic elements (links). Each lower limb will be actuated through three servomotor groups and the energetic parameters will be transmitted to planar-parallel mechanism drive links through chain transmissions with 1:1 ratio.
From Figure 18, the following components are identified: 1—frame; 2—servomotors unit for left exoskeleton lower limb; 3—exoskeleton left lower limb with proper segments equivalent to femur, tibia, and foot; 4—servomotors unit for right exoskeleton lower limb; 5—exoskeleton right lower limb with proper segments equivalent to femur, tibia, and foot. Each exoskeleton lower limb was designed with proper modular mechanical systems for dimensional parameters adjustments, as can be seen in Figure 19.
Figure 19.
Femur segment with variable length.
As regarding the exoskeleton limbs’ adjustment, for adapting them to different anthropometrics, both lower limbs are fixed in a console type through a specific frame specially designed with a mechanical transmission nut-screw type as it can be seen in Figure 20.
Figure 20.
Detailed view of the exoskeleton actuation system.
This mechanical transmission can be actuated manually by the user through 1 and 2 rotational elements. These will rotate the powered screw designed with two threaded sectors (left and right thread sense). In this manner, the actuation platforms will move closer to or further from each other, to adapt the width of the exoskeleton pelvic segment. Regarding the patient lifting and positioning system on the specific treadmill, the following design data were considered:
- -
- a patient weight should be between 50 to 120 kg;
- -
- a patient height will be between 1.55 to 1.85 m.
The entire robotic system design was made by having insight into specific kinetotherapy protocols adapted to this system, which need to assure the schematized functions represented in Figure 21.
Figure 21.
Desired functions procedure which will be assured by the desired exoskeleton prototype.
By having insight into the mentioned functions in Figure 21, and keeping in the background previous research developed for this robotic system, the entire robotic system was designed, as shown in Figure 22. The designed robotic system presented in Figure 22 is characterized by the following main parts: (A)—command and control system; (B)—patient lifting/positioning on the treadmill zone; (C, C’)—proper exoskeleton which models, under mechanical viewpoints, the left and right lower limbs; (D)—mechanical system for adjusting the exoskeleton width to patient anthropometric data.
Figure 22.
Robotic system virtual prototype with proper parts.
To accomplish the mentioned functions schematized in Figure 21, (B)—patient lifting/positioning on the treadmill zone—needs to be activated. The entire structure is placed on an aluminum frame in a cubic shape with L × l × h = 1700 × 1400 × 2940 mm.
On this frame, the mobile subassembly (B) is placed, made of a metallic cassette, where two electric winches can be found. These winches are controlled by the human operator in order to place the patient into a neuromotor recovery workspace. Both winches are the same and can lift a maximum weight of 250 kg. One electric winch will lift the patient up from the wheelchair and the other will move the suspended patient into the neurmotor recovery workspace (under the treadmill).
The mobile subassembly consists of a metallic cassette and the mentioned electric winches can move on a specific rail with a V shape through four metallic rollers. This mobile subassembly was designed with mechanical limitations and electronic sensors in order to move precisely the patient in or out of the neuromotor recovery workspace in safety conditions.
6. Exoskeleton Experimental Tests
The performed experimental tests were done in laboratory conditions, using a similar protocol to the one presented at the human experimental analysis for creating the desired database. Thus, the time interval for performing a complete gait cycle was considered as equal with 1.45 s. This time interval is the same as the one for mathematical models processing and virtual simulations environment. Also this interval was setup in a closed-loop for achieving four complete steps in a total time of 5.8 s.
For the experimental evaluations, motion video analysis equipment called CONTEMPLAS was used, which is similar to VICON Equipment, except for the fact that it uses only two cameras and has the advantages of being mobile equipment. Thus, by having a similar working principle, a total of 10 reflexive markers were attached to the exoskeleton prototype limbs, respectively in the main joint centers of the desired characteristic points (hip, knee, and ankle joints for each lower limb), as can be seen in Figure 23.
Figure 23.
Markers’ positions for the exoskeleton prototype experimental tests: (a)—right lower limb; (b)—left lower limb.
Thus, several snapshots during these tests were presented in Figure 24, Figure 25 and Figure 26. Informed consent was obtained from all subjects involved in the study.
Figure 24.
Snapshots during exoskeleton left ankle joints without foot and ground contact.

Figure 25.
Snapshots during exoskeleton left knee joint without foot and ground contact.
Figure 26.
Snapshots during exoskeleton left ankle joint without foot and ground contact.
These tests were performed without foot and ground contact to observe the exoskeleton behavior during walking exercises. This experimental evaluation process was not used by any human volunteers to test this and other experimental tests will be presented in future research.
After processing the video sequences, the desired results were obtained for both exoskeleton lower limbs. These are shown in Figure 27, Figure 28 and Figure 29.
Figure 27.
Exoskeleton hip joints angular variation for a complete gait without foot and ground contact.
Figure 28.
Exoskeleton knee joints angular variation for a complete gait without foot and ground contact.
Figure 29.
Exoskeleton ankle joints angular variation for a complete gait without foot and ground contact.
Analyzing the presented diagrams in Figure 27, Figure 28 and Figure 29, it can be seen that the obtained angular variations have similar trajectories with the ones obtained in the case of mathematical models’ processing and virtual simulations, but also in the case of the experimental analysis of a healthy human subject. Thus, in the case of the hip joints, values between −26.785 and 16.238 degrees were recorded, and the angular amplitude in the case of the analyzed exoskeleton’s hips was 44.023 degrees.
By having insight into the previous experimental database and also the existent specialty literature data [23,27], this angular amplitude is correct from a numerical viewpoint and it corresponds to a normal gait in the case of a healthy subject. On the other hand, the introduced data inside of the robotic system’s command and control program contained data acquired in the previous experimental analysis of a healthy human subject case study.
Regarding the exoskeleton knee joints, it can be observed in Figure 28 that an angular amplitude of 47.753 degrees was recorded, which is higher than a normal angular amplitude obtained in the case of a healthy subject. This high value was obtained due to the high inertia momentums of the exoskeleton segments corroborated with high angular speeds. In future experimental test protocols, this will not affect the patient recovery behaviour due to fact that these high values were recorded in knee flexion moments during the swing phase of a complete gait. It is possible that the use of a patient together with the designed robotic system prototype will increase the stiffness and this angular amplitude will record lower values.
In the case of ankle joints’ experimental evaluations, from the presented results in Figure 29, it can be remarked that the angular amplitude records a value of 48.589 degrees and this value is the correct one, by having insight the specialty literature data limits and the previous experimental analysis.
7. Results Analysis and Discussions
We developed a flexible program that allows the processing of the created mathematical models, according to the virtual prototyping of the elaborated robotic system under an Adams environment correlated with experimental analyses in an integrated system.
Thus, a comparative analysis was performed between the experimental results of the analysed human subject and the ones obtained during experimental tests of the elaborated prototype. Through this analysis, the error of the acquired results will be identified.
To be able to compare the results of the analysed human subject during experimental analysis characterized by numerical processing with the ones obtained from the exoskeleton prototype experimental analysis, the kinematic response of the desired exoskeleton joints versus human subject joints was monitored, namely hips, knees, and ankles. The obtained results are represented by diagrams reported in Figure 30, Figure 31, Figure 32, Figure 33, Figure 34 and Figure 35.
Figure 30.
Left hip angular variation exoskeleton vs. human subject during a complete gait.
Figure 31.
Right hip angular variation exoskeleton vs. human subject during a complete gait.
Figure 32.
Right knee angular variation exoskeleton vs. human subject during a complete gait.
Figure 33.
Left knee angular variation exoskeleton vs. human subject during a complete gait.
Figure 34.
Left ankle angular variation exoskeleton vs. human subject during a complete gait.
Figure 35.
Right ankle angular variation exoskeleton vs. human subject during a complete gait.
Considering the comparative results reported in the diagram from Figure 30, it can be seen that the left hip angular variation has an appropriate path, and the maximum value was obtained in the case of the left human hip, namely 19.537 degrees. In the case of the exoskeleton’s left hip, the maximum value was equal to 16.238 degrees. Thus, the error of the reported results presented in this graph was equal to 2.943%.
By having insight into the right hip, it can be remarked a maximum value of 23.6775 degrees was reported for the healthy human subject and in the case of exoskeleton’s right hip, this records a value of 26.785. Both reported curves from Figure 31 have similar paths and the error was equal to 2.875%.
Regarding the knee joints, the reported results as a comparative analysis can be found in Figure 32 and Figure 33. In fact, for the left knee joint in the case of the healthy human subject, a value of 38.273 degrees was recorded, and for the left knee joint of the analyzed exoskeleton this variation reached a value of 33.583 degrees. In this case, the error increases and reaches a value of 4.993%. In the case of right knee joints for both models, it reached high values, namely 51.261 degrees for healthy human subject analysis and 47.753 degrees in the case of the knee exoskeleton joint. Thus, an error of 4.211% was observed, and the paths of the reported curves were similar.
In the case of the ankle joints, the obtained results through the reported comparative analysis are shown in Figure 34 and Figure 35. For the left ankle joint, a maximum angular value of 32.428 degrees in the case of the human subject was recorded, and for the exoskeleton left ankle joint this reached a value of 27.105 degrees. The obtained error was around 4.878% and the paths of both analyzed cases have appropriate trajectories.
Similar results were obtained also for the right ankle joints analysis and, as can be seen in Figure 35, for the human subject a maximum value of 33.237 degrees was obtained. In the case of the exoskeleton ankle joint, this reached a value of 37.584 degrees. Thus, the acquired error was around 4.34%.
This comparative analysis validates the exoskeleton functionality. As a major remark, these experimental tests in the case of exoskeleton prototype experimental analysis were performed in laboratory conditions without the involvement of any humans. It can be remarked that the obtained curves reported in Figure 30, Figure 31, Figure 32, Figure 33, Figure 34 and Figure 35 have similar paths and the computed error does not exceed 5%. This error depends mostly on the video analysis equipment’s accuracy but also, in the case of identifying the joint center positions of the analyzed human subject. In the experimental setup of human subject motion evaluation during walking, a crucial role in the analyzed joints’ angular variation is represented by identifying the joint center position, which was performed by hand palpation.
8. Conclusions
In this study, the motions variations depending on time for a complete gait in case of the hips, knees, and ankles, for different interest points from lower limbs structure were obtained, which were considered as a mandatory group for walking activity.
Through this research, the following objective was accomplished: obtaining a database after experimental analyses of 30 healthy human subjects and 5 subjects with neuromotor deficiencies. This analysis consists of angle variations motion laws of the main joints of human locomotion (hips, knees, and ankles).
By having insight into the kinematic functions established through motion experimental analysis, an exoskeleton mechanism made from kinematic linkages that allows the actuating of the desired joints from human lower limb structure, namely hip, knee, and ankle joints, was conceived.
The developed structural analysis allows us to identify the motor joints for different sequences from a complete gait cycle and to design the kinematic schemes compatible with kinematic functions established experimentally with the aid of video analysis equipment.
We performed a dynamic analysis of the exoskeleton mechanism where the input data for motor joints were established through an inverse kinematic analysis based on the experimental motion laws of hips, knees, and ankles.
The dynamic analysis consists of elaborating the mathematical models for direct and inverse methods. The direct method allows the generalized coordinate variation laws to be established by having insight, as input data, into the geometrical characteristics, mass, inertia, and contact force with the ground. The inverse method (dynamic synthesis), allows the connection forces variation (depending on time) from kinematic joints to be established, having the generalized coordinates variations, mechanism geometry, mass and inertia characteristics, and generalized forces as inputs.
We created a program under the MAPLE software environment, which allowed us to perform a numerical process of the elaborated mathematical models for both methods used in dynamic analysis. The obtained numerical results were compared via two methods, computed mathematical modeling and numerical simulation, with the aid of MSC Adams software.
Thus, connection forces variation laws that occur at the exoskeleton joints during motions were established, and these were used for design and manufacturing phases.
There were performed experimental tests of the entire robotic system and, for these tests, servomotor motions were considered as input data. These motions were verified analytically and numerically with MSC Adams software.
We presented numerical results, namely, connection forces’ variations over time in the case of knee and ankle joints, obtained through two methods: analytical method and numerical simulations, respectively, both with MSC Adams. The obtained results were considered as input data for a comparative analysis developed with LS Dyna software. The obtained results through this comparative analysis present small accuracy errors under 3% which confirms that the mathematical models and numerical simulation developed in the virtual environment are correct.
We performed preliminary experimental tests, in laboratory conditions, and the obtained results validated the exoskeleton prototype.
The developed software, which was implemented at the level of the exoskeleton command and control unit, allowed us to implement motion laws for the drive joints to actuate 6 servomotors from the exoskeleton prototype structure.
Moreover, the obtained robotic system is characterized by a function called ”teaching mode” which permits users to manually move the hip, knee, and ankle joints with the possibility to record each position and establish the maximum and minimum angular variation limits. Thus, the entire robotic system experimental tests, performed in laboratory conditions without a human subject, permit this research to verify the exoskeleton’s kinematic functions and compare these with the ones obtained experimentally on a healthy human subject.
An exoskeleton robotic system with a compact structure in a modular concept was obtained, with a high adaptability level due to its structural–kinematic adjustments. This was done by having insight into the kinematic linkages equivalent to human lower limbs, with four planar-parallel mechanisms for actuating the hips, knees, and ankle joints. This is also characterized by its necessary support to sustain 6 servomotors, and its specific adjustment possibilities in two directions (horizontal and vertical).
A comparative analysis between experimental motion laws versus experimental motions developed by the exoskeleton for each main joint (hips, knees, and ankles) was accomplished.
The experimental tests performed with the entire robotic system were done without a patient and the evaluated motions were not entered in contact with the ground.
We consider our objectives to have been accomplished by: the comparative results through mathematical models processing; numerical and virtual simulations with MSC Adams program; experimental analysis onto human subjects; and experimental tests of the entire robotic system.
Through this research, we achieved all the proposed investigation objectives and the conceptual solution was validated through a comparative analysis which certifies the use of the prototype in future research.
Author Contributions
Conceptualization, S.D.; methodology, N.D.; software, S.D.; validation, N.D., S.D. and C.C.; formal analysis, I.G.; investigation, L.G.C.; resources, S.D.; data curation, I.G.; writing—original draft preparation, S.D.; writing—review and editing, C.C.; visualization, S.D., C.C. and N.D.; supervision, N.D.; project administration, S.D., C.C. and N.D.; funding acquisition, S.D., C.C. and N.D. All authors have read and agreed to the published version of the manuscript.
Funding
This research was funded by Romanian National Authority for Scientific Research and Innovation, CNCS/CCCDI – UEFISCDI, grant number PNIII-P2-2.1-PED-2016-0934, within PNCDI III.
Institutional Review Board Statement
Not applicable.
Informed Consent Statement
Not applicable.
Data Availability Statement
Not applicable.
Conflicts of Interest
The authors declare no conflict of interest.
References
- Esquenazi, A.; Talaty, M.; Jayaraman, A. Powered exoskeletons for walking assistance in persons with central nervous system injuries: A narrative review. PM&R 2017, 9, 46–62. [Google Scholar]
- Louie, D.R.; Eng, J.J. Powered robotic exoskeletons in post-stroke rehabilitation of gait: A scoping review. J. Neuroeng. Rehabil. 2016, 13, 1–10. [Google Scholar] [CrossRef] [PubMed]
- Bortole, M.; Venkatakrishnan, A.; Zhu, F.; Moreno, J.C.; Francisco, G.E.; Pons, J.L.; Contreras-Vidal, J.L. The H2 robotic exoskeleton for gait rehabilitation after stroke: Early findings from a clinical study. J. Neuroeng. Rehabil. 2015, 12, 1–14. [Google Scholar] [CrossRef] [PubMed]
- Federici, S.; Meloni, F.; Bracalenti, M.; de Filippis, M.L. The effectiveness of powered, active lower limb exoskeletons in neurorehabilitation: A systematic review. J. Neuro-Rehabil. 2015, 37, 321–340. [Google Scholar] [CrossRef] [PubMed]
- Pons, J.L. Wearable Robots: Biomechatronic Exoskeletons; John Wiley & Sons, Ltd.: Chichester, UK, 2008. [Google Scholar]
- Banala, S.K.; Agrawal, S.K.; Scholz, J.P. Active leg exoskeleton (ALEX) for gait rehabilitation of motor-impaired patients. In Proceedings of the IEEE 10th International Conference on Rehabilitation Robotics, Noordwijk, The Netherlands, 13–15 June 2007; pp. 401–407. [Google Scholar] [CrossRef]
- Sergi, F. Biomechatronic Design of Wearable and Operational Robots for Rehabilitation and Assistive Applications Terza Linea; Universita’ Campus Bio-Medico di Roma School of Engineering: Roma, Italy, 2011. [Google Scholar]
- Dumitru, N.; Didu, A.; Copilusi, C. Mechatronic system for locomotion rehabilitation. In Advances in Engineering and Management; TransTech Publications: Zurich, Switzerland, 2016; pp. 53–54. ISSN 2537-4443. [Google Scholar]
- Dumitru, N.; Copilusi, C.; Geonea, I.; Tarnita, D.; Dumitrache, I. Dynamic Analysis of an Exoskeleton New Ankle Joint Mechanism. In New Trends in Mechanism and Machine Science; Flores, P., Viadero, F., Eds.; Mechanisms and Machine Science; Springer: Cham, Switzerland, 2015; Volume 24. [Google Scholar]
- Beil, J.; Perner, G.; Asfour, T. Design and Control of the Lower Limb Exoskeleton KIT-EXO-1. In Proceedings of the IEEE International Conference on Rehabilitation Robotics (ICORR), Singapore, 11–14 August 2015; pp. 119–124. [Google Scholar]
- Yu, S.; Han, C.; Cho, I. Design considerations of a lower limb exoskeleton system to assist walking and load-carrying of infantry soldiers. Appl. Bionics Biomech. 2014, 11, 119–134. [Google Scholar] [CrossRef]
- Lopez, R.; Aguilar, H.; Salazar, S.; Lozano, R.; Torres, J.A. Modelado y Control de un Exoesqueleto para la Rehabilitacio’n de Extremidad Inferior con dos grados de libertad. Rev. Iberoam. Autom. Inform. Ind. RIAI 2014, 11, 304–314. [Google Scholar] [CrossRef]
- Galle, S.; Malcolm, P.; Derave, W.; De Clercq, D. Adaptation to walking with an exoskeleton that assists ankle extension. Gait Posture 2013, 38, 495–499. [Google Scholar] [CrossRef] [PubMed]
- Strausser, K.A.; Zoss, A.B.; Swift, T.A.; Zoss, A.B.; Kazerooni, H.; Bennett, B.C. Mobile exoskeleton for spinal cord injury: Development and testing. In Proceedings of the ASME 2011 Dynamic Systems and Control Conference, Arlington, VA, USA, 31 October–2 November 2011; pp. 419–425. [Google Scholar] [CrossRef]
- Geonea, I.D.; Margine, A.; Dumitru, N.; Copiluși, C. Design and simulation of a mechanism for human leg motion assistance. In Advanced Materials Research; Trans Tech Publications Ltd.: Bäch, Switzerland, 2014; Volume 1036, pp. 811–816. [Google Scholar]
- Ghobrial, G.M.; Wang, M.Y. The next generation of powered exoskeleton use in spinal cord injury. Neurosurg. Focus 2017, 42, E16. [Google Scholar] [CrossRef] [PubMed]
- You, S.H. Concurrent Validity and Test-Retest Reliability of the Novel Walkbot-K System. J. Mech. Med. Biol. 2016, 16, 1640029. [Google Scholar]
- Keijsers, N.L.W.; Stolwijk, N.M.; Renzenbrink, G.J.; Duysens, J. Prediction of walking speed using single stance force or pressure measurements in healthy subjects. J. Gait Posture 2016, 43, 93–95. [Google Scholar] [CrossRef] [PubMed]
- D’Apuzzo, F.; Minervini, G.; Grassia, V.; Rotolo, R.P.; Perillo, L.; Nucci, L. Mandibular Coronoid Process Hypertrophy: Diagnosis and 20-Year Follow-Up with CBCT, MRI and EMG Evaluations. Appl. Sci. 2021, 11, 4504. [Google Scholar] [CrossRef]
- Minervini, G.; Nucci, L.; Lanza, A.; Femiano, F.; Contaldo, M.; Grassia, V. Temporomandibular disc displacement with reduction treated with anterior repositioning splint: A 2-year clinical and magnetic resonance imaging (MRI) follow-up. J. Biol. Regul. Homeost. Agents 2020, 34, 151–160. [Google Scholar] [PubMed]
- Minervini, G.; Lucchese, A.; Perillo, L.; Serpico, R.; Minervini, G. Unilateral superior condylar neck fracture with dislocation in a child treated with an acrylic splint in the upper arch for functional repositioning of the mandible. Cranio 2017, 35, 337–341. [Google Scholar] [CrossRef] [PubMed]
- VICON. NEXUS Product Guide for Motion Analysis Equipment. Edited by VICON Industries; VICON: New York, NY, USA, 2016. [Google Scholar]
- Steinicke, F.; Visell, Y.; Campos, J.; Lécuyer, A. Human Walking in Virtual Environments; Springer: New York, NY, USA, 2013. [Google Scholar]
- Duffy, J. Statics and Kinematics with Applications to Robotics; Cambridge University Press: New York, NY, USA, 1996; p. 173. [Google Scholar]
- Pirker, W.; Katzenschlager, R. Gait disorders in adults and the elderly: A clinical guide. Wien. Klin. Wochenschr. 2016, 129, 81–95. [Google Scholar] [CrossRef] [PubMed]
- Muscolo, G.; Caldwell, D.; Cannella, F. Biomechanics of Human Locomotion with Constraints to Design Flexible-Wheeled Biped Robots. In Proceedings of the IEEE International Conference on Advanced Intelligent Mechatronics, Munich, Germany, 3–7 July 2017; pp. 1273–1278. [Google Scholar]
- Bertomeu-Motos, A. Biomechanics of human walking and stability descriptive parameters. Rev. Dr. UMH 2015, 1, 4–8. [Google Scholar] [CrossRef][Green Version]
- Chiacchio, P.; Chiaverini, S.; Sciavicco, L.; Siciliano, B. Closed-loop inverse kinematics schemes for constrained redundant manipulators with task space augmentation and task priority strategy. Int. J. Robot. Res. 1991, 10, 410–425. [Google Scholar] [CrossRef]
- Norton, R.L. Design of Machinery; McGraw-Hill: New York, NY, USA, 2008. [Google Scholar]
- Wilson, C.E.; Sadler, J.P. Kinematics and Dynamic of Machinery; HarperCollins College Publishers: London, UK, 1993. [Google Scholar]
- Copilusi, C.; Dumitru, S.; Geonea, I.; Colici, F.; Dumitru, N. Design and Numerical Characterization of a New Leg Exoskeleton for Human Neuromotor Rehabilitation. Acta Napoc. Appl. Math. Mech. Eng. 2021, 64, 2. [Google Scholar]
- Basic ADAMS Full Simultion Training Guide. Version 11.0. Part Number: 110VIEWTR-03. MSC 2017. Adams Software User Manual. Available online: https://www.mscsoftware.com/product/adams (accessed on 20 February 2021).
Publisher’s Note: MDPI stays neutral with regard to jurisdictional claims in published maps and institutional affiliations. |
© 2022 by the authors. Licensee MDPI, Basel, Switzerland. This article is an open access article distributed under the terms and conditions of the Creative Commons Attribution (CC BY) license (https://creativecommons.org/licenses/by/4.0/).



































