Ground Settlement Due to Tunneling in Cohesionless Soil
Abstract
1. Introduction
2. Physical Modeling of the Tunnel
2.1. Establishment of the Physical Model in the Lab
2.2. Placement of Lining and Soil Filling
2.3. Levelling of the Top Surface
2.4. Excavation and Measurement of Ground Settlement
2.5. Validation
3. Finite-Element Modelling
3.1. Lab Model
4. Full-Scale Model with Different Tunnel Linings
5. Results and Discussion
5.1. Numerical Simulation of Lab Problem and Its Validation
5.2. Full-Scale Numerical Study of Tunnels
6. Conclusions
- For laboratory simulation, a maximum ground settlement of 1.85 mm was recorded. This was 1.80 mm for the numerical analysis of laboratory simulations, so the error was only 2.7 percent.
- The vertical displacement in the linings was maximum at the crown position with a magnitude of 1.15 mm.
- Numerical analysis showed the least maximum settlement for an elliptical-shaped liner with a magnitude of 1.4 cm. However, the highest maximum settlement of 4.2 cm was recorded for square-shaped linings. The descending order of maximum settlement was elliptical–horseshoe–circular–arch–square.
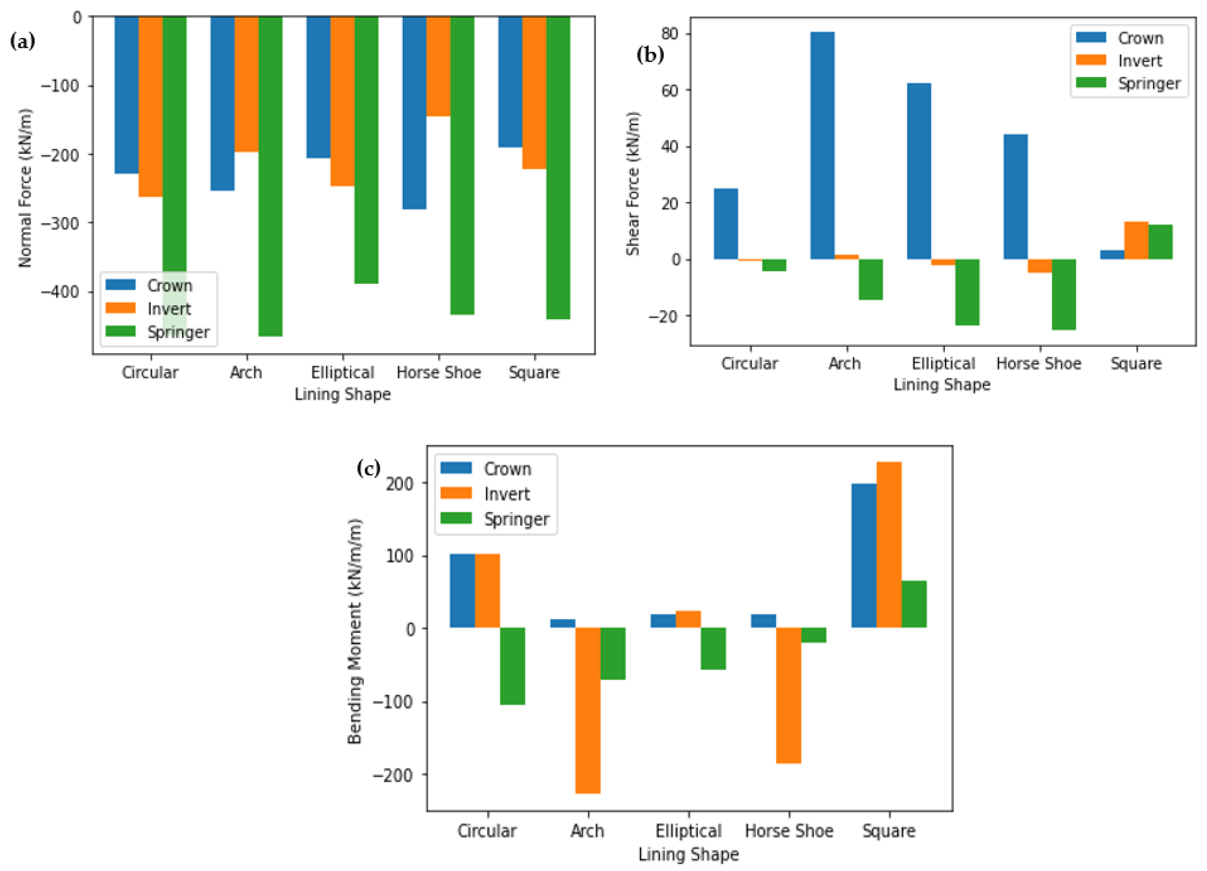
- The principal stresses in the soil mass were greatest at springer locations and lowest at crown and invert locations along horizontal and vertical planes. The minimum and maximum stresses in the vertical plane were higher than those in horizontal plane.
- The horizontal-plane stresses were greatest around the invert, and the vertical-plane stresses were greatest around the springer. Horizontal-plane stresses were maximum for elliptical-shaped linings and vertical-plane stresses for circular-shaped linings. Because horseshoe and square-shaped linings have vertical boundaries, they experience fewer stresses at springer locations.
- Normal forces in the lining were found to be highest at springer locations for all shapes, and shear forces in the lining were found to be highest at the crown and lowest at springer locations. Circular- and elliptical-shaped linings have a negative bending moment around the springer and a positive bending moment around the crown and invert. Horseshoe- and arch-shaped linings have negative bending moments around the invert.
Author Contributions
Funding
Institutional Review Board Statement
Informed Consent Statement
Data Availability Statement
Acknowledgments
Conflicts of Interest
References
- Malpezzi, S. Population Density: Some Facts and Some Predictions. Cityscape 2013, 15, 183–201. [Google Scholar]
- Huang, J.; Shen, G.; Zheng, W. Is insufficient land supply the root cause of housing shortage? Empirical evidence from Hong Kong. Habitat Int. 2015, 49, 538–546. [Google Scholar] [CrossRef]
- Ng, M.K. Transformative urbanism and reproblematising land scarcity in Hong Kong. Urban Stud. 2018, 57, 1452–1468. [Google Scholar] [CrossRef]
- Goel, R.K. Status of tunnelling and underground construction activities and technologies in India. Tunn. Undergr. Space Technol. 2001, 16, 63–75. [Google Scholar] [CrossRef]
- Yang, Y.B.; Hsu, L.C. A Review of Researches on Ground-Borne Vibrations Due to Moving Trains via Underground Tunnels. Adv. Struct. Eng. 2006, 9, 377–392. [Google Scholar] [CrossRef]
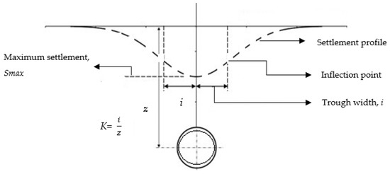
- Mair, R.J.; Taylor, R.N.; Burland, J.B. Prediction of ground movements and assessment of risk of building damage due to bored tunnelling. In Geotechnical Aspects of Underground Construction in Soft Ground; Balkema: Rotterdam, The Netherlands, 1996; pp. 713–718. [Google Scholar]
- Litwiniszyn, J. The theories and model research of movements of ground masses. In Proceedings of the European Congress on Ground Movement, Leeds, UK, April 1957; Volume 202, p. 209. [Google Scholar]
- Song, Z.; Tian, X.; Zhang, Y. A New Modified Peck Formula for Predicting the Surface Settlement Based on Stochastic Medium Theory. Adv. Civ. Eng. 2019, 2019, 7328190. [Google Scholar] [CrossRef]
- Wu, K.; Shao, Z.; Qin, S.; Li, B. Determination of deformation mechanism and countermeasures in silty clay tunnel. J. Perform. Constr. Facil. 2020, 34, 4019095. [Google Scholar] [CrossRef]
- Yang, X.L.; Wang, J.M. Ground movement prediction for tunnels using simplified procedure. Tunn. Undergr. Space Technol. 2011, 26, 462–471. [Google Scholar] [CrossRef]
- Sagaseta, C. Analysis of undraind soil deformation due to ground loss. Geotechnique 1987, 37, 301–320. [Google Scholar]
- Verruijt, A.; Booker, J.R. Surface settlements due to deformation of a tunnel in an elastic half plane. Geotechnique 1998, 48, 709–713. [Google Scholar] [CrossRef]
- Lee, K.M.; Rowe, R.K.; Lo, K.Y. Subsidence owing to tunnelling. I. Estimating the gap parameter. Can. Geotech. J. 1992, 29, 929–940. [Google Scholar] [CrossRef]
- Loganathan, N.; Poulos, H.G. Analytical prediction for tunneling-induced ground movements in clays. J. Geotech. Geoenviron. Eng. 1998, 124, 846–856. [Google Scholar] [CrossRef]
- Park, K.H. Elastic solution for tunneling-induced ground movements in clays. Int. J. Geomech. 2004, 4, 310–318. [Google Scholar] [CrossRef]
- Park, K.-H. Analytical solution for tunnelling-induced ground movement in clays. Tunn. Undergr. Space Technol. 2005, 20, 249–261. [Google Scholar] [CrossRef]
- Wu, C.; Zhu, Z. Analytical method for evaluating the ground surface settlement caused by tail void grouting pressure in shield tunnel construction. Adv. Civ. Eng. 2018, 2018, 3729143. [Google Scholar] [CrossRef]
- Peck, R.B. Deep excavations and tunneling in soft ground. Proc. 7th ICSMFE 1969, 1969, 225–290. [Google Scholar]
- Fujita, K. Prediction of surface settlements caused by shield tunneling. In Proceedings of the International Conference on Soil Mechanics, Mexico City, Mexico, 2–4 August 1982; Volume 1, pp. 239–246. [Google Scholar]
- Ahmadi, M.; Shirazi, M. Longitudinal Settlement Profile in EPB Shield Tunneling. In Proceedings of the 3rd Iranian Conference on Geotechnical Engineering, Tehran, Iran, 23–24 October 2018. [Google Scholar]
- Mahdi, H.; Ali, N.H.; Mehdi, A.M.; Amirodin, S.S. Longitudinal Settlement Profile in Shallow Tunnels in Drained Conditions. Int. J. Geomech. 2015, 15, 4014097. [Google Scholar] [CrossRef]
- Atkinson, J.H.; Potts, D.M. Subsidence above shallow tunnels in soft ground. J. Geotech. Geoenviron. Eng. 1977, 103, 307–325. [Google Scholar] [CrossRef]
- Franza, A.; Marshall, A.M. Empirical and semi-analytical methods for evaluating tunnelling-induced ground movements in sands. Tunn. Undergr. Space Technol. 2019, 88, 47–62. [Google Scholar] [CrossRef]
- Mair, R.J.; Taylor, R.N.; Bracegirdle, A. Subsurface settlement profiles above tunnels in clays. Geotechnique 1993, 43, 315–320. [Google Scholar] [CrossRef]
- O’REILLY, M.P.; New, B.M. Settlements above Tunnels in the United Kingdom-Their Magnitude and Prediction; Institution of Mining and Metallurgy: London, UK, 1982. [Google Scholar]
- Attewell, P.B.; Farmer, I.W. Ground Deformations Resulting from Shield Tunnelling in London Clay. Can. Geotech. J. 1974, 11, 380–395. [Google Scholar] [CrossRef]
- Fattah, M.Y.; Shlash, K.T.; Salim, N.M. Settlement trough due to tunneling in cohesive ground. Indian Geotech. J. 2011, 41, 64–75. [Google Scholar]
- Kanagaraju, R.; Krishnamurthy, P. Influence of Tunneling in Cohesionless Soil for Different Tunnel Geometry and Volume Loss under Greenfield Condition. Adv. Civ. Eng. 2020, 2020, 1946761. [Google Scholar] [CrossRef]
- Marshall, A.M.; Elkayam, I.; Klar, A. Ground behaviour above tunnels in sand-DEM simulations versus centrifuge test results. In Proceedings of the Euro: Tun 2009, 2nd International Conference on Computational Methods in Tunnelling, Bochum, Germany, 9–11 September 2009; Aedificatio Verlag: Bochum, Germany, 2009; pp. 9–11. [Google Scholar]
- Lu, Y.; Xu, K. Modelling of dynamic behaviour of concrete materials under blast loading. Int. J. Solids Struct. 2004, 41, 131–143. [Google Scholar] [CrossRef]
- Celestino, T.B.; Gomes, R.; Bortolucci, A.A. Errors in ground distortions due to settlement trough adjustment. Tunn. Undergr. Space Technol. 2000, 15, 97–100. [Google Scholar] [CrossRef]
- Hunt, D. Predicting the Ground Movements above Twin Tunnels Constructed in London Clay. Ph.D. Thesis, University of Birmingham, Birmingham, UK, 2005. Available online: https://ethos.bl.uk/OrderDetails.do?uin=uk.bl.ethos.496150 (accessed on 2 January 2002).
- Jacobsz, S.W.; Standing, J.R.; Mair, R.J.; Hagiwara, T.; Sugiyama, T. Centrifuge modelling of tunnelling near driven piles. Soils Found. 2004, 44, 49–56. [Google Scholar] [CrossRef]
- Vorster, T.E.; Klar, A.; Soga, K.; Mair, R.J. Estimating the effects of tunneling on existing pipelines. J. Geotech. Geoenviron. Eng. 2005, 131, 1399–1410. [Google Scholar] [CrossRef]
- Rankin, W. Ground movements resulting from urban tunnelling: Predictions and effects. Geol. Soc. London Eng. Geol. Spec. Publ. 1988, 5, 79–92. [Google Scholar] [CrossRef]
- Adachi, T.; Kimura, M.; Kishida, K. Experimental study on the distribution of earth pressure and surface settlement through three-dimensional trapdoor tests. Tunn. Undergr. Space Technol. 2003, 18, 171–183. [Google Scholar] [CrossRef]
- Chapman, D.N.; Ahn, S.K.; Hunt, D.V.L. Investigating ground movements caused by the construction of multiple tunnels in soft ground using laboratory model tests. Can. Geotech. J. 2007, 44, 631–643. [Google Scholar] [CrossRef]
- Marshall, A.M.; Farrell, R.P.; Klar, A.; Mair, R. Tunnels in sands: The effect of size, depth and volume loss on greenfield displacements. Géotechnique 2012, 62, 385–399. [Google Scholar] [CrossRef]
- Marto, A.; Abdullah, M.H.; Makhtar, A.M.; Sohaei, H.; Tan, C.S. Surface settlement induced by tunneling in greenfield condition through physical modelling. J. Teknol. 2015, 76, 1–7. [Google Scholar] [CrossRef][Green Version]
- Song, G.; Franza, A.; Elkayam, I.; Marshall, A.M.; Klar, A. A Comparative Study of Greenfield Tunnelling in Sands: FEM, DEM, and Centrifuge Modelling. In Micro to MACRO Mathematical Modelling in Soil Mechanics; Springer: Berlin/Heidelberg, Germany, 2018; pp. 337–345. [Google Scholar]
- Chakeri, H.; Ozcelik, Y.; Unver, B. Effects of important factors on surface settlement prediction for metro tunnel excavated by EPB. Tunn. Undergr. Space Technol. 2013, 36, 14–23. [Google Scholar] [CrossRef]
- Ng, C.W.W. The state-of-the-art centrifuge modelling of geotechnical problems at HKUST. J. Zhejiang Univ. Sci. A 2014, 15, 1–21. [Google Scholar] [CrossRef]
- Shiau, J.S.; Sams, M.S.; Zhang, J.; Kemp, R.J. Settlement analyses of underground circular tunneling in soft clay. In Proceedings of the 8th International Symposium on Geotechnical Aspects of Underground Construction in Soft Ground (TC204 ISSMGE IS-SEOUL 2014), Seoul, Korea, 25–27 August 2014; 2014; pp. 347–352. [Google Scholar]
- Kolivand, F.; Rahmannejad, R. Estimation of geotechnical parameters using Taguchi’s design of experiment (DOE) and back analysis methods based on field measurement data. Bull. Eng. Geol. Environ. 2018, 77, 1763–1779. [Google Scholar] [CrossRef]
- OPTUM. Available online: https://optumce.com/academic/academic-license-information/ (accessed on 2 January 2022).
- González-Nicieza, C.; Álvarez-Vigil, A.E.; Menéndez-Díaz, A.; González-Palacio, C. Influence of the depth and shape of a tunnel in the application of the convergence–confinement method. Tunn. Undergr. Space Technol. 2008, 23, 25–37. [Google Scholar] [CrossRef]
- Svoboda, T.; Mašín, D. Convergence-confinement method for simulating NATM tunnels evaluated by comparison with full 3D simulations. In Proceedings of the 11th International Conference on Underground Construction, Prague, Prague, Czech Republic, 14–16 June 2010; pp. 795–801. [Google Scholar]
- Mousivand, M.; Maleki, M.; Nekooei, M.; Mansoori, M.R. Application of Convergence–Confinement Method in Analysis of Shallow Non-circular Tunnels. Geotech. Geol. Eng. 2017, 35, 1185–1198. [Google Scholar] [CrossRef]
- Wong, R.C.K.; Kaiser, P.K. Performance assessment of tunnels in cohesionless soils. J. Geotech. Eng. 1991, 117, 1880–1901. [Google Scholar] [CrossRef]
- Lindeburg, M.R. Civil Engineering Reference Manual for the PE Exam. 2011. Available online: www.ppi2pass.com (accessed on 2 January 2022).
- Akram, S.; Jaffery, S.H.I.; Khan, M.; Fahad, M.; Mubashar, A.; Ali, L. Numerical and experimental investigation of Johnson–Cook material models for aluminum (Al 6061-T6) alloy using orthogonal machining approach. Adv. Mech. Eng. 2018, 10, 1687814018797794. [Google Scholar] [CrossRef]
- Warsi, S.S.; Jaffery, S.H.I.; Ahmad, R.; Khan, M.; Ali, L.; Agha, M.H.; Akram, S. Development of energy consumption map for orthogonal machining of Al 6061-T6 alloy. Proc. Inst. Mech. Eng. Part. B J. Eng. Manuf. 2018, 232, 2510–2522. [Google Scholar] [CrossRef]
- Raghavendra, V.; Jose, S.; Shounak, G.H.A.; Sitharam, T.G. Finite element analysis of underground metro tunnels. Int. J. Civ. Eng. Technol. 2015, 6, 6–15. [Google Scholar]
- Naqvi, M.W.; Akhtar, M.F.; Zaid, M.; Sadique, M.R. Effect of Superstructure on the Stability of Underground Tunnels. Transp. Infrastruct. Geotechnol. 2021, 8, 142–161. [Google Scholar] [CrossRef]




















| Soil Properties | |
| Unsaturated unit weight | 16 kN/m3 |
| Saturated unit weight | 19 kN/m3 |
| Young’s modulus | 1.5 × 104 kPa |
| Poisson’s ratio | 0.3 |
| Cohesion | 0 kPa |
| Friction angle | 300 |
| Dilation angle | 00 |
| Aluminum Lining (Al 6061-T6) | |
| Density | 26.47 |
| Young’s modulus | 6.9 × 104 kPa |
| Sectional area | 40 cm2/m |
| Plastic-section modulus | 40 cm3/m |
| Moment of inertia | 0.534 cm4/m |
| Yield strength | 275 MPa |
| Weight | 10.6 kg/m/m |
| Density | 25 kN/m3 |
| Young’s modulus | 3.16 × 107 kPa |
| Poisson ratio | 0.15 |
| Sectional area | 2500 cm2/m |
| Plastic-section modulus | 15,625 cm3/m |
| Moment of Inertia | 130,208.33 cm4/m |
| Yield strength | 30 MPa |
Publisher’s Note: MDPI stays neutral with regard to jurisdictional claims in published maps and institutional affiliations. |
© 2022 by the authors. Licensee MDPI, Basel, Switzerland. This article is an open access article distributed under the terms and conditions of the Creative Commons Attribution (CC BY) license (https://creativecommons.org/licenses/by/4.0/).
Share and Cite
Athar, M.F.; Sadique, M.R.; Alsabhan, A.H.; Alam, S. Ground Settlement Due to Tunneling in Cohesionless Soil. Appl. Sci. 2022, 12, 3672. https://doi.org/10.3390/app12073672
Athar MF, Sadique MR, Alsabhan AH, Alam S. Ground Settlement Due to Tunneling in Cohesionless Soil. Applied Sciences. 2022; 12(7):3672. https://doi.org/10.3390/app12073672
Chicago/Turabian StyleAthar, Mohammad Faraz, Md Rehan Sadique, Abdullah H. Alsabhan, and Shamshad Alam. 2022. "Ground Settlement Due to Tunneling in Cohesionless Soil" Applied Sciences 12, no. 7: 3672. https://doi.org/10.3390/app12073672
APA StyleAthar, M. F., Sadique, M. R., Alsabhan, A. H., & Alam, S. (2022). Ground Settlement Due to Tunneling in Cohesionless Soil. Applied Sciences, 12(7), 3672. https://doi.org/10.3390/app12073672

