Design and Implementation of a Machine-Learning Observer for Sensorless PMSM Drive Control
Abstract
:1. Introduction
- An ML-based observer-training algorithm was developed on the basis of the modified ENN.
 - Training and validation data were recorded from the sensored PMSM-FOC digital simulation performed with Simulink.
 - The ML-based observer was trained and validated using the recorded data.
 - The validated ML function block was implemented in a Simulink simulation for a sensorless PMSM-FOC.
 - The ML-based observer was realized in a DSP-based hardware control scheme.
 
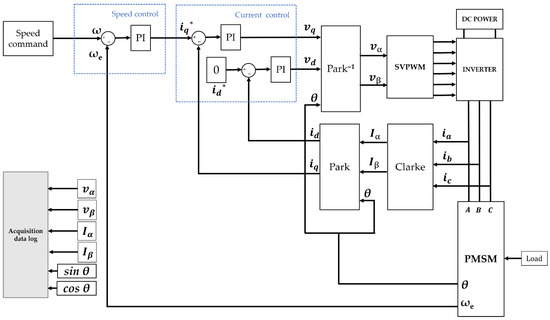
2. PMSM Drive System
3. Proposed ML-Based Rotor Observer
3.1. Machine Learning
3.2. Modified ENN
- Step 1. The number of neurons in each layer is initially established. The input layer has six neurons (k + n), the output layer (n) has two neurons, and both the hidden layer and the context layer have seven neurons (m). The learning-rate value (lr) is 0.001.
 - Step 2. The weights for each input layer (wil), context layer (wcl), and hidden layer (whl); the bias value of the hidden layer (bhl) and output layer (bol); and the memory coefficients of the context layer (mcho and mch) are randomly generated.
 - Step 3. In the first iteration of the training process, the context-layer neuron values must be initiated (z′).
 - Step 4. Each neuron from the input layer (x and y′) and context layer (z′) is distributed to the input of each neuron in the hidden layer. Finally, these values are summed with an appropriate bias value (vb). The summation results are then input into the activation function to obtain the output value of each hidden-layer neuron (z).
 - Step 5. The output values of the hidden-layer neurons (z) are fed back to the context layer and become z′ for the next iteration. Moreover, z is weighted (w) and is distributed to the next layer for each neuron in the output layer (y). All inputs from each hidden-layer neuron (z) are summed with an appropriate bias (wb). The summation results are then used on the activation function to obtain the value of each output-layer neuron (y).
 - Step 6. The activation function calculation result for the output-layer neurons is the output of the network. This output is fed back to the input layer as y′ and is compared with the target output to obtain an error value.
 - Step 7. The weights and biases of the network are updated on the basis of the error values and learning rate.
 - Step 8. Steps 4–7 are repeated until the desired number of training cycles (maximum epoch) is reached or the convergence condition is met.
 
3.3. Learning Process
3.3.1. Training Data and Validation Data
3.3.2. Training and Validation
3.4. ML-Based Observer
3.4.1. ML Function Block
3.4.2. PLL
4. Simulation Results
4.1. Rotor-Speed Simulation Results
4.2. Rotor-Position Simulation Results
4.3. Current Response in the d-q Axis
4.4. Simulation Response for a Varied External Load
5. Experimental Hardware Realization
5.1. Experimental Rotor-Speed Results
5.2. Experimental Rotor-Position Results
5.3. Experimental Current Response in the d-q Axis
5.4. Experimental Response of the Speed and Current with Varied External Load
6. Conclusions
Author Contributions
Funding
Institutional Review Board Statement
Informed Consent Statement
Data Availability Statement
Conflicts of Interest
References
- Chung, S.-U.; Moon, S.-H.; Kim, D.-J.; Kim, J.-M. Development of a 20-Pole–24-Slot SPMSM With Consequent Pole Rotor for In-Wheel Direct Drive. IEEE Trans. Ind. Electron. 2016, 63, 302–309. [Google Scholar] [CrossRef]
 - Park, H.-I.; Choi, J.; Jeong, K.-H.; Cho, S. Comparative analysis of surface-mounted and interior permanent magnet synchronous motor for compressor of air-conditioning system in electric vehicles. In Proceedings of the 2015 9th International Conference on Power Electronics and ECCE Asia (ICPE-ECCE Asia), Seoul, Korea, 1–5 June 2015. [Google Scholar] [CrossRef]
 - Mocanu, R.; Onea, A. Phase resistance estimation and monitoring of PMSM used in electrical vehicles. In Proceedings of the 2014 18th International Conference on System Theory, Control and Computing (ICSTCC), Sinaia, Romania, 17–19 October 2014; pp. 512–519. [Google Scholar]
 - Nak, H.; Gülbahce, M.O.; Gokasan, M.; Ergene, A.F. Performance investigation of extended Kalman filter based observer for PMSM using in washing machine applications. In Proceedings of the 2015 9th International Conference on Electrical and Electronics Engineering (ELECO), Brno, Czech Republic, 24–26 November 2015; pp. 618–623. [Google Scholar]
 - Consoli, A.; Scarcella, G.; Testa, A. Industry application of zero-speed sensorless control techniques for PM synchronous motors. IEEE Trans. Ind. Appl. 2001, 37, 513–521. [Google Scholar] [CrossRef]
 - Hyunbae, K.; Lorenz, R.D. Carrier signal injection based sensorless control methods for IPM synchronous machine drives. In Proceedings of the Conference Record of the 2004 IEEE Industry Applications Conference, Seattle, WA, USA, 3–7 October 2004; 39th IAS Annual Meeting. Volume 2, pp. 977–984. [Google Scholar]
 - Raca, D.; Garcia, P.; Reigosa, D.; Briz, F.; Lorenz, R.D. Carrier Signal Selection for Sensorless Control of PM Synchronous Machines at Zero and Very Low Speeds. In Proceedings of the 2008 IEEE Industry Applications Society Annual Meeting, Edmonton, AB, Canada, 5–9 October 2008; pp. 1–8. [Google Scholar]
 - Qiao, Z.; Shi, T.; Wang, Y.; Yan, Y.; Xia, C.; He, X. New Sliding-Mode Observer for Position Sensorless Control of Permanent-Magnet Synchronous Motor. IEEE Trans. Ind. Electron. 2013, 60, 710–719. [Google Scholar] [CrossRef]
 - Kim, H.; Son, J.; Lee, J. A High-Speed Sliding-Mode Observer for the Sensorless Speed Control of a PMSM. IEEE Trans. Ind. Electron. 2011, 58, 4069–4077. [Google Scholar] [CrossRef]
 - Lachman, T.; Mohamad, T.R.; Teo, S.P. Sensorless position estimation of switched reluctance motors using artificial neural networks. In Proceedings of the IEEE International Conference on Robotics, Intelligent Systems and Signal Processing, Changsha, China, 8–13 October 2003; Volume 1, pp. 220–225. [Google Scholar]
 - Hoai, H.-K.; Chen, S.-C.; Than, H. Realization of the Sensorless Permanent Magnet Synchronous Motor Drive Control System with an Intelligent Controller. Electronics 2020, 9, 365. [Google Scholar] [CrossRef] [Green Version]
 - Ramírez-Cárdenas, O.-D.; Trujillo-Romero, F. Sensorless Speed Tracking of a Brushless DC Motor Using a Neural Network. Math. Comput. Appl. 2020, 25, 57. [Google Scholar] [CrossRef]
 - Sai Shiva, B.; Verma, V.; Khan, Y.A. Q-MRAS-Based Speed Sensorless Permanent Magnet Synchronous Motor Drive with Adaptive Neural Network for Performance Enhancement at Low Speeds. In Innovations in Soft Computing and Information Technology; Chattopadhyay, J., Singh, R., Bhattacherjee, V., Eds.; Springer: Singapore, 2019; pp. 103–116. [Google Scholar]
 - Kumar, R.; Padmanaban, S.V. An Artificial Neural Network Based Rotor Position Estimation for Sensorless Permanent Magnet Brushless DC Motor Drive. In Proceedings of the IECON 2006—32nd Annual Conference on IEEE Industrial Electronics, Paris, France, 6–10 November 2006; IEEE: Paris, France, 2006; pp. 649–654. [Google Scholar]
 - Makni, Z.; Zine, W. Rotor position estimator based on machine learning. In Proceedings of the IECON 2016—42nd Annual Conference of the IEEE Industrial Electronics Society, Florence, Italy, 23–26 October 2016; IEEE: Florence, Italy, 2016; pp. 6687–6692. [Google Scholar]
 - Zine, W.; Makni, Z.; Monmasson, E.; Idkhajine, L.; Condamin, B. Interests and Limits of Machine Learning-Based Neural Networks for Rotor Position Estimation in EV Traction Drives. IEEE Trans. Ind. Inform. 2018, 14, 1942–1951. [Google Scholar] [CrossRef]
 - Liu, Y.; Fang, J.; Tan, K.; Huang, B.; He, W. Sliding Mode Observer with Adaptive Parameter Estimation for Sensorless Control of IPMSM. Energies 2020, 13, 5991. [Google Scholar] [CrossRef]
 - An, Q.; An, Q.; Liu, X.; Zhang, J.; Bi, K. Improved Sliding Mode Observer for Position Sensorless Control of Permanent Magnet Synchronous Motor. In Proceedings of the 2018 IEEE Transportation Electrification Conference and Expo, Asia-Pacific (ITEC Asia-Pacific), Bangkok, Thailand, 6–9 June 2018; pp. 1–7. [Google Scholar]
 - Wu, R.; Slemon, G.R. A permanent magnet motor drive without a shaft sensor. IEEE Trans. Ind. Appl. 1991, 27, 1005–1011. [Google Scholar] [CrossRef]
 - Ogasawara, S.; Akagi, H. An approach to position sensorless drive for brushless DC motors. IEEE Trans. Ind. Appl. 1991, 27, 928–933. [Google Scholar] [CrossRef]
 - Lee, K.-W.; Kim, D.-K.; Kim, B.-T.; Kwon, B.-I. A Novel Starting Method of the Surface Permanent-Magnet BLDC Motors Without Position Sensor for Reciprocating Compressor. IEEE Trans. Ind. Appl. 2008, 44, 85–92. [Google Scholar] [CrossRef]
 - Itoh, J.-I.; Nomura, N.; Ohsawa, H. A comparison between V/f control and position-sensorless vector control for the permanent magnet synchronous motor. In Proceedings of the Proceedings of the Power Conversion Conference-Osaka 2002 (Cat. No.02TH8579), Osaka, Japan, 2–5 April 2002; IEEE: New York, NY, USA, 2002; Volume 3, pp. 1310–1315. [Google Scholar]
 - Perera, P.D.C.; Blaabjerg, F.; Pedersen, J.K.; Thogersen, P. A sensorless, stable V/f control method for permanent-magnet synchronous motor drives. IEEE Trans. Ind. Appl. 2003, 39, 783–791. [Google Scholar] [CrossRef]
 - Elman, J.L. Finding structure in time. Cogn. Sci. 1990, 14, 179–211. [Google Scholar] [CrossRef]
 - Sastry, P.S.; Santharam, G.; Unnikrishnan, K.P. Memory neuron networks for identification and control of dynamical systems. IEEE Trans. Neural Netw. 1994, 5, 306–319. [Google Scholar] [CrossRef] [PubMed] [Green Version]
 - Cacciola, M.; Megali, G.; Pellicanó, D.; Morabito, F.C. Elman neural networks for characterizing voids in welded strips: A study. Neural Comput. Appl. 2012, 21, 869–875. [Google Scholar] [CrossRef]
 - Wan, W.; Xu, H.; Zhang, W.; Hu, X.; Deng, G. Questionnaires-based skin attribute prediction using Elman neural network. Neurocomputing 2011, 74, 2834–2841. [Google Scholar] [CrossRef]
 - Bhushan, B.; Singh, M.; Hage, Y. Identification and control using MLP, Elman, NARXSP and radial basis function networks: A comparative analysis. Artif. Intell. Rev. 2012, 37, 133–156. [Google Scholar] [CrossRef]
 - Alhmoud, L.; Nawafleh, Q. Short-Term Load Forecasting for Jordan Power System Based on NARX-ELMAN Neural Network and ARMA Model. IEEE Can. J. Electr. Comput. Eng. 2021, 44, 356–363. [Google Scholar] [CrossRef]
 - Kamanditya, B.; Kusumoputro, B. Elman Recurrent Neural Networks Based Direct Inverse Control for Quadrotor Attitude and Altitude Control. In Proceedings of the 2020 International Conference on Intelligent Engineering and Management (ICIEM), London, UK, 17–19 June 2020; pp. 39–43. [Google Scholar]
 - Jia, W.; Zhao, D.; Shen, T.; Tang, Y.; Zhao, Y. Study on Optimized Elman Neural Network Classification Algorithm Based on PLS and CA. Comput. Intell. Neurosci. 2014, 2014, e724317. [Google Scholar] [CrossRef]
 - Al-Jamali, N.A.S.; Al-Raweshidy, H.S. Modified Elman Spike Neural Network for Identification and Control of Dynamic System. IEEE Access 2020, 8, 61246–61254. [Google Scholar] [CrossRef]
 - Li, P.; Chi, Q.; Wan, K.; Zhang, X.; Yang, C.; Wang, S. Intelligent Substation Communication Network Traffic Predicting Based on Improved Elman Neural Network. In Proceedings of the 2019 3rd International Conference on Electronic Information Technology and Computer Engineering (EITCE), Xiamen, China, 18–19 October 2019; pp. 1841–1845. [Google Scholar]
 - Kung, Y.-S.; Risfendra, R.; Lin, Y.-D.; Huang, L.-C. FPGA-realization of a sensorless speed controller for PMSM drives using novel sliding mode observer. Microsyst. Technol. 2018, 24, 79–93. [Google Scholar] [CrossRef]
 - Lu, Q.; Quan, L.; Zhu, X.; Zuo, Y.; Wu, W. Improved Sliding Mode Observer for Position Sensorless Open-Winding Permanent Magnet Brushless Motor Drives. Prog. Electromagn. Res. M 2019, 77, 147–156. [Google Scholar] [CrossRef] [Green Version]
 - Motor Control Blockset Documentation. Available online: https://www.mathworks.com/help/releases/R2021a/mcb/index.html (accessed on 21 November 2021).
 - Nicola, C.-I.; Nicola, M.; Selișteanu, D. Sensorless Control of PMSM Based on Backstepping-PSO-Type Controller and ESO-Type Observer Using Real-Time Hardware. Electronics 2021, 10, 2080. [Google Scholar] [CrossRef]
 - Mitchell, T.M. Machine Learning; McGraw Hill: New York, NY, USA, 1997. [Google Scholar]
 - Per-Unit System-MATLAB & Simulink. Available online: https://www.mathworks.com/help/mcb/gs/per-unit-system.html (accessed on 16 December 2021).
 


















| Parameter | Value | Parameter | Value | 
|---|---|---|---|
| Flux | 0.0064 Wb | Rated Speed | 3000 rpm | 
| ) | 0.2 mH | Rated Voltage | 24 V | 
| ) | 0.36 Ohm | Rated Current | 7.1 A | 
| ) | 7.06 × 10−6 Kg∙m2 | Rated Torque | 0.27 Nm | 
| ) | 2.64 × 10−5 Kg∙m2/s | Pole Pair | 4 Pairs | 
| Speed (PU) | Speed (rpm) | Electrical Rotation Time (s) | Mechanical Rotation Time (s) | Speed Response (rpm) | Error rpm (%) | 
|---|---|---|---|---|---|
| 0.18 | 738 | 0.0203 | 0.0812 | 738.92 | 0.12 | 
| 0.32 | 1312 | 0.0114 | 0.0456 | 1315.79 | 0.29 | 
| 0.48 | 1968 | 0.0076 | 0.0304 | 1973.68 | 0.29 | 
| 0.65 | 2665 | 0.0056 | 0.0224 | 2678.57 | 0.51 | 
| Speed (PU) | Speed (rpm) | Electrical Rotation Time (s) | Mechanical Rotation Time (s) | Speed Response (rpm) | Error rpm (%) | 
|---|---|---|---|---|---|
| 0.15 | 615 | 0.026 | 0.104 | 576.92 | 6.19 | 
| 0.25 | 1025 | 0.015 | 0.060 | 1000.00 | 2.44 | 
| 0.45 | 1845 | 0.008 | 0.032 | 1875.00 | 1.63 | 
| 0.65 | 2665 | 0.006 | 0.024 | 2500.00 | 6.19 | 
Publisher’s Note: MDPI stays neutral with regard to jurisdictional claims in published maps and institutional affiliations.  | 
© 2022 by the authors. Licensee MDPI, Basel, Switzerland. This article is an open access article distributed under the terms and conditions of the Creative Commons Attribution (CC BY) license (https://creativecommons.org/licenses/by/4.0/).
Share and Cite
Putra, D.S.; Chen, S.-C.; Khong, H.-H.; Cheng, F. Design and Implementation of a Machine-Learning Observer for Sensorless PMSM Drive Control. Appl. Sci. 2022, 12, 2963. https://doi.org/10.3390/app12062963
Putra DS, Chen S-C, Khong H-H, Cheng F. Design and Implementation of a Machine-Learning Observer for Sensorless PMSM Drive Control. Applied Sciences. 2022; 12(6):2963. https://doi.org/10.3390/app12062963
Chicago/Turabian StylePutra, Dwi Sudarno, Seng-Chi Chen, Hoai-Hung Khong, and Fred Cheng. 2022. "Design and Implementation of a Machine-Learning Observer for Sensorless PMSM Drive Control" Applied Sciences 12, no. 6: 2963. https://doi.org/10.3390/app12062963
APA StylePutra, D. S., Chen, S.-C., Khong, H.-H., & Cheng, F. (2022). Design and Implementation of a Machine-Learning Observer for Sensorless PMSM Drive Control. Applied Sciences, 12(6), 2963. https://doi.org/10.3390/app12062963
        
                                                
