Maximum Power Extraction from a Standalone Photo Voltaic System via Neuro-Adaptive Arbitrary Order Sliding Mode Control Strategy with High Gain Differentiation
Abstract
:1. Introduction
2. PV System Modeling
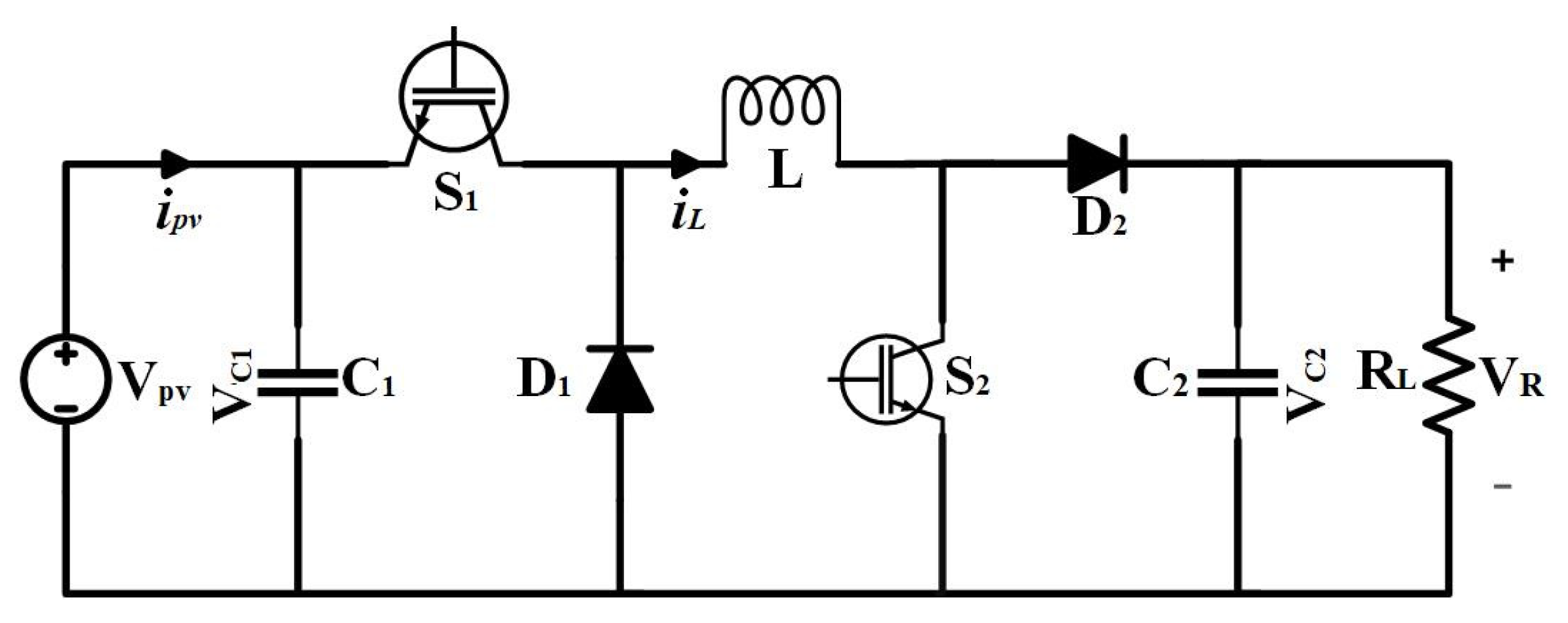
3. Modeling of Non-Inverted DC-DC Buck-Boost Topology of Converter
- Diodes and switches are considered ideal, i.e., losses are negligible.
- Converter operation is considered in continuous conduction mode (CCM).
- CCM have two switching intervals in the. The assumption for the first interval is that two switches are turned on, diodes are operating in reverse biased, and the inductor is charging from PV voltage.
4. Proposed Control Strategy for Maximum Power Extraction
4.1. Reference Voltage Trajectory via FFNN
FFNN Simulation Results
4.2. Arbitrary Order Sliding Mode Control Design
Stability Analysis
4.3. States Estimation via High Gain Differentiator
5. Simulation Results and Discussion
5.1. Results under Varying Irradiance
5.2. Results under Varying outdoor Temperature
5.3. Comparison Results under Varying Irradiance
5.4. Comparison Results under Varying Temperature
6. Conclusions
Author Contributions
Funding
Institutional Review Board Statement
Informed Consent Statement
Data Availability Statement
Acknowledgments
Conflicts of Interest
References
- Irfan, M.; Iqbal, J.; Iqbal, A.; Iqbal, Z.; Riaz, R.A.; Mehmood, A. Opportunities and challenges in the control of smart grids-Pakistani perspective. Renew. Sustain. Energy Rev. 2017, 71, 652–674. [Google Scholar] [CrossRef]
- Mohamed, M.A.; Eltamaly, A.M.; Alolah, A.L. PSO-based smart grid application for sizing and optimization of hybrid renewable energy systems. PLoS ONE 2016, 11, e0159702. [Google Scholar] [CrossRef] [PubMed]
- Iqbal, J.; Khan, Z.H. The potential role of renewable energy sources in robot’s power system: A case study of Pakistan. Renew. Sustain. Energy Rev. 2017, 75, 106–122. [Google Scholar] [CrossRef]
- Reisi, A.R.; Moradi, M.H.; Jamasb, S. Classification and comparison of maximum power point tracking techniques for photovoltaic system: A review. Renew. Sustain. Energy Rev. 2013, 19, 433–443. [Google Scholar] [CrossRef]
- Pandya, R.; Vardia, M. Grid-connected PV system with MPPT control and P&O technique. Int. J. Adv. Res. Innov. Ideas Educ. 2016, 2, 530–534. [Google Scholar]
- Zhou, S.; Kang, L.; Sun, J.; Guo, G.; Cheng, B.; Cao, B.; Tang, Y. A novel maximum power point tracking algorithms for standalone photovoltaic system. Int. J. Control Autom. Syst. 2011, 8, 1364–1371. [Google Scholar] [CrossRef]
- Jena, S.; Sahoo, S.; Panigrahi, C.K. Effect of irradiance onyield factor of solar photovoltaic plant-A case study. In Proceedings of the 2017 International Conference on Innovative Mechanisms for Industry Applications (ICIMIA), Bangalore, India, 21–23 February 2017; pp. 597–601. [Google Scholar]
- Razak, A.; Yusoff, M.I.; Zhe, L.W.; Irwanto, M.; Ibrahim, S.; Zhafarina, M. Investigation of the Effect Temperature on Photovoltaic (PV) Panel Output Performance. Int. J. Adv. Sci. Eng. Inf. Technol. 2016, 6, 682–688. [Google Scholar] [CrossRef]
- Martin, A.D.; Cano, J.M.; Silva, J.F.; Vazquez, J.R. Backstepping Control of Smart Grid-Connected Distributed Photovoltaic Power Supplies for Telecom Equipment. IEEE Trans. Energy Convers. 2015, 30, 1496–1504. [Google Scholar] [CrossRef]
- Kollimalla, S.K.; Mishra, M.K. Variable Perturbation Size Adaptive P&O MPPT Algorithm for Sudden Changes in Irradiance. IEEE Trans. Sustain. Energy 2014, 5, 718–728. [Google Scholar]
- Bhatnagar, P.; Nema, R. Maximum power point tracking control techniques: State-of-the-art in photovoltaic applications. Renew. Sustain. Energy Rev. 2013, 23, 224–241. [Google Scholar] [CrossRef]
- Loukriz, A.; Haddadi, M.; Messalti, S. Simulation and experimental design of a new advanced variable step size Incremental Conductance MPPT algorithm for PV systems. ISA Trans. 2016, 62, 30–38. [Google Scholar] [CrossRef] [PubMed]
- Subudhi, B.; Pradhan, R. A Comparative Study on Maximum Power Point Tracking Techniques for Photovoltaic Power Systems. IEEE Trans. Sustain. Energy 2013, 4, 89–98. [Google Scholar] [CrossRef]
- Elgendy, M.A.; Zahawi, B.; Atkinson, D.J. Assessment of the Incremental Conductance Maximum Power Point Tracking Algorithm. IEEE Trans. Sustain. Energy 2013, 4, 108–117. [Google Scholar] [CrossRef]
- Cristaldi, L.; Faifer, M.; Rossi, M.; Toscani, S. An Improved Model-Based Maximum Power Point Tracker for Photovoltaic Panels. IEEE Trans. Instrum. Meas. 2014, 63, 63–71. [Google Scholar] [CrossRef]
- Das, P. Maximum Power Tracking Based Open Circuit Voltage Method for PV System. Energy Procedia 2016, 90, 2–13. [Google Scholar] [CrossRef]
- Kamarzaman, N.A.; Tan, C.W. A comprehensive review of maximum power point tracking algorithms for photovoltaic systems. Renew. Sustain. Energy Rev. 2014, 37, 585–598. [Google Scholar] [CrossRef]
- Masoum, M.A.; Dehbonei, H.; Fuchs, E.F. Theoretical and experimental analyses of photovoltaic systems with voltage and current-based maximum power-point tracking. IEEE Trans. Energy Convers. 2002, 17, 514–522. [Google Scholar] [CrossRef] [Green Version]
- Banyoucef, A.S.; Chouder, A.; Kara, K.; Silvestre, S.; Sahed, O.A. Artificial bee colony based algorithm for maximum power point tracking (MPPT) for PV systems operating under partial shaded conditions. Appl. Soft Comput. 2015, 32, 38–48. [Google Scholar] [CrossRef] [Green Version]
- Liu, Y.H.; Huang, S.C.; Huang, J.W.; Liang, W.C. A Particle Swarm Optimization-Based Maximum Power Point Tracking Algorithm for PV Systems Operating Under Partially Shaded Conditions. IEEE Trans. Energy Convers. 2012, 27, 1027–1035. [Google Scholar] [CrossRef]
- Ahmed, J.; Salam, Z. A Maximum Power Point Tracking (MPPT) for PV system using Cuckoo Search with partial shading capability. Appl. Energy 2014, 119, 118–130. [Google Scholar] [CrossRef]
- Daraban, S.; Petreus, D.; Morel, C. A novel MPPT (maximum power point tracking) algorithm based on a modified genetic algorithm specialized on tracking the global maximum power point in photovoltaic systems affected by partial shading. Energy 2014, 74, 374–388. [Google Scholar] [CrossRef]
- Liu, Y.H.; Liu, C.L.; Huang, J.W.; Chen, J.H. Neural-network-based maximum power point tracking methods for photovoltaic systems operating under fast changing environments. Sol. Energy 2013, 89, 42–53. [Google Scholar] [CrossRef]
- Bounechba, H.; Bouzid, A.; Nebti, K.; Benalla, H. Comparison of Perturb & Observe and Fuzzy Logic in Maximum Power Point Tracker for PV Systems. Energy Procedia 2014, 50, 677–684. [Google Scholar]
- Guenounou, O.; Dahhou, B.; Chabour, F. Adaptive fuzzy controller based MPPT for photovoltaic systems. Energy Convers. Manag. 2014, 78, 843–850. [Google Scholar] [CrossRef]
- Ullah, S.; Khan, Q.; Mehmood, A.; Kirmani, S.A.M.; Mechali, O. Neuro-adaptive fast integral terminal sliding mode control design with variable gain robust exact differentiator for under-actuated quadcopter UAV. ISA Trans. 2022, 120, 293–304. [Google Scholar] [CrossRef]
- Ullah, S.; Khan, Q.; Mehmood, A.; Bhatti, A.I. Backstepping based sliding mode control for a class of under-actuated electro-mechanical nonlinear systems: Application to the cart-pendulum. J. Electr. Eng. Technol. 2020, 15, 1821–1828. [Google Scholar] [CrossRef]
- Naghmash; Armghan, H.; Ahmad, I.; Armghan, A.; Khan, S.; Arsalan, M. Backstepping based nonlinear control for maximum power point tracking in photovoltaic system. Sol. Energy 2018, 159, 134–141. [Google Scholar] [CrossRef]
- Ali, K.; Khan, L.; Khan, Q.; Ullah, S.; Ahmad, S.; Mumtaz, S.; Karam, F.W.; Naghmash. Robust Integral Backstepping Based Nonlinear MPPT Control for a PV System. Energies 2019, 12, 3180. [Google Scholar] [CrossRef] [Green Version]
- Ullah, S.; Mehmood, A.; Khan, Q.; Rehman, S.; Iqbal, J. Robust Integral Sliding Mode Control Design for Stability Enhancement of Under-actuated Quadcopter. Int. J. Control Autom. Syst. 2020, 18, 1671–1678. [Google Scholar] [CrossRef]
- Muhammad, F.F.; Yahya, M.Y.; Hameed, S.S.; Aziz, F.; Sulaiman, K.; Rasheed, M.A.; Ahmad, Z. Employment of single-diode model to elucidate the variations in photovoltaic parameters under different electrical and thermal conditions. PLoS ONE 2017, 12, e0182925. [Google Scholar]
- Bellia, H.; Youcef, R.; Fatima, M. A detailed modeling of photovoltaic module using MATLAB. NRIAG J. Astron. Geophys. 2014, 3, 53–61. [Google Scholar] [CrossRef] [Green Version]
- Roslan, M.F.; Al-Shtewi, A.Q.; Hannan, M.A.; Ker, P.J.; Zuhdi, A.W.M. Particle swarm optimization algorithm-based PI inverter controller for a grid-connected PV system. PLoS ONE 2020, 15, e0243581. [Google Scholar] [CrossRef] [PubMed]
- Arango, E.; Ramos-Paja, C.A.; Calvente, J.; Giral, R.; Serna-Garces, S.I. Asymmetrical Interleaved DC/DC switching converters for photovoltaic and fuel cell applications-part 2: Control-oriented models. Energies 2013, 6, 5570–5596. [Google Scholar] [CrossRef]
- Robles-Algarin, C.; Hernandez, D.S.; Viloria-Porto, Y.J. Design and implementation of a four switch buck-boost converter for off-grid pv applications. Int. J. Energy Convers. 2020, 8, 190–199. [Google Scholar] [CrossRef]
- Omar, M.A.; Mahmoud, M. Design and simulation of DC/DC boost converter with maximum power point tracking for grid connected PV inverter considering the nonlinearity of the PV generator. Int. J. Energy Convers. 2019, 7, 241–252. [Google Scholar] [CrossRef]
- Gaboriault, M.; Notman, A. A high efficiency, non-inverting, buck-boost DC-DC converter. In Proceedings of the Annual IEEE Applied Power Electronics Conference and Exposition, Anaheim, CA, USA, 22–26 February 2004; pp. 1411–1415. [Google Scholar]
- Shiau, J.-K.; Al-Shtewi, A.Q.; Hannan, M.A.; Ker, P.J.; Cheng, C.-J. Design of a non-inverting synchronous buck-boost DC/DC power converter with moderate power level. Robot. Comput. Integr. Manuf. 2010, 26, 263–267. [Google Scholar] [CrossRef]
- Selvakumar, S.; Madhusmita, M.; Koodalsamy, C.; Simon, S.P.; Sood, Y.R. High-Speed Maximum Power Point Tracking Module for PV Systems. IEEE Trans. Ind. Electron. 2019, 66, 1119–1129. [Google Scholar] [CrossRef]
- Wens, M.; Steyaert, M. Design and Implementation of Fully-Integrated Inductive DC-DC Converters in Standard CMOS; Springer Science & Business Media: Berlin/Heidelberg, Germany, 2011. [Google Scholar]
- Hagan, M.T.; Demuth, H.B.; Beale, M.H.; Jesus, O.D. Neural Network Design; PWS Publishing Co.: Boston, MA, USA, 1996; Volume 20. [Google Scholar]
- Vesiljevic, L.K.; Khalil, H.K. Differentiation with High-Gain observers the presence of measurement noise. In Proceedings of the 45th IEEE Conference on Decision and Control, San Diego, CA, USA, 13–15 December 2006. [Google Scholar]




















| Techniques | Advantages | Disadvantages | 
|---|---|---|
| Conventional | Simple and inexpensive | Oscillatory voltage around the point of maximum power. Time to reach the MPP might be slow under changing conditions. | 
| Bio-inspired | They show low converging time compared to conventional techniques. To resolve the MPPT problems, they are effective in controlling the system’s non-linearities | These techniques need many parameters, such as crossover rate, mutation size and chromosome selection, whose estimation is difficult. | 
| Artificial Intelligence (AI) | These techniques have fast tracking speed and low computation requirement. | ⊊ Require a large memory size and need more time of training to track MPP. | 
| Nonlinear Controllers | ⊊ These techniques are efficient in tracking of MPP. They are robust in extracting maximum power under changing atmospheric conditions. | When implementing these techniques, a significant overshoot and steady-state error has been observed. | 
| Parameters | Value | Unit | 
|---|---|---|
| No. of cells per module | 72 | – | 
| Open circuit voltage | 165.8 | V | 
| Short circuit current | 17.56 | A | 
| Max. power | 1555 | W | 
| Voltage at MPP | 102.6 | V | 
| Current at MPP | 15.16 | A | 
| Parameters | Value | Unit | 
|---|---|---|
| Constant | – | |
| Constant | – | |
| Gain | – | |
| Gain | – | |
| Constant | – | |
| Constant | – | |
| Output capacitor | mF | |
| Input capacitor | mF | |
| Inductor | mH | |
| Load | 
| Publisher’s Note: MDPI stays neutral with regard to jurisdictional claims in published maps and institutional affiliations. | 
© 2022 by the authors. Licensee MDPI, Basel, Switzerland. This article is an open access article distributed under the terms and conditions of the Creative Commons Attribution (CC BY) license (https://creativecommons.org/licenses/by/4.0/).
Share and Cite
Anjum, M.B.; Khan, Q.; Ullah, S.; Hafeez, G.; Fida, A.; Iqbal, J.; Albogamy, F.R. Maximum Power Extraction from a Standalone Photo Voltaic System via Neuro-Adaptive Arbitrary Order Sliding Mode Control Strategy with High Gain Differentiation. Appl. Sci. 2022, 12, 2773. https://doi.org/10.3390/app12062773
Anjum MB, Khan Q, Ullah S, Hafeez G, Fida A, Iqbal J, Albogamy FR. Maximum Power Extraction from a Standalone Photo Voltaic System via Neuro-Adaptive Arbitrary Order Sliding Mode Control Strategy with High Gain Differentiation. Applied Sciences. 2022; 12(6):2773. https://doi.org/10.3390/app12062773
Chicago/Turabian StyleAnjum, Muhammad Bilal, Qudrat Khan, Safeer Ullah, Ghulam Hafeez, Adnan Fida, Jamshed Iqbal, and Fahad R. Albogamy. 2022. "Maximum Power Extraction from a Standalone Photo Voltaic System via Neuro-Adaptive Arbitrary Order Sliding Mode Control Strategy with High Gain Differentiation" Applied Sciences 12, no. 6: 2773. https://doi.org/10.3390/app12062773
APA StyleAnjum, M. B., Khan, Q., Ullah, S., Hafeez, G., Fida, A., Iqbal, J., & Albogamy, F. R. (2022). Maximum Power Extraction from a Standalone Photo Voltaic System via Neuro-Adaptive Arbitrary Order Sliding Mode Control Strategy with High Gain Differentiation. Applied Sciences, 12(6), 2773. https://doi.org/10.3390/app12062773
 
         
                                                



 
       