Design and Experiment of Magnetic Antenna Vibration and Noise Reduction System
Abstract
:Featured Application
Abstract
1. Introduction
2. Demand Analysis of Vibration Reduction
3. Analysis and Design of Damping System
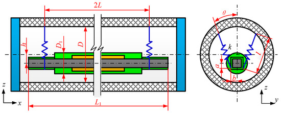
3.1. Principle Model of Vibration Damping System and Matching Analysis of Main Parameters
3.2. Identification of Mechanical Characteristic Parameters of Silicone Rubber Elastic Elements
- The silicone rubber strip must have sufficient load-bearing capacity. In other words, the tensile stress cannot be too large, which means that the cross-sectional size of the silicone rubber strip cannot be too small;
- There is a nonlinear relationship between the deformation of the silicone rubber strip and the stress it is subjected to. Knowing that the antenna and the mounting base satisfy minimum spacing constraint in the static equilibrium state, the stress-strain relationship is required to reverse the initial free length and section size of the silicone rubber strip;
- The static stiffness and dynamic stiffness of the silicone rubber strip are quite different, while the damping performance depends on its dynamic stiffness. Therefore, the precise design of the vibration damping performance needs to be based on the relationship between its dynamic stiffness and stress.
3.3. Design and Performance Analysis of Vibration Damping System for Silicone Rubber Strip
4. Test Verification and Analysis
4.1. Dynamic Simulation Test
- Install the magnetic antenna damping system on the shaking table, and use the pressure plate to compact the four supports;
- Set the test conditions according to the vibration level of the magnetic antenna installation platform, the range of vibration frequency is from 5 Hz to 200 Hz, the acceleration is 1 g, and the vibration mode is random vibration;
- Arrange an acceleration sensor on the antenna end, and obtain the vibration response parameters on the antenna in real time through a signal analyzer.
4.2. Function Comparison Test
- Install a single magnetic antenna and a magnetic antenna with a vibration damping system on two base surfaces with good vibration consistency, and compare the ambient electromagnetic noise received by the two antennas without vibration;
- The acceleration sensors are respectively arranged on the shell of the magnetic antenna damping system and antenna, then use the vibration shaker to apply the same size of excitation to the two base mesa, respectively. Analyze and process acceleration sensor feedback data, and calculate the attenuation rate of vibration from the housing to the antenna;
- Compare the ambient electromagnetic noise received by the two magnetic antennas with and without vibration reduction to verify whether the vibration reduction system meets the requirements. The test layout is shown in Figure 11.
5. Conclusions
Author Contributions
Funding
Institutional Review Board Statement
Informed Consent Statement
Data Availability Statement
Conflicts of Interest
References
- Hansen, R. Radiation and reception with buried and submerged antennas. IRE Trans. Antennas Propag. 1963, 11, 207–216. [Google Scholar] [CrossRef]
- Ying, W.; Jiang, Y.; Liu, Y.; Li, P. A blind detector for Rayleigh flat-fading channels with non-Gaussian interference via the particle learning algorithm. AEU-Int. J. Electron. Commun. 2013, 67, 1068–1071. [Google Scholar] [CrossRef]
- Manning, J.E. Vibration and Strain-Induced Noise from the Elf Flexible Loop Antenna; Massachusetts Institute of Technology: Lexington, KY, USA, 1971; pp. 1–31. [Google Scholar]
- Burrows, M. Motion-Induced Noise in Electrode-Pair Extremely Low Frequency (ELF) Receiving Antennas. IEEE Trans. Commun. 1974, 22, 540–542. [Google Scholar] [CrossRef]
- Burrows, M.L. Strain-Gage Vibration Measurements on a Submarine—Towed Antenna Cable; Defense Technical Information Center (DTIC): Fort Belvoir, HI, USA, 1975; pp. 1–36.
- Zhu, S.H.; Zhu, X.S.; Lin, H.W.; Hu, H. Research on Lateral Vibration and Vibration-induced Electromagnetic Noise of Underwater Electric Field Antenna. Acta Armamentarii 2014, 35, 1060–1064. [Google Scholar]
- Lin, F.; Zheng, H.; Xiang, B.; Xu, R.; Jiang, W.; Lang, L. Vibration-Induced Noise in Extremely Low Frequency Magnetic Receiving Antennas. IEEE Antennas Wirel. Propag. Lett. 2021, 20, 913–917. [Google Scholar] [CrossRef]
- Ibrahim, R. Recent advances in nonlinear passive vibration isolators. J. Sound Vib. 2008, 314, 371–452. [Google Scholar] [CrossRef]
- Liu, C.; Jing, X.; Daley, S.; Li, F. Recent advances in micro-vibration isolation. Mech. Syst. Signal Process. 2015, 56–57, 55–80. [Google Scholar] [CrossRef]
- Ji, J.; Luo, Q.; Ye, K. Vibration control based metamaterials and origami structures: A state-of-the-art review. Mech. Syst. Signal Process. 2021, 161, 107945. [Google Scholar] [CrossRef]
- Li, L.; Wang, L.; Yuan, L.; Zheng, R.; Wu, Y.; Sui, J.; Zhong, J. Micro-vibration suppression methods and key technologies for high-precision space optical instruments. Acta Astronaut. 2021, 180, 417–428. [Google Scholar] [CrossRef]
- Sun, X.; Jing, X. Analysis and design of a nonlinear stiffness and damping system with a scissor-like structure. Mech. Syst. Signal Process. 2016, 66, 723–742. [Google Scholar] [CrossRef] [Green Version]
- Zhou, J.; Wang, X.; Xu, D.; Bishop, S. Nonlinear dynamic characteristics of a quasi-zero stiffness vibration isolator with cam–roller–spring mechanisms. J. Sound Vib. 2015, 346, 53–69. [Google Scholar] [CrossRef]
- Jing, X.; Zhang, L.; Feng, X.; Sun, B.; Li, Q. A novel bio-inspired anti-vibration structure for operating hand-held jackhammers. Mech. Syst. Signal Process. 2019, 118, 317–339. [Google Scholar] [CrossRef]
- Wang, Y.; Jing, X.; Guo, Y. Nonlinear analysis of a bio-inspired vertically asymmetric isolation system under different structural constraints. Nonlinear Dyn. 2019, 95, 445–464. [Google Scholar] [CrossRef]
- Shan, Y.; Wu, W.; Chen, X. Design of a Miniaturized Pneumatic Vibration Isolator With High-Static-Low-Dynamic Stiffness. J. Vib. Acoust. 2015, 137, 045001. [Google Scholar] [CrossRef]
- Wu, J.; Zeng, L.; Han, B.; Zhou, Y.; Luo, X.; Li, X.; Chen, X.; Jiang, W. Analysis and design of a novel arrayed magnetic spring with high negative stiffness for low-frequency vibration isolation. Int. J. Mech. Sci. 2022, 216, 106980. [Google Scholar] [CrossRef]
- Kong, J.A. Electromagnetic Wave Theory; EMW Publishing: Cambridge, MA, USA, 2008. [Google Scholar]
- Wittenburg, J. Dynamics of Multibody Systems, 2nd ed.; Springer: Berlin, Germany, 2008; pp. 22–35. [Google Scholar]
- Jiang, W.; Chen, X.D.; Luo, X.; Hu, Y.T.; Hu, H.P. Vibration Calculation of Spatial Multibody Systems Based on Constraint-Topology Transformation. J. Mech. 2011, 27, 479–491. [Google Scholar] [CrossRef]
- Ogden, R.W. Large Deformation Isotropic Elasticity: On the Correlation of Theory and Experiment for Compressible Rubberlike Solids. Proc. R. Soc. Lond. A 1972, 328, 567–583. [Google Scholar] [CrossRef]













| Physical Quantity | Symbol | Unit | Value |
|---|---|---|---|
| Length of the antenna coil | l | m | 0.512 |
| Magnetic core permeability | μ | / | 1 × 10 6 |
| Number of turns | n | / | 32,000 |
| Cross-sectional area | S | m2 | 2.52 × 10−3 |
| Strength of geomagnetic field | Hearth | guass | 0.3 |
| Concerned frequency | f | Hz | 60 |
| Magnetic field strength | B | T | 30 |
| Maximum induced electromotive force | εmax | V | 0.00016 |
| Maximum vibration acceleration | Amax | g | to be determined |
| Physical Quantity | Symbol | Unit | Value |
|---|---|---|---|
| Antenna quality | m | kg | 6.50 |
| Moment of inertia of antenna | Iyy = I | kgm2 | 0.348 |
| Diameter of antenna | D1 | m | 0.06 |
| length of antenna | L1 | m | 0.80 |
| The vertical distance between the damping fixed point and the center of the antenna | a | m | 0.018 |
| The lateral distance between the damping fixed point and the center of the antenna | b | m | 0.036 |
| The axial distance between the damping fixed point and the center of the antenna | L | m | |
| Diameter of the distribution circle of the vibration damping fixed point on the mounting base | D | m | 0.15 |
| The minimum distance between the antenna and the inner wall of the base in the static balance state | δ | m | |
| The height difference between the antenna and the center of the base in the static balance state | h | m | |
| The angle between the elastic element and the vertical profile in the static balance state | θ | deg | to be determined |
| The length of the elastic element in static balance state | l | m | |
| The stiffness of the elastic element | k | N/m | to be determined |
Publisher’s Note: MDPI stays neutral with regard to jurisdictional claims in published maps and institutional affiliations. |
© 2022 by the authors. Licensee MDPI, Basel, Switzerland. This article is an open access article distributed under the terms and conditions of the Creative Commons Attribution (CC BY) license (https://creativecommons.org/licenses/by/4.0/).
Share and Cite
Jiang, S.; Shuai, C.; Jiang, W.; Huang, L.; Zheng, H.; Yuan, C. Design and Experiment of Magnetic Antenna Vibration and Noise Reduction System. Appl. Sci. 2022, 12, 2450. https://doi.org/10.3390/app12052450
Jiang S, Shuai C, Jiang W, Huang L, Zheng H, Yuan C. Design and Experiment of Magnetic Antenna Vibration and Noise Reduction System. Applied Sciences. 2022; 12(5):2450. https://doi.org/10.3390/app12052450
Chicago/Turabian StyleJiang, Sijie, Changgeng Shuai, Wei Jiang, Linmin Huang, Huan Zheng, and Chengren Yuan. 2022. "Design and Experiment of Magnetic Antenna Vibration and Noise Reduction System" Applied Sciences 12, no. 5: 2450. https://doi.org/10.3390/app12052450
APA StyleJiang, S., Shuai, C., Jiang, W., Huang, L., Zheng, H., & Yuan, C. (2022). Design and Experiment of Magnetic Antenna Vibration and Noise Reduction System. Applied Sciences, 12(5), 2450. https://doi.org/10.3390/app12052450

