State-Space Modeling and Analysis for an Inverter-Based Intelligent Microgrid under Parametric Uncertainty
Abstract
1. Introduction
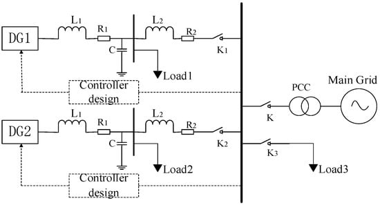
2. Problem Description and Model Analysis
2.1. A Configuration of PLL
2.2. State Space Model
2.3. Bounded Analysis
3. Controller Design
4. Simulation Results
5. Conclusions
Author Contributions
Funding
Data Availability Statement
Acknowledgments
Conflicts of Interest
References
- Bimarta, R.; Tran, T.V.; Kim, K. Frequency-Adaptive Current Controller Design Based on LQR State Feedback Control for a Grid-Connected Inverter under Distorted Grid. Energies 2018, 11, 2674. [Google Scholar] [CrossRef]
- Buduma, P.; Panda, G. Robust nested loop control scheme for LCL-filtered inverter-based DG unit in grid-connected and islanded modes. IET Renew. Power Gener. 2018, 12, 1269–1285. [Google Scholar] [CrossRef]
- Li, Q.; Wolfs, P. A Review of the Single Phase Photovoltaic Module Integrated Converter Topologies with Three Different DC Link Configurations. IEEE Trans. Power Electron. 2008, 23, 1320–1333. [Google Scholar]
- Kolar, J.K.; Drofenik, U.; Biela, J. PWM Converter Power Density Barriers. Inst. Electr. Eng. 2008, 128, 468–480. [Google Scholar] [CrossRef]
- Khajehoddin, S.A.; Karimi-Ghartemani, M.; Ebrahimi, M. Optimal and Systematic Design of Current Controller for Grid-Connected Inverters. IEEE J. Emerg. Sel. Top. Power Electron. 2018, 6, 812–824. [Google Scholar] [CrossRef]
- Patarroyo-Montenegro, J.F.; Vasques-Plaza, J.D.; Andrade, F. A State-Space Model of an Inverter-Based Microgrid for Multivariable Feedback Control Analysis and Design. Energies 2020, 13, 3279. [Google Scholar] [CrossRef]
- Paspatis, A.G.; Konstantopoulos, G.C.; Guerrero, J.M. Enhanced Current-Limiting Droop Controller for Grid-Connected Inverters to Guarantee Stability and Maximize Power Injection Under Grid Faults. IEEE Trans. Control. Syst. Technol. 2021, 29, 841–849. [Google Scholar] [CrossRef]
- Yoon, S.J.; Kim, K.H. Multiloop current control for an inductive–capacitive–inductive-filtered grid-connected inverter with frequency-adaptive capability under distorted grid environment. IET Power Electron. 2019, 12, 1521–1531. [Google Scholar] [CrossRef]
- Pulcherio, M.C.; Illindala, M.S.; Yedavalli, R.K. Robust Stability Region of a Microgrid under Parametric Uncertainty Using Bialternate Sum Matrix Approach. IEEE Trans. Power Syst. 2018, 33, 5553–5562. [Google Scholar] [CrossRef]
- Kukkola, J.; Hinkkanen, M. Observer-Based State-Space Current Control for a Three-Phase Grid-Connected Converter Equipped with an LCL Filter. IEEE Trans. Ind. Appl. 2014, 50, 2700–2709. [Google Scholar] [CrossRef]
- Jiang, S.; Cao, D.; Li, Y.; Liu, J.; Peng, F.Z. Low-THD, Fast-Transient, and Cost-Effective Synchronous-Frame Repetitive Controller for Three-Phase UPS Inverters. IEEE Trans. Power Electron. 2012, 27, 2994–3005. [Google Scholar] [CrossRef]
- Sedhom, B.E.; El-Saadawi, M.M.; Elhosseini, M.A.; Saeed, M.A.; Abd-Raboh, E.E. A harmony search-based H-infinity control method for islanded microgrid. ISA Trans. ISA Trans. 2020, 99, 252–269. [Google Scholar] [CrossRef] [PubMed]
- Xia, P.; Shi, H.; Wen, H.; Bu, Q.; Hu, Y.; Yang, Y. Robust LMI-LQR Control for Dual-Active-Bridge DC-DC Converters with High Parameter Uncertainties. IEEE Trans. Transp. Electrif. 2020, 6, 131–145. [Google Scholar] [CrossRef]
- Castilla, M.; Miret, J.; Garcia, L. Linear Current Control Scheme with Series Resonant Harmonic Compensator for Single-Phase Grid-Connected Photovoltaic Inverters. IEEE Trans. Ind. Electron. 2008, 55, 2724–2733. [Google Scholar] [CrossRef]
- Tran, T.V.; Kim, M.; Kim, K.J. Frequency Adaptive Current Control Scheme for Grid-connected Inverter without Grid Voltage Sensors Based on Gradient Steepest Descent Method. Energies 2019, 12, 4266. [Google Scholar] [CrossRef]
- Khalghani, M.R.; Solanki, J.; Solanki, S.K.; Sargolzaei, S. Stochastic Secondary Frequency Control of Islanded Microgrid under Uncertainties. IEEE Syst. J. 2021, 15, 1056–1065. [Google Scholar] [CrossRef]
- Cheng, Z.; Gong, M.; Gao, J.; Li, Z.; Si, J. Research on Virtual Inductive Control Strategy for Direct Current Microgrid with Constant Power Loads. Appl. Sci. 2021, 9, 4449. [Google Scholar] [CrossRef]
- Alhasnawi, B.N.; Jasim, B.H.; Sedhom, B.E. Distributed secondary consensus fault tolerant control method for voltage and frequency restoration and power sharing control in multi-agent microgrid. Int. J. Electr. Power Energy Syst. 2021, 133, 107251. [Google Scholar] [CrossRef]
- Wang, Y.; Li, Y.; Yang, Z.; Cheng, X. An Intelligent Control Strategy for a Highly Reliable Microgrid in Island Mode. Appl. Sci. 2022, 12, 801. [Google Scholar] [CrossRef]
- Mehdi, M.; Jamali, S.Z.; Khan, M.O.; Baloch, S.; Kim, C.H. Robust control of a DC microgrid under parametric uncertainty and disturbances. Electr. Power Syst. Res. 2020, 179, 106074. [Google Scholar] [CrossRef]
- Mohammadhassani, F.; Narm, H.G. Dynamic sliding mode control of single-stage boost inverter with parametric uncertainties and delay. IET Power Electron. 2021, 14, 2127–2138. [Google Scholar] [CrossRef]
- Saleh-Ahmadi, A.; Moattari, M.; Gahedi, A.; Pouresmaeil, E. Droop Method Development for Microgrids Control Considering Higher Order Sliding Mode Control Approach and Feeder Impedance Variation. Appl. Sci. 2021, 11, 967. [Google Scholar] [CrossRef]
- Jiang, X. Quadratic stabilizability and H∞ control of linear discrete-time stochastic uncertain systems. Asian J. Control 2017, 19, 35–46. [Google Scholar] [CrossRef]
- Petersen, I.R. A stabilization algorithm for a class of uncertain linear systems. Syst. Control 1987, 8, 351–357. [Google Scholar] [CrossRef]
- Petersen, I.R.; McFarlane, D.C. Optimal guaranteed cost control and filtering for uncertain linear systems. IEEE Trans. Autom. Control 1994, 39, 1971–1977. [Google Scholar] [CrossRef]
- Burbano-Benavides, D.S.; Ortiz-Sotelo, O.D.; Revelo-Fuelagán, J.; Candelo-Becerra, J.E. Design of an On-Grid Microinverter Control Technique for Managing Active and Reactive Power in a Microgrid. Appl. Sci. 2021, 11, 4765. [Google Scholar] [CrossRef]
- Yang, C.; Yao, W.; Fang, J.; Ai, X.; Chen, Z.; Wen, J.; He, H. Dynamic event-triggered robust secondary frequency control for islanded AC microgrid. Appl. Energy 2019, 242, 821–836. [Google Scholar] [CrossRef]
- Xu, G.; Ma, L. Resilient Self-Triggered Control for Voltage Restoration and Reactive Power Sharing in Islanded Microgrids under Denial-of-Service Attacks. Appl. Sci. 2020, 10, 3780. [Google Scholar] [CrossRef]
- Som, S.; De, S.; Chakrabarti, S.; Sahoo, S.R.; Ghosh, A. A Robust Controller for Battery Energy Storage System of an Islanded AC Microgrid. IEEE Trans. Ind. Inform. 2022, 18, 207–218. [Google Scholar] [CrossRef]
- Tran, Q.T.T.; Sanseverino, E.R.; Zizzo, G.; Silvestre, M.L.D. Real-Time Minimization Power Losses by Driven Primary Regulation in Islanded Microgrids. Energies 2020, 13, 451. [Google Scholar] [CrossRef]
- Merola, A.; Cosentino, C.; Colacino, D.; Amato, F. Optimal control of uncertain nonlinear quadratic systems. Automatica 2017, 83, 345–350. [Google Scholar] [CrossRef]
- Krokavec, D.; Filasová, A. Quadratic Stabilization of Linear Uncertain Positive Discrete-Time Systems. Symmetry 2021, 13, 1725. [Google Scholar] [CrossRef]












| Description | Symbol | Value |
|---|---|---|
| Converter side inductance of filter | 1.83 | |
| Converter side resistance of filter | 0.52 | |
| Grid side inductance of filter | 1.75 | |
| Grid side resistance of filter | 12 | |
| Damping resistance of filter | 0.6 | |
| Capacitance of filter | 270 |
Publisher’s Note: MDPI stays neutral with regard to jurisdictional claims in published maps and institutional affiliations. |
© 2022 by the authors. Licensee MDPI, Basel, Switzerland. This article is an open access article distributed under the terms and conditions of the Creative Commons Attribution (CC BY) license (https://creativecommons.org/licenses/by/4.0/).
Share and Cite
Feng, Y.; Ma, Z. State-Space Modeling and Analysis for an Inverter-Based Intelligent Microgrid under Parametric Uncertainty. Appl. Sci. 2022, 12, 12418. https://doi.org/10.3390/app122312418
Feng Y, Ma Z. State-Space Modeling and Analysis for an Inverter-Based Intelligent Microgrid under Parametric Uncertainty. Applied Sciences. 2022; 12(23):12418. https://doi.org/10.3390/app122312418
Chicago/Turabian StyleFeng, Yiwei, and Zong Ma. 2022. "State-Space Modeling and Analysis for an Inverter-Based Intelligent Microgrid under Parametric Uncertainty" Applied Sciences 12, no. 23: 12418. https://doi.org/10.3390/app122312418
APA StyleFeng, Y., & Ma, Z. (2022). State-Space Modeling and Analysis for an Inverter-Based Intelligent Microgrid under Parametric Uncertainty. Applied Sciences, 12(23), 12418. https://doi.org/10.3390/app122312418

