Influence of Stress Anisotropy on Petrophysical Parameters of Deep and Ultradeep Tight Sandstone
Abstract
1. Introduction
2. Geological Setting
3. Materials and Methods
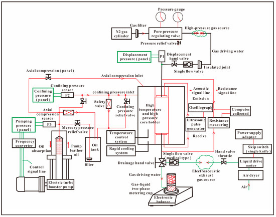
3.1. Experimental Equipment and Experimental Samples
3.2. The Experimental Scheme
3.3. Experimental Equipment and Experimental Samples
- (1)
- Rock physics experiments under the same stress ratio and different confining pressures
- (2)
- Rock physics experiments under different confining pressures and different stress ratios
4. Results and Discussion
4.1. Influence of Water Saturation on Sonic and Electrical Parameters
4.2. Influence of the Stress Ratio on the Sonic and Electrical Parameters
- (1)
- The relationship between the resistivity and stress ratio
- (2)
- The relationship between the P-wave velocity, S-wave velocity, S-wave velocity ratio and stress ratio
4.3. Influence of Burial Depth and Confining Pressure on Sonic and Resistivity Parameters
- (1)
- Rock physics experiments under the same stress ratio and different confining pressures
- (2)
- Rock physics experiments under different confining pressures
4.4. Influence of Axial Compression on Sonic Velocity and Resistivity
5. Conclusions
- (1)
- Rock sonic velocity is extremely sensitive to water saturation under overburden pressure. At ultrasonic frequencies, when the water saturation increases from 0% to 80%, the P-wave velocity increased first and then decreased. When the water saturation continued to increase to 100%, the P-wave velocity increased. Saturation was negatively correlated with S-wave velocity and resistivity. This is because the shear modulus will change with the change in water saturation, which will lead to changes in longitudinal and transverse wave velocity.
- (2)
- Different minerals have different controlling effects on the velocity ratio of S-waves and P-waves in rocks, and quartz content plays the main controlling role, which was negatively correlated with the ratio, followed by feldspar and clay, which were positively correlated with the ratio.
- (3)
- The confining pressure, axial pressure, stress ratio and burial depth were positively correlated with the P-S wave but negatively correlated with the P-S wave ratio. The order of influencing factors were the stress ratio > confining pressure > axial pressure.
- (4)
- In general, the experiment demonstrated the influence mechanism of strong stress on reservoir quality in the Tarim study area, but the experiment was not perfect. The rock surrounding the experiment site was not under true triaxial confining pressure. We simulated the condition of biaxial compression, not true triaxial confining pressure. At the same time, the influence of underground pore pressure was less considered, so as a next step, we will consider the influence of true triaxial compression and underground pore pressure.
Author Contributions
Funding
Institutional Review Board Statement
Informed Consent Statement
Data Availability Statement
Conflicts of Interest
References
- Li, H.; Tang, H.; Qin, Q.; Zhou, J.; Qin, Z.; Fan, C.; Su, P.; Wang, Q.; Zhong, C. Characteristics, formation periods and genetic mechanisms of tectonic fractures in the tight gas sandstones reservoir: A case study of Xujiahe Formation in YB area, Sichuan Basin, China. J. Pet. Sci. Eng. 2019, 178, 723–735. [Google Scholar] [CrossRef]
- Li, J.; Li, H.; Yang, C.; Wu, Y.; Gao, Z.; Jiang, S. Geological Characteristics and Controlling Factors of Deep Shale Gas Enrichment of the Wufeng-Longmaxi Formation in the Southern Sichuan Basin, China. Lithosphere 2022, 2022, 4737801. [Google Scholar] [CrossRef]
- Zhang, H.; Xu, G.; Zhan, H.; Li, X.; He, J. Simulation of multi-period paleotectonic stress fields and distribution prediction of natural Ordovician fractures in the Huainan coalfield, Northern China. J. Hydrol. 2022, 612, 128291. [Google Scholar] [CrossRef]
- Almqvist, B.S.; Hirt, A.M.; Herwegh, M.; Ebert, A.; Walter, J.M.; Leiss, B.; Burlini, L. Seismic anisotropy in the Morcles nappe shear zone: Implications for seismic imaging of crustal scale shear zones. Tectonophysics 2013, 603, 162–178. [Google Scholar] [CrossRef]
- Bezrodna, I.; Bezrodnyi, D.; Kozionova, O. Analysis of impact of mineral matrix of runovshchinska area reservoir rocks on the elastic and acoustic parameters (based on the results of mathematical modelling). Visnyk Taras Shevchenko Natl. Univ. Kyiv. Geol. 2017, 2, 52–58. [Google Scholar] [CrossRef]
- De Jonge-Anderson, I.; Ma, J.; Wu, X.; Stow, D. Determining reservoir intervals in the Bowland Shale using petrophysics and rock physics models. Geophys. J. Int. 2022, 228, 39–65. [Google Scholar] [CrossRef]
- Dewangan, S.; Chattopadhyaya, S. Characterization of Wear Mechanisms in Distorted Conical Picks After Coal Cutting. Rock Mech. Rock Eng. 2016, 49, 225–242. [Google Scholar] [CrossRef]
- Dewangan, S.; Chattopadhyaya, S.; Hloch, S. Wear Assessment of Conical Pick used in Coal Cutting Operation. Rock Mech. Rock Eng. 2015, 48, 2129–2139. [Google Scholar] [CrossRef]
- Eberhart-Phillips, D.; Han, D.-H.; Zoback, M.D. Empirical relationships among seismic velocity, effective pressure, porosity, and clay content in sandstone. Geophysics 1989, 54, 82–89. [Google Scholar] [CrossRef]
- Faccenda, M.; Bressan, G.; Burlini, L. Seismic properties of the upper crust in the central Friuli area (northeastern Italy) based on petrophysical data. Tectonophysics 2007, 445, 210–226. [Google Scholar] [CrossRef]
- Liu, J.; Ding, W.; Yang, H.; Wang, R.; Yin, S.; Li, A.; Fu, F. 3D geomechanical modeling and numerical simulation of in-situ stress fields in shale reservoirs: A case study of the lower Cambrian Niutitang formation in the Cen’gong block, South China. Tectonophysics 2017, 712–713, 663–683. [Google Scholar] [CrossRef]
- Liu, J.; Mei, L.; Ding, W.; Xu, K.; Yang, H.; Haimeng, Y. Asymmetric propagation mechanism of hydraulic fracture networks in continental reservoirs. GSA Bull. 2022. [Google Scholar] [CrossRef]
- Wyllie, M.R.J.; Gregory, A.R.; Gardner, G.H.F. An experimental investigation of factors affecting elastic wave velocities in porous media. Geophysics 1958, 23, 459–493. [Google Scholar] [CrossRef]
- Birch, F. Elastic constants of rutile-A correction to a paper by R. K. Verma, “Elasticity of some high-density crystals”. J. Geophys. Res. Earth Surf. 1960, 65, 3855–3856. [Google Scholar] [CrossRef]
- Han, D.; Nur, A.; Morgan, D. Effects of porosity and clay content on wave velocities in sandstones. Geophysics 1986, 51, 2093–2107. [Google Scholar] [CrossRef]
- Tutuncu, A.N.; Podio, A.L.; Sharma, M.M. An experimental investigation of factors influencing compressional- and shear-wave velocities and attenuations in tight gas sandstones. Geophysics 1994, 59, 77–86. [Google Scholar] [CrossRef]
- Ma, Z.G.; Wu, X.Y.; Wang, Z.H. Effect of effective pressure on compressional and shear wave velocities. Prog. Explor. Geophys. 2006, 29, 183–186. (In Chinese) [Google Scholar]
- Xiao, W.L.; Li, M.; Zhao, J.Z.; Zheng, L.L.; Li, L.J. Laboratory study of stress sensitivity to permeability in tight sandstone. Rock Soil Mech. 2010, 31, 775–779. [Google Scholar] [CrossRef]
- Wang, K.; Dai, J.S.; Zhang, H.G.; Zhang, D.D.; Zhao, L.B. Numerical simulation of fractured reservoir stress sensi-tivity: A case from Kuqa depression Keshen gas field. Acta Pet. Sin. 2014, 35, 123. [Google Scholar] [CrossRef]
- Ali, M. “Double Peak” of Dynamic Strengths and Acoustic Emission Responses of Coal Masses Under Dynamic Loading. Nonrenewable Resour. 2022, 31, 1705–1720. [Google Scholar] [CrossRef]
- Jia, D.; Qiu, Y.; Li, C.; Cai, Y. Propagation of pressure drop in coalbed methane reservoir during drainage stage. Adv. Geo-Energy Res. 2019, 3, 387–395. [Google Scholar] [CrossRef]
- Lv, A.; Aghighi, M.A.; Masoumi, H.; Roshan, H. The effects of sorbing and non-sorbing gases on ultrasonic wave propagation in fractured coal. Int. J. Coal Geol. 2022, 249, 103906. [Google Scholar] [CrossRef]
- Moarefvand, A.; Gasc, J.; Fauconnier, J.; Baïsset, M.; Burdette, E.; Labrousse, L.; Schubnel, A. A new generation Griggs apparatus with active acoustic monitoring. Tectonophysics 2021, 816, 229032. [Google Scholar] [CrossRef]
- Sethi, H.; Shragge, J.; Tsvankin, I. Tensorial elastodynamics for coupled acoustic/elastic anisotropic media: Incorporating bathymetry. Geophys. J. Int. 2022, 228, 999–1014. [Google Scholar] [CrossRef]
- Shen, H.; Li, X.; Li, Q. Influence of the microstructure on stress-dependent P-wave anisotropy in sandstone. Geophys. J. Int. 2022, 228, 876–892. [Google Scholar] [CrossRef]
- Traylor, T.K.; Burnley, P.C.; Whitaker, M.L. Initial Acoustoelastic Measurements in Olivine: Investigating the Effect of Stress on P- and S-Wave Velocities. J. Geophys. Res. Solid Earth 2021, 126, e2021JB022494. [Google Scholar] [CrossRef]
- Zhang, X.B.; Wang, X.T.; Liu, B.H.; Song, P.; Tan, J.; Xie, C. Reverse time migration based on the pseudo-space-domain first-order velocity-stress acoustic wave equation. Front. Earth Sci. 2021, 9, 690513. [Google Scholar] [CrossRef]
- Wang, X.; Ma, C.D.; Liu, X.Q.; Jiang, M.W.; Fan, Y.Y. The Variation Law of In-situ Stress and Rock Mechanical Parameters with Buried Depth in Coastal Mining Area and Their Relationship. Gold Sci. Technol. 2021, 29, 535–544. [Google Scholar] [CrossRef]
- Douma, L.A.N.R.; Dautriat, J.; Sarout, J.; Dewhurst, D.N.; Barnhoorn, A. Impact of water saturation on the elastic anisotropy of the Whitby Mudstone, United Kingdom. Geophysics 2020, 85, MR57–MR72. [Google Scholar] [CrossRef]
- Shi, X.J.; Xu, H.M.; Xie, D.; Xu, G.M.; Wang, Y.Z.; Wei, J.X. Wave velocity in reservoir-conditioned rock and its variation. OGP 1995, 30, 386–391. (In Chinese) [Google Scholar]
- Zhu, H.L.; Liu, X.J.; Liu, H. Experimental research on effects of gas saturation on acoustic wave velocity of carbonate rock. Chin. J. Rock Mech. Eng. 2011, 30, 2784–2789. [Google Scholar]
- Cai, J.; Zhao, L.; Zhang, F.; Wei, W. Advances in multiscale rock physics for unconventional reservoirs. Adv. Geo-Energy Res. 2022, 6, 271–275. [Google Scholar] [CrossRef]
- Chen, X.; Zhou, Y. Applications of digital core analysis and hydraulic flow units in petrophysical characterization. Adv. Geo-Energy Res. 2017, 1, 18–30. [Google Scholar] [CrossRef]
- Liu, J.S.; Ding, W.L.; Yang, H.M.; Dai, P.; Wu, Z.H.; Zhang, G.J. Natural Fractures and Rock Mechanical Stratigraphy Evaluation in the Huaqing area, Ordos Basin: A Quantitative Analysis Based on Numerical Simulati. J. China Univ. Geosci. 2022, 1–19. Available online: http://kns.cnki.net/kcms/detail/42.1874.P.20220711.0942.004.html (accessed on 21 September 2022).
- Fan, C.; Wang, G.; Wang, Z.; Han, X.; Chen, J.; Zhang, K.; Zhang, B. Prediction of multiple origin overpressure in deep fold-thrust belt: A case study of Kuqa subbasin, Tarim Basin, northwestern China. AAPG Bull. 2021, 105, 1511–1533. [Google Scholar] [CrossRef]
- Gao, Z.Y.; Feng, J.R.; Cui, J.G.; Wang, X.Q.; Zhou, C.M.; Shi, Y.X. Physical simulation and quantitative calculation of increased feldspar dissolution pores in deep reservoirs. Pet. Explor. Dev. 2017, 44, 387–398. [Google Scholar] [CrossRef]
- Guo, X.; Liu, K.; Jia, C.; Song, Y.; Zhao, M.; Zhuo, Q.; Lu, X. Effects of tectonic compression on petroleum accumulation in the Kelasu Thrust Belt of the Kuqa Sub-basin, Tarim Basin, NW China. Org. Geochem. 2016, 101, 22–37. [Google Scholar] [CrossRef]
- Tang, Y.G.; Zhou, P.; Xu., Z.P.; Yin, H.W.; Zhu, W.H.; Xie, Y.N. The influence of stress environment on reservoir under salt in Kelasu structure belt. Geol. J. China Univ. 2017, 23, 95–103. [Google Scholar] [CrossRef]
- Wei, G.Q.; Wang, J.P.; Zeng, L.B.; Tang, Y.L.; Wang, K.; Liu, T.T.; Yang, Y. Structural reworking effects and new exploration discoveries of subsalt ultra-deep reservoirs in the Kelasu tectonic zone. Nat. Gas Ind. 2020, 40, 20–30. [Google Scholar]
- Yang, K.J.; Qi, J.F.; Ma, B.J.; Sun, T.; Zhang, X.C.; Zhang, S. Differential tectonic deformation of subsalt and supras-alt strata in Kuqa Depression and their controlling factors. Geotecton. Metallog. 2018, 42, 211–224. [Google Scholar] [CrossRef]
- Sun, S.; Hou, G.; Zheng, C. Fracture zones constrained by neutral surfaces in a fault-related fold: Insights from the Kelasu tectonic zone, Kuqa Depression. J. Struct. Geol. 2017, 104, 112–124. [Google Scholar] [CrossRef]
- Tian, Z.; Sun, J.; Windley, B.F.; Zhang, Z.; Gong, Z.; Lin, X.; Xiao, W. Cenozoic detachment folding in the southern Tianshan foreland, NW China: Shortening distances and rates. J. Struct. Geol. 2016, 84, 142–161. [Google Scholar] [CrossRef]
- Wang, W.; Yin, H.; Jia, D.; Li, C. A sub-salt structural model of the Kelasu structure in the Kuqa foreland basin, northwest China. Mar. Pet. Geol. 2017, 88, 115–126. [Google Scholar] [CrossRef]
- Guo, W.X.; Qi, J.F.; Li, M.G.; Lei, G.L.I.; Li, Y.Y. Inversion structure of Kelasu structure zone in Kuqa depression and its formation mechanism. Acta Pet. Sin. 2010, 31, 379–385. [Google Scholar] [CrossRef]
- Li, S.; Li, F.; Qiu, Y.; Yan, Y. A numerical study on the regional in situ stress field of the Keshen section and interface dislocation in the composite salt-gypsum layer. Interpretation 2020, 8, T803–T811. [Google Scholar] [CrossRef]
- Lyu, C.; Wang, X.; Lu, X.; Zhou, Q.; Zhang, Y.; Sun, Z.; Xiao, L.; Liu, X. Evaluation of Hydrocarbon Generation Using Structural and Thermal Modeling in the Thrust Belt of Kuqa Foreland Basin, NW China. Geofluids 2020, 2020, 8894030. [Google Scholar] [CrossRef]
- Nian, T.; Wang, G.; Xiao, C.; Zhou, L.; Sun, Y.; Song, H. Determination of in-situ stress orientation and subsurface fracture analysis from image-core integration: An example from ultra-deep tight sandstone (BSJQK Formation) in the Kelasu Belt, Tarim Basin. J. Pet. Sci. Eng. 2016, 147, 495–503. [Google Scholar] [CrossRef]
- Song, X.; Lü, X.; Shen, Y.; Guo, S. Hydrocarbon migration and accumulation history in deep reservoirs: A case study of Mesozoic sandstone gas reservoirs in the Kelasu-Yiqikelike structural belt of the Kuqa Depression, Tarim Basin. Geosci. J. 2019, 23, 69–86. [Google Scholar] [CrossRef]
- Shi, L.L.; Tang, Y.Y.; Wang, B.; Wang, Z.T.; Wei, H.X.; Zhou, L. Characteristics of Vertical Zonation of Bashijiqike Reservoir by Stress Intervals in Wellblock Keshen5 in Kuqa Depression, Tarim Basin. Xinjiang Pet. Geol. 2016, 37, 1. [Google Scholar] [CrossRef]
- Zhang, Z.P.; Wang, Q.C. The summary and comment on fault-slip analysis and palaeostress reconstruction. Adv. Earth Sci. 2004, 19, 605–613. [Google Scholar]
- Xu, K.; Zhang, H.; Liu, X.Y.; Wang, Z.M.; Lai, S.J. Current in-situ stress characteristics of deep fractured reservoirs in Kuqa Depression and its guiding significance to natural gas exploration and development. Editor. Dep. Pet. Geol. Recovery Effic. 2022, 29, 34–45. [Google Scholar] [CrossRef]
- Xu, K.; Yang, H.J.; Zhang, H.; Wang, H.Y.; Yuan, F.; Wang, H.H.; Li, C. Current In-Situ Stress Field and Efficient Development of Bozi-1 Gas Reservoir in Kelasu Structural Belt. Xinjiang Pet. Geol. 2021, 42, 726–734. [Google Scholar]
- Zheng, C.F.; Hou, G.T.; Zhan, Y.; Yu, X.; Zhao, W.T. An analysis of Cenozoic tectonic stress fields in the Kuqa depression. Geol. Bull. China 2016, 35, 130–139. [Google Scholar]













| Analysis of the Factors | Clay Content/% | Water Saturation/% | Confining Pressure/MPa | Axial Pressure/MPa |
|---|---|---|---|---|
| Water saturation | 24.2 | 0 | 60 | 78 |
| 24.2 | 20 | 60 | 78 | |
| 24.2 | 40 | 60 | 78 | |
| 24.2 | 60 | 60 | 78 | |
| 24.2 | 80 | 60 | 78 | |
| 24.2 | 100 | 60 | 78 | |
| Horizontal maximum principal stress or horizontal minimum principal stress, buried depth | 20.1 | 100 | 52 | 57.2 |
| 20.1 | 100 | 56 | 67.2 | |
| 20.1 | 100 | 60 | 78 | |
| 20.1 | 100 | 64 | 89.6 | |
| Horizontal maximum principal stress or horizontal minimum principal stress, buried depth | 16.9 | 100 | 44.6 | 58 |
| 16.9 | 100 | 52.3 | 68 | |
| 16.9 | 100 | 60 | 78 | |
| 16.9 | 100 | 67.7 | 88 | |
| Confining pressure | 13.7 | 100 | 50 | 78 |
| 13.7 | 100 | 60 | 78 | |
| 13.7 | 100 | 70 | 78 | |
| 13.7 | 100 | 80 | 78 | |
| Axial pressure, stress ratio | 8.4 | 100 | 60 | 66 |
| 8.4 | 100 | 60 | 72 | |
| 8.4 | 100 | 60 | 78 | |
| 8.4 | 100 | 60 | 84 |
| Confining Pressure (MPa) | Axial Pressure (MPa) | Stress Ratio |
|---|---|---|
| 52 | 57.2 | 1.1 |
| 56 | 67.2 | 1.2 |
| 60 | 78 | 1.3 |
| 64 | 89.6 | 1.4 |
| Confining Pressure (MPa) | Axial Pressure (MPa) | Stress Ratio |
|---|---|---|
| 44.6 | 58 | 1.3 |
| 52.3 | 68 | 1.3 |
| 60 | 78 | 1.3 |
| 67.7 | 88 | 1.3 |
| Confining Pressure (MPa) | Axial Pressure (MPa) | Stress Ratio |
|---|---|---|
| 50 | 78 | 1.56 |
| 60 | 78 | 1.30 |
| 70 | 78 | 1.11 |
| 80 | 78 | 0.975 |
| Confining Pressure (MPa) | Axial Pressure (MPa) | Stress Ratio |
|---|---|---|
| 60 | 66 | 1.1 |
| 60 | 72 | 1.2 |
| 60 | 78 | 1.3 |
| 60 | 84 | 1.4 |
Publisher’s Note: MDPI stays neutral with regard to jurisdictional claims in published maps and institutional affiliations. |
© 2022 by the authors. Licensee MDPI, Basel, Switzerland. This article is an open access article distributed under the terms and conditions of the Creative Commons Attribution (CC BY) license (https://creativecommons.org/licenses/by/4.0/).
Share and Cite
Zhang, H.; Xu, K.; Zhang, B.; Yin, G.; Wang, H.; Wang, Z.; Li, C.; Lai, S.; Qian, Z. Influence of Stress Anisotropy on Petrophysical Parameters of Deep and Ultradeep Tight Sandstone. Appl. Sci. 2022, 12, 11543. https://doi.org/10.3390/app122211543
Zhang H, Xu K, Zhang B, Yin G, Wang H, Wang Z, Li C, Lai S, Qian Z. Influence of Stress Anisotropy on Petrophysical Parameters of Deep and Ultradeep Tight Sandstone. Applied Sciences. 2022; 12(22):11543. https://doi.org/10.3390/app122211543
Chicago/Turabian StyleZhang, Hui, Ke Xu, Binxin Zhang, Guoqing Yin, Haiying Wang, Zhimin Wang, Chao Li, Shujun Lai, and Ziwei Qian. 2022. "Influence of Stress Anisotropy on Petrophysical Parameters of Deep and Ultradeep Tight Sandstone" Applied Sciences 12, no. 22: 11543. https://doi.org/10.3390/app122211543
APA StyleZhang, H., Xu, K., Zhang, B., Yin, G., Wang, H., Wang, Z., Li, C., Lai, S., & Qian, Z. (2022). Influence of Stress Anisotropy on Petrophysical Parameters of Deep and Ultradeep Tight Sandstone. Applied Sciences, 12(22), 11543. https://doi.org/10.3390/app122211543

