Abstract
An investigation of real corrosion cracks that can be partially conductive in electromagnetic non-destructive evaluation using sweep-frequency eddy-current frequency-response analysis is carried out in this study. A new approach incorporating innovative solutions is proposed. The goal was to increase the probability of detection of real corrosion cracks in contrast to the conventional sweep-frequency method that is based on single-point signal detection. The proposed procedure was tested on real material specimens where differential responses were gained from real corrosion cracks. Seven austenitic steel plate specimens having corrosion cracks were inspected. Eddy-current responses due to the material cracks were sensed, while a multi-point approach was used for this purpose. The presented unique results clearly showed that the detection ability of a fixed probe driven with sweep-frequency excitation signal could be increased when the multi-point detection is used, and the gained signals are further mathematically processed.
1. Introduction
In the industry, more and more emphasis pinpoints monitoring that does not damage and does not affect the functionality of the product. Thus, non-destructive testing (NDT) and non-destructive evaluation (NDE) gained their position very quickly. There is a considerable demand for those in various industries, such as aviation, automotive, nuclear, chemical, and metalworking industries, while also medicine or transport. With the increasing demand for quality and the development of new materials, new NDT methods are constantly developed and innovated. Based on different physical phenomena, we can divide these methods into several groups: visual methods, chemical methods, methods based on mechanical waves, nuclear methods, and electromagnetic methods. Among the electromagnetic methods, we include all methods based on the interaction of the electromagnetic (EM) field and the investigated structure. The methods can be divided based on the time variability of the field, or according to the wavelength of the EM signal used, into infrared thermography, radiography, the magnetic particle inspection method, the stray magnetic flux measurement method, and the eddy current method (ECT). ECT is one of the basic and very often used electromagnetic NDE methods. The principle of ECT lies in the electromagnetic induction of eddy currents in electrically conductive materials. The method is prominent for the detection of surface and near subsurface defects and cracks in conductive materials. It is possible to determine not only the presence of a defect but also the location and depth of the defect position. ECT is widely used to measure the thickness of conductive materials, but also insulation from non-conductive materials. The disadvantage of the ECT method is the depth of defect detection, which is limited by the penetration depth or attenuation of the electromagnetic wave in the material.
In some cases, there is a need for thorough and specific control of conductive materials, and the conventional ECT method is insufficient or inappropriate. As an example, we can mention the investigation of the area of interest without the possibility of moving the probe over the material. Such circumstances lead to the search for other solutions and thus to modifications of the conventional ECT method. One such modification is the method of eddy currents by sweeping the frequency (Sweep Frequency Eddy Current Testing, SFECT). Behind the emergence of the SFECT method is the need for continuous and long-term monitoring of the material. This can be achieved by permanently attaching the sensor(s) to the site under investigation. The principle of frequency sweep is based on generating an excitation signal in each frequency interval in discrete steps. From the initial frequency to the final frequency of the interval, the excitation frequency is generated with a certain fixed step. The step can be linear or logarithmic. It consists in obtaining data from the response of eddy currents in a wide range of frequencies. With SFECT, the probe is fixed at a certain point of interest in the examined material, and it does not move. As a result, the surface of the entire material is not investigated but only in a certain place or given area of interest. This method can therefore be used especially for continuous and long-term monitoring of the product directly in operation Ref. [1].
Takahashi et al. devoted themselves to the use of the eddy currents by frequency sweep to measure the coating thickness of Ni alloy on austenitic steel. The study was focused on the comparison of numerical simulations and experimental results of plated material and the effect of heat treatment on the material. Using numerical simulations, they developed a model that was used in the inverse analysis. The achieved results confirmed the possibility of using the SFECT method for non-destructive investigation of plating thickness, and the maximum error between the real and estimated value was 22 μm, which represented an error of approximately 11% Ref. [2].
The study was followed up by the same team of authors in Ref. [3] with experimental verification. By comparing with the simulation, they found that the magnetic permeability of the coating was reduced because of the heat treatment. The maximum measurement error reached 33 μm or 28 μm, which represented an error of approximately 13%.
Measuring the thickness of a metal pipe using the SFECT method was described by Mao and Lei in Ref. [4]. In the thesis, they proposed an inverse algorithm based on the Levenberg-Marquardt algorithm. They proved the effectiveness of the algorithm in an experiment on a stainless-steel cylindrical pipe. Further in the work, they analyzed the inadequacy of the algorithm in the field of frequency dependence of material permeability.
In 2017, the author Weiying Cheng published an article Ref. [5] on the use of the eddy current method by frequency sweep and impedance normalization to measure the thickness of the metal plate. In his work, he focused on measuring the thickness of metal plates without knowledge of their conductivity and permeability. Analytical and experimental studies were carried out on non-magnetic and ferromagnetic metallic materials. The results showed that the thickness of non-magnetic metals could be determined even without knowing the conductivity of the material. For ferromagnetic metals, he established a conductivity-insensitive function using an analytical study, with the help of which it is possible to determine the thickness of a ferromagnetic metal. Furthermore, he found experimentally that low frequencies are more stable and more suitable for metal investigations in the field.
In 2019, Cheng followed up the study with a publication Ref. [6] in which he measured the thickness of a non-magnetic metal with unknown conductivity and the thickness of a non-conductive coating on the metal. In it, he proved analytically and experimentally that the maximum phase of the normalized impedance is related to the thickness of the material and the lift of the probe, therefore it is possible to use the frequency sweep method to measure the thickness of non-magnetic metal and the non-conductive coating on it. He also proved that the conductivity of a non-magnetic material could be determined by using a high-frequency SFECT signal.
In Ref. [7], the authors Cheng and Hashizume presented a theoretical study of the measurement of multilayer structures using the SFECT method. In the study, they analyzed the solution based on the transmission and reflection of waves between the layers. Through simulations, they proved that the contributions of the layers depend on the reflection coefficient.
In a subsequent study Ref. [8], they confirmed that the thickness could then be characterized by spectral analysis of the reflection coefficients, which represent the individual contributions of the layers. Furthermore, in the study, they found that the individual responses of individual layers reach the maximum value of the normalized reactance difference at different frequencies. They confirmed this assumption in the publication Ref. [9]. They were based on the spectral analysis of the impedance of the two-layer structure. They verified their claims experimentally.
Liu et al. also worked on the use of the SFECT method for measuring the thickness of aluminum alloy plating, which they described in the paper Ref. [10]. In the study, after a theoretical analysis, they focus on the design of a detection probe using simulations. Simulations have verified the theoretical basis, which was subsequently confirmed experimentally. The results of the study confirmed that the SFECT method is suitable for measuring the thickness of aluminum alloy coating.
In 2020, Xu et al. published an article Ref. [11] on measuring the properties of an ultrathin metal coating using the SFECT method. In their work, they focused on a new technique based on SFECT, with the help of which they simultaneously measured the thickness of the coating with dimensions of several μm and the conductivity of the metal coating. In the work, they also describe a method of eliminating the lift-off effect (the dependence of the coil lift). The result of the work was a new iterative model from which the thickness and conductivity of the coating can be determined using a suitable numerical method.
In 2020, the same author team continued the research in Ref. [12]. In the study, they found that we can consider an electromagnetic wave as a plane wave if the diameter of the coil is smaller than the penetration depth of the wave and the impedance is invariant to a small change in the lift of the coil. Subsequently, using theoretical and experimental values, they designed a model of the problem. The results of the experiment showed a short measurement time and a measurement error of less than 8% or 18%.
The SFECT method is not only used for material thickness measurement, conductivity measurement, and crack detection but also for steel age investigation, as stated in Ref. [13] by Kiatisaksri et al. In the study, they did not use a classic surface coil as a detection coil, but a coil wound on a U-shaped core. In the work they were based on, they found that the advantage of the U-shaped coil is a constant magnetic induction flux between the poles of the core, which is more sensitive to changes in the microstructure, which is related to the age of the steel. They used coils from different windings for the measurement. The result of the work was that the coil with 100 turns is the most sensitive in the required frequency range. The age of the steel can be distinguished using the impedance measured at an excitation frequency of 3200 Hz. Carbide precipitates were the main factor in the change of electrical resistance in the aging stages. Using the SFECT technique, a good correlation between hardness and normalized impedance at the maximum frequency response was observed.
In 2018, Punapung and Kaewpoonsuk published the design of a programmable SFECT module Ref. [14]. The module combined the function of an excitation signal generator as well as a recording device.
The last area where the SFECT method is used is the detection of cracks in the material. In 2020, Abbassi et al. published an article Ref. [15] in which they describe crack characterization by analyzing the probe signal using a fast algorithm. In the study, the dependence of the impedance of the coil on the depth of the crack was solved by numerical simulation. Then, using a deterministic algorithm and an inverse technique, they calculated the depth of the crack from the simulations.
Our previous work focused on SFECT Ref. [16] and Ref. [17] and dealt with the possibility of refinement of the crack-response signal’s resolution by a fixed probe. We used a new eddy-current probe of our design, containing galvanically isolated excitation and receiving electromagnetic system with different configurations investigated. As part of the design of the probe and verification of its properties, we first carried out numerical simulations to determine the perspective of three structural arrangements of the probe. Numerical simulations were performed for different static positions of the probes in the space around the defect. Defects used in numerical simulations were modeled from real laboratory samples of defects. These are samples with artificial electric discharge machine (EDM) notches. Their detailed description and description of the procedure can be found in the literature Ref. [16] and Ref. [17]. Both computational and experimental methods were used to investigate two specimens of conductive austenitic steel. The obtained results demonstrated that the geometry of the crack significantly influences differential response through its amplitude and phase, and it was also found that the geometry of the crack and the signal frequency response are correlated. Additionally, it was found that deeper cracks may still be discriminated from one another based on individual signals, even for frequency ranges in the hundreds of kHz range. The described SFECT method for inspecting conductive structures can be implemented in two different ways under real-world circumstances: in the first, it can be used after a prior study using the usual ECT method, and in the second, it can be used without a prior investigation. The measuring probe needs to be positioned precisely where problems are anticipated in this situation. This crucial knowledge provides a fresh perspective on how the SFECT with fixed probes might be used for the electromagnetic non-destructive evaluation of cracks.
When using the SHM approach, there is often a situation where the network of sensors is placed over the investigated area. However, an important fact is that a defect is expected to occur in the examined location. Thus, the sensor network covers the given area with a certain probability. The detected signal from the eddy current probe has the highest information value when the probe is placed over a precisely defined location. The aim of this article is to show that reliable detection of real corrosion defects using the SFECT method is possible even when the probe is in the defined vicinity of the defect. Individual sensed signals from specific measurement points are mathematically processed and evaluated. From the results achieved, such detection is possible. The main added value is the fact that the probe is fixedly positioned above the examined surface, while a harmonic or non-harmonic signal can be used for its excitation. This paper deals with SFECT experimental inspection of corrosion cracks differing in geometry. During the inspection of each crack, the probe is fixed over the pre-defined points, respectively, and the frequency of the exciting signal is changed in a wide range while response signals are sensed. The frequency range is selected to cover the range from low to high frequencies. The response signals for each crack are filtered using a lock-in amplifier and further processed to be analyzed and evaluated. The presented results report promising findings, and the paper thus brings a new perspective on the possibilities of non-destructive evaluation of real cracks from SFECT signals.
2. SFECT Measurements of Corrosion Cracks: Experimental Set-Up
The experimental setup consists of a Lock-in amplifier (Ametek, Signal Recovery DSP 7280, Wokingham, UK) and a PC (personal computer) with the LabVIEW platform (National Instruments, Austin, TX, USA). The lock-in amplifier is also used as a generator of the excitation signal and, at the same time, as a sensor of the detected signal (digital selective voltmeter). The frequency range of the generated signal is f = ˂ 1 kHz; 800 kHz ˃ with step Δf = 5 kHz. The amplitude of the excitation signal is set to the value V = 0.1 V. The sweep time is the value during which the probe or excitation coil is excited by a signal with a given frequency. The duration of one frequency sweep is set to T = 2 s. Then the total time of one measurement is T = 320 s (160 frequencies times 2 s).
The output of the Lock-in amplifier is connected to a PC, using a measuring card on which both analogue and digital inputs and outputs are used. The collection of measured data is carried out on a PC using the LabVIEW program. In LabVIEW, 1000 samples with a sampling frequency fs = 10 kHz are read from the detected signal of one frequency. The algorithm is set so that for each frequency, the collection of the given amount of data is ensured using appropriate synchronization. The specimen values for the real and imaginary components of the induced voltage are averaged and then saved in files. Mathematical operations are subsequently implemented in the Matlab environment. Figure 1 shows a block diagram of the connection of the measuring apparatus.
Figure 1.
Data acquisition and signal processing devices during the SFECT measurements.
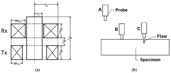
A probe with a ferromagnetic core is used to measure corrosion cracks, Figure 2a. In addition to being placed above the crack, the measurements are also performed on the material without a crack and a separate probe in the air, Figure 2b. The two-coil SFECT probe is used. The first coil generates the electromagnetic field by acting as a transmitter (Tx). The second coil, often known as the receiver, is utilized to detect the response signal (Rx). Table 1 displays the probe’s dimensions.
Figure 2.
The probe used in experiments (a) and probe positioning (b).
Table 1.
The SFECT probes dimensions and properties.
Material specimens used for the experiments are made of stainless steel, marked AISI 316L (austenitic stainless steel, without titanium stabilization, low Carbon content). The plates are all the same thickness, h = 10 mm. The width of the plate is w = 115 mm, and the length is l = 200 mm. Each plate contains a corrosion crack, Figure 3.
Figure 3.
Microscopic images of the inspected AISI 316L corrosion cracks: cross -section (a) and the view from above (b).
All examined material samples were prepared in the laboratory of microstructural analysis of materials, Department of Materials Engineering, Faculty of Mechanical Engineering, University of Zilina.
Material samples from AISI 316L austenitic steel were prepared in the initial state according to the pre-required geometry. Individual corrosion defects were created by the application of two physical factors at the same time: the application of a static force load of defined parameters and duration and the presence of an aggressive environment, which was a magnesium chloride solution. The combination of these influences led to the formation of corrosion defects in the investigated structures. Destructive methods were used to verify the presence of defects: sample cutting and subsequent microstructural analysis. The presence of corrosion defects, spreading from the surface of the material towards its interior, was verifiably detected in all samples. Shape variability or geometry of the defects as a whole varied depending on the applied physical factors. By comparing the defects induced in this way with real corrosion defects, it was possible to claim that their structure and properties are in good correlation. Based on these conclusions, the presented study was carried out, where the thus, produced samples with the presence of corrosion defects were considered “real”.
To evaluate the SFECT application of the investigation of corrosion inhomogeneities, it is necessary to ensure that the corrosion processes take place under quantifiable conditions. Initial conditions were determined for each corrosion crack. The corrosion process itself was spontaneous, i.e., we can consider these material specimens highly similar to the real cracks.
The formation of a corrosion crack takes place in a corrosion solution of magnesium chloride (MgCl2). Magnesium chloride is a white hygroscopic substance. It is a typical ionic halide, well soluble in water. The plates were immersed in this solution for t1 = 6 h, t2 = 12 h and t3 = 24 h. A static force acts on the plates immersed in the solution.
When preparing the specimens used in the measurements, three static force values are precisely defined. The first defined force is F1 = 1.2 kN, the second F2 = 1.5 kN and the third F3 = 1.8 kN. In this way, we have created a standard of material specimens of corrosion cracks with which we can compare the parameters of their formation. In Table 2 are all formation times and applied static forces of all corrosion cracks on which measurements are made. There are 7 specimens prepared and used for measurement experiments.
Table 2.
Description of time and static force used for initiation of corrosion cracks.
Because with real cracks, it is not possible to determine the exact position or dimensions of the crack, it is necessary to define the area of interest in which the measurements will be made, Figure 4a. The area that is delineated consists of various measuring points where measurements are carried out step by step because the SFECT method uses a statically located probe. Eleven measurement points are chosen for measurement, which creates a regular measurement network. The distribution of points is shown in Figure 4b.
Figure 4.
The spatial configuration of the measurement points on the specimen with the presence of corrosion cracks (a) and distribution of measurement points in the region of interest (b).
The points are marked with numbers from 1 to 11. Each of the points is distant from the neighboring point a = 5 mm. Point 10 is equidistant from point 2 by a = 5 mm; points 10, 1 and 3 then form an isosceles triangle, similarly points 7, 9, and 11. Points 10 and 1 are then b = 7.07 mm apart. When measuring cracks, the position and distance of the points did not change. Point 5 is always axially above the area with the presumed crack.
3. Experimental Results
The values obtained from the experiment are directly used for further processing. The measurement results are processed in such a way that the value of the voltage phasor of a separate probe is subtracted from the measured voltage phasor above the material. Subsequently, the absolute value of the difference and the phase shift are calculated. From these values, it is possible to calculate the frequency response of the material to the excitation signal as well as the effect of the presence of the crack. All necessary math calculations and operations are performed by Matlab software. The results were then normalized to the reference value. According to the following formula, the complex impedance of the coil is normalized by the complex impedance of the coil in the air:
where ΔVnorm [V] is the normalized value of the voltage of the coil, ΔVsim [V] is the difference between the coil voltage in the air, and from the simulation, Vsim [V] is the voltage of the coil in the presence of the material and Vair [V] is the voltage of the coil in the air. The normalized coil voltage module is calculated using the following formulas:
Figure 5 shows the waveforms of signals from eleven points of corrosion Specimen 1. This specimen is left for t3 = 24 h in the corrosion solution, while a force F1 = 1.2 kN acts on it. It can be seen from the curves that a corrosion crack has developed in the material. Based on the results, this crack probably spreads in the direction of point no. 2 since its value is the lowest of the waveforms. This assumption is also confirmed by the lower value of the signal from point No. 10, which according to the assumption, should have the same value as 11.
Figure 5.
Graph of the absolute value of the voltage phasor of Specimen 1 corrosion crack.
Figure 6 represents the absolute value of the phasor voltages measured in Specimen 2. A force F2 = 1.5 kN acted on this specimen, and the specimen was left in the corrosion solution for t1 = 6 h. In this specimen, the crack extends in the direction of points No. 2 and No. 8 evenly. The signal reaches its lowest value at point No. 5.
Figure 6.
Graph of the absolute value of the voltage phasor of Specimen 2 corrosion crack.
The curves not measured in Specimen 3 are shown in Figure 7. Similarly, it can be seen from the waveforms that the crack spreads evenly in the direction of points No. 2 and No. 8. When comparing, it is possible to notice that the values of points No. 5, No. 2, and No. 8 are approximately the same except for minor deviations. However, the values of the signals from the other points already differ. This is caused by the propagation of the crack in another direction as well.
Figure 7.
Graph of the absolute value of the voltage phasor of Specimen 3 corrosion crack.
But such a comparison is not plausible, even if the initial conditions of the crack production process were defined at the beginning, each crack developed and spread in the material without an external stimulus, i.e., spontaneously. Therefore, it is difficult to qualify or compare the measurement results. It is only possible to assume that a greater force and a longer exposure time to the corrosion solution support the development of a crack in the material. Of course, the structure of the material also influences this phenomenon.
Figure 8 confirms this assumption. The results of the signals of Specimen 4, immersed in the solution for a period of t2 = 12 h with an applied force F2 = 1.5 kN, are lower than the previous signals of Specimens 2 and 3. It follows that a longer exposure time to the corrosion solution affects the propagation of the crack. It is visible on points no. 2, no. 8, no. 10, and no. 11, whose values are at the level of the signal value from point no. 5 for Specimen 2 and Specimen 3.
Figure 8.
Graph of the absolute value of the voltage phasor of Specimen 4 corrosion crack.
Figure 9, Figure 10 and Figure 11 show the absolute values of the signals of Specimen 5, Specimen 6, and Specimen 7. From these signals, it is possible to read that the exposure time has a positive effect on the formation of the crack. With different exposure times and force F3 = 1.8 kN, the signal values decreased.
Figure 9.
Graph of the absolute value of the voltage phasor of Specimen 5 corrosion crack.
Figure 10.
Graph of the absolute value of the voltage phasor of Specimen 6 corrosion crack.
Figure 11.
Graph of the absolute value of the voltage phasor of Specimen 7 corrosion crack.
However, if the results of specimens 5, 6, and 7 are compared with the results of specimens 2, 3, and 4, the result will be a non-linear relationship between the strength and the values of the signals. Since at force F2 = 1.5 kN, the values of the signals are lower than at force F3 = 1.8 kN. It is, therefore, possible to assume a non-linear relationship even with a force of F1 = 1.2 kN.
From the results plotted in Figure 7, it is also possible to see that the value of the signal from point no. 1 dropped to the maximum level of point no. 10, which is the assumption that corrosion is spreading in this direction. In the area of higher frequencies, however, it rose compared to other values. This phenomenon can indicate either the absence of a crack at this point on the surface or just below the surface of the material specimen. Or the presence of another discontinuity in the material.
A better representation of the eleven points is offered by maps that are drawn on a color scale. The maximum value is searched for in the resulting signals, which are displayed on the map in the field of the corresponding measuring point. The fields representing the measurement points are assigned a color from the color scale based on the value.
Figure 12 shows the spatial maps of resulting signals for measured points, while Figure 12a shows the values of Specimens 1. On the map, it is possible to see that point. No. 2 has the lowest value. This means that corrosion probably caused the most damage to the material in this place.

Figure 12.
Map of the maximum value of the results, Specimen 1 (a), Specimen 2 (b), Specimen 3 (c), Specimen 4 (d), Specimen 5 (e), Specimen 6 (f), Specimen 7 (g), corrosion crack.
Figure 12b shows the map of the maximum values of Specimen 2, and Figure 12c shows the map for Specimen 3. Both specimens were in the corrosion solution for the same time t1 = 6 h. The specimens differ in the force applied to the specimen in the solution. In Specimen 2, the signal from point no. 5. At this point, corrosion has most affected the structure of the material. From the drawing of the map of Specimen 3, the corrosion affected a larger area but with less intensity than in Specimen 2.
In Figure 12d,e are drawn maps of specimens that were in the corrosion solution for t2 = 12 h. These are Specimen 4 and Specimen 5, respectively. In Specimen 4, there was a larger surface disturbance compared to Specimen 5. The crack in Specimen 6, Figure 12f, is deeper than the crack in Specimen 5 and extends mainly to the area of point No. 5
The results from Specimen 4, Figure 12d, show the spread of the crack in the direction of points no. 10 and no. 11. On Specimen 7, Figure 12g, the effect of corrosion is visible in points No. 2, No. 5, and No. 8. However, it is clear from the map that the crack partially extends into the areas of points No. 1, No. 10, and No. 11.
However, it is not possible to determine the exact depth of the given corrosion cracks from the measurements because the results cannot be compared with the results of the measurement of artificial cracks. A corrosion crack, unlike an artificial crack, can be partially conductive. The value of its conductivity is lower than the value of the material. For this reason, it can be detected but not compared with a non-conductive artificial crack. If the value of the conductivity of the material that was formed by corrosion were known, it would be possible to mathematically derive a relationship for calculating the dimensions.
4. Discussion and Conclusions
Non-destructive testing is one of the important procedures for ensuring the quality and service life of the material. The advantage of this investigation is that the properties of the material, whether functional or characteristic, remain unaffected after the investigation process. Electromagnetic methods are often used in the investigation of conductive materials. Using these methods, it is possible to quantify and qualify cracks in the material, as well as the selected properties of such materials. By examining the cracks and their selected parameters, the reason for their occurrence can also be determined. Then it is possible to prevent their spread or prevent their occurrence. The eddy current method is very widespread and often used. The area of interest was mainly an innovative approach to the eddy current method: frequency sweep. Its use for non-destructive testing is currently not sufficiently explored by scientific research institutions. Based on previous experiments and simulations we published earlier [16,17], a probe with a ferromagnetic core was chosen for the experiments, which provided the best responses to the change of artificial crack dimensions. Subsequently, the work was devoted to the optimization of the test area. The SFECT method uses a static probe, so it was necessary to choose the optimal area of interest. Based on previous experiments [16,17], a measuring network composed of eleven points was chosen. After optimizing the area, the method was applied to artificially made corrosion defects similar to the real cracks in the biomaterial.
In total, seven material specimens with the presence of corrosion cracking were successfully inspected. Multi-point inspection was applied, where the specific measuring points were precisely defined. The results of the experiments confirmed the assumed hypotheses. The SFECT method, as a method originally intended for the field of the strategic industry, is equally suitable for use in the interdisciplinary field of biomedicine as a method of non-destructive investigation of biomaterials. The great potential of this approach lies in the fact that the measuring probe can detect the presence of corrosion cracks, even when it is not fixed directly in place over the presumed defect.
Author Contributions
Conceptualization, M.S., D.G.; methodology, M.S., F.V.; software, F.V.; validation, M.S. and D.G.; formal analysis, M.S.; investigation, F.V.; resources F.V. and L.J.; data curation, M.S.; Writing—original draft preparation, M.S. and D.G.; writing—review and editing, M.S. and D.G.; visualization, F.V. All authors have read and agreed to the published version of the manuscript.
Funding
This research received funding from the Slovak Research and Development Agency (contract number APVV-19-0214).
Institutional Review Board Statement
Not applicable.
Informed Consent Statement
Not applicable.
Data Availability Statement
Not applicable.
Conflicts of Interest
The authors declare no conflict of interest.
References
- Rao, B.P. Practical Eddy Current Testing; Alpha Science International Limited: Oxford, UK, 2007. [Google Scholar]
- Takahashi, Y.; Urayama, R.; Uchimoto, T.; Takagi, T.; Naganuma, H.; Sugawara, K.; Sasaki, Y. Thickness evaluation of thermal spraying on boiler tubes by eddy current testing. Int. J. Appl. Electromagn. Mech. 2012, 39, 419–425. [Google Scholar] [CrossRef]
- Tetsuya, U.; Takagi, T.; Takahashi, Y.; Naganuma, H.; Sugawara, K.; Sasaki, Y.; Douillard, T.; Masenelli-Varlot, K.; Courbon, J. Thickness evaluation of thermally sprayed coatings after exposure to boiler tube environments by eddy current testing. Int. J. Appl. Electromagn. Mech. 2015, 47, 993–1001. [Google Scholar] [CrossRef]
- Mao, X.; Lei, Y. Thickness measurement of metal pipe using swept frequency eddy current testing. NDT E Int. 2016, 78, 10–19. [Google Scholar] [CrossRef]
- Cheng, W. Thickness Measurement of Metal Plates Using Swept Frequency Eddy Current Testing and Impedance Normalization. IEEE Sens. J. 2017, 17, 4558–4569. [Google Scholar] [CrossRef]
- Cheng, W. Swept-frequency eddy current testing to characterize a nonmagnetic metallic plate and a nonconductive coating over it. Int. J. Appl. Electromagn. Mech. 2019, 59, 1169–1178. [Google Scholar] [CrossRef]
- Cheng, W.; Hashizume, H. Eddy current measurement of layers thicknesses based on reflection coefficient’s spectrum analysis. In Proceedings of the 46th Annual Review of Progress in Quantitative Nondestructive Evaluation (QNDE2019), Portland, OR, USA, 14–19 July 2019. [Google Scholar]
- Cheng, W.; Hashizume, H. Characterization of multilayered structures by swept-frequency eddy current testing. AIP Adv. 2019, 9, 035009. [Google Scholar] [CrossRef]
- Weiying, C.; Hashizume, H. Determination of Layers’ Thicknesses by Spectral Analysis of Swept-Frequency Measurement Signals. IEEE Sens. J. 2020, 20, 8643–8655. [Google Scholar] [CrossRef]
- Duxi, L.; Chao, C.; Jin, W.; Chen, L. Nondestructive measurement of al alloy surface strengthening layer depth using swept frequency eddy current testing. In IOP Conference Series: Materials Science and Engineering; Institute of Physics Publishing: Bristol, UK, 2018. [Google Scholar] [CrossRef]
- Jin, X.; Wu, J.; Xin, W.; Ge, Z. Measuring Ultrathin Metallic Coating Properties Using Swept-Frequency Eddy-Current Technique. IEEE Trans. Instrum. Meas. 2020, 69, 5772–5781. [Google Scholar] [CrossRef]
- Jin, X.; Wu, J.; Xin, W.; Ge, Z. Fast measurement of the coating thickness and conductivity using eddy currents and plane wave approximation. IEEE Sens. J. 2020, 21, 306–314. [Google Scholar] [CrossRef]
- Peerapong, K.; Phung-on, I.; Poopat, B. A development of swept-frequency eddy current for aging characterization of heat resistant steel. Int. J. Appl. Electromagn. Mech. 2017, 55, 279–287. [Google Scholar] [CrossRef]
- Anucha, P.; Kaewpoonsuk, A. A Design for a programmable swept frequency module for eddy current testing. In Proceedings of the iEECON 2018—6th International Electrical Engineering Congress, Krabi, Thailand, 7–9 March 2018. [Google Scholar] [CrossRef]
- Abbassi, A.; Bouchala, T.; Abdou, A.; Abdelhadi, B. Eddy Current Characterization of 3D Crack by Analyzing Probe Signal and Using a Fast Algorithm Search. Russ. J. Nondestruct. Test. 2020, 56, 426–434. [Google Scholar] [CrossRef]
- Vaverka, F.; Smetana, M.; Gombarska, D.; Janousek, L. Diagnosis of Artificial Cracks from Eddy Current Testing Signals Based on Sweep Frequency Non-Destructive Evaluation. Appl. Sci. 2022, 12, 3732. [Google Scholar] [CrossRef]
- Vaverka, F.; Smetana, M.; Gombárska, D.; Janoušek, L. Sweep frequency eddy current testing: Numerical simulation of various probe types. In Proceedings of the 2021 IEEE 22nd International Conference on Computational Problems of Electrical Engineering, Hrádek u Sušice, Czech Republic, 15–17 September 2021; pp. 1–4, ISBN 978-1-7281-8430-2. [Google Scholar]
Publisher’s Note: MDPI stays neutral with regard to jurisdictional claims in published maps and institutional affiliations. |
© 2022 by the authors. Licensee MDPI, Basel, Switzerland. This article is an open access article distributed under the terms and conditions of the Creative Commons Attribution (CC BY) license (https://creativecommons.org/licenses/by/4.0/).