Three-Level Hybrid Envelope Tracking Supply Modulator with High-Bandwidth Wide-Output-Swing
Abstract
1. Introduction
2. Supply Modulator System Level Design
2.1. Wideband Linear Amplifier
2.2. High Efficiency Switching Modulator
3. Circuit Design
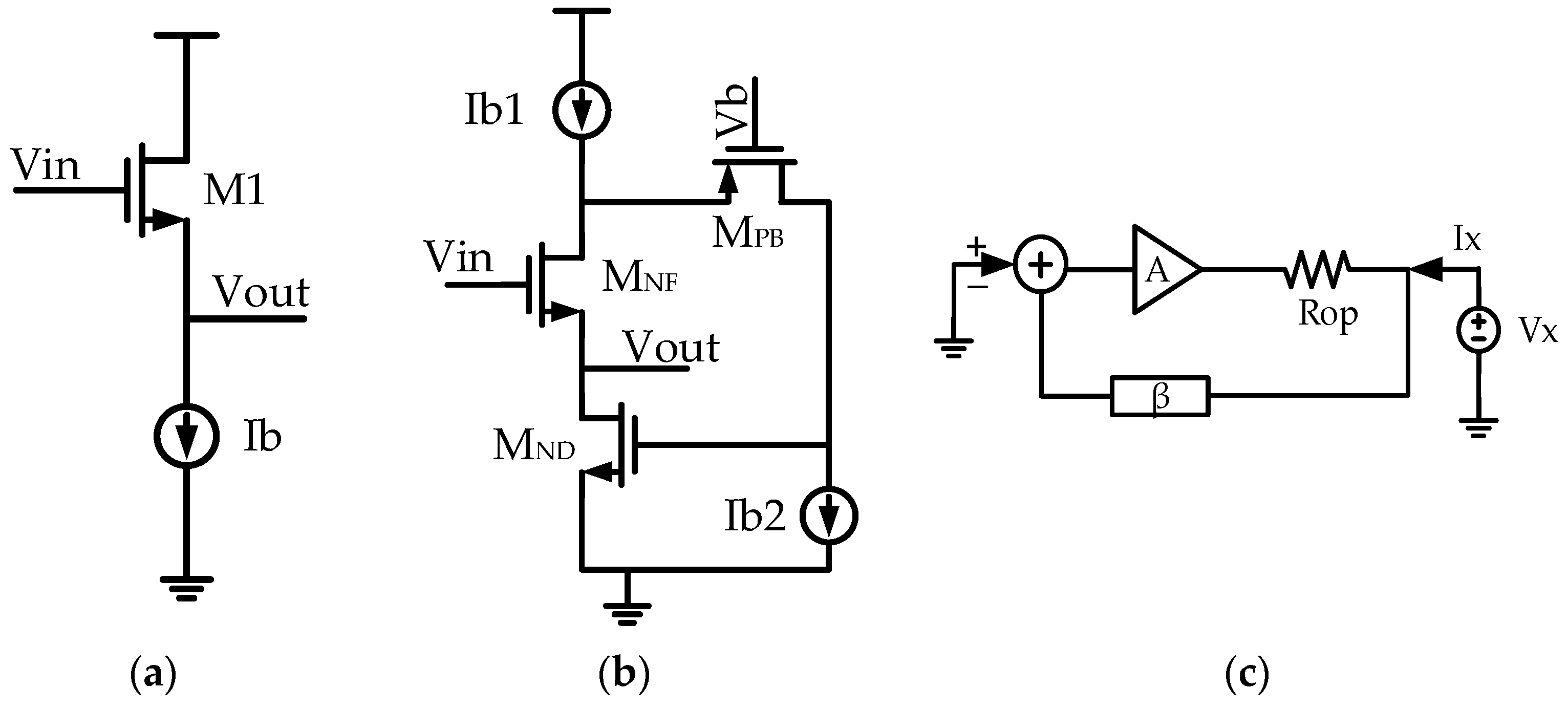
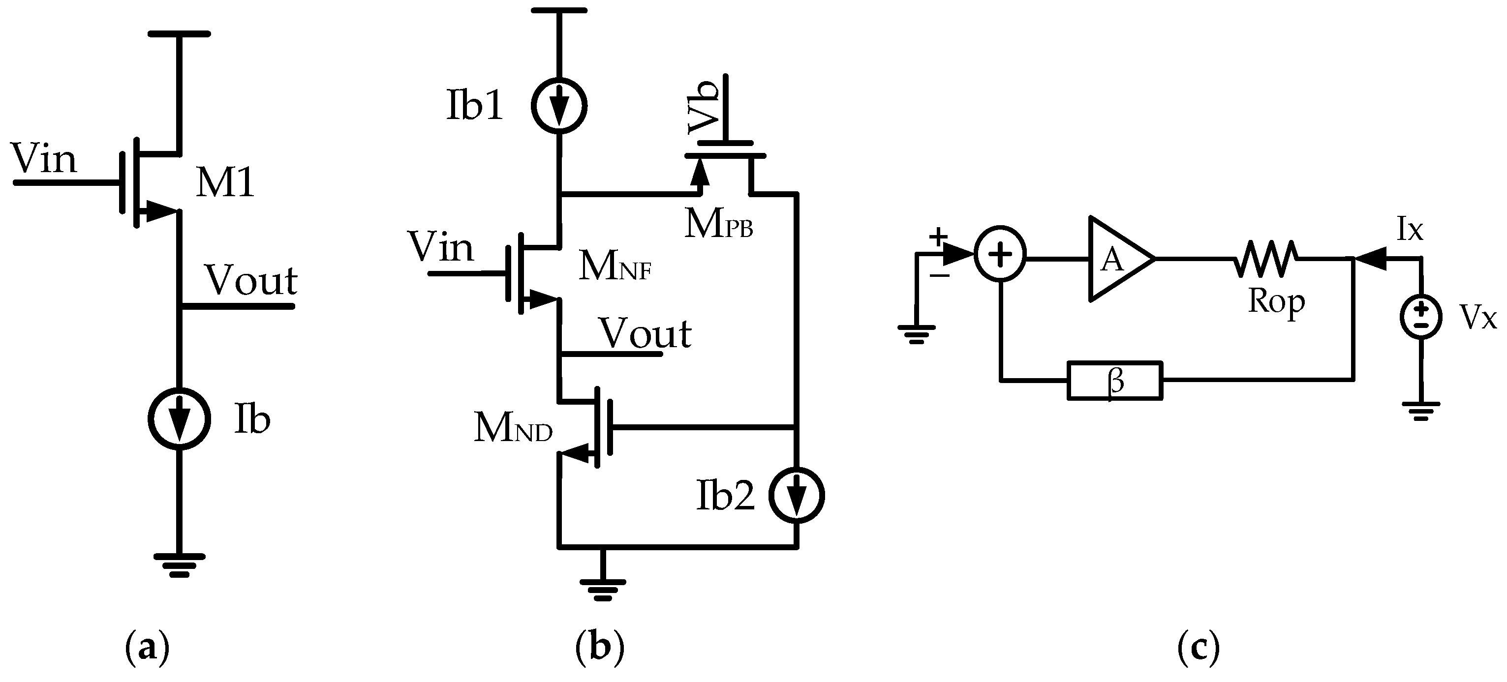
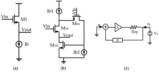
3.1. Linear Amplifier
3.2. Three-Level Switching Stage
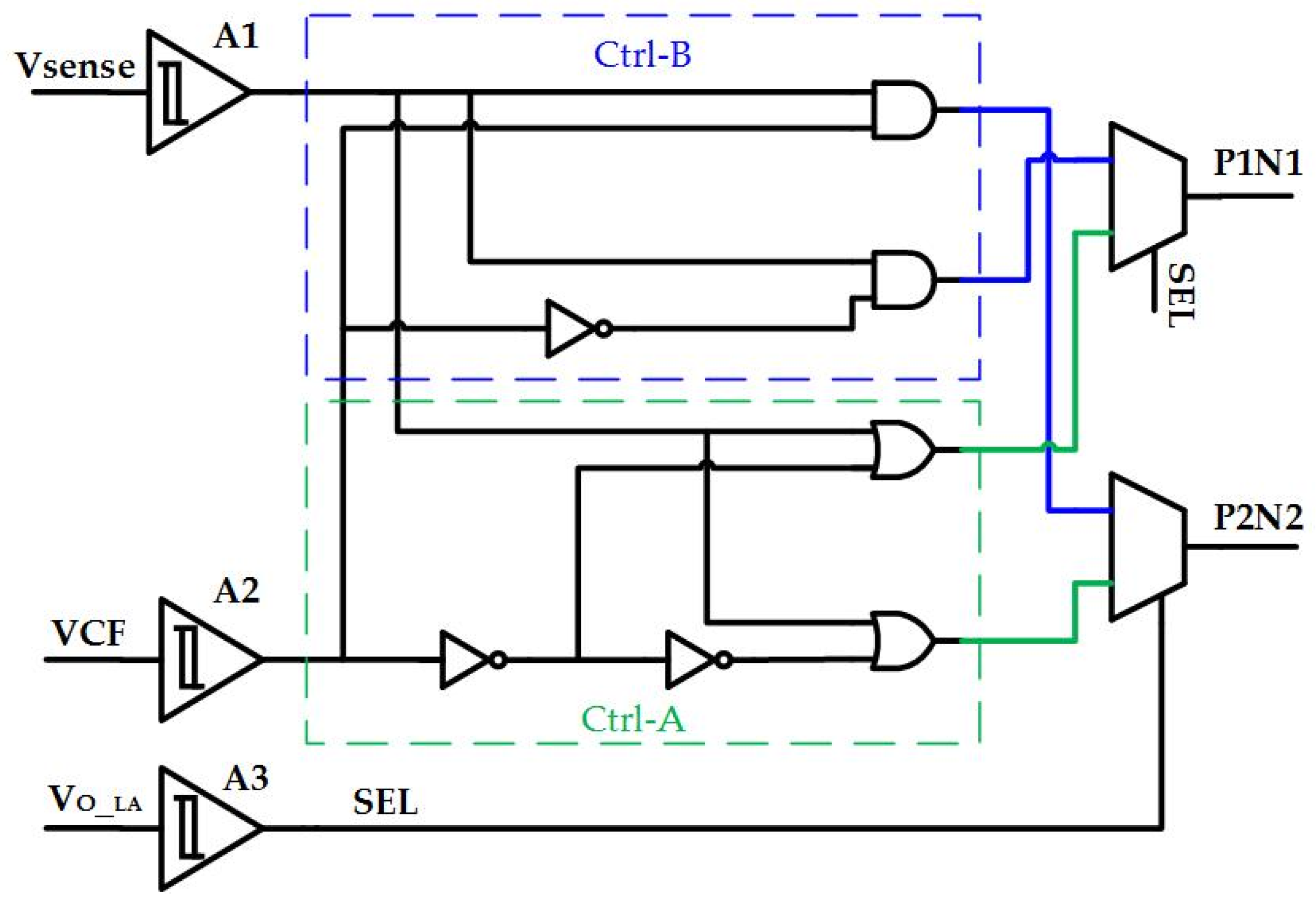
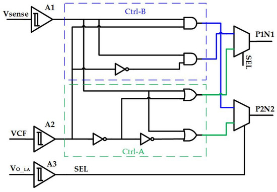
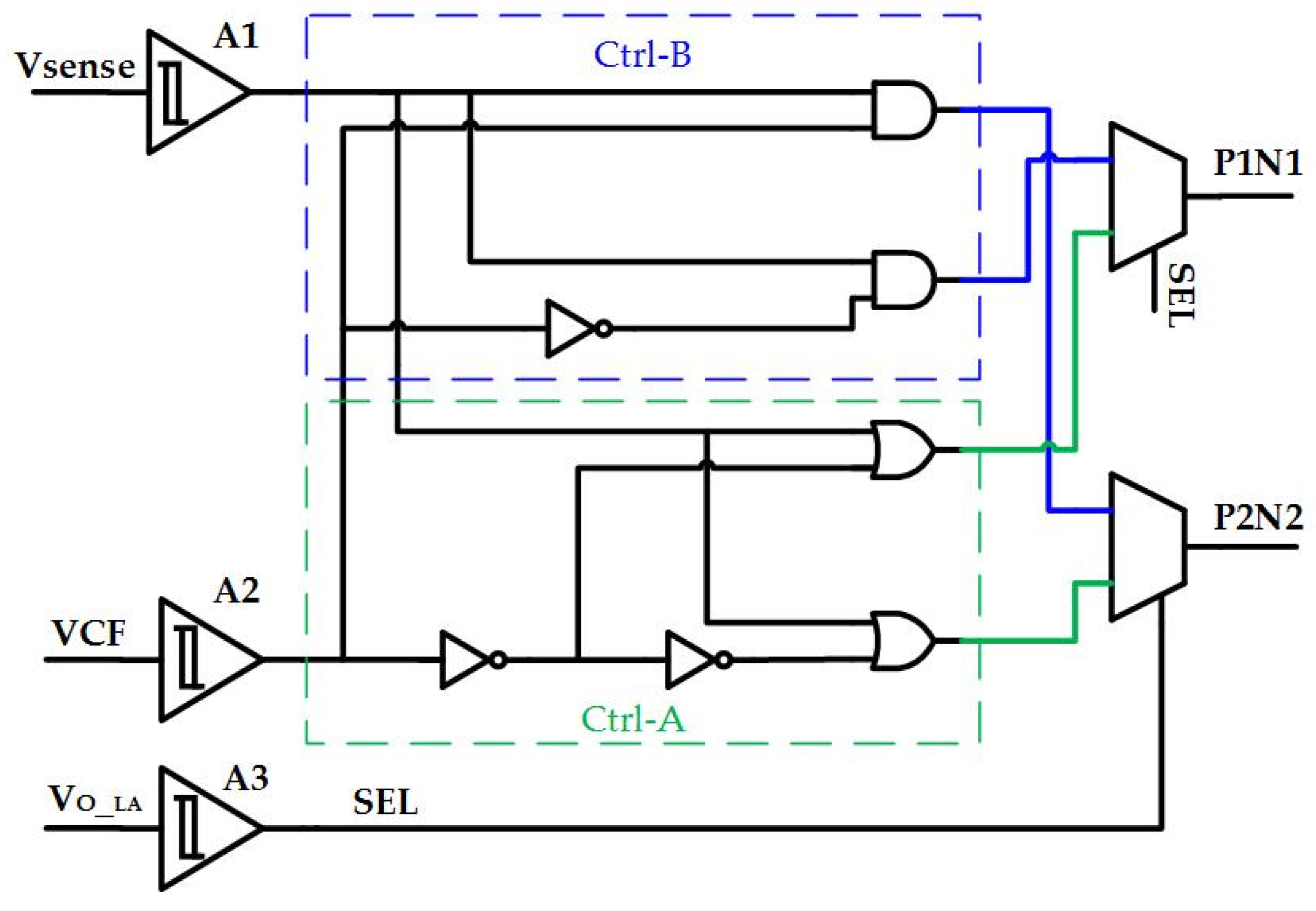
3.3. Control Loop
- Ctrl-A: When ISW > IL, ILA absorbs excess current, the sinking LA current increases, the output of the A1 comparator is high, and the output of P1N1 and P2N2 is high, resulting in the decrease in ISW and ILA. Due to the decrease in ISW, the sourcing current of ILA increases, and the output of A1 is low. At this time, when VCF is lower than VDD/2, the output of A2 comparator is high, resulting in P1N1 being low and P2N2 being high, increasing ISW. When VCF is higher than VDD/2, the A2 comparator output is low, resulting in P1N1 high and P2N2 low, which also increases ISW.
- Ctrl-B: the sourcing current of ILA increases, the output of the A1 comparator is low, and the output of P1N1 and P2N2 is low, increasing the ISW. If ISW is higher than the load current IL, ILA will absorb the excess current. Like ctrl-A, it repeats the above operation.
4. Simulation Results
5. Conclusions
Author Contributions
Funding
Institutional Review Board Statement
Informed Consent Statement
Conflicts of Interest
References
- Jiang, T.; Wu, Y. An Overview: Peak-to-Average Power Ratio Reduction Techniques for OFDM Signals. IEEE Trans. Broadcast. 2008, 54, 257–268. [Google Scholar] [CrossRef]
- Lavrador, P.M.; Cunha, T.R.; Cabral, P.M.; Pedro, J. The Linearity-Efficiency Compromise. IEEE Microw. Mag. 2010, 11, 44–58. [Google Scholar] [CrossRef]
- He, H.; Kang, Y.; Ge, T.; Guo, L.; Chang, J.S. A 2.5-W 40-MHz-Bandwidth Hybrid Supply Modulator With 91% Peak Efficiency, 3-V Output Swing, and 4-mV Output Ripple at 3.6-V Supply. IEEE Trans. Power Electron. 2019, 34, 712–723. [Google Scholar] [CrossRef]
- Wu, P.Y.; Mok, P.K.T. A Two-Phase Switching Hybrid Supply Modulator for RF Power Amplifiers with 9% Efficiency Improvement. IEEE J. Solid-State Circuits 2010, 45, 2543–2556. [Google Scholar] [CrossRef]
- Jing, Y.; Bakkaloglu, B. A High Slew-Rate Adaptive Biasing Hybrid Envelope Tracking Supply Modulator for LTE Applications. IEEE Trans. Microw. Theory Tech. 2017, 65, 3245–3256. [Google Scholar] [CrossRef]
- Park, B.; Kim, D.; Kim, S.; Cho, Y.; Kim, J.; Kang, D.; Jin, S.; Moon, A.; Kim, B. High-Performance CMOS Power Amplifier with Improved Envelope Tracking Supply Modulator. IEEE Trans. Microw. Theory Tech. 2016, 64, 798–809. [Google Scholar] [CrossRef]
- Jin, S.; Park, B.; Moon, K.; Kim, J.; Kwon, M.; Kim, D.; Kim, B. A Highly Efficient CMOS Envelope Tracking Power Amplifier Using All Bias Node Controls. IEEE Microw. Wirel. Compon. Lett. 2015, 25, 517–519. [Google Scholar] [CrossRef]
- Hanington, G.; Chen, P.-F.; Asbeck, P.M.; Larson, L.E. High-efficiency power amplifier using dynamic power-supply voltage for CDMA applications. IEEE Trans. Microw. Theory Tech. 1999, 47, 1471–1476. [Google Scholar] [CrossRef]
- Sahu, B.; Rincon-Mora, G.A. A high-efficiency linear RF power amplifier with a power-tracking dynamically adaptive buck-boost supply. IEEE Trans. Microw. Theory Tech. 2004, 52, 112–120. [Google Scholar] [CrossRef]
- Chu, W.; Bakkaloglu, B.; Kiaei, S. A 10 MHz Bandwidth, 2 mV Ripple PA Regulator for CDMA Transmitters. IEEE J. Solid-State Circuits 2008, 43, 2809–2819. [Google Scholar] [CrossRef]
- Lin, Y.-C.; Chen, Y.-J.E. A CMOS Envelope Tracking Supply Converter for RF Power Amplifiers of 5G NR Mobile Terminals. IEEE Trans. Power Electron. 2021, 36, 6814–6823. [Google Scholar] [CrossRef]
- Kim, D.; Kang, D.; Kim, J.; Cho, Y.; Kim, B. Highly Efficient Dual-Switch Hybrid Switching Supply Modulator for Envelope Tracking Power Amplifier. IEEE Microw. Wirel. Compon. Lett. 2012, 22, 285–287. [Google Scholar] [CrossRef]
- Hassan, M.; Asbeck, P.M.; Larson, L.E. A CMOS dual-switching power-supply modulator with 8% efficiency improvement for 20 MHz LTE Envelope Tracking RF power amplifiers. In Proceedings of the 2013 IEEE International Solid-State Circuits Conference Digest of Technical Papers, San Francisco, CA, USA, 17–21 February 2013; pp. 366–367. [Google Scholar]
- Paek, J.-S.; Kim, D.; Bang, J.-S.; Baek, J.; Choi, J.; Nomiyama, T.; Han, J.; Choo, Y.; Youn, Y.; Park, E.; et al. An 88%-Efficiency Supply Modulator Achieving 1.08 μs/V Fast Transition and 100 MHz Envelope-Tracking Bandwidth for 5G New Radio RF Power Amplifier. In Proceedings of the 2019 IEEE International Solid-State Circuits Conference—(ISSCC), San Francisco, CA, USA, 17–21 February 2019; pp. 238–240. [Google Scholar]
- Ho, C.-Y.; Lin, S.-M.; Meng, C.-H.; Hong, H.-P.; Yan, S.-H.; Kuo, T.-H.; Peng, C.-S.; Hsiao, C.-H.; Chen, H.-H.; Sung, D.-W.; et al. An 87.1% efficiency RF-PA envelope-tracking modulator for 80MHz LTE-Advanced transmitter and 31dBm PA output power for HPUE in 0.153 μm CMOS. In Proceedings of the 2018 IEEE International Solid—State Circuits Conference—(ISSCC), San Francisco, CA, USA, 11–15 February 2018; pp. 432–434. [Google Scholar]
- Paek, J.-S.; Youn, Y.-S.; Choi, J.-H.; Kim, D.; Jung, J.-H.; Choo, Y.; Lee, S.-J.; Lee, S.-C.; Cho, T.; Kang, I. An RF-PA supply modulator achieving 83% efficiency and −136 dBm/Hz noise for LTE-40 MHz and GSM 35 dBm applications. In Proceedings of the 2016 IEEE International Solid-State Circuits Conference (ISSCC), San Francisco, CA, USA, 31 January–4 February 2016; pp. 354–355. [Google Scholar]
- Riehl, P.; Fowers, P.; Hong, H.-P.; Ashburn, M. An AC-coupled hybrid envelope modulator for HSUPA transmitters with 80% modulator efficiency. In Proceedings of the 2013 IEEE International Solid-State Circuits Conference Digest of Technical Papers, San Francisco, CA, USA, 17–21 February 2013; pp. 364–365. [Google Scholar]
- Meynard, T.A.; Foch, H. Multi-level conversion: High voltage choppers and voltage-source inverters. In Proceedings of the PESC ‘92 Record. In Proceedings of the 23rd Annual IEEE Power Electronics Specialists Conference, Toledo, Spain, 29 June–3 July 1992; Volume 1, pp. 397–403. [Google Scholar]
- Yousefzadeh, V.; Alarcon, E.; Maksimovic, D. Three-level buck converter for envelope tracking applications. IEEE Trans. Power Electron. 2006, 21, 549–552. [Google Scholar] [CrossRef]
- Kim, W.; Brooks, D.; Wei, G.-Y. A Fully-Integrated 3-Level DC-DC Converter for Nanosecond-Scale DVFS. IEEE J. Solid-State Circuits 2012, 47, 206–219. [Google Scholar] [CrossRef]
- Liu, X.; Huang, C.; Mok, P.K.T. A High-Frequency Three-Level Buck Converter with Real-Time Calibration and Wide Output Range for Fast-DVS. IEEE J. Solid-State Circuits 2018, 53, 582–595. [Google Scholar] [CrossRef]
- Mahmoudidaryan, P.; Mandal, D.; Bakkaloglu, B.; Kiaei, S. A 91%-Efficiency Envelope-Tracking Modulator Using Hysteresis-Controlled Three-Level Switching Regulator and Slew-Rate-Enhanced Linear Amplifier for LTE-80MHz Applications. In Proceedings of the 2019 IEEE International Solid-State Circuits Conference—(ISSCC), San Francisco, CA, USA, 17–21 February 2019; pp. 428–430. [Google Scholar]
- Tan, M.; Ki, W. A 100 MHz Hybrid Supply Modulator with Ripple-Current-Based PWM Control. IEEE J. Solid-State Circuits 2017, 52, 569–578. [Google Scholar] [CrossRef]
- Mahmoudidaryan, P.; Mandal, D.; Bakkaloglu, B.; Kiaei, S. Wideband Hybrid Envelope Tracking Modulator with Hysteretic-Controlled Three-Level Switching Converter and Slew-Rate Enhanced Linear Amplifier. IEEE J. Solid-State Circuits 2019, 54, 3336–3347. [Google Scholar] [CrossRef]
- Wang, F.; Kimball, D.F.; Popp, J.D.; Yang, A.H.; Lie, D.Y.; Asbeck, P.M.; Larson, L.E. An Improved Power-Added Efficiency 19-dBm Hybrid Envelope Elimination and Restoration Power Amplifier for 802.11g WLAN Applications. IEEE Trans. Microw. Theory Tech. 2006, 54, 4086–4099. [Google Scholar] [CrossRef]
- Meynard, T.A.; Foch, H.; Thomas, P.; Courault, J.; Jakob, R.; Nahrstaedt, M. Multicell converters: Basic concepts and industry applications. IEEE Trans. Ind. Electron. 2002, 49, 955–964. [Google Scholar] [CrossRef]
- Hogervorst, R.; Tero, J.P.; Eschauzier, R.G.H.; Huijsing, J.H. A compact power-efficient 3 V CMOS rail-to-rail input/output operational amplifier for VLSI cell libraries. In Proceedings of the IEEE International Solid-State Circuits Conference—ISSCC ‘94, San Francisco, CA, USA, 16–18 February 1994; pp. 244–245. [Google Scholar]
- Gray, P.R.; Hurst, P.J.; Lewis, S.H.; Meyer, R.G. Analysis and Design of Analog Integrated Circuits, 5th ed.; John Wiley & Sons Inc.: Hoboken, NJ, USA, 2009; pp. 212–214. [Google Scholar]
- Liu, X.; Mok, P.K.T.; Jiang, J.; Ki, W.-H. Analysis and Design Considerations of Integrated 3-Level Buck Converters. IEEE Trans. Circuits Syst. I Regul. Pap. 2016, 63, 671–682. [Google Scholar] [CrossRef]















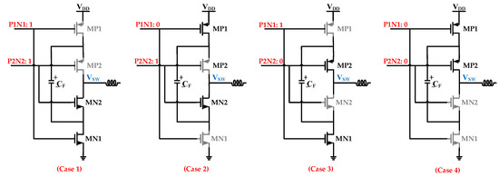
| State | P1N1 | P2N2 | VSW |
|---|---|---|---|
| case 1 | High | High | GND |
| case 2 | Low | High | VDD/2 |
| case 3 | High | Low | VDD/2 |
| case 4 | Low | Low | VDD |
| Input | Comparator State | Result | |
|---|---|---|---|
| 0 < VO_LA < VDD/2 (Ctrl-A) A3: high | A1: high | Case: 1 | |
| A1: low | A2: high A2: low | Case: 2 Case: 3 | |
| VDD/2 < VO_LA < VDD (Ctrl-B) A3: low | A1: low | Case: 4 | |
| A1: high | A2: high A2: low | Case: 2 Case: 3 | |
| Reference | [3] | [6] | [11] | [5] | [12] | [22] | This Work |
|---|---|---|---|---|---|---|---|
| CMOS Technology | 180 nm | 180 nm | 250 nm | 180 nm | 180 nm | 65 nm | 180 nm |
| Supply (V) | 3.6 | 4.7 | 5 | 3.6 | 5 | 2.4 | 5 |
| BW | LTE-A 40 MHz | LTE 10 MHz | 5G NR 40 MHz | LTE 10 MHz | 10 MHz | LTE 80 MHz | 5G NR 100 MHz |
| PAPR (dB) | NA | 7.5 | 12 | 7.24 | 6.95 | 7.84 | 7.5 |
| Output voltage (V) | 0.3–3.3 | 1.1–3 | 0.5–4 | 1.1–3.4 | 0.5–4.5 | NA | 0.3–4.6 |
| Output power (W) | 2.5 | 0.7 * | 0.3 * | 0.4 * | NA | 1 | 1.5 |
| Peak efficiency (%) | 91 | 81.5 | 79.1 | 83 | 80 | 91 | 85 |
Publisher’s Note: MDPI stays neutral with regard to jurisdictional claims in published maps and institutional affiliations. |
© 2022 by the authors. Licensee MDPI, Basel, Switzerland. This article is an open access article distributed under the terms and conditions of the Creative Commons Attribution (CC BY) license (https://creativecommons.org/licenses/by/4.0/).
Share and Cite
Yang, K.; Leng, Y.; Chen, C.; Qiu, X.; Cui, X.; Xu, B.; Hui, M. Three-Level Hybrid Envelope Tracking Supply Modulator with High-Bandwidth Wide-Output-Swing. Appl. Sci. 2022, 12, 11352. https://doi.org/10.3390/app122211352
Yang K, Leng Y, Chen C, Qiu X, Cui X, Xu B, Hui M. Three-Level Hybrid Envelope Tracking Supply Modulator with High-Bandwidth Wide-Output-Swing. Applied Sciences. 2022; 12(22):11352. https://doi.org/10.3390/app122211352
Chicago/Turabian StyleYang, Ke, Yongqing Leng, Chengying Chen, Xin Qiu, Xingli Cui, Bo Xu, and Ming Hui. 2022. "Three-Level Hybrid Envelope Tracking Supply Modulator with High-Bandwidth Wide-Output-Swing" Applied Sciences 12, no. 22: 11352. https://doi.org/10.3390/app122211352
APA StyleYang, K., Leng, Y., Chen, C., Qiu, X., Cui, X., Xu, B., & Hui, M. (2022). Three-Level Hybrid Envelope Tracking Supply Modulator with High-Bandwidth Wide-Output-Swing. Applied Sciences, 12(22), 11352. https://doi.org/10.3390/app122211352
