Optimal Design and Tuning of Novel Proportional Integral Derivative with Filter Thyristor-Controlled Series Compensator Stabiliser Using a New Hybrid Technique
Abstract
1. Introduction
- ➢
- Novel mathematical modelling of a PIDF controller and its power stability aspect was used as a damping controller. This controller has never been applied to the stability of a power system.
- ➢
- To build a reliable damping controller design for an SMIB system, the evolutionary programming sine cosine algorithm (EPSCA) technique was developed.
- ➢
- A novel multi-objective (MO) function was created that incorporates a strong damping controller architecture for SMIB systems and may be used in large power systems.
- ➢
- The proposed EPSCA is validated with the standard SCA, MFO, and EP techniques.
2. Materials and Methods
2.1. Modelling of SMIB Power System Installed with a TCSC
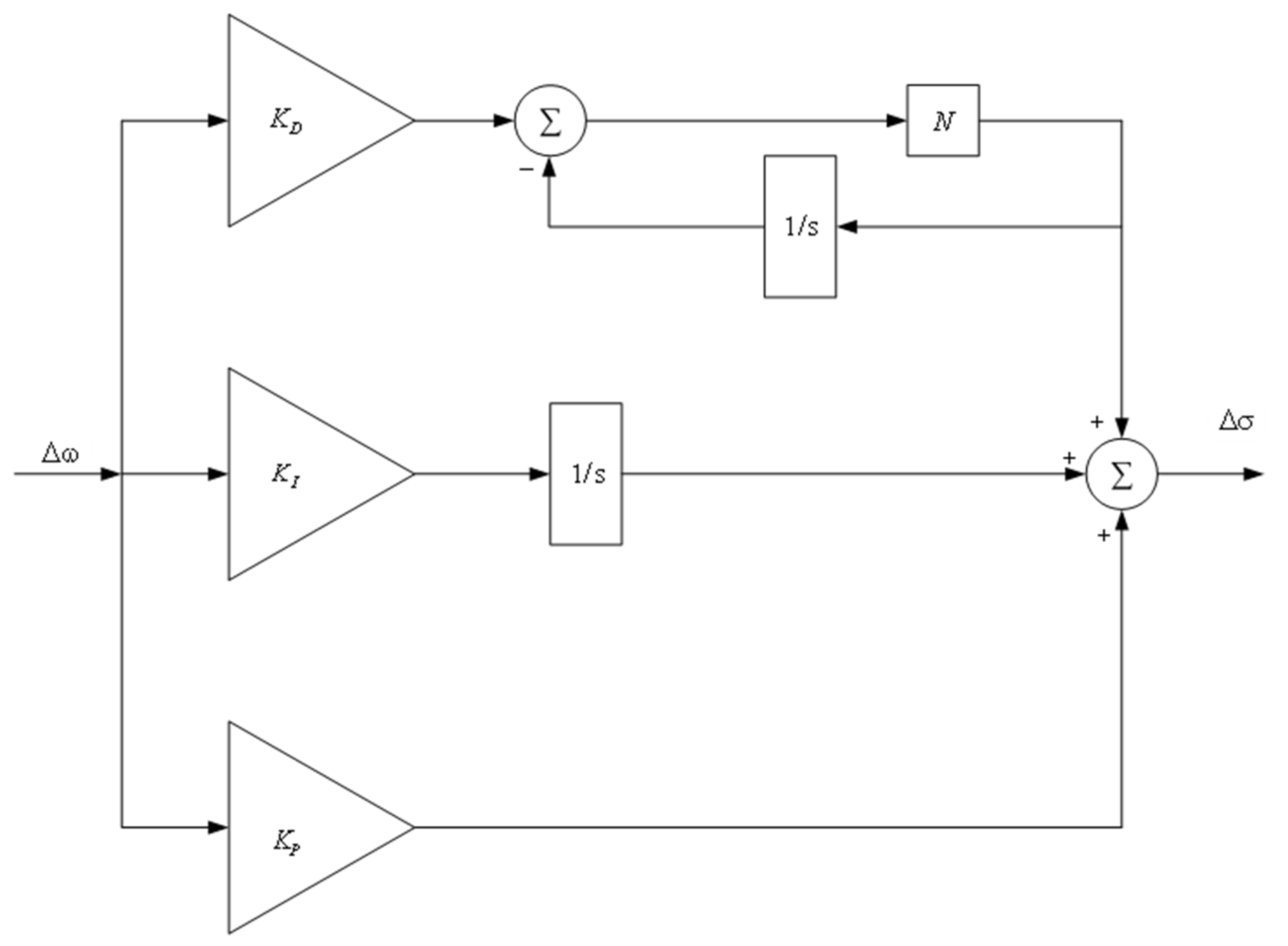
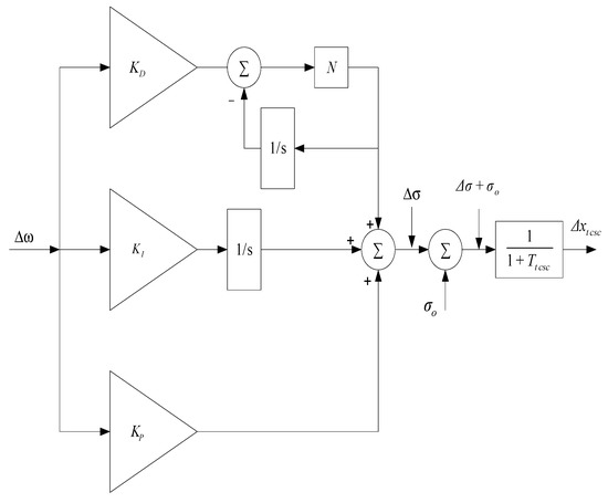
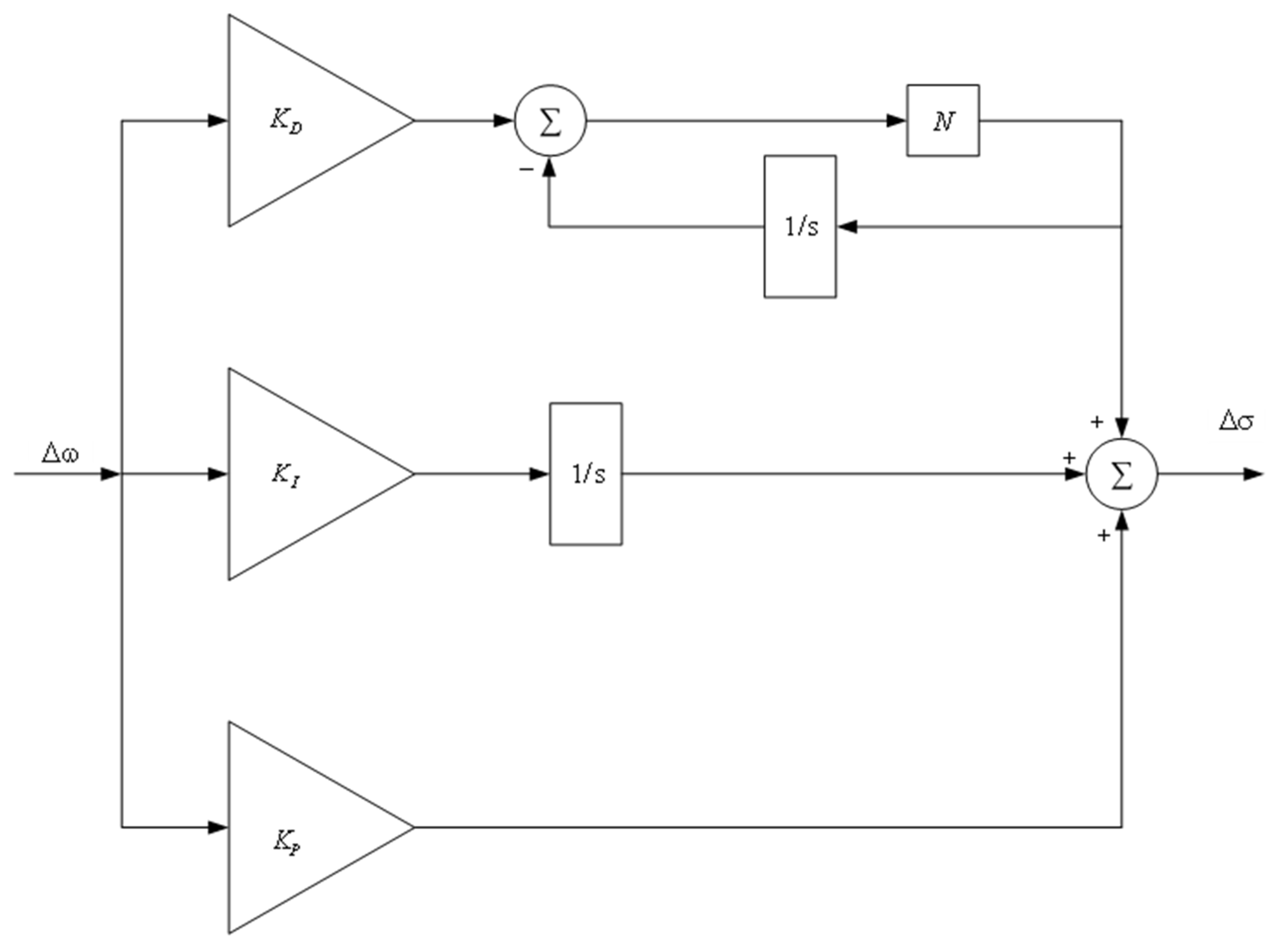
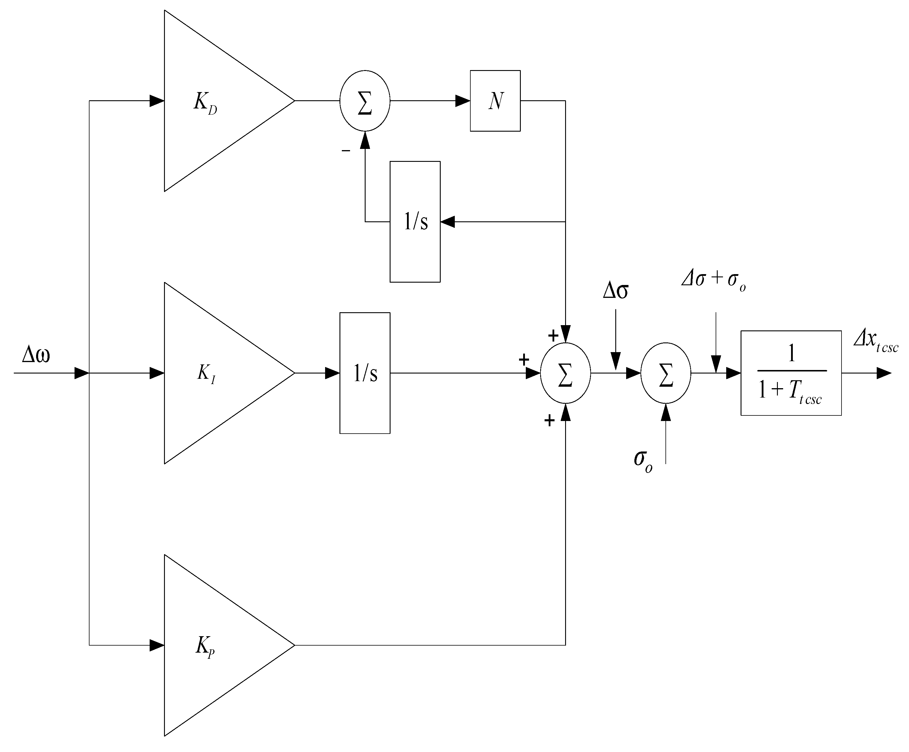
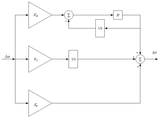
2.2. Modelling of a TCSC SMIB System Installed with PIDF Controller
2.3. Objective Function
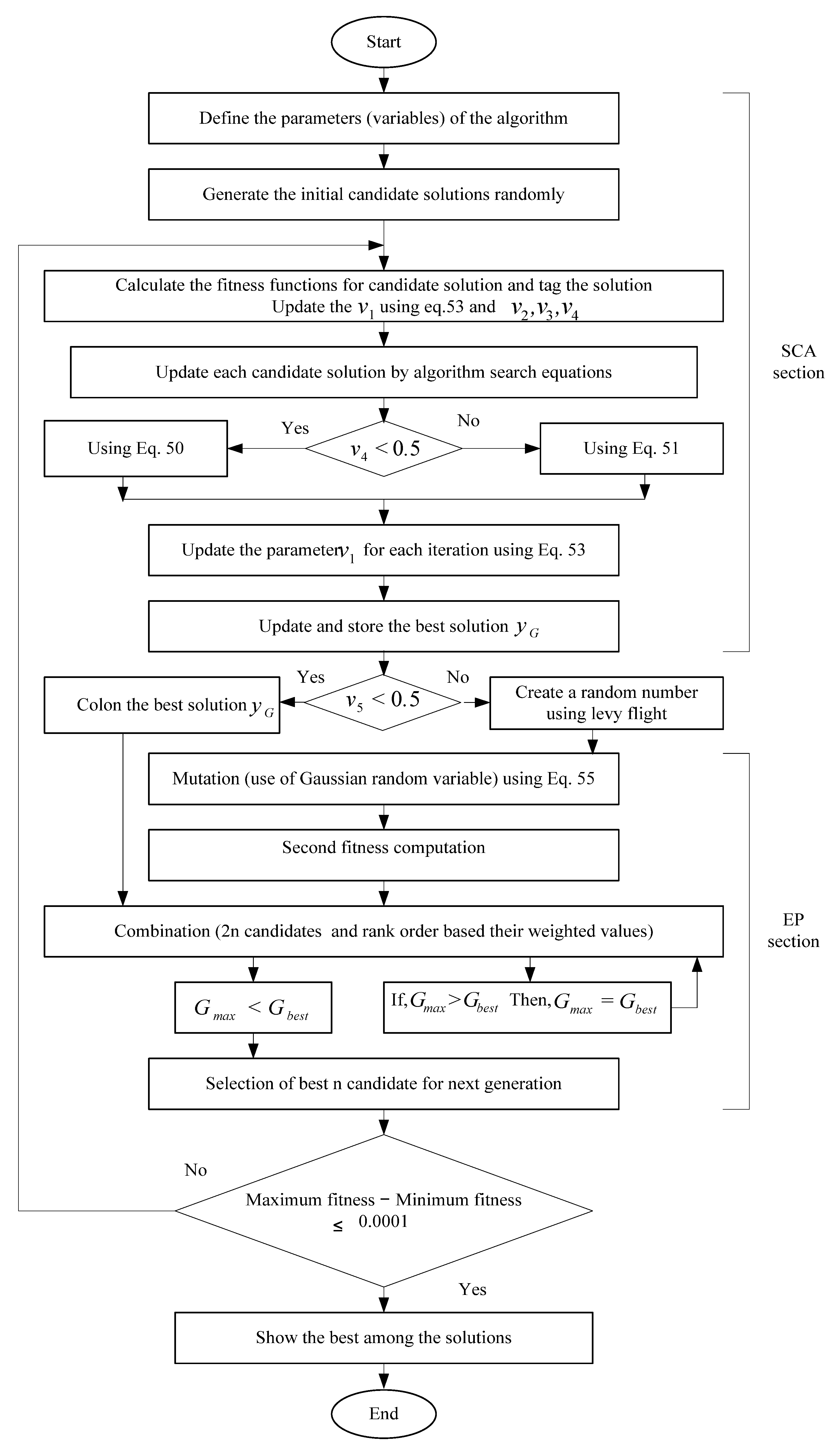
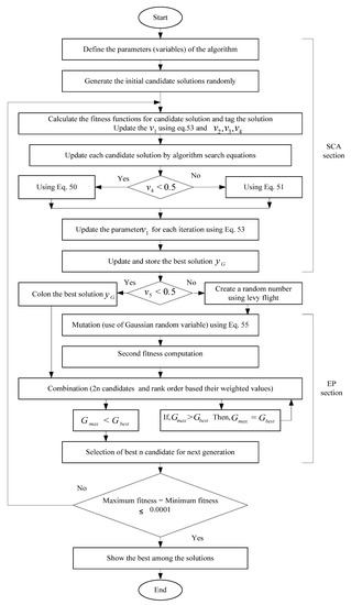
3. Proposed Algorithm
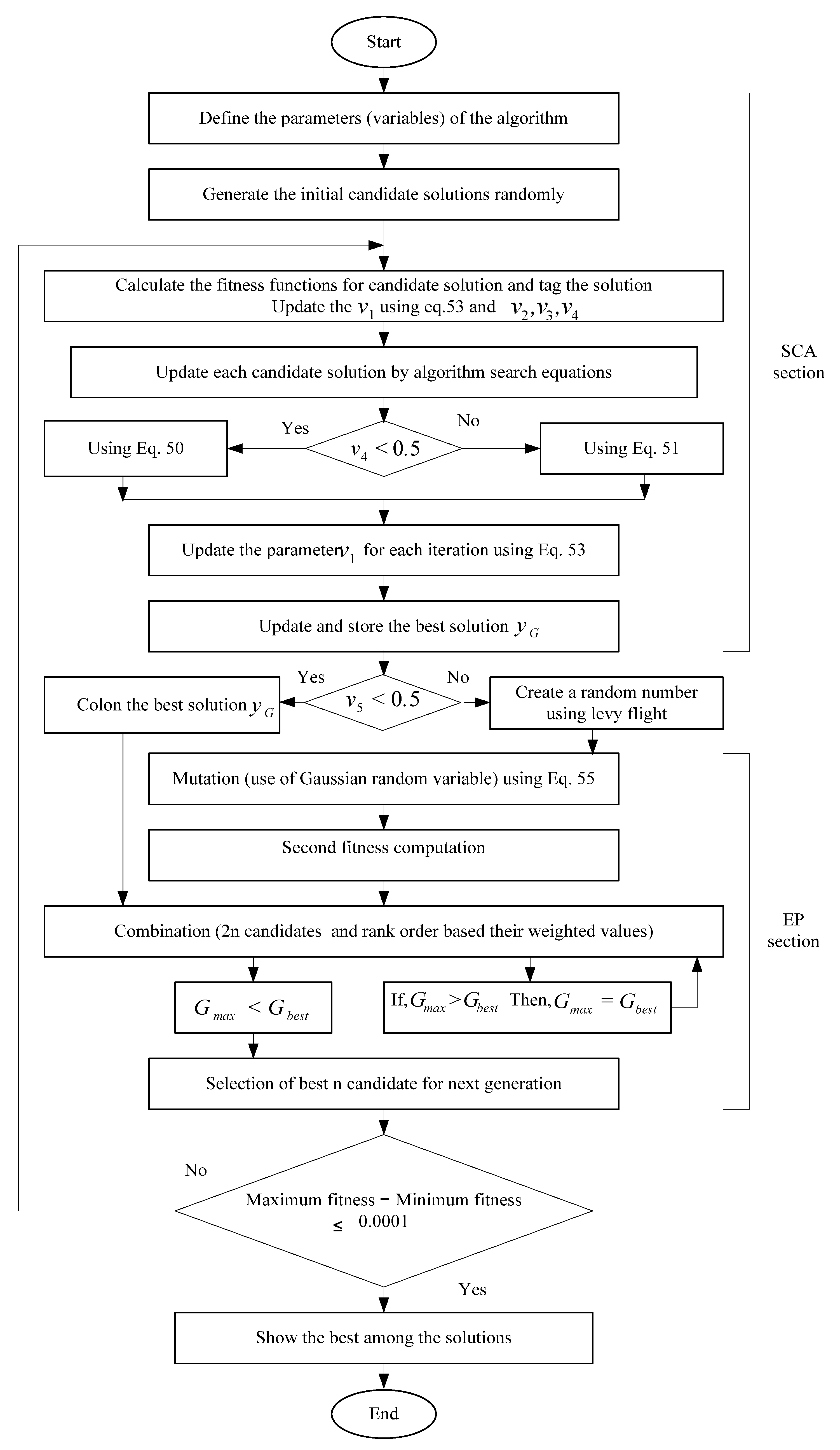
3.1. Evolutionary Programming Sine Cosine Algorithm
3.2. Sine Cosine Algorithm
3.3. Moth Flame Optimisation Algorithm
3.4. Evolutionary Programming Algorithm
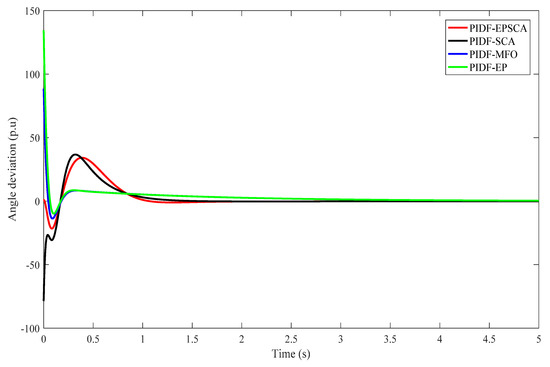
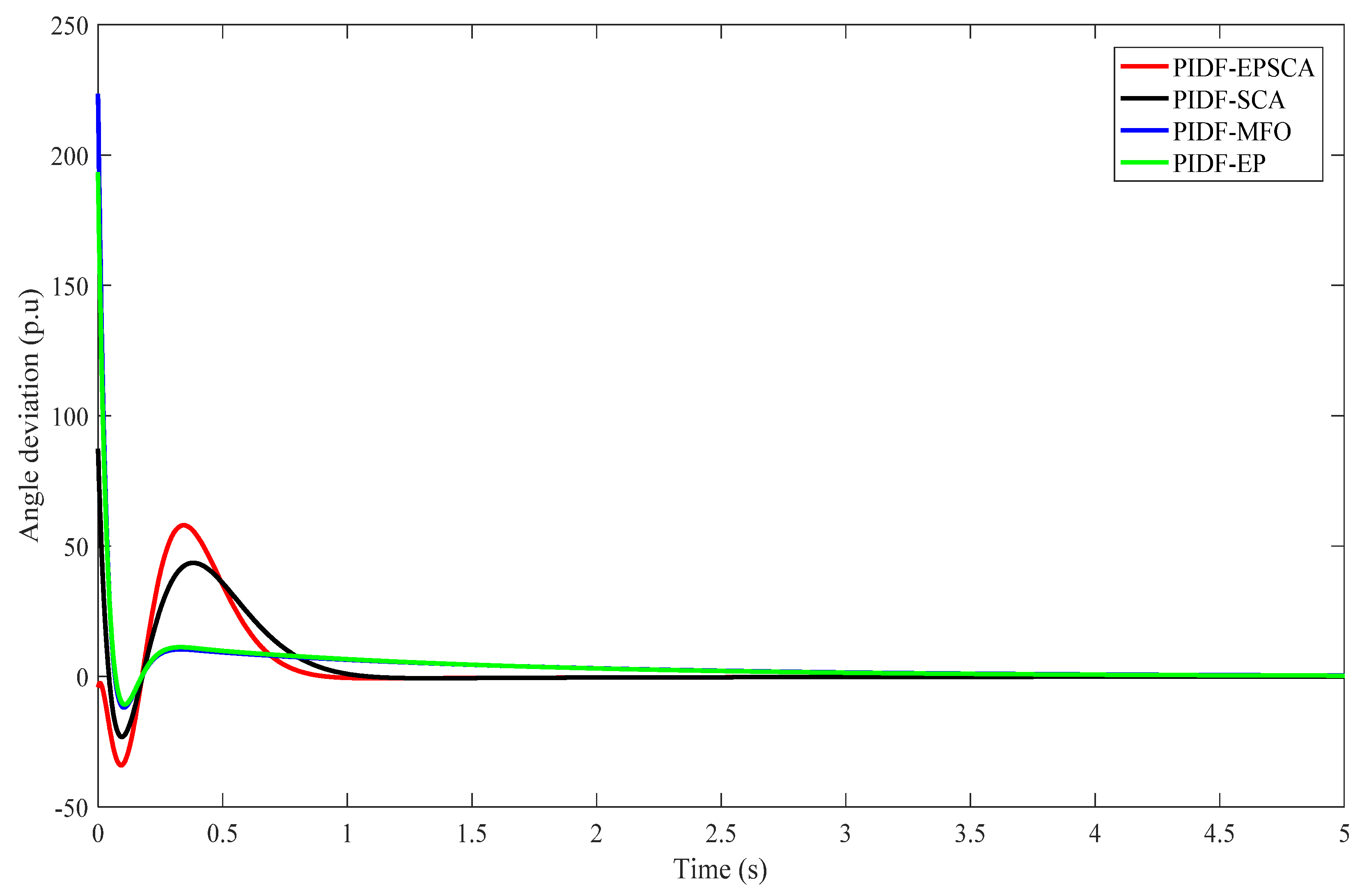
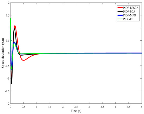
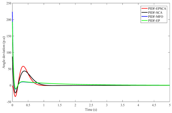
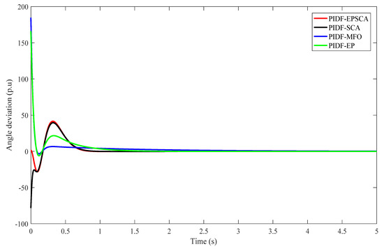
4. Results
- TCSC-PIDF controller in an SMIB system that was optimised using EPSCA (PIDF-EPSCA).
- TCSC-PIDF controller in an SMIB system that was optimised using SCA (PIDF-SCA).
- TCSC-PIDF controller in an SMIB system that was optimised using MFO (PIDF-MFO).
- TCSC-PIDF controller in a SMIB system that was optimised using EP (PIDF-EP).
5. Discussion
6. Conclusions
Author Contributions
Funding
Institutional Review Board Statement
Informed Consent Statement
Data Availability Statement
Conflicts of Interest
References
- Kundur, P. Power System Stability Controls, 3rd ed.; McGraw-Hill: New York, NY, USA, 1994; pp. 17–817. [Google Scholar]
- Wang, H.; Du, W. Analysis and Damping Control of Power System Low-Frequency Oscillations, 1st ed.; Springer: New York, NY, USA, 2016; pp. 1–182. [Google Scholar]
- Anderson, P.; Fouad, A. Power System Control and Stability, 2nd ed.; Wiley-IEEE Press: Danvers, IL, USA, 2002; pp. 13–165. [Google Scholar]
- Machowski, J.; Bialek, J.W.; Bumby, J.R. Power System Dynamics: Stability and Control, 2nd ed.; John Wiley & Sons Ltd.: Chichester, UK, 2008; pp. 159–271. [Google Scholar]
- Hannan, M.A.; Islam, N.N.; Mohamed, A.; Lipu, M.S.H.; Ker, P.J.; Rashid, M.M.; Shareef, H. Artificial Intelligent Based Damping Controller Optimization for the Multi-Machine Power System: A Review. IEEE Access 2018, 6, 39574–39594. [Google Scholar] [CrossRef]
- Ordóñez, C.A.; Gómez-Expósito, A.; Maza-Ortega, J.M. Series Compensation of Transmission Systems: A Literature Survey. Energies 2021, 14, 1717. [Google Scholar] [CrossRef]
- Quan, W.; Su, Q. Improved Adaptive Backstepping Approach on STATCOM Controller of Nonlinear Power Systems. IEEE Access 2019, 7, 139109–139117. [Google Scholar] [CrossRef]
- Guesmi, T.; Alshammari, B.M.; Almalaq, Y.; Alateeq, A.; Alqunun, K. New Coordinated Tuning of SVC and PSSs in Multimachine Power System Using Coyote Optimization Algorithm. Sustainability 2021, 13, 3131. [Google Scholar] [CrossRef]
- AL Ahmad, A.; Sirjani, R. Optimal placement and sizing of multi-type FACTS devices in power systems using metaheuristic optimisation techniques: An updated review. Ain Shams Eng. J. 2019, 11, 611–628. [Google Scholar] [CrossRef]
- Jiang, S.; Gole, A.M.; Annakkage, U.D.; Jacobson, D.A. Damping Performance Analysis of IPFC and UPFC Controllers Using Validated Small-Signal Models. IEEE Trans. Power Deliv. 2011, 26, 446–454. [Google Scholar] [CrossRef]
- Zhou, L.; Swain, A.; Ukil, A. Reinforcement Learning Controllers for Enhancement of Low Voltage Ride through Capability in Hybrid Power Systems. IEEE Trans. Ind. Inform. 2020, 16, 5023–5031. [Google Scholar] [CrossRef]
- Zuo, J.; Li, Y.; Shi, D.; Duan, X. Simultaneous Robust Coordinated Damping Control of Power System Stabilizers (PSSs), Static Var Compensator (SVC) and Doubly-Fed Induction Generator Power Oscillation Dampers (DFIG PODs) in Multimachine Power Systems. Energies 2017, 10, 565. [Google Scholar] [CrossRef]
- Abido, M.A. A novel approach to conventional power system stabilizer design using tabu search. Fuel Energy Abstr. 1999, 41, 153. [Google Scholar] [CrossRef]
- Ali, E.S. Optimization of Power System Stabilizers using BAT search algorithm. Int. J. Electr. Power Energy Syst. 2014, 61, 683–690. [Google Scholar] [CrossRef]
- Jiang, P.; Fan, Z.; Feng, S.; Wu, X.; Cai, H.; Xie, Z. Mitigation of power system forced oscillations based on unified power flow controller. J. Mod. Power Syst. Clean Energy 2018, 7, 99–112. [Google Scholar] [CrossRef]
- Al-Ismail, F.S.; Hassan, M.A.; Abido, M.A. RTDS Implementation of STATCOM-Based Power System Stabilizers. Can. J. Electr. Comput. Eng. 2014, 37, 48–56. [Google Scholar] [CrossRef]
- Cai, L.-J.; Erlich, I. Simultaneous Coordinated Tuning of PSS and FACTS Damping Controllers in Large Power Systems. IEEE Trans. Power Syst. 2005, 20, 294–300. [Google Scholar] [CrossRef]
- Eslami, M.; Babaei, B.; Shareef, H.; Khajehzadeh, M.; Arandian, B. Optimum Design of Damping Controllers Using Modified Sperm Swarm Optimization. IEEE Access 2021, 9, 145592–145604. [Google Scholar] [CrossRef]
- Kamari, N.A.M.; Musirin, I.; Ibrahim, A.A. Swarm Intelligence Approach for Angle Stability Improvement of PSS and SVC-Based SMIB. J. Electr. Eng. Technol. 2020, 15, 1001–1014. [Google Scholar] [CrossRef]
- Linda, M.M.; Nair, N.K. A new-fangled adaptive mutation breeder genetic optimization of global multi-machine power system stabilizer. Int. J. Electr. Power Energy Syst. 2013, 44, 249–258. [Google Scholar] [CrossRef]
- Keskes, S.; Salleem, S.; Chrifi-Alaoui, L.; Kammoun, M.B.A. Nonlinear Coordinated Passivation Control of Single Machine Infinite Bus Power System with Static Var Compensator. J. Mod. Power Syst. Clean Energy 2021, 9, 1557–1565. [Google Scholar] [CrossRef]
- Khawaja, A.W.; Kamari, N.A.M.; Zainuri, M.A.A.M. Design of a Damping Controller Using a Metaheuristic Algorithm for Angle Stability Improvement of an MIB System. Appl. Sci. 2022, 12, 589. [Google Scholar] [CrossRef]
- Khawaja, A.W.; Kamari, N.A.M.; Musirin, I.; Zulkifley, M.A.; Sujod, M.Z. Design of optimal multi-objective-based facts component with proportional-integral-derivative controller using swarm optimization approach. Int. J. Adv. Technol. Eng. Explor. 2021, 8, 391–404. [Google Scholar] [CrossRef]
- Khawaja, A.W.; Kamari, N.A.M.; Zainuri, M.A.A.M. Design of a Damping Controller Using the SCA Optimization Technique for the Improvement of Small Signal Stability of a Single Machine Connected to an Infinite Bus System. Energies 2021, 14, 2996. [Google Scholar] [CrossRef]
- Sambariya, D.K.; Prasad, R. Robust tuning of power system stabilizer for small signal stability enhancement using metaheuristic bat algorithm. Int. J. Electr. Power Energy Syst. 2014, 61, 229–238. [Google Scholar] [CrossRef]
- Yakout, A.; Sabry, W.; Hasanien, H.M. Enhancing rotor angle stability of power systems using marine predator algorithm based cascaded PID control. Ain Shams Eng. J. 2021, 12, 1849–1857. [Google Scholar] [CrossRef]
- Jahanshahi, E.; Oliveira, V.D.; Grimholt, C.; Skogestad, S. A comparison between Internal Model Control, optimal PIDF and robust controllers for unstable flow in risers. IFAC 2014, 47, 5752–5759. [Google Scholar] [CrossRef]
- Sahu, R.K.; Sekhar, G.T.C.; Panda, S. DE optimized fuzzy PID controller with derivative filter for LFC of multi source power system in deregulated environment. Ain Shams Eng. J. 2015, 2, 511–530. [Google Scholar] [CrossRef]
- Cuoghi, S.; Ntogramatzidis, L.; Padula, F.; Grandi, G. Direct Digital Design of PIDF Controllers with ComPlex Zeros for DC-DC Buck Converters. Energies 2019, 12, 36. [Google Scholar] [CrossRef]
- Yakout, A.H.; Kotb, H.; Hasanien, H.M.; Aboras, K.M. Optimal Fuzzy PIDF Load Frequency Controller for Hybrid Microgrid System Using Marine Predator Algorithm. IEEE Access 2021, 9, 54220–54232. [Google Scholar] [CrossRef]
- Hassan, M.; Abido, M.A.; Aliyu, A. Design of Power System Stabilizer Using Phase Based Objective Function and Heuristic Algorithm. In Proceedings of the 2019 8th International Conference on Modeling Simulation and Applied Optimization (ICMSAO), Manama, Bahrain, 15–17 April 2019; IEEE: New York, NY, USA, 2019. [Google Scholar] [CrossRef]
- Paital, S.R.; Ray, P.K.; Mohanty, A.; Patra, S.; Dubey, H. Bacterial Foraging Optimized STATCOM for Stability Assessment in Power System. In Proceedings of the 2016 IEEE Students’ Technology Symposium(TechSym), Kharagpur, India, 30 September–2 October 2016; IEEE: New York, NY, USA, 2019; pp. 85–89. [Google Scholar] [CrossRef]
- Shankar, R.; Bhushan, R.; Chatterjee, K. Small-signal stability analysis for two-area interconnected power system with load frequency controller in coordination with FACTS and energy storage device. Ain Shams Eng. J. 2016, 7, 603–612. [Google Scholar] [CrossRef]
- Chaib, L.; Choucha, A.; Arif, S. Optimal design and tuning of novel fractional order PID power system stabilizer using a new metaheuristic Bat algorithm. Ain Shams Eng. J. 2017, 8, 113–125. [Google Scholar] [CrossRef]
- Dasu, B.; Kumar, M.S.; Rao, R.S. Design of robust modified power system stabilizer for dynamic stability improvement using Particle Swarm Optimization technique. Ain Shams Eng. J. 2019, 10, 769–783. [Google Scholar] [CrossRef]
- Guchhait, P.K.; Banerjee, A.; Mukherjee, V. Comparative study using soft computing techniques for the reactive power compensation of a hybrid power system model. Ain Shams Eng. J. 2019, 11, 87–98. [Google Scholar] [CrossRef]
- Banaei, M.R.; Seyed-Shenava, S.J.; Farahbakhsh, P. Dynamic stability enhancement of power system based on a typical unified power flow controllers using imperialist competitive algorithm. Ain Shams Eng. J. 2014, 5, 691–702. [Google Scholar] [CrossRef]
- Morsali, J.; Zare, K.; Hagh, M.T. Performance comparison of TCSC with TCPS and SSSC controllers in AGC of realistic interconnected multi-source power system. Ain Shams Eng. J. 2016, 7, 143–158. [Google Scholar] [CrossRef]
- Panda, S.; Padhy, N.P. Application of genetic algorithm for pss and facts-based controller design. Int. J. Comput. Methods 2008, 5, 607–620. [Google Scholar] [CrossRef]
- Li, C.; Deng, J.; Zhang, X. Coordinated design and application of robust damping controllers for shunt FACTS devices to enhance small-signal stability of large-scale power systems. CSEE J. Power Energy Syst. 2017, 3, 399–407. [Google Scholar] [CrossRef]
- Kamari, N.A.M.; Musirin, I.; Ibrahim, A.A.; Halim, S.A. Intelligent swarm-based optimization technique for oscillatory stability assessment in power system. IAES Int. J. Artif. Intell. 2019, 8, 342–351. [Google Scholar] [CrossRef]
- Mirjalili, S. SCA: A Sine Cosine Algorithm for solving optimization problems. Knowl. Based Syst. 2016, 96, 120–133. [Google Scholar] [CrossRef]
- Mirjalili, S. Moth-flame optimization algorithm: A novel nature-inspired heuristic paradigm. Knowl. Based Syst. 2015, 89, 228–249. [Google Scholar] [CrossRef]
- Kamari, N.A.M.; Musirin, I.; Othman, M.M. IPSO based SVC-PID for angle stability enhancement. Int. J. Simul. Syst. Sci. Technol. 2016, 17, 20.1–20.7. [Google Scholar] [CrossRef]


























| Scenarios | Loading Scenarios (Ρ, Ǫ) | |
|---|---|---|
| Dynamic Load (Ρ) | Reactive Load (Ǫ) | |
| Scenario A-1 | Ρ = 0.500 (p.u) | Ǫ = 0.3155 (p.u) |
| Scenario A-2 | Ρ = 0.475 (p.u) | Ǫ = 0.3172 (p.u) |
| Scenario A-3 | Ρ = 0.400 (p.u) | Ǫ = 0.3219 (p.u) |
| Scenario A-4 | Ρ = 0.300 (p.u) | Ǫ = 0.3269 (p.u) |
| Modules | Parameters List |
|---|---|
| Generator | H = 4, = 1.0, = 0.005, = 0.78, = 0.73, = 1.11, Td0′ = 6, = 1, = 0.6. = 0.002, M = 7, = 0.04. |
| Transmission Line | Re = 0, = 0.15. |
| Exciter and TCSC | = 10, = 0.02, = 1.0, = 1.05, = 0.054, = 0.90837, = 1. |
| Type | PIFF-EPSCA | PIDF-SCA | PIDF-MFO | PIDF-EP |
|---|---|---|---|---|
| Parameters optimised | = 0.024275 = 0.000531 = 0.111213 N = 122.1625 | = 0.023936 = 0.000318 = 0.018067 N = 102.0015 | = 0.038666 = 0.000202 = 0.084392 N = 184.5104 | = 0.039688 = 0.000169 = 0.084817 N = 184.2895 |
| Objective function value | 0.1740 DR = 0.9041 DF = −0.6687 | 0.1338 DR = 0.9070 DF = −0.6427 | 0.1240 DR = 0.8179 DF = −0.5660 | 0.1253 DR = 0.8258 DF = −0.5339 |
| No. of iterations | 9 | 25 | 60 | 10 |
| Settling time (s) | 1.35 | 2 | 2.35 | 2.5 |
| Type | PIDF-EPSCA | PIDF-SCA | PIDF-MFO | PIDF-EP |
|---|---|---|---|---|
| Parameters optimised | = 0.020772 = 0.000686 = 0.0892724 N = 142.90544 | = 0.033540 = 0.000612 = 0.216218 N = 180.87885 | = 0.039233 = 0.000148 = 0.0694360 N = 158.67512 | = 0.040951 = 0.000198 = 0.0894365 N = 189.86943 |
| Objective function value | 0.1895 DR = 0.9221 DF = −0.6242 | 0.1915 DR = 0.8635 DF = −0.6227 | 0.1289 DR = 0.8613 DF = −0.5176 | 0.1244 DR = 0.8258 DF = −0.5339 |
| No. of iterations | 13 | 32 | 52 | 6 |
| Settling time (s) | 1.1 | 1.16 | 5 | 4.35 |
| Type | PIDF-EPSCA | PIDF-SCA | PIDF-MFO | PIDF-EP |
|---|---|---|---|---|
| Parameters optimised | = 0.011841 = 0.000825 = 0.004116 N = 77.39919 | = 0.020819 = 0.000705 = 0.070581 N = 100.06704 | = 0.050461 = 0.000182 = 0.0815191 N = 182.95746 | = 0.048138 = 0.000213 = 0.025814 N = 197.6818 |
| Objective function value | 0.1240 DR = 0.8596 DF = −0.4765 | 0.1221 DR = 0.8600 DF = −0.4760 | 0.1247 DR = 0.8282 DF = −0.4543 | 0.1244 DR = 0.8258 DF = −0.5339 |
| No. of iterations | 12 | 32 | 62 | 7 |
| Settling time (s) | 1.47 | 1.7 | 5 | 3.9 |
| Type | PIDF-EPSCA | PIDF-SCA | PIDF-MFO | PIDF-EP |
|---|---|---|---|---|
| Parameters optimised | = 0.013117 = 0.001151 = 0.007107 N = 77.75017 | = 0.018126 = 0.001107 = 0.057536 N = 88.88804 | = 0.062337 = 0.000297 = 0.0859279 N = 180.39036 | = 0.048779 = 0.000879 = 0.2615544 N = 192.05312 |
| Objective function value | 0.1615 DR = 0.9069 DF = −0.276312 | 0.1625 DR = 0.9126 DF = −0.276305 | 0.1220 DR = 0.8457 DF = −0.275601 | 0.1282 DR = 0.7947 DF = −0.27621 |
| No. of iterations | 14 | 42 | 49 | 8 |
| Settling time (s) | 0.95 | 1.05 | 3.5 | 2.1 |
Publisher’s Note: MDPI stays neutral with regard to jurisdictional claims in published maps and institutional affiliations. |
© 2022 by the authors. Licensee MDPI, Basel, Switzerland. This article is an open access article distributed under the terms and conditions of the Creative Commons Attribution (CC BY) license (https://creativecommons.org/licenses/by/4.0/).
Share and Cite
Khawaja, A.W.; Kamari, N.A.M.; Zainuri, M.A.A.M.; Zulkifley, M.A.; Zaman, M.H.M.; Musirin, I. Optimal Design and Tuning of Novel Proportional Integral Derivative with Filter Thyristor-Controlled Series Compensator Stabiliser Using a New Hybrid Technique. Appl. Sci. 2022, 12, 11153. https://doi.org/10.3390/app122111153
Khawaja AW, Kamari NAM, Zainuri MAAM, Zulkifley MA, Zaman MHM, Musirin I. Optimal Design and Tuning of Novel Proportional Integral Derivative with Filter Thyristor-Controlled Series Compensator Stabiliser Using a New Hybrid Technique. Applied Sciences. 2022; 12(21):11153. https://doi.org/10.3390/app122111153
Chicago/Turabian StyleKhawaja, Abdul Waheed, Nor Azwan Mohamed Kamari, Muhammad Ammirrul Atiqi Mohd Zainuri, Mohd Asyraf Zulkifley, Mohd Hairi Mohd Zaman, and Ismail Musirin. 2022. "Optimal Design and Tuning of Novel Proportional Integral Derivative with Filter Thyristor-Controlled Series Compensator Stabiliser Using a New Hybrid Technique" Applied Sciences 12, no. 21: 11153. https://doi.org/10.3390/app122111153
APA StyleKhawaja, A. W., Kamari, N. A. M., Zainuri, M. A. A. M., Zulkifley, M. A., Zaman, M. H. M., & Musirin, I. (2022). Optimal Design and Tuning of Novel Proportional Integral Derivative with Filter Thyristor-Controlled Series Compensator Stabiliser Using a New Hybrid Technique. Applied Sciences, 12(21), 11153. https://doi.org/10.3390/app122111153

