Analysis of the Influence of Structural Parameters on the Modes of a Gantry Machine Tool Crossbeam Based on Analytical Method
Abstract
1. Introduction
2. Bernoulli–Euler Beam with Variable Cross-Section
2.1. Differential Equation of Motion
2.2. Boundary Condition and Solution
3. Crossbeam of Gantry Machine Tool: Analytical Solutions
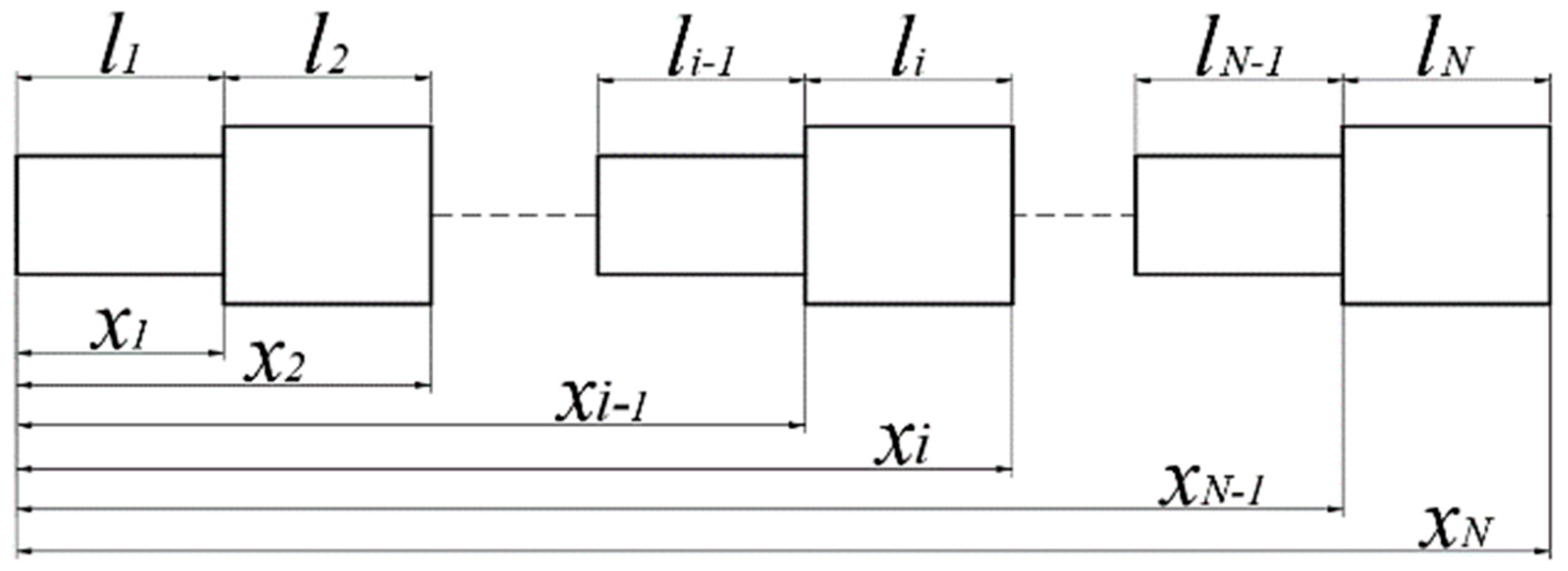
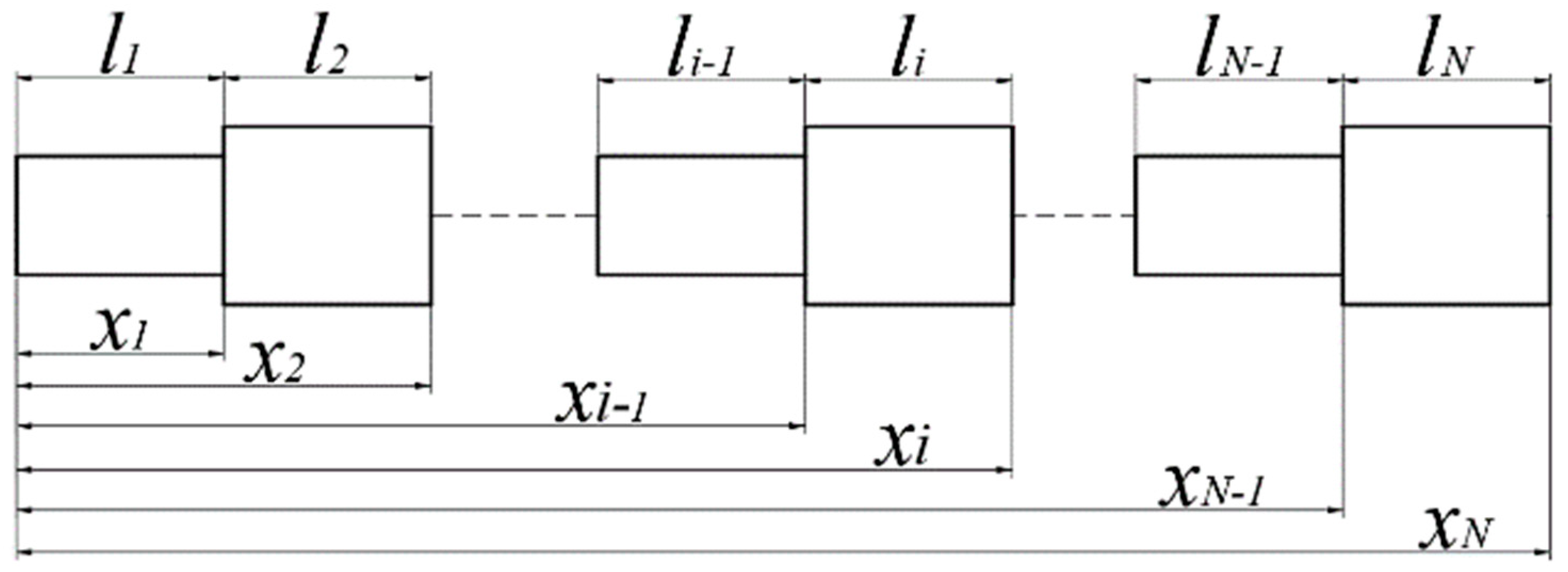
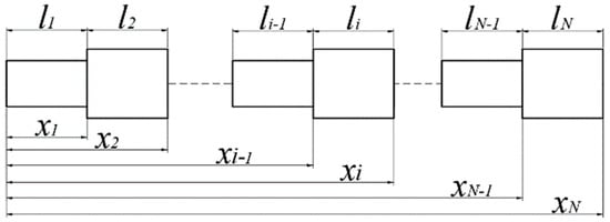
3.1. Crossbeam Properties and Cross-Section Parameters
3.2. Analytical Solutions
4. Influence of Structural Parameters on Crossbeam Mode
4.1. Structural Parameters Analytical Solutions
4.2. Sensitivity Analysis
5. Conclusions
- Based on the Euler beam theory and transmission matrix method, the analytical method of the beam mode with variable cross-section is deduced. By dividing the crossbeam of the gantry machine tool into 27 segments according to the different cross-sectional shapes, the analytical solutions of the crossbeam mode are obtained, which are validated by the finite element method. Comparing with the FEM, the analytical method has advantages in terms of computational efficiency.
- By using the analytical method due to its high efficiency, the influence of the structural parameters on the crossbeam mode is investigated. Increasing the linear density in the middle part leads to the decrease in the modal node span of the crossbeam, while increasing the linear density in the end part leads to the opposite result. The bending stiffness in the end and middle of the crossbeam has a very low influence on the mode shape.
- The sensitivities of various structural parameters to the crossbeam mode are obtained separately. The results show that the main factor affecting the first-order frequency of the crossbeam is the bending stiffness in the middle part of the crossbeam, followed by the linear density in the middle and end part. The bending stiffness in the end part of the crossbeam barely makes a difference to the crossbeam mode.
- This study provides an efficient method for the crossbeam modal analysis, which is expected to be widely used in the design of the machine tool crossbeams. The next step is to optimize the structural parameters of the crossbeam. However, the analytical method of the crossbeam mode is only suitable for the analysis of low-order modes because Euler beam theory ignores the influence of shear deformation and the moment of inertia. Therefore, increasing the precision of the high-order mode of the crossbeam will be the future research focus.
Author Contributions
Funding
Institutional Review Board Statement
Informed Consent Statement
Data Availability Statement
Conflicts of Interest
References
- Cheng, Q.; Zhao, H.; Zhao, Y.; Sun, B.; Gu, P. Machining accuracy reliability analysis of multi-axis machine tool based on Monte Carlo simulation. J. Intell. Manuf. 2018, 29, 191–209. [Google Scholar] [CrossRef]
- Yang, J.; Ding, H.; Zhao, H.; Yan, S. A generalized online estimation algorithm of multi-axis contouring errors for CNC machine tools with rotary axes. Int. J. Adv. Manuf. Technol. 2015, 84, 1239–1251. [Google Scholar] [CrossRef]
- Zhang, D.; Wang, L.; Gao, Z.; Su, X. On performance enhancement of parallel kinematic machine. J. Intell. Manuf. 2013, 24, 267–276. [Google Scholar] [CrossRef]
- Guo, S.; Jiang, G.; Mei, X. Investigation of sensitivity analysis and compensation parameter optimization of geometric error for five-axis machine tool. Int. J. Adv. Manuf. Technol. 2017, 93, 3229–3243. [Google Scholar] [CrossRef]
- Cheng, Q.; Luo, R.; Gu, P.; Wang, Z.; Guo, H. Load Induced Error Identification and Camber Curve Design of a Large-Span Crossbeam. Adv. Mech. Eng. 2013, 5, 847194. [Google Scholar] [CrossRef]
- Besharati, S.R.; Dabbagh, V.; Amini, H.; Sarhan, A.A.; Akbari, J.; Hamdi, M.; Ong, Z.C. Multi-objective selection and structural optimization of the gantry in a gantry machine tool for improving static, dynamic, and weight and cost performance. Concurr. Eng. 2016, 24, 83–93. [Google Scholar] [CrossRef]
- Zhou, L.; Yuan, J.; Wang, Z. Analysis and Optimization of the Structural of Beam in the Planer Type Machines. Mach. Des. Manuf. 2014, 1, 15–17. [Google Scholar]
- Zhao, L.; Chen, W.; Ma, J. Structural bionic optimization of stiffening ribs of a machine tool crossbeam based on giant waterlily vein distribution. Chin. High Technol. Lett. 2008, 18, 806–810. [Google Scholar]
- Gao, Z.; Qiu, Z.; Ren, D.; Cui, D.; Xu, X. Structure design and optimization for crossbeam of bridge gantry milling machine. Chin. J. Eng. Des. 2019, 26, 56–64. [Google Scholar]
- Qiu, Z.; Ju, J.; Ren, D.; Cui, D.; Liu, C. Optimization design for the crossbeam of a machining tool based on the orthogonal experimental method and combination weight-grey relational analysis. J. Vib. Shock 2017, 36, 105–111. [Google Scholar]
- Liu, S.; Li, Y.; Liao, Y.; Guo, Z. Structural optimization of the cross-beam of a gantry machine tool based on grey relational analysis. Struct. Multidiscip. Optim. 2014, 50, 297–311. [Google Scholar] [CrossRef]
- Li, X.; Li, C.; Li, P.; Hu, H.; Sui, X. Structural Design and Optimization of the Crossbeam of a Computer Numerical Controlled Milling-Machine Tool Using Sensitivity Theory and NSGA-II Algorithm. Int. J. Precis. Eng. Manuf. 2021, 22, 287–300. [Google Scholar] [CrossRef]
- Yang, G.; Gao, Y.; Wan, B. Analytic Analysis of the First Order Vertical Bending Frequency of Carbodies. Roll. Stock 2015, 53, 1–6. [Google Scholar]
- Yang, S.; Li, F.; Shi, H.; Wu, P. Effect of Modal Node Position of Vertical Bending of Car Body on Its Vibration. J. Mech. Eng. 2020, 56, 210–218. [Google Scholar]
- Mutman, U. Free Vibration Analysis of an Euler Beam of Variable Width on the Winkler Foundation Using Homotopy Perturbation Method. Math. Probl. Eng. 2013, 2013, 1–9. [Google Scholar] [CrossRef]
- Shin, Y.; Yun, J.; Seong, K.; Kim, J.; Kang, S.W. Natural frequencies of Euler-Bernoulli beam with open cracks on elastic foundations. J. Mech. Sci. Technol. 2006, 20, 467–472. [Google Scholar] [CrossRef]
- Wang, M.; Qin, P.; Zhang, Y.; Gao, X. Solution and Application for Vibration Characteristics of Combined Stepped Beam. J. Beijing Nuiversity Technol. 2019, 45, 1–7. [Google Scholar]
- Cui, D.; Li, D.; Zhou, S. Optimum design of variable cross-section bending–twisting coupled boxed structure based on multicoupled laminates. Int. J. Mech. Mater. Des. 2022, 18, 567–585. [Google Scholar] [CrossRef]
- Liu, P.; Liu, H.; Lin, K.; Qin, R. Free transverse vibration analysis of tapered bernoulli-euler beams based on spline finite point method. J. Vib. Shock 2016, 35, 66–73. [Google Scholar]
- Firouz-Abadi, R.D.; Haddadpour, H.; Novinzadeh, A.B. An asymptotic solution to transverse free vibrations of variable-section beams. J. Sound Vib. 2007, 304, 530–540. [Google Scholar] [CrossRef]
- Lee, J.W.; Lee, J.Y. Free vibration analysis using the transfer-matrix method on a tapered beam. Comput. Struct. 2016, 164, 75–82. [Google Scholar] [CrossRef]
- Cui, C.; Li, Y. A Solution for Vibration Characteristic of Timoshenko Beam with Variable Cross-section. J. Dyn. Control 2012, 10, 258–262. [Google Scholar]









| Direction | Parameter | Analytical | FEM | Error/% |
|---|---|---|---|---|
| X | First-order bending frequency/Hz | 144.88 | 146.77 | −1.29% |
| Left modal node position/mm | 1048 | 1090.6 | −3.91% | |
| Y | First-order bending frequency/Hz | 189.82 | 181.99 | 4.3% |
| Left modal node position/mm | 1071.4 | 1104.3 | −2.98% |
| 27-Segment Beam Model | 3-Segment Beam Model | Error/% | |
|---|---|---|---|
| First-order bending frequency/Hz | 189.8222 | 188.5133 | −0.689% |
| Left modal node position/mm | 1052.2 | 1071.4 | 1.825% |
| Structural Parameter | Sensitivity of First-Order Frequency | Sensitivity of Modal Node Position |
| Bending stiffness in the middle part of the crossbeam (BM) | 0.5014 | −0.0103 |
| Linear density in the middle part of the crossbeam (LM) | −0.2378 | 0.2744 |
| Bending stiffness in the end part of the crossbeam (BE) | 0.0137 | 0.0112 |
| Linear density in the end part of the crossbeam (LE) | −0.3049 | −0.2669 |
Publisher’s Note: MDPI stays neutral with regard to jurisdictional claims in published maps and institutional affiliations. |
© 2022 by the authors. Licensee MDPI, Basel, Switzerland. This article is an open access article distributed under the terms and conditions of the Creative Commons Attribution (CC BY) license (https://creativecommons.org/licenses/by/4.0/).
Share and Cite
Lu, X.; Chen, Y.; Sheng, X. Analysis of the Influence of Structural Parameters on the Modes of a Gantry Machine Tool Crossbeam Based on Analytical Method. Appl. Sci. 2022, 12, 11083. https://doi.org/10.3390/app122111083
Lu X, Chen Y, Sheng X. Analysis of the Influence of Structural Parameters on the Modes of a Gantry Machine Tool Crossbeam Based on Analytical Method. Applied Sciences. 2022; 12(21):11083. https://doi.org/10.3390/app122111083
Chicago/Turabian StyleLu, Xi, Yunwei Chen, and Xin Sheng. 2022. "Analysis of the Influence of Structural Parameters on the Modes of a Gantry Machine Tool Crossbeam Based on Analytical Method" Applied Sciences 12, no. 21: 11083. https://doi.org/10.3390/app122111083
APA StyleLu, X., Chen, Y., & Sheng, X. (2022). Analysis of the Influence of Structural Parameters on the Modes of a Gantry Machine Tool Crossbeam Based on Analytical Method. Applied Sciences, 12(21), 11083. https://doi.org/10.3390/app122111083

