A VHF Band Small CRLH Antenna Using Double-Sided Meander Lines
Abstract
1. Introduction
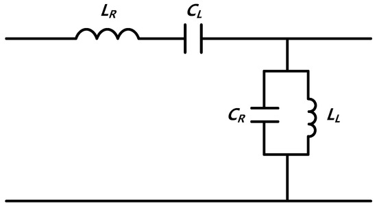
2. Design of the CRLH Unit Cell and Antenna
3. Fabrication and Measurement
4. Conclusions
Author Contributions
Funding
Institutional Review Board Statement
Informed Consent Statement
Data Availability Statement
Conflicts of Interest
References
- HASCALL-DENKE. Available online: https://www.hascall-denke.com/project/30-90-mhz-1y00350-mpmp30x3/ (accessed on 9 June 2022).
- HASCALL-DENKE. Available online: https://www.hascall-denke.com/project/30-512-mhz-1y01600-mpmp30x17/ (accessed on 9 June 2022).
- HASCALL-DENKE. Available online: https://www.hascall-denke.com/project/1y44200-mvdp30-88-225-512/ (accessed on 9 June 2022).
- Caloz, C.; Itoh, T. Electromagnetic Metamaterials: Transmission Line Theory and Microwave Applications; John Wiley & Sons: Hoboken, NJ, USA, 2005. [Google Scholar]
- Lee, J.G.; Lee, J.H. Zeroth Order Resonance Loop Antenna. IEEE Trans. Antennas Propag. 2007, 55, 994–997. [Google Scholar] [CrossRef]
- Kiem, N.K.; Phuong, H.N.B.; Hieu, Q.N.; Chien, D.N. A novel metamaterial MIMO antenna with high isolation for WLAN applications. Int. J. Antennas Propag. 2015, 2015, 1–9. [Google Scholar] [CrossRef]
- Lai, A.; Itoh, T.; Caloz, C. Composite right/left-handed transmission line metamaterials. IEEE Microw. Mag. 2004, 5, 34–50. [Google Scholar]
- Lai, A.; Leong, K.M.; Itoh, T. Infinite wavelength resonant antennas with monopolar radiation pattern based on periodic structures. IEEE Trans. Antennas Propag. 2007, 55, 868–876. [Google Scholar] [CrossRef]
- Eom, D.S.; Lee, H.Y. A Broadband Half-Mode Substrate Integrated Waveguide Quadrature Wilkinson Power Divider Using Composite Right/Left-Handed Transmission Line. J. Electromagn. Eng. Sci. 2017, 17, 9–13. [Google Scholar] [CrossRef]
- Lee, C.; Park, H.; Namgung, G.G.; Seo, Y.; Kahng, S. Design of a CRLH CPW Wideband Filter Operating in the VHF Band with Flexible Thin Substrate. In Proceedings of the 2019 IEEE Asia-Pacific Microwave Conference(APMC), Singapore, 10–13 December 2019. [Google Scholar]
- Lee, C.; Kahng, S. A thin and short VHF wideband filter using CPW CRLH transmission-line. Int. J. RF Microw. Comput.-Aided Eng. 2018, 28, e21415. [Google Scholar] [CrossRef]
- Kim, S.J.; Lee, J.H. Resonance frequency and bandwidth of the negative/positive nth mode of a composite right-/left-handed transmission line. J. Electromagn. Eng. Sci. 2018, 18, 1–6. [Google Scholar] [CrossRef]
- Mahmoud, A.A. A dual mode CRLH TL metamaterial antenna. In Proceedings of the 2014 IEEE Antennas and Propagation Society International Symposium(APSURSI), Memphis, TN, USA, 6–11 July 2014. [Google Scholar]
- Jang, T.; Choi, J.; Lim, S. Compact coplanar waveguide (CPW)-fed zeroth-order resonant antennas with extended bandwidth and high efficiency on vialess single layer. IEEE Trans. Antennas Propag. 2010, 59, 363–372. [Google Scholar] [CrossRef]
- Zhou, C.; Wang, G.; Wang, Y.; Zong, B.; Ma, J. CPW-fed dual-band linearly and circularly polaried antenna employing novel composite right/left-handed transmission-line. IEEE Antennas Wirel. Propag. Lett. 2013, 12, 1073–1076. [Google Scholar] [CrossRef]
- Amani, N.; Jafargholi, A. Zeroth-order and TM 10 modes in one-unit cell CRLH mushroom resonator. IEEE Antennas Wirel. Propag. Lett. 2015, 14, 1396–1399. [Google Scholar] [CrossRef]
- Yang, H.; He, L.; Zhang, H. Asymmetric frequency reconfigurable compact antenna using CRLH-TL structure. J. Electromagn. Waves Appl. 2020, 35, 336–347. [Google Scholar] [CrossRef]
- Pyo, S.; Han, S.M.; Baik, J.W.; Kim, Y.S. A slot-loaded composite right/left-handed transmission line for a zeroth-order resonant antenna with improved efficiency. IEEE Trans. Microw. Theory Tech. 2009, 57, 2775–2782. [Google Scholar]
- Ibrahim, A.A.; Safwat, A.M.E.; Hadia, E.H. Triple-band microstrip-fed monopole antenna loaded with CRLH unit cell. IEEE Antennas Wirel. Propag. Lett. 2011, 10, 1547–1550. [Google Scholar] [CrossRef]
- Baek, S.; Lim, S. Miniaturised zeroth-order antenna on spiral slotted ground plane. Electron. Lett. 2009, 45, 1012–1014. [Google Scholar] [CrossRef]
- Mohammad, A.; Bal, S.V.; Abdul, A.; Ernesto, L. Miniaturized Planar-Patch Antenna Based on Metamaterial L-shaped Unit-Cells for Broadband Portable Microwave Devices and Multiband Wireless Communication Systems. IET Microw. Antennas Propag. 2018, 12, 1080–1086. [Google Scholar]
- Mohammad, A.; Bal, S.V.; Abdul, A.; Ernesto, L. Extended Aperture Miniature Antenna Based on CRLH Metamaterials for Wireless Communication Systems Operating over UHF to C-Band. Radio Sci. 2018, 53, 154–165. [Google Scholar]
- Ha, J.; Kwon, K.; Choi, J. Compact zeroth-order resonance antenna for implantable biomedical service applications. Electron. Lett. 2011, 47, 1267–1269. [Google Scholar] [CrossRef]
- Jun, H.J.; Lee, J.; Choi, S.; Park, Y.B. Design and Fabrication of VHF Band Small Antenna Using Composite Right/Left-Handed Transmission Lines. J. Electr. Eng. Technol. 2019, 14, 339–345. [Google Scholar] [CrossRef]
- Lee, S.; Lee, J.; Choi, S.; Lee, Y.H.; Chung, J.Y.; Hwang, K.C.; Park, Y.B. Design and Characterization of VHF Band Small Antenna Using CRLH Transmission Line and Non-Foster Matching Circuit. Appl. Sci. 2020, 10, 6366. [Google Scholar] [CrossRef]
- Lee, Y.; Kim, S. Implementation of FM radio antenna with CRLH-TL structure for metallic case mobile handset. In Proceedings of the 2016 Asia-Pacific Microwave Conference(APMC), New Delhi, India, 5–9 December 2016. [Google Scholar]
- Picher, C.; Anguera, J.; Andujar, A.; Borja, C.; Puente, C.; Kahng, S. Reuse of the Mobile Communication Antenna for FM Reception. In Proceedings of the 5th European Conference on Antennas and Propagation (EUCAP), Rome, Italy, 11–15 April 2011. [Google Scholar]
- ROHDE&SCHWARZ. Available online: https://www.rohde-schwarz.com/us/products/test-and-measurement/network-analyzers/rs-zva-vector-network-analyzer_63493-9660.html (accessed on 11 July 2022).
- Alaris Antenna. OMNI-A0245 Datasheet. Available online: https://www.alarisantennas.com/products/omni-a0245-passive-monitoring-antenna-2/ (accessed on 5 June 2022).
- KEYSIGHT. Available online: https://www.keysight.com/mx/en/product/E4422B/esga-series-analog-rf-signal-generator-4-ghz.html (accessed on 11 July 2022).
- KEYSIGHT. Available online: https://www.keysight.com/mx/en/assets/9018-03334/technical-specifications/9018-03334.pdf (accessed on 11 July 2022).
- Balanis, C.A. Antenna Theory: Analysis and Design; John Wiley & Sons: Hoboken, NJ, USA, 2015. [Google Scholar]










| With Full Ground at Bottom (Figure 2a) | With Meander Line at Bottom (Figure 2b) | |
|---|---|---|
| Size | ||
| Resonant frequency | 131.6 MHz | 90.2 MHz |
(Parallel Capacitance) | 20.6 pF | 19.45 pF |
(Parallel Inductance) | 71 nH | 160 nH |
| Number of CRLH Unit Cells | Antenna Size | BW (VSWR 3.5:1) | Antenna Gain |
|---|---|---|---|
| 3-cell | 0.047λ × 0.02λ × 0.0003λ (159.9 × 70.6 × 1 mm3) | 1.51% (87.64~88.97 MHz) | −31.79 dBi |
| 5-cell | 0.07λ × 0.02λ × 0.0003λ (234 × 70.6 × 1 mm3) | 1.7% (85.84~87.3 MHz) | −24.47 dBi |
| 7-cell | 0.087λ × 0.02λ × 0.0003λ (308.1 × 70.6 × 1 mm3) | 2% (84.2~85.9 MHz) | −22.6 dBi |
| Reference | Antenna Size | BW (VSWR 3.5:1) | Antenna Gain |
|---|---|---|---|
| [1] | 0.13λ (1300 mm) | 100% (30~90 MHz) | −10 dBi (average gain) |
| [3] | 0.234λ (2340 mm3) | 98% (30~88 MHz) | 2 dBi (@ 88 MHz) |
| [15] | 0.14λ × 0.16λ × 0.01λ (24.8 × 22 × 1.5 mm3) | 4.1% (1910~1990 MHz) | −6.9 dBi (@ 1950 MHz) |
| [23] | 0.021λ × 0.017λ × 0.002λ (24.8 × 22 × 1.5 mm3) | 5% (395~415 MHz) | −38 dBi (@402 MHz) |
| [24] | 0.103λ × 0.043λ × 0.0008λ (191.4 × 80 × 1.52 mm3) | 5% (158~166 MHz) | −26.5 dBi (@160 MHz) |
| Proposed Antenna | 0.087λ × 0.02λ × 0.0003λ (308.1 × 70.6 × 1 mm3) | 2% (83.7~85.4 MHz) | −22.7 dBi (@84 MHz) |
Publisher’s Note: MDPI stays neutral with regard to jurisdictional claims in published maps and institutional affiliations. |
© 2022 by the authors. Licensee MDPI, Basel, Switzerland. This article is an open access article distributed under the terms and conditions of the Creative Commons Attribution (CC BY) license (https://creativecommons.org/licenses/by/4.0/).
Share and Cite
Lee, S.; Park, Y.B. A VHF Band Small CRLH Antenna Using Double-Sided Meander Lines. Appl. Sci. 2022, 12, 10676. https://doi.org/10.3390/app122010676
Lee S, Park YB. A VHF Band Small CRLH Antenna Using Double-Sided Meander Lines. Applied Sciences. 2022; 12(20):10676. https://doi.org/10.3390/app122010676
Chicago/Turabian StyleLee, Soyeong, and Yong Bae Park. 2022. "A VHF Band Small CRLH Antenna Using Double-Sided Meander Lines" Applied Sciences 12, no. 20: 10676. https://doi.org/10.3390/app122010676
APA StyleLee, S., & Park, Y. B. (2022). A VHF Band Small CRLH Antenna Using Double-Sided Meander Lines. Applied Sciences, 12(20), 10676. https://doi.org/10.3390/app122010676

