Nonthermal Plasma Multi-Reactor Scale-Up Using Pulse Capacitive Power Supplies
Abstract
1. Introduction
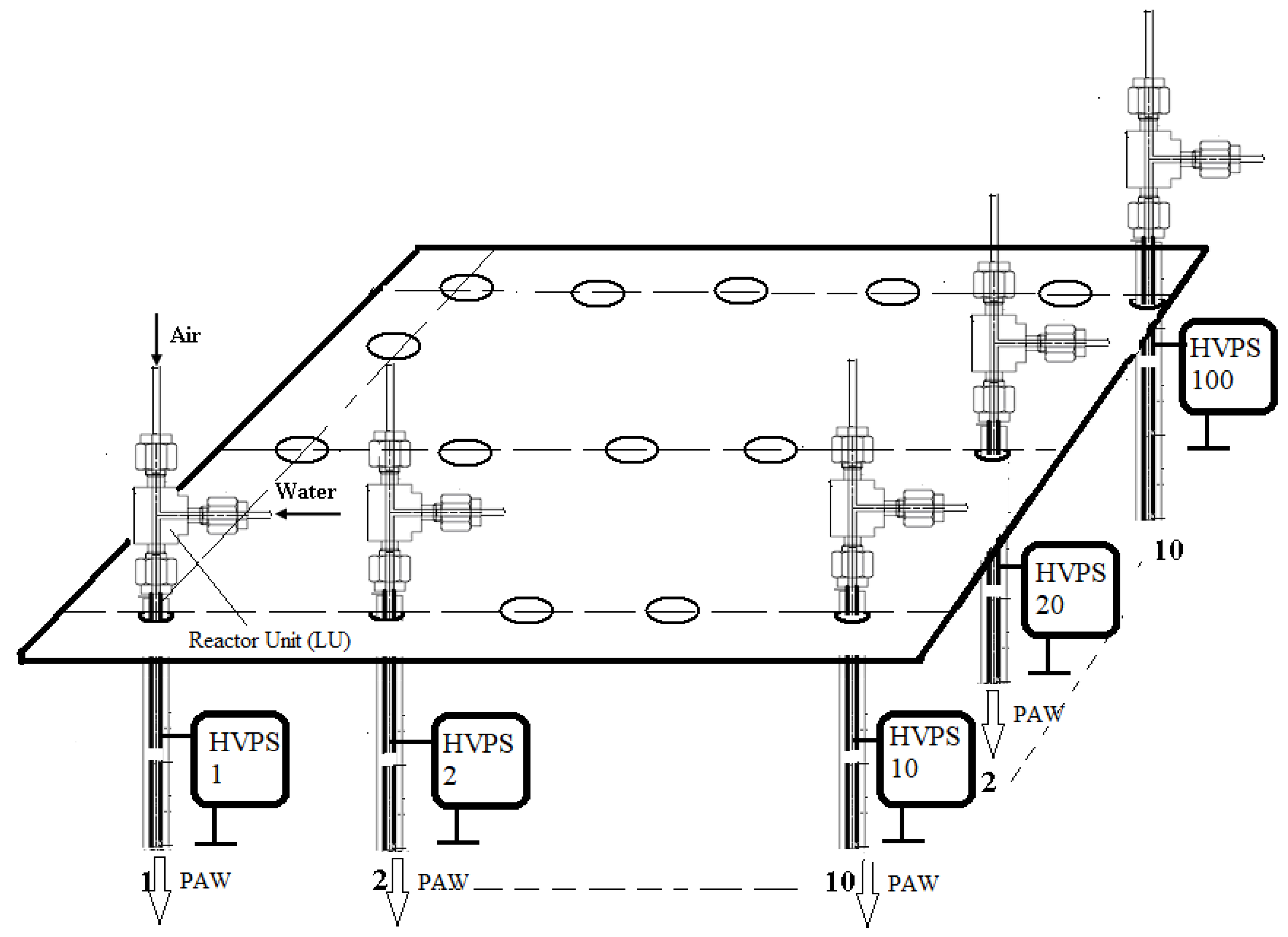
2. Experimental
2.1. NTP Reactor Unit Powered Up by an Induction Coil-Driven Power Supply (ICR)
2.2. Capacitive Current Limitation Plasma Generator (CCL)
2.3. NTP Reactors Unit Powered by an R–C Pulse Generator (RCG)
3. Results and Discussions
3.1. The Scale-Up of NTP Reactor Unit Powered by an Induction Coil-Driven Power Supply (ICR)
3.2. The Scale-Up of NTP Mini-Reactors for PAW Production by Capacitive Current Limitation. Capacitive Current Limitation Plasma Generator (CCL)
3.3. NTP Mini-Reactor Scale-Up Using R–C Pulse Generator (RCG)
4. Conclusions
Author Contributions
Funding
Institutional Review Board Statement
Informed Consent Statement
Data Availability Statement
Conflicts of Interest
References
- Judée, F.; Simon, S.; Bailly, C.; Dufour, T. Plasma-Activation of Tap Water Using DBD for Agronomy Applications: Identification and Quantification of Long Lifetime Chemical Species and Production/Consumption Mechanisms. Water Res. 2018, 133, 47–59. [Google Scholar] [CrossRef] [PubMed]
- Stoleru, V.; Burlica, R.; Mihalache, G.; Dirlau, D.; Padureanu, S.; Teliban, G.-C.; Astanei, D.; Cojocaru, A.; Beniuga, O.; Patras, A. Plant growth promotion effect of plasma activated water on Lactuca sativa L. cultivated in two different volumes of substrate. Sci. Rep. 2020, 10, 20920. [Google Scholar] [CrossRef] [PubMed]
- Jiang, J.; He, X.; Li, L.; Li, J.; Shao, H.; Xu, Q.; Ye, R.; Dong, Y. Effect of Cold Plasma Treatment on Seed Germination and Growth of Wheat. Plasma Sci. Technol. 2014, 16, 54–58. [Google Scholar] [CrossRef]
- Bruggeman, P.J.; Kushner, M.J.; Locke, B.R.; Gardeniers, J.G.E.; Graham, W.G.; Graves, D.B.; Hofman-Caris, R.C.H.M.; Maric, D.; Reid, J.P.; Ceriani, E.; et al. Plasma-liquid interactions: A review and roadmap. Plasma Sources Sci. Technol. 2016, 25, 053002. [Google Scholar] [CrossRef]
- Mrotzek, J.; Viöl, W. Spectroscopic Characterization of an Atmospheric Pressure Plasma Jet Used for Cold Plasma Spraying. Appl. Sci. 2022, 12, 6814. [Google Scholar] [CrossRef]
- Kirkpatrick, M.J.; Odic, E.; Leininger, J.-P.; Blanchard, G.; Rousseau, S.; Glipa, X. Plasma assisted heterogeneous catalytic oxidation of carbon monoxide and unburned hydrocarbons: Laboratory-scale investigations. Appl. Catal. B Environ. 2011, 106, 160–166. [Google Scholar] [CrossRef]
- Dai, F.; Fan, X.; Stratton, G.R.; Bellona, C.L.; Holsen, T.M.; Crimmins, B.S.; Xia, X.; Thagard, S.M. Experimental and density functional theoretical study of the effects of Fenton’s reaction on the degradation of Bisphenol A in a high voltage plasma reactor. J. Hazard. Mater. 2016, 308, 419–429. [Google Scholar] [CrossRef] [PubMed]
- Young, T.; Geng, M.; Lin, L.; Thagard, S.M. Oxidative Degradation of Bisphenol A: A Comparison Between Fenton Reagent, UV, UV/H2O2 and Ultrasound. J. Adv. Oxid. Technol. 2013, 16, 89–101. [Google Scholar] [CrossRef]
- Lukes, P.; Dolezalova, E.; Sisrova, I.; Clupek, M. Aqueous-Phase Chemistry and Bactericidal Effects from an Air Discharge Plasma in Contact with Water: Evidence for the Formation of Peroxynitrite through a Pseudo-Second-Order Post-Discharge Reaction of H2O2 and HNO2. Plasma Sources Sci. Technol. 2014, 23, 015019. [Google Scholar] [CrossRef]
- Xu, H.; Zhu, Y.; Du, M.; Wang, Y.; Ju, S.; Ma, R.; Jiao, Z. Subcellular Mechanism of Microbial Inactivation during Water Disinfection by Cold Atmospheric-Pressure Plasma. Water Res. 2021, 188, 116513. [Google Scholar] [CrossRef] [PubMed]
- Titov, E.Y.; Bodrikov, I.V.; Serov, A.I.; Kurskii, Y.A.; Titov, D.Y.; Bodrikova, E.R. Liquid-Phase Non-Thermal Plasma Discharge for Fuel Oil Processing. Energies 2022, 15, 3400. [Google Scholar] [CrossRef]
- Bai, H.; Huang, B.; Liy, Y.; Zhang, C.; Shao, T. Reaction mechanism in non-thermal plasma enabled methane conversion: Correlation between optical emission spectroscopy and gaseous products. J. Phys. D Appl. Phys. 2021, 54, 424002. [Google Scholar] [CrossRef]
- Franclemont, J.; Fan, X.; Thagard, S.M. Physicochemical mechanisms of plasma-liquid interactions within plasma channels in liquid. J. Phys. D Appl. Phys. 2015, 48, 424004. [Google Scholar] [CrossRef]
- Burlica, R.; Shih, K.Y.; Locke, B.R. Formation of H2 and H2O2 in a Water-Spray Gliding Arc Nonthermal Plasma Reactor. Ind. Eng. Chem. Res. 2010, 49, 6342–6349. [Google Scholar] [CrossRef]
- Burlica, R.; Hnatiuc, B.; Hnatiuc, E.; Ursache, M. Effect of electrical current on H2/ H2O2 generation in non-thermal plasma gliding arc reactors. Environ. Eng. Manag. J. 2011, 10, 579–583. [Google Scholar] [CrossRef]
- Burlica, R.; Finney, W.C.; Locke, B.R. Effects of the Voltage and Current Waveforms and Discharge Power on Hydrogen Peroxide Formation in Water-Spray Gliding Arc Reactor. IEEE Trans. Ind. Appl. 2013, 49, 1098–1103. [Google Scholar] [CrossRef]
- Locke, B.R.; Shih, K.Y. Review of the methods to form hydrogen peroxide in electrical discharge plasma with liquid water. Plasma Sources Sci. Technol. 2011, 20, 034006. [Google Scholar] [CrossRef]
- Burlica, R.; Dirlau, I.D.; Astanei, D. Non-thermal plasma mini-reactors for water treatment. Environ. Eng. Manag. J. 2019, 18, 1799–1807. [Google Scholar] [CrossRef]
- Zambon, Y.; Contaldo, N.; Laurita, R.; Várallyay, E.; Canel, A.; Gherardi, M.; Colombo, V.; Bertaccini, A. Plasma activated water triggers plant defence responses. Sci. Rep. 2020, 10, 19211. [Google Scholar] [CrossRef] [PubMed]
- Adhikari, B.; Adhikari, M.; Ghimire, B.; Park, G.; Choi, E.H. Cold Atmospheric Plasma-Activated Water Irrigation Induces Defense Hormone and Gene expression in Tomato seedlings. Sci. Rep. 2019, 9, 16080. [Google Scholar] [CrossRef]
- Xiang, Q.; Fan, L.; Li, Y.; Dong, S.; Li, K.; Bai, Y. A review on recent advances in plasma-activated water for food safety: Current applications and future trends. Crit. Rev. Food Sci. Nutr. 2020, 2250–2268. [Google Scholar] [CrossRef] [PubMed]
- Kirkpatrick, M.; Locke, B.R. Hydrogen, oxygen and hydrogen peroxide formation in aqueous phase pulsed corona electrical discharge. Ind. Eng. Chem. Res. 2005, 44, 4243–4248. [Google Scholar] [CrossRef]
- Burlica, R.; Locke, B.R. Pulsed Plasma Gliding-Arc Discharges with Water Spray. IEEE Trans. Ind. Appl. 2008, 44, 482–489. [Google Scholar] [CrossRef]
- Eisenberg, G.M. Colorimetric determination of hydrogen peroxide. Ind. Eng. Chem. Anal. Ed. 1943, 15, 327–328. [Google Scholar] [CrossRef]
- Burlica, R.; Wendell, R.; Locke, B.R. Effect of Non-Thermal Plasma Electrical Parameters on Hydrogen Peroxide Generation in Pulse Gliding Arc Mini-Reactors. In Proceedings of the 32nd International Conference on Phenomena in Ionized Gases (ICPIG), Iași, Romania, 26–31 July 2015. [Google Scholar]
- Cretu, D.E.; Astanei, D.; Burlica, R.; Beniuga, O.; Tesoi, D. The Influence of NTP Reactor Geometry on H2O2Generation in Water. In Proceedings of the 11th International Conference and Exposition on Electrical And Power Engineering (EPE 2020), Iaşi, Romania, 22–23 October 2020; Institute of Electrical and Electronics Engineers Inc.: Piscataway, NJ, USA, 2020; pp. 632–635. [Google Scholar]
- Hsieh, K.C.; Wang, H.; Locke, B.R. Analysis of Electrical Discharge Plasma in a Gas-Liquid Flow Reactor Using Optical Emission Spectroscopy and the Formation of Hydrogen Peroxide. Plasma Process. Polym. 2016, 13, 908–917. [Google Scholar] [CrossRef]

















| Power Supply | Pulse Energy (J/pulse) | Total Power (W) | Electrical Efficiency (%) |
|---|---|---|---|
| ICR | 15 × 10−3 ± 1.5 | 26 | 12–15 |
| CCL | 6 × 10−3 ± 1.5 | 9 | 33–35 |
| RCG | 4 × 10−3 ± 1.5 | 8 | 38–40 |
Publisher’s Note: MDPI stays neutral with regard to jurisdictional claims in published maps and institutional affiliations. |
© 2022 by the authors. Licensee MDPI, Basel, Switzerland. This article is an open access article distributed under the terms and conditions of the Creative Commons Attribution (CC BY) license (https://creativecommons.org/licenses/by/4.0/).
Share and Cite
Burlica, R.; Cretu, D.-E.; Beniuga, O.; Astanei, D. Nonthermal Plasma Multi-Reactor Scale-Up Using Pulse Capacitive Power Supplies. Appl. Sci. 2022, 12, 10403. https://doi.org/10.3390/app122010403
Burlica R, Cretu D-E, Beniuga O, Astanei D. Nonthermal Plasma Multi-Reactor Scale-Up Using Pulse Capacitive Power Supplies. Applied Sciences. 2022; 12(20):10403. https://doi.org/10.3390/app122010403
Chicago/Turabian StyleBurlica, Radu, Daniel-Eusebiu Cretu, Oana Beniuga, and Dragos Astanei. 2022. "Nonthermal Plasma Multi-Reactor Scale-Up Using Pulse Capacitive Power Supplies" Applied Sciences 12, no. 20: 10403. https://doi.org/10.3390/app122010403
APA StyleBurlica, R., Cretu, D.-E., Beniuga, O., & Astanei, D. (2022). Nonthermal Plasma Multi-Reactor Scale-Up Using Pulse Capacitive Power Supplies. Applied Sciences, 12(20), 10403. https://doi.org/10.3390/app122010403

