Experimental Study on Transient Ignition Characteristics of Acoustic Excited Methane Jet Diffusion Flames
Abstract
:1. Introduction
2. Experimental Methods
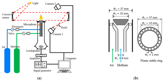
2.1. Experimental Setup
2.2. Flow-Field Velocimetry Using Schlieren Images
2.3. Image Processing of the Color Images
3. Results and Discussion
3.1. Cold Flow Pattern
3.2. Ignition Process Visualization
3.3. Analysis of Ignition Failure Caused by Acoustic Perturbation
4. Conclusions
Author Contributions
Funding
Conflicts of Interest
References
- De Oliveira, P.M.; Sitte, M.P.; Zedda, M.; Giusti, A.; Mastorakos, E. Low-order modeling of high-altitude relight of jet engine combustors. Int. J. Spray Combust. Dyn. 2021, 13, 20–34. [Google Scholar] [CrossRef]
- Law, C.K.; Jomaas, G.; Bech-told, J.K. Cellular instabilities of expanding hydrogen/propane spherical flames at elevated pressures: Theory and experiment. Proc. Combust. Inst. 2005, 30, 159–167. [Google Scholar] [CrossRef]
- White, J.; Vilfayeau, S.; Marshall, A.; Trouve, A.; McDermott, R. Modeling flame extinction and reignition in large eddy simulations with fast chemistry. Fire Saf. J. 2017, 90, 72–85. [Google Scholar] [CrossRef]
- Chen, Z.; Ju, Y. Theoretical analysis of the evolution from ignition kernel to flame ball and planar flame. Combust. Theory Model. 2007, 11, 427–453. [Google Scholar] [CrossRef]
- Beduneau, J.L.; Kim, B.; Zimmer, L.; Ikeda, Y. Measurements of minimum ignition energy in premixed laminar methane/air flow by using laser induced spark. Combust. Flame 2003, 132, 653–665. [Google Scholar] [CrossRef]
- He, L. Critical conditions for spherical flame initiation in mixtures with high Lewis numbers. Combust. Theory Model. 2000, 4, 159–172. [Google Scholar] [CrossRef]
- Shen, W.; Liu, L.; Hu, Q.; Liu, G.; Wang, J.; Zhang, N.; Wu, S.; Qiu, P.; Song, S. Combustion characteristics of ignition processes for lean premixed swirling combustor under visual conditions. Energy 2021, 218, 119521. [Google Scholar] [CrossRef]
- Li, J.; Huang, H.; Bai, Y.; Li, S.; Kobayashi, N. Combustion and heat release characteristics of hydrogen/air diffusion flame on a micro-jet array burner. Int. J. Hydrogen Energy 2018, 43, 13563–13574. [Google Scholar] [CrossRef]
- Nguyen, Q.V.; Dibble, R.; Carter, C.; Fiechtner, G.; Barlow, R. Raman-LIF measurements of temperature, major species, OH, and NO in a methane-air bunsen flame. Combust. Flame 1996, 105, 499–510. [Google Scholar] [CrossRef]
- Phuoc, T.X.; White, C.; Mc-Neill, D. Laser spark ignition of a jet diffusion flame. Opt. Lasers Eng. 2002, 38, 217–232. [Google Scholar] [CrossRef]
- Ahmed, S.F.; Mastorakos, E. Spark ignition of lifted turbulent jet flames. Combust. Flame 2006, 146, 215–231. [Google Scholar] [CrossRef]
- Ahmed, S.F.; Balachandran, R.; Marchione, T.; Mastorakos, E. Spark ignition of turbulent non premixed bluff-body flames. Combust. Flame 2007, 151, 366–385. [Google Scholar] [CrossRef]
- Mastorakos, E. Ignition of turbulent non-premixed flames. Prog. Energy Combust. Sci. 2009, 35, 57–97. [Google Scholar] [CrossRef]
- Wang, Q.; Mei, X.; Wei, Z.; Zhao, C.; Zhang, Y. Experimental investigation of transient ignition dynamics of hydrogen enriched methane diffusion impinging flames. Fuel 2021, 290, 120027. [Google Scholar] [CrossRef]
- Fordoei, E.E.; Mazaheri, K.; Mohammadpour, A. Effects of hydrogen addition to methane on the thermal and ignition delay characteristics of fuel-air, oxygen-enriched and oxy-fuel MILD combustion. Int. J. Hydrogen Energy 2021, 46, 34002–34017. [Google Scholar] [CrossRef]
- Li, W.; Di, D.; Liu, Y.; Tian, Z.; Yan, Y. Effect of a head geometry structure on the ignition performance of a combustor. Aerosp. Sci. Technol. 2022, 123, 107428. [Google Scholar] [CrossRef]
- Liu, C.; Sun, M.; Wang, H.; Yang, L.; An, B.; Pan, Y. Ignition and flame stabilization characteristics in an ethylene-fueled scramjet combustor. Aerosp. Sci. Technol. 2020, 106, 106186. [Google Scholar] [CrossRef]
- Cao, Z.; Xiao, Y.; Song, W.; Li, W. Experimental study on thermoacoustic instability and emission characteristics of premixed swirl flame in a longitudinal combustor. Int. J. Therm. Sci. 2022, 172, 107354. [Google Scholar] [CrossRef]
- Bhairapurada, K.; Denet, B.; Boivin, P. A Lattice-Boltzmann study of premixed flames thermo-acoustic instabilities. Combust. Flame 2022, 240, 112049. [Google Scholar] [CrossRef]
- Diao, Q.; Ghosh, A.; Yu, K. Combustion instability suppression in gaseous oxygen/hydrogen combustors using methane dilution. J. Propuls. Power 2017, 33, 719–729. [Google Scholar] [CrossRef]
- Kasthuri, P.; Pawar, S.A.; Gejji, R.; Anderson, W.; Sujith, R.I. Coupled interaction between acoustics and unsteady flame dynamics during the transition to thermoacoustic instability in a multi-element rocket combustor. Combust. Flame 2022, 240, 112047. [Google Scholar] [CrossRef]
- Sun, Y.; Sun, M.; Zhao, D.; Chen, Y.; Ma, G.; Wan, M.; Sun, Y.; Zhu, J. Blow-off characteristics of a premixed methane/air flame response to acoustic disturbances in a longitudinal combustor. Aerosp. Sci. Technol. 2021, 118, 107003. [Google Scholar] [CrossRef]
- Loretero, M.; Huang, R. Behaviors of flame and flow of swirling wake during fuel jet oscillation due to acoustic excitations. J. Mech. 2010, 26, 279–286. [Google Scholar] [CrossRef]
- Rocha, A.M.A.; Car-valho, J.A., Jr.; Lacava, P.T. Gas concentration and temperature in acoustically excited Delft turbulent jet flames. Fuel 2008, 87, 3433–3444. [Google Scholar] [CrossRef]
- Demare, D.; Baillot, F. Acoustic enhancement of combustion in lifted non premixed jet flames. Combust. Flame 2004, 139, 312–328. [Google Scholar] [CrossRef]
- Durox, D.; Schuller, T.; Noiray, N.; Birbaud, A.L.; Candel, S. Rayleigh criterion and acoustic energy balance in unconfined self-sustained oscillating flames. Combust. Flame 2009, 156, 106–119. [Google Scholar] [CrossRef]
- Wang, Q.; Wang, J.; Mei, X.; Sun, Y.; Sun, M.; Zhu, J.; Zhao, C. Imaging-based harmonic frequency analysis of a bluff-body premixed flame under acoustic excitations. Aerosp. Sci. Technol. 2022, 120, 107254. [Google Scholar] [CrossRef]
- Karimi, N.; Brear, M.J.; Jin, S.H.; Monty, J.P. Linear and non-linear forced response of a conical, ducted, laminar premixed flame. Combust. Flame 2009, 156, 2201–2212. [Google Scholar] [CrossRef]
- Williams, T.C.; Shaddix, C.R.; Schefer, R.W.; Desgroux, P. The response of buoyant laminar diffusion flames to low-frequency forcing. Combust. Flame 2007, 151, 676–684. [Google Scholar] [CrossRef]
- Wang, Q.; Huang, H.W.; Tang, H.J.; Zhu, M.; Zhang, Y. Nonlinear response of buoyant diffusion flame under acoustic excitation. Fuel 2013, 103, 364–372. [Google Scholar] [CrossRef]
- Seybert, A.F.; Ross, D.F. Experimental determination of acoustic properties using a two-microphone random-excitation technique. J. Acoust. Soc. Am. 1977, 61, 1362–1370. [Google Scholar] [CrossRef]
- Sun, D.; Roth, S.; Black, M.J. Secrets of optical flow estimation and their principles. In Proceedings of the 2010 IEEE Computer Society Conference on Computer Vision and Patterner Cognition, San Francisco, CA, USA, 13–18 June 2010; pp. 2432–2439. [Google Scholar]
- Sun, D.; Roth, S.; Black, M.J. A quantitative analysis of current practices in optical flow estimation and the principles behind them. Int. J. Comput. Vis. 2014, 106, 115–137. [Google Scholar] [CrossRef]
- Burch, J.J. Spatial filters for pattern detection and image enhancement. Opto-Electronics 1969, 1, 128–133. [Google Scholar] [CrossRef]
- Wang, Q.; Zhang, Y.; Zhao, C. Experimental investigation of coflow effect on the ignition process of a methane jet diffusion flame. Exp. Therm. Fluid Sci. 2018, 91, 18–196. [Google Scholar] [CrossRef]
- Zhou, B.; Sobiesiak, A.; Quan, P. Flame behavior and flame-induced flow in a closed rectangular duct with a 90 bend. Int. J. Therm. Sci. 2006, 45, 457–474. [Google Scholar] [CrossRef]











| Acoustic excitations | No. | 1 | 2 | 3 | 4 | 5 |
| Frequency (Hz) | / | 10 | 30 | 50 | 100 | |
| Velocity amplitude (m/s) | / | 0.39 | 0.50 | 0.41 | 0.18 | |
| Relative amplitude | / | 0.54 | 0.69 | 0.56 | 0.25 | |
| Flow conditions | Air | Flow rate = 41 slm, average velocity = 0.73 m/s, Re = 1110 | ||||
| Methane | Flow rate = 3 slm, average velocity = 0.99 m/s, Re = 480 | |||||
| Camera setting | Camera 1 | Frame rate = 2000 fps, exposure time = 1/6600 s | ||||
| Camera 2 | Frame rate = 2000 fps, exposure time = 1/2000 s | |||||
Publisher’s Note: MDPI stays neutral with regard to jurisdictional claims in published maps and institutional affiliations. |
© 2022 by the authors. Licensee MDPI, Basel, Switzerland. This article is an open access article distributed under the terms and conditions of the Creative Commons Attribution (CC BY) license (https://creativecommons.org/licenses/by/4.0/).
Share and Cite
Zhu, P.; Wang, Q.; Pan, D.; Zhu, T.; Ji, C. Experimental Study on Transient Ignition Characteristics of Acoustic Excited Methane Jet Diffusion Flames. Appl. Sci. 2022, 12, 9719. https://doi.org/10.3390/app12199719
Zhu P, Wang Q, Pan D, Zhu T, Ji C. Experimental Study on Transient Ignition Characteristics of Acoustic Excited Methane Jet Diffusion Flames. Applied Sciences. 2022; 12(19):9719. https://doi.org/10.3390/app12199719
Chicago/Turabian StyleZhu, Peng, Qian Wang, Deng Pan, Tong Zhu, and Chenzhen Ji. 2022. "Experimental Study on Transient Ignition Characteristics of Acoustic Excited Methane Jet Diffusion Flames" Applied Sciences 12, no. 19: 9719. https://doi.org/10.3390/app12199719
APA StyleZhu, P., Wang, Q., Pan, D., Zhu, T., & Ji, C. (2022). Experimental Study on Transient Ignition Characteristics of Acoustic Excited Methane Jet Diffusion Flames. Applied Sciences, 12(19), 9719. https://doi.org/10.3390/app12199719

