A PCA-LSTM-Based Method for Fault Diagnosis and Data Recovery of Dry-Type Transformer Temperature Monitoring Sensor
Abstract
:1. Introduction
2. Materials and Methods
2.1. Monitor Principle and Design
2.2. Implementation of Fault Diagnosis
2.3. Realization of Sensor Fault Location
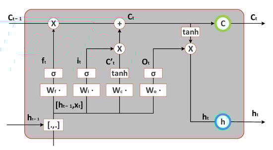
2.4. Implementation of Data Recovery
2.5. The Construction of Fault Diagnosis and Recovery Algorithm
3. Results and Discussion
3.1. Sensor Failure Simulation Experiment
3.2. Accuracy Simulation Experiment of Fault Diagnosis
3.3. Data Recovery Model Training and Optimization
3.4. Accuracy and Generalization Performance Analysis of Data Recovery Model
3.5. Field Test Results
4. Conclusions
- The fault diagnosis function based on PCA could accurately diagnose the impact fault, open circuit fault, power failure fault, drift fault, and deviation fault of single or multiple sensors. The diagnosis rate was above 96%, and the diagnosis time was less than 1 ms.
- Fault localization could diagnose the faulty sensor through a decision tree and isolated the fault data.
- The LSTM-based data recovery function could accurately track the temperature changes under dynamic processes. The error of the predicted value was less than or equal to 0.1 °C and the generalization performance was good. Compared with the BP and SVM, it has obvious advantages.
- The field experiments verified that the algorithm could significantly improve the stability of the monitor. Even if the sensor fails, the dry-type transformer was guaranteed to work within the normal temperature range.
Author Contributions
Funding
Data Availability Statement
Acknowledgments
Conflicts of Interest
References
- Yang, D.; Qin, J.; Pang, Y.; Huang, T. A novel double-stacked autoencoder for power transformers DGA signals with an imbalanced data structure. IEEE Trans. Ind. Electron. 2021, 69, 1977–1987. [Google Scholar] [CrossRef]
- Sun, Y.; Xu, G.; Li, N.; Li, K.; Liang, Y.; Zhong, H.; Zhang, L.; Liu, P. Hotspot Temperature Prediction of Dry-Type Transformers Based on Particle Filter Optimization with Support Vector Regression. Symmetry 2021, 13, 1320. [Google Scholar] [CrossRef]
- Liu, Y.; Gao, H.; Gao, W.; Peng, F. Development of a substation-area backup protective relay for smart substation. IEEE Trans. Smart Grid 2016, 8, 2544–2553. [Google Scholar] [CrossRef]
- Yin, Z.; Hou, J. Recent advances on SVM based fault diagnosis and process monitoring in complicated industrial processes. Neurocomputing 2016, 174, 643–650. [Google Scholar] [CrossRef]
- Simbeye, D.S.; Yang, S.F. Water quality monitoring and control for aquaculture based on wireless sensor networks. J. Netw. 2014, 9, 840. [Google Scholar] [CrossRef]
- Bayar, N.; Darmoul, S.; Hajri-Gabouj, S.; Pierreval, H. Fault detection, diagnosis and recovery using Artificial Immune Systems: A review. Eng. Appl. Artif. Intell. 2015, 46, 43–57. [Google Scholar] [CrossRef]
- Willsky, A.; Jones, H. A generalized likelihood ratio approach to the detection and estimation of jumps in linear systems. IEEE Trans. Autom. Control. 1976, 21, 108–112. [Google Scholar] [CrossRef] [Green Version]
- Yuqing, L.; Tianshe, Y.; Jian, L.; Na, F.; Guan, W. A fault diagnosis method by multi sensor fusion for spacecraft control system sensors. In Proceedings of the 2016 IEEE International Conference on Mechatronics and Automation, Harbin, China, 7–10 August 2016; pp. 748–753. [Google Scholar]
- Chen, H.; Jiang, B.; Lu, N.; Mao, Z. Deep PCA based real-time incipient fault detection and diagnosis methodology for electrical drive in high-speed trains. IEEE Trans. Veh. Technol. 2018, 67, 4819–4830. [Google Scholar] [CrossRef]
- Li, W.; Peng, M.; Liu, Y.; Jiang, N.; Wang, H.; Duan, Z. Fault detection, identification and reconstruction of sensors in nuclear power plant with optimized PCA method. Ann. Nucl. Energy 2018, 113, 105–117. [Google Scholar] [CrossRef]
- Berriri, H.; Slama-Belkhodja, I. Enhanced parity equations method for sensor fault detection in electrical drives. In Proceedings of the 2010 Conference on Control and Fault-Tolerant Systems (SysTol), Nice, France, 6–10 October 2010; pp. 831–836. [Google Scholar]
- Tolouei, H.; Shoorehdeli, M.A. Nonlinear parity approach to sensor fault detection in pH neutralization system. In Proceedings of the 2017 Iranian Conference on Electrical Engineering (ICEE), Tehran, Iran, 2–4 May 2017; pp. 889–894. [Google Scholar]
- Wang, B.; Diao, M.; Zhang, H. Fault diagnosis and data recovery of sensor based on relevance vector machine. In Proceedings of the 2014 IEEE International Conference on Mechatronics and Automation, Tianjin, China, 3–6 August 2014; pp. 1822–1826. [Google Scholar]
- Zhu, T.B.; Lu, F. A Data-Driven Method of Engine Sensor on Line Fault Diagnosis and Recovery. Trans. Tech Publ 2014, 490, 1657–1660. [Google Scholar] [CrossRef]
- Oh, B.K.; Glisic, B.; Kim, Y.; Park, H.S. Convolutional neural network–based data recovery method for structural health monitoring. Struct. Health Monit. 2020, 19, 1821–1838. [Google Scholar] [CrossRef]
- Orosz, T.; Rassõlkin, A.; Kallaste, A.; Arsénio, P.; Pánek, D.; Kaska, J.; Karban, P. Robust Design Optimization and Emerging Technologies for Electrical Machines: Challenges and Open Problems. Appl. Sci. 2020, 10, 6653. [Google Scholar] [CrossRef]
- Zhang, S.; Wang, Y.; Liu, M.; Bao, Z. Data-based line trip fault prediction in power systems using LSTM networks and SVM. IEEE Access 2017, 6, 7675–7686. [Google Scholar] [CrossRef]
- Electronic Thermostats for Transformers 2005, JB/T 7631-2005. Available online: https://kns.cnki.net/kcms/detail/detail.aspx?FileName=SCSD000001038584&DbName=SCSD (accessed on 10 May 2022).
- Power Transformers-Part 11: Dry-Type Transformers. China Electrical Equipment Industry Association, 2007. GB/T 1094.11-2007. Available online: https://kns.cnki.net/kcms/detail/detail.aspx?FileName=SCSD000005138709&DbName=SCSD (accessed on 10 May 2022).
- Rogers, A.P.; Guo, F.; Rasmussen, B.P. A review of fault detection and diagnosis methods for residential air conditioning systems. Build. Environ. 2019, 161, 106236. [Google Scholar] [CrossRef]
- Ni, K.; Ramanathan, N.; Chehade, M.N.H.; Balzano, L.; Nair, S.; Zahedi, S.; Kohler, E.; Pottie, G.; Hansen, M.; Srivastava, M. Sensor network data fault types. ACM Trans. Sens. Netw. (TOSN) 2009, 5, 1–29. [Google Scholar] [CrossRef] [Green Version]
- Dragos, K.; Smarsly, K. Distributed adaptive diagnosis of sensor faults using structural response data. Smart Mater. Struct. 2016, 25, 105019. [Google Scholar] [CrossRef]
- Borra, S.; Di Ciaccio, A. Measuring the prediction error. A comparison of cross-validation, bootstrap and covariance penalty methods. Comput. Stat. Data Anal. 2010, 54, 2976–2989. [Google Scholar] [CrossRef]
- Dai, X.; Qin, F.; Gao, Z.; Pan, K.; Busawon, K. Model-based on-line sensor fault detection in Wireless Sensor Actuator Networks. In Proceedings of the 2015 IEEE 13th International Conference on Industrial Informatics (INDIN), Cambridge, UK, 22–24 July 2015; pp. 556–561. [Google Scholar]
- Balzano, L.; Nowak, R. Blind calibration of sensor networks. In Proceedings of the 6th International Conference on Information Processing in Sensor Networks, Cambridge, MA, USA, 25–27 April 2007; pp. 79–88. [Google Scholar]
- He, X.; Wang, Z.; Liu, Y.; Qin, L.; Zhou, D. Fault-tolerant control for an Internet-based three-tank system: Accommodation to sensor bias faults. IEEE Trans. Ind. Electron. 2016, 64, 2266–2275. [Google Scholar] [CrossRef]













| Impact Fault | Drift Fault | Power Failure | Constant Output | Deviation Fault | |
|---|---|---|---|---|---|
| Diagnosis rate/% | 100 | 100 | 100 | 98 | 96 |
| Error | Algorithm | 10 April 8:00 | 10 December 18:00 |
|---|---|---|---|
| RMSE/°C | BP | 0.2671 | 0.0421 |
| SVM | 0.6090 | 0.5100 | |
| LSTM | 0.0146 | 0.0221 | |
| MAE/°C | BP | 0.2670 | 0.0418 |
| SVM | 0.6087 | 0.5088 | |
| LSTM | 0.0109 | 0.0103 | |
| MRE/% | BP | ±1.6486 | ±0.7402 |
| SVM | ±2.7975 | ±6.0617 | |
| LSTM | ±0.4053 | ±1.0337 |
Publisher’s Note: MDPI stays neutral with regard to jurisdictional claims in published maps and institutional affiliations. |
© 2022 by the authors. Licensee MDPI, Basel, Switzerland. This article is an open access article distributed under the terms and conditions of the Creative Commons Attribution (CC BY) license (https://creativecommons.org/licenses/by/4.0/).
Share and Cite
Zheng, M.; Yang, K.; Shang, C.; Luo, Y. A PCA-LSTM-Based Method for Fault Diagnosis and Data Recovery of Dry-Type Transformer Temperature Monitoring Sensor. Appl. Sci. 2022, 12, 5624. https://doi.org/10.3390/app12115624
Zheng M, Yang K, Shang C, Luo Y. A PCA-LSTM-Based Method for Fault Diagnosis and Data Recovery of Dry-Type Transformer Temperature Monitoring Sensor. Applied Sciences. 2022; 12(11):5624. https://doi.org/10.3390/app12115624
Chicago/Turabian StyleZheng, Mingze, Kun Yang, Chunxue Shang, and Yi Luo. 2022. "A PCA-LSTM-Based Method for Fault Diagnosis and Data Recovery of Dry-Type Transformer Temperature Monitoring Sensor" Applied Sciences 12, no. 11: 5624. https://doi.org/10.3390/app12115624
APA StyleZheng, M., Yang, K., Shang, C., & Luo, Y. (2022). A PCA-LSTM-Based Method for Fault Diagnosis and Data Recovery of Dry-Type Transformer Temperature Monitoring Sensor. Applied Sciences, 12(11), 5624. https://doi.org/10.3390/app12115624

