Fault-Tolerant Active Disturbance Rejection Control of Plant Protection of Unmanned Aerial Vehicles Based on a Spatio-Temporal RBF Neural Network
Abstract
1. Introduction
- (1)
- An active FTC scheme that can simultaneously adapt to the UAV control system with actuator faults and model uncertainty is proposed. The FTC scheme is resistant to wind disturbance and capable of FTC under time-varying faults. Compared with the ESO in earlier studies [30], our control scheme further optimizes the parameter design. Instead of setting parameters as in conventional methods, there is only a need for the adaptive adjustment of the uncertain terms and disturbance parameters. This leads to the improvement in the system’s robustness.
- (2)
- We propose an RBF neural network for predicting the time series of aircraft state parameters, which can rapidly estimate the fault data and uncertain parameter values. Fault data were used for training the weight parameters of the neural network. The trained model was then employed to estimate the testing data of larger fault values. Through iterative training, the estimate accuracy of the neural network for fault data was improved, thereby improving the fault-tolerant performance.
- (3)
- Rather than the model-based fault observers, the optimized RBF neural network was used in this study to estimate the parameter values in the face of changing parameters of nonlinear terms. The optimized ADRC controller was applied for the overall stability control of the system, thus achieving a rapid and accurate estimate of the actuator fault values with the proposed FTAC.
2. Mathematical Modeling of Uav
2.1. Dynamic Modeling
2.2. Problem Statement
2.2.1. Wind Disturbance Model of the Multi-Rotor UAV
2.2.2. Actuator Fault Model
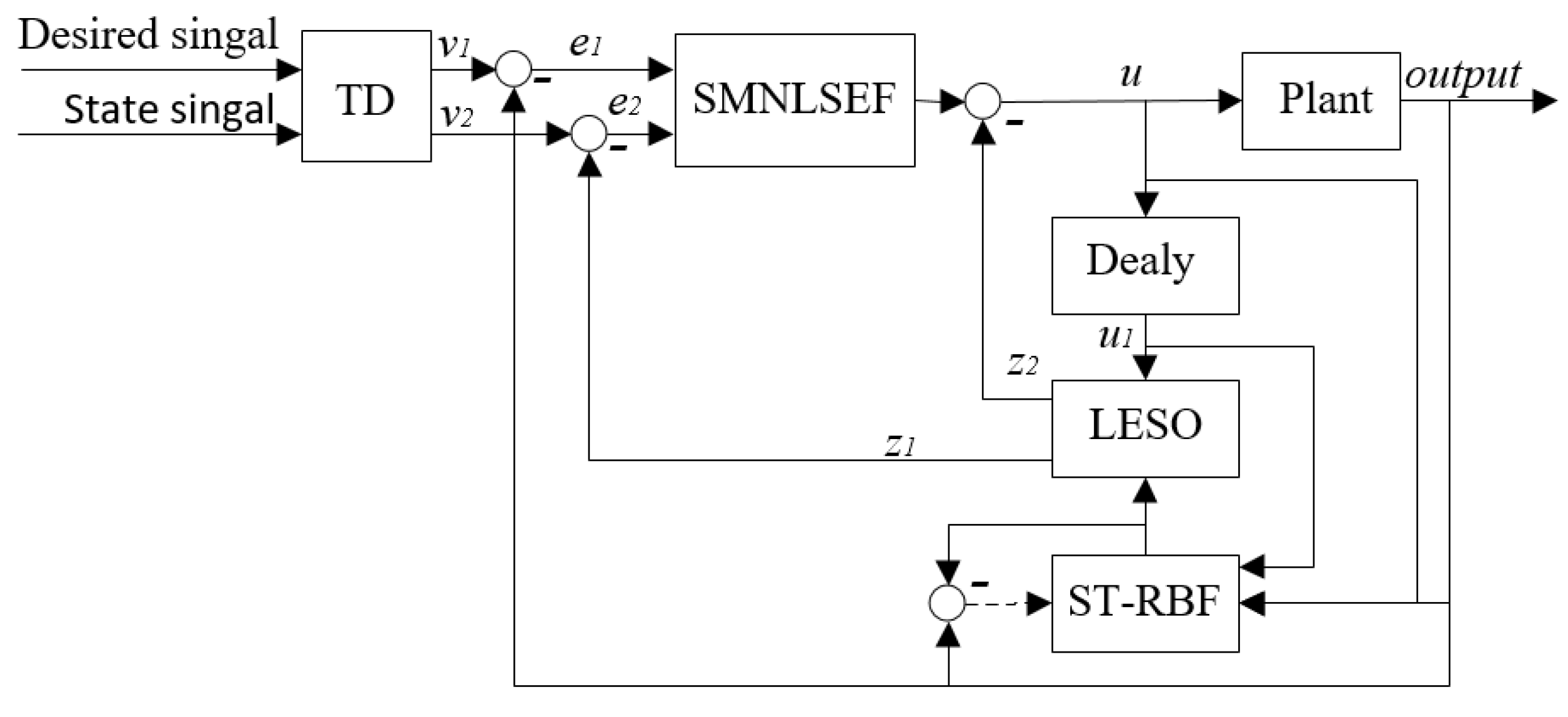
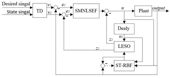
3. Fault-Tolerant Aircraft Controller Design
3.1. Adrc Controller Design
3.2. Design of the Gradient Descent-Based Spatio-Temporal RBF Neural Network
3.3. Design of Fault-Tolerant Aircraft Control Law
4. Stability Verification
5. Simulation Results
- Scenario 1: Testing the flight effects of an active disturbance rejection, fault-tolerant controller based on a spatio-temporal RBF predictive neural network in the absence of external wind gust disturbances and actuator failures.
- Scenario 2: Numerical simulation of a horizontal wind gust disturbance of 3–9 m/s. The controller’s performance was analyzed on the basis of the effect of the aircraft in a sustained wind disturbance scenario. The performance of the controller was analyzed on the basis of the effects of the aircraft in a wind disturbance situation that lasts for a period of time.
- Scenario 3: In the gust-disturbed environment of Scenario 2, UAV Motors 1–4 were further injected with specified fault values via the UAV’s fault-tolerant control system, corresponding to the gain fault and deviation fault data shown in Table 1. At the same time, an additional 80 dB Gaussian white noise disturbance was added to the fault data during the experiment.
6. Conclusions
Author Contributions
Funding
Institutional Review Board Statement
Informed Consent Statement
Data Availability Statement
Acknowledgments
Conflicts of Interest
Abbreviations
| ADRC | Active Disturbance Rejection Control |
| UAV | Unmanned Aerial Vehicles |
| FTAC | Fault-Tolerant Aircraft Control |
| RBF | Radial Basis Function |
| FTC | Fault-Tolerant Control |
| DC | Direct-Current |
| ESO | Extended State Observer |
| SMNLSEF | Sliding Mode Nonlinear State Error Feedback |
| ST-RBFNN | Spatio-Temporal Radial Basis Function Neural Network |
References
- Radoglou-Grammatikis, P.; Sarigiannidis, P.; Lagkas, T.; Moscholios, I. Ioannis Moscholios, A compilation of UAV applications for precision agriculture. Comput. Netw. 2020, 172, 1286–1389. [Google Scholar] [CrossRef]
- Jiang, F.; Pourpanah, F.; Hao, Q. Design, Implementation, and Evaluation of a Neural-Network-Based Quadcopter UAV System. IEEE Trans. Ind. Electron. 2019, 67, 2076–2085. [Google Scholar] [CrossRef]
- Wang, X.; Sun, H.; Long, Y.; Zheng, L.; Liu, H.; Li, M. Development of visualization system for agricultural UAV crop growth information collection. IFAC-PapersOnLine 2018, 51, 631–636. [Google Scholar] [CrossRef]
- Barisic, A.; Car, M.; Bogdan, S. Vision-based system for a real-time detection and following of UAV. In Proceedings of the Workshop on Research, Education and Development of Unmanned Aerial Systems, Cranfield, UK, 25–27 November 2019; pp. 156–159. [Google Scholar]
- Fritzel, T.; Steiner, H.J.; Strauß, R. Advances in the Development of an Industrial UAV for Large-Scale Near-Field Antenna Measurements. In Proceedings of the 2019 13th European Conference on Antennas and Propagation, Krakow, Poland, 31 March–5 April 2019; pp. 1–3. [Google Scholar]
- Ding, M.; Tang, L.; Zhou, L.; Wang, X.; Weng, Z.; Qu, J. W Band Mini-SAR on Multi Rotor UAV Platform. In Proceedings of the International Conference on Electronic Information and Communication Technology, Harbin, China, 20–22 January 2019; pp. 416–418. [Google Scholar]
- Zheng, E.H.; Xiong, J.J.; Luo, J.L. Second order sliding mode control for a quadrotor UAV. ISA Trans. 2014, 53, 1350–1356. [Google Scholar] [CrossRef] [PubMed]
- Dávila, J.; Salazar, S. Robust control of an uncertain UAV via high-order sliding mode compensation. IFAC-PapersOnLine 2017, 50, 11553–11558. [Google Scholar] [CrossRef]
- Tang, Y.R.; Xiao, X.; Li, Y. Nonlinear dynamic modeling and hybrid control design with dynamic compensator for a small-scale UAV quadrotor. Measurement 2017, 109, 51–64. [Google Scholar] [CrossRef]
- Mofid, O.; Mobayen, S. Adaptive sliding mode control for finite-time stability of quad-rotor UAVs with parametric uncertainties. ISA Trans. 2018, 72, 1–14. [Google Scholar] [CrossRef]
- Cheng, D.; Ning, W.; Meng, J.E. Self-organizing adaptive robust fuzzy neural attitude tracking control of a quadrotor. In Proceedings of the Chinese Control Conference, Chengdu, China, 27–29 July 2016; pp. 10724–10729. [Google Scholar]
- Zhang, Y.; Zhang, X.; Chen, Z. A novel control scheme for quadrotor UAV based upon active disturbance rejection control. Aeros. Sci. Technol. 2018, 79, 601–609. [Google Scholar] [CrossRef]
- Tan, J.; Fan, Y.; Yan, P.; Wang, C.; Feng, H. Sliding mode fault tolerant control for unmanned aerial vehicle with sensor and actuator faults. Sensors 2019, 19, 643. [Google Scholar] [CrossRef] [PubMed]
- Nguyen, D.T.; Saussié, D.; Saydy, L. Robust self-scheduled fault-tolerant control of a quadrotor UAV. IFAC-PapersOnLine 2017, 50, 5761–5767. [Google Scholar] [CrossRef]
- Wang, X.; Sun, S.; van Kampen, E.J. Quadrotor fault tolerant incremental sliding mode control driven by sliding mode disturbance observers. Aerosp. Sci. Technol. 2019, 87, 417–430. [Google Scholar] [CrossRef]
- Vural, S.Y.; Dasdemir, J.; Hajiyev, C. Passive fault tolerant lateral controller design for an UAV. IFAC-PapersOnLine 2018, 51, 446–451. [Google Scholar] [CrossRef]
- Yu, X.; Zhang, Y. Design of passive fault-tolerant flight controller against actuator failures. Chin. J. Aeronaut. 2015, 28, 180–190. [Google Scholar] [CrossRef][Green Version]
- Zhong, Y.; Zhang, Y.; Zhang, W.; Zuo, J.; Zhan, H. Robust actuator fault detection and diagnosis for a quadrotor UAV with external disturbances. IEEE Access 2018, 6, 48169–48180. [Google Scholar] [CrossRef]
- Song, Z.; Sun, K. Adaptive compensation control for attitude adjustment of quad-rotor unmanned aerial vehicle. ISA Trans. 2017, 69, 242–255. [Google Scholar] [CrossRef] [PubMed]
- Li, Y.; Tong, S.; Liu, L.; Feng, G. Adaptive output-feedback control design with prescribed performance for switched nonlinear systems. Automatica 2017, 80, 225–231. [Google Scholar] [CrossRef]
- Wang, B.; Shen, Y.; Zhang, Y. Active fault-tolerant control for a quadrotor helicopter against actuator faults and model uncertainties. Aerosp. Sci. Technol. 2020, 99, 105745. [Google Scholar] [CrossRef]
- Jiang, H.; Zhang, H.; Liu, Y.; Han, J. Neural-network-based control scheme for a class of nonlinear systems with actuator faults via data-driven reinforcement learning method. Neurocomputing 2017, 239, 1–8. [Google Scholar] [CrossRef]
- Zeghlache, S.; Djerioui, A.; Benyettou, L.; Benslimane, T.; Mekki, H.; Bouguerra, A. Fault tolerant control for modified quadrotor via adaptive type-2 fuzzy backstepping subject to actuator faults. ISA Trans. 2019, 95, 330–345. [Google Scholar] [CrossRef]
- Wang, B.; Zhang, Y. An adaptive fault-tolerant sliding mode control allocation scheme for multirotor helicopter subject to simultaneous actuator faults. IEEE Trans. Ind. Electron. 2017, 65, 4227–4236. [Google Scholar] [CrossRef]
- Boche, A.; Farges, J.L.; De Plinval, H. Reconfiguration control method for multiple actuator faults on UAV. IFAC-PapersOnLine 2017, 50, 12691–12697. [Google Scholar] [CrossRef]
- Lijia, C.; Yu, T.; Guo, Z. Adaptive observer-based fault detection and active tolerant control for unmanned aerial vehicles attitude system. IFAC-PapersOnLine 2019, 52, 47–52. [Google Scholar] [CrossRef]
- Zhou, L.; Ma, L.; Wang, J. Fault tolerant control for a class of nonlinear system based on active disturbance rejection control and rbf neural networks. In Proceedings of the 36th Chinese Control Conference (CCC), Dalian, China, 26–28 July 2017; pp. 7321–7326. [Google Scholar]
- Wang, S.; Han, Y.; Chen, J.; Du, N.; Pan, Y.; Wang, G.; Zhang, Z.; Zheng, Y. Flight safety strategy analysis of the plant protection UAV. IFAC-PapersOnLine 2018, 51, 262–267. [Google Scholar] [CrossRef]
- Lei, Y.; Wang, H. Aerodynamic performance of a quadrotor MAV considering the horizontal wind. IEEE Access 2020, 8, 109421–109428. [Google Scholar] [CrossRef]
- Guo, Y.; Jiang, B.; Zhang, Y. A novel robust attitude control for quadrotor aircraft subject to actuator faults and wind gusts. IEEE/CAA J. Autom. Sin. 2017, 5, 292–300. [Google Scholar] [CrossRef]
- Wang, Z.; Zhao, H.; Duan, D.; Jiao, Y.; Li, J. Application of improved active disturbance rejection control algorithm in tilt quad rotor. Chin. J. Aeronaut. 2020, 33, 1625–1641. [Google Scholar]
- Sadiq, A.; Ibrahim, M.S.; Usman, M.; Zubair, M.; Khan, S. Chaotic time series prediction using spatio-temporal rbf neural networks. In Proceedings of the International Conference on Emerging Trends in Engineering, Sciences and Technology, Karachi, Pakistan, 21–22 December 2018; pp. 1–5. [Google Scholar]
- Bouabdallah, S.; Siegwart, R. Backstepping and sliding-mode techniques applied to an indoor micro quadrotor. In Proceedings of the 2005 IEEE International Conference on Robotics and Automation, Barcelona, Spain, 18–22 April 2005; Volume 50, pp. 2247–2252. [Google Scholar]
- Xiong, J.J.; Zhang, G.B. Global fast dynamic terminal sliding mode control for a quadrotor UAV. ISA Trans. 2017, 66, 233–240. [Google Scholar] [CrossRef]
- Han, J. From PID to active disturbance rejection control. IEEE Trans. Ind. Electron. 2009, 56, 900–906. [Google Scholar] [CrossRef]
- Wettschereck, D.; Dietterich, T. Improving the performance of radial basis function networks by learning center locations. NIPS 1991, 4, 1133–1140. [Google Scholar]
- Khan, S.; Naseem, I.; Togneri, R.; Bennamoun, M. A novel adaptive kernel for the rbf neural networks. Circuits Syst. Signal Process. 2017, 36, 1639–1653. [Google Scholar] [CrossRef]














| Fault Generation Time (s) | Gain Fault Value | Deviation Fault Values (pwm: 0–150) |
|---|---|---|
| 5 s | 5% | 30 |
| 13 s | 10% | 50 |
| 30 s | 15% | 60 |
| 40 s | 15% | 100 |
| 50 s | 20% | 150 |
| Controler | Settling Time | Overshoot | Angle Error |
|---|---|---|---|
| Traditional ADRC in Scenario 1 | 2.3 s | 12.3% | 0.3° |
| ST-RBFNN ADRC in Scenario 1 | 1.5 s | 0% | 0.04° |
| Traditional ADRC in Scenario 2 | 3.2 s | 15.6% | 0.4° |
| ST-RBFNN ADRC in Scenario 2 | 2.2 s | 5.3% | 0.12° |
Publisher’s Note: MDPI stays neutral with regard to jurisdictional claims in published maps and institutional affiliations. |
© 2021 by the authors. Licensee MDPI, Basel, Switzerland. This article is an open access article distributed under the terms and conditions of the Creative Commons Attribution (CC BY) license (https://creativecommons.org/licenses/by/4.0/).
Share and Cite
Hua, L.; Zhang, J.; Li, D.; Xi, X. Fault-Tolerant Active Disturbance Rejection Control of Plant Protection of Unmanned Aerial Vehicles Based on a Spatio-Temporal RBF Neural Network. Appl. Sci. 2021, 11, 4084. https://doi.org/10.3390/app11094084
Hua L, Zhang J, Li D, Xi X. Fault-Tolerant Active Disturbance Rejection Control of Plant Protection of Unmanned Aerial Vehicles Based on a Spatio-Temporal RBF Neural Network. Applied Sciences. 2021; 11(9):4084. https://doi.org/10.3390/app11094084
Chicago/Turabian StyleHua, Lianghao, Jianfeng Zhang, Dejie Li, and Xiaobo Xi. 2021. "Fault-Tolerant Active Disturbance Rejection Control of Plant Protection of Unmanned Aerial Vehicles Based on a Spatio-Temporal RBF Neural Network" Applied Sciences 11, no. 9: 4084. https://doi.org/10.3390/app11094084
APA StyleHua, L., Zhang, J., Li, D., & Xi, X. (2021). Fault-Tolerant Active Disturbance Rejection Control of Plant Protection of Unmanned Aerial Vehicles Based on a Spatio-Temporal RBF Neural Network. Applied Sciences, 11(9), 4084. https://doi.org/10.3390/app11094084

