Next Article in Journal
Principles of Different X-ray Phase-Contrast Imaging: A Review
Next Article in Special Issue
A Study on Learning Parameters in Application of Radial Basis Function Neural Network Model to Rotor Blade Design Approximation
Previous Article in Journal
Focal Vibration Therapy: Vibration Parameters of Effective Wearable Devices
 
 
Font Type:
Arial Georgia Verdana
Font Size:
Aa Aa Aa
Line Spacing:
Column Width:
Background:
Article

Meta-Models and Genetic Algorithm Application to Approximate Optimization with Discrete Variables for Fire Resistance Design of A60 Class Bulkhead Penetration Piece

Department of Naval Architecture & Ocean Engineering, Mokpo National University, Jeonnam 58554, Korea
*
Author to whom correspondence should be addressed.
Appl. Sci. 2021, 11(7), 2972; https://doi.org/10.3390/app11072972
Submission received: 26 February 2021 / Revised: 21 March 2021 / Accepted: 24 March 2021 / Published: 26 March 2021
(This article belongs to the Special Issue Soft Computing Application to Engineering Design)

Abstract

A60 class bulkhead penetration piece is a fire-resistance apparatus installed on bulkhead compartments to protect lives and to prevent flame diffusion in case of fire accident in ships and offshore plants. In this study, approximate optimization with discrete variables was carried out for the fire-resistance design of an A60 class bulkhead penetration piece (A60 BPP) using various meta-models and multi-island genetic algorithms. Transient heat transfer analysis was carried out to evaluate the fire-resistance design of the A60 class bulkhead penetration piece, and we verified the results of the analysis via a fire test. The design of the experiment’s method was applied to generate the meta-models to be used for the approximate optimization, and the verified results of the transient heat transfer analysis were integrated with the design of the experiment’s method. The meta-models used in the approximate optimization were response surface model, Kriging, and radial basis function-based neural network. In the approximate optimization, the bulkhead penetration piece length, diameter, material type, and insulation density were applied to discrete design variables, and constraints that were considered include temperature, productivity, and cost. The approximate optimum design problem based on the meta-model was formulated such that the discrete design variables were determined by minimizing the weight of the A60 class bulkhead penetration piece subject to the limit values of constraints. In the context of approximate accuracy, the solution results from the approximate optimization were compared to actual analysis results. It was concluded that the radial basis function-based neural network, among the meta-models used in the approximate optimization, showed the most accurate optimum design results for the fire-resistance design of the A60 class bulkhead penetration piece.

1. Introduction

Fire accidents in ships and offshore plants cause massive system damage and human injury due to flame diffusion. In order to reduce the damage caused by the fire accident, International Maritime Organization (IMO) has strengthened fire protection regulations for some major compartments of ships and offshore plants. Fire resistance design specified in the Safety of Life at Sea (SOLAS) should be applied to A60 class fire protection apparatus to prevent the spread of flames for 60 min in the compartment where the apparatus is installed [1]. A60 class bulkhead penetration piece (A60 BPP) is a fire protection apparatus used in the case that a control or communication cable is installed through the vertical structure of a compartment with a high risk of a fire accident. The IMO requires that the fire-resistance performance of the A60 BPP should be verified in accordance with the Fire Test Procedure (FTP) regulation [2]. The A60 BPP design should satisfy the FTP regulation according to which the temperature measured on the outer parts of A60 BPP should be maintained under 180 °C during the fire test wherein the specimen is mounted vertically in the furnace and heated gradually to the temperature of 940 °C for 60 min.
A few research studies on fire-resistance performance evaluation for ships or offshore plants have been carried out. Grigonis et al. [3] conducted fire tests on various fire protection coating samples to investigate the relationship between the thickness of the intumescent fire protection coating and the time exposed to heat. Choi et al. [4] carried out a fire test by adjusting fire-resistance conditions on fire damper blades and coaming to satisfy the fire protection performance of the H-120 class fire damper. Choi et al. [5] conducted a fire test in consideration of various composite material manufacturing conditions to evaluate the fire protection performance of the material used for fiberglass reinforced plastic ship. Park and Song [6] performed a fire test by applying specimen specifications, temperature conditions and heating time settings, and temperature measurement and analysis methods specified by the FTP to verify the A60 fire protection performance. Song and Kim [7] verified the design of A0 class bulkhead penetrating pipe applied to the vertical structure of the ship using heat transfer analysis and fire test. As such, it is difficult to find a case of design optimization research for fire-resistance apparatus such as the A60 BPP or fire protection devices for ships or offshore plants. This study aims to propose an optimization method of fire-resistance design for A60 BPP using various meta-models and genetic algorithms.
In this study, meta-model-based approximate optimization using a multi-island genetic algorithm (MIGA) was carried out for the weight minimization design of an A60 BPP with the characteristics of discrete design variables. Genetic algorithm (GA) is one of the global search methods based on evolutionary computation adopting the principle of survival of the fittest in organisms. In contrast with conventional sensitivity-based optimal design methods that require the differentiation of function, the GA can be applied to optimization with discrete variables because it uses a binary coding method and is able to transfer the design solution with the function result itself [8]. Even though there is no restriction on the type of the meta-model that can be applied to the GA-based approximate optimization, the difference in the approximate optimization result by the meta-model may occur depending on the characteristics of the design space. Therefore, it is required to select the meta-model most suitable for the GA-based approximate optimization by applying various meta-models to a given design problem. Although the GA is capable of global optimization search, it is poor in maintaining the diversity of the population and easily accessing local solutions. In order to enhance the phenomenon of precocious search, MIGA has been devised. MIGA was significantly strengthened in maintaining the diversity of the population and had a better performance in finding the global optimal solution [9]. In order to evaluate the fire-resistance performance of the A60 BPP, transient heat transfer analysis based on the finite element method was performed by applying specimen specifications and heating temperature conditions specified in the FTP code. The transient heat transfer analysis results were verified via the actual fire test according to both the FTP code and international fire-resistance test procedure specified in International Organization for Standardization (ISO) [10]. Design of experiment (DOE) method was applied to generate the meta-models to be used for the approximate optimization, and the verified finite element model and transient heat transfer analysis results were integrated with the DOE. The length, diameter, and material type of A60 BPP, and the insulation density were included in the design variables, and the discretized specifications that can be actually manufactured were considered their variation level. The A60 BPP weight was applied as the objective function, and constraints were considered the fire-resistance temperature specified in the FTP code, productivity, and cost, respectively. The design matrix was generated by applying the full factor design method to consider the results of all the objective functions and the constraints that occur due to the level of variation of the design variables. From the DOE results, various meta-models such as Kriging, response surface method (RSM), and radial basis function-based neural network (RBFN) were generated. In the Kriging method, an interpolative meta-model is defined as the sum of the global model representing the global characteristics of an actual design space function to be approximated and the local model corresponding to the deviation between the actual function and the global model [11]. In RSM, a regressive meta-model is generated generally as a polynomial model with second-order terms using the least-squares method [12]. In RBFN, the interpolative meta-model is fitted using linear combinations of a radially symmetric function based on Euclidean distance, while the neural network is trained by a back-propagation algorithm [13,14]. The accuracy of approximating the design space of A60 BPP for each meta-model was evaluated, and the convergence results were compared by applying it to the approximate optimization. The approximate optimum design problem based on the meta-model was formulated such that the discrete design variables were determined by minimizing the A60 BPP weight subject to the limit values of constraints. The results of the approximate optimum design explored for each meta-model were compared with the results of the actual constraints to evaluate the approximation accuracy. For the fire-resistance design of A60 BPP, it was found that the RBFN-based approximate optimization method can explore the optimum solution with the highest accuracy. This paper is comprised of the following sections: Section 2 addresses the fire-resistance design of A60 BPP and explains the FTP code regulation, the transient heat transfer analysis results, and the fire test verification; Section 3 addresses the DOE results and describes the meta-modeling and theoretical background; Section 4 addresses the results and discusses the characteristics of the approximate optimum solutions according to various meta-models; and Section 5 presents the concluding remarks of this study. Both the list of acronyms and the whole DOE data for meta-modeling are provided in Appendix A.

2. Fire-Resistance Performance of A60 BPP

2.1. Fire-Resistance Design and Regulation

The A60 BPP, which is installed on ships and offshore plants, is a fire-resistance apparatus used for the safe operation of control and communication cables and connected through the vertical bulkhead structure while maintaining airtightness in case of fire accident in the bulkhead compartment. Figure 1 shows the design specifications for bulkhead penetration pieces specified in the international ship classification regulations [15], according to the fire-resistance ratings.
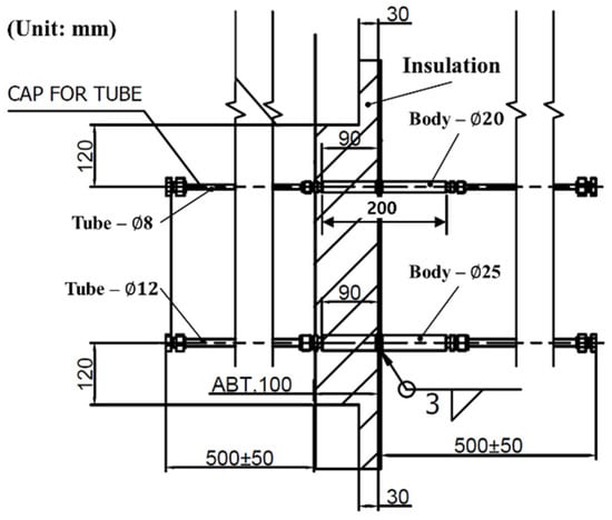
As shown in Figure 1, the steel body of A60 BPP should be designed with both lengths of 900 mm and a thickness of 3 mm, including insulation. In case that the length or the thickness does not meet the requirements specified in Figure 1, the modified A60 BPP design should be verified by fire test according to the FTP code [1,2,15]. However, as the length of A60 BPP increases, production and quality problems such as A60 BPP deformation, productivity decrement, and cable damage occur. Therefore, shipyards are actually having many difficulties in complying with the design regulations specified by the international ship classifications. In order to improve the productivity and quality of A60 BPP, the authors of this study devised a new design by means of reducing the body length of A60 BPP and applying the stepped sectional configuration of insulation. In this section, the fire-resistance performance of the newly devised A60 BPP was evaluated via the transient heat transfer analysis and the fire test verification. The enhanced design configuration of A60 BPP is shown in Figure 2.
As shown in Figure 2, the body of the A60 BPP was reduced to 200 mm in length, and the diameter was designed to be ϕ8 and ϕ12 for the tube, and ϕ20 and ϕ25 for the body, respectively. The cross section of the insulation was designed to be the height of 90 mm for the width of 120 mm from the center of the A60 BPP, and the height of 30 mm in the other parts. Mechanical structural carbon steel (S45C) and austenitic stainless steel (SUS316L) were considered as materials for the A60 BPP, respectively.
A60 BPP should be designed so that the temperature measured on the opposite side of the furnace inside is 180 °C or less for 60 min under the furnace heating condition regulated by the FTP. Figure 3 shows the configuration of the fire test specimen specified in the FTP code [2].
As shown in Figure 3, the fire test specimen of A60 BPP should be made of a general steel structure material (SS400). For the rectangular plates with the width of 2440 mm, the length of 2500 mm and the thickness of 4.5 mm, L-shaped stiffeners with dimensions of 65 × 65 × 6 mm should be placed at 600 mm intervals. The A60 BPP was mounted with the insulation between the L-shaped stiffeners of the specimen, as shown in Figure 3, and the fire-resistance performance was verified through the fire test. For the fire test specimen equipped with both A60 BPP and the insulation, the side of the insulation should be placed on the opposite side of the furnace inside in order that the specimen can be evaluated in the same manner as operation condition in the actual ship. In addition, the specimen was mounted vertically in the furnace and heated gradually to the temperature of 940 °C for 60 min.

2.2. Transient Heat Transfer Analysis and Fire Test

In the transient heat transfer analysis of the A60 BPP, the maximum temperature and contour were calculated using ABAQUS/implicit [16], a general-purpose finite element analysis program. The transient heat transfer analysis model generated based on both the design configuration of the A60 BPP in Figure 2 and the fire test specimen in Figure 3 is shown in Figure 4, and the detailed specifications of the analysis model are summarized in Table 1.
In order to improve the accuracy of the transient heat transfer analysis, the temperature-dependent material properties for both thermal conductivity and specific heat were applied according to the existing research results [17,18,19,20].
The FTP code regulates that the A60 BPP should be heated gradually to the temperature of 940 °C for 60 min using a fire test furnace and control temperature, as shown in Figure 5.
As shown in Figure 5a, the fire test specimen for A60 BPP was installed in the vertical direction, and the side of the insulation was placed on the opposite side of the furnace inside. The enclosed internal temperature of the fire test furnace was heated up to 940 °C for 60 min according to the furnace control temperature curve with the heat at the flaming point. The furnace control temperature curve shown in Figure 5b is defined by the following equation [2]:
T   = 340 log 10 ( 8 t + 1 ) + 20 ,
where T is the heating temperature (°C), and t is the heating time (minutes). The heat input condition of the transient heat transfer analysis was set the same as the fire test furnace conditions specified in the FTP code, as represented in Figure 5. Regarding the temperature measurement, the maximum temperature was measured on the body of the A60 BPP in the unexposed ambient domain, and it was decided that the FTP regulation was satisfied only as the measured temperature was 180 °C or less. Since the furnace heating condition specified in the FTP code is a method of increasing the atmosphere temperature inside the enclosed fire test furnace, the following equations for calculating the convection coefficient (h) were applied in the transient heat transfer analysis [21]:
h   = k L   N u     ( W / m 2 K )
N u   = { 0.825 +   0.387   R 1 / 6 [ 1 + ( 0.492 P r ) 1 6 ] 8 / 27 }
R   = g β ( T s T ) L 3 ν 2   P r ,
where Nu is Nusselt number, R is Rayleigh number, Pr is Prandtl number, k is the thermal conductivity of the fluid, L is geometry characteristic length, ν is dynamic viscosity coefficient of the fluid, g is gravity acceleration, β is volumetric expansion coefficient, T s is face temperature assuming a vertical plate, and T is fluid temperature away from the face. Figure 6 shows the temperature distribution results measured on the fire test specimen of A60 BPP from the transient heat transfer analysis at the heating time of 60 min.
As shown in Figure 6, the temperature results of the A60 BPP measured in the unexposed ambient domain were distributed in the range of 20 °C to 313 °C, while in the exposed furnace domain, they were distributed in the range of 330 °C to 892 °C. Based on the numbers represented in Figure 4 and Table 1, the maximum temperature results on the body of the A60 BPP in the unexposed ambient domain were measured as 172.4 °C at #1, 76.6 °C at #2, 170.0 °C at #3 and 58.4 °C at #4, respectively. It was found that the temperature result of the newly devised A60 BPP from the transient heat transfer analysis satisfied the fire-resistance temperature limit for the A60 class apparatus regulated in the FTP code.
In order to verify the transient heat transfer analysis result, the fire test specimen was manufactured in accordance with the FTP code in the same way as the analysis model, and the test was carried out according to the international fire-resistance test procedure specified in ISO [10]. The vertical furnace, which is used for the verification of fire-resistance performance of the A60 BPP, is a facility that tests the A-class vertical fire protection apparatus installed at the vertical bulkhead compartment in ships and offshore plants. The effective heating area of the vertical furnace is 3000 mm × 3000 mm. The fire test temperature inside the furnace is controlled according to the furnace control temperature curve of Equation (1) through the flame from burners installed on the lower side of the furnace. The fire test time is adjusted according to the fire-resistance class. The vertical furnace facility and the test configuration used for the fire test of A60 BPP are shown in Figure 7.
As shown in Figure 7b, the temperatures of the fire test for A60 BPP were measured at the same locations as the transient heat transfer analysis. The measurement results from the fire test are represented in Table 2 in comparison to the transient heat transfer analysis results.
As represented in Table 2, the minimum error between the transient heat transfer analysis and the fire test of A60 BPP was 3.2% at the #1 measurement location, and the maximum error was 14.0% at #2, respectively. The average error at all measurement locations was 7.8%, and it was also found that the temperature variation characteristics according to the design specifications such as A60 BPP length, diameter, and material type were coincident in both the transient heat transfer analysis and the verification test. Considering the transient heat transfer analysis for the 60 min fire test, it was confirmed that the accuracy of the analysis result was verified. Since the transient heat transfer analysis method adopted in this study was confirmed to be adequate for the evaluation of the fire-resistance design of the A60 BPP, meta-model generation and approximate optimization with discrete design variables were carried out for the minimum weight design based on the transient heat transfer analysis.

3. Meta-Modeling

The meta-model used for the approximate optimization is generated in order to predict the response characteristics of both objective function and constraints in a given design range with the minimum error rate and then applied to the optimization analysis process to improve convergence and to reduce numerical cost. In this study, various meta-models to be applied to the approximate optimization were generated using the design of the experiment method, and the verified results of both the finite element model and transient heat transfer analysis were integrated with the design of the experiment. The design variables and their levels applied to the design of the experiment were set to three levels for both the body length and the tube diameter of A60 BPP, two levels for the material type of A60 BPP, and three levels for the insulation density, respectively. The details of the design variables and their levels were summarized in Table 3.
As represented in Table 3, the levels for the length of the body were defined as 50 mm intervals. The levels for the diameter of the tube were set to ϕ6, ϕ8, and ϕ12 considering the diameter specifications of steel tubes that can be actually manufactured. Since both the S45C and the SUS316L were conventionally used for the fire-resistance apparatus made of steel category were, the material type of A60 BPP was set to the two-level design variable. The levels for the insulation density were set to 96, 128, and 160, considering the insulation specifications that have been actually used for the A60 class insulation.
The output responses evaluated from the design of the experiment according to the variation of the levels of design variables were considered the single objective function and a number of constraints. The objective function (f) was considered the weight of the A60 BPP itself and the insulation attached to the A60 BPP, excluding the fire test specimen. Among the constraints, the fire test temperature (g1) was considered the results measured from the transient heat transfer analysis. Productivity constraint (g2) was generated by applying weight factors of 2.0, 1.0, and 0.5 for each design variable of length, diameter, and material type of A60 BPP. For cost constraint (g3), the price of each material type of the A60 BPP per unit weight was considered in units of 1000 Korea won. A total of 45 full-factorial experiments were composed by applying the level variation of the design variables represented in Table 3. In Table 4, the results of full-factorial experiments for the objective function and constraints are summarized according to the variation of the design variables.
Various meta-models such as Kriging, RSM, and RBFN were generated from the results of full-factorial experiments in Table 4, and the accuracy of approximating the design space of A60 BPP was compared for each meta-model.
The Kriging is defined as the sum of the global model representing the global characteristics of an actual design space function to be approximated and the local model corresponding to the deviation between the actual function and the global model [11]. The Kriging meta-model was defined as follows:
g ˜ ( x ) K = Z ( x ) T A K + E ( x )
  A K =   ( a 1 ,   a 2 ,   ,   a p ) T
  Z ( x ) =   [ z 1 ( x ) ,   z 2 ( x ) ,   ,   z p ( x ) ] T ,
where AK is the unknown coefficient vector, and Z(x) is the global model vector, which is defined by design variable, x E n d . E(x) is supposed as an independent normal distribution. E(x) is also the spatial correlation of design data, and defined as follows:
E ( θ ,   x i ,   x j ) = exp [ k = 1 n d θ k ( x i x j ) 2 ] .
The correlation coefficient θ can be calculated as the most probabilistic correlation coefficient through the maximum likelihood estimation process that maximizes a likelihood function.
The RSM is generally generated as a regression model of second-order polynomials via the least-squares method [12]. The RSM was defined as follows:
g = A 0 + i = 1 n A i   Z i + i = 1 n A i i   Z i 2 + i = 1 n j = i + 1 n A i   Z i Z j + e .
Given the actual response vector g and the matrix Z of n basis variables from the design of experiment data, the relationship between g and Z is as follows:
g = Z A R + e .
In order to minimize the random error vector e and estimate the unknown coefficient vector AR, a least-squares function is used as follows:
A R =   ( Z T Z ) 1 Z T g .
Applying the coefficient calculated from Equation (9), the quadratic regression meta-model is obtained as follows:
g ˜ ( x ) R =   a 0 +   i = 1 n a i x i +   i = 1 n a i i x i 2 + i = 1 n j = i + 1 n a i j x i x j ,
where the RSM coefficient a is the element of the estimated AR.
The RBFN was developed for scattered multivariate data interpolation [13,14]. The RBFN meta-model generally uses linear combinations of a radially symmetric function based on Euclidean distance to approximate the output response functions. Let x 1 ,   ,   x n Ω U n be a given set of nodes, and a set of any RBFN basis function is defined as follows:
g j ( x ) =   ( || x x j || ) U ,     j = 1 ,   2 ,   3 ,   ,   n ,
where is power spline basis function, and || x x j || is Euclidean distance. From the Euclidean distance, the input data layers of RBFN are assorted as a homogeneous cluster, and the is defined as follows:
( r , c ) = r c j ,
where c is a shape function coefficient with a positive constant variable, and r is the Euclidean distance. Give the interpolation data y 1 ,   ,   y n U n at the data points x 1 ,   ,   x n Ω U n , the RBFN interpolant g ˜ ( x ) N through the network learning process as shown in Figure 8 is defined as follows:
g ˜ ( x ) N =   j = 1 n α j g j ( x ) +   α n + 1
j = 1 n α j g j ( x ) +   α n + 1 = y i ,     i = 1 ,   2 ,   3 ,   ,   n ,
where α is an unknown approximate coefficient.
The meta-modeling accuracy was evaluated by average error (Eavg), maximum error (Emax), and R2 value, respectively, which were calculated as follows:
E a v g = 1 1 n i = 1 n | t i y i |
E m a x = 1 m a x | t i y i |
R 2 = 1   ( t i y i ) 2   ( t i t ¯ ) 2 ,
where t i is actual value, y i is predict value estimated from the meta-model, and t ¯ is the average of the actual values. R2 and Eavg are accuracy evaluation methods used to calculate the accuracy of the meta-model throughout the design space, while Emax is a criterion for evaluating the magnitude of the local variation of the meta-model. In the case that the R2 is calculated as 1.0, it means that the predicted value of the meta-model is exactly coincident to the actual value of the output response on the entire design space. The results of the meta-modeling accuracy for both the objective function and the constraints were calculated according to each meta-model and represented in Table 5.
As represented in Table 5, the RBFN presented the most accurate results in all the evaluation methods. The average error results of RSM were more accurate than the Kriging, whereas the maximum error results were reversed. The R2 values for the objective functions and the constraints of all the meta-models showed a very high accuracy of 0.96 or higher on average. Therefore, it was determined that meta-models could be applied to the approximate optimization to improve the efficiency of numerical calculation. Among the meta-models, the Kriging showed the lowest overall accuracy, and the mean results of R2 values for the RSM and the RBFN were very high as 0.994 and 0.999, respectively. Among the meta-models generated by the full factor design of the experiment, it was found that the RBFN was able to explore the design space of the A60 BPP with the highest accuracy.

4. MIGA Based Approximate Optimization with Discrete Design Variables

Genetic algorithm (GA), which is one of the global search methods based on evolutionary computation, adopts the principle of survival of the fittest in organisms. GA repetitively performs a typical genetic process such as regeneration, crossover, and mutation, which are the basic principles of biological inheritance, using the probability distribution of a large number of design groups per generation. Through the GA process, the objective function is optimized by generating new design variables or searching for an improved design solution. The derivative-based optimization method searches for the closest improved solution from the initial design specification in the continuous design space. On the other hand, the GA is usefully applied to non-deterministic polynomial hard optimization problems such that the design problem characteristics are nonlinear, the design space is discontinuous, there are many design variables and constraints, and the design variable type is discrete or integer [22]. The discrete design optimization problem is generally difficult to solve due to the fact that the discrete design space is non-differentiable and nonconvex. Therefore, a general gradient-based programming method and optimality criteria cannot be applied directly to the discrete design space. The global optimal solution of the discrete design optimization problem can be obtained only by an exhaustive search method such as the GA [23].
In order to minimize the weight of the A60BPP subject to various constraints, the approximate optimization with the discrete design variables was carried out using the MIGA technique and the meta-models. In the MIGA method, the population of the general GA is transformed into sub-populations called “island,” and genetic processes such as selection, crossover, and mutation are carried out for each island [24,25]. Individuals selected on the island from the genetic process are periodically moved to another island via a roulette selection method. The main parameters controlling the individual migration in the MIGA are the migration interval and rate to the island. The migration interval determines the number of generations between each movement, and the migration rate determines the number of individuals that are migrated from each island. Three types of meta-models such as Kriging, RSM, and RBFN were applied to the approximate optimization with discrete design variables for the minimum weight design of the A60 BPP. The approximate optimization problem was formulated such that the discrete design variables were determined by minimizing the weight of A60 BPP subject to various constraints such as fire resistance temperature, productivity, and cost. This study explored the approximate optimum design results according to the characteristics of the meta-models and identified the most pertinent optimization approach to the minimum weight design of the A60 BPP, compared to the actual results of the constraints. The approximate optimization formulation of the A60 BPP design was defined as follows:
M i n . f = f ( x 1 ,   x 2 ,   x 3 ,   x 4 )
s . t . g 1 ( x 1 ,   x 2 ,   x 3 ,   x 4 ) = Fire   resistance   temperature 170   ° C
g 2 ( x 1 ,   x 2 ,   x 3 ,   x 4 ) = Productivity 9.5
g 3 ( x 1 ,   x 2 ,   x 3 ,   x 4 ) = Cos t 30 , 000
x 1 = 150 ; 160 ; 170 ;   ; 230 ; 240 ; 250 x 2 = 6 ; 8 ; 10 ; 12 x 3 = S 45 C ; S U S 316 L x 4 = 96 ; 128 ; 160 .
Since the accuracy tolerance of the temperature measurement sensor used in the fire test is allowed up to ±5 at 940 °C [26], in Equation (18), the upper limit of the temperature inequality constraint is set to 170 °C, which is 10 °C lower than the fire resistance temperature regulated in the FTP code. Referring to the results of previous studies [27] on the sensitivity analyses of both productivity and cost in A60 BPP, the lower and upper limits of the inequality constraints on the productivity and cost were applied at 80% of the maximum values evaluated from the full-factorial experiments, as represented in Table 4. The ranges of design variables in the body length (x1) and diameter (x2) of A60 BPP were defined discretely as 10 mm and ϕ2 intervals, which can be actually manufactured. The range of discrete design variables in the material type (x3) of A60 BPP was applied to S45C and SUS316L, which are steel materials that can be used for fire protection apparatus. The range of discrete design variables for the insulation density (x4) was considered the specifications actually produced for the A60 class insulation.
The numerical search parameters of MIGA applied to the approximate optimization of A60BPP are summarized in Table 6.
The approximate optimal solution result was explored by applying the meta-models of Kriging, RSM, and RBFN to the discrete design ranges defined in the process of formulating the optimal design of A60 BPP. The accuracy of the approximate optimal design result was compared with the results of the actual constraints for each meta-model. The optimization results are summarized in Table 7 for the optimal design solution, the approximate and actual calculation results of the constraints, and the weight minimization results. The results of the optimization convergence of the objective function are shown in Figure 9.
As shown in Table 7, the results of approximation optimization represented the weight minimized design of more than 23% compared to the initial design while satisfying all the limit values of constraints. The approximate optimization result using the RBFN meta-model represented the highest accuracy because the approximate results of the constraints were coincident with the actual calculation results. In the case of applying Kriging and RSM meta-models, the weight reduction ratio was achieved by 23.5%, compared to the initial design, but the approximation accuracy results of the fire test temperature constraint (g1) were inferior to the results of the case where the RBFN meta-model was applied. As shown in Table 7 and Figure 9, it was found that the convergence results and the iteration characteristics of the objective function were similar in all the meta-models. In the result of the approximate optimal design solution, the insulation density (x4) was converged at the upper limit of the design range in case that the RBFN meta-model was applied, while the other design variables were determined as the same optimal solutions. All the approximate constraint results of the Kriging meta-model represented good accuracy except for the fire test temperature constraint, while the approximate constraint results of RSM were all inferior in approximation accuracy excluding the productivity constraint (g2). From the approximate accuracy of constraints and the convergence results of the objective function, it was found that the case of applying the RBFN meta-model was the most effective method in the approximate optimization with the discrete design variables for the fire resistance design of A60 BPP.

5. Conclusions

In this study, the MIGA-based approximate optimizations using three types of meta-models were performed for the weight minimization design of the A60 BPP with the characteristics of discrete design variables. The three types of meta-models were applied to the approximate optimization in the fire resistance design of A60 BPP, and the most adequate meta-model was also explored.
From the results of the transient heat transfer analysis, it was found that the temperature results of the newly devised A60 BPP satisfied the fire resistance temperature limit for the A60 class apparatus specified in the FTP code. The results of the transient heat transfer analysis were verified via the actual fire test, according to both the FTP code and international fire resistance test procedure specified in ISO. It was found that both the temperature measurement results and their variation characteristics from the transient heat transfer analysis were coincident with the verification test. Since the transient heat transfer analysis method adopted in this study was confirmed to be suitable for the evaluation of the fire resistance performance of the A60 BPP, both the meta-model generation and the approximate optimization based on the transient heat transfer analysis were performed for the minimum weight design of the A60 BPP.
The DOE method was applied to generate the meta-models to be used for the approximate optimization, and the verified the transient heat transfer analysis models and their results were integrated into the design matrix of DOE. The length, diameter, and material type of A60 BPP, and the insulation density were included in the design variables with the discretized specifications that can be actually manufactured. Regarding the evaluation of the output responses such as the objective function and the constraint, the A60 BPP weight was applied as the objective function, and the constraints were considered the fire resistance temperature regulated in the FTP code, productivity, and cost, respectively. A total of 54 full-factorial experiments were generated to consider all the results of the objective functions and the constraints that occur due to the level of variation of the design variables. From the DOE results, Kriging, RSM, and RBFN were generated. The R2 values of all the generated meta-models for output responses represented 0.96 or higher on average. Among the meta-models, it was found that the RBFN was able to explore the design space of the A60 BPP with the highest accuracy, while the Kriging showed the lowest overall accuracy.
In order to minimize the weight of the A60BPP subject to the constraints, the approximate optimization with the discrete design variables was carried out by using the MIGA technique and the meta-models. The approximate optimization problem was formulated such that the discrete design variables were determined by minimizing the weight of the A60 BPP subject to the constraints of fire resistance, i.e., temperature, productivity, and cost. From the results of approximation optimization, the A60BPP weight was reduced more than 23%, compared to the initial design while satisfying all the limit values of constraints. The approximate optimization result using the RBFN meta-model represented the highest accuracy because the approximate results of the constraints were coincident with the actual calculation results. In the case of applying Kriging and RSM meta-models, the weight was reduced up to 23.5%, but the approximation accuracy results of the fire test temperature constraint were inferior to the results of the case in which the RBFN meta-model was applied. From the approximate accuracy of constraints and the convergence results of the objective function, it was confirmed that the case of applying the RBFN meta-model was the most effective method in the approximate optimization with the discrete design variables for the fire resistance design of A60 BPP.

Author Contributions

Conceptualization, C.Y.S.; methodology, C.Y.S.; software, W.C.P.; validation, C.Y.S.; formal analysis, W.C.P.; investigation, W.C.P.; resources, W.C.P.; data curation, W.C.P.; writing—original draft preparation, W.C.P.; writing—review and editing, C.Y.S.; visualization, W.C.P.; supervision, C.Y.S.; project administration, C.Y.S.; funding acquisition, C.Y.S. Both authors have read and agreed to the published version of the manuscript.

Funding

This research received no external funding.

Institutional Review Board Statement

Not applicable.

Informed Consent Statement

Not applicable.

Data Availability Statement

The data presented in this study are available in this article.

Acknowledgments

This research was financially supported by the Ministry of Small and Medium-sized Enterprises (SMEs) and Startups (MSS), Korea, under the Collabo R&D Program (G21S291073701) supervised by the Korea Technology and Information Promotion Agency (TIPA), and also supported by Regional Innovation Strategy (RIS) through the National Research Foundation of Korea (NRF) funded by the Ministry of Education (MOE).

Conflicts of Interest

The authors declare no conflict of interest.

Appendix A

Table A1. List of acronyms.
Table A1. List of acronyms.
AcronymSignificance
A60 BPPA60 class bulkhead penetration piece
DOEDesign of experiment
FTPFire Test Procedure
GAGenetic algorithm
IMOInternational Maritime Organization
MIGAMulti-island genetic algorithm
RBFNRadial basis function-based neural network
RSMResponse surface method
SOLASSafety of Life at Sea
Table A2. Design of experiment (DOE) data for meta-modeling.
Table A2. Design of experiment (DOE) data for meta-modeling.
Design VariablesOutput Responses
Runx1 (mm)x2 (mm)x3x4 (kg/m3)f (kg)g1 (°C)g2g3 (1000 × ₩)
11506S45C960.650177.0612.63.80
21506S45C1280.650169.5612.63.80
31506S45C1600.650169.0912.63.90
41506SUS316L960.66477.211318.87
51506SUS316L1280.66474.121318.87
61506SUS316L1600.66474.001318.97
71508S45C960.748175.4414.64.40
81508S45C1280.748172.5614.64.40
91508S45C1600.748173.0314.64.50
101508SUS316L960.76081.521521.61
111508SUS316L1280.76078.461521.61
121508SUS316L1600.76078.361521.71
1315012S45C961.001173.1016.65.89
1415012S45C1281.001170.4716.65.89
1515012S45C1601.001170.6616.65.99
1615012SUS316L961.01962.421728.96
1715012SUS316L1281.01960.281728.96
1815012SUS316L1601.01960.091729.16
192006S45C960.738172.029.64.34
202006S45C1280.738169.099.64.34
212006S45C1600.738169.629.64.44
222006SUS316L960.75075.921021.31
232006SUS316L1280.75072.871021.31
242006SUS316L1600.75072.751021.41
252008S45C960.845175.2011.64.97
262008S45C1280.845172.3911.64.97
272008S45C1600.845172.8811.65.07
282008SUS316L960.86079.601224.43
292008SUS316L1280.86076.601224.43
302008SUS316L1600.86076.491224.53
3120012S45C961.142172.5413.66.71
3220012S45C1281.142169.9913.66.71
3320012S45C1601.142170.2113.66.81
3420012SUS316L961.16160.481433.00
3520012SUS316L1281.16158.401433.00
3620012SUS316L1601.16158.211433.10
372506S45C960.822171.707.64.83
382506S45C1280.822168.787.64.83
392506S45C1600.822169.317.64.93
402506SUS316L960.83574.63823.74
412506SUS316L1280.83571.59823.74
422506SUS316L1600.83571.45823.84
432508S45C960.943174.099.65.54
442508S45C1280.943171.309.65.54
452508S45C1600.943171.799.65.64
462508SUS316L960.95977.581027.34
472508SUS316L1280.95974.611027.24
482508SUS316L1600.95974.481027.24
4925012S45C961.282171.1211.67.54
5025012S45C1281.282168.6011.67.54
5125012S45C1601.282168.8211.67.64
5225012SUS316L961.30058.701237.00
5325012SUS316L1281.30056.651237.00
5425012SUS316L1601.30056.451237.10

References

  1. IMO. International Convention for the Safety of Life at Sea–SOLAS 1999/2000 Amendment; International Maritime Organization: London, UK, 2010. [Google Scholar]
  2. MSC. Adoption of the International Code for Application of Fire Test Procedures–MSC.307(88); International Maritime Organization: London, UK, 2010. [Google Scholar]
  3. Grigonis, M.; Maciulaitis, R.; Lipinskas, D. Fire resistance tests of various fire protective coatings. Mater. Sci. 2011, 17, 93–98. [Google Scholar] [CrossRef]
  4. Choi, T.J.; Kim, J.S.; Choi, K.K.; Lim, Y.S.; Kim, Y.T. An experimental study on the fireproof of fire damper in accordance with insulation conditions on the coaming and blade. J. Korean Soc. Mar. Eng. 2013, 37, 431–437. [Google Scholar] [CrossRef]
  5. Choi, J.M.; Um, H.C.; Jin, Y.H. Comparison on the fire performance of additional insulation materials for improving the fire retardancy in engine-room of FRP vessel. J. Korean Soc. Mar. Eng. 2014, 38, 1150–1155. [Google Scholar] [CrossRef]
  6. Park, W.C.; Song, C.Y. Heat transfer characteristics of bulkhead penetration piece for A60 class compartment II: Fire resistance test for piece material and insulation types. J. Ocean Eng. Technol. 2019, 33, 340–349. [Google Scholar] [CrossRef]
  7. Song, C.Y.; Kim, Y. Identification of fire resistance characteristics of bulkhead penetration pieces for A-0 class compartment. J. Adv. Mar. Eng. Technol. 2020, 44, 414–421. [Google Scholar] [CrossRef]
  8. Goldberg, D.E. Genetic Algorithms in Search, Optimization and Machine Learning; Addison-Wesley: Boston, MA, USA, 2008. [Google Scholar]
  9. Chen, H.; Oka, R.; Kato, S. Study on optimum design method for pleasant outdoor thermal environment using genetic algorithms (GA) and coupled simulation of convection, radiation and conduction. Build Environ. 2008, 43, 18–30. [Google Scholar] [CrossRef]
  10. ISO. Fire Resistance Tests-Elements of Building Construction, ISO 834-1; International Organization for Standardization: Geneva, Switzerland, 1999. [Google Scholar]
  11. Song, C.Y.; Lee, D.J. A comparative study on surrogate models and sensitivity analysis for structure design of automatic salt collector using orthogonal array experiment. J. Converg. Inf. Technol. 2020, 10, 138–146. [Google Scholar] [CrossRef]
  12. Song, C.Y.; Lee, D.J.; Lee, J.S.; Kim, E.M.; Choi, B.Y. Evaluation of structural design enhancement and sensitivity of automatic ocean salt collector according to design of experiments. J. Ocean Eng. Technol. 2020, 34, 253–262. [Google Scholar] [CrossRef]
  13. Hardy, R.L. Multiquadratic equations of topography and other irregular surfaces. J. Geophys. Res. 1971, 76, 1905–1915. [Google Scholar] [CrossRef]
  14. Dyn, N.; Levin, D.; Rippa, S. Numerical procedures for surface fitting of scattered data by radial basis functions. SIAM J. Sci. Comput. 1986, 7, 639–659. [Google Scholar] [CrossRef]
  15. ABS. Mobile Offshore Drilling Units-Fire and Safety Rules for Building and Classing; American Bureau of Shipping: Houston, TX, USA, 2019. [Google Scholar]
  16. Simulia. Abaqus User Manual; Simulia: Houston, TX, USA, 2019. [Google Scholar]
  17. Piscopo, G.; Atzeni, E.; Salmi, A. A hybrid modeling of the physics-driven evolution of material addition and track generation in laser powder directed energy deposition. Materials 2019, 12, 2819. [Google Scholar] [CrossRef] [PubMed]
  18. Magnabosco, I.; Ferro, P.; Tiziani, A.; Bonollo, F. Induction heat treatment of a ISO C45 steel bar: Experimental and numerical analysis. Comput. Mater. Sci. 2006, 35, 98–106. [Google Scholar] [CrossRef]
  19. Suman, S.; Biswas, P.; Sridhar, P. Numerical prediction of welding distortion in submerged arc welded butt and fillet joints. In Proceedings of the International Conference on Design and Manufacturing, IITDM, Chennai, India, 16–17 December 2016. [Google Scholar]
  20. Ohmura, T.; Tsuboi, M.; Onodera, M. Specific heat measurement of high temperature thermal insulations by drop calorimeter method. Int. J. Thermophys. 2003, 24, 559–575. [Google Scholar] [CrossRef]
  21. Yunus, A.C.; Afshin, J.G. Heat and Mass Transfer: Fundamentals and Applications; McGraw-Hill: New York, NY, USA, 2012. [Google Scholar]
  22. Arora, J.S.; Huang, M.W.; Hsieh, C.C. Methods for optimization of nonlinear problems with discrete variables: A review. Multidiscipl. Optim. 1994, 8, 69–85. [Google Scholar] [CrossRef]
  23. Wu, Z.; Simpson, A. An efficient genetic algorithm paradigm for discrete optimisation of pipeline networks. In Proceedings of the Conference: International Congress on Modelling and Simulation, Modelling and Simulation Society of Australia, Hobart, Australia, 8–11 December 1997. [Google Scholar]
  24. Hu, X.; Chen, X.; Zhao, Y.; Yao, W. Optimization design of satellite separation system based on multi-island genetic algorithm. Adv. Space Res. 2014, 53, 870–876. [Google Scholar] [CrossRef]
  25. Ma, F.; Han, L.; Zhou, Y.S.; Chen, S.; Pu, Y. Multi-island genetic algorithm and Kriging model-based design of vehicle product comprising multi-material. IEEE Access 2018, 6, 53397–53408. [Google Scholar] [CrossRef]
  26. International Electrotechnical Commission. IEC Statutes and Rules of Procedure–751; IEC: Geneva, Switzerland, 2008. [Google Scholar]
  27. Park, W.C.; Song, C.Y.; Na, O. Heat transfer characteristics of bulkhead penetration piece for A60 class compartment I. J. Ocean Eng. Technol. 2018, 32, 310–323. [Google Scholar] [CrossRef]
Figure 1. The fire-resistance rating of A-class bulkhead penetration piece.
Figure 1. The fire-resistance rating of A-class bulkhead penetration piece.
Applsci 11 02972 g001
Figure 2. Enhanced design configuration of A60 BPP.
Figure 2. Enhanced design configuration of A60 BPP.
Applsci 11 02972 g002
Figure 3. Configuration of the fire test specimen.
Figure 3. Configuration of the fire test specimen.
Applsci 11 02972 g003
Figure 4. Configuration of the fire test specimen.
Figure 4. Configuration of the fire test specimen.
Applsci 11 02972 g004
Figure 5. Fire test furnace condition.
Figure 5. Fire test furnace condition.
Applsci 11 02972 g005
Figure 6. Temperature distribution contour results (unit: °C).
Figure 6. Temperature distribution contour results (unit: °C).
Applsci 11 02972 g006
Figure 7. Fire test facility and configuration.
Figure 7. Fire test facility and configuration.
Applsci 11 02972 g007
Figure 8. The architecture of a radial basis function network.
Figure 8. The architecture of a radial basis function network.
Applsci 11 02972 g008
Figure 9. Iteration history of the objective function.
Figure 9. Iteration history of the objective function.
Applsci 11 02972 g009
Table 1. Detail specification of the analysis model.
Table 1. Detail specification of the analysis model.
No.PartDimension (Tube/Body)Material Type
1Penetration pieceϕ8/ϕ20SUS316L
2Penetration pieceϕ8/ϕ20S45C
3Penetration pieceϕ12/ϕ25SUS316L
4Penetration pieceϕ12/ϕ25S45C
AFire test specimen SS400
BInsulation A60 class
Table 2. Comparison of temperature measurement results.
Table 2. Comparison of temperature measurement results.
No.Analysis (°C)Test (°C)Error (%)
1172.4167.13.2
276.667.214.0
3170.0179.45.2
458.453.78.8
Table 3. Design variables and their levels.
Table 3. Design variables and their levels.
Design VariableLevel ILevel IILevel III
x1: Length of body(mm)150200250
x2: Diameter of tube(mm)ϕ6 (1)ϕ8ϕ12
x3: Material typeS45CSUS316L
x4: Insulation density(kg/m3)96128160
(1) Diameter of body: ϕ20.
Table 4. Design variables and their levels.
Table 4. Design variables and their levels.
Design Variables
Runx1(mm)x2(mm)x3x4(kg/m3)
11506S45C96
21506S45C128
31506S45C160
5225012SUS316L96
5325012SUS316L128
5425012SUS316L160
Output Responses
Runf(kg)g1(°C)g2g3(1000× ₩)
10.65177.0612.63.8
20.65169.5612.63.8
30.65169.0912.63.9
521.3058.701237
531.3056.651237
541.3056.451237
Table 5. Comparison of meta-modeling results.
Table 5. Comparison of meta-modeling results.
Meta-ModelOutput Responses
fg1g2g3
KrigingEavg0.9970.9570.9680.969
Emax0.9580.9030.9330.938
R2 value0.9780.9650.9570.976
RSMEavg0.9980.9770.9830.986
Emax0.9370.8970.9170.907
R2 value0.9990.9780.9980.999
RBFNEavg0.9990.9910.9940.997
Emax0.9980.9850.9910.986
R2 value0.9990.9990.9990.999
Table 6. Parameters used in multi-island genetic algorithm (MIGA).
Table 6. Parameters used in multi-island genetic algorithm (MIGA).
ParameterValue
Sub-population size10
# of islands10
# of generations10
Crossover rate1.0
Mutation rate0.01
Migration rate0.01
Migration interval5
Table 7. Comparison of approximate optimization.
Table 7. Comparison of approximate optimization.
ContentOptimumObjectiveApproximate ConstraintsActual Constraints
Krigingx1 = 150 mm
x2 = ϕ6
x3 = S45C
x4 = 128 kg/m3
0.65 kgg1 = 169.1 °C
g2 = 12.6
g3 (1) = 3.8
g1 = 169.6 °C
g2 = 12.6
g3 = 3.8
RSMx1 = 150 mm
x2 = ϕ6
x3 = S45C
x4 = 128 kg/m3
0.65 kgg1 = 168.2 °C
g2 = 12.6
g3 = 4.3
g1 = 169.6 °C
g2 = 12.6
g3 = 3.8
RBFNx1 = 150 mm
x2 = ϕ6
x3 = S45C
x4 = 160 kg/m3
0.67 kgg1 = 169.1 °C
g2 = 12.6
g3 = 3.9
g1 = 169.1 °C
g2 = 12.6
g3 = 3.9
Initial designx1 = 200 mm
x2 = ϕ8
x3 = S45C
x4 = 128 kg/m3
0.85 kg g1 = 172.4 °C
g2 = 13.6
g3 = 5.0
(1) Unit: 1000 × ₩.
Publisher’s Note: MDPI stays neutral with regard to jurisdictional claims in published maps and institutional affiliations.

Share and Cite

MDPI and ACS Style

Park, W.C.; Song, C.Y. Meta-Models and Genetic Algorithm Application to Approximate Optimization with Discrete Variables for Fire Resistance Design of A60 Class Bulkhead Penetration Piece. Appl. Sci. 2021, 11, 2972. https://doi.org/10.3390/app11072972

AMA Style

Park WC, Song CY. Meta-Models and Genetic Algorithm Application to Approximate Optimization with Discrete Variables for Fire Resistance Design of A60 Class Bulkhead Penetration Piece. Applied Sciences. 2021; 11(7):2972. https://doi.org/10.3390/app11072972

Chicago/Turabian Style

Park, Woo Chang, and Chang Yong Song. 2021. "Meta-Models and Genetic Algorithm Application to Approximate Optimization with Discrete Variables for Fire Resistance Design of A60 Class Bulkhead Penetration Piece" Applied Sciences 11, no. 7: 2972. https://doi.org/10.3390/app11072972

APA Style

Park, W. C., & Song, C. Y. (2021). Meta-Models and Genetic Algorithm Application to Approximate Optimization with Discrete Variables for Fire Resistance Design of A60 Class Bulkhead Penetration Piece. Applied Sciences, 11(7), 2972. https://doi.org/10.3390/app11072972

Note that from the first issue of 2016, this journal uses article numbers instead of page numbers. See further details here.

Article Metrics

Back to TopTop