An Improved Rectifier Circuit for Piezoelectric Energy Harvesting from Human Motion
Abstract
:Featured Application
Abstract
1. Introduction
- They consist of diodes, which suffer from forward voltage (Vf) loss. Thus, the output voltage and power are low.
- The rectified voltage is unstable.
2. EH Circuits
2.1. Equivalent Circuit of PD
2.2. FBR Circuit
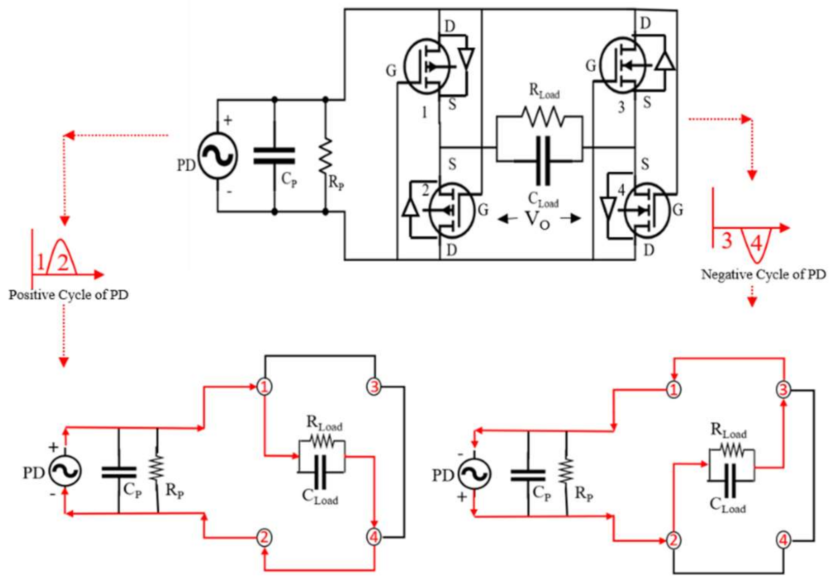
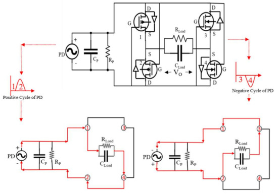
2.3. Proposed H-Bridge Rectifier Circuit for PEH in Human Motion Application
3. Experimental Design
3.1. Measurement of Voltage, Current, and Power of PD
3.1.1. Open-Circuit Voltage
- When the PD is subjected to external excitation, the positive and negative terminals were connected to a voltmeter. This device measures only the root mean square (RMS) value of the PD voltage. Therefore, the measured RMS voltage was converted into peak voltage (VPk) by using the Equation (4).
- To verify the measurement, the peak voltage (VPk) waveform was observed in the oscilloscope.
3.1.2. Current
- When the PD is subjected to excitation, the positive and negative terminal was connected to a current meter/ammeter (Type CD771 was used in this study). This device measures the RMS value of the current (IRMS). The measured current can be converted into peak current (IPk) by using the Equation (5).
- The current of the PD can also be calculated using the concept of PD equivalent circuit (Figure 5b).
- If the capacitance of the internal capacitor is CP, and the reactance of internal capacitor is XC, the peak current flowing through the internal capacitor, is defined aswhere XC = . In this study, the current obtained using both methods was found to be the same.IPk = Ꞷ CP VPk
3.1.3. Input Power
- Considering the internal capacitor is in parallel with the PD, the power generated by the PD varies with time. Measuring the constantly changing voltage and current waveforms for evaluation of the AC power is challenging, as Equation (7) is not applicable. Thus, the mean power is a better representation of PD’s power. When PD is subjected to excitation, the voltage and current waveforms are shown in Figure 9.
3.1.4. Output Power
3.2. Experimental Setup and Procedures
- FBR circuit with standard forward voltage diodes (Vf = 0.60 V, IN4007).
- H-Bridge circuit with low threshold voltage MOSFETs (Vth = 0.3 V, RZR040P01 – PMOS, AP2306AGN – NMOS).
3.2.1. Shaker Test
3.2.2. Cycling Test
3.2.3. Walking Test
4. Results and Discussion
4.1. Shaker Test
4.1.1. Effect of Varying Input Voltage
4.1.2. Effect of Varying Rectified Voltage
4.1.3. Effect of Varying Resistance
4.1.4. Effect of Frequency
- As frequency increases, the reactance (XC) of the internal capacitance decreases. On the other hand, the current produced by the PD is higher, as shown in Figure 18. Although the generated voltage is adjusted to a fixed value (say 1 V for both 1 Hz and 2 Hz in Table 3), the current generated by the PD at 2 Hz is higher than 1 Hz since the frequency is inversely proportional to time. Thus, the output power at 2 Hz is higher than 1 Hz.
- As PD’s current increases, the rectified voltage also increases, which leads to increase in output power.
4.1.5. Analysis of Voltage Waveform
4.2. Cycling Test
4.2.1. Effect of Varying Cycling Speed
4.2.2. Effect of Varying Rectified Voltage
4.2.3. Effect of Varying Resistance
4.2.4. Analysis of Voltage Waveform
4.3. Walking Test
Effect of Varying Walking Speed
4.4. Comparison of Shaker, Cycling, and Walking Tests
5. Conclusions
Author Contributions
Funding
Institutional Review Board Statement
Informed Consent Statement
Data Availability Statement
Conflicts of Interest
References
- Sebald, G.; Pruvost, S.; Guyomar, D. Energy harvesting based on Ericsson pyroelectric cycles in a relaxor ferroelectric ceramic. Smart Mater. Struct. 2007, 17, 015012. [Google Scholar] [CrossRef]
- Roundy, S.; Wright, P.K.; Rabaey, J. A study of low level vibrations as a power source for wireless sensor nodes. Comput. Commun. 2003, 26, 1131–1144. [Google Scholar] [CrossRef]
- Rand, B.P.; Genoe, J.; Heremans, P.; Poortmans, J. Solar cells utilizing small molecular weight organic semiconductors. Prog. Photovolt. Res. Appl. 2007, 15, 659–676. [Google Scholar] [CrossRef] [Green Version]
- De Broe, A.M.; Drouilhet, S.; Gevorgian, V. A peak power tracker for small wind turbines in battery charging applications. IEEE Trans. Energy Convers. 1999, 14, 1630–1635. [Google Scholar] [CrossRef]
- Izadgoshasb, I.; Lim, Y.Y.; Tang, L.; Padilla, R.V.; Tang, Z.S.; Sedighi, M. Improving efficiency of piezoelectric based energy harvesting from human motions using double pendulum system. Energy Convers. Manag. 2019, 184, 559–570. [Google Scholar] [CrossRef]
- Edla, M.; Lim, Y.Y. An improved piezoelectric energy harvesting circuit for reducing the internal loss. In Proceedings of the 83rd Researchfora International Conference, New Delhi, India, 29–30 January 2020. [Google Scholar]
- Liu, Y.; Tian, G.; Wang, Y.; Lin, J.; Zhang, Q.; Hofmann, H.F. Active piezoelectric energy harvesting: General principle and experimental demonstration. J. Intell. Mater. Syst. Struct. 2008, 20, 575–585. [Google Scholar] [CrossRef]
- Izadgoshasb, I.; Lim, Y.Y.; Padilla, R.V.; Sedighi, M.; Novak, J.P. Performance Enhancement of a multiresonant piezoelectric energy harvester for low frequency vibrations. Energies 2019, 12, 2770. [Google Scholar] [CrossRef] [Green Version]
- Mateu, L.; Moll, F. Review of energy harvesting techniques and applications for microelectronics (Keynote Address). In VLSI Circuits and Systems II, Proceedings of the SPIE—The International Society for Optical Engineering, Sevilla, Spain, 9–11 May 2015; Lopez, J.F., Fernandez, F.V., Lopez-Villegas, J.M., De la Rosa, H.M., Eds.; SPIE: Michigan, MI, USA, 2005; Volume 5837, pp. 359–373. [Google Scholar]
- Szarka, G.D.; Stark, B.H.; Burrow, S.G. Review of power conditioning for kinetic energy harvesting systems. IEEE Trans. Power Electron. 2011, 27, 803–815. [Google Scholar] [CrossRef]
- Anton, S.R.; Sodano, H.A. A review of power harvesting using piezoelectric materials (2003–2006). Smart Mater. Struct. 2007, 16, R1–R21. [Google Scholar] [CrossRef]
- Chalasani, S.; Conrad, J.M. A survey of energy harvesting sources for embedded systems. In Proceedings of the IEEE SoutheastCon 2008, Huntsville, AL, USA, 3–6 April 2008; pp. 442–447. [Google Scholar]
- Dicken, J.; Mitcheson, P.D.; Stoianov, I.; Yeatman, E.M. Power-extraction circuits for piezoelectric energy harvesters in miniature and low-power applications. IEEE Trans. Power Electron. 2012, 27, 4514–4529. [Google Scholar] [CrossRef]
- Dwari, S.; Dayal, R.; Parsa, L.; Salama, K.N. Efficient direct ac-to-dc converters for vibration-based low voltage energy harvesting. In Proceedings of the 2008 34th Annual Conference of IEEE Industrial Electronics, Orlando, FL, USA, 10–13 November 2008; pp. 2320–2325. [Google Scholar]
- Hashemi, S.; Sawan, M.; Savaria, Y. A novel low-drop CMOS active rectifier for RF-powered devices: Experimental results. Microelectron. J. 2009, 40, 1547–1554. [Google Scholar] [CrossRef]
- Rashid, M.H. Power Electronics Handbook, 4th ed.; Elsevier: Amsterdam, The Netherlands, 2017. [Google Scholar]
- Bimbhra, P.; Kaur, S. Power Electronics; Khanna: Delhi, India, 2012. [Google Scholar]
- Kashiwao, T.; Izadgoshasb, I.; Lim, Y.Y.; Deguchi, M. Optimization of rectifier circuits for a vibration energy harvesting system using a macro-fiber composite piezoelectric element. Microelectron. J. 2016, 54, 109–115. [Google Scholar] [CrossRef]
- Sreelakshmi, N.; Reshema, R.C. Single stage bridgeless boost rectifier for low power applications. In Proceedings of the International Conference on Control, Power, Communication and Computing Technologies (ICCPCCT), Kannur, India, 23–24 March 2018; pp. 323–329. [Google Scholar]
- Mitcheson, P.D.; Green, T.-C.; Yeatman, E.-M. Power processing circuits for mems inertial energy scavengers. Microsyst. Tehnol. 2007, 13, 1629–1635. [Google Scholar] [CrossRef] [Green Version]
- Tabesh, A.; Frechette, L.G. A Low-power stand-alone adaptive circuit for harvesting energy from a piezoelectric micropower generator. IEEE Trans. Ind. Electron. 2010, 57, 840–849. [Google Scholar] [CrossRef] [Green Version]
- Kong, N.; Deyerle, T.S.; Ha, D.S. Universal power management IC for small-scale energy harvesting with adaptive impedance matching. In Proceedings of the 2011 IEEE Energy Conversion Congress and Exposition, Phoenix, AZ, USA, 16–21 September 2011; pp. 3859–3863. [Google Scholar]
- Rödig, T.; Schönecker, A.; Gerlach, G. A survey on piezoelectric ceramics for generator applications. J. Am. Ceram. Soc. 2010, 93, 901–912. [Google Scholar] [CrossRef]
- Roundy, S.; Wright, P.K. A piezoelectric vibration based generator for wireless electronics. Smart Mater. Struct. 2004, 13, 1131–1142. [Google Scholar] [CrossRef] [Green Version]
- Wu, L.; Do, X.-D.; Lee, S.-G.; Ha, D.S. A Self-powered and optimal SSHI circuit integrated with an active rectifier for piezoelectric energy harvesting. IEEE Trans. Circuits Syst. I Regul. Pap. 2016, 64, 537–549. [Google Scholar] [CrossRef]
- Guyomar, D.; Badel, A.; Lefeuvre, E.; Richard, C. Toward energy harvesting using active materials and conversion improvement by nonlinear processing. IEEE Trans. Ultrason. Ferroelectr. Freq. Control. 2005, 52, 584–595. [Google Scholar] [CrossRef] [Green Version]
- Liang, J.; Liao, W.-H. Improved design and analysis of self-powered synchronized switch interface circuit for piezoelectric energy harvesting systems. IEEE Trans. Ind. Electron. 2012, 59, 1950–1960. [Google Scholar] [CrossRef]
- Eltamaly, A.M.; Addoweesh, K.E. A novel self-power SSHI circuit for piezoelectric energy harvester. IEEE Trans. Power Electron. 2017, 32, 7663–7673. [Google Scholar] [CrossRef]
- Lallart, M.; Guyomar, D. An optimized self-powered switching circuit for non-linear energy harvesting with low voltage output. Smart Mater. Struct. 2008, 17, 035030. [Google Scholar] [CrossRef]
- Maiorca, F.; Giusa, F.; Trigona, C.; Andò, B.; Bulsara, A.R.; Baglio, S. Diode-less mechanical H-bridge rectifier for “zero threshold” vibration energy harvesters. Sens. Actuators A Phys. 2013, 201, 246–253. [Google Scholar] [CrossRef]
- Arul, A.C.A.; Samuel, E.R. Efficiency evaluation of a MOSFET bridge rectifier for powering LEDs using piezo-electric energy harvesting systems. Automatika 2016, 57, 329–336. [Google Scholar] [CrossRef]
- Edla, M.; Lim, Y.Y.; Deguchi, M.; Padilla, R.V.; Izadgoshasb, I. An Improved self-powered h-bridge circuit for voltage rectification of piezoelectric energy harvesting system. IEEE J. Electron Devices Soc. 2020, 8, 1050–1062. [Google Scholar] [CrossRef]
- Izadgoshasb, I.; Lim, Y.Y.; Lake, N.; Tang, L.; Padilla, R.V.; Kashiwao, T. Optimizing orientation of piezoelectric cantilever beam for harvesting energy from human walking. Energy Convers. Manag. 2018, 161, 66–73. [Google Scholar] [CrossRef]
- Ottman, G.; Bhatt, A.; Hofmann, H.; Lesieutre, G. Adaptive piezoelectric energy harvesting circuit for wireless, remote power supply. In Proceedings of the 19th AIAA Applied Aerodynamics Conference, Anaheim, CA, USA, 11–14 June 2001. [Google Scholar]
- Sudha, M.; Kirubaveni, S.; Hema Latha, R.; Radha, S. Design of modified power conditioning circuit for piezoelectric vibration energy harvester. In Proceedings of the 2016 International Conference on Wireless Communications, Signal Processing and Networking (WiSPNET), Chennai, India, 23–25 March 2016; pp. 2171–2176. [Google Scholar]
- Savarimuthu, K.; Sankararajan, R.; Murugesan, S. Design and implementation of piezoelectric energy harvesting circuit. Circuit World 2017, 43, 63–71. [Google Scholar] [CrossRef]
- Shareef, A.; Goh, W.L.; Narasimalu, S.; Gao, Y. A rectifier-less AC–DC Interface circuit for ambient energy harvesting from low-voltage piezoelectric transducer array. IEEE Trans. Power Electron. 2019, 34, 1446–1457. [Google Scholar] [CrossRef]
- Yuan, M.; Cao, Z.; Luo, J. Characterization the influences of diodes to piezoelectric energy harvester. Int. J. Smart Nano Mater. 2018, 9, 151–166. [Google Scholar] [CrossRef]
- Erturk, A.; Inman, D.J. Piezoelectric Energy Harvesting; John Wiley & Sons: Hoboken, NJ, USA, 2011. [Google Scholar]
- Moro, L.; Benasciutti, D. Harvested power and sensitivity analysis of vibrating shoe-mounted piezoelectric cantilevers. Smart Mater. Struct. 2010, 19, 115011. [Google Scholar] [CrossRef]
- Ji, T.; Pachi, A. Frequency and velocity of people walking. Struct. Eng. 2005, 84, 36–40. [Google Scholar]
- Shi, H.; Liu, Z.; Mei, X. Overview of human walking induced energy harvesting technologies and its possibility for walking robotics. Energies 2019, 13, 86. [Google Scholar] [CrossRef] [Green Version]
- Micek, P.; Grzybek, D. Wireless stress sensor based on piezoelectric energy harvesting for a rotating shaft. Sens. Actuators A Phys. 2020, 301, 111744. [Google Scholar] [CrossRef]
- Rao, Y.; McEachern, K.M.; Arnold, D.P. A compact human-powered energy harvesting system. J. Phys. 2013, 476, 012011. [Google Scholar] [CrossRef]
- Steyvers, M.; Verschueren, S.M.; Levin, O.; Ouamer, M.; Swinnen, S.P. Proprioceptive control of cyclical bimanual forearm movements across different movement frequencies as revealed by means of tendon vibration. Exp. Brain Res. 2001, 140, 326–334. [Google Scholar] [CrossRef] [PubMed]



























| Circuit | Positive Half Cycle | Negative Half Cycle | ||
|---|---|---|---|---|
| Mode 1 | Mode 2 | Mode 3 | Mode 4 | |
| H-Bridge | When t0 < t ≤ t1
| When t1 < t ≤ t2
| When t2 < t ≤ t3
| When t3 < t ≤ t4
|
| FBR | When t0 < t ≤ t1
| When t1 < t ≤ t2
| When t2 < t ≤ t3
| When t3 < t ≤ t4
|
| Scenarios | Frequency (Hz) | Input Voltage (Vin) | Rectifier Circuits | Storage Capacitors (µF) | Resistors (kΩ) |
|---|---|---|---|---|---|
| Shaker test | 1, 2 | 1, 2, 3, 4, 5 | H-Bridge FBR | C1 = 1 C2 = 10 | R1 = 100 R2 = 330 R3 = 660 R4 = 910 |
| Cycling test | Revolutions per minute (RPM) | C1 = 1 | |||
| 40, 50, 60, 70, 80 | |||||
| Walking test | Speed per hour (km/h) | ||||
| 1, 2, 3, 4, 5, 6, 7, 8 | |||||
| Input Voltage Pk | Rectified Voltage (Vdc) | Output Power (µW) | Power Controlled/Saved by H-Bridge Circuit over FBR Circuit (µW) | |||||||
|---|---|---|---|---|---|---|---|---|---|---|
| H-Bridge | FBR | H-Bridge | FBR | |||||||
| Frequency (Hz) | Frequency (Hz) | |||||||||
| 1 | 2 | 1 | 2 | 1 | 2 | 1 | 2 | 1 | 2 | |
| 1 | 0.49 | 0.7 | 0.31 | 0.4 | 0.26 | 0.53 | 0.10 | 0.25 | 0.16 | 0.28 |
| 2 | 1.38 | 1.84 | 0.41 | 0.45 | 2.09 | 4.2 | 0.18 | 0.41 | 1.91 | 3.79 |
| 3 | 2.35 | 2.72 | 0.46 | 0.49 | 6.07 | 7.2 | 0.24 | 0.43 | 5.83 | 6.77 |
| 4 | 2.81 | 2.96 | 0.73 | 1.2 | 10.0 | 10.70 | 0.58 | 2.08 | 9.42 | 8.62 |
| 5 | 3.41 | 3.73 | 0.96 | 1.42 | 12.8 | 15.2 | 2.3 | 4.98 | 10.5 | 10.22 |
| Testing Scenarios | Sources of Excitation | Controlling Parameters | Rectifier Circuits | Output Power (µW) |
|---|---|---|---|---|
| Shaker test | Mechanical shaker | Frequency: 2 Hz | H-Bridge | 15.2 |
| FBR | 4.9 | |||
| Cycling test | Human performing cycling motion | Speed: 80 RPM | H-Bridge | 10.1 |
| FBR | 5.01 | |||
| Walking test | Human performing walking motion | Speed: 8 km/h | H-Bridge | 21.05 |
| FBR | 5.01 |
Publisher’s Note: MDPI stays neutral with regard to jurisdictional claims in published maps and institutional affiliations. |
© 2021 by the authors. Licensee MDPI, Basel, Switzerland. This article is an open access article distributed under the terms and conditions of the Creative Commons Attribution (CC BY) license (http://creativecommons.org/licenses/by/4.0/).
Share and Cite
Edla, M.; Lim, Y.Y.; Padilla, R.V.; Deguchi, M. An Improved Rectifier Circuit for Piezoelectric Energy Harvesting from Human Motion. Appl. Sci. 2021, 11, 2008. https://doi.org/10.3390/app11052008
Edla M, Lim YY, Padilla RV, Deguchi M. An Improved Rectifier Circuit for Piezoelectric Energy Harvesting from Human Motion. Applied Sciences. 2021; 11(5):2008. https://doi.org/10.3390/app11052008
Chicago/Turabian StyleEdla, Mahesh, Yee Yan Lim, Ricardo Vasquez Padilla, and Mikio Deguchi. 2021. "An Improved Rectifier Circuit for Piezoelectric Energy Harvesting from Human Motion" Applied Sciences 11, no. 5: 2008. https://doi.org/10.3390/app11052008
APA StyleEdla, M., Lim, Y. Y., Padilla, R. V., & Deguchi, M. (2021). An Improved Rectifier Circuit for Piezoelectric Energy Harvesting from Human Motion. Applied Sciences, 11(5), 2008. https://doi.org/10.3390/app11052008

