A Novel Approach to the Analysis of the Soil Consolidation Problem by Using Non-Classical Rheological Schemes
Abstract
1. Introduction
2. One-Dimensional Consolidation Model
3. Classical Rheological Schemes for Consolidation
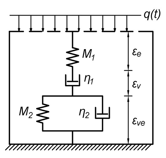
3.1. Burgers Model for Soil Skeleton
3.2. Numerical Solution
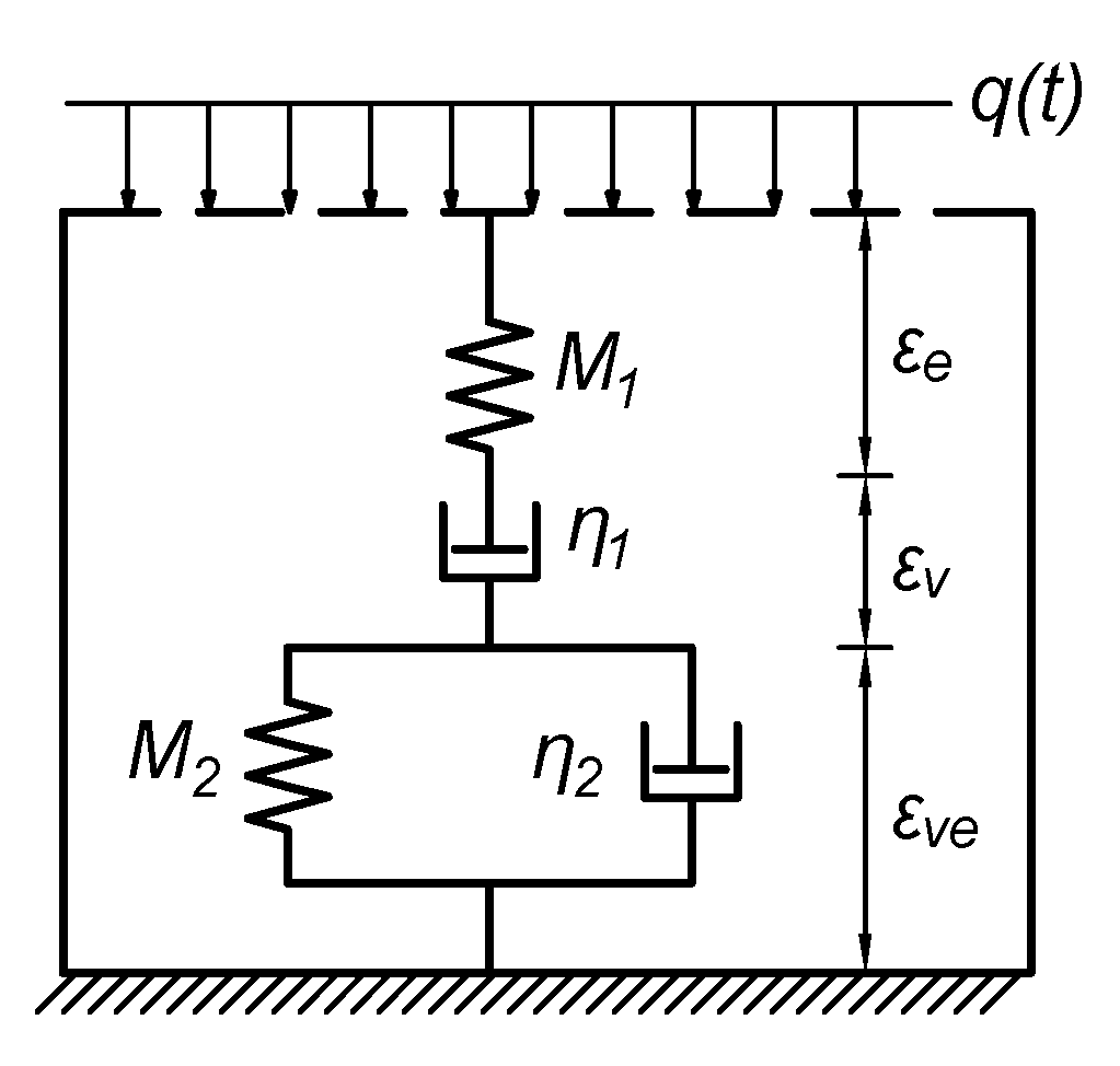
4. Kepes Element for Effective Stress Behaviour
4.1. Formulation
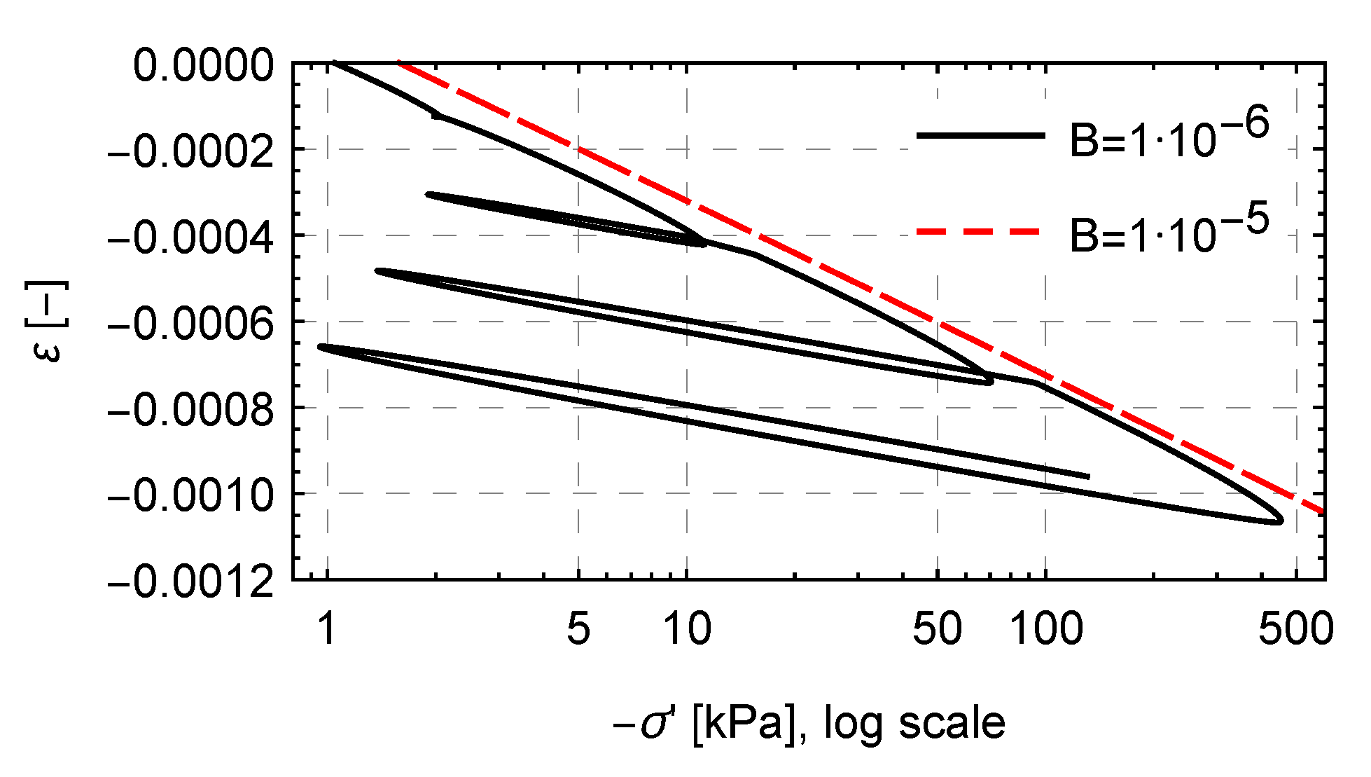
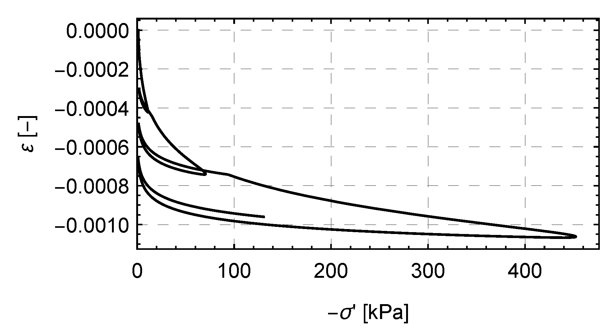
4.2. Numerical Tests
5. Discussion
6. Conclusions
- A method of modelling the transient process of primary and secondary consolidation of soil based on rheological schemes was presented. In the paper Burgers structure was used as an example; however, the presented procedure can be applied for any viscoelastic rhelogical structures. The 1D constitutive equations derived using rheological schemes can be implemented as part of the evolution law of the Cap yield surface in commercial finite element method codes.
- A new way of formulating constitutive equations for the soil skeleton in steady-state (drained) conditions using the non-classical Kepes element was presented.
- An explicit form of differential equations was formulated for the non-classical Kepes rheological element.
- Presented rheological models are able to describe the material response for cyclic loading conditions: Both for loading and unloading.
- Formulated equations can be solved using known algorithms for solving ordinary differential equations (e.g., the Runge–Kutta method).
Author Contributions
Funding
Institutional Review Board Statement
Informed Consent Statement
Data Availability Statement
Conflicts of Interest
References
- Goktepe, F.; Omid, A.; Celebi, E. Scaled soil-structure interaction model for shaking table testing. Acta Phys. Pol. A 2017, 132, 588–590. [Google Scholar] [CrossRef]
- Superczyńska, M.; Józefiak, K.; Zbiciak, A. Numerical analysis of diaphragm wall model executed in Poznań clay formation applying selected FEM codes. Arch. Civ. Eng. 2016, 62, 207–224. [Google Scholar] [CrossRef]
- Pietruszczak, S. Fundamentals of Plasticity in Geomechanics; CRC Press: Boca Raton, FL, USA, 2010. [Google Scholar]
- Mesri, G.; Funk, J.R. Settlement of the Kansai International Airport Islands. J. Geotech. Geoenviron. Eng. 2015, 141, 04014102. [Google Scholar] [CrossRef]
- King, D.J.; Bouazza, A.; Gniel, J.R.; Rowe, R.K.; Bui, H.H. Serviceability design for geosynthetic reinforced column supported embankments. Geotext. Geomembr. 2017, 45, 261–279. [Google Scholar] [CrossRef]
- Badakhshan, E.; Noorzad, A.; Bouazza, A.; Zameni, S.; King, L. A 3D-DEM investigation of the mechanism of arching within geosynthetic-reinforced piled embankment. Int. J. Solids Struct. 2020, 187, 58–74. [Google Scholar] [CrossRef]
- Barden, L. Primary and secondary conslidation of clay and peat. Géotechnique 1968, 18, 1–24. [Google Scholar] [CrossRef]
- Gibson, R.E.; Lo, K.Y. A theory of consolidation for soils exhibiting secondary compression. In Acta Polytechnica Scandinavica: Civil Engineering and Building Construction Series. Norwegian Contribution; Trondheim Norges Tekniske Vitenskapsakad: Trondheim, Norway, 1961; Volume 296. [Google Scholar]
- Taylor, D.W.; Merchant, W. A theory of clay consolidation accounting for secondary compression. J. Math. Phys. 1940, 19, 167–185. [Google Scholar] [CrossRef]
- Józefiak, K.; Zbiciak, A. Secondary consolidation modelling by using rheological schemes. MATEC Web Conf. 2017, 117, 00069. [Google Scholar] [CrossRef]
- Zhu, H.H.; Zhang, C.C.; Mei, G.X.; Shi, B.; Gao, L. Prediction of one-dimensional compression behavior of Nansha clay using fractional derivatives. Mar. Georesour. Geotechnol. 2016, 35, 688–697. [Google Scholar] [CrossRef]
- Huang, M.; Lv, C.; Zhou, S.; Zhou, S.; Kang, J. One-Dimensional Consolidation of Viscoelastic Soils Incorporating Caputo-Fabrizio Fractional Derivative. Appl. Sci. 2021, 11, 927. [Google Scholar] [CrossRef]
- Mackiewicz, P.; Szydło, A. Viscoelastic Parameters of Asphalt Mixtures Identified in Static and Dynamic Tests. Materials 2019, 12, 2084. [Google Scholar] [CrossRef]
- Tan, T.; Fan, Z.; Xing, C.; Tan, Y.; Xu, H.; Oeser, M. Evaluation of Geometric Characteristics of Fine Aggregate and Its Impact on Viscoelastic Property of Asphalt Mortar. Appl. Sci. 2020, 10, 130. [Google Scholar] [CrossRef]
- Lubarda, V.A. Elastoplasticity Theory; CRC Press: Boca Raton, FL, USA, 2001. [Google Scholar] [CrossRef]
- Zbiciak, A. Dynamics of Materials and Structures with Non-Classical Elastic-Dissipative Characteristics; Oficyna Wydawnicza Politechniki Warszawskiej: Warszawskiej, Poland, 2010. (In Polish) [Google Scholar]
- Li, C. A simplified method for prediction of embankment settlement in clays. J. Rock Mech. Geotech. Eng. 2014, 6, 61–66. [Google Scholar] [CrossRef]
- Michalowski, R.L.; Wojtasik, A.; Duda, A.; Florkiewicz, A.; Park, D. Failure and remedy of column-supported embankment: Case study. J. Geotech. Geoenviron. Eng. 2018, 144, 05017008. [Google Scholar] [CrossRef]
- Dobak, P.; Kiełbasiński, K.; Szczepański, T.; Zawrzykraj, P. Verification of compressibility and consolidation parameters of varved clays from Radzymin (Central Poland) based on direct observations of settlements of road embankment. Open Geosci. 2018, 10, 911–924. [Google Scholar] [CrossRef]
- Terzaghi, K. Erdbaumechanik auf Bodenphysikalischer Grundlage; Wien, L., Deuticke, F., Eds.; Deuticke: Vienna, Austria, 1976. [Google Scholar]
- Zbiciak, A. Mathematical description of rheological properties of asphalt-aggregate mixes. Bull. Pol. Acad. Sci. Tech. Sci. 2013, 61, 65–72. [Google Scholar] [CrossRef]
- Zbiciak, A.; Kozyra, Z. Dynamic analysis of a soft-contact problem using viscoelastic and fractional-elastic rheological models. Arch. Civ. Mech. Eng. 2015, 15, 286–291. [Google Scholar] [CrossRef]
- Wang, L. Mechanics of Asphalt: Microstructure and Micromechanics; McGraw-Hill Education: New York, NY, USA, 2010. [Google Scholar]
- Kim, Y.R. Modeling of Asphalt Concrete; McGraw-Hill Construction: New York, NY, USA, 2009. [Google Scholar]
- Bratu, P.; Dobrescu, C. Dynamic Response of Zener-Modelled Linearly Viscoelastic Systems under Harmonic Excitation. Symmetry 2019, 11, 1050. [Google Scholar] [CrossRef]
- Doan, H.G.M.; Mertiny, P. Creep Testing of Thermoplastic Fiber-Reinforced Polymer Composite Tubular Coupons. Materials 2020, 13, 4637. [Google Scholar] [CrossRef]
- Dassault Systèmes. Abaqus 2016 Analysis User’s Manual; Dassault Systèmes: Vélizy-Villacoublay, France, 2015. [Google Scholar]
- Wolfram Research Inc. Mathematica, Version 10.2; Wolfram Research Inc.: Champaign, IL, USA, 2015. [Google Scholar]
- Tanaka, H.; Udaka, K.; Nosaka, T. Strain rate dependency of cohesive soils in consolidation settlement. Soils Found. 2006, 46, 315–322. [Google Scholar] [CrossRef]
- Xu, C.; Pan, S. Finite Element Study on Calculation of Nonlinear Soil Consolidation Using Compression and Recompression Indexes. Appl. Sci. 2020, 10, 4737. [Google Scholar] [CrossRef]
- Den Haan, E. A History of the Development of Isotache Models; ResearchGate: Berlin, Germany, 2007. [Google Scholar]












| 0 and 20 |
Publisher’s Note: MDPI stays neutral with regard to jurisdictional claims in published maps and institutional affiliations. |
© 2021 by the authors. Licensee MDPI, Basel, Switzerland. This article is an open access article distributed under the terms and conditions of the Creative Commons Attribution (CC BY) license (http://creativecommons.org/licenses/by/4.0/).
Share and Cite
Józefiak, K.; Zbiciak, A.; Brzeziński, K.; Maślakowski, M. A Novel Approach to the Analysis of the Soil Consolidation Problem by Using Non-Classical Rheological Schemes. Appl. Sci. 2021, 11, 1980. https://doi.org/10.3390/app11051980
Józefiak K, Zbiciak A, Brzeziński K, Maślakowski M. A Novel Approach to the Analysis of the Soil Consolidation Problem by Using Non-Classical Rheological Schemes. Applied Sciences. 2021; 11(5):1980. https://doi.org/10.3390/app11051980
Chicago/Turabian StyleJózefiak, Kazimierz, Artur Zbiciak, Karol Brzeziński, and Maciej Maślakowski. 2021. "A Novel Approach to the Analysis of the Soil Consolidation Problem by Using Non-Classical Rheological Schemes" Applied Sciences 11, no. 5: 1980. https://doi.org/10.3390/app11051980
APA StyleJózefiak, K., Zbiciak, A., Brzeziński, K., & Maślakowski, M. (2021). A Novel Approach to the Analysis of the Soil Consolidation Problem by Using Non-Classical Rheological Schemes. Applied Sciences, 11(5), 1980. https://doi.org/10.3390/app11051980

