Shear Behavior of Concrete Encased Steel Truss Composite Girders
Abstract
1. Introduction
2. Experimental Program
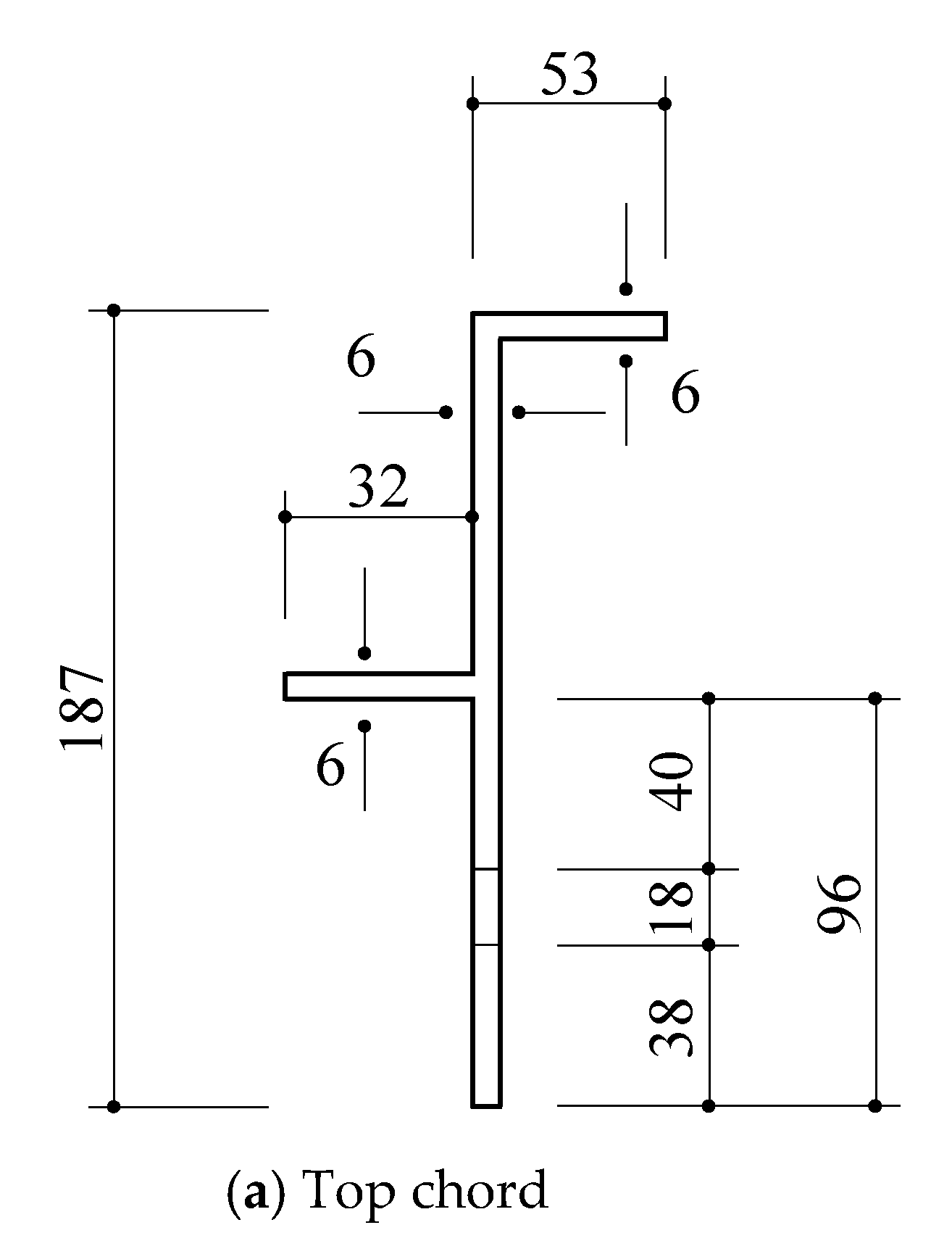
2.1. Test Specimens
2.2. Test Results
3. Analysis and Discussion
3.1. Horizontal Shear Failure
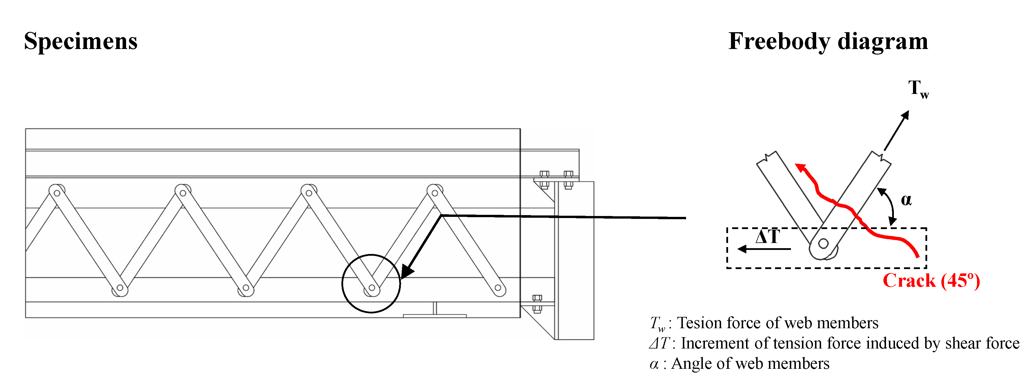
3.2. Shear Failure at Truss Node
4. Conclusions
- It was discovered that in the P specimen series applied with the Pratt truss, horizontal shear cracks that occurred along the top chord governed the shear behavior of the member. In addition, the shear strength calculation method considering the horizontal shear failure surface provided relatively accurate and conservative results for the shear strength of the P specimen series.
 - In the W specimen series applied with the Warren truss, the diagonal web member failed to contribute effectively to the shear resistance mechanism of the member. This was because the screw rod exhibited shear failure at the EST node area before the diagonal web member reached its yield strength. Meanwhile, it was discovered that the shear strength calculation method considering the shear failure of the screw rod predicted the shear strength of the W specimen series reasonably well.
 - Horizontal shear failure was one of the main failure modes of encased composite girders, and a very brittle failure may occur in the entire member when the screw rod exhibits shear failure prior to the yielding of the diagonal web member. Therefore, these aspects should be considered when designing an EST composite girder.
 - Some of the shear behavior characteristics of EST composite girders were identified in this study. However, the EST composite girders fabricated in this study did not necessarily exhibit a desirable failure mode. Hence, it is predicted that if the shear failure strength of the screw rod and the horizontal shear strength presented in this study are considered in the design process, then undesirable failure modes can be avoided.
 - There could be a stress concentration at truss nodes, which caused a brittle shear failure of the screw rod. Therefore, a finite element analysis is recommended as a future research work to identify the stress concentration phenomenon. In addition, because the EST composite girder system was designed to allow the beam-column to be continuous in the negative moment region, additional investigations regarding the seismic performance of the EST girder–column connection should be conducted.
 
Author Contributions
Funding
Institutional Review Board Statement
Informed Consent Statement
Data Availability Statement
Conflicts of Interest
Appendix A
| Specimen | Sectional Area of Reinforcement (mm2) | Flexural Strength (kN·m)  | Shear Force at Reaching Flexural Strength (kN) | |
|---|---|---|---|---|
| Bottom Chord | Rebar | |||
| PV | 6520 | 3036 | 1524.5 | 1172.7 | 
| P | 6520 | 2024 | 1424.1 | 1095.5 | 
| WV | 6520 | - | 1080.6 | 831.2 | 
| W | 5216 | - | 926.0 | 712.3 | 
References
- Colajanni, P.; Mendola, L.L.; Monaco, A. Experimental Investigation of the Shear Response of Precast Steel–Concrete Trussed Beams. J. Struct. Eng. 2019, 143, 04016156. [Google Scholar] [CrossRef]
 - Monti, G.; Petrone, F. Shear Resisting Mechanisms and Capacity Equations for Composite Truss Beams. J. Struct. Eng. 2015, 141, 04015052. [Google Scholar] [CrossRef]
 - Kim, K.S.; Lee, D.H.; Choi, S.M.; Choi, Y.H.; Jung, S.H. Flexural behavior of prestressed composite beams with corrugated web: Part I. Development and analysis. Compos. Part B Eng. 2011, 42, 1603–1616. [Google Scholar] [CrossRef]
 - Kim, K.S.; Lee, D.H. Flexural behavior of prestressed composite beams with corrugated web: Part II. Experiment and verification. Compos. Part B Eng. 2011, 42, 1617–1629. [Google Scholar] [CrossRef]
 - De Sutter, S.; Verbruggen, S.; Tysmans, T. Shear behaviour of hybrid composite-concrete beams: Experimental failure and strain analysis. Compos. Struct. 2016, 152, 607–616. [Google Scholar] [CrossRef]
 - Hsu, C.-T.T.; Punurai, S.; Punurai, W.; Majdi, Y. New composite beams having cold-formed steel joists and concrete slab. Eng. Struct. 2014, 71, 187–200. [Google Scholar] [CrossRef]
 - Han, S.J.; Jeong, J.H.; Joo, H.E.; Choi, S.H.; Choi, S.D.; Kim, K.S. Flexural and Shear Performance of Prestressed Composite Slabs with Inverted Multi-Ribs. Appl. Sci. 2019, 9, 4946. [Google Scholar] [CrossRef]
 - Ayyub, B.M.; Sohn, Y.G.; Saadatmanesh, H. Prestressed composite girders under positive moment. J. Struct. Eng. 1990, 116, 2931–2951. [Google Scholar] [CrossRef]
 - Ayyub, B.M.; Sohn, Y.G.; Saadatmanesh, H. Prestressed composite girders. I: Experimental study for negative moment. J. Struct. Eng. 1992, 118, 2743–2762. [Google Scholar] [CrossRef]
 - Han, S.J.; Lee, D.H.; Oh, J.Y.; Choi, S.H.; Kim, K.S. Flexural Responses of Prestressed Hybrid Wide Flange Composite Girders. Int. J. Concr. Struct. Mater. 2018, 12, 1–16. [Google Scholar] [CrossRef]
 - Oh, B.H. Flexural analysis of reinforced concrete beams containing steel fibers. J. Struct. Eng. 1992, 118, 2821–2835. [Google Scholar] [CrossRef]
 - Khuntia, M.; Stojadinovic, B.; Goe, L.S.C. Shear strength of normal and high-strength fiber reinforced concrete beams without stirrups. ACI Struct. J. 1999, 96, 282–289. [Google Scholar] [CrossRef]
 - Lim, D.; Oh, B. Experimental and theoretical investigation on the shear of steel fibre reinforced concrete beams. Eng. Struct. 1999, 21, 937–944. [Google Scholar] [CrossRef]
 - Yang, I.H.; Joh, C.; Kim, B.-S. Structural behavior of ultra high performance concrete beams subjected to bending. Eng. Struct. 2010, 32, 478–487. [Google Scholar] [CrossRef]
 - Yang, I.-H.; Joh, C.; Kim, B.-S. Flexural strength of large-scale ultra high performance concrete prestressed T-beams. Can. J. Civ. Eng. 2011, 38, 1185–1195. [Google Scholar] [CrossRef]
 - Yoo, S.-W.; Choo, J.F. Evaluation of the flexural behavior of composite beam with inverted-T steel girder and steel fiber reinforced ultra high performance concrete slab. Eng. Struct. 2016, 118, 1–15. [Google Scholar] [CrossRef]
 - Di, J.; Cao, L.; Han, J. Experimental Study on the Shear Behavior of GFRP–Concrete Composite Beam Connections. Materials 2020, 13, 1067. [Google Scholar] [CrossRef] [PubMed]
 - Dunaj, P.; Berczyński, S.; Chodźko, M.; Niesterowicz, B. Finite Element Modeling of the Dynamic Properties of Composite Steel–Polymer Concrete Beams. Materials 2020, 13, 1630. [Google Scholar] [CrossRef] [PubMed]
 - Structural Korean Ministry of Land Infrastructure and Transportation. Korean Building Code (KBC 2016); Structural Korean Ministry of Land Infrastructure and Transportation: Seoul, Korea, 2016; 937p.
 - ACI Committee 318. Building Code Requirements for Structural Concrete (ACI 318-19); American Concrete Institute: Farmington Hills, MI, USA, 2019; 624p. [Google Scholar]
 












| Specimen | PV a | Pb b | WV c | W d | 
|---|---|---|---|---|
| Truss type | Pratt | Warren | ||
| Concrete compressive strength (MPa) | 29.7 | |||
| Width × Height (mm) | 500 × 600 | 500 × 600 | 500 × 600 | 500 × 600 | 
| Thickness of bottom chord (mm) | 20 | 20 | 20 | 16 | 
| Longitudinal reinforcement | 6-D25 | 4-D25 | - | - | 
| Web members (Vertical) | PL–40 × 6 @ 300 | PL–40 × 6 @ 300 | - | - | 
| Web members (Diagonal) | PL–40 × 6 @ 300 | PL–40 × 6 @ 300 | PL–40 × 6 @ 400 | PL–40 × 6 @ 400 | 
| Stirrups | 2-D13@300 | 2-D13@400 | ||
| Yield Strength (MPa)  | Ultimate Strength (MPa)  | Elastic Modulus (MPa)  | ||
|---|---|---|---|---|
| Reinforcement | D13 | 465.8 | 590.7 | 195,032.9 | 
| D25 | 643.0 | 762.6 | 221,497.5 | |
| Steel | Thickness = 6t | 482.0 | 533.0 | 205,712.0 | 
| Thickness = 10t | 352.6 | 508.1 | 212,398.3 | |
| Thickness = 16t | 355.1 | 543.4 | 209,262.0 | |
| Thickness = 20t | 334.1 | 508.1 | 221,230.3 | |
| Specimen | Vtesta (kN) | Failure Mode | 
|---|---|---|
| PV | 691.6 | Horizontal shear failure | 
| P | 520.5 | Horizontal shear failure | 
| WV | 659.5 | Diagonal shear failure | 
| W | 661.9 | Diagonal shear failure | 
| Specimen | Vtesta (kN) | Vnhb (kN) | Vtest/Vnh | Failure Mode | 
|---|---|---|---|---|
| PV | 691.6 | 549.2 | 1.26 | Horizontal shear failure | 
| P | 520.5 | 483.3 | 1.08 | Horizontal shear failure | 
| Specimen | Vtesta (kN) | Vsrb (kN) | Vtest/Vsr | Failure Mode | 
|---|---|---|---|---|
| WV | 659.5 | 655.3 | 1.01 | Diagonal shear failure | 
| W | 661.9 | 515.8 | 1.28 | Diagonal shear failure | 
Publisher’s Note: MDPI stays neutral with regard to jurisdictional claims in published maps and institutional affiliations.  | 
© 2021 by the authors. Licensee MDPI, Basel, Switzerland. This article is an open access article distributed under the terms and conditions of the Creative Commons Attribution (CC BY) license (http://creativecommons.org/licenses/by/4.0/).
Share and Cite
Lim, C.; Choi, S.-H.; Oh, J.Y.; Han, S.-J.; Lee, M.-S.; Kim, K.S. Shear Behavior of Concrete Encased Steel Truss Composite Girders. Appl. Sci. 2021, 11, 1569. https://doi.org/10.3390/app11041569
Lim C, Choi S-H, Oh JY, Han S-J, Lee M-S, Kim KS. Shear Behavior of Concrete Encased Steel Truss Composite Girders. Applied Sciences. 2021; 11(4):1569. https://doi.org/10.3390/app11041569
Chicago/Turabian StyleLim, Chisung, Seung-Ho Choi, Jae Yuel Oh, Sun-Jin Han, Moon-Sung Lee, and Kang Su Kim. 2021. "Shear Behavior of Concrete Encased Steel Truss Composite Girders" Applied Sciences 11, no. 4: 1569. https://doi.org/10.3390/app11041569
APA StyleLim, C., Choi, S.-H., Oh, J. Y., Han, S.-J., Lee, M.-S., & Kim, K. S. (2021). Shear Behavior of Concrete Encased Steel Truss Composite Girders. Applied Sciences, 11(4), 1569. https://doi.org/10.3390/app11041569
        
                                                
