Next Article in Journal
Multiple Multi-Scale Neural Networks Knowledge Transfer and Integration for Accurate Pixel-Level Retinal Blood Vessel Segmentation
Next Article in Special Issue
Improving the Quality of Laser-Welded Butt Joints of Metal–Polymer Sandwich Composites
Previous Article in Journal
Effect of Selected Cations and B Vitamins on the Biosynthesis of Carotenoids by Rhodotorula mucilaginosa Yeast in the Media with Agro-Industrial Wastes
 
 
Font Type:
Arial Georgia Verdana
Font Size:
Aa Aa Aa
Line Spacing:
Column Width:
Background:
Article

Ultraviolet Nanosecond Laser Treatment to Reduce the Friction Coefficient of Silicon Carbide Ceramics

by
Serguei P. Murzin
1,2,*,
Valeriy B. Balyakin
1,
Carsten Gachot
2,
Sergey A. Fomchenkov
1,3,
Maksim V. Blokhin
1 and
Nikolay L. Kazanskiy
1,3
1
Samara National Research University, Moskovskoe Shosse 34, 443086 Samara, Russia
2
TU Wien, Karlsplatz 13, 1040 Vienna, Austria
3
IPSI RAS—Branch of the FSRC «Crystallography and Photonics» RAS, Molodogvardejskaya Street 151, 443001 Samara, Russia
*
Author to whom correspondence should be addressed.
Appl. Sci. 2021, 11(24), 11906; https://doi.org/10.3390/app112411906
Submission received: 13 November 2021 / Revised: 3 December 2021 / Accepted: 12 December 2021 / Published: 14 December 2021
(This article belongs to the Special Issue Material Processing: Latest Advances in Laser Applications)

Abstract

The determination of the possibility for the reduction of the friction coefficient of ceramic parts from silicon carbide by pulse-periodic treatment with an ultraviolet nanosecond laser was carried out in the framework of this research. The gas-dynamic seal of the compressor rotor of the gas-turbine engine after hot isostatic pressing and mechanical treatment was exposed to surface microstructuring in a pulse-periodic mode. For experimental investigations, a laser with a maximum energy of the pulse of 50 µJ, a wavelength of 355 nm, and a pulse duration below 10 ns was used. It was determined that the surface quality was improved, and the surface roughness was reduced as a consequence of the realized laser polishing modes in the beam exposure area. The average value of the friction coefficient of the ceramic material surface decreased by 15% as result of pulse-periodic laser processing.

1. Introduction

Laser treatment has been the subject of numerous studies since it has a multifactorial effect on the surface condition of the materials under processing, depending on the methods, schemes and modes of treatment that are applied. Along with laser modification methods [1,2,3,4], surface texturing using different laser treatment schemes [5,6] has been effectively applied to improve the tribological properties of materials. Structural materials, including alloys and metals, as well as ceramics, have been subjected to laser texturing. This method has proved to ensure an increase in the operational characteristics of mechanisms and machine parts, as well as a decrease in the friction coefficient [7,8,9]. In [10,11,12,13] it was also shown that tribological properties of materials can be improved by surface microstructuring with laser treatment. Laser-assisted surface texturing is used to improve the tribological properties of surfaces in various applications [14]. This method of processing implies the use of laser irradiation with the aim of creating microstructures on the material surface with spatial selectivity of mechanical and physical properties, such as the friction coefficient, microhardness and others.
Not only is the synthesis of a low-dimensional and periodic structure a consequence of self-organization processes, which are initiated by femtosecond laser beams [15], but also the direct microrelief formation using laser irradiation [16] is implemented. Surface texturing was conducted on mechanical components, such as piston rings [17,18], thrust and rolling bearings [19,20], mechanical seals [21,22], and cutting tools [23,24,25] with the purpose of further industrial application. It was demonstrated that textured surfaces had a lower coefficient of friction compared to their untreated counterparts under dry friction conditions without lubricant, and this was also confirmed under boundary and hydrodynamic lubricating conditions. Additionally, to the application of laser texturing to mechanical components, it was realized on the surfaces of bioimplants, such as artificial joints and dental implants, providing improved tribological properties of bioimplant materials [26,27]. This process showed progressive results when it was applied to the drive tapes of electronic devices, also enhancing the tribological properties of the surfaces of various mechanisms parts [28,29,30,31]. Microstructuring of a silicon carbide ceramic surface by irradiation with laser pulses [32,33] finds its application. For example, in [34], a periodically repeated microrelief was formed by laser treatment. This ensured the reduction of losses in the friction pair “SiC–graphite”.
Gas-dynamic seals are among the most advanced seals, as they meet the increased reliability requirements, providing the required tightness. The efficiency of such seals, characterized by low leakage and minimum wear of the friction pair, increases with an increase in the rotor speed. Sealing materials must have structural and dimensional stability, high thermal conductivity and sufficient durability as well as gas tightness and chemical resistance. “SiC–graphite” and “WC–graphite” combinations are used for this purpose. SiC in combination with graphite carbon has a low friction torque and is successfully used in various turbomachines. SiC has a higher thermal conductivity, which allows it to have a lower inertia during nonstationary thermal processes in comparison with other carbides used for this purpose. The application of silicon carbide in O-rings ensures the smaller thermal gradient, which minimizes deformation during transition processes [35]. In modern “dry” gas-dynamic seals of compressor rotors of gas-turbine engines, friction pair made of silicon carbide “SiC–SiC” is widely used for high pressure drops. The use of such a combination makes it possible to almost eliminate the deformation problem of the friction pair rings from the influence of high pressure drops completely. This takes place despite the significant disadvantages of SiC that are its low tensile strength and fragility. The friction pair “SiC–SiC” works reliably in a liquid medium; however, when working in a gaseous medium, the friction torque can be high enough, which leads to the destruction of the sealing rings due to local overheating. In this case, in order to reduce the friction coefficient in contact when starting and stopping the turbomachine, when the gas-dynamic force is insufficient to create a lubricant layer in the contact and the sealing ring does not “float”, it is necessary to apply a special antifriction coating to the contact surface of the sealing ring.
The application of a thin layer of wear-resistant diamond-like or graphite coating reduces dry friction during start-up and shutdown. For example, a friction pair with a hard and, at the same time, chemically resistant and high sliding diamond coating (DLC technology) applied to both SiC rings has shown good performance [36]. However, the application of such a coating is a very complicated and expensive process. Therefore, it is appropriate to use more competitive laser technologies to reduce the friction coefficient in the “SiC–SiC” contact pair when developing seals.
Ultraviolet lasers provide a highly localized effect that is characterized by a small beam size. The spatial resolution of an optical image is directly proportional to the wavelength of the radiation; therefore, lasers with shorter wavelengths generating ultraviolet irradiation are quite commonly used for surface structuring [37]. A precise local exposure on the surface of the material is achieved, which corresponds to the size of the laser spot and its scanning step. The use of controlled scanning with a laser beam over the sample surface at a high pulse repetition rate opens up the possibility of structuring extended surface areas with arbitrary shapes and ensures the achievement of a high spatial resolution. It is known that the results of laser exposure depend on the power absorbed by a unit of the surface area. When the applied power is low, it is possible to ensure the required impact due to the short pulse duration, which determines the threshold pulse energy and depth of the removed layer.
With a small heat-affected zone, the heat load is minimized, which also reduces the formation of microcracks when treating brittle materials. A nanosecond laser is assumed to be used to provide a high-accuracy processing and low mechanical stresses in the material under treatment, combined with reliability and stability. Surface scanning by a laser beam with a sufficiently high pulse frequency will allow to process extended surfaces with high spatial resolution [38]. Shortening the pulse duration is known to be accompanied by a reduction of the heat affected zone and an increase in the processing accuracy [39]. In this case, the possible advantages of using ultrashort pulses [40] are completely offset by the higher complexity, cost, and specific maintenance difficulties of such laser systems. It should be noted that the application of femtosecond lasers does not solve the problem of precision laser treatment of materials. In particular, it does not completely avoid the undesirable thermal effects of laser-induced plasma at intensities high enough to provide acceptable ablation rates. A nanosecond laser source is used to perform surface modifications, as it is more affordable and easier to operate than pico- and femtosecond lasers.
The determination of the possibility of modifying the surface of a gas-dynamic seal made of silicon carbide-based ceramics by microstructuring to obtain a decrease in the friction coefficient is the purpose of this article. The microstructuring is performed by pulse-periodic ultraviolet irradiation with the duration of a pulse in the nanosecond range.

2. Experimental Setup

Mechanical treated surfaces of gas-dynamic seals and reference samples made of silicon carbide-based ceramic material were irradiated in a pulsed-periodic mode. The diameter of these gas-dynamic seals of the compressor rotor of a gas-turbine engine was 90 mm. An ultraviolet laser LCS-DTL-374QT (Laser-export. Co. Ltd., Moscow, Russia) with the wavelength of 355 nm was used. The maximum average power was 90 mW, while the pulse energy was 50 µJ, with a duration of a single pulse of less than 10 ns. The laser was incorporated into the CLWS-200 circular laser writing station [41,42], which included movable mechanics and an optical control system consisting of a 40× magnification micro-lens, rotating mirrors, an aperture, and an additional lens. The computer systems integrated in the control station ensured the samples movement in the angular direction with a resolution of about 0.25 angular seconds and the optical head movement in the radial direction with a resolution of approximately 0.6 nanometers.
The CLWS-200 circular laser writing station (Institute of Automation and Electrometry SB RAS, Novosibirsk, Russia) was mounted on a granite table equipped with an anti-vibration system that was installed on a metal base. This protection system was intended to diminish the influence of vibrations on the precision characteristics of the components of the system. The granite base plate was equipped with a slot in which the rotation drive spindle group was located. This group had three supports for adjusting its horizontal position. A motor rotated the spindle that represented a gas-lubricated aerostatic bearing. The control system of the recording head was designated for ensuring the specified size of the laser spot on the specimen surface during the treatment process. The main task of the system was to maintain a constant distance between the objective lens (equivalent lens) and the sample plane and to ensure a specified (zero) offset at the defocusing sensor. Figure 1 illustrates a scheme and Figure 2 presents a photo of the laser writing station with an UV nanosecond laser.
The results of exposure of the focused UV laser beam on the ceramic material were verified using a Zygo NewView 7300 (Zygo Corporation, Middlefield, OH, USA) optical profilometer. The universal three-dimensional surface structure analyzer provided a graphical representation and a high-resolution numerical analysis for accurate determination of the surface structure of the tested parts using MetroPro software. This device used scanning white light interferometry to display and perform non-contact measurements of the microstructure and to determine the surface topography by means of visible-wavelength light in three dimensions.
The tribological properties of the obtained structures were investigated using the TRB-S-DE tribometer (CSM Instruments, Peseux, Switzerland), shown in Figure 3. The tribometer can measure a friction force of up to 10 N according to ASTM G99 standard. The LVDT sensor resolution was 0.02 µm. To measure the necessary parameters of the sample, a “ball-on-disk” test scheme was used. This scheme implied pressing the ball against a flat surface. The sample surfaces were examined by a scanning electron microscope (SEM), Supra-25 (Carl Zeiss, Jena, Germany).

3. Results and Discussions

3.1. Laser Treatment of Gas-Dynamic Seals by Laser Writing Station

Laser treatment was applied as an additional step to the silicon carbide ceramic seals, which were machined with a mechanical polishing operation as the final step in the manufacturing process. The surface of the gas-dynamic seals of the compressor rotor and reference samples was cleaned from contamination using surface-active substances. Degreasing with acetone and rinsing with distilled water were carried out. Then, residual moisture was removed by air flow through the high efficiency particulate filter.
The surface microrelief was formed in a continuous circular scanning mode. For this purpose, the sample was mounted on a rotating circular holder of the CLWS-200 laser writing station. After the sample was centered, the optical system focused the laser beam on the surface of the seal in shape of a ring. Using an interference method, the substrate holder was calibrated to eliminate beating during rotation (Figure 4). In the course of experimental studies, by selection of variable settings of the UV nanosecond laser with a pulse duration of less than 10 ns in the permissible range, the following treatment parameters were applied to the surface of the ring to be treated: pulse energy 30 µJ, pulse frequency 10 kHz, power 30 mW. During treatment, a protective gas, argon, was injected through a purge nozzle directed at the laser focusing area on the surface under treatment to prevent possible oxidation of the material in the heating area.
Processing was performed with a circular trajectory of tracks, where the width of each track had a value of 40 μm and the overlapping of adjacent tracks was less than 2 μm. The specimen was processed according to a program involving the sequential formation of each track on a ring-shaped sealing surface. The control program also maintained the stability of energy input to different treatment zones. The tracks were recorded with a summarized tracks width of about 3 mm. The angular rotation speed of the substrate holder with the sample was 600 rpm. It was determined that the use of diffractive optics for laser beam shaping [12,13] in the treatment process makes it possible to obtain the required geometry of areas exposed to single pulses. Therefore, the use of optical systems based on diffractive computer optics elements is promising since their utilization will enable us to improve the quality of laser processing.

3.2. Evaluation of the Morphology Transformation after Laser Treatment and Determination of the Sliding Friction Coefficient

Condition for the laser polishing was implemented in the area of the laser beam exposure on the surface of silicon carbide samples and gas dynamic seals of the compressor rotor of the gas-turbine engine. When the samples were investigated with a “Zygo NewView 7300” optical profilometer, a reduction in the height of surface microroughnesses caused by laser treatment using a nanosecond UV laser was established. Typical height maps of the untreated and treated surfaces are shown in Figure 5. The dimensions of the observed regions in this Figure are 70.6 µm × 53.0 µm.
The assessment of changes in the morphology of the treated surface after pulsed-periodic laser irradiation was carried out. The microstructure studies of the treated material revealed that pulse-periodic laser irradiation with the specified mode parameters led to the smoothing of the microrelief on the already mechanical polished surface of the silicon carbide ceramics. It was established that during sequential formation of tracks by laser irradiation on the material leads to the creation of non-periodic surface microrelief that is in the form of altering cavities and protrusions. The realized modes ensured a decrease in the drop of microreliefs heights from 1.5 μm to 0.8 μm, a reduction of both the root mean square (RMS) parameter from 0.074 μm to 0.043 μm and the Ra parameter from 0.056 μm to 0.035 μm.

3.3. Determination of the Coefficient of Sliding Friction

The coefficient of sliding friction was determined according to the “ball-on-disk” scheme at an ambient temperature of 22 °C, under conditions without lubrication for 40 s with a relative humidity of 63%. In this scheme, a ball with a diameter of 6 mm, also made of silicon carbide (SiC), was used as an indenter. The friction coefficient was determined as the ratio of the measured friction force to the clamping force. This force was achieved by placing a weight holder with a known load of 1 N on the base. The coefficient of friction was measured while the specimen was rotating relative to the counterbody, with the wear groove on the specimen having a circular shape. The sliding length was 100 m, the linear speed of sliding was 2.5 m/s, and the test radius had the value of approximately 40 mm.
The coefficient of friction was measured with a frequency of 1000 measurements per minute; these values were statistically processed by the software installed in the CSM tribometer. Using this software, the minimum, maximum and mean values as well as the standard deviation were determined. For each series of tests, the arithmetic mean values obtained after computing the statistical matrix of more than 1650 measurements were determined. This quantity of measurements for each test series provided a 99.7% measurement accuracy. The standard deviation of the mean value of the coefficient of friction was determined using the experimental equipment software. For each point, this deviation was in the range of 0.002–0.04. The coefficient of friction before and after the laser treatment was compared using the average value. The systematic error was addressed by calibrating the experimental setup before each measurement series.
In the course of experimental studies, it was determined that the average value of the friction coefficient for the initial surface of the ceramic material based on silicon carbide, which was subjected to hot isostatic pressing and mechanical polishing, was 0.26. Figure 6 illustrates the dependence of the friction coefficient on the sliding length for the surface of such a sample that was not exposed to laser treatment. The value of the friction coefficient decreased to 0.22, i.e., by 15% (Figure 7), after pulsed-periodic laser irradiation with a short-pulse duration of less than 10 ns. Thus, the potential to improve the tribological properties of silicon carbide ceramics through pulse-periodic treatment using ultraviolet nanosecond laser was established.
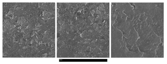
Electron-microscopic studies of the surface after friction tests revealed the absence of overlaps, micro-cutting strips, breaks, and cleavage, as well as a small degree of local heterogeneity in the texture of the friction surface. There is some minor wear, which is reflected in a slight smoothing of the surface topography, as illustrated in Figure 8. The average coefficient of friction does not change during this process. This is important for ensuring the serviceability of the hydrodynamic mechanical seals. It is known that the coatings used for the contact surfaces of mechanical seals are not long lasting. These will abrade during start/stop periods, even if these periods are 2–3 s short. In [36], it was shown that modern coatings can last only 10–15 start/stop cycles. The conducted tests indicate a better serviceability of silicon carbide contact surfaces after laser treatment than after application of antifriction coatings. Figure 9 and Figure 10 show SEM images of the laser treated surface, and the wear area of the sample surface.

3.4. Application Possibilities in Stationary Gas Turbine Equipment

The possibility of modifying the surface of a gas-dynamic seal made of silicon carbide-based ceramics by microstructuring to decrease the friction coefficient in stationary gas turbine equipment is determined. It is known that the main problems arising during the creation of new and modernization of existing stationary gas turbine equipment are associated primarily with the requirements of improving efficiency and increasing its service life. The operating parameters of such gas turbine units depend on the permissible pressure levels, temperatures, and rotation speeds for them. The limits of these parameters are often determined by the capabilities of the applied sealing assemblies. At present, there is a tendency to reconstruct land-based units, involving the use of high-tech assemblies, which significantly reduce the operating costs and increase their reliability. One of the most prominent examples is the use of face gas dynamic seals.
In centrifugal compressors for natural gas, in order to prevent the leakage of compressed gas from the flow part of the compressor into the cavity of the bearing chambers, a hydraulic shutter with an oil sealing solution is used. This shutter consists of two graphite rings pressed against each other, one of which rotates directly with the compressor shaft. The cavity between the bearing and the graphite rings is filled with oil at a pressure higher than the pressure of the transported gas. The oil traps the gas, provides lubrication and cooling of the friction pair, which determines the oil consumption depending on the pressure drop and the geometry of the ring surfaces in this friction pair.
It is expected that the gas compression rate in the compressor, gas temperature before the turbine, and rotor speed will further increase in the future, which in turn will increase the load on the seal assemblies. It should be taken into account that along with the improvement of the engine parameters, the engine service life will increase. The implementation of new equipment is hindered by the lack of advanced highly reliable sealing assemblies, which would be operable in more severe operating conditions. Failures of sealing systems are among the leading causes of emergency shutdowns of gas pumping units.
In this regard, the greatest success in the reconstruction of gas pumping units was achieved by replacing hydraulic shutters with “dry” face gas dynamic seals. Rotor seals must provide the required sealability during the entire service life, the minimum possible friction, wear, and heat generation. The advantages of face gas dynamic seals are reduced power loss due to friction and lack of the necessity to lubricate the friction pair with oil or other liquid due to the use of gas lubrication.
If the rules of operation and on-time maintenance are respected, such a seal should work with low leakage without wear of the friction pair for a long service life. The implementation efficiency of face gas dynamic seals in gas pumping units is determined by the costs of the seal design and manufacture, as well as the costs of the re-equipment and operating costs. The investment costs for gas dynamic seals are higher than for traditional turbomachinery sealing units. However, the system of functioning and parameter control requires considerably lower costs. Furthermore, the operating costs for gas dynamic seals are significantly lower. Therefore, high-performance gas dynamic face sealing systems from ceramics based on silicon carbide with reduced friction coefficient are becoming the standard for newly built compressors.
The design, manufacture, and operation of sealing systems in land-based compressor systems require the consideration of many factors that are not usually critical in other areas of engineering. Many technical problems are associated with the materials used in such installations. The requirements for the tribological properties of materials increase multiple times during start-up of gas pumping stations and during transients under conditions of contact between the sealing surfaces. For example, guaranteed clearance between operating surfaces is ensured by pumping the sealing gas into the sealing gap. The result of this mechanism is a very stable, yet very thin contact surface between the stationary primary seal ring and the rotating seal rings. The two surfaces are held apart and do not possess any contact point between them under normal dynamic operating conditions. However, the reaction force of the gas flow that occurs when the rotor starts to rotate may not be sufficient to form a gas layer between the rings. In this case, when the rotor speed increases, the friction of the working surfaces will cause a sharp increase in temperature in the contact area and may lead to the destruction of the rings. The reduction of the sliding friction coefficient when using the “SiC–SiC” friction pair removes the risk of rings destruction and can also significantly reduce abrasion of the contact surfaces when the shaft rotates at low speeds, during start-up and shutdown modes or during transient modes, in which there is no stable gas layer between rings of stator and rotor. Laser treatment is recommended for those face surfaces of the rings of stator and rotor, which are in contact in the static position.
It is known that machining causes localized scraping of material particles, creating a relief consisting of protrusions and depressions of relatively irregular shapes with sharp edges as a result of brittle fracture. A higher surface finish can be achieved by mechanical polishing, but this does not reduce the coefficient of friction as effectively as laser processing does. From surface profile investigations, it can be clearly observed that the laser treatment results in the smoothing of the micro-relief on the polished surface of silicon-carbide ceramics. The typical surface profile is illustrated in Figure 5 (at the bottom). Such a modification of the surface micro-relief is what makes it possible to effectively reduce the coefficient of friction.

4. Conclusions

Surface microstructuring of the gas-dynamic seal based on silicon carbide ceramics was carried out using an ultraviolet laser. The pulse-periodic treatment was conducted using an LCS-DTL-374QT laser with a pulse duration smaller than 10 ns and a wavelength of 355 nm. This laser with a maximum energy of a pulse of 50 µJ and a maximum average power of 90 mW was installed in a circular laser writing station CLWS200.
An optical profilometer was used to control the exposure results of the focused ultraviolet laser beam on the ceramic material. It was found that sequential treatment of tracks of 40 µm width on the material with overlapping of neighboring tracks smaller than 2 µm allows to carry out laser polishing modes. By this processing method, a decrease in the height difference of microreliefs from 1.5 µm to 0.8 µm, a decrease in the Ra parameter from 0.056 µm to 0.035 µm and a decrease in the RMS parameter from 0.074 µm to 0.043 µm were achieved.
The coefficient of sliding friction was measured by a TRB-S-DE tribometer, CSM Instruments using a “ball-on-disk” scheme while no lubrication was applied. The indenter in this setup was a silicon carbide ball, of 6 mm diameter. It was established that the average value of the friction coefficient of the silicon carbide-based ceramic material surface after hot isostatic pressing and machining, as a result of pulse-periodic laser treatment decreased by 15%. Electron-microscopic studies of the wear surface revealed the absence of overlaps, micro-cutting strips, breaks, and cleavage, as well as only a small degree of local heterogeneity in the texture of the friction surface.
Thus, the possibility of modifying the surface of a gas-dynamic seal made of silicon carbide-based ceramics by microstructuring to decrease the friction coefficient in stationary gas turbine equipment is determined. The reduction of the sliding friction coefficient when using the “SiC–SiC” friction pair can significantly reduce abrasion of the contact surfaces when the shaft rotates at low speeds, during start-up and shutdown modes, or during transient modes in which there is no stable gas layer between the stator and rotor rings. The application of optical systems based on diffractive computer optics elements, which offer the possibility to improve the quality of laser processing, is the considered perspective.

Author Contributions

Conceptualization, S.P.M., V.B.B. and N.L.K.; methodology, S.P.M., V.B.B. and C.G.; software, S.A.F. and M.V.B.; validation, V.B.B. and S.A.F.; formal analysis, S.P.M. and C.G.; investigation, V.B.B., S.A.F. and M.V.B.; resources, S.P.M., C.G. and N.L.K.; data curation, V.B.B. and S.A.F.; writing—original draft preparation, S.P.M. and S.A.F.; writing—review and editing, S.P.M. and C.G.; visualization, V.B.B. and S.A.F.; supervision, S.P.M.; project administration, S.P.M.; funding acquisition, S.P.M., V.B.B., C.G. and N.L.K. All authors have read and agreed to the published version of the manuscript.

Funding

This research received no external funding.

Institutional Review Board Statement

Not applicable.

Informed Consent Statement

Not applicable.

Data Availability Statement

Data is contained within the article.

Conflicts of Interest

The authors declare no conflict of interest.

References

  1. Anusha, E.; Kumar, A.; Shariff, S.M. Diode laser surface treatment of bearing steel for improved sliding wear performance. Optik 2020, 206, 163357. [Google Scholar] [CrossRef]
  2. Němeček, S. Advantages and properties of laser-hardened surfaces. Defect Diffus. Forum 2020, 403, 91–96. [Google Scholar] [CrossRef]
  3. Aragaw, E.M.; Gärtner, E.; Schubert, A. Combined laser hardening and laser surface texturing forming tool 1.2379. Procedia CIRP 2020, 94, 914–918. [Google Scholar] [CrossRef]
  4. El-Khoury, M.; Seifert, M.; Bretschneider, S.; Zawischa, M.; Steege, T.; Alamri, S.; Fabián Lasagni, A.; Kunze, T. Hybrid processing of bearing steel by combining direct laser interference patterning and laser hardening for wear resistance applications. Mater. Lett. 2021, 303, 130284. [Google Scholar] [CrossRef]
  5. Kang, Z.; Fu, Y.; Ji, J.; Puoza, J.C. Effect of local laser surface texturing on tribological performance of injection cam. Int. J. Adv. Manuf. Technol. 2017, 92, 1751–1760. [Google Scholar] [CrossRef]
  6. Hazzan, K.E.; Pacella, M.; See, T.L. Laser processing of hard and ultra-hard materials for micro-machining and surface engineering applications. Micromachines 2021, 12, 895. [Google Scholar] [CrossRef]
  7. Grützmacher, P.G.; Profito, F.J.; Rosenkranz, A. Multi-scale surface texturing in tribology—Current knowledge and future perspectives. Lubricants 2019, 7, 95. [Google Scholar] [CrossRef]
  8. Zhang, W.; Yamashita, S.; Kita, H. Progress in tribological research of SiC ceramics in unlubricated sliding—A review. Mater. Des. 2020, 190, 108528. [Google Scholar] [CrossRef]
  9. Gyawali, G.; Joshi, B.; Tripathi, K.; Kim, S.-H.; Lee, S.W. Effect of microtexturing on tribological performance of Ni/Ni-SiC composite coatings. Surf. Eng. 2015, 31, 701–707. [Google Scholar] [CrossRef]
  10. Gachot, C.; Grützmacher, P.; Rosenkranz, A. Laser surface texturing of tial multilayer films-effects of microstructure and topography on friction and wear. Lubricants 2018, 6, 36. [Google Scholar] [CrossRef]
  11. Schille, J.; Schneider, L.; Mauersberger, S.; Szokup, S.; Höhn, S.; Pötschke, J.; Reiß, F.; Leidich, E.; Löschner, U. High-Rate laser surface texturing for advanced tribological functionality. Lubricants 2020, 8, 33. [Google Scholar] [CrossRef]
  12. Voyer, J.; Zehetner, J.; Klien, S.; Ausserer, F.; Velkavrh, I. Production and tribological characterization of tailored laser-induced surface 3D microtextures. Lubricants 2019, 7, 67. [Google Scholar] [CrossRef]
  13. Murzin, S.P.; Balyakin, V.B.; Liedl, G.; Melnikov, A.A.; Fürbacher, R. Improving tribological properties of stainless steel surfaces by femtosecond laser irradiation. Coatings 2020, 10, 606. [Google Scholar] [CrossRef]
  14. Rosenkranz, A.; Krupp, F.; Reinert, L.; Mücklich, F.; Sauer, B. Tribological performance of laser-patterned chain links—Influence of pattern geometry and periodicity. Wear 2017, 370–371, 51–58. [Google Scholar] [CrossRef]
  15. Kunz, C.; Bonse, J.; Spaltmann, D.; Neumann, C.; Turchanin, A.; Bartolomé, J.F.; Müller, F.A.; Gräf, S. Tribological performance of metal-reinforced ceramic composites selectively structured with femtosecond laser-induced periodic surface structures. Appl. Surf. Sci. 2020, 499, 143917. [Google Scholar] [CrossRef]
  16. Won, S.J.; Kim, H.S. Effects of laser parameters on morphological change and surface properties of aluminum alloy in masked laser surface texturing. J. Manuf. Process. 2019, 48, 260–269. [Google Scholar] [CrossRef]
  17. Ezhilmaran, V.; Vasa, N.J.; Krishnan, S.; Vijayaraghavan, L. Femtosecond pulsed Ti:Sapphire laser-assisted surface texturing on piston ring and its tribology characterization. J. Tribol 2021, 143, 041801. [Google Scholar] [CrossRef]
  18. Liang, X.; Wang, X.; Liu, Y.; Wang, X.; Shu, G.; Zhang, Z. Simulation and experimental investigation on friction reduction by partial laser surface texturing on piston ring. Tribol. Trans. 2020, 63, 371–381. [Google Scholar] [CrossRef]
  19. Paul Joshua, S.; Dinesh Babu, P. Effect of laser textured surface with different patterns on tribological characteristics of bearing material AISI 52100. J. Cent. South Univ. 2020, 27, 2210–2219. [Google Scholar] [CrossRef]
  20. Kumar, M.; Ranjan, V.; Tyagi, R. Effect of shape, density, and an array of dimples on the friction and wear performance of laser textured bearing steel under dry sliding. J. Mater. Eng. Perform. 2020, 29, 2827–2838. [Google Scholar] [CrossRef]
  21. Niketh, S.; Samuel, G.L. Hybrid micro textures-a multi-scale surface engineering approach for enhancing tribological characteristics. J. Laser Micro Nanoeng. 2019, 14, 226–235. [Google Scholar]
  22. Chen, T.; Ji, J.; Fu, Y.; Yang, X.; Fu, H.; Fang, L. Tribological performance of UV picosecond laser multi-scale composite textures for C/SiC mechanical seals: Theoretical analysis and experimental verification. Ceram. Int. 2021, 47, 23162–23180. [Google Scholar] [CrossRef]
  23. Zhang, N.; Yang, F.; Jiang, F.; Liu, G. Study of the effect of surface laser texture on tribological properties of cemented carbide materials. Proc. Inst. Mech. Eng. B J. Eng. Manuf. 2020, 234, 993–1006. [Google Scholar] [CrossRef]
  24. Pakula, D.; Staszuk, M.; Dziekońska, M.; Kožmín, P.; Čermák, A. Laser micro-texturing of sintered tool materials surface. Materials 2019, 12, 3152. [Google Scholar] [CrossRef] [PubMed]
  25. Arslan, A.; Masjuki, H.H.; Kalam, M.A.; Varman, M.; Mufti, R.A.; Mosarof, M.H.; Khuong, L.S.; Quazi, M.M. Surface texture manufacturing techniques and tribological effect of surface texturing on cutting tool performance: A review. Crit. Rev. Solid State Mater. Sci. 2016, 41, 447–481. [Google Scholar] [CrossRef]
  26. Moura, C.G.; Pereira, R.; Buciumeanu, M.; Carvalho, O.; Bartolomeu, F.; Nascimento, R.; Silva, F.S. Effect of laser surface texturing on primary stability and surface properties of zirconia implants. Ceram. Int. 2017, 43, 15227–15236. [Google Scholar] [CrossRef]
  27. Oldorf, P.; Peters, R.; Reichel, S.; Schulz, A.-P.; Wendlandt, R. Wear-reducing surface functionalization of implant materials using ultrashort laser pulses. Phys. Procedia 2015, 78, 320–327. [Google Scholar] [CrossRef][Green Version]
  28. Mao, B.; Siddaiah, A.; Liao, Y.; Menezes, P.L. Laser surface texturing and related techniques for enhancing tribological performance of engineering materials: A review. J. Manuf. Process. 2020, 53, 153–173. [Google Scholar] [CrossRef]
  29. Zheng, X.; Song, H.; Zhang, Q.; Ye, X.; Meng, L.; Tan, J. Effect of laser surface texturing on tribological properties of materials: A review. Cailiao Daobao/Mater. Rev. 2017, 31, 68–74. [Google Scholar]
  30. Wahab, J.A.; Ghazali, M.J.; Yusoff, W.M.W.; Sajuri, Z. Enhancing material performance through laser surface texturing: A review. Trans. Inst. Met. Finish. 2016, 94, 193–198. [Google Scholar] [CrossRef]
  31. Shamsul Baharin, A.F.; Ghazali, M.J.; Wahab, J.A. Laser surface texturing and its contribution to friction and wear reduction: A brief review. Ind. Lubr. Tribol. 2016, 68, 57–66. [Google Scholar] [CrossRef]
  32. Yan, S.; Wei, C.; Zou, H.; Chen, J.; Li, Y.; Shen, T.; Wang, A.; Sui, T.; Lin, B. Fabrication and tribological characterization of laser textured engineering ceramics: Si3N4, SiC and ZrO2. Ceram. Int. 2021, 47, 13789–13805. [Google Scholar] [CrossRef]
  33. Murzin, S.P.; Balyakin, V.B.; Melnikov, A.A.; Vasiliev, N.N.; Lichtner, P.I. Determining ways of improving the tribological properties of the silicon carbide ceramic using a pulse-periodic laser treatment. Comput. Opt. 2015, 39, 64–69. [Google Scholar] [CrossRef]
  34. Ji, J.; Fu, Y.; Wang, Z.; Hua, X.; Fu, H. Tribological property of mechanical seal with laser-induced multi-scale surface texturing. Paiguan Jixie Gongcheng Xuebao/J. Drain. Irrig. Mach. Eng. 2012, 30, 452–456. [Google Scholar]
  35. Balyakin, V.B.; Falaleev, S.V. Study of temperature state of mechanical gas dynamic sealing. J. Frict. Wear 2015, 36, 213–217. [Google Scholar] [CrossRef]
  36. Balyakin, V.B.; Falaleev, S.V. Methods and means of reducing friction torque in face seals. J. Frict. Wear 2020, 41, 447–452. [Google Scholar] [CrossRef]
  37. Kazanskiy, N.L.; Skidanov, R.V. Technological line for creation and research of diffractive optical elements. Proc. SPIE 2019, 11146, 111460W. [Google Scholar]
  38. Khomich, Y.V.; Malinskiy, T.V.; Mikolutskiy, S.I.; Rogalin, V.E.; Yamshchikov, V.A.; Kaplunov, I.A.; Ivanova, A.I. Powerful ultraviolet laser pulse impact on polished metals and semiconductors. J. Phys. Conf. Ser. 2020, 1697, 012254. [Google Scholar] [CrossRef]
  39. Chong, T.C.; Hong, M.H.; Shi, L.P. Laser precision engineering: From microfabrication to nanoprocessing. Laser Photonics Rev. 2010, 4, 123–143. [Google Scholar] [CrossRef]
  40. Su, Q.; Bai, S.; Han, J.; Ma, Y.; Yu, Y.; Deng, Y.; Wu, M.; Zheng, C.; Hu, A. Precise laser trimming of alloy strip resistor: A comparative study with femtosecond laser and nanosecond laser. J. Laser Appl. 2020, 32, 022013. [Google Scholar] [CrossRef]
  41. Chugui, Y.V.; Verkhoglyad, A.G.; Zavyalov, P.S.; Sysoev, E.V.; Kulikov, R.V.; Vykhristyuk, I.A.; Zavyalova, M.A.; Poleshchuk, A.G.; Korolkov, V.P. Optical measuring and laser technologies for scientific and industrial applications. Int. J. Autom. Technol. 2015, 9, 515–524. [Google Scholar] [CrossRef]
  42. Korolkov, V.; Belousov, D. Application of nanotechnologies to the problems of diffractive optics. In Proceedings of the ITNT 2020—6th IEEE International Conference on Information Technology and Nanotechnology, Samara, Russia, 26–29 May 2020. [Google Scholar]
Figure 1. Schematic representation of the CLWS-200 laser writing station.
Figure 1. Schematic representation of the CLWS-200 laser writing station.
Applsci 11 11906 g001
Figure 2. Photo of the CLWS-200 laser writing station with an LCS-DTL-374QT ultraviolet laser.
Figure 2. Photo of the CLWS-200 laser writing station with an LCS-DTL-374QT ultraviolet laser.
Applsci 11 11906 g002
Figure 3. (a) Tribometer (CSM Instruments) used to measure the friction coefficient of the test sample and (b) the test scheme “ball-on-disk”.
Figure 3. (a) Tribometer (CSM Instruments) used to measure the friction coefficient of the test sample and (b) the test scheme “ball-on-disk”.
Applsci 11 11906 g003
Figure 4. Process of alignment and focusing of the laser beam on the ring-shaped surface.
Figure 4. Process of alignment and focusing of the laser beam on the ring-shaped surface.
Applsci 11 11906 g004
Figure 5. Typical (at the top) surface irregularities maps, (in the middle) height maps, and (at the bottom) profilograms of roughness of (a) the initial surface and (b) the irradiated surface.
Figure 5. Typical (at the top) surface irregularities maps, (in the middle) height maps, and (at the bottom) profilograms of roughness of (a) the initial surface and (b) the irradiated surface.
Applsci 11 11906 g005
Figure 6. Dependence of friction coefficient on sliding length for a sample surface that was not laser exposed.
Figure 6. Dependence of friction coefficient on sliding length for a sample surface that was not laser exposed.
Applsci 11 11906 g006
Figure 7. Dependence of friction coefficient on sliding length for the laser treated sample surface.
Figure 7. Dependence of friction coefficient on sliding length for the laser treated sample surface.
Applsci 11 11906 g007
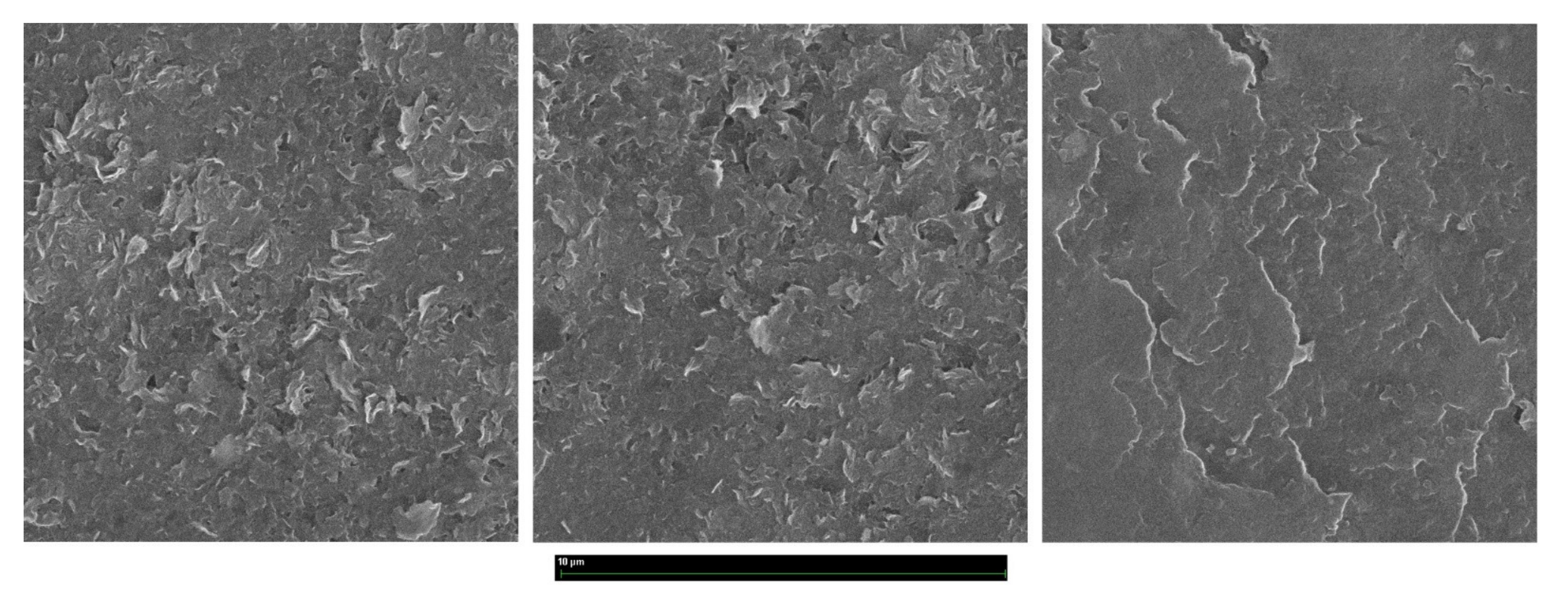
Figure 8. SEM images of the laser treated surface (left); boundary of the wear area of the sample surface (in the middle); wear area of the sample surface (right).
Figure 8. SEM images of the laser treated surface (left); boundary of the wear area of the sample surface (in the middle); wear area of the sample surface (right).
Applsci 11 11906 g008
Figure 9. SEM image of the treated surface after pulsed-periodic laser irradiation.
Figure 9. SEM image of the treated surface after pulsed-periodic laser irradiation.
Applsci 11 11906 g009
Figure 10. SEM image of the wear area of the sample surface.
Figure 10. SEM image of the wear area of the sample surface.
Applsci 11 11906 g010
Publisher’s Note: MDPI stays neutral with regard to jurisdictional claims in published maps and institutional affiliations.

Share and Cite

MDPI and ACS Style

Murzin, S.P.; Balyakin, V.B.; Gachot, C.; Fomchenkov, S.A.; Blokhin, M.V.; Kazanskiy, N.L. Ultraviolet Nanosecond Laser Treatment to Reduce the Friction Coefficient of Silicon Carbide Ceramics. Appl. Sci. 2021, 11, 11906. https://doi.org/10.3390/app112411906

AMA Style

Murzin SP, Balyakin VB, Gachot C, Fomchenkov SA, Blokhin MV, Kazanskiy NL. Ultraviolet Nanosecond Laser Treatment to Reduce the Friction Coefficient of Silicon Carbide Ceramics. Applied Sciences. 2021; 11(24):11906. https://doi.org/10.3390/app112411906

Chicago/Turabian Style

Murzin, Serguei P., Valeriy B. Balyakin, Carsten Gachot, Sergey A. Fomchenkov, Maksim V. Blokhin, and Nikolay L. Kazanskiy. 2021. "Ultraviolet Nanosecond Laser Treatment to Reduce the Friction Coefficient of Silicon Carbide Ceramics" Applied Sciences 11, no. 24: 11906. https://doi.org/10.3390/app112411906

APA Style

Murzin, S. P., Balyakin, V. B., Gachot, C., Fomchenkov, S. A., Blokhin, M. V., & Kazanskiy, N. L. (2021). Ultraviolet Nanosecond Laser Treatment to Reduce the Friction Coefficient of Silicon Carbide Ceramics. Applied Sciences, 11(24), 11906. https://doi.org/10.3390/app112411906

Note that from the first issue of 2016, this journal uses article numbers instead of page numbers. See further details here.

Article Metrics

Back to TopTop