Techno-Economics Optimization of H2 and CO2 Compression for Renewable Energy Storage and Power-to-Gas Applications
Abstract
1. Introduction
2. Methodology
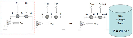
2.1. Process Simulation
2.2. Cost Analysis
2.3. Case Study Results
3. Optimization of Annual Costs
Constraints: Subject to: Energy balances
Equipment costs
Number of stages (discrete variable)
Sensitivity Analysis
4. Conclusions
- (i)
- Four compressor stages for CO2 storage at a pressure of 72.5 bar minimize the annual storage cost. This value is just below the supercritical pressure. Increasing pressure above this value increases the compressor, installation, and operational cost, without reducing significantly the storage tank value and cost.
- (ii)
- In the case of H2, the minimum cost is found with a storage pressure of 67.6 bar, slightly lower than in the case of CO2 and with one compressor stage less. This value is in agreement with the usual pressures to store and distribute natural gas.
- (iii)
- In both cases the value of the pressure that minimize the cost remains practically unchanged despite the number of compressor stages. In any case, the effect of the number of stages on cost is evident and the economic differences are clear.
- (iv)
- For the mass flow of H2 and CO2 was selected the production of a 1 MW electrolyzer and CO2 to complete the conversion into CH4. With this assumption, the H2 storage cost are higher than the CO2 cost, even with lower mass quantities; this is due to the lower H2 density compared to CO2.
- (v)
- Finally, it is also concluded that the compressor costs are the most relevant cost for CO2 compression but the storage tank cost are the most relevant in the case of H2.
Author Contributions
Funding
Institutional Review Board Statement
Informed Consent Statement
Data Availability Statement
Conflicts of Interest
Abbreviations
| A | Annual costs (€/year) |
| CAPEX | Capital expenditure (€) |
| CCS | Carbon Capture and Storage |
| COE | Cost of electricity(€/kWh) |
| COG | Cost of natural gas (€/MWh) |
| CostC | Unitary compressor cost (€) |
| CostHE | Unitary heat exchanger cost (€) |
| CostT | Unitary tank cost (€) |
| Cr | Compression ratio |
| DAC | Direct Air Capture |
| Ei | Equipment cost (€) |
| GHG | Greenhouse gases |
| Hnu | Heat not used (kJ/kg) |
| Hu | Heat used (kJ/kg) |
| i | Annual interest (%) |
| k | Configuration |
| LHV | Low Heating Value (kJ/kg) |
| MF | Material factor |
| n | Service life (years) |
| OPEX | Operating expenditure (€/year) |
| PtG | Power to gas |
| PF | Pressure factor |
| SNG | Synthetic natural gas |
| TAC | Total annual costs (€/year) |
| To | Operation time (hours/year) |
| VF | Volume factor |
| Wnet | Net power (kJ/kg) |
References
- Papadis, E.; Tsatsaronis, G. Challenges in the decarbonization of the energy sector. Energy 2020, 205, 118025. [Google Scholar] [CrossRef]
- EU Reference Scenario 2016 Energy, Transport and GHG Emissions Trends to 2050. Available online: https://ec.europa.eu/energy/sites/ener/files/documents/20160713draft_publication_REF2016_v13.pdf (accessed on 3 February 2019).
- Ince, A.C.; Colpan, C.O.; Hagen, A.; Serincan, M.F. Modeling and simulation of Power-to-X systems: A review. Fuel 2021, 304, 121354. [Google Scholar] [CrossRef]
- Koj, J.C.; Wulf, C.; Zapp, P. Environmental impacts of power-to-X systems—A review of technological and methodological choices in Life Cycle Assessments. Renew. Sustain. Energy Rev. 2019, 112, 865–879. [Google Scholar] [CrossRef]
- Bailera, M.; Lisbona, P.; Romeo, L.M.; Espatolero, S. Power to Gas projects review: Lab, pilot and demo plants for storing renewable energy and CO2. Renew. Sustain. Energy Rev. 2017, 69, 292–312. [Google Scholar] [CrossRef]
- Llera-Sastresa, E.; Romeo, L.M.; Scarpellini, S.; Portillo-Tarragona, P. Methodology for Dimensioning the Socio-Economic Impact of Power-to-Gas Technologies in a Circular Economy Scenario. Appl. Sci. 2020, 10, 7909. [Google Scholar] [CrossRef]
- Bailera, M.; Lisbona, P.; Romeo, L.M. Power to gas-oxyfuel boiler hybrid systems. Int. J. Hydrogen Energy 2015, 40, 10168–10175. [Google Scholar] [CrossRef]
- Romeo, L.M.; Bailera, M. Design configurations to achieve an effective CO2 use and mitigation through power to gas. J. CO2 Util. 2020, 39, 101174. [Google Scholar] [CrossRef]
- Keith, D.W.; Holmes, G.; Angelo, D.S.; Heidel, K. A Process for Capturing CO2 from the Atmosphere. Joule 2018, 2, 1573–1594. [Google Scholar] [CrossRef]
- Schiebahn, S.; Grube, T.; Robinius, M.; Tietze, V.; Kumar, B.; Stolten, D. Power to gas: Technological overview, systems analysis and economic assessment for a case study in Germany. Int. J. Hydrogen Energy 2015, 40, 4285–4294. [Google Scholar] [CrossRef]
- Ruffio, E.; Saury, D.; Petit, D. Thermodynamic analysis of hydrogen tank filling. Effects of heat losses and filling rate optimization. Int. J. Hydrogen Energy 2014, 39, 12701–12714. [Google Scholar] [CrossRef]
- Hosseini, M.; Dincer, I.; Naterer, G.F.; Rosen, M.A. Thermodynamic analysis of filling compressed gaseous hydrogen storage tanks. Int. J. Hydrogen Energy 2012, 37, 5063–5071. [Google Scholar] [CrossRef]
- Johnson, T.; Bozinoski, R.; Ye, J.; Sartor, G.; Zheng, J.; Yang, J. Thermal model development and validation for rapid filling of high pressure hydrogen tanks. Int. J. Hydrogen Energy 2015, 40, 9803–9814. [Google Scholar] [CrossRef]
- Bourgeois, T.; Ammouri, F.; Baraldi, D.; Moretto, P. The temperature evolution in compressed gas filling processes: A review. Int. J. Hydrogen Energy 2018, 43, 2268–2292. [Google Scholar] [CrossRef]
- Jensen, J.O.; Vestbø, A.P.; Li, Q.; Bjerrum, N.J. The energy efficiency of onboard hydrogen storage. J. Alloys Compd. 2007, 446, 723–728. [Google Scholar] [CrossRef]
- Romeo, L.M.; Bolea, I.; Lara, Y.; Escosa, J.M. Optimization of intercooling compression in CO2 capture systems. Appl. Therm. Eng. 2009, 29, 1744–1751. [Google Scholar] [CrossRef]
- Fu, C.; Gundersen, T. Heat and work integration: Fundamental insights and applications to carbon dioxide capture processes. Energy Convers. Manag. 2016, 121, 36–48. [Google Scholar] [CrossRef]
- Sunku Prasad, J.; Muthukumar, P.; Desai, F.; Basu, D.N.; Rahman, M.M. A critical review of high-temperature reversible thermochemical energy storage systems. Appl. Energy 2019, 254, 113733. [Google Scholar] [CrossRef]
- Fu, C.; Anantharaman, R.; Gundersen, T. Optimal integration of compression heat with regenerative steam Rankine cycles in oxy-combustion coal based power plants. Energy 2015, 84, 612–622. [Google Scholar] [CrossRef][Green Version]
- Pei, P.; Barse, K.; Gil, A.J.; Nasah, J. Waste heat recovery in CO2 compression. Int. J. Greenh. Gas Control 2014, 30, 86–96. [Google Scholar] [CrossRef]
- Jackson, S.; Brodal, E. A comparison of the energy consumption for CO2 compression process alternatives. IOP Conf. Ser. Earth Environ. Sci. 2018, 167, 012031. [Google Scholar] [CrossRef]
- Modekurti, S.; Eslick, J.; Omell, B.; Bhattacharyya, D.; Miller, D.C.; Zitney, S.E. Design, dynamic modeling, and control of a multistage CO2 compression system. Int. J. Greenh. Gas Control 2017, 62, 31–45. [Google Scholar] [CrossRef]
- Han, C.; Zahid, U.; An, J.; Kim, K.; Kim, C. CO2 transport: Design considerations and project outlook. Curr. Opin. Chem. Eng. 2015, 10, 42–48. [Google Scholar] [CrossRef]
- EES: Engineering Equation Solver|F-Chart Software: Engineering Software. Available online: https://www.fchartsoftware.com/ees/ (accessed on 3 November 2021).
- Peters, M.S.; Timmerhaus, K.D.; West, R.E. Plant Design and Economics for Chemical Engineers; McGraw-Hill: New York, NY, USA, 2003. [Google Scholar]
- The Chemical Engineering Plant Cost Index—Chemical Engineering. Available online: https://www.chemengonline.com/pci-home (accessed on 11 October 2021).
- Mibel—Mercado Ibérico de Electricidade. Available online: https://www.mibel.com/en/home_en/ (accessed on 11 October 2021).
- Salvini, C.; Mariotti, P.; Giovannelli, A. Compression and Air Storage Systems for Small Size CAES Plants: Design and Off-design Analysis. Energy Procedia 2017, 107, 369–376. [Google Scholar] [CrossRef]
- Romeo, L.M. CO2 Capture: Integration and Overall System Optimization in Power Applications; Springer: Berlin/Heidelberg, Germany; pp. 327–347. [CrossRef]
- Pascual, S.; Lisbona, P.; Bailera, M.; Romeo, L.M. Design and operational performance maps of calcium looping thermochemical energy storage for concentrating solar power plants. Energy 2021, 220, 119715. [Google Scholar] [CrossRef]
- Ortiz, C.; Chacartegui, R.; Valverde, J.M.; Alovisio, A.; Becerra, J.A. Power cycles integration in concentrated solar power plants with energy storage based on calcium looping. Energy Convers. Manag. 2017, 149, 815–829. [Google Scholar] [CrossRef]
- Andersson, J.; Grönkvist, S. Large-scale storage of hydrogen. Int. J. Hydrogen Energy 2019, 44, 11901–11919. [Google Scholar] [CrossRef]
- Wolf, E. Large-Scale Hydrogen Energy Storage. In Electrochemical Energy Storage for Renewable Sources and Grid Balancing; Elsevier: Amsterdam, The Nerderlands, 2015; pp. 129–142. [Google Scholar] [CrossRef]

| Carbon Dioxide | Hydrogen | |||
|---|---|---|---|---|
| Value | Unit System | Value | Unit System | |
| Methane Power | 1000 | kW | - | - |
| LHV Methane | 50,030 | kJ/kg | - | - |
| Methane mass | 0.02 | kg/s | - | - |
| Carbon dioxide mass | 0.055 | kg/s | - | - |
| Days per week | 2 | day | 2 | day |
| Compression ratio | 1–4 | - | 1–4 | - |
| Hydrogen power | - | - | 1000 | kW |
| Electrolyser efficiency | - | - | 70 | % |
| LHV Hydrogen | - | - | 120,000 | kJ/kg |
| Hydrogen mass | - | - | 0.0058 | kg/s |
| Inlet gas pressure | 1 bar | |||
| Storage pressure | 20 bar | |||
| Temperature between serial heat exchangers | 60 °C | |||
| Inlet gas temperature | 30 °C | |||
| Isentropic efficiency | 85% | |||
| Cost Description Study Case | Unit | Value |
|---|---|---|
| FIXED COSTS | ||
| E, Main equipment cost (compressors and heat exchangers) | (%) | 100 |
| Equipment installation | (%) | 20 |
| Instrumentation and control systems | (%) | 16 |
| Gas piping | (%) | 34 |
| Electrical systems | (%) | 5 |
| Industrial warehouse | (%) | 5 |
| Service centre | (%) | 10 |
| TOTAL FIXED COSTS | (%) | 190 |
| VARIABLE COSTS | ||
| Engineering and supervision | (%) | 5 |
| Building costs | (%) | 10 |
| Legal costs | (%) | 3 |
| Administrative fees | (%) | 2 |
| Contingencies | (%) | 10 |
| TOTAL VARIABLE COSTS | (%) | 30 |
| CAPEX | (%) | 220 |
| K | Wnet (kJ/kg) | Hu (kJ/kg) | Hnu (kJ/kg) | Wnet (kJ/kg) | Hu (kJ/kg) | Hnu (kJ/kg) |
|---|---|---|---|---|---|---|
| 1 | 15.23 | 14.60 | 1.64 | 40.72 | 38.15 | 2.52 |
| 2 | 12.86 | 10.77 | 3.12 | 32.19 | 27.11 | 5.04 |
| 3 | 12.13 | 8.56 | 4.58 | 29.86 | 22.26 | 7.55 |
| 4-SC | 11.77 | 6.72 | 6.06 | 28.77 | 18.65 | 10.07 |
| 5 | 11.56 | 5.03 | 7.54 | 28.15 | 15.51 | 12.58 |
| Cost Description Study Case | Cost CO2 (€) | Cost H2 (€) |
|---|---|---|
| FIXED COSTS | ||
| E, Main equipment cost (Compressors and heat exchangers) | 460,303 | 747,072 |
| Equipment installation | 92,061 | 149,414 |
| Instrumentation and control systems | 73,648 | 119,532 |
| Gas piping | 156,503 | 254,004 |
| Electrical systems | 23,015 | 37,354 |
| Industrial warehouse | 23,015 | 37,354 |
| Service centre | 46,030 | 74,707 |
| TOTAL FIXED COSTS | 874,576 | 1,419,437 |
| VARIABLE COSTS | ||
| Engineering and supervision | 23,015 | 37,354 |
| Building costs | 46,030 | 74,707 |
| Legal costs | 13,809 | 22,412 |
| Administrative fees | 9206 | 14,941 |
| Contingencies | 46,030 | 74,707 |
| TOTAL VARIABLE COSTS | 138,091 | 224,122 |
| CAPEX | 1,012,667 | 1,643,558 |
| K | TAC (€/Year) | CC (€) | HEC (€) | TC (€) | E (€) | CAPEX (€) | a (€/Year) | OPEX (€/Year) |
|---|---|---|---|---|---|---|---|---|
| 1 | 40,117 | 51,582 | 14,058 | 173,737 | 253,435 | 557,557 | 37,477 | 2640 |
| 2 | 49,941 | 47,208 | 13,366 | 173,737 | 321,617 | 707,557 | 47,559 | 2382 |
| 3 | 60,196 | 46,016 | 13,176 | 173,737 | 390,839 | 859,846 | 57,795 | 2401 |
| 4-SC | 70,551 | 45,467 | 13,087 | 173,737 | 460,303 | 1,013,000 | 68,067 | 2484 |
| 5 | 80,945 | 45,152 | 13,036 | 173,737 | 529,861 | 1,166,000 | 78,353 | 2592 |
| TAC (€/Year) | CC (€) | HEC (€) | TC (€) | E (€) | CAPEX (€) | a (€/Year) | OPEX (€/Year) | |
|---|---|---|---|---|---|---|---|---|
| 1 | 87,816 | 64,144 | 15,867 | 449,650 | 545,527 | 1,200,000 | 80,670 | 7147 |
| 2 | 96,130 | 52,012 | 14,045 | 449,650 | 609,856 | 1,342,000 | 90,182 | 5948 |
| 3 | 106,067 | 48,961 | 13,589 | 449,650 | 678,069 | 1,492,000 | 100,269 | 5797 |
| 4-SC | 116,331 | 47,587 | 13,384 | 449,650 | 747,072 | 1,644,000 | 110,473 | 5858 |
| 5 | 126,717 | 46,808 | 13,268 | 449,650 | 816,367 | 1,796,000 | 120,720 | 5997 |
| Carbon Dioxide | Hydrogen | |||
|---|---|---|---|---|
| Value | Unit System | Value | Unit System | |
| Methane mass | 0.02 | kg/s | - | - |
| Carbon dioxide mass | 0.055 | kg/s | - | - |
| Days per week | 2 | day | 2 | day |
| Compression ratio | 1–4 | - | 1–4 | - |
| Hydrogen mass | - | - | 0.0058 | kg/s |
| Inlet gas pressure | 1 bar | |||
| Temperature between serial heat exchangers | 60 °C | |||
| Inlet gas temperature | 30 °C | |||
| Isentropic efficiency | 85% | |||
| Compression ratio | 1–4 | |||
| K | P (bar) | V (m3) | Cr | TAC (€/Year) | CC (€) | HEC (€) | TC (€) | E (€) | CAPEX (€) | a (€/Year) | OPEX (€/Year) |
|---|---|---|---|---|---|---|---|---|---|---|---|
| 1 | 72.40 | - | 72.40 | - | - | - | - | - | - | - | - |
| 2 | 72.45 | - | 8.51 | - | - | - | - | - | - | - | - |
| 3 | 72.46 | - | 4.17 | - | - | - | - | - | - | - | - |
| 4-SC | 72.47 | 15.49 | 2.92 | 60,068 | 46,114 | 13,378 | 93,749 | 385,231 | 847,505 | 56,966 | 3102 |
| 5 | 72.48 | 15.49 | 2.36 | 70,397 | 45,640 | 13,265 | 93,749 | 454,597 | 1,000,000 | 67,223 | 3174 |
| K | P (bar) | V (m3) | Cr | TAC (€/Year) | CC (€) | HEC (€) | TC (€) | E (€) | CAPEX (€) | a (€/Year) | OPEX (€/Year) |
|---|---|---|---|---|---|---|---|---|---|---|---|
| 1 | 57.27 | - | 57.27 | - | - | - | - | - | - | - | - |
| 2 | 65.41 | - | 8.09 | - | - | - | - | - | - | - | - |
| 3 | 67.64 | 193.70 | 4.00 | 83,734 | 51,446 | 13,958 | 271,669 | 509,756 | 1,121,000 | 75,380 | 8354 |
| 4-SC | 68.66 | 191 | 2.88 | 93,677 | 49,325 | 13,641 | 271,332 | 577,765 | 1,271,000 | 85,437 | 8240 |
| 5 | 69.24 | 189.5 | 2.33 | 103,879 | 48,140 | 13,465 | 271,156 | 646,506 | 1,422,000 | 95,602 | 8278 |
| K | TAC (€/Year) | CAPEX (€) | a (€/Year) | OPEX (€/Year) | P (bar) | V (m3) | Cr | |
|---|---|---|---|---|---|---|---|---|
| (a) | ||||||||
| Optimization base | 4-SC | 60,068 | 847,505 | 56,966 | 3102 | 72.47 | 15.49 | 2.92 |
| Decrease COE 20% | 4-SC | 59,164 | 847,505 | 56,966 | 2198 | 72.49 | 15.48 | 2.92 |
| Increase COE 20% | 4-SC | 60,972 | 847,505 | 56,966 | 4006 | 72.46 | 15.51 | 2.92 |
| (b) | ||||||||
| Optimization base | 4-SC | 83,734 | 1,121,000 | 75,380 | 8354 | 67.64 | 193.70 | 4.00 |
| Decrease COE 20% | 4-SC | 81,329 | 1,121,000 | 75,318 | 6012 | 69.89 | 187.80 | 4.12 |
| Increase COE 20% | 4-SC | 86,116 | 1,121,000 | 75,463 | 10,653 | 65.51 | 199.80 | 4.00 |
| K | TAC (€/Year) | CAPEX (€) | a (€/Year) | OPEX (€/Year) | P (bar) | V (m3) | Cr | |
|---|---|---|---|---|---|---|---|---|
| (a) | ||||||||
| Optimization Base | 4-SC | 60,068 | 847,505 | 56,966 | 3102 | 72.47 | 15.49 | 2.92 |
| 96 h/week (4 days/week) | 4-SC | 63,170 | 847,505 | 56,966 | 6204 | 72.46 | 15.51 | 2.92 |
| 168 h/week (7 days/week) | 4-SC | 67,824 | 847,505 | 56,966 | 10,858 | 72.44 | 15.53 | 2.92 |
| (b) | ||||||||
| Optimization Base | 4-SC | 83,734 | 1,121,000 | 75,380 | 8354 | 67.64 | 193.70 | 4.00 |
| 96 h/week (4 days/week) | 4-SC | 91,974 | 1,121,000 | 75,318 | 16,258 | 61.18 | 213.40 | 3.94 |
| 168 h/week (7 days/week) | 4-SC | 103,935 | 1,121,000 | 75,463 | 27,388 | 53.31 | 243.80 | 3.76 |
Publisher’s Note: MDPI stays neutral with regard to jurisdictional claims in published maps and institutional affiliations. |
© 2021 by the authors. Licensee MDPI, Basel, Switzerland. This article is an open access article distributed under the terms and conditions of the Creative Commons Attribution (CC BY) license (https://creativecommons.org/licenses/by/4.0/).
Share and Cite
Esteban, M.; Romeo, L.M. Techno-Economics Optimization of H2 and CO2 Compression for Renewable Energy Storage and Power-to-Gas Applications. Appl. Sci. 2021, 11, 10741. https://doi.org/10.3390/app112210741
Esteban M, Romeo LM. Techno-Economics Optimization of H2 and CO2 Compression for Renewable Energy Storage and Power-to-Gas Applications. Applied Sciences. 2021; 11(22):10741. https://doi.org/10.3390/app112210741
Chicago/Turabian StyleEsteban, Mario, and Luis M. Romeo. 2021. "Techno-Economics Optimization of H2 and CO2 Compression for Renewable Energy Storage and Power-to-Gas Applications" Applied Sciences 11, no. 22: 10741. https://doi.org/10.3390/app112210741
APA StyleEsteban, M., & Romeo, L. M. (2021). Techno-Economics Optimization of H2 and CO2 Compression for Renewable Energy Storage and Power-to-Gas Applications. Applied Sciences, 11(22), 10741. https://doi.org/10.3390/app112210741

